二级公路水泥混凝土路面厚度计算书(例题)复习过程
- 格式:doc
- 大小:265.00 KB
- 文档页数:8
水泥混凝土面板厚度计算案例公路自然区划Ⅱ5区拟新修建一条一级公路,路基为粉质土,处于中湿状态。
拟修建普通水泥混凝土路面,行车道宽2×7.5m ,两侧硬路肩宽2×1.5m ,不设中间分隔带。
经交通调查和计算得知,设计车道使用初期标准轴载日作用次数为1500次/日,交通量年平均增长率为6%。
当地水泥、石灰、碎石等材料供应充足,试设计该水泥混凝土路面。
解:1.交通分析由表1-28可知,一级公路的设计基准期为30年,安全等级为二级。
查表1-32,临界荷位处的车辆轮迹横向分布系数取0.22。
设计基准期内设计车道标准荷载累计作用次数为:()[]()[]22.006.0365106.011500 3651130⨯⨯-+⨯=⨯-+⨯=ηr t r s e g g N N 次610522.9⨯=与表1-33对照,属重交通等级。
2.初拟路面结构查表1-29,取相应于安全等级的变异水平等级为中级。
根据一级公路、重交通等级和中级变异水平等级,查表1-39,初拟普通混凝土面层厚度为0.24m 。
普通混凝土面板的平面尺寸采用宽4.5m ,长5.0m 。
纵缝为设拉杆平缝,横缝为设传力杆的假缝。
根据当地材料供应情况,基层选用水泥稳定碎石(水泥剂量取5%),厚0.20m 。
垫层选用0.15m 厚的石灰土(石灰剂量取10%)。
3.路基路面材料参数确定查表1-44,路基回弹模量取25MPa 。
查表1-45,石灰土垫层回弹模量取600 MPa ,水泥稳定碎石基层回弹模量取1300MPa 。
查表1-34,普通混凝土面层的弯拉强度标准值为5.0MPa ,由表1-43可得相应弯拉弹性模量标准值为31GPa 。
4.计算基层顶面当量回弹模量104815.020.015.060020.0130022222221222121=+⨯+⨯=++=h h E h E h E x (MPa ) ()1221122132231111412-⎪⎪⎭⎫ ⎝⎛++++=h E h E h h h E h E D x ()123315.0600120.013001415.020.01215.060020.01300-⎪⎭⎫ ⎝⎛⨯+⨯++⨯+⨯= =3.083(MN-m) 328.01048/083.312/1233=⨯==x x x E D h (m )471.425104851.1122.651.1122.645.045.00=⎥⎥⎦⎤⎢⎢⎣⎡⎪⎭⎫ ⎝⎛⨯-⨯=⎥⎥⎦⎤⎢⎢⎣⎡⎪⎪⎭⎫ ⎝⎛-=--E E a x 815.025104844.1144.1155.055.00=⎪⎭⎫ ⎝⎛⨯-=⎪⎪⎭⎫ ⎝⎛-=--E E b x 15625104825328.0471.43/1815.03/100=⎪⎭⎫ ⎝⎛⨯⨯⨯=⎪⎪⎭⎫ ⎝⎛=E E E ah E x b x t (MPa ) 普通混凝土面层的相对刚度半径为: 752.01563100024.0537.0537.03/13/1=⎪⎭⎫ ⎝⎛⨯⨯=⎪⎪⎭⎫ ⎝⎛=t c E E h r (m )5.计算荷载疲劳应力标准轴载在临界荷位处产生的荷载应力为:=⨯⨯==--26.026.024.0752.0077.0077.0h r ps σ 1.127(MPa )因纵缝为设拉杆平缝,接缝传荷能力的应力折减系数87.0=r k 。
1.路面类型的选择确定本设计为二级公路,位于四川地区,公路自然区划为Ⅴ区,路基土为粘性土,设计路段碎石、砂砾、石灰、水泥供应丰富,拟采用普通水泥混凝土路面结构。
交通组成表路面设计以双轮组单轴载100KN 为标准轴载,以BZZ -100表示。
① 轴载换算:161100∑=⎪⎭⎫⎝⎛=ni i i i s P N N δ式中 :s N ——100KN 的单轴—双轮组标准轴载的作用次数;i P —单轴-单轮、单轴-双轮组、双轴—双轮组或三轴-双轮组轴型i级轴载的总重KN ;i N —各类轴型i 级轴载的作用次数; n —轴型和轴载级位数;i δ—轴—轮型系数,单轴—双轮组时,1=i δ;单轴—单轮时,按式43.031022.2-⨯=ii P δ计算;双轴—双轮组时,按式22.051007.1--⨯=i i P δ;三轴—双轮组时,按式22.081024.2--⨯=i i P δ计算。
轴载换算结果如表7-2所示.表7—2 轴载换算结果② 计算累计当量轴次查《路线设计规范》得三级公路的设计基准期为20年,安全等级为三级,临界荷位处的车辆轮迹轮迹横向分布系数η是0.54~0。
62取0.54,075.0=r g ,则:[][]6201026.354.0365075.01)075.01(808.3813651)1(⨯=⨯⨯-+⨯=⨯-+=ηr t r s e g g N N查《水泥混凝土路面设计规范》水泥混凝土路面所承受的轴载作用,按设计基准期内设计车道所承受的标准轴载累计作用次数分为4级,标准轴载累计作用次数大于1×106 时,属于重交通等级,故本设计属于重交通等级。
2.基层、垫层材料参数确定(1) 基层基层、应具有足够的强度和稳定性,在冰冻地区应具有一定的抗冻性。
拟选用石灰粉煤灰稳定粒料为基层。
配比为石灰:粉煤灰:稳定粒料=1:3:12,查《水泥混凝土路面设计规范》得回弹模量a MP E 13001=。
公路水泥混凝土路面设计新规范混凝土板厚度计算示例公路水泥混凝土路面设计是公路工程中的一个重要环节,路面的设计合理与否直接关系到道路使用寿命和交通安全。
在公路水泥混凝土路面设计新规范中,混凝土板厚度的计算是一个关键步骤。
下面将通过一个示例来详细介绍混凝土板厚度的计算方法。
假设其中一道路路段要新建一条公路水泥混凝土路面,基础土质为II类路基,交通量为1000辆/日,设计寿命为20年。
现在需要计算该路段的混凝土板厚度。
首先,根据新规范的要求,需要计算设计车辆组合的轴重、作用系数和总轴重。
1.设计车辆组合的轴重计算根据交通量和设计寿命,需要确定设计车辆组合。
假设设计车辆组合为:轿车(设计重量2t)、货车(设计重量8t)和重型卡车(设计重量10t)。
根据交通量和车辆类型,计算重型卡车的设计车辆比例:重型卡车设计车辆比例=重型卡车日交通量/总交通量=100辆/日/1000辆/日=0.1轿车和货车的设计车辆比例为:(1-0.1)/2=0.45根据设计车辆组合,计算设计车辆组合的轴重:轴重=轿车轴重系数*轿车设计重量+货车轴重系数*货车设计重量+重型卡车轴重系数*重型卡车设计重量假设轿车轴重系数为0.2,货车轴重系数为0.4,重型卡车轴重系数为0.6轴重=0.2*2+0.4*8+0.6*10=11.6t2.作用系数的计算作用系数是根据路面结构、排水状况等因素来确定的,不同的路段有不同的作用系数。
假设该路段的作用系数为1.23.总轴重的计算总轴重=轴重*作用系数=11.6*1.2=13.92t4.混凝土板厚度的计算根据总轴重和基础土质等因素,可以使用新规范提供的表格来查找混凝土板厚度。
假设基础土质为II类路基,根据表格查找到的混凝土板厚度为35cm。
通过以上计算,可以得到该路段的混凝土板厚度为35cm。
需要注意的是,混凝土板厚度的计算还需要考虑其他因素,如气候条件、路面结构等。
在实际设计中,还需要结合实际情况进行调整和优化,以确保道路的使用寿命和安全性。
1 绪论毕业设计旨在使我们对所学过的基础理论和专业知识进行一次全面、系统地回顾和总结,通过对具体题目的分析,使理论与实践相结合,巩固和发展所学理论知识,掌握正确的思维方法和基本技能,提高学生独立思考能力和团结协作的工作作风,提高我们利用计算机解决实际问题的能力及计算机实际操作水平,促进自己建立严谨的科学态度和工作作风。
毕业设计是带有研究性质的专题研究分析、设计报告,是完成教学任务、培养合格人才的一个重要实践性教学环节。
通过毕业设计,可以培养我们的开发和设计能力,提高综合运用所学知识和技能去分析、解决实际问题的能力,检验我们的学习效果等均具有重要意义。
本设计是针对某二级公路K0+000-K2+042.426段进行施工设计,主要设计内容包括:道路平面线形设计、道路纵断面设计、道路横断面设计、道路路基设计、土石方量的计算及调配、排水设计、路面结构设计。
路面设计以双轴组单轴载100KN作为标准轴载,沥青混凝土路面设计年限为12年。
公路排水设计应包含以下两个方面的内容:其一是要考虑如何减少地下水、农田排灌水对路基稳定性及强度的影响,一般称之为第一类排水;其二是要考虑如何将路表水迅速排出路基之外,最大限度地减少雨水对路基、路面质量的影响,减少因路表水排水不畅或路表水下渗对路基、路面结构和使用性能产生的损害,这称为第二类排水。
设计时不但需要考虑地形、地质、水文、气象、地震等自然因素的影响,同时还要受到当地经济、土地资源,筑路材料来源、施工条件、劳动力状况诸多因素的限制,这要求我们在路线设计时要做到规范与实际相结合,在学习规范的同时,灵活应用规范,努力做到实用与经济相结合。
必须认真观贯彻国家规定的方针政策,深入实际,综合考虑路线、路基、路面、桥涵等,最后选出合适的路线。
2 工程总说明2.1 工程概况本设计为某二级公路K0+000-K2+042.426施工图的设计,起点桩号为K0+000,路段全长2042.426m,按平原微丘区二级公路设计,沿线有电力通讯管线纵横交错,地表植物主要为水稻等农作物。
水泥混凝土路面设计计算案例一、设计资料某公路自然区划Ⅱ区拟新建一条二级公路,路基为粘性土,采用普通混凝土路面,路面宽为9m ,经交通调查得知,设计车道使用初期标准轴载日作用次数为2100次,试设计该路面厚度。
二、设计计算 (一)交通分析二级公路的设计基准期查表10-17为20年,其可靠度设计标准的安全等级查表10-17为三级,临界荷位处的车辆轮迹横向分布系数查表10-7取0.39取交通量年增长率为5%.设计基限期内的设计车道标准荷载累计作用次数按式(10-3)计算:62010885.939.005.0365]1)05.01[(2100365]1)1[(⨯=⨯⨯-+⨯=⨯-+⨯=ηrt r s e g g N N由表10-8可知,该公路属于重交通等级。
(二)初拟路面结构相应于安全等级为三级的变异水平等级为中级。
根据二级公路、重交通等级和中级变异水平,查表10-1初拟普通混凝土面层厚度为0.22m 。
基层选用水泥稳定粒料(水泥用量5%),厚度为0.18m 。
垫层为0.15m 低剂量无机结合料稳定土。
普通混凝土板的平面尺寸为宽4.5m ,长5m 。
纵缝为设计拉杆平缝(见图10-8(a )),横缝为设计传力杆的假缝(见图10-5(a ))。
(三)路面材料参数确定查表10-11、表10-12,取重交通等级的普通混凝土面层弯拉强度标准值为5.0MPa ,相应弯拉弹性模量为31GPa 。
根据中湿路基路床顶面当量回弹模量经验参考值表10-10,取路基回弹模量为30MPa ,根据垫层、基层材料当量回弹模量经验参考值表10-9,取低剂量无机结合料稳定土垫层回弹模量为600MPa ,水泥稳定粒料基层回弹模量为1300MPs 。
按式(10-4)-(10-9),计算基层顶面当量回弹模量如下:)(101315.018.015.060018.0130022222221222121MPa h h E h E h E =+⨯+⨯=++ )(57.2)15.0600118.013001(4)15.018.0(1215.060018.01300)11(4)(12212331221122132311m MN h E h E h h h E h E Dx ⋅=⨯+⨯++⨯+⨯=++++=--)(312.0)101357.212()12(3131m E D h x x x =⨯==293.4])301013(51.11[22.6])(51.11[22.645.045.00=-=-=--E E a x 792.0)301013(44.11)(44.1155.055.00=-=-=--E E b x )(165)301013(30312.0293.4)(31792.03100MPa E E E ah E x bx t =⨯⨯⨯==普通混凝土层面的相对刚度半径按式(10-14)计算:)(677.0)16531000(22.0537.0)(537.03131m E E h r t c =⨯⨯==(四)荷载疲劳应力标准轴载在临界荷位处产生得到荷载应力按式(10-13)计算: σPs =0.077r 0.60h -2=0.077×0.6770.60×0.22-2=1.259(MPa)因纵缝为设拉杆平缝,接缝传荷能力的折减系数K r =0.87.考虑设计基准期内荷载应力累计疲劳作用的疲劳应力系数K ƒ=N v e =(9.885×106)0.057=2.504.根据公路等级,由表10-13得到考虑偏载和动载等因素对路面疲劳损坏影响的综合修正系数K c =1.02.荷载疲劳应力按式(10-11)计算: σpr =k r kƒk c σps =0.87×2.504×1.20×1.259=3.29(MPa) (五)温度疲劳应力由表10-14,Ⅱ区最大温度梯度取88℃/m 。
水泥混凝土路面厚度计算书水泥混凝土路面厚度计算书一、原始资料公路自然区划:Ⅳ区公路等级:高速公路路基土质:粘质土路面宽度(m):15初期标准轴载:1500交通量平均增长:8板块厚度(m):0.27基层厚度(m):0.18垫层厚度(m):0.15板块宽度(m): 4.5板块长度(m): 5路基回弹模量:28基层回弹模量:1300垫层回弹模量:600基层材料性质:刚性和半刚性纵缝形式:设拉杆企口缝温度应力系数: 4.5计算类型:普通水泥混凝土路面厚度计算二、交通分析根据公路水泥混凝土路面设计规范(JTG D40-2000)P6表3.0.1《可靠度设计标准》,本道路的等级为高速公路,故设计基准期为30年,安全等级为一级。
由公路水泥混凝土路面设计规范(JTG D40-2000)P38表A.2.2《车辆轮迹横向分布系数》,临界荷位处的车辆轮迹横向分布系数取.22。
,交通量的年增长率为5%。
按公路水泥混凝土路面设计规范(JTG D40-2000)P38公式A.2.2计算得到设计基准期内设计车道标准荷载累计作用次数为:Ne=Ns*[(1+gr)^t-1]*365*η/gr=1.364496E+07次按公路水泥混凝土路面设计规范(JTG D40-2000)P7表3.0.5《交通分级》可确定轴载等级为:重交通等级。
三、初拟路面结构初拟水泥混凝土路面厚度为:0.27m,基层选用刚性和半刚性材料,厚度为0.18m,垫层厚度为0.15m。
水泥混凝土面板长度为:5m,宽度为4.5m。
纵缝为设拉杆企口缝。
四、路面材料参数确定按公路水泥混凝土路面设计规范(JTG D40-2000)P8表3.0.6《混凝土弯拉强度标准值》可确定混凝土弯拉强度标准值为:5MPa。
根据公路水泥混凝土路面设计规范(JTG D40-2000)P53表 F.3《水泥混凝土弯拉弹性模量经验参考值》可确定弯拉弹性模量为31000MPa。
路基回弹模量选用:28MPa。
水泥混凝土路面厚度计算书1 轴载换算表1.1 日交通车辆情况表∑==ni i i i s PN N 116)100(δ其中i δ为轴-轮系数,单轴-双轮组时,1=i δ,单轴-单轮时,按下式计算:43.031022.2-⨯=i i P δ双轴-双轮组时,按下式计算:22.051007.1--⨯=i i P δ三轴-双轮组时,按下式计算:22.081024.2--⨯=i i P δ2 确定交通量相关系数。
2.1 设计基准期内交通量的年平均增长率。
可按公路等级和功能以及所在地区的经济和交通发展情况,通过调查分析,预估设计基准期内的交通增长量,确定交通量年平均增长率γ。
取%5=γ。
2.2车辆轮迹横向分布系数η表2.1 车辆轮迹横向分布系数η0.54~0.62注:车道或行车道宽或者交通量较大时,取高值;反之,取低值。
由规范得:二级公路的设计基准期为20年,安全等级为三级,取39.0=η。
⒊ 计算基准期内累计当量轴次。
设计基准期内水泥混凝土面层临界荷位处所承受的标准轴载累计作用次数,可按下式计算确定。
[]ηγγ3651)1(⨯-+⨯=t s e N N代入数据得[]62010926.339.005.03651)05.01(834⨯=⨯⨯-+⨯=e N 次属重交通等级。
4 初拟路面结构。
由规范得,相应于安全等级三级的变异水平等级为中级。
根据二级公路、重交通等级和中级变异水平等级,查规范初拟普通混凝土面层厚度为0.22m 。
基层选用水泥稳定粒料(水泥用量5%),厚0.18m 。
垫层为0.15m 低剂量无机结合料稳定土。
普通混凝土板的平面尺寸为宽4.5m,长5.0m 。
纵缝为设拉杆平缝,横缝为设传力杆的假缝。
5路面材料参数确定。
根据规范,取普通混凝土面层的弯拉强度标准值为5.0MPa ,相应弯拉弹性模量标准值为31G Pa 。
路面设计1 水泥混凝土路面设计(方案一)1. 1 路面交通等级公路混凝土路面设计基准期参考值见下表表1.1 设计基准期参考值本路段设计基准期是20年。
1. 1.1 标准轴载及轴载当量换算水泥混凝土路面结构设计以100kN 单轴-双轮组荷载为标准轴载。
不同轴-轮型和轴载的作用次数,应按式(1.1)换算为标准轴载的作用次数。
161100ni s i i i P N N δ=⎛⎫= ⎪⎝⎭∑ (1.1)式中: N s ——100KN 的单轴-双轮组标准轴载的作用次数;P i ——单轴-单轮、单轴-双轮组、双轴-双轮组或三轴-双轮组轴型i 级轴载的总重(kN);n ——轴型和轴载级位数;iN ——各类轴型i 级轴载的作用次数;i δ——轴-轮型系数。
单轴-双轮组: i δ=1.0 (1.2) 单轴-单轮组: i δ=2.22 (1.3) 双轴-双轮组: i δ=1.07 (1.4) 三轴-双轮组: i δ=2.24(1.5)轴载当量换算见下表:表1.2 轴载当量换算注:前轴重小于40kN不计。
1.1.2 交通调查与轴载分析设计基准期内混凝土面板临界荷位处所承受的标准轴载累计当量作用次数,可以通过下式计算确定式中:——标准轴载累计当量作用次数;t——设计基准期(年);——交通量年平均增长率;——临界荷位处的车辆轮迹横向分布系数,按表1.3选用。
表1.3 混凝土路面临界荷位处的车辆轮迹横向分布系数二级公路的设计基准期为t=20年,临界荷载位处的车辆轨迹横向分布系数取0.54,交通量年平均增长率为6%。
设计基准期内设计车道标准荷载累计作用次数为:由下表可知此段交通等级为特重交通表1.4 公路混凝土路面交通分级1. 2 路面结构组合设计我国水泥混凝土路面安可靠度方法进行设计,不同等级公路的路面结构设计安全等级及相应的设计基准期、可靠度指标和目标可靠度见表1.5表1.5 可靠度设计标准混凝土面层板的厚度决定于公路和交通等级,普通混凝土、钢筋混凝土、碾压混凝土或连续配筋混凝土面层板所需的厚度可参考表1.6表1.6 水泥混凝土面层厚度的参考范围初步确定水泥混凝土路面面层厚度为240mm,碾压混凝土基层160mm,底基层采用水泥稳定粒料(水泥用量5%),厚180mm,垫层为150mm低剂量无机结合料稳定土。
公路水泥混凝土路面设计新规范混凝土板厚度计算示例公路水泥混凝土路面设计新规范混凝土板厚度计算示例内容提要本文主要把《公路水泥混凝土路面设计规范》(JTG D40-2011)中的计算每个示例,加上标题、要点、提示,便于学习和查阅。
关键词公路水泥混凝土路面设计规范计算示例示例1 粒料基层上混凝土面板厚度计算要点(弹性地基单层板模型)序号路面结构厚度(m)备注1 普通水泥混凝土面层0.23 Fr=4.5 MPa2 级配碎石0.20 E=300 MPa3 路基:低液限黏土查表E.0.1-1 E=80 MPa 距地下水位 1.2m,查表E.0.1-2 湿度调正系数0.75路床顶综合回弹模量 E=80×0.75=60 MPa(1)二级公路设计轴载累计作用次数 Ne=74.8×104次中等交通荷载等级(2)板底当量回弹模量值 Et=120 MPa;(3)设计轴载 Ps=100 KN ;最重轴载 Pm=180 KN ;(4)设计厚度0.25m=计算厚度0.24m+0.01m ;示例 2 水泥稳定粒料基层上混凝土面板厚度计算要点(弹性地基双层板模型)序号路面结构厚度(m)备注1 普通水泥混凝土面层0.26 Fr=5.0 MPa2 水泥稳定砂砾0.20 E=2000 MPa3 级配砾石0.18 E=250 MPa4 路基:低液限粉土查表E.0.1-1 E=100 MPa 距地下水位 1.0m,查表E.0.1-2 湿度调正系数0.80路床顶综合回弹模量E=100×0.80=80 MPa (1)一级公路设计轴载累计作用次数 Ne=1707×104次重交通荷载等级;(2)板底当量回弹模量值 Et=125 MPa;(3)设计轴载 Ps=100 KN ;最重轴载 Pm=180 KN;(4)由面板、半刚性基层的弯曲刚度,求出路面结构总想对刚度半径rg,再计算面层、基层荷载、温度应力(下层板温度应力不需计算);(5)设计厚度0.27m=计算厚度0.26m+0.01m ;示例 3 碾压混凝土基层上混凝土面板厚度计算要点(弹性地基双层板模型)序号路面结构厚度(m)备注1 普通水泥混凝土面层0.30 Fr=5.0 MPa2 沥青混凝土夹层0.043 碾压混凝土0.18 Fr=4.0 MPa4 级配碎石0.20 E=250 MPa5 路基:低液限粉土查表E.0.1-1 E=95 MPa 距地下水位 2.0m,查表E.0.1-2 湿度调正系数0.85路床顶综合回弹模量 E=95×0.85=80 MPa(1)一级公路设计轴载累计作用次数 Ne=3.186×108次特重交通荷载等级;(2)板底当量回弹模量值 Et=130 MPa ;(3)设计轴载 Ps=100 KN ;最重轴载 Pm=250 KN;(4)由面板、半刚性基层的弯曲刚度,求出路面结构总想对刚度半径rg,再计算面层、基层荷载、温度应力(下层板温度应力不需计算);(5)面层与基层竖向接触刚度设夹层取 3000 MPa,不设夹层按式(B.5.2-5)计算;(6)设计厚度0.31m=计算厚度0.30m+0.01m ;示例 4 面层复合板的厚度计算要点(复合板模型)序号路面结构厚度(m)备注1 橡胶水泥混凝土0.08 Fr=4.5 MPa2 普通水泥混凝土面层0.17 Fr=5.0 MPa3 水泥稳定碎石0.20 E=2000 MPa4 级配砾石0.20 E=250 MPa5 路基:低液限黏土查表E.0.1-1 E=80 MPa 距地下水位0.9m,查表E.0.1-2 湿度调正系数0.70路床顶综合回弹模量 E=80×0.70=60 MPa(1) 一级公路 设计轴载累计作用次数 Ne=400×104次 重交通荷载等级;(2) 板底当量回弹模量值 Et=110 MPa ;(3) 设计轴载 Ps=100 KN ;最重轴载 Pm=180 KN ;(4) 先计算出复合板的等效弯曲刚度cD ~、ch ~等效厚度、半刚性基层板的弯曲刚度bD 、路面结构总想对刚度半径gr ,再计算复合板的荷载、温度应力;(5) 计算厚度0.08m 的橡胶水泥混凝土与0.17m 的普通混凝土复合而成的面层满足要求。
水泥混凝土路面厚度计算书1 轴载换算表1.1 日交通车辆情况表i i双轴-双轮组时,按下式计算:三轴-双轮组时,按下式计算:2 确定交通量相关系数。
2.1 设计基准期内交通量的年平均增长率。
可按公路等级和功能以及所在地区的经济和交通发展情况,通过调查分析,预估设计基准期内的交通增长量,确定交通量年平均增长率γ。
取%5=γ。
2.2车辆轮迹横向分布系数η表2.1 车辆轮迹横向分布系数η由规范得:二级公路的设计基准期为20年,安全等级为三级,取39.0=η。
⒊计算基准期内累计当量轴次。
设计基准期内水泥混凝土面层临界荷位处所承受的标准轴载累计作用次数,可按下式计算确定。
代入数据得[]62010926.339.005.03651)05.01(834⨯=⨯⨯-+⨯=eN次属重交通等级。
4 初拟路面结构。
由规范得,相应于安全等级三级的变异水平等级为中级。
根据二级公路、重交通等级和中级变异水平等级,查规范初拟普通混凝土面层厚度为0.22m。
基层选用水泥稳定粒料(水泥用量5%),厚0.18m。
垫层为0.15m低剂量无机结合料稳定土。
普通混凝土板的平面尺寸为宽4.5m,长5.0m。
纵缝为设拉杆平缝,横缝为设传力杆的假缝。
5 路面材料参数确定。
根据规范,取普通混凝土面层的弯拉强度标准值为5.0MPa,相应弯拉弹性模量标准值为31GPa 。
路基回弹模量取30MPa 。
低剂量无机结合料稳定土垫层回弹模量取600MPa ,水泥稳定粒基层回弹模量取1300MPa 。
6 计算荷载疲劳应力。
新建公路的基层顶面当量回弹模量和基层当量厚度计算如下:选取混凝土板的纵向边缘中部作为产生最大荷载和温度梯度综合疲劳损坏的临界荷位。
设计基准期内的荷载疲劳应力系数按下式计算确定。
式中ν是与混合料性质有关的指数,普通混凝土、钢筋混凝土、连续配筋混凝土,ν=O.057;碾压混凝土和贫混凝土,ν=0.065。
故376.2)10926.3(057.06=⨯==νe f N k普通混凝土面层的相对刚度半径按公式31)(537.0t c E Eh r =计算。
路面设计1 水泥混凝土路面设计(方案一)1. 1 路面交通等级公路混凝土路面设计基准期参考值见下表表1.1 设计基准期参考值本路段设计基准期是20年。
1. 1.1 标准轴载及轴载当量换算水泥混凝土路面结构设计以100kN 单轴-双轮组荷载为标准轴载。
不同轴-轮型和轴载的作用次数,应按式(1.1)换算为标准轴载的作用次数。
161100ni s i i i P N N δ=⎛⎫= ⎪⎝⎭∑ (1.1)式中: N s ——100KN 的单轴-双轮组标准轴载的作用次数;P i ——单轴-单轮、单轴-双轮组、双轴-双轮组或三轴-双轮组轴型i 级轴载的总重(kN);n ——轴型和轴载级位数;iN ——各类轴型i 级轴载的作用次数;i δ——轴-轮型系数。
单轴-双轮组: i δ=1.0 (1.2) 单轴-单轮组: i δ=2.22×103P i −0.43 (1.3) 双轴-双轮组: i δ=1.07×10−5P i −0.22 (1.4) 三轴-双轮组: i δ=2.24×10−8P i −0.22 (1.5)轴载当量换算见下表:表1.2 轴载当量换算注:前轴重小于40kN不计。
1.1.2 交通调查与轴载分析设计基准期内混凝土面板临界荷位处所承受的标准轴载累计当量作用次数N e,可以通过下式计算确定N e=N s×[(1+g r)t−1]r×365η (1.6)式中:N e——标准轴载累计当量作用次数;t——设计基准期(年);g r——交通量年平均增长率;η——临界荷位处的车辆轮迹横向分布系数,按表1.3选用。
表1.3 混凝土路面临界荷位处的车辆轮迹横向分布系数二级公路的设计基准期为t=20年,临界荷载位处的车辆轨迹横向分布系数取0.54,交通量年平均增长率为6%。
设计基准期内设计车道标准荷载累计作用次数为:N e=5992.91×[(1+6%)20−1]6%×365×0.54=4345×104由下表可知此段交通等级为特重交通表1.4 公路混凝土路面交通分级1. 2 路面结构组合设计我国水泥混凝土路面安可靠度方法进行设计,不同等级公路的路面结构设计安全等级及相应的设计基准期、可靠度指标和目标可靠度见表1.5表1.5 可靠度设计标准混凝土面层板的厚度决定于公路和交通等级,普通混凝土、钢筋混凝土、碾压混凝土或连续配筋混凝土面层板所需的厚度可参考表1.6表1.6 水泥混凝土面层厚度的参考范围初步确定水泥混凝土路面面层厚度为240mm,碾压混凝土基层160mm,底基层采用水泥稳定粒料(水泥用量5%),厚180mm,垫层为150mm低剂量无机结合料稳定土。
第1章绪论1.1路面课程设计的任务与要求及参考文献1.1.1课程设计题目:公路水泥混凝土路面结构设计及厚度计算1.1.2设计内容:1.交通量计算2.判别路基干湿类型并确定土基回弹模量;3.拟定路面结构方案;4.进行结组合设计,确定路面设计参数,并初拟路面厚度;5.进行应力计算,并验算路面厚度;6.方案比较,确定合理路面结构;7.绘制路面结构设计图。
1.1.3设计资料:Ⅱ区某城市郊区道路,今年来,由于交通量大量增加,要对下列路段进行设计K0+800—K4+500段改线,在新路基上铺筑水泥混凝土路面;K4+500—K6+000段,利用旧路,但路面强度不够,须进行补强。
1.路况调查资料(1)经预测设计使用初期年平均日交通量(双向)如下表1.1:表1.1交通两年平均增长率5.6%(2)原有路面结构和路基状况调查:①路基宽度10米,路面宽度8.5米。
②路面结构为:3cm沥青表面处置,20cm石灰土基层,20cm沙砾垫层。
③沿线路基土质为粘质土,液限30%,塑限17%,当地最大冻深2.1米。
2.材料调查沿线可供给各种砂石料,并有矿渣,炉渣,水泥,石灰,沥青等多种筑路材料。
3.设计参考资料《路基路面工程》邓学军主编,人们交通出版社,2009.9《公路水泥混凝土路面设计规范》 人们交通出版社,2003.5 《公路工程技术标准》 人们交通出版社,2004.4 1.2交通调查与分析 1.2.1 交通量计算解放的载重量 =08.48.940=吨 2<4.08<7 所以为中型车 折算系数 1.5 沃尔沃的载重量=20.108.9100=吨 7<10.20<14 所以为大型车 折算系数 2.0 尼桑的载重量=70.88.925.85=吨 7<8.70<14 所以为大型车 折算系数 2.0 交通的载重量=41.48.925.43=吨 2<4.41<7 所以为中型车 折算系数 1.5 黄河的载重量=43.88.960.82=吨 7<8.43<14 所以为大型车 折算系数 2.0 东风的载重量=10.58.900.50=吨 2<5.10<7 所以为中型车 折算系数 1.5 确定公路等级,将以上各型号汽车的使用初期年平均日交通量折算成小客车的年平均日交通量。
公路水泥混凝土路面设计新规范混凝土板厚度计算示例内容提要本文主要把《公路水泥混凝土路面设计规范》(JTG D40-2011)中的计算每个示例,加上标题、要点、提示,便于学习和查阅。
关键词公路水泥混凝土路面设计规范计算示例示例1 粒料基层上混凝土面板厚度计算要点(弹性地基单层板模型)(1)二级公路设计轴载累计作用次数 Ne=74.8×10次中等交通荷载等级(2)板底当量回弹模量值 Et=120 MPa;(3)设计轴载 Ps=100 KN ;最重轴载 Pm=180 KN ;(4)设计厚度0.25m=计算厚度0.24m+0.01m ;示例 2 水泥稳定粒料基层上混凝土面板厚度计算要点(弹性地基双层板模型)(1)一级公路设计轴载累计作用次数 Ne=1707×10次重交通荷载等级;(2)板底当量回弹模量值 Et=125 MPa;(3)设计轴载 Ps=100 KN ;最重轴载 Pm=180 KN;(4)由面板、半刚性基层的弯曲刚度,求出路面结构总想对刚度半径rg,再计算面层、基层荷载、温度应力(下层板温度应力不需计算);(5)设计厚度0.27m=计算厚度0.26m+0.01m ;示例 3 碾压混凝土基层上混凝土面板厚度计算要点(弹性地基双层板模型)(2)板底当量回弹模量值 Et=130 MPa ;(3)设计轴载 Ps=100 KN ;最重轴载 Pm=250 KN;(4)由面板、半刚性基层的弯曲刚度,求出路面结构总想对刚度半径rg,再计算面层、基层荷载、温度应力(下层板温度应力不需计算);(5)面层与基层竖向接触刚度设夹层取 3000 MPa,不设夹层按式(B.5.2-5)计算;(6)设计厚度0.31m=计算厚度0.30m+0.01m ;示例 4 面层复合板的厚度计算(1) 一级公路 设计轴载累计作用次数 Ne=400×10次 重交通荷载等级; (2) 板底当量回弹模量值 Et=110 MPa ;(3) 设计轴载 Ps=100 KN ;最重轴载 Pm=180 KN ;(4) 先计算出复合板的等效弯曲刚度c D ~、c h ~等效厚度、半刚性基层板的弯曲刚度b D 、路面结构总想对刚度半径g r ,再计算复合板的荷载、温度应力;(5) 计算厚度0.08m 的橡胶水泥混凝土与0.17m 的普通混凝土复合而成的面层满足要求。
水泥混凝土路面厚度计算书1 轴载换算表1.1 日交通车辆情况表∑==ni i i i s PN N 116)100(δ其中i δ为轴-轮系数,单轴-双轮组时,1=i δ,单轴-单轮时,按下式计算:43.031022.2-⨯=i i P δ双轴-双轮组时,按下式计算:22.051007.1--⨯=i i P δ表1.2 轴载换算结果表2 确定交通量相关系数。
2.1 设计基准期内交通量的年平均增长率。
可按公路等级和功能以及所在地区的经济和交通发展情况,通过调查分析,预估设计基准期内的交通增长量,确定交通量年平均增长率γ。
取%5=γ。
2.2车辆轮迹横向分布系数η表2.1 车辆轮迹横向分布系数η注:车道或行车道宽或者交通量较大时,取高值;反之,取低值。
由规范得:二级公路的设计基准期为20年,安全等级为三级,取0.35。
2.3 计算基准期内累计当量轴次。
设计基准期内水泥混凝土面层临界荷位处所承受的标准轴载累计作用次数,可按下式计算确定。
[]ηγγ3651)1(⨯-+⨯=t s e N N代入数据得2042813(10.05)13650.351188100.05e N ⎡⎤⨯+-⨯⎣⎦=⨯=⨯次查表3.0.7,属重交通等级。
3 初拟路面结构。
由规范得,相应于安全等级三级的变异水平等级为中级。
根据二级公路、重交通等级和中级变异水平等级,查规范初拟普通混凝土面层厚度为0.25m 。
基层选用水泥稳定碎石(水泥用量5%),厚0.20m 。
垫层为级配碎石,厚0.2m 。
普通混凝土板的平面尺寸为5 4.5()m m ⨯⨯长宽。
纵缝为设拉杆平缝,横缝为设传力杆的假缝。
4 路面材料参数确定。
根据规范,查表3.0.8,取普通混凝土面层的弯拉强度标准值为5.0MPa ,相应弯拉弹性模量标准值为31GPa 。
玄武岩粗集料水泥混凝土线性膨胀系数61110/c C α-=⨯。
查表E0.0.1-1和表E0.0.1-2,取土基回弹模量为80Mpa ,取调整系数为0.8,由此,路床顶综合回弹模量取为:0=800.8=64E Mpa ⨯。
水泥混凝土路面厚度计算书1轴载换算其中6i 为轴-轮系数,单轴-双轮组时,6^1,单轴-单轮时,按下式计算:6 =2.22xi03pQ43双轴-双轮组时,按下式计算:6 =1.07X105p 』22三轴-双轮组时,按下式计算:①=2.24X10 丄pg表轴载换算结果表轴载换算公式如下:表1.1日交通车辆情况表npN s 咛N 就)162确定交通量相关系数。
2.1设计基准期内交通量的年平均增长率。
可按公路等级和功能以及所在地区的经济和交通发展情况,通过调查分析, 预估设计基准期内的交通增长量,确定交通量年平均增长率Y 0取Y =5% 02.2车辆轮迹横向分布系数n表2.1车辆轮迹横向分布系数n由规范得:二级公路的设计基准期为20年,安全等级为三级,取n = 0.39 03.计算基准期内累计当量轴次。
设计基准期内水泥混凝土面层临界荷位处所承受的标准轴载累计作用次数,可按下式计算确定。
N s X (1 +Y )t -1^36507代入数据得N e=8344+0.05)20Tk36J0.39 =3.926"06次0.05Ex =02巳 +h 2E 21300X0.182+600X0.152=1U13iviPa h 20.182+0.152D _E 1h 3+E 2h ; +(h 1 卄2)2( 1 十 1)4 12E1 h 1 E2 h21300 X0.183丄 600X 0.153丄(0.18 + 0.15)2V, '亠 丨、一•12 12-2.57MN •mh x ^(^^D^)1/3="12X2.57/1013 =0.312mE xa 皿卜1.51(号严卜叫一"(詈严卜丄93b =1—1.44(且)g =1-1.4恥(独)g =0.792E u 30属重交通等级。
4初拟路面结构。
由规范得,相应于安全等级三级的变异水平等级为中级。
根据二级公路、重 交通等级和中级变异水平等级,查规范初拟普通混凝土面层厚度为 选用水泥稳定粒料(水泥用量5%),厚0.18mo 垫层为0.15m 低剂量无机结合料 稳定土。
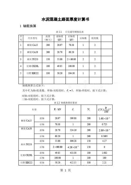
水泥混凝土路面厚度计算书
1 轴载换算
表1.1 日交通车辆情况表
∑==i i i i s N N 1
16)100(δ
其中i δ为轴-轮系数,单轴-双轮组时,1=i δ,单轴-单轮时,按下式计算:
43.031022.2-⨯=i i P δ
双轴-双轮组时,按下式计算:
22.051007.1--⨯=i i P δ
三轴-双轮组时,按下式计算:
22.081024.2--⨯=i i P δ
表1.2 轴载换算结果表
2 确定交通量相关系数。
2.1 设计基准期内交通量的年平均增长率。
可按公路等级和功能以及所在地区的经济和交通发展情况,通过调查分析,预估设计基准期内的交通增长量,确定交通量年平均增长率γ。
取%5=γ。
2.2车辆轮迹横向分布系数η
表2.1 车辆轮迹横向分布系数η 由规范得:二级公路的设计基准期为20年,安全等级为三级,取39.0=η。
⒊ 计算基准期内累计当量轴次。
设计基准期内水泥混凝土面层临界荷位处所承受的标准轴载累计作用次数,可按下式计算确定。
[]
ηγ
γ365
1)1(⨯-+⨯=
t s e N N
代入数据得[]
62010926.339.005
.0365
1)05.01(834⨯=⨯⨯-+⨯=
e N 次
属重交通等级。
4 初拟路面结构。
由规范得,相应于安全等级三级的变异水平等级为中级。
根据二级公路、重交通等级和中级变异水平等级,查规范初拟普通混凝土面层厚度为0.22m 。
基层选用水泥稳定粒料(水泥用量5%),厚0.18m 。
垫层为0.15m 低剂量无机结合料稳定土。
普通混凝土板的平面尺寸为宽4.5m,长5.0m 。
纵缝为设拉杆平缝,横缝为设传力杆的假缝。
5 路面材料参数确定。
根据规范,取普通混凝土面层的弯拉强度标准值为5.0MPa ,相应弯拉弹性模量标准值为
31GPa 。
路基回弹模量取30MPa 。
低剂量无机结合料稳定土垫层回弹模量取600MPa ,水泥稳定粒基层回弹模量取1300MPa 。
6 计算荷载疲劳应力。
新建公路的基层顶面当量回弹模量和基层当量厚度计算如下:
MPa h h E h E h E x 101315
.018.015.060018.013002
22
2222122121=+⨯+⨯=++= 1
2
211221322311)11(4)(12-++++=h E h E h h h E h E D x
1
233)15
.0600118.013001(4)15.018.0(1215.06001218.01300-⨯+⨯⨯++⨯+⨯= m MN ∙=57.2
m E D h x
x x 312.01013/57.212)12(
3
3/1=⨯== 293.4)301013(51.1122.6)(51.1122.645.045.00=⎥⎦⎤⎢⎣⎡
⨯-⨯=⎥⎦
⎤⎢⎣⎡-=--E E a x 792.0)30
1013(44.11)(
44.1155
.055.00=⨯-=-=--E E b x
MPa E E E ah E x b
x t 165)30
1013(30312.0293.4)(
3
/1792.03/100=⨯⨯⨯== 选取混凝土板的纵向边缘中部作为产生最大荷载和温度梯度综合疲劳损坏的临界荷位。
设计基准期内的荷载疲劳应力系数按下式计算确定。
νe
f N k = 式中ν是与混合料性质有关的指数,普通混凝土、钢筋混凝土、连续配筋混凝土,ν=O.057;碾压混凝土和贫混凝土,ν=0.065。
故376.2)10926.3(057.06=⨯==ν
e f N k
普通混凝土面层的相对刚度半径按公式31
)(537.0t c E E
h r =计算。
代入数据有m E E
h r t
c 677.0165/310022.0537.0)(537.0331
=⨯⨯==
标准轴载P S 在四边自由板临界荷位处产生的荷载应力计算为:
MPa h r ps 259.122.0677.0077.0077.0260.0260.0=⨯⨯==--σ
标准轴载s P 在临界荷载处产生的荷载疲劳应力按下式确定:
ps c f r pr k k k σσ=
因为纵缝为设拉杆平缝,接缝传荷能力的应力折减系数87.0=f k 。
k c 按公路等级查下表确定。
20.1=c k
表6.1 综合系数k c
代入数据,荷载疲劳应力计算为:
MPa k k k ps c f r pr 123.3259.120.1376.287.0=⨯⨯⨯==σσ
7 计算温度疲劳应力。
由规范知,Ⅱ区最大温度梯度取为88℃/m 。
板长5m,39.7677.0/5/==r l ,由下表可查普通混凝土厚h=0.22m,71.0=x B .
图7.1 温度应力系数x B
最大温度梯度时混凝土板的温度翘曲应力计算为:
MPa B hT E x g
c c tm 13.271.02
8822.0310001012
5=⨯⨯⨯⨯⨯==
-ασ
温度的疲劳应力系数计算:
式中a 、b 、c 按下表取值:
532.0041.0)513.2(828.013.25)(323.1=⎥⎦⎤
⎢⎣⎡-⨯=⎥⎦
⎤⎢⎣⎡-=
b f a f k
c r tm tm r t σσ 综上,温度疲劳应力计算为:
MPa k tm t tr 13.113.2532.0=⨯==σσ
8 检验初拟路面结构。
因为二级公路的安全等级为三级,相应于三级安全等级的变异系数为中级,目标可靠度为85%。
再根据查得的目标可靠度和变异水平等级,确定可靠度系数
13.1=r γ。
MPa f MPa r tr pr r 0.5806.4)13.1123.3(13.1)(=≤=+⨯=+σσγ
因此,所选普通混凝土面层厚度(0.22m )可以承受设计标准期内荷载应力和温度应力的综合疲劳作用。
9 水泥板接缝设计
9.1 纵向接缝
纵向施工缝采用设拉杆平缝形式,上部锯切槽口,深度为35mm ,宽度为5mm ,槽内灌塞沥青橡胶填缝料,构造如图。
拉杆直径为14mm ,长度为700mm ,间距为800mm 。
9.2 横向接缝
横向缩缝采用设传力杆假缝形式,上部锯切槽口,深度为50mm ,宽度为5mm ,槽内灌塞沥青橡胶填缝料,结构如图。
传力杆直径为28mm ,长度为500mm ,间距为250m
10 结构设计图
结构设计断面、接缝设计详图具体见附图所示。
11 工程数量表
垫层工程量表的内容和基层差不多,垫层拟采用小型机具施工,垫层的宽度比基层每侧宽出250mm,取为0.25m,详细内容见表8.3所示。
表8.3 垫层工程数量表
11.2 基层工程数量表
基层工程数量表涵盖了基层的长度,宽度,厚度等一些基本的数据,为概预算设计作铺垫。
基层拟采用小型机具施工,依据规范知基层的宽度应比混凝土面层每侧至少宽出250mm,取为0.25m,计算结果见表8.2所示。
表8.2 基层工程数量表
面层工程量表主要包括:①面板混凝土数量;②接缝数量表;③接缝钢筋数量④角隅等处的钢筋数量(由于不属于特重交通,不设置),计算结果见表8.1。
表8.1 面层工程量表
)8000
)9
3197
)
005
.0
5(
8000=
+
÷
12 总结
参考文献。