六步洗手法操作流程
- 格式:doc
- 大小:17.00 KB
- 文档页数:1
七步洗手法操作流程
七步洗手法是一种科学的洗手方法,能够有效地杀灭细菌,保
护我们的健康。
下面我将为大家介绍一下七步洗手法的操作流程。
第一步:打湿双手。
首先,打开水龙头,用流动的水将双手彻
底打湿。
水温不宜过热或过冷,最好是温水。
第二步:取适量肥皂。
将适量的肥皂涂抹在双手上,然后用双
手搓揉起泡沫。
肥皂能够有效地去除手上的污垢和细菌。
第三步:揉搓双手。
将双手互相揉搓,包括手背、手指、指缝
等部位,持续揉搓20秒以上。
这样可以确保肥皂充分起到清洁作用。
第四步:清洗双手。
用流动的水冲洗双手,确保肥皂和污垢都
被冲洗干净。
同时,用手指轻轻揉搓指缝,确保每个角落都被清洗到。
第五步:擦干双手。
用干净的毛巾或纸巾将双手擦干,尤其是
手指间的水分也要擦干净,避免细菌滋生。
第六步:涂抹护手霜。
洗手后,双手会变得比较干燥,可以适
量涂抹护手霜,保持双手的滋润。
第七步:定期洗手。
无论是在什么场合,都要养成定期洗手的
好习惯,特别是在接触食物、外出回家等情况下,更要注意洗手。
通过以上七步洗手法的操作流程,我们可以有效地保护自己和他人的健康,预防细菌传播。
希望大家能够认真遵守洗手规范,养成良好的卫生习惯。
洗手,从现在开始!。
编码3411C1医务人员手卫生的标准操作规程一、概念手卫生(hand hygiene): 为洗手、卫生手消毒和外科手消毒的总称。
洗手(handwashing):指用肥皂或者皂液和流动水洗手,去除手部皮肤污垢、碎屑和部分致病菌的过程。
洗手目的:是为了消除或杀灭手上的微生物,切断通过手的传播感染途径。
卫生手消毒(hand antisepsis):指用手消毒剂擦手的过程。
手的消毒是指使用消毒剂杀灭手上沉积的致病微生物,主要是暂住菌,常住菌也可被部分杀死。
外科手消毒(surgical hand antisepsis):指用手消毒剂清除或者杀灭手部暂居菌和减少常居菌的过程。
美国疾病控制中心(CDC)将洗手定义为:将手涂满肥皂,并对其所有表面进行强有力的短暂的摩擦,产生大量泡沫,然后用流动水冲洗的过程。
洗手可分为使用单纯的肥皂或清洁剂和用含有消毒剂的洗涤两种方法。
前者为机械去污过程,能使皮肤脂肪乳化和微生物悬浮于表面,再用水将其冲洗干净;后者为化学去污过程,能杀死或抑制微生物的生长繁殖,达到消毒灭菌的目的。
二、洗手的指征在医院内非紧急情况下,医务人员在下列情况下均应认真洗手1、进入和离开病房前,在病室中由污染区进入清洁区之前2、进行深部侵入性操作前,如脑室引流,胸腔穿刺等3、护理每例特殊高危病人前,如严重免疫缺陷病人和新生儿4、接触伤口,无论是切口、创口,或深部切口前后5、处理污染的物品后,如接触被血液、体液、分泌物或渗出物污染的物品6、在护理感染病人或可能携带具特殊临床或流行病学意义的微生物(如多重耐药菌)的病人之后7、与任何病人长时间和密切接触后8、在高危病房中接触不同病人前后9、戴脱手套前后;戴脱口罩前后;穿脱隔离衣前后10、准备及分发病人食品或发药送水等。
11、无菌操作前后三、正确的洗手方法(一)、洗手的条件与设备1、洗手池的设置洗手池位置合理,每个病房内应有一个洗手池。
居住数个病人的大病房,特别是重症监护病房内,最好设置多个洗手池。
幼儿园七步洗手法操作流程
幼儿园七步洗手法操作流程是非常重要的卫生习惯,可以有效预防疾病的传播。
以下是幼儿园七步洗手法的操作流程:
第一步:打湿双手
在洗手之前,先打湿双手,这样可以让肥皂更容易起泡,也能够更好地清洁双手。
第二步:取适量肥皂
用手指把肥皂挤出来,取适量肥皂,可以在手心或者手背上涂抹。
第三步:搓揉手心
将双手合十,搓揉手心,让肥皂渗透到所有指缝和手指的表面。
第四步:交叉搓揉手指
将左手的手指交叉搓揉右手的手指,再将右手的手指交叉搓揉左手的手指,确保每个手指上都均匀地涂有肥皂。
第五步:搓揉手背
将左手的手背搓揉右手的手背,再将右手的手背搓揉左手的手背,确保每个手背上都涂有肥皂。
第六步:搓揉拇指
将左手拇指搓揉右手掌心,再将右手拇指搓揉左手掌心,确保每个拇指都均匀地涂有肥皂。
第七步:冲洗双手
用清水冲洗双手,确保双手上的肥皂都清洗干净,然后用干净的毛巾擦干双手。
总之,幼儿园七步洗手法操作流程简单易学,但却能够保障幼儿的健康。
教育幼儿正确的洗手方法,并不断强调和练习,是非常必要的卫生教育。
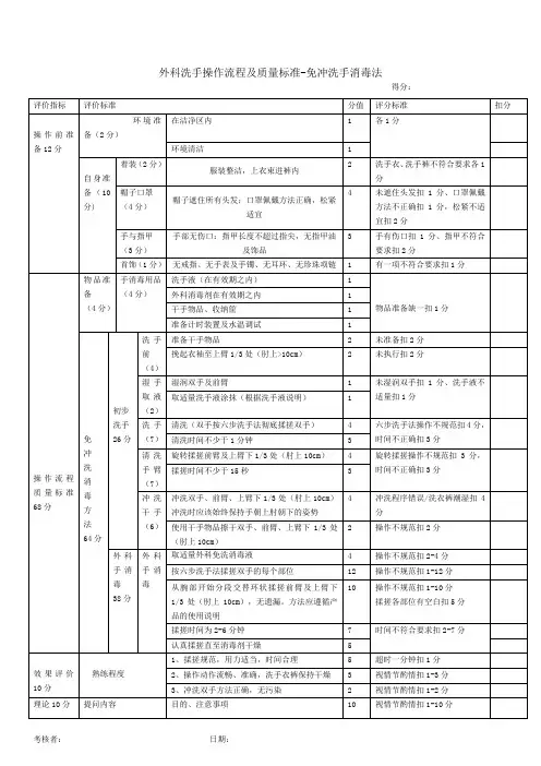
外科洗手操作流程及质量标准-免冲洗手消毒法 得分:
评价指标 评价标准 分值 评分标准 扣分 操作前准 备12分 环境准备(2分) 在洁净区内 1 各1分
环境清洁 1 自身准备(10分) 着装(2分) 服装整洁,上衣束进裤内 2 洗手衣、洗手裤不符合要求各1分
帽子口罩 (4分) 帽子遮住所有头发;口罩佩戴方法正确,松紧适宜 4 未遮住头发扣1分、口罩佩戴方法不正确扣1分,松紧不适宜扣2分
手与指甲 (3分) 手部无伤口:指甲长度不超过指尖,无指甲油及饰品 3 手有伤口扣1分、指甲不符合要求扣2分 首饰(1分) 无戒指、无手表及手镯、无耳环、无珍珠项链 1 有一项不符合要求扣1分 操作流程质量标准68分 物品准备 (4分) 手消毒用品 (4分) 洗手液(在有效期之内) 1 物品准备缺一扣1分 外科消毒剂在有效期之内 1 干手物品、收纳筐 1 准备计时装置及水温调试 1
免 冲 洗 消 毒 方 法 64分 初步 洗手 26分 洗手前 (4) 准备干手物品 2 未准备扣2分 挽起衣袖至上臂1/3处(肘上>10cm) 2 未执行扣2分
湿手取液(2) 湿润双手及前臂 1 未湿润双手扣1分、洗手液不适量扣1分 取适量洗手液涂抹(根据洗手液说明) 1
洗手(7) 清洗(双手按六步洗手法彻底揉搓双手) 4 六步洗手法操作不规范扣4分,时间不正确扣3分 清洗时间不少于1分钟 3 清洗手臂(7) 旋转揉搓前臂及上臂下1/3处(肘上10cm) 4 旋转揉搓操作不规范扣3分,时间不正确扣3分 揉搓时间不少于15秒 3
冲洗干手(6) 冲洗双手、前臂、上臂下1/3处(肘上10cm)冲洗时应该始终保持手朝上肘朝下的姿势 4 冲洗程序错误/洗衣裤潮湿扣4分 使用干手物品擦干双手、前臂、上臂下1/3处(肘上10cm) 2 操作不规范扣2分 外科手消毒 38分 外科手消毒 取适量外科免洗消毒液 4 操作不规范扣2-4分 按六步洗手法揉搓双手的每个部位 12 操作不规范扣1-12分 从腕部开始分段交替环状揉搓前臂及上臂下1/3处(肘上10cm),无遗漏。方法应遵循产品的使用说明 10 操作不规范扣1-10分 揉搓各部位有空白扣5分
⾎透室制度-医务⼈员⼿卫⽣标准流程医务⼈员⼿卫⽣标准流程洗⼿是防⽌医院感染最有效、最简单、最经济的⽅法。
为加强我院各级医务⼈员⼿卫⽣⼯作,预防和控制医院感染,提⾼医疗质量,保障医疗安全和医务⼈员的职业安全,特制定本规范。
⼀、⼿卫⽣基本要求在不同环境下⼯作的医务⼈员,⼿卫⽣应达到如下要求:1.Ⅰ类和Ⅱ类区域医务⼈员的⼿卫⽣要求应≤5cfu/cm2。
Ⅰ类和Ⅱ类区域包括层流洁净⼿术室、层流洁净病房、普通⼿术室、产房、普通保护性隔离室、供应室洁净区、烧伤病房、重症监护病房等。
2.Ⅲ类区域医务⼈员的⼿卫⽣要求应≤10cfu/cm2。
Ⅲ类区域包括⼉科病房、妇产科检查室、注射室、换药室、治疗室、供应室清洁区、急诊室、化验室及各类普通病房和房间等。
3.Ⅳ类区域医务⼈员的⼿卫⽣要求应≤15cfu/cm2。
Ⅳ类区域包括感染性疾病科、传染病科及病房。
4.各区域⼯作的医务⼈员的⼿,均不得检出致病微⽣物。
⼆、⼿卫⽣设施1.病房及各诊疗科室应设有流动⽔洗⼿设施,开关采⽤脚踏式、肘式或感应式。
2.⽤于洗⼿的皂液置于洁净容器内,定期检查是否过期。
3.可选⽤纸⼱、风⼲机等擦/烘⼲双⼿。
不⽅便于洗⼿时,应配备快速⼿消毒剂。
⼿术室、ICU、导管室、治疗车、检验科等必须按要求配备。
三、洗⼿的指征1.⽆菌操作前后;2.接触不同病⼈前后;3.同⼀病⼈接触不同部位之间;4.接触⾎液、体液、分泌物、排泄物、有破损的⽪肤;5.接触污染的物品和环境后;6.脱去⼿套后;7.离开病房、医院或诊室前;四、洗⼿流程:具体步骤见下图—七步洗⼿法采⽤流动⽔洗⼿,使双⼿充分淋湿取适量肥皂或者皂液,均匀涂抹⾄整个⼿掌、⼿背、⼿指和指缝认真揉搓双⼿⾄少15秒钟,应注意清洗双⼿所有⽪肤,清洗指背、指尖和指缝掌⼼相对,⼿指并拢,相互揉搓⼿⼼对⼿背沿指缝相互揉搓,交换进⾏掌⼼相对,双⼿交叉指缝相互揉搓右⼿握住左⼿⼤拇指旋转揉搓,交换进⾏弯曲⼿指使关节在另⼀⼿掌⼼旋转揉搓,交换进⾏将五个⼿指尖并拢放在另⼀⼿掌⼼旋转揉搓,交换进⾏必要时增加对⼿腕的清洗在流动⽔下彻底冲净双⼿,擦⼲(可取适量护⼿液护肤)①掌⼼对掌⼼搓揉。
外科实习报告:七步洗手法的学习与实践首先,我要感谢我国医疗卫生事业的蓬勃发展,让我有机会作为一名实习生,接触到先进的外科技术和严谨的医疗流程。
在这个充满挑战和机遇的阶段,我深知卫生手法规对于防止交叉感染、保障患者安全的重要性。
因此,我认真学习了外科七步洗手法,并在实践中不断巩固和提高。
第一步,洗手掌。
在流水下将双手充分湿润,然后涂抹适量的洗手液或肥皂。
双手相对,手指并拢,相互搓擦,直至手心对手心搓洗均匀。
这一步是为了去除手部表面的污物和细菌。
第二步,洗背侧指缝。
手心对手背,沿着指缝相互搓洗,双手交换进行。
这一步要注意清洁手背和手指关节的部位,因为这些地方容易藏匿细菌。
第三步,洗掌侧指缝。
掌心相对,双手交叉沿着指缝相互搓洗。
这一步的目的是清洁手部内部的指缝,去除隐藏在这些部位的细菌。
第四步,洗指背。
弯曲各手指关节,半握拳,将指背放在另一手掌中旋转揉搓,双手交换进行。
这一步是为了清洁手指关节后面的细菌,常常被忽视但容易藏匿细菌。
第五步,洗拇指。
一只手握住另一只手的大拇指旋转揉搓,洗完一只手的大拇指再洗另一只手的大拇指。
这一步是为了清洁手指末端的细菌。
第六步,洗指尖。
弯曲各手指关节,将指尖合拢在另一手掌心旋转揉搓,双手交换进行。
这一步是为了清洁手指尖部的细菌。
第七步,洗手腕、手臂。
一只手去揉搓另一只手的手腕和手臂,洗完再洗另一只手的手腕和手臂。
这一步是为了清洁手腕和手臂的细菌。
以上七个步骤就是外科七步洗手法,每个步骤都要认真揉搓至少15秒,确保双手彻底清洁。
在实践中,我深刻体会到,七步洗手法的关键在于“内外夹弓大立腕”,要严格按照这个顺序进行,才能确保双手的卫生。
通过学习外科七步洗手法,我更加明白了作为一名医务工作者,保持手卫生的重要性。
在今后的学习和工作中,我将继续坚持规范操作,严格执行手卫生规定,为患者提供安全、高效的医疗服务。
同时,我也将积极向身边的同事和家人宣传七步洗手法,让更多的人了解并实践这一简单而有效的手卫生措施。