PVC木塑生产工艺与生产中常见问题
- 格式:doc
- 大小:103.00 KB
- 文档页数:9
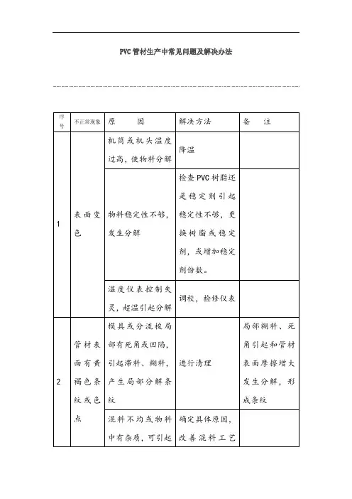
PVC管材生产中常见问题及解决办法PVC型材生产中常见问题及解决办法pvc管材变色问题2010-08-08 17:53型材在加工时就发现色泽不统一(如色泽有轻微偏差是允许的);(2)加热变形后型材明显黄变;(3)加热后状态良好,但型材制成门窗时间不长就变灰。
型材正常生产中不发黄,而在后来的成窗制品时发黄。
在型材生产过程中,当原料及模具等基本条件无变化时,如果将其塑化段及均化段的温度提高5℃左右,所产生的型材发生黄变倾向,也说明其热稳定效率不足,应增加热稳定剂的加入量,尤其是配方中加入荧光增白剂等增白助剂时,热稳定剂不足,增白效果不明显。
PVC分子结构与颜色的关系(1)因PVC树脂是一种热敏性塑料,其光稳定性较差,在热和光的作用下,支链发生脱HCI反应、多烯结构分子,当主链出现共扼双键数量不太多时产生微量色差,氯化氢首先会与周围潜在的对酸活性的物质发生反应,而共扼双键成为PVC分子链内新的活性位置,被光引发成大分子游离基后,PVC就容易遭受氧化,产生色变。
(2)PVC树脂中存在一定数量偏低低分子量组分,降低了聚合物的热稳定性,PVC分解的机理有游离基机理、离子机理、单分子机理等,PVC分解除稳定剂外还有可能受到PVC树脂本身质量的影响,如PVC树脂内是否存有残留过多的引发剂。
(3)聚合物中如存在某种杂质,例如在聚合过程中加人的引发剂、催化剂、酸、碱等去除不尽,或在储运过程中吸收水分,都会降低聚合物的稳定性。
因为这些物质能引起分子-离子降解反应,CPE 中含有较多Cl2、HCl等低分子物,易加速树脂热分解。
因此对稳定不好的PVC+CPE体系,通过增加稳定剂用量也可消除一些型材泛黄问题。
(4)硬PVC结构型材,它是由PVC作连续相的多相聚合物与混合物捏合热稳定剂、光稳定剂润滑剂、填充剂与颜料构成的混合体系,当PVC异型材曝露在自然环境时,一旦PVC组分脱氯化氢后,碳酸钙原组分会转化成氯化钙新组分,它分散在氧化降解物层内,并形成潜在的吸水位置,这是户外型材发黄的原因之一。
PVC注塑问题的改善措施(大全五篇)第一篇:PVC注塑问题的改善措施PVC注塑件问题的改善措施(一)解決PVC件的牛屎紋和夾水紋問題,首先是必須降低熔膠射進型腔的速度,防止產生折疊波浪形或螺旋形射膠和分流等不平穩的充型。
但是,有時會因模具型腔过于寬大的原故,當射膠速度已經降到螺杆几乎都不能前进時,牛屎紋和夾水紋問題仍然未能解決,這种情況在生產中時常出现。
如果在靠近入水口前的流道上,增加一個阻水針或者加一個緩沖包,可以起到帮助降低熔膠進入型腔之速度的作用,从而能夠达到減輕注塑件的牛屎紋和夾水紋程度的目的。
對于牛屎紋和夾水紋不是特別嚴重的情況,使用這种方法再配合調機技巧,牛屎紋和夾水紋問題是可以解決的。
但是如果問題比较嚴重,就需要再配合更多的解決措施了解決PVC注塑件的牛屎紋和夾水紋難題,需要用到非常慢的射膠速度進行一級射膠。
但是因為速度太慢,熔膠在流道中運行的時間過長,熱量散失將會很大,溫度下降得太多,熔膠的流動性會大大下降,充型將变得更加困難,這樣對解決問題极為不利。
升高熔膠溫度和模具溫度是解決問題的一个改善措施。
升高熔膠溫度,可以使慢速射膠有足夠的溫度來保証熔膠的流動性,但所調高的溫度以不使PVC燒膠為前提。
如果再增加一點背壓,效果就更好。
有時我們宁愿不調太高的熔胶溫度,而多增加一點背壓。
因為增加背壓不但可以使PVC熔膠溫度更加均勻,流動性更好,而且還有升溫的作用,所以比單獨升高溫度對改善流動性會更好。
既升高熔膠溫度又加大背壓PVC會很容易造成燒膠問題。
適當升高模具溫度,可以減慢熔膠散熱的速度,确保PVC長時間的慢速充型仍能保障足夠的流動性。
因此,在注塑件不產生縮水問題的情況下,應盡可能地多升高一點模具溫度,減小泠卻水的流量或是干脆不通冷却水注塑。
總之能夠提高流動性的措施都會對解決PVC夾水紋和牛屎紋問題有好處。
此外,減少水口料的含量,增加一點擴散油等等也都會對問題的解決有幫助。
新機和优质的注塑機的改善效果都會好过残机和普通机。
1,国内生产木塑一般采用两种工艺(一步法,二步法)生产,无论是哪种工艺设备的好坏都会影响产能,质量,生产的稳定性,成本等。
设备的好坏与减速机,螺杆炮筒的设计和加工精度,温控的准确性,电机功率大小的配置,变频器的好坏,定型台的平稳性,引出机牵引力的大小和稳定性等,对于木塑发泡制品关键是螺杆压缩比和螺纹结构的设计。
由于目前木塑制品市场的炙手可热,新老厂家纷纷上马,出于成本考虑,很多厂家直接将挤出聚氯乙烯(PVC)异型材的挤出机改用于挤出木塑型材,一般来说基本上也能正常运行,但是由于挤出原料的差异,还是存在一些问题。
①旧有设备的改造。
挤出木塑型材时一般先要造粒,而很多挤出机是按喂粉料设计的,若添加颗粒料可能会发生死机等故障,在这种场合下一般改造给料系统可以解决问题。
②设备的损耗。
由于植物纤维的存在,原料中会存在一定的有机酸及水分,同时购进的原料及回收的木塑制品中都有可能混进异物,这些对设备的腐蚀及磨损都是可见的。
③排水汽问题。
由于原料中植物纤维的吸水性,挤出时会产生一定的水汽,若水分含量过多,对制品的物理性能及外观质量就会有影响,所以对主机的排水汽能力提出了更高要求。
④挤出量的不同。
木塑制品多为厚壁或实心制品,这对挤出机的挤出量提出了更严格的要求。
⑤剪切力的差异。
与挤出PVC异型材不同,挤出木塑型材要求低剪切、高输送,这就对挤出机的螺杆设计提出了要求。
总之,挤出木塑型材须使用专用的挤出机或对现有的挤出机进行改造和改进模具的设计尽可能有较大的压缩比和较长的定型段这有利于发泡和提高制品的表面关泽度和硬度。
三,料(树脂,助剂,填料,纤维的选择和添加量及原料的生产工艺)。
PVC木塑用原材料,1,树脂最好用SG-7有利于发泡的形成和生产的稳定性。
2,助剂(稳定剂,润滑剂,发泡剂,发泡调节剂,偶联剂,增韧剂,加工助剂。
1)稳定剂:复合铅盐稳定剂:优点是热稳定性好,具有耐侯功能,缺点是有毒不环保,加工时分散性差,难以保持制品优异的物理性能。
聚氯乙烯(PVC)出现这些问题,该如何解决一、聚氯乙烯注射成型常见故障的排查·欠注故障分析及排除方法:(1)熔料温度太低。
应适当提高成型温度。
(2)成型周期太短。
应适当延长。
(3)注射压力不足。
应适当提高。
(4)注射速度太慢。
应适当加快。
(5)供料不足。
应增加供料量。
(6)模具温度太低,应适当提高。
特别是要合理设置模具的冷却回路,保持模具温度均匀。
(7)塑件形体结构设计不合理或壁太薄。
应在可能变动的情况下进行调整。
(8)浇注系统结构尺寸偏小。
应适当放大浇口和流道截面。
(9)模具排气不良。
应增加排气孔,改善模具的排气性能。
(10)模具强度不足。
应尽量提高其刚性。
·缩痕故障分析及排除方法:(1)料筒温度太高。
应适当降低料筒温度。
(2)注射压力不足。
应适当提高。
(3)保压时间太短。
应适当延长。
(4)冷却时间太短。
应适当提高冷却效率或延长冷却时间。
(5)供料不足。
应增加供料量。
(6)模具温度不均匀。
应调整模具的冷却系统,合理设置冷却回路。
(7)塑件的形体结构设计不合理,或塑件壁太厚。
应在可能变动的情况下适当调整。
(8)浇口截面积太小。
应适当加大。
·熔接痕故障分析及排除方法:(1)熔料温度太低。
应适当提高成型温度。
(2)注射压力不足。
应适当提高。
(3)注射速度太慢。
应适当加快。
(4)模具温度太低,应适当提高。
(5)浇口截面积太小。
应适当加大。
(6)模具排气不良。
应增加排气孔,改善模具的排气性能。
(7)冷料穴结构尺寸太小或位置不当。
应合理调整。
(8)原料内混入杂质。
应彻底清除异物杂质或换用新料。
(9)脱模剂用量偏多。
应尽量减少其用量。
(10)镶件设置不合理。
应适当调整。
(11)原料着色不均匀。
应选用分散性较好的着色剂,以及延长混色的搅拌时间,使原料着色均匀。
·流料痕故障分析及排除方法:(1)熔料温度太低。
应适当提高成型温度。
(2)注射压力不足。
应适当提高。
(3)保压时间太短。
pvc木塑生产工艺
PVC木塑是一种由PVC(聚氯乙烯)和木材粉末混合制成的
复合材料,在建筑和家具等行业中得到广泛应用。
下面是
PVC木塑的生产工艺。
1. 原料准备:选择优质的PVC树脂和木材粉末作为主要原料。
PVC树脂通常是经过高温熔融的工艺处理,使其具有较好的
可塑性和耐候性。
木材粉末则需要经过筛分和干燥处理,确保其质量和成分符合要求。
2. 配料混合:将PVC树脂和木材粉末按一定比例进行混合。
可以通过机械搅拌或使用高速混合器来进行配料混合,以确保原料充分混合均匀。
3. 挤出成型:将混合好的原料送入挤出机,通过高温和高压的作用,在挤出机内将原料熔化。
然后通过模具进行挤压和冷却,使得原料在形成扁平或者异型材料的过程中,流动性逐渐减小,最终形成具有一定形状和尺寸的木塑产品。
4. 表面处理:经过挤出成型的木塑产品表面比较粗糙,需要进行表面处理,以增加产品的美观性和使用寿命。
常用的表面处理方法有砂光和压纹,可以根据产品需求选择不同的处理方式。
5. 检测和包装:生产完成后,需要对产品进行质量检测,确保其符合相关的标准和要求。
检测包括外观质量、尺寸精度、强度等方面的测试。
合格的产品经过包装,为了保护产品在运输和使用过程中不受损。
以上是PVC木塑的生产工艺,这种工艺可以高效地生产出具有良好物理性能和外观质量的木塑产品,广泛应用于建筑和家具等行业。
影响PVC产品质量的因素及整改措施PVC产品质量的影响因素有很多,主要包括原材料质量、生产工艺、生产设备、质量控制以及产品设计等方面。
下面将从这些方面逐一分析,并探讨相应的整改措施。
1.原材料质量:原材料的质量直接影响到PVC产品的性能和寿命。
例如,PVC树脂的选择应该符合国家标准,并经过严格的质量检验。
不合格的原材料可能导致产品强度不足、耐候性差、易老化等问题。
整改措施:a)与供应商建立长期合作关系,确保原材料的稳定供应和质量可控。
b)严格按照国家标准选择和采购原材料,并建立原材料质量检验标准。
c)建立原材料检验记录和档案,及时追溯问题原材料,并在供应商不合作或质量问题严重时及时更换供应商。
2.生产工艺:生产工艺的合理与否对PVC产品质量有直接影响。
例如,挤出工艺中挤出温度、挤出速度、冷却速度等参数的控制都会影响产品的尺寸精度、表面平整度等性能。
整改措施:a)建立科学合理的生产工艺流程,并制定工艺参数标准,明确各项参数的控制范围。
b)在生产过程中采取实时监控手段,如温度计、压力计等,及时调整工艺参数,确保产品质量稳定。
c)培训生产工人,提高他们的生产技能和操作水平,确保工艺参数的正确执行和控制。
3.生产设备:生产设备的质量和稳定性对产品质量有重要影响。
例如,挤出机的控制系统、温度控制装置、冷却装置等均需要保持正常工作状态,否则会直接影响到产品质量。
整改措施:a)定期对设备进行维护和保养,保持设备的正常操作状态。
b)配备专业技术人员,负责设备的日常检修、维护和故障修复。
c)更新老化的设备,并采用新型高效的生产设备,提高生产效率和产品质量。
4.质量控制:质量控制是确保产品质量稳定的关键环节。
例如,PVC产品的尺寸精度、物理性能、化学性能等应符合相关的国家标准和客户要求。
整改措施:a)建立完善的产品质量控制体系,包括入厂检验、过程控制和出厂检验等环节。
b)在生产过程中进行合理的抽检,并及时对不合格产品进行处理,避免次品流入市场。
PVC木塑生产工艺与生产中常见问题原料中影响木塑复合材料(wpc)性能的因素1.熔体流动速率:熔体流动速率在一定程度上反映了当相对分子量较大时,熔体流动速率越小,相对分子量越大。
相对分子量越大,型坯的熔体强度越好,可以改变型坯的自重下垂,提高产品的拉伸强度、冲击强度、热变形温度等性能。
然而,相对分子量越大,粘度越高,流动性越差,加工难度也越大。
同时,型坯有很高的“回缩”,型坯在夹紧前会大大收缩。
在相同条件下,型坯的不稳定流动加剧,甚至熔体破裂。
因此,考虑到设备加工能力和工艺可行性,几乎所有200L塑料桶生产商都选择hmwhdpe树脂,熔体流动速率可以满足产品质量要求,一般约为2.0(g/10min,21.6kg)。
2、分子量分布:从成型加工观点来看,宽的分子量分布比分布窄的,流动性要好,易于加工控制,并且宽的分子量分布可降低口模压力,减少型坯熔体破裂倾向,改善加工性能,同样的条件下可提高挤出速度。
但是宽的分子量分布也说明存在相对分子量偏低和较高部分,当相对分子量偏低部分所占比例过高时,制品力学性能、热稳定性等皆有所下降,并且流动过程中的分级效应,又使聚合物中低分子量级较多集中到挤出型坯表面,甚至从表面晰出,型坯表面看上去是在上面撒了一些细小白色粒子,吹塑制品内壁粗糙,脱落的白色粒子常易堵塞气阀,引起气路系统故障。
相对分子量偏高部分所占比例过高时,塑化困难,型坯表面出现未完全塑化颗粒,外观质量下降。
目前双峰分布的树脂有替代单峰分布趋势,同样的条件下,具有出色的加工性能与熔体强度,抗环境应力开裂也明显提高。
成型工艺及设备良好的加工工艺和设备应确保材料和发泡剂混合均匀,并保持足够高和稳定的压头压力,使模具压力足够大,压降足够快,以获得良好的泡沫细胞。
1.搅拌和喂料原料的生产工艺:木纤维是一种吸水性很强的材料。
一般情况下,水含量约为15%或更高,无机填料约为5%。
水分是影响塑料特别是木塑生产稳定性和产品质量的天敌,如发泡率、产品吸水率、产品变形、耐候性等产品物理性能。
pvc加工生产过程中遇到问题汇总
1.PVC材料在加工过程中出现分层现象,导致制品强度不足。
2. 在挤出过程中,PVC材料容易出现气泡,影响产品质量。
3. 热压成型时,PVC材料容易变形,导致制品尺寸不准确。
4. PVC管材生产过程中,容易出现管壁厚薄不均的情况,影响管材的使用寿命。
5. PVC制品表面出现气泡或凹凸不平的情况,影响外观质量。
6. 在注塑过程中,PVC材料容易出现熔体断裂或烧结,导致制品质量下降。
7. PVC材料的颜色稳定性不好,容易受到紫外线等因素的影响,导致颜色褪色或变色。
8. PVC制品在低温下容易出现脆裂现象,降低了产品的使用寿命。
9. PVC制品的硬度、耐磨性等物理性能不够稳定,需要通过添加剂等手段进行调整和优化。
10. PVC制品的燃烧性能不好,容易引发火灾等安全问题。
- 1 -。
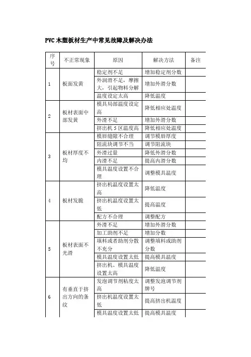
PVC板材生产过程中的常见问题及处理分析(1)、PVC板材纵向厚度偏差大①、机筒温度控制不稳定,使熔体流速不稳。
应调整机筒温度,使其稳定。
②、螺杆转速不稳定,导致挤出量不稳。
应调整挤出机工艺参数,使挤出稳定。
③、三辊压光机中的辊筒转速不稳。
应调整三辊压光机转速。
④、牵引速度不平稳,忽快忽慢。
应调整牵引速度,使其平稳运行。
(2)、PVC板材横向厚度不均匀①、成型模具设计不合理,横截面料流不均匀,应修改模具使口模出料均匀。
②、模唇间隙调整不合理,间隙不均匀。
应使中间间隙略小于两侧间隙。
③、三辊压光机的三辊间隙偏差较大,应使三辊间的间隙均匀。
④、三辊中高度选择和加工不合理。
应适当变动辊面中高度。
(3)、PVC板材表面粗糙无光泽①、三辊工作面粗糙或有黏料。
应清理、打磨三辊工作面,使其表面达到光滑要求。
②、压光机辊温偏低,应适当提高三辊温度。
③、模唇表面不光滑,应清理模唇。
④、过滤网破裂,应更换新的过滤网。
(4)、板材表面有横纹①、物料混合不均匀,造成挤出量波动。
应换用混合均匀物料,调整挤出机工艺参数,使物料塑化良好,挤出量均匀。
②、机筒温度产生较大波动。
应检查、调整机筒温控系统,保证温度控制精度。
③、三辊转速不平稳或辊面有划伤。
应调整三辊转速,使其运行平稳;更换受伤辊筒或修补辊筒表面。
④、牵引速度不平稳或牵引辊压紧力不足。
应调整牵引速度和牵引辊压紧力,使板材牵引平稳。
(5)、板材表面有纵纹①、过滤网破裂。
应更换新的过滤网。
②、模唇面有划伤痕。
应修补或更换模唇。
③、模具体内有异物或分解料。
应清理模具,清除异物或分解料。
(6)、板材断裂①、挤出温度偏低,熔料塑化不良。
应适当提高机身及机头温度。
②、模唇间隙开度太小。
应适当加大。
模唇开度一般等于或稍小于板材厚度,通过挤出后膨胀,并拉伸至要求的厚度。
③、牵引速度太快。
应适当减慢。
牵引速度应比挤出速度稍快为宜。
(7)、翘曲不平①、压光机辊温控制不当,尤其是中、下辊温度太低。
PVC管材生产工艺与质量问题分析【摘要】以UPVC排水管为例,探讨生产UPVC管材的配方及其性能分析,阐述了UPVC管材的成型工艺,并且对PVC管材生产会出现的问题进行讨论和讲述其解决方案。
【关键词】UPVC管材;生产工艺前言凌源利浩型材科技有限公司是辽宁朝阳塑胶建材行业颇具规模和影响力的制造商之一。
公司主营PVC排水管材、管件系列产品;PPR、PE、大口径波纹管、农田灌溉管;电工套管;汽车零部件注塑等数十个系列产品。
公司拥有规模宏大的挤出机群和全套现代化先进生产设备。
一直以来,利浩人秉承“诚信、优质、创新、超越”的核心理念,以推动朝阳塑胶建材行业以塑代木,以塑代钢为己任,引领塑胶建材行业潮流。
公司产品于2010年通过ISO9001质量管理体系认证,2012年获得“朝阳市名优产品”称号。
近年来通过新产品开发、技术改造等措施,将自主研发的工艺技术、生产流程和先进设备优化融合,产品质量得到不断的提升,市场不断开拓,产品销往东北三省、内蒙古等地,市场占有率逐年扩大。
发展规划方面,利浩公司围绕化学建材行业,积极开拓新产品、新领域、新市场,做大做强。
新产品方面,公司正着力开发绿色节能建筑管材生产项目;新领域方面,公司正加大力度进入市政管道领域,借助国家大力推广城市污水处理、城市市政建设的机会,抓住市政改造的巨大商机,抢占市政管道领域;新市场方面,公司正加大开拓外省市场的力度,同时在凌源将继续拓展利浩的生产基地,通过技术改造、扩大产能、新建等形式实现市场的全面覆盖。
1 PVC管材生产工艺流程、配方分析、成型工艺参数1.1 PVC管材生产工艺流程PVC-U塑料管材制造的工艺流程是:通过电脑处理,把PVC树脂、稳定剂、润滑剂、着色剂、填充剂等原料进行充分混合,然后抽入挤出机加料斗,在对混配料加热和剪切作用的同时,通过螺杆转动,将原料向前推移挤压,使之逐渐呈熔融塑化状态,进入机头模具,挤压出的管状制品再通过真空定径,喷淋冷却,喷涂标志、牵引切割、胀口等一系列过程,制成管材。
pvc加工生产过程中遇到问题汇总
在pvc加工生产过程中,可能会遇到各种问题,例如:
1. 填充物分布不均匀:填充物分布不均匀会导致产品的物理性能不一致,解决方法可以是增加搅拌时间或更改搅拌方式。
2. 热稳定剂不足:热稳定剂不足会导致产品的耐热性能不足,解决方法可以是增加热稳定剂的添加量。
3. 粘度过高:粘度过高会导致产品难以加工,解决方法可以是增加塑化剂的添加量或降低温度。
4. 硬度过高:硬度过高会导致产品不易弯曲,解决方法可以是增加塑化剂的添加量或降低温度。
5. 杂质混入:杂质混入会影响产品的外观和性能,解决方法可以是加强筛选或更换原材料供应商。
6. 产品变色:产品变色可能是原材料质量不好或加工温度不当所致,解决方法可以是更换原材料供应商或调整加工温度。
7. 产品发热:产品发热可能是加工温度过高或填充物分布不均匀所致,解决方法可以是降低加工温度或更改填充物。
总之,在pvc加工生产过程中,我们需要密切关注每一个环节,及时发现和解决问题,以确保产品的质量和稳定性。
- 1 -。
PVC木塑挤出生产工艺------------青岛睿杰塑料机械有限公司1.工艺参数1.1 一般信息挤出成型工艺一般包括成型温度、螺杆转速及计量加料速度、牵引速度、挤出机工作压力、排气及真空冷却等诸多方面。
然而挤出工艺又和配方体系、挤出机结构性能、制品形状以及模具设计、产品质量要求以及公用工程等设施有关,因此工艺的控制对外观与内在质量优异的型材制品十分重要。
要依据理论原理和实际经验反复实践才能确定。
1.2 温度对低发泡制品的影响(1)挤出温度的影响熔体温度对低发泡木塑制品的气泡结构和发泡制品的密度及表面性质有重要影响。
而熔体温度又受PVC的K值、配方组成和挤出过程中作用在物料上剪切力的影响。
发泡过程气泡中的气体压力与熔体结构作用相反;如果材料温度太低,只能形成不弯曲发泡结构,这时有荣繁体较高的粘度造成的;如果材料温度过高,会由于熔体过低而撕裂气泡,大都分气泡气体散失。
气泡破裂使产品有残缺表面和高密度。
良好发泡状态的温度范围比较窄大概在180℃~~190℃之间机身温度一般要充分保证物料在发泡之前塑化。
温度控制是发泡制品成型优劣的关键因素之一。
结皮发泡木塑型材对加工温度的要求很苛刻,挤出温度过高会引起物料发泡过大,无强度,甚至根本无法成型,导致物料分解、木粉炭化,造成模具糊料;挤出温度过低,又往往会塑化不良,型材表面会出现收缩痕,导致型材性能变坏。
机筒加料段温度不可过高,单螺杆挤出机没有排气装置,如果温度过高,会导致发泡剂提前分解,还会导致物料架桥,下料不顺,所以要求温度稍低一些,一般设定在145℃左右。
压缩段、熔融段温度应逐渐提高。
法兰段的温度和机头温度决定制品的密度、产品的力学性能以及外观。
法兰和机头温度过高的时候,会造成泡孔破裂、表面粗糙、强度偏低、机头糊料、表面不结皮甚至根本不能成型;温度偏低时,易出现表面不平,塑化不良。
为使主机产生一定的压力,使发泡均匀。
要求机头温度应稍低于机筒末段的温度。
PVC木塑生产工艺与生产中常见问题原料中影响木塑复合材料性能的因素1、熔体流动速率:熔体流动速率一定程度反映相对分子量大下,熔体流动速率越小,相对分子量越大。
相对分子量越大型坯具有较好的熔体强度,可改变型坯自重下垂,制品拉伸强度、冲击强度、热变形温度等性能都有所提高,是有利的,但相对分子量越大粘度越高,流动性越差,加工困难,同时型坯有很高的“回缩”性,在合模前型坯会有较大的收缩。
同样的条件下,型坯不稳定流动现象加剧,甚至熔体破裂。
因此,考虑设备加工能力与工艺可行性,几乎所有200L塑料桶生产厂家都选用HMWHDPE树脂,熔体流动速率能够满足制品质量要求即可,一般为左右(g/10min,)。
2、分子量分布:从成型加工观点来看,宽的分子量分布比分布窄的,流动性要好,易于加工控制,并且宽的分子量分布可降低口模压力,减少型坯熔体破裂倾向,改善加工性能,同样的条件下可提高挤出速度。
但是宽的分子量分布也说明存在相对分子量偏低和较高部分,当相对分子量偏低部分所占比例过高时,制品力学性能、热稳定性等皆有所下降,并且流动过程中的分级效应,又使聚合物中低分子量级较多集中到挤出型坯表面,甚至从表面晰出,型坯表面看上去是在上面撒了一些细小白色粒子,吹塑制品内壁粗糙,脱落的白色粒子常易堵塞气阀,引起气路系统故障。
相对分子量偏高部分所占比例过高时,塑化困难,型坯表面出现未完全塑化颗粒,外观质量下降。
目前双峰分布的树脂有替代单峰分布趋势,同样的条件下,具有出色的加工性能与熔体强度,抗环境应力开裂也明显提高。
成型工艺及设备良好的加工工艺和设备应保证物料和发泡剂混合均匀,并保持足够高的、稳定的机头压力,使口模压力足够大和压力降足够快,以获得形态良好的泡孔。
1.混料和喂料原料的生产工艺:木纤维是吸水性较强的材料一般含水量在15%左右甚至更高,无机填料也达到5%左右,而水含量的高低是影响塑料特别是木塑生产稳定性和制品质量的天敌,如影响发泡倍率,制品的吸水率,制品的变形,制品的耐候性和其他物理性能。
原料中影响木塑复合材料(WPC)性能的因素1、熔体流动速率:熔体流动速率一定程度反映相对分子量大下,熔体流动速率越小,相对分子量越大。
相对分子量越大型坯具有较好的熔体强度,可改变型坯自重下垂,制品拉伸强度、冲击强度、热变形温度等性能都有所提高,是有利的,但相对分子量越大粘度越高,流动性越差,加工困难,同时型坯有很高的“回缩”性,在合模前型坯会有较大的收缩。
同样的条件下,型坯不稳定流动现象加剧,甚至熔体破裂。
因此,考虑设备加工能力与工艺可行性,几乎所有200L塑料桶生产厂家都选用HMWHDPE树脂,熔体流动速率能够满足制品质量要求即可,一般为2.0左右(g/10min,21.6kg)。
2、分子量分布:从成型加工观点来看,宽的分子量分布比分布窄的,流动性要好,易于加工控制,并且宽的分子量分布可降低口模压力,减少型坯熔体破裂倾向,改善加工性能,同样的条件下可提高挤出速度。
但是宽的分子量分布也说明存在相对分子量偏低和较高部分,当相对分子量偏低部分所占比例过高时,制品力学性能、热稳定性等皆有所下降,并且流动过程中的分级效应,又使聚合物中低分子量级较多集中到挤出型坯表面,甚至从表面晰出,型坯表面看上去是在上面撒了一些细小白色粒子,吹塑制品内壁粗糙,脱落的白色粒子常易堵塞气阀,引起气路系统故障。
相对分子量偏高部分所占比例过高时,塑化困难,型坯表面出现未完全塑化颗粒,外观质量下降。
目前双峰分布的树脂有替代单峰分布趋势,同样的条件下,具有出色的加工性能与熔体强度,抗环境应力开裂也明显提高。
成型工艺及设备良好的加工工艺和设备应保证物料和发泡剂混合均匀,并保持足够高的、稳定的机头压力,使口模压力足够大和压力降足够快,以获得形态良好的泡孔。
1.混料和喂料原料的生产工艺:木纤维是吸水性较强的材料一般含水量在15%左右甚至更高,无机填料也达到5%左右,而水含量的高低是影响塑料特别是木塑生产稳定性和制品质量的天敌,如影响发泡倍率,制品的吸水率,制品的变形,制品的耐候性和其他物理性能。
所以水分最好控制在1%以内。
控制好合理水分的纤维和填料-----加入高混机里-----混到100度-----加入适量的偶联剂----混到110-115度----关掉马达不动时打开混合机大盖2-3分钟-----加入PVC,稳定剂-----混到80度-----加润滑剂及其他助剂-----100度加加工助剂,发泡剂------120-125卸粉-----粉卸完后马达停止了再打开大盖2-3分钟后再混下一手料(最好混五手料清理一次混合机)-----粉在泠拌桶令却到40度就可造粒或加入双螺杆生产(泠拌桶务必有循环泠却水)。
在混料是必须注意观察温度和时间如一般泠锅混一手料在20-25分钟左右,热锅在12-15分钟左右(温度设定125度左右),如果时间有相差3分钟或更长那可能是感温线有问题或温控不准,或混合机牛角刀磨损严重。
这样会影响发泡倍率的稳定,颜色。
造粒时常要注意各温控温度是否准确,风机是否正常运转,电流的大小,粒子的粒径,表面,长度是否粘料,下料是否稳定,千万不能断料的情况发生。
混料工艺通过影响不同组分之间的接触与反应影响各组分的分散,进而影响材料性能。
混料时,应该选择合适的加料顺序、加料温度、加料时间。
由于木粉粉料蓬松,加料过程中容易出现“架桥”和“抱杆”现象。
加料不稳定会使挤出波动,造成挤出质量降低,因此必须对加料方式和加料量作严格的控制,一般采用强制加料装置或饥饿喂料,以保证挤出的稳定。
PVC/木粉复合材料挤出发泡成型一般分两步法和一步法两种工艺路线:两步法即先造粒后成型;一步法即省去造粒工序,采用表面改性后的木粉与PVC 粉经高速混合后直接加料挤出。
研究表明:母粒法(两步法)有利于提高PVC/木塑的力学性能。
2.成型温度挤出工艺:主要注意以下几方面a,挤出机各段温度的设定,关键是压缩段,计量段,模具。
各温控的准确性如温控不准影响到发泡倍率和颜色。
发泡主要是压缩段和计量段温度的设定,成型主要是模具温度。
b,各段风机的正常运转。
c,主机电流的大小和稳定性。
如主机电流波动较大说明滑剂.加工助剂.纤维与PVC各组分之间分散不是很均匀。
d,主机速度务必保持一样,因速度的快慢会影响到发泡倍率及颜色。
设定挤出成型温度应考虑到物料在挤出机机筒内的物理作用和化学反应。
加料段温度既要保证物料能够快速熔融,阻止分解气体的逃逸,又要防止发泡剂提前分解;压缩段和计量段温度设定则需要考虑到化学发泡剂分解温度和分解速率,木粉烧焦和PVC 分解等因素;机头温度应使熔体保持良好流动性的同时,具有足够的熔体黏度,以维持机头内的熔体处于高压下,使之在机头内不发泡。
姚祝平认为在充分塑化的条件下,应采用低温挤出。
螺杆和成型模具等设备也应具有低温挤出特性,以保证泡孔有良好的形态和较小的直径。
加料段温度应控制在165℃以下,压缩段和均化段在160~180℃之间,机头和口模设在160℃以下。
3.螺杆转速螺杆转速对挤出发泡的影响主要体现在以下几个方面:一是影响挤出压力,转速越高,挤出机内压力越大,从而越有利于成核,成核的泡孔数目也越多,发泡率也就越高。
但压力过高时成核的泡孔生长受到抑制,影响泡孔的充分生长;二是螺杆转速越高,剪切作用越强,剪切作用过强时容易使泡孔合并或破裂,影响发泡体质量和低密度泡沫塑料的形成;三是螺杆转速过高或过低,使停留时间过短或过长,容易发生提前发泡或发泡剂分解不充分等现象,不利于形成均匀细密的泡孔结构。
因此在其它影响因素不变的情况下,螺杆转速存在一个最佳值,一般在12~18r/min 之间。
4.挤出压力挤出压力不足会造成制品表面粗糙、强度低,而较高的挤出压力不仅能控制机头内的含气熔体不提前发泡,而且使机头口模内外压差大,从而使压降速率高,有利于气泡成核,成核的气泡数量增多,发泡率也随之增大,有利于得到均匀细密的泡孔结构。
但挤出压力过高对泡孔的生长不利。
要得到适宜的机头压力,可以通过调节螺杆转速、机头温度及口模形状来实现。
5.成型设备单螺杆挤出机主要靠摩擦输送物料,混炼效果差,木粉在机筒中停留时间长,易烧焦,因此,在PVC/木塑复合材料挤出中受到较大的限制。
为了提高PVC/木塑的混合效果,用于PVC/木塑加工的单螺杆应该设混炼区,或者先造粒,然后用粒料挤出成型,但这个过程消耗了助剂,降低了PVC 性能。
PVC发泡工艺控制关键点塑料发泡成型分为三个过程:气泡核的形成、气泡核的膨胀和泡体的固化。
对于添加化学发泡剂的PVC发泡片材来说,气泡核的膨胀对发泡片材的质量起决定性影响。
PVC属于直链分子,分子链较短,熔体强度低,在气泡核膨胀成气泡过程中,熔体不足以包覆住气泡,气体易溢出合并成大泡,降低发泡片材的产品质量。
提高PVC发泡片材质量的关键因素是提高PVC的熔体强度。
从高分子材料加工特性分析,提高PVC熔体强度的方法有多种,但最有效的方式是添加提高熔体强度的助剂和降低加工温度。
PVC属于非晶材料,随熔体温度的提高熔体强度降低,反之随熔体温度降低熔体强度提高,但降温的作用有限仅起到辅助作用。
ACR类加工剂都有提高熔体强度的作用,其中发泡调节剂最有效果。
熔体强度随发泡调节剂含量增加而提高。
一般而言,只要螺杆有足够的分散混合能力,添加高黏度的发泡调节剂对提高熔体强度效果更明显。
甲基丙烯酸甲酯树脂分子式C5H8O2;CH2C(CH3)COOCH挤出过程常见问题在PVC发泡片材挤出过程中,碰到的问题基本可以归为4类,一是稳定性问题;二是熔体强度问题;三是润滑问题;四是分散问题。
这四类问题特别是前三类问题会相互制约,交叉影响,从表面现象看有时很难立刻分清楚,要说方观察分析,找到问题根源才能根本解决。
稳定性不足,会影响整个板面,板面发黄,发泡片材脆性大。
熔体强度不足会导致发泡片泡孔大,纵切面泡很长。
判断熔体强度是否不足,最直接的办法是到三辊后面用手指按压包在中辊上的片材,熔体强度好按压时能感觉到弹性。
若按压后很难弹起,说明熔体强度较差。
因为螺杆结构和冷却方式差别较大,很难判断温度是否合理,一般来说,在挤出机允许的负荷内,3—5区温度以低为好。
在发泡管材中要想获得发泡均匀制品,也需要保证PVC物料有良好的融体强度。
公司开发的发泡助剂就是为解决发泡制品的这一问题而开发的,能有效地提高发泡管材的质量.润滑剂分为外润滑剂和内润滑剂,外滑有利于脱模,对板材表面的光洁性有好处,外滑太少,挤出机5区温度不易控制,易升温,这会导致合流芯温度高,板材中间出大泡、串泡、发黄等问题,板材表面也不光滑;外滑多,析出会变得严重,表现在模具内的结构和板材表面外滑的析出,也会表现为某些个别现象在板面上不定期的来回移动。
内滑有利于塑化和熔体的流动性,内滑不足板面难以控制厚度,表现为板材中间厚两边薄;内滑多,易出现合流芯温度高的现象。
分散不好会带来板材表面不光滑的现象。
工艺温度控制问题:上面提到的四个问题属于根本性问题,是基础,是深层次问题。
相对于上面四个问题,工艺温度控制则要直观得多,是表面问题,但温度控制不好,会诱发根本问题的出现。
提高加工工艺温度,材料稳定时间会降低,出现稳定性问题;原有的润滑平衡会被打破,一般表现为外润滑不足,特别是后期外润滑,需提高外润滑添加量;温度提高也会导致熔体强度降低,发泡片材泡孔增大,泡孔数量减少,片材发脆易断裂;温度提高降低了熔体强度也会降低熔体粘度,粘度降低剪切分散能力降低,对分散能力不强的螺杆而言,有时会出现分散不均匀。
木塑复合材料质量隐患及其解决方案1. 木塑复合材料的含水量过高,由于木塑材料具有16%~21%的的孔隙度,因而易折易污染。
解决方案是在生产加工过程中严格控制温度和加工速度,减少含水量。
2. 因为抗氧化剂用量不够,导致木塑板材容易被氧化,表面过脆、容易脱落。
解决方案为添加适量的抗氧化剂3. 生产加工过后的塑木材料出现褶皱,多出现于材料在快速冷却过程中。
解决方案是给木塑材料成品以充分的冷却、收缩、放置的时间,并且尽量不要为了提高产能而进行高速生产。
4. 产品褪色,此现象是由于颜料不足或者打磨过渡造成的。
解决方案是减少打磨度或添加无机颜料。
5. 木塑产品表面过于光滑。
解决方案是通过在材料表面印刷纹理、改变塑料含量来增加牵引力,并且使用质量较好的专门涂料来解决此类问题。
机头压力对木塑复合材料加工成型性能的影响邹良凤挤出机温度高,机头压力小,使挤出的型材不密实,因此导致制品性能的缺陷,破坏稻壳粉作为填充剂的优良性质,并且严重影响外观形象。
当机头压力较低时,制品表面出现条纹,并产生分段现象,挤出不成型,经常出现物料不成型而造成的物料堆积现象,得不到连续得外观质量好的制品,影响生产的连续性。
只要在压力许可的范围内,压力越高挤出制品越密实,挤出质量就越好。