零件三维建模与制造--UG NX 三维造型试卷(A)
- 格式:doc
- 大小:3.09 MB
- 文档页数:3
ug模具练习题UG(Unigraphics)是一种先进的计算机辅助设计(CAD)和计算机辅助制造(CAM)软件,广泛应用于模具设计和制造领域。
本文将为大家提供一些UG模具练习题,帮助读者巩固和提升相关技能。
1. 零件建模练习请在UG软件中创建一个立方体,边长为100mm,高度为50mm。
然后在立方体的顶面上创建一个直径为30mm的圆柱凸台,高度为10mm。
最后,在立方体的侧面上创建一个边长为20mm的正方形凹陷。
2. 组合件建模练习请在UG软件中创建一个螺母和螺栓的组合件。
首先,创建一个螺母,直径为20mm,高度为10mm。
然后,创建一个螺栓,直径为10mm,长度为50mm。
最后,将螺栓插入螺母中,并确保二者之间有适当的螺纹连接。
3. 曲面建模练习请在UG软件中创建一个汽车车身的曲面模型。
首先,创建一个长方体,作为车身的基本形状。
然后,使用UG的曲面设计功能,逐渐将车身塑造成流线型外形。
可以根据自己的创意和审美要求,进行曲面的调整和细节的添加。
4. 拼合件建模练习请在UG软件中创建一个由多个零件拼合而成的组合件。
可以选择一些简单的零件,例如圆柱体、球体和长方体等。
然后将这些零件进行位置、角度和尺寸的调整,并确保它们之间的拼接是精确和稳固的。
5. 模具设计练习请在UG软件中设计一个注塑模具。
可以选择一个简单的零件作为注塑模具的目标,例如一个零件的形状类似于圆盘,直径为80mm,厚度为10mm。
根据注塑模具的设计原则,设计合适的模腔、模芯和冷却系统,并确保零件注塑过程中的顺利进行。
以上是几个UG模具练习题的简要介绍,希望对读者的学习和实践有所帮助。
通过这些练习,读者可以熟悉UG软件的操作界面和基本命令,提高模具设计和建模的技能,为日后在实际工作中应用UG软件打下坚实的基础。
祝愿大家在UG模具设计的道路上取得更大的成功!。
国家制造业信息化培训中心考证测试试卷考试科目:UG 时间:180分钟总分:100分实际得分:姓名:马山太学号:k070410080 机号:考点:试题分两部分:理论和实践,理论占20%,实践占80%第一部分:理论部分(20分)请在答题纸上答题1、在UGNX 中可用零件导航器来管理组件中的各个特征;用装配导航器管理装配体中的各个组件。
2、在UGNX中可进行的布尔运算有:求和、求差、求并。
3、在UGNX中草图的约束有尺寸约束和几何约束种。
4、进行参数化设计时,可以通过创建表达式从而在各尺寸及参数间建立联系。
5、进行装配设计时有自底向上和自顶向下两种设计方式。
6、对已有模型进行装配时,装配文件与模型文件之间仅存在引用(引用/复制)关系,当模型文件某个特征被更改后,装配文件中的相应模型会(会/不会)发生改变。
7、在捕捉点工具中是捕捉直线端点工具。
8、列举装配类型中的三种配对类型:配对、对齐、中心。
9、在创建工程图时,图纸的投影方式有第三象限、第一象限两种,其中第一象限是符合我国国家标准的投影方式。
10、创建圆角时可使用圆角命令。
第二部分:上机部分(80分)在考试前在E盘下的“test”文件夹里建立一个以自己的“学号+姓名”命名的文件夹,把以下考试的内容保存在这个文件夹里。
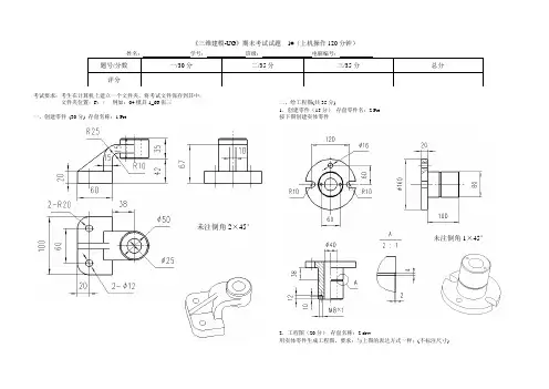
一、绘制以下草图,命名为“1.prt”。
(10分)二、创建以下实体,命名为“2.prt”。
(20分)三、创建以下实体命名为“3.prt”,并创建零件图.(35分)四、由完成以下装配体命名为“4”。
(10分)将“axle.prt”、“fork.prt”、“shaft.prt”、“spacer.prt”和“wheel.prt”装配成下图所示样式。
UG NX 8.0 CAD情境教程试卷答案及评分标准2013/2014学年第二学期期(终) 试卷 (A)卷科目: UG CAD考试时间: 100 分钟考试方式:开卷使用班级:一、技能题 (共 80分)1.根据工程图完成零件的三维造型。
(50分)参考答案与评分标准:2.采用“自底向上”的方法建立装配体模型。
(30分)参考答案与评分标准:二、简答题 (每小题 4 分,共 20 分)1、蜗杆的造型设计思路。
参考答案:1)建立蜗杆的基体。
2)绘制绕蜗杆基体的螺旋线。
3)绘制绕蜗杆轴向切割齿形截面。
4)沿螺旋曲线扫描齿形截面,生成蜗杆齿槽。
5)细化处理。
2、装配体创建方法?参考答案:1)自顶向下装配2)自底向上装配3)混合装配3、试述在装配体中定位组件,配对条件——装配、对齐的含义。
参考答案:配对条件——接触:对于平面,共面且法线相反。
对于圆柱表面,两圆柱表面重合,轴线相一致。
对齐:对于平面,共面且法线相同。
对于圆柱表面,两圆柱轴线相一致。
4、简述装配导航器的作用。
参考答案:UG以独立窗口形式提供了装配导航器,用树状图形方式显示了装配结构,用户在它内部可以操作改变工作部件、改变显示部件、隐藏组件、删除组件、编辑装配配对关系等。
5、什么是“片体”,片体造型的方法。
参考答案:由一个或多个曲面组成的、厚度为0的几何物体。
1)通过点创建片体2)通过曲线创建片体3)通过曲面创建片体4)其他方法创建片体。
UG NX认证考试试卷(A类课程)姓名学号准考证号一.选择题(10分)1.以下哪个图标是捕捉交点( B )A. B. C. D.2.以下图标均为部件导航器中的特征操作,请选出哪个代表“剪裁体”( D)A. B. C. D.3.下列哪个图标是草图尺寸约束中的“相切”约束( B)A. B. C. D.4.下图是在草图中绘制圆,请指出哪个是用“三个点”的方法绘制的( B)A. B.5.要创建“简单孔”特征,需要在孔特征对话框中点击哪个图标( A )A. B. C. D. 以上都不是6.通过绕一给定轴以非零角度旋转截面曲线建立一旋转体特征,生成全圆形或部分圆形体的是( C)A. 扫掠B. 拔模C. 回转D. 拉伸7.以下哪种说法不属于布尔运算( D)A. 求和B. 求差C. 求交D. 缝合8.点击下列哪个图标可以实现抽取曲线( D )A. B. C. D.9.下图中②所指的是哪种边倒圆的方式( B )A. 恒定半径B. 可变半径C. 倒角拐角D. 突然停止10.以下哪个图标是“分割曲线”( C )A. B. C. D.二.简答题1.简述装配有哪几种配对类型?(10分)答:配对类型有8种:配对、对齐、角度、平行、垂直、中心、距离、相切。
2.简述曲面设计的思路?(5分)答:搭建曲线、基于曲线创建曲面、曲面分析、实体化3.列出你熟悉功能模块?(5分)答:建模、制图、装配、加工三.操作试题1. 完成草图设计(10分)本题得分______________题图2. 利用制作曲面的命令创建“正五角星”实体,要求:5个顶点到底面中心的距离均为100mm ,最高点到底面的距离为20mm 。
(10分)本题得分______________3.根据下图所示的尺寸做出物体的实体造型(15分)本题得分______________题图4.根据下图所示的尺寸作出物体的实体造型(15分)本题得分______________5.根据下图所示,完成产品的装配(20分)所需零件在UG_TEST/wave_caster目录下。
ug造型练习题UG(Unigraphics)是一种常用的三维造型软件,广泛应用于工业设计、机械设计、汽车设计等领域。
通过使用UG软件,设计师可以创建、编辑和优化各种产品的三维模型,实现设计从概念到实物的转化。
为了提高UG软件的熟练程度以及设计师的造型能力,下面我会提供一些UG造型练习题,供大家练习和提升技能。
1. 创建基本几何体使用UG软件创建以下几何体:立方体、圆柱体、球体、锥体、圆台等。
熟练掌握这些基本几何体的创建方法,并尝试将它们组合成其他复杂的形状。
2. 编辑几何体选择一个已创建的几何体,使用编辑工具对其进行修改。
比如,拉伸、旋转、镜像、倒角、填充等操作。
熟练掌握编辑工具的使用方法,并理解其对几何体的影响。
3. 生成曲面使用UG软件生成各种曲面,比如球面、曲线面、自由曲面等。
练习掌握曲面的创建方法,包括控制点法、光滑曲线法、边界曲线法等。
同时,了解曲面的属性和参数调整对最终形状的影响。
4. 制作模具使用UG软件制作一个简单的模具,可以是模具的一部分或整体。
掌握模具的设计原理和方法,包括挖孔、开槽、倒角、壁厚调整等。
通过练习,提高对模具设计的理解和技巧。
5. 完成一个实际项目选择一个实际的产品项目,使用UG软件完成其三维模型设计。
可以是机械零件、电子产品外壳、家具等。
练习从产品的概念到最终形态的整个设计过程,包括草图、零件建模、装配等步骤。
6. 进行形体设计挑选一个具有较高难度的形体设计题目,使用UG软件进行设计和建模。
例如,设计一款未来主义风格的汽车外观、创作一个奇幻生物等。
通过挑战复杂的造型要求,拓宽设计思路和技术应用。
在进行UG造型练习时,我们还需注意以下几点:1. 注意设计图层的使用,使得模型的构思和结构清晰可见。
2. 熟悉并运用软件快捷键,提高设计效率。
3. 不断尝试新的造型方法和技巧,积累经验并改进设计能力。
4. 学会使用UG软件内置的各种分析工具,对模型进行性能评估和优化。
通过持续的UG造型练习,你会逐渐提高设计技巧和创造力,更好地应对实际设计项目。
UG NX 考试试卷A考试时间:120分钟姓名:考号:一、选择题(每小题2分)计20分1、计算机辅助制造简称为()。
A:CAD B:CAE C:CAM D:PDM2、在草图绘制过程中不小心旋转了草图视角,使用哪个命令可以恢复草图视角到正常状态:( )。
A:点击F8 B:定向视图到草图 C:定向视图到模型 D:重新附着3、对于设计特征的矩形工具体,在【定位】对话框中有多少种不同的定位方法?( ) A:9 B:6 C:7 D:84、直线的草图点为:( )( 2 分)A:两个端点 B:中点 C:控制点 D:线上一点5、直接建模是面向( )的操作。
A:实体 B:片体 C:表面 D:圆柱面6、镜像特征操作通过一个( )镜像选择的特征去建立对称的模型。
A:平表面 B:基准平面或平表面 C:基准平面 D:中间面7、创建直纹面特征最少要选择()条曲线。
A:1 B:2 C:3 D:48、单独使用哪个鼠标键可以旋转视图:( )。
A:MB1 B:MB2 C:MB3 D:以上都不对9、在空间创见样条时,缺省情况下,样条将建立在哪个平面上( )。
A:XC-YC B:YC-ZC C:XC-ZC D:任意平面10、用于扫描特征的线串可以为( )。
(此题为多选题)A:草图特征 B:特征曲线 C:相切的曲线 D:面的边缘二.绘制二维平面草图(计:27分)1.绘制如图1所示的二维草图。
(12分)图1 平面图形2.绘制如图2所示吊钩的二维平面图。
(15分)图2 吊钩平面图三.创建三维立体模型(计:53分)1.按给出的夹头图如图3所示,创建该零件的三维立体模型。
(计:25分)图3 吊钩零件图2.根据给出的如图4所示的杯盖零件图,创建三维立体模型。
(28分)图4 杯盖零件图。
《UG造型设计》期末试卷(A)1、下列哪个不是基本体素类型?A、长方体B、圆锥体C、球D、凸台2.哪个工具列出特征列表,而且可以作为显示和编辑特征的捷径A装配导航器 B.约束导航器C.Web浏览器D.部件导航器3.哪种方法无法删除基准面A.选中基准面,单击Delete图标B.选中基准面,单击Delete键C.选中基准面,单击Backspace键D.选中基准面,选择编辑——删除4.建模基准不包括()A、基准坐标系B、基准面C、基准轴D、基准体5.UG建模中主要采用()坐标系。
A、笛卡尔B、圆柱坐标系C、球坐标系D、其他6、在UGNX12.0软件的用户界面里,哪个区域提示你下一步该做什么?A、信息窗口B、提示栏C、状态栏D、部件导航器7、以下说法错误的是:A、实体与实体可以进行求和的布尔操作B、实体与片体不可以进行求和的布尔操作C、片体与片体可以进行求和的布尔操作D、实体与实体可以进行求差的布尔操作8.在用户定义倒角命令中,提供了几种修剪方式()A、3B、5C、8D、159.在UG操作中,控制当前视图的热键是()A、F4B、F5C、F7D、F81、在建模时,可以在参数输入框中输入单位。
()2、默认情况下,厚度为正值时,抽壳操作是从实体的外表面向实体内部按照指定的厚度抽空实体。
()3、在任何时候,工作层只能有一个。
()4、坐标系是任何造型系统必不可少的要素,NX12.0建模的坐标系分为工作坐标系(WCS)和绝对坐标系。
工作坐标系是用户在建模的时候直接应用的坐标系,绝对坐标系是系统坐标系,可以有一个或多个绝对坐标系。
()5、在一个模型文件中可以保存多个用户坐标系,但坐标系过多会在一定程度上干扰建模。
()6、阵列后,目标特征与成员、成员与成员之间都是相互关联的,故对目标特征或阵列成员的参数进行编辑后,都会影响其阵列中的所有成员和目标特征。
()7、长方体的长度可以指定负值。
()8、一个已用定位尺寸定位的特征可以利用移动特征命令来移动。
江苏信息职业技术学院计算机辅助设计与制造专业2011~2012第一学期《三维软件应用及零件建模》期末试卷A卷考试时间:2011.11.1上午08:20-11:20
一、利用UG草图功能绘制下图所示草图曲线。
第一幅图形为学号是奇数的同学绘制,第二幅图形为学号是偶数的同学绘制。
注意保证草图完全约束。
垫片平面图形(学号为奇数的学生绘制)
挂轮架平面图形(学号为偶数的学生绘制)
二、根据下图创建实体模型。
学号为1-10,21-30号同学创建弯板实体模型,并生成工程图,标注尺寸。
学号为11-20,31-38号学生创建底座实体模型,并生成工程图,标注尺寸。
(注意:创建此图不需要剖切,图中剖开是为了表示壁厚)。
一、三维实体建模练习之南宫帮珍创作创作时间:二零二一年六月三十日
练习1根据给出的零件图1, 创立该零件的三维模型.
三维实体模型
注:选择底面为抽壳面, 抽壳厚度为2. 未注圆角R=0.5.图1 零件图
练习2根据给出的零件图2, 创立该零件的三维模型.
三维零件图
图2 零件图
练习3根据给出的零件图3, 创立该零件的三维模型.
注:未注圆角为R2, 倒斜角为C1.三维零件图
图3 零件图
练习4根据给出的零件图4, 创立该零件的三维模型.
注:未注倒斜角C1
图4 零件图三维零件图
练习5根据给出的零件图5, 创立该零件的三维模型.
注:未注倒斜角为C1.
图5 零件图三维零件图
练习6 根据给出的零件立体图6, 创立该零件的三维模型.注:未注圆角为 R2, 倒斜角为C1.
图6 三维立体图三维实体模型图
二、创立曲面
练习1 依照给出图7创立曲面造型.
曲面造型
图7
练习2依照给出图8创立曲面造型.
图8 曲面造型
练习3依照给出图9创立曲面造型.
图9 曲面造型
练习4依照给出图10创立曲面造型.
三维实体模型
图10
练习5依照给出图11创立曲面造型.
图11 三维零件模型图
注:抽壳厚度为2 ;圆角半径R5和R1
练习6依照给出图12创立曲面造型.
曲面造型
图12
练习7 依照给出图13创立曲面造型.
图13 零件图
练习8依照给出图14创立曲面造型.
图14 曲面造型
创作时间:二零二一年六月三十日。
1. 叙述题:1、Pro/E的主要特点(参数化建模、基于特征建模、父子关系等)ANS:基于特征的三维建模方式、尺寸驱动、参数化设计、父子关系、单一数据库、模块化与设计的关联•2、Pro/E的建模原理ANS :基于特征的三维建模和参数化建模3、Pro/E安装要注意哪几点ANS :安装完成后,用记事本打开安装目录下的\Crack\License.bin文件,把网卡MAC地址00-00-00- 00-00-00,全部替换成本机的MAC地址.4、草绘器优先选项有哪三类?各有什么用?ANS :草绘器优先选项有杂项、约束和参数•杂项有11个复选框和1个缺省按钮,只有选中了这些显示选项,在绘制草图时,系统才会自动显示和设置等具体工程;约束用于定义草绘截面图元和图元间的关系;参数用于设置草绘栅格类型和栅格间距以及尺寸标的小数位数5、孔和倒角的特征类型ANS :孔分为简单孔和标准孔;倒角有圆形、锥形和D1xD2圆锥.6、创建圆柱体有几种方法ANS:拉伸实体,旋转实体,扫描伸出项,混合实体7、为什么要设置工作目录?怎么设置?ANS便于对文件的管理.两种方法设置:1)点击菜单“文件”7“设置工作目录”,选中相应的文件夹,“确定” .2 )右键单击Pro/ENGINEER快捷方式,选择“属性”宀“快捷方式”宀将“起始位置”设置为相应的文件夹即可•8、通过边创建图元按钮怎么用?ANS这个按钮大家都用烂了I L9、进行草绘的一般思路及过程是什么ANS :先确定要进行怎么的特征构造,点击相应特征按钮,再点击草绘,选择草绘平面和参照平面,确定,即可进行草绘•10、打开和关闭示图管理器的主要区别ANS :视图管理器是管理模型的显示状态,管理方向、剥面、层、组件分解视图、样式等等.也就是模型需要怎么显示,显示什么方式,什么方向等,可以在里面管理创建.关闭视图管理器,则模型在建模空间里以视图管理器默认方式显示.(不一定准确)11、曲面拉伸与扫描曲面特征的区别ANS :曲面拉伸的拉伸轨迹是直线,而扫描曲面的扫描轨迹可以是曲线和直线12、尺寸修改主要有哪几种方式ANS 1、选中所要修改尺寸,点击菜单“编辑”修改.2、直接双击所要修改尺寸.13、拔模时拔模枢轴如何选择?ANS:点击参照,选择拔模枢轴,单击与拔模曲面相交平面作为拔模枢轴平面14、修改某一特征的定义如何操作ANS:在模型树里面选择要修改特征,单击右键选择编辑定义,即可修改特征定义15、如何隐藏螺纹孔的标注ANS :选中该螺纹孔,点击“注释元素显示”按钮即可16、扫描、混合、扫描混合、螺旋扫描的应用场合及定义要素ANS : “扫描”应用于截面不变、轨迹变化的特征造型,定义要素为轨迹和截面;“混合”应用于轨迹不变、截面变化的特征造型,定义要素为属性、截面、方向和深度;“扫描混合”应用于截面和轨迹均变化的特征造型,定义要素为轨迹、截面位置和截面形状;螺旋扫描应用于扫描轨迹为螺旋线的特征造型,定义要素为属性、扫引轨迹、螺距和截面17、特征创建以后,如何改变其尺寸?ANS :在模型树里面选择要修改特征,单击右键选择编辑,修改尺寸后,点击再生模型后即可,或者选择编辑定义,即可直接修改尺寸.18、如何找到特征尺寸内部的符号名称?ANS :选择主菜单“工具”中的“关系”,打开关系对话框,然后在绘图区点击想要知道的尺寸即可18.在哪里及怎么看特征创建的顺序?ANS :在模型树中从上到下按先后顺序显示特征创建顺序.19、阵列某特征前为什么要先复制该特征?ANS :阵列某特征前复制该特征是为了获得父子关系,从而在改变原特征的尺寸时,可以同时将所有的特征的尺寸一次改掉.20、能同时创建既平移又旋转的拷贝吗?ANS :that's impossible!21、平行混合中,所有剖面基本特征是什么?草绘图的起点有什么要求?ANS :平行混合中,所有截面的基本特征是曲线或直线,且截面的顶点数要相同.草绘图的起始点要对齐.22、如何调整放置工程图的方向?ANS: 在“绘图视图”对话框中,选择“视图类型”选项,在“模型视图名”选项中修改放置工程图的方向23、在工程图中如何关闭隐藏线?如何从线框改为隐藏线?ANS :在“绘图视图”对话框中,选择“视图显示”选项,在该选项的“显示样式”子选项中选“消隐”,即可关闭隐藏线,同理,在“显示样式”中将“线框”改为“隐藏线”即可将线框改为隐藏线24、如何改变剖面线的间距和方向?ANS :选中该剖面线,右击选“属性”,在“属性”选项中即可修改其间距和方向.25、如何切除掉模型不需要的部分ANS :可在通过拉伸修剪和旋转修剪来完成修剪.26、“曲面合并”和“实体化切减”有什么区别ANS :“曲面合并”为面的修剪,用于去除多余的面,“实体化切减”为实体的修剪,主要用于切除多余的实体.27、创建旋钮的凸起部分用带拔模的曲面偏离还是用曲面偏离后拔模?区别?ANS :用带拔模的曲面偏离,区别为带拔模的曲面偏离系统可根据面的厚度自动调整以生成特征,而偏离后拔模可能会因为曲面的厚度不够而不能创建拔模特征.28、梯形螺纹模型创建好后,要将梯形螺纹该为三角形螺纹,怎么修改?ANS :选择该特征,在模型树中右击选“编辑定义”,在出现的对话框中,选“截面”选项,单击“定义”按钮,进入草绘器,可将梯形螺纹改为三角形螺纹.29、是否可以通过修改创建的模型尺寸来修改模型?怎么获得新模型?ANS :可以,通过点击“再生模型”按钮来获得新模型.30、如何建立尺寸之间的关系?ANS :选择主菜单中“工具”,在“工具”选“关系”,在打开的“关系”对话框中来建立尺寸间的关系. 31、做曲面合并或特征镜像时为什么按钮是灰的?ANS :因为没有编辑的特征,只有选中要编辑的特征后按钮才会变亮.32、举例说明“边界混合”的应用ANS :例如鼠标上盖曲面的创建.33、如何用方程建立基准曲线ANS :选择工具栏中的“曲线”按钮,在出现的对话框中选“从方程”,点“完成”,选取一个坐标系,在出现的“记事本”对话框中输入方程及公式,保存该文本,点击“确定”即可生成曲线.33、举例说明Ctrl 键的应用场合(至少三个).ANS⑴CRTL咗键,并上下拖动,模型缩放⑵ CRTL+中键,左右拖动,模型翻转⑶ CRTL用于多选.34、减速机箱体分箱面上螺栓孔镜像失败的原因可能是?ANS :⑴未选中该特征•⑵箱体并不关于镜像对称面.35、在创建齿轮渐开线时在绘图区找不到坐标系怎么办?怎么创建?ANS :可以点击“坐标显示”按钮,打开该坐标系,或在模型树中选取•创建的方法:单击“插入基准线”按钮,在弹出的“菜单管理器”中选择“从方程”,选取“圆柱坐标”,在出现的“记事本”对话框中输入公式,并保存•退出“记事本”,单击“确定”按钮即生成渐开线•36、画样条曲线时怎样才能随意修改其曲率?ANS :可将绘出的样条曲线通过“点分割”工具,分割成若单小线段,然后再对这些小段的曲率进行编辑即可•37、如何保证某点在某线上?有几种约束可用?ANS可通过约束中的点“重合”来实现点在线上,共有两种可用38、曲面拔模时为什么拔模角度出不来?怎么解决?ANS :曲面拔模时,拔模角度出不来,可能是因为拔模角度过大,或拔模方向选错•可将拔模角度减小或将方向反过来即可•39、要在工程图中显示尺寸公差怎么办?ANS :选中要标注公差的尺寸,右击选“属性”中添加上下公差,单击“确定”即可,或单击“重画”按钮•40、花键轴模型已经全部建好,发现轴端面花键的槽开得太深了,怎么修改?ANS :在模型树中选中该特征,右击选“编辑定义”,在出现的对话框中选“截面定义”,将其尺寸改小即可•创建特征步骤:1、创建结构圆ANS :创建结构圆,进入草绘器,画一规定尺寸的圆,选中该圆,单击主菜单“编辑”中的“切换构造”选项即可•2、在已经做好的轴上做矩形键ANS :⑴确定键的高度⑵在轴的合适位置处做一基准面⑶在该基准面上进行拉伸剪切出矩形键•3、在法兰端面上上打孔(直线、径向)ANS⑴单击工具栏中打孔按钮,打开“孔”对话框,在操控板上输入孔的直径,并选取“打孔深度” •⑵打开“放置”,选择好相应的放置平面,选择放置类型为“径向”⑶选取两个次参照,输入相应的角度值和长度数值,打勾确定即可•4、在轴头上做花键(花键端头开通,另一端弧形)ANS :在轴头上做花键:选择主菜单的“插入”7“扫描”7“切口”,在出现的对话框中选一平面做出扫描轨迹,打勾出来,再作出扫描截面,打勾确定即完成一个键槽的创建,用创建的键槽,“复制”“阵列”出其他键槽,即完成花键的创建•5、在指定位置做筋ANS :⑴单击工具栏中筋命令按钮,出现操纵板后,选择基准面,作出绘制筋草图的平面,视图的绘制方向可缺省⑵绘制筋的轮廓线,轮廓线要有一段开放•打勾确定,在操控板上选择方向,打勾出来即做好了筋•6、标注从侧面看而不是从顶面看的园柱体直径ANS :对某圆柱体的直径标注后,选择标注,右击“径向”即可•7、圆周方向复制阵列某特征ANS: “编辑”7“特征操作”7“复制”7选中要复制的特征,确定7输入相关数据7确定,生成一个复制特征,选中该特征7选“阵列”按钮7在出现的操纵板上选择相应的尺寸作为方向参照,输入阵列的个数T打勾确定即创建完成8、将某圆柱面或实体上某平面拔模ANS :拔模:单击“拔模”命令,在出现操控板上,在图形区选择要拔模的曲面和拔模枢轴,在“拔模角度”编辑框中输入拔模角度,并选择拔模方向,打勾确定完成9、创建某模型指定位置的某截面ANS : (1)在该指定平面创建一基准面(2)视图T视图管理器T剖面T创建一新剖面,单击中键在出现的对话框中,选“选择截面“,选择创建的基准面,确定即可10、创建所需基准面(偏离或旋转)或基准点、基准轴ANS:在工具栏中选“基准面“,“基准点”或“基准轴”命令,在出现的对话框中,选择相应的参照,并输入相应的数据,确定即可11、建立螺栓螺纹外径与六角螺栓头尺寸之间的关系ANS: “工具” T“关系” T在特征区选择相应的尺寸T在“关系”对话框中编辑各尺寸间的关系,确定即可•12、创建一个指定样式的明细表ANS: “工具” T“族表”,进入“族表”对话框,选择“插入符” T“实例行”,生成指定样式的族表T“插入” T“列” T按住“Ctrl”键在模型区选择特征,显示尺寸,在弹出的“增加工程”对话框中选“尺寸”,选择要改变的尺寸,确定即可13、创建旋钮、水槽、烟斗的主要步骤ANS:(1)旋转:新建零件T点击旋转按钮T “放置” T “定义面”打钩进入草绘T绘制草图T打钩退出草绘T 输入旋转角度T打钩确定;(2)水槽:“拉伸” T “曲面”绘制侧面,“编辑” T “填充”水槽顶面,“拉伸” T “曲面”水槽底面,“编辑” T “修剪”,“修剪对象” T “细节”按住Ctrl键选择要修建的特征(注意要按住Ctrl), “编辑” T“合并”;(3)烟斗:选画出扫描轨迹T “插入” T “扫描混合” T在出现的操控板上,打开“剖面” T “草绘界面”,T选取草绘位置,依次画出各截面,打钩出来完成对烟斗的实体创建,然后“扫描” T “切口”,完成第一个切剪,和另一个旋转切剪•14、创建一个局部放大视图ANS:先创建相应的工程图,在“绘图视图”对话框中选“可见区域”选项中的“局部视图”,然后在要放大的地方点一下,画出要放大的区域,中键结束,应用即可15、创建一个齿轮的齿或槽的主要步骤ANS:先画出四个同心圆T “工具” T “参数”,输入相应的参数T “工具” T “关系”,输入各尺寸间的代数关系确定T单击基准工具中“插入基准曲线”按钮,在出现的对话框中选“从方程”,在出现的“记事本”对话框中输入相关的公式并保存,退出,确定即生成渐开线,然后做出相应的基准轴、基准点和基准面,镜像出另一半渐开线T实体拉伸出齿轮实体和拉伸剪切出一个齿轮沟槽,然后对该沟槽进行“复制”阵列,即可完成对该齿轮的创建16、创建变螺距螺杆的主要步骤ANS:1 )绘制螺杆的杆部2)“插入” T “螺旋扫描” T “伸出项”出现菜单管理器“可变的” T“穿过轴” T “右手定则” T “完成”,设置草绘面,“正向”“缺省”进入草绘,绘制扫引轨迹草图(NOTICE :草绘中间要画一根旋转中心线),3)扫引轨迹分段按键「三,要分2x个点,打钩出来4)绘制截面,选择填料方向•完成(我按这个步骤做还没成功过).17、创建减速机下箱体油标斜孔ANS:先创建一基准面1,使其通过轴承孔中心线与水平面的夹角为45度.创建基准面2,它在1的基础上上移一段距离,在基准面2上拉伸出凸台特征.然后,在所创建的凸台上打孔即可•18、在工程图中直接建立半剖视图ANS:在绘图区插入视图后,在“绘图视图”对话框中,在“剖面”选项下的“剖切区域”中选择“一半”,并根据需要调整要剖的方向,应用、确定即可矣别 可见区眸¥JE19、 在工程图中直接建立轴的键槽剖视图ANS:先在建立键的特征时,在键槽剖面作一剖面,将该视图添加到“绘图”中的绘图区以后,在 “绘图视图”窗口下,调整其视图方向等,在“剖面”中选中创建的剖面,并应用,在“剖切区域” 选项中选“完全”,确定即可 •20、 制作一个指定符号备用(如粗糙度),如何使用?ANS:上 gooooooooooooooooooooooooooogle 百度一下,你就知道 21、 画出某筋或旋转特征的草绘截面图 ANS:22、 标注形位公差ANS:点击“注释” T 选择“几何公差”命令T 在出现的窗口中选择几何公差符号后,选择要标注的 图元•然后选择放置类型,完成、确定即可 • 23、 综合实体特征创建步骤 ANS:填充、判断与选择题:1) 更改镜像特征的尺寸可以不影响原特征的尺寸X 2) 应该为需要抽壳的每一个特征创建单独的抽壳特征X3 )创建旋转特征时,必须绘出用于旋转的中心线,即使特征中有基准轴线"4 )创建旋转特征时,用于旋转的草绘截面图形是位于中心线一侧的一半几何体,且一定要封闭 5) 创建筋特征时,草绘截面图形一定要缺一边"6) 对于弱约束,在加强它之前,它总是弱约束7) 尽量将特征分解为两个或多个特征,如在下一个特征中能创建倒圆角,就不要在草绘中创建圆角 V 8) 某拔模特征的口部有圆角,可以先倒圆角再拔模,也可以先拔模再倒圆角X 9) 创建特征时草绘平面可以选择已存在的实体表面V 10) 关系式一旦定义好就不能返回并编辑了X11) 尺寸变成强尺寸就不能修改了,也不能变为灰尺寸X12) 创建一个镜像时,可以选择两个以上的特征,也可以选择两个以上的镜像平面X 13) 工程图中,视图一旦创建就不能删除X14) 在实体上可以创建曲面特征,在曲面特征上也可以创建实体特征X15) 直齿渐开线齿轮模型建好后,都可以通过关系式下面的模数、齿数等参数的改变再生新齿轮V 16) 通过关系为参数指定值后,不能在模型中直接修改其值了X 17) 当移动投影视图时,移动的投影视图不与其父视图对齐X 18) 可以在工程图模式中编辑格式文本V19) 创建“筋”特征时,其轮廓线必须在基体实体上,挤出方向是背向零件的X 20) 绘制剖截面时,截面必须是打开的,避免使用曲线或样条曲线图元绘制截面线X样题:(10分)叙述创建轴上某键槽 B-B 的主要步骤,并说明如何在工程图中表示出其截面图(图示) 同轴度标注剖 ffiiSU 厂无刖面观匡品示:原点 对齐参考答案:1、( 5分)创建基准面 DTM ,平行于FRONT 面(正对纸面),[偏距]选项,偏距值 为键槽所在位置轴半径减去键槽深;使用 [拉伸]/[切减]工具,草绘面选 DTM ,截面草图为 键槽形状,(可以在此画出草绘图) .[拉伸]选项选[拉伸]到下一实体表面;2、( 7分)利用“视图管理器”创建截面 B-[插入]视图,选模型视图名 RIGHT ,可见区域为全视图,剖面选项中,模型边可见性为区域,剖切区域为完全,+ ”添加的剖面“名称”下应选 B-B (已命名)•另:同轴度标注(8分)进入零件创建 PRO/E 界面,打开本模型,“编辑”一“设置”一“几何公 差”一“设置基准”,用鼠标选中轴,名称改为“ A ”按一下“形位公差”,出现右界面,选同轴度符号,模型参照中“参照”选边或曲面,在绘图区 中点最左的圆柱体,“放置”选法向引线;基准参照选“ A ”;公差值一项写入 0.04;符号选项选“ $ ” “确定”(15分)创建上题图中某一个端盖对应的深 50的全部三个螺纹孔 M8X1 (为端盖螺钉孔),要用到打孔、复制、阵列命令•可以在上图中标明需要用的基准符号,注意全面简洁地叙述所有大小步骤 •在法兰上打孔呢?(15 分)1) 使用“孔”工具; 确定主参照为轴承孔端面;2) 定位方法选“直径”时,次参照 1右边小轴承孔的轴线,输入直径值;按住 CTRL键,选第二次参照为下分切面,输入角度值“ 30 ”;3) 最下面一行选项选“螺纹”、“ ISO ”,直径为 M8X1,深度值50;4) “编辑”一“特征操作”一“复制”一“移动”,选择刚建好的裂纹孔,进行旋转移 动以轴承孔的轴线为轴心• 5) 选中刚复制好的螺纹孔,按“阵列”,尺寸参照为刚复制好的孔与原特征孔之间的夹角,阵列个数2RIGHT B ,此面将键槽正交剖开,在工程图环境下,{/ o o /}( (oo) )黑体的是老师用橙色标注出来的。