电阻器的命名规则有哪些_百度文库.
- 格式:doc
- 大小:162.00 KB
- 文档页数:13
电阻电容型号命名规则
电阻和电容的型号命名规则如下:
电阻型号命名规则:
1. 由字母和数字组成,一般以字母R开头,表示电阻。
2. 第一个数字表示有效数字,第二个数字表示数量级,后面的字母表示精度和温度系数等。
3. 精度一般用F表示1%,G表示2%,H表示3%,J表示5%。
4. 温度系数一般用P表示±100ppm/℃,R表示±200ppm/℃,S表示±50ppm/℃,T表示±25ppm/℃。
例如:R100表示100欧姆电阻,1%精度;R10K表示10千欧姆电阻,5%精度;R1M表示1兆欧姆电阻,±100ppm/℃温度系数。
电容型号命名规则:
1. 由字母和数字组成,一般以字母C开头,表示电容。
2. 第一个数字表示有效数字,第二个数字表示数量级,后面的字母表示电压、精度和温度系数等。
3. 电压一般用V表示电压值,例如:C10V表示10伏电容。
4. 精度一般用F表示±1%,G表示±2%,J表示±5%。
5. 温度系数一般用N表示-750ppm/℃,P表示±100ppm/℃,R表示±200ppm/℃,S表示±50ppm/℃,T表示±25ppm/℃。
例如:C100pF表示100皮法电容,±5%精度;C10uF表示10微法电容,±10%精度;C1uF25V表示1微法电容,25伏电压。
电阻器的型号命名方法
介绍电阻器的命名方法,一个电阻器的名称,有几部分组成,各部分分别代表不同的型号及标识,本中将会详细介绍各类型电阻器的命名方法以及电阻器名称中的标识含义.
根据我国有关标准的规定,我国电阻器的型号命名方法.由以下几部分组成,即
第一部分为主称,用字母R表示
第二部分为电阻体材料,用字母表示.如下表所示。
第三部分为分类特征,用数字或字母表示,如下表所示。
第四部分为序号,用数字表示,以区别外形尺寸和性能参数。
对材料和分类特征相同,仅尺寸、性能指标有差异,但基本上不影响互换的产品,标同一序号:对材料、分类特征相同,仅尺寸、性能指标影响产品互换的产品,仍可标同一序号,但必须在序号后加一字母作为区别代号。
电阻型号举例:RJ71型精密金属膜电阻器。
固定电阻器的命名方法国产电阻型号规格通用表示法:本文包括电阻型号,电阻额定功率,标称阻值,电阻误差等级一.电阻名称型号代号名称RC 沉积膜电阻RCG 平板型低阻值线绕电阻RGCW 平板型低阻值线绕电阻RGG 直立绝缘线绕电阻RH 合成膜电阻RI 玻璃釉膜电阻、玻璃釉RJ 金属膜电阻RJX 小型金属膜电阻RN 无机实芯电阻RO 玻璃膜电阻RS 有机实芯电阻RT 碳膜电阻RTL 测量用碳膜电阻RTL-X 小型测量用碳膜电阻RTX 小型碳膜电阻RX 线绕电阻RX21 被釉线绕固定电阻RX25 被釉线绕固定电阻RX27 陶瓷绝缘线绕电阻RX71 精密型线绕电阻RXG5 线绕固定电阻RXG6 线绕固定电阻RXG7 线绕固定电阻RY 氧化膜电阻后缀C 防潮电阻后缀G 高功率电阻后缀J 精密电阻后缀L 测量用高精度电阻后缀Q 酚醛涂料后缀T 可调电阻后缀X 小型电阻后缀Y 被釉电阻二.电阻阻值误差分档误差等级ⅠⅡⅢ精密测量电阻允许误差±5% ±10% ±20% ±0.5%±1% ±2% ±3%国外电阻型号规格通用表示法:名称 形状 特性 额定功率 电阻值 允许误差 备用代号第一部分第二部分第三部分第四部分第五部分第六部分第七部分一.电阻名称代号代号名称RD 碳膜电阻RK 金属化电阻VRD 碳膜电阻(夏普)RC 碳质电阻RN 金属膜电阻FP 碳膜电阻(三洋)RP 碳膜电阻(三洋)RS 金属化膜电阻RB 精密线绕电阻QRD 碳膜电阻(JVC)RW 线绕电阻ERD 碳膜电阻(松下)DIN 碳膜电阻(德国)二.电阻形状与代号代号形 状代号形 状05 圆柱形,非金属套,引出线与轴平行。
08 圆柱形,无包装,引出线与轴平行。
13 圆柱形,无包装,引出线同向与轴垂直。
14 圆柱形,非金属外装,引出线与轴平行。
16 圆柱形,非金属外装,引出线同向与轴垂直21 圆柱形,非金属套,扁引出线与轴平行。
电阻型号命名方法分类及主要特性参数等类别:电子综合阅读:3255导电体对电流的阻碍作用称着电阻,用符号R表示,单位为欧姆、千欧、兆欧,分别用Ω、KΩ、MΩ表示。
一、电阻的型号命名方法:国产电阻器的型号由四部分组成(不适用敏感电阻)第一部分:主称,用字母表示,表示产品的名字。
如R表示电阻,W表示电位器。
第二部分:材料,用字母表示,表示电阻体用什么材料组成,T-碳膜、H-合成碳膜、S-有机实心、N-无机实心、J-金属膜、Y-氮化膜、C-沉积膜、I-玻璃釉膜、X-线绕。
第三部分:分类,一般用数字表示,个别类型用字母表示,表示产品属于什么类型。
1-普通、2-普通、3-超高频、4-高阻、5-高温、6-精密、7-精密、8-高压、9-特殊、G-高功率、T-可调。
第四部分:序号,用数字表示,表示同类产品中不同品种,以区分产品的外型尺寸和性能指标等例如:R T 1 1 型普通碳膜电阻a1}二、电阻器的分类1、线绕电阻器:通用线绕电阻器、精密线绕电阻器、大功率线绕电阻器、高频线绕电阻器。
2、薄膜电阻器:碳膜电阻器、合成碳膜电阻器、金属膜电阻器、金属氧化膜电阻器、化学沉积膜电阻器、玻璃釉膜电阻器、金属氮化膜电阻器。
3、实心电阻器:无机合成实心碳质电阻器、有机合成实心碳质电阻器。
4、敏感电阻器:压敏电阻器、热敏电阻器、光敏电阻器、力敏电阻器、气敏电阻器、湿敏电阻器。
三、主要特性参数1、标称阻值:电阻器上面所标示的阻值。
2、允许误差:标称阻值与实际阻值的差值跟标称阻值之比的百分数称阻值偏差,它表示电阻器的精度。
允许误差与精度等级对应关系如下:±0.5%-0.05、±1%-0.1(或00)、±2%-0.2(或0)、±5%-Ⅰ级、±10%-Ⅱ级、±20%-Ⅲ级3、额定功率:在正常的大气压力90-106.6KPa及环境温度为-55℃~+70℃的条件下,电阻器长期工作所允许耗散的最大功率。
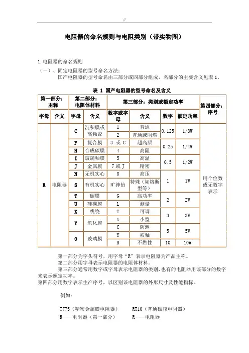
电阻器的命名规则与电阻类别(带实物图)1.电阻器的命名规则(一)、固定电阻器的型号命名方法:国产电阻器的型号命名由三部分或四部分组成,名部分的主要含义见表1。
表 1 国产电阻器的型号命名及含义第一部分为字头符号,用字母“R”表示电阻器为产品主称。
第二部分用字母表示电阻器的电阻体材料。
第三部分通常用数字或字母表示电阻器的类别,也有的电阻器用该部分的数字来表示额定功率。
第四部分用数字表示生产序号,以区别该电阻器的外形尺寸及性能指标。
例如:TJ75(精密金属膜电阻器)RT10(普通碳膜电阻器)R——电阻器(第一部分)R——电阻器J——金属膜(第二部分)T——碳膜7——精密(第三部分)1——普通型5——序号(第四部分)0——序号RX28(阻燃型线绕电阻器) RJ 90-B 0.5 (0.5W不然性金属膜熔断电阻器)R——电阻器RJ——金属膜电阻器X——线绕9——熔断型2——阻燃型0-B 0.5——不燃性、额定功率为0.5W8——序号电阻类别(带实物图)一、基础知识电阻器是电路元件中应用最广泛的一种,在电子设备中约占元件总数的30%以上,其质量的好坏对电路工作的稳定性有极大影响。
它的主要用途是稳定和调节电路中的电流和电压,其次还作为分流器分压器和负载使用。
1.分类在电子电路中常用的电阻器有固定式电阻器和电位器,按制作材料和工艺不同,固定式电阻器可分为:膜式电阻(碳膜RT、金属膜RJ、合成膜RH和氧化膜RY)、实芯电阻(有机RS和无机RN)、金属线绕电阻(RX)、特殊电阻(MG型光敏电阻、MF型热敏电阻)四种。
表1 几种常用电阻的结构和特点金属膜电阻在真空中加热合金,合金蒸发,使瓷棒表面形成一层导电金属膜。
刻槽和改变金属膜厚度可以控制阻值。
这种电阻和碳膜电阻相比,体积小、噪声低、稳定性好,但成本较高。
碳质电阻把碳黑、树脂、粘土等混合物压制后经过热处理制成。
在电阻上用色环表示它的阻值。
这种电阻成本低,阻值范围宽,但性能差,很小采用。
电阻的命名方法
电阻的命名方法通常根据其阻值、功率和精度进行命名。
以下是一些常见的电阻命名方法:
1. 阻值命名方法:电阻的阻值以欧姆为单位进行命名。
常见的阻值命名方法有:
- 带有阻值编号的系统:例如E6、E12、E24等系统,表示电阻阻值范围的分类,比如E6系统表示电阻阻值范围在±20%以内。
例如,220欧姆电阻可表示为220R。
- 带有阻值单位的标准系列:例如1欧姆、10欧姆、100欧姆等。
2. 功率命名方法:电阻的功率以瓦特为单位进行命名。
通常使用字母"W"表示瓦特。
例如,1/4瓦特的电阻命名为1/4W。
3. 精度命名方法:电阻的精度表示电阻的阻值与标称阻值之间的允许差异。
通常使用百分比表示精度。
常见的精度命名方法有±1%、±5%等。
因此,一个完整的电阻命名通常包括阻值、功率和精度三个要素,例如1K欧姆、1/4W、±5%的电阻。
电阻器、电位器的命名
电阻器和电位器是电路中常用的两种元件,它们的命名规则如下:
1. 电阻器的命名
(1) 以字母R开头,后面加上一串数字,表示电阻值,单位是欧姆(Ω)。
例如,R100表示电阻值为100Ω的电阻器。
(2) 如果电阻值太小,可以用小数点表示。
例如,R0.1表示电阻值为0.1Ω的电阻器。
(3) 如果电阻值太大,可以用K(千欧姆)或M(兆欧姆)表示。
例如,R10K表示电阻值为10千欧姆的电阻器,R1M表示电阻值为1兆欧姆的电阻器。
2. 电位器的命名
(1) 以字母VR开头,后面加上一串数字,表示电位器的阻值,单位是欧姆(Ω)。
例如,VR10K表示阻值为10千欧姆的电位器。
(2) 如果需要表示电位器的转角度数,可以在数字后面加上°符号。
例如,VR10K 270°表示阻值为10千欧姆,转角度数为270度的电位器。
总之,电阻器和电位器的命名规则都是以字母开头,后面加上数字表示元件的电性能参数。
在实际使用中,根据不同的需要选择合适的电阻器和电位器,可以极大地方便电路设计和调试。
- 1 -。
附录Ⅰ 电阻器1.1 电阻器的分类及型号命名方法电阻器是具有一定电阻值的电子元件,也叫电阻。
它是组成电子电路不可缺少的元件, 在电子设备中应用最为广泛,约占电子元件总数的三分之一。
1.电阻器的分类电阻器的种类很多,随着电子技术的发展,新型电阻器会日益增多。
电阻器分为固定 电阻器和可变电阻器两大类。
固定电阻器按电阻体材料及用途又可分成多个种类: 按电阻体材料来分,电阻器可以分为线绕型和非线绕型两大类。
非线绕型的电阻又分 为薄膜型和合成型两类。
按电阻器的用途来分,电阻器分为通用电阻器、精密电阻器、高阻电阻器、功率型电 阻、高压电阻器和高频电阻器等。
按电阻器的结构来分,又可以分为圆柱形电阻器、管形电阻器、圆盘形电阻器以及平 面形电阻器等。
按引出线形式的不同,电阻器又可分为轴向引线型、径向引线型、同向引线型及无引 线型等。
按保护方式的不同,电阻器又可分为无保护、涂漆、塑压、密封和真空密封等类型。
2.电阻器的型号命名方法根据我国有关标准的规定,我国电阻器的型号命名方法如下:第一部分为主称,用字母 R 表示。
第二部分为电阻体材料,用字母表示,如附录表11所示。
附录表11 电阻器体材料部分的符号和意义符号 含义H 合成碳膜I 玻璃铀膜J 金属膜N 无机实芯G 沉积膜S 有机实芯T 碳膜X 线绕Y 氧化膜F 复合膜第三部分为分类特征,用数字或字母表示,如附录表12 所示。
附录表12 电阻器分类特征部分的符号和意义符号 意义1 普通2 普通3 超高频4 高阻5 高温6 高湿7 精密8 高压9 特殊G 高功率I 被漆J 精密T 可调X 小型第四部分为序号,用数字表示,以区别外型尺寸和性能参数。
电阻型号举例:RJ73 型精密金属膜电阻器1.2 电阻器的单位及换算1KΩ=1×10 3 Ω1MΩ=1×10 3 KΩ1GΩ=1×10 3 MΩ=1×10 6 KΩ=1×10 9 Ω1TΩ=1×10 3 GΩ=1×10 9 KΩ=1×10 12 Ω1.3 电阻器的标称阻值为了便于生产和使用, 国家统一规定了一系列阻值作为电阻器 (电位器) 阻值的标准值, 这一系列阻值叫做电阻的标称阻值,简称标称值。
电阻型号命名方法分类及主要特性参数导电体对电流的阻碍作用称着电阻,用符号R表示,单位为欧姆、千欧、兆欧,分别用Ω、KΩ、MΩ表示。
一、电阻的型号命名方法:国产电阻器的型号由四部分组成(不适用敏感电阻)第一部分:主称,用字母表示,表示产品的名字。
如R表示电阻,W表示电位器。
第二部分:材料,用字母表示,表示电阻体用什么材料组成,T-碳膜、H-合成碳膜、S-有机实心、N-无机实心、J-金属膜、Y-氮化膜、C-沉积膜、I-玻璃釉膜、X-线绕。
第三部分:分类,一般用数字表示,个别类型用字母表示,表示产品属于什么类型。
1-普通、2-普通、3-超高频、4-高阻、5-高温、6-精密、7-精密、8-高压、9-特殊、G-高功率、T-可调。
第四部分:序号,用数字表示,表示同类产品中不同品种,以区分产品的外型尺寸和性能指标等例如:R T 1 1 型普通碳膜电阻a1}二、电阻器的分类1、线绕电阻器:通用线绕电阻器、精密线绕电阻器、大功率线绕电阻器、高频线绕电阻器。
2、薄膜电阻器:碳膜电阻器、合成碳膜电阻器、金属膜电阻器、金属氧化膜电阻器、化学沉积膜电阻器、玻璃釉膜电阻器、金属氮化膜电阻器。
3、实心电阻器:无机合成实心碳质电阻器、有机合成实心碳质电阻器。
4、敏感电阻器:压敏电阻器、热敏电阻器、光敏电阻器、力敏电阻器、气敏电阻器、湿敏电阻器。
三、主要特性参数1、标称阻值:电阻器上面所标示的阻值。
2、允许误差:标称阻值与实际阻值的差值跟标称阻值之比的百分数称阻值偏差,它表示电阻器的精度。
允许误差与精度等级对应关系如下:±0.5%-0.05、±1%-0.1(或00)、±2%-0.2(或0)、±5%-Ⅰ级、±10%-Ⅱ级、±20%-Ⅲ级3、额定功率:在正常的大气压力90-106.6KPa及环境温度为-55℃~+70℃的条件下,电阻器长期工作所允许耗散的最大功率。
线绕电阻器额定功率系列为(W):1/20、1/8、1/4、1/2、1、2、4、8、10、16、25、40、50、75、100、150、250、500非线绕电阻器额定功率系列为(W):1/20、1/8、1/4、1/2、1、2、5、10、25、50、1004、额定电压:由阻值和额定功率换算出的电压。
电阻器的命名规则与电阻类别(带实物图)1.电阻器的命名规则(一)、固定电阻器的型号命名方法:国产电阻器的型号命名由三部分或四部分组成,名部分的主要含义见表1。
表 1 国产电阻器的型号命名及含义第一部分为字头符号,用字母“R”表示电阻器为产品主称。
第二部分用字母表示电阻器的电阻体材料。
第三部分通常用数字或字母表示电阻器的类别,也有的电阻器用该部分的数字来表示额定功率。
第四部分用数字表示生产序号,以区别该电阻器的外形尺寸及性能指标。
例如:TJ75(精密金属膜电阻器)RT10(普通碳膜电阻器)R——电阻器(第一部分)R——电阻器J——金属膜(第二部分)T——碳膜7——精密(第三部分)1——普通型5——序号(第四部分)0——序号RX28(阻燃型线绕电阻器)RJ 90-B (不然性金属膜熔断电阻器)R——电阻器RJ——金属膜电阻器X——线绕9——熔断型2——阻燃型0-B ——不燃性、额定功率为8——序号电阻类别(带实物图)一、基础知识电阻器是电路元件中应用最广泛的一种,在电子设备中约占元件总数的30%以上,其质量的好坏对电路工作的稳定性有极大影响。
它的主要用途是稳定和调节电路中的电流和电压,其次还作为分流器分压器和负载使用。
1.分类在电子电路中常用的电阻器有固定式电阻器和电位器,按制作材料和工艺不同,固定式电阻器可分为:膜式电阻(碳膜RT、金属膜RJ、合成膜RH和氧化膜RY)、实芯电阻(有机RS和无机RN)、金属线绕电阻(RX)、特殊电阻(MG型光敏电阻、MF型热敏电阻)四种。
表1 几种常用电阻的结构和特点位器2.主要性能指标额定功率:在规定的环境温度和湿度下,假定周围空气不流通,在长期连续负载而不损坏或基本不改变性能的情况下,电阻器上允许消耗的最大功率。
为保证安全使用,一般选其额定功率比它在电路中消耗的功率高1-2倍。
额定功率分19个等级,常用的有、、 W、 W、1 W、2 W、3 W、5 W、7 W、10 W,在电路图中非线绕电阻器额定功率的符号表示如下图:电阻器阻值标示方法1、直标法:用数字和单位符号在电阻器表面标出阻值,其允许误差直接用百分数表示,若电阻上未注偏差,则均为±20%。
厚声电阻命名规则
厚声电阻是一种电子元件,通常用来控制电路中的电阻值。
它的命名规则一般遵循以下几个方面:
1. 电阻值:厚声电阻的电阻值通常在产品标识上以数字和单位的形式表示,例如10Ω、100KΩ等。
其中,Ω代表欧姆,K
代表千欧姆,M代表兆欧姆。
2. 精度:厚声电阻的精度一般以一个百分比表示,例如5%、1%等。
这个百分比代表了电阻值与标称值之间的允许误差范围。
精度越高,则电阻值与标称值的误差越小。
3. 功率:厚声电阻能够承受的功率通常以瓦特(W)为单位表示,例如1/4W、1/2W等。
这个功率值代表了电阻能够承受的最大功率,超过这个功率值可能会损坏电阻。
4. 封装类型:厚声电阻的封装类型通常通过字母和数字的组合表示,例如0805、1206等。
这个组合代表了电阻的物理尺寸和形状,不同的封装类型适用于不同的场景。
总的来说,厚声电阻的命名规则主要包括电阻值、精度、功率和封装类型。
通过这些规则,可以方便地识别和选择合适的电阻元件。
rmk电阻命名规则
摘要:
1.电阻的定义与作用
2.电阻的命名规则介绍
2.1 材料分类
2.2 尺寸分类
2.3 精度分类
2.4 功率额定值分类
3.不同类型电阻的命名举例
4.总结与相关资源
正文:
电阻是一种电子元件,主要用于限制电流流动,调节电路中的电压和电流。
电阻的命名规则主要包括材料、尺寸、精度和功率额定值等方面。
1.材料分类
电阻材料主要有几种,如碳膜、金属膜、氧化膜、合金等。
每种材料的电阻都有其独特的性能,因此,在命名时,会根据材料的不同来进行区分。
2.尺寸分类
电阻的大小也会影响其性能。
通常,电阻的尺寸有0402、0603、0805等几种。
命名时,会根据电阻的尺寸来表示。
3.精度分类
电阻的精度是指电阻值在额定值范围内的偏差。
根据精度等级,电阻可以
分为J、K、M等几个等级。
在命名时,会根据电阻的精度等级来表示。
4.功率额定值分类
电阻的功率额定值是指电阻在额定电压和额定电流下能够承受的最大功率。
根据功率额定值,电阻可以分为1/16W、1/10W、1/8W等几种。
在命名时,会根据电阻的功率额定值来表示。
不同类型的电阻在命名时,会根据上述几个方面进行组合。
例如,一个碳膜电阻,尺寸为0603,精度等级为J,功率额定值为1/16W,其命名可能为“碳膜0603J1/16”。
总之,电阻的命名规则较为复杂,需要考虑多个因素。
了解这些规则,可以帮助我们在选择和使用电阻时,更加准确地理解和描述电阻的性能。
电阻器的命名方法嘿,朋友们!今天咱就来聊聊电阻器的命名方法。
这电阻器啊,就像是电路世界里的小精灵,虽然个头不大,作用可不小哩!你看啊,电阻器的命名就像是给这些小精灵起名字一样。
每个名字都包含着重要的信息呢!比如说,有的名字里会告诉你它的阻值大小,这就好比是给小精灵标上了它的独特记号。
咱就拿常见的色环电阻器来说吧,那一道道的色环,可不就是它的名字标签嘛!不同的颜色代表着不同的数字,通过这些颜色的组合,咱就能知道这个电阻器的阻值到底是多少啦。
这就好像是通过不同的颜色密码来解读小精灵的秘密一样,有趣吧!还有啊,有些电阻器的命名里还会包含它的精度呀、功率呀这些信息。
这就像是给小精灵加上了更多的描述,让我们更清楚它的特点和能力。
比如说,一个高功率的电阻器,那肯定在一些需要大力气的电路场合里能大显身手呀!想象一下,要是没有这些明确的命名方法,那我们在面对一堆电阻器的时候,不就像无头苍蝇一样乱撞啦?根本不知道该选哪个小精灵来帮忙呀!所以说,这命名方法可太重要啦!咱再说说这命名里的一些小细节。
有时候一个小小的字母或者符号,都可能有着特别的含义呢!就像是一个小暗号,只有懂行的人才能明白。
这是不是很神奇呀?而且呀,不同类型的电阻器可能会有不同的命名方式哦。
就好像不同家族的小精灵有着各自独特的取名风格一样。
我们得了解这些风格,才能更好地和它们打交道呀。
总之呢,电阻器的命名方法就是我们走进电路世界的一把钥匙。
通过这把钥匙,我们能更好地了解和运用这些小小的电子元件。
它们虽然看似不起眼,但在电路的大舞台上可是不可或缺的角色呢!所以呀,可得好好记住这些命名方法,和这些小精灵成为好朋友哟!。
电阻器的命名规则有哪些?(一)、固定电阻器的型号命名方法:国产电阻器的型号命名由三部分或四部分组成,名部分的主要含义见表1。
表 1 国产电阻器的型号命名及含义第一部分:主称第二部分:电阻体材料第三部分:类别或额定功率第四部分:序号字母含义字母含义数字或字母含义数字额定功率R电阻器C 沉积膜或高频瓷1 普通0.125 1/8W用个位数或无数字表示2 普通或阻燃F复合膜 3 或 C 超高频0.25 1/4WH合成碳膜 4 高阻I玻璃釉膜 5 高温0.5 1/2W J金属膜7或J 精密N无机实心8 高压 1 1WS有机实心旷神怡特殊(如熔断型等)T碳膜G 高功率 2 2WU硅碳膜L 测量X线绕T 可调 3 3WY氧化膜X 小型C 防潮 5 5WO玻璃膜Y 被釉B 不燃性10 10W第一部分为字头符号,用字母“R”表示电阻器为产品主称。
第二部分用字母表示电阻器的电阻体材料。
第三部分通常用数字或字母表示电阻器的类别,也有的电阻器用该部分的数字来表示额定功率。
第四部分用数字表示生产序号,以区别该电阻器的外形尺寸及性能指标。
例如:TJ75(精密金属膜电阻器)RT10(普通碳膜电阻器)R——电阻器(第一部分)R——电阻器J——金属膜(第二部分)T——碳膜7——精密(第三部分)1——普通型5——序号(第四部分)0——序号RX28(阻燃型线绕电阻器)RJ 90-B 0.5 (0.5W不然性金属膜熔断电阻器)R——电阻器RJ——金属膜电阻器X——线绕9——熔断型2——阻燃型0-B 0.5——不燃性、额定功率为0.5W8——序号(二)压敏电阻器的型号命名方法SJ1152-82部颁标准中压敏电阻器的型号命名分为四部分,各部分的含义见表2。
表 2 压敏电阻器的型号命名及含义第一部分:主称第二部分:类别第三部分:用途或特征第四部分:序号字母含义字母含义字母含义M敏感电阻器Y压敏电阻器无普通型用数字表示序号,有的在序号的后面还标有标称电压通流容量或电阻体直径、标称电压、电压误差等。
tdk热敏电阻命名规则
TDK热敏电阻的命名规则通常采用了以下的方式:
1. 第一个字母 "NTC":代表 Negative Temperature Coefficient (负温度系数),即温度升高时阻值下降的特性。
2. 第二个字母 "R":代表 Resistor(电阻)。
3. 第三个字母 "C":代表 Ceramic(陶瓷材料)。
4. 接下来的数字:代表热敏电阻的尺寸或者电阻特性。
5. 最后的字母:代表产品系列或者其他特殊要求。
例如,常见的TDK热敏电阻型号为 "NTC-R",代表陶瓷材料的负温度系数电阻。
具体的型号可以根据具体的规格来命名,例如 "NTC-RG203" 表示直径为2mm的热敏电阻。
需要注意的是,不同的厂家可能采用不同的命名规则,以上仅是一种常见的命名方式。
电阻器的命名规则有哪些?
(一)、固定电阻器的型号命名方法:
国产电阻器的型号命名由三部分或四部分组成,名部分的主要含义见表1。
表 1 国产电阻器的型号命名及含义
第
一部
分
:主称第二部分:
电阻体材料
第三部分:类别
或额定功率
第四部分:
序号
字母含义字母含义数字或字
母
含义数字额定功率
R电阻器C 沉积膜或高
频瓷
1 普通0.125 1/8W
用个位数
或无数字
表示
2 普通或阻燃
F复合膜 3 或 C 超高频0.25 1/4W
H合成碳膜 4 高阻
I玻璃釉膜 5 高温0.5 1/2W J金属膜7或J 精密
N无机实心8 高压 1 1W
S有机实心旷神怡特殊(如熔断型等)
T碳膜G 高功率 2 2W
U硅碳膜L 测量
X线绕T 可调 3 3W
Y氧化膜X 小型
C 防潮 5 5W
O玻璃膜Y 被釉
B 不燃性10 10W
第一部分为字头符号,用字母“R”表示电阻器为产品主称。
第二部分用字母表示电阻器的电阻体材料。
第三部分通常用数字或字母表示电阻器的类别,也有的电阻器用该部分的数字来表示额定功
率。
第四部分用数字表示生产序号,以区别该电阻器的外形尺寸及性能指标。
例如:
TJ75(精密金属膜电阻器)RT10(普通碳膜电阻器)
R——电阻器(第一部分)R——电阻器
J——金属膜(第二部分)T——碳膜
7——精密(第三部分)1——普通型
5——序号(第四部分)0——序号
RX28(阻燃型线绕电阻器)RJ 90-B 0.5 (0.5W不然性金属膜熔断电阻器)
R——电阻器RJ——金属膜电阻器
X——线绕9——熔断型
2——阻燃型0-B 0.5——不燃性、额定功率为0.5W
8——序号
(二)压敏电阻器的型号命名方法
SJ1152-82部颁标准中压敏电阻器的型号命名分为四部分,各部分的含义见表2。
表 2 压敏电阻器的型号命名及含义
第一部分:主称第二部分:类别
第三部分:用
途或特征
第四部分:序
号
字母含义字母含义字母含义
M
敏感
电阻器Y
压敏
电阻器
无普通型
用数字表示序
号,有的在序号
的后面还标有标
称电压通流容量
或电阻体直径、
标称电压、电压
误差等。
D通用
B补偿用C消磁用E消噪用G过压保护用H灭弧用K高可靠用L防雷用M 防静电用N 高能型
P高频用
S元器件保护用
T特殊型
W 稳压用
Y环型
Z组合型
第一部分用字母“M” 表示主称为敏感电阻器。
第二部分用字母“Y” 表示敏感电阻器为压敏电阻器。
第三部分用字母表示压敏电阻器的用途的特征。
第四部分用数字表示序号,有的在序号的后面还标有标称电压、通流容量或电阻体直径、电
压误差、标称电压等。
例如:
MYL1-1(防雷用压敏电阻器)MY31-270/3(270V/3kA普通压敏电阻器)
M——敏感电阻器M——敏感电阻器
Y——压敏电阻器Y——压敏电阻器
L——防雷用31——序号
1-1——序号270——标称电压为270V
3——通流容量为3kA
(三)热敏电阻器的型号命名方法:
新标准(SJ1155-82部颁标准)中热敏电阻器的型号命名分为四部分,各部分的含义见表
3。
第一部分为字母符号,用字母“M”表示主称为敏感电阻器。
第二部分用字母表示敏感电阻器的类别,“Z”表示正温度系数热敏电阻器,“F”表示负温度系数热敏电阻器。
第三部分用数字0-9表示热敏电阻器的用途或特征。
第四部分用数字或字母、数字混合表示序号。
表 3 新标准中热敏电阻器的型号命名及含义
第一部分:主称第二部分:类别
第三部分:用
途或特征
第四部分:序号
字母含义字母含义数字含义
M
敏感
电阻器Z
正温度系数敏电
阻器
1 普通型
用数字或字母与
数字混合表示序
号,代表着某种
规格、性能
5 测温用
6 温度控制用
7 消磁用9 恒温型
F 负温度系数热敏
电阻器
0 特殊型
1 普通型
2 稳压用
3 微波测量用
4 旁热式
5 测温用
6 控制温度用
8 线性型
例如:
MZ73A-1(消磁用正温度系数热敏电阻器)MF53-1(测温用负温度系数热敏电阻器)
M——敏感电阻器M——敏感电阻器
Z——正温度系数热敏电阻器F——负温度系数热敏电阻器7——消磁用5——测温用
3A-1——序号3-1——序号
(四)旧标准中热敏电阻器的型号命名方法
旧标准中国产热敏电阻器的型号命名由四部分组成,各部分的含义见表4。
第一部分是字头符号,用字母“R”表示主称为电阻器。
第二部分用字母“R”表示热敏。
第三部分用字母表示热敏电阻器的用途或特征。
第四部分用数字表示序号。
表 4 旧标准中热敏电阻器的型号命名及含义
第一部分:主
称第二部分:类
别
第三部分:用
途或特征
第四部分:序
号
字母含义字母含义字母含义用数字表示序号,代表着某种规格、性能
R电阻器R热敏B温度补偿用
C 温度测量与控
制用
F负温度系数
G功率测量用
P旁热式
W 稳压用
Z正温度系数
例如:
RRC5(温度测量与控制用热敏电阻器)RRW2(稳压用热敏电阻器)R——电阻器R——电阻器
R——热敏R——热敏
C——温度测量与控制W——稳压
5——序号2——序号
(五)光敏电阻器的型号命名方法
光敏电阻器的型号命名分为三个部分,各部分的含义见表5。
第一部分用字母表示主称。
第二部分用数字表示用途或特征。
第三部分用数字表示产品序号。
表 5 光敏电阻器的型号命名及含义
第一部分:主
称第二部分:用途或
特征
第三部分:序
号
字母含义数字含义
MG 光敏电阻器0 特殊用数字表示序号,以区别该电阻器的外形尺寸及性能指标
1 紫外光
2 紫外光
3 紫外光
4 可见光
5 可见光
6 可见光
7 红外光
8 红外光
9 红外光
例如:
MG45-14(可见光敏电阻器)
M——敏感电阻器
G——光敏电阻器
4——可见光
5-14——序号
(六)湿敏电阻器的型号命名方法
湿敏电阻器的型号命名可分为三个部分,各部分的含义见表6。
第一部分用字母表示主称。
第二部分用字母表示用途或特征。
第三部分用数字表示序号。
表 6 湿敏电阻器的型号命名及含义
第一部分:主
称第二部分:用途或特
征
第三部分:序号
MS 湿敏电阻器字母含义用数字或数字与字母混合表示序号,以区别电阻器的外形尺寸及性能参数
无通用型
K 控制温度用
C 测量湿度用
例如:
MS01-A(通用型号湿敏电阻器)
M——敏感电阻器
S——湿敏电阻器
01-A——序号
(七)气敏电阻器的型号命名方法
气敏电阻器的型号命名由三部分组成,各部分的含义见表7。
第一部分用字母表示主称。
第二部分用字母表示用途或特征。
第三部分用数字表示产品序品。
表 7 气敏电阻器的电阻的型号命名及含义
第一部分:主
称第二部分:用途或特
征
第三部分:序号
字母含义字母含义用数字表示序号MQ 气敏电阻器J 酒精检测用
K 可燃气体检测用
Y 烟雾检测用
N N型气敏元件
P P型气敏元件
上一篇:电压基准源的选择
下一篇:关于稳压器的常见问题。