拨叉专用夹具设计说明书
- 格式:doc
- 大小:72.01 KB
- 文档页数:15
毕业设计说明书论文(图纸) QQ 36396305序言机械制造工艺学课程设计是我们学完大学全部基础课,技术基础课以及大部分专业课之后进行的,机械制造工艺与机床夹具课程教学的一个不可缺少的辅助环节。
它是我们全面地综合运用本课程及其有关先修课程的理论和实践知识进行加工工艺及夹具结构设计的一次重要实践,对于培养我们编制机械加工工艺规程和机床夹具设计的能力,为以后搞好毕业设计和去工厂从事工艺与夹具设计具有十分重要的意义。
本次课程设计培养了我们综合运用机械制造工艺学及相关专业课程的理论知识,结合金工实习、生产实习中学到的实践知识,独立地分析和解决机械加工工艺问题,初步具备设计一个中等复杂程度零件的工艺规程的能力。
让我们初步具备设计保证加工质量的高效、省力、经济合理的专用夹具的能力。
掌握从事工艺设计的方法和步骤,为学生今后进行毕业设计和去工厂从事工艺与夹具设计打下良好的基础。
由于能力有限,设计有许多不足之处,恳求各位老师给予指教。
一 零件的分析(一) 零件的作用众所周知,现在的机床有许多半自动控制的,这类机床能实现有级调速,靠的是拨叉拨动从动装置而实现。
本工艺学课程就是针对CA6140车床的拨叉而设计的,此零件的结构如图所示。
它安装在机床齿条的末端,调速时扇形齿由人工拨动,使齿条左右移动,此时拨叉拨动从动装置末端的轴套也作左右移动,从而使得转换齿轮的啮合,达到调速的目的。
零件有花键,可以保证零件使用时不发生转动。
零件工作时所受的载荷主要是两槽在花键孔方向上的载荷。
(二) 零件的工艺分析CA6140的拨叉共有两组加工表面,现分述如下:1. 以右端面为基准的加工表面这组加工表面包括:mm 012.0018+宽槽内外表面至该基准面的距离,槽mm03.008+内表面至基准面的距离。
2. 以mm 25φ花键孔为中心的加工表面这组加工表面包括:mm 28.0022+φ孔,mm 023.0025+φ六齿方齿花键孔,以及2×15°倒角。
序言机械制造工艺学课程设计是我们学完大学全部基础课,技术基础课以及大部分专业课之后进行的,机械制造工艺与机床夹具课程教学的一个不可缺少的辅助环节。
它是我们全面地综合运用本课程及其有关先修课程的理论和实践知识进行加工工艺及夹具结构设计的一次重要实践,对于培养我们编制机械加工工艺规程和机床夹具设计的能力,为以后搞好毕业设计和去工厂从事工艺与夹具设计具有十分重要的意义。
本次课程设计培养了我们综合运用机械制造工艺学及相关专业课程的理论知识,结合金工实习、生产实习中学到的实践知识,独立地分析和解决机械加工工艺问题,初步具备设计一个中等复杂程度零件的工艺规程的能力。
让我们初步具备设计保证加工质量的高效、省力、经济合理的专用夹具的能力。
掌握从事工艺设计的方法和步骤,为学生今后进行毕业设计和去工厂从事工艺与夹具设计打下良好的基础。
由于能力有限,设计有许多不足之处,恳求各位老师给予指教。
一 零件的分析(一) 零件的作用众所周知,现在的机床有许多半自动控制的,这类机床能实现有级调速,靠的是拨叉拨动从动装置而实现。
本工艺学课程就是针对CA6140车床的拨叉而设计的,此零件的结构如图所示。
它安装在机床齿条的末端,调速时扇形齿由人工拨动,使齿条左右移动,此时拨叉拨动从动装置末端的轴套也作左右移动,从而使得转换齿轮的啮合,达到调速的目的。
零件有花键,可以保证零件使用时不发生转动。
零件工作时所受的载荷主要是两槽在花键孔方向上的载荷。
(二) 零件的工艺分析CA6140的拨叉共有两组加工表面,现分述如下:1. 以右端面为基准的加工表面这组加工表面包括:mm 012.0018+宽槽内外表面至该基准面的距离,槽mm03.008+内表面至基准面的距离。
2. 以mm 25φ花键孔为中心的加工表面这组加工表面包括:mm 28.0022+φ孔,mm 023.0025+φ六齿方齿花键孔,以及2×15°倒角。
mm 012.0018+和mm 03.008+槽上下表面。
一、零件的分析(一) 零件的作用题目所给的零件是CA6140车床的拨叉。
它位于车床变速机构中,主要起换档,使主轴回转运动,按照工作者的要求工作,获得所需的速度和扭矩的作用。
零件上方的φ22孔与操纵机构相连,下方的φ55半孔则是用于与所控制齿轮所在的轴接触。
通过上方的力拨动下方的齿轮变速。
两件零件铸为一体,加工时分开。
(二) 零件的工艺分析零件的材料为HT200,灰铸铁生产工艺简单,铸造性能优良,但塑性较差、脆性高,不适合磨削,为此以下是拨叉需要加工的表面以及加工表面之间的位置要求:1. 小头孔0.021022+-Φ以及与此孔相通的8Φ的锥孔、8M 螺纹孔 2. 大头半圆孔55Φ3. 拨叉底面、小头孔端面、大头半圆孔端面,大头半圆孔两端面与小头孔中心线的垂直度误差为0.07mm ,小头孔上端面与其中心线的垂直度误差为0.05mm 。
由上面分析可知,可以粗加工拨叉底面,然后以此作为粗基准采用专用夹具进行加工,并且保证位置精度要求。
再根据各加工方法的经济精度及机床所能达到的位置精度,并且此拨叉零件没有复杂的加工曲面,所以根据上述技术要求采用常规的加工工艺均可保证。
二 确定生产类型已知此拨叉零件的生产纲领为Q=5000件/年,零件的质量m=1.0件/台, 结合生产实际,备品率a%和废品率b%分别取3%和0.5%.代入公式(1-1)得N=5000件/年⨯1件/台⨯(1+3%)⨯(1+0.5%)=5152.5件/年拔叉重量为 1.0kg,由《机械制造技术基础课程设计指导教程》(本说明书中除特殊说明外,其余查表均由此指导教程查得)表1-3知,拔叉属轻型零件;由表1-4知,该拔叉的生产类型为大批生产.所以初步确定工艺安排为:加工过程划分阶段;工序适当集中;加工设备以通用设备为主,大量采用专用工装。
三 确定毛坯1 确定毛坯种类:零件材料为HT200。
考虑零件在机床运行过程中所受冲击不大,零件结构又比较简单,生产类型为大批生产,故选择铸件毛坯。
课程设计说明书设计题目:设计“CA6140车床拔叉”零件的机械加工工艺规程及工艺装备(大批生产)设计者XXX指导教师XXX前言通过所学的专业课知识(《公差与配合》、《工程材料》、《机械原理》、《机械设计制造》、《机械制造技术基础》等)和金工实习使我们对机械设计制造有了一定的感性和理性认识。
这次机床工艺及夹具设计让我们对所学的专业课得以复习、巩固和应用。
是理论和实践相结合的有效手段。
不仅为大四的毕业设计做准备,而且为以后的工作打下一定的基础。
在这次设计中,我们主要设计C6140拨叉的夹具。
在设计中阅读大量的参考资料并且得到老师的指导由于能力有限在设计中难免有不足之处,恳请各位老师、同学批评指正。
一、零件的分析(一)零件的作用题目给定的零件是C6140拨叉(见附图1)它位于车床变速机构中,主要其换挡作用。
通过拨叉的拨动使车床滑移齿轮与不同的齿轮啮合从而达到要求的主轴转速。
宽度为30mm的面的尺寸精度要求很高,在拨叉工作工程中,和如果拨叉和槽的配合尺寸精度不高或者它们之间的空隙很大时。
滑移齿轮就达不到很高的定位精度,这样滑移齿轮就不能很好的与其他齿轮进行正确有效的啮合。
从而影响整个传动系统的工作。
所以拨叉宽度为30mm的面和槽之间要达到很高的配合精度。
(二)零件的工艺分析CA6140拨叉共有两组加工表面:1、这一组加工表面包括:A端面和轴线与A端面相垂直的花键底孔2、这一组加工表面包括: 六个方齿花键孔,及Φ25mm花键底孔两端的2×75°倒角。
对于两组加工表面可先加工一组表面,再用专用夹具加工另一组表面。
二、工艺规程设计(一)确定毛坯的制造形式此次所设计的拨叉材料为HT200,根据材料成型工艺可知用金属型铸造。
该零件能够承受较大载荷和冲击载荷,能够满足使用要求。
因为生产纲领为大批量生产。
因为零件形状简单故毛坯形状需与零件的形状尽量接近,又因内孔很小,可不铸出。
毛坯零件图见附图2。
第一部分设计任务书及课程设计的要求和内容加工 (2)其次部分序言 (4)第三部分拨叉Φ22mm 孔的钻床夹具设计 (5)第四部分.致谢与心得体会 (15)第五部分参考文献 (16)附录:夹具零件图与夹具装配图(草稿) .................. 17(18) CAD图另图 (19)第一部分:山西大同高校煤炭工程学院09机械设计及其自动化专业《机械制造设施设计》设计任务书设计题目:CA6140拨叉钻床夹具设计要求:设计加工孔①22mm的钻床夹具毛坯类型:铸件(两件铸在一起)设计时间:2022.1217——设计内容:1、熟识零件图2、绘制零件图(一张)3、绘制夹具总装图4、编写设计说明书备注:CA6140车床拨叉831002毛坯图其次部分:序言机械制造装备设计使我们学完了高校的全部基础课、技术基础课以及大部分专业课之后进行的.这是我们在进行毕业设计之前对所学各课程的一次深化的综合性的总复习, 也是一次理论联系实际的训练,因此,它在我们四年的高校生活中占有重要的地位。
就我个人而言,我盼望能通过这次课程设计对自己将来将从事的工作进行一次适应性训练,从中熬炼自己分析问题、解决问题的力量,为今后参与祖国的“四化”建设打下一个良好的基础。
制造背景:机械制造离不开金属切削机床,而机床夹具则是保证机械加工质量、提高生产效率、减轻劳动强度、降低对工人技术的过高要求、实现生产过程自动化不行或缺的重要工艺装备之一。
机床夹具被广泛用于制造业中,大量专用机床夹具的使用为大批量生产供应了必要条件。
在机床制造或修理中,经常遇到在圆柱上横穿孔的工件,这些工件的孔或螺纹孔的中心线不相交,需在车好圆柱后装配,画好孔的位置线,在按线加工孔或螺纹。
以前当工件画好线后,用四爪卡盘按线进行安装,再加工内孔。
在校正的过程中,调整夹在圆柱面上的两爪时,工件产生滚动,使划线孔的中心线产生角度位移,很难将工件校正, 而产生加工废品。
为此人们设计制造了夹具,通过30年的使用,效果很好。
以下为拨叉专用夹具设计说明书,一起来看看吧。
1零件的工艺分析1.1设计题目根据工序6(对Ф15的孔进行钻孔)设计一套专用夹具。
1.2零件的使用要求基本分析本次设计的专用夹具相应的零件是中批量生产的拨叉。
拨叉是一个很重要的零件,因为其零件尺寸比较小,结构形状较复杂,但其加工孔和表面的精度要求较高,上下表面、圆弧表面都有粗糙度要求,零件精度要求较高,加工精度要求较高。
其中,Ф15孔与底面的垂直度和上下端面的平行度要求较高,有精度要求,因为其尺寸精度、几何形状精度和相互位置精度,以及各表面的表面质量均影响机器或部件的装配质量,进而影响其性能与工作寿命,因此它们的加工是非常关键和重要的。
1.3零件的工序特点加工该工序使用的是钻床Z535,加工工序6前,工件已经加工了上下端面、前后端面、左右端面,即零件各面均可用于直接定位。
如图1.1所示:2.定位方案选择在夹具设计中,工件在夹具中定位的主要工作内容包括:根据工件的表面结构特征和工序要求,确定工件需要限定的自由度;确定定位方式,即确定工作上的定位表面及其与之相对应的定位元件;分析工件各表面定位方式组合后限定自由度的情况,对欠定位的进行定位方案修改,对不必要的过程定位自由度采取消除措施。
拟定加工路线的第一步是选择定位基准。
定位基准的选择必须合理,否则将直接影响所制定的零件加工工艺规程和最终加工出的零件质量。
基准选择不当往往会增加工序或使工艺路线不合理,或是使夹具设计更加困难甚至达不到零件的加工精度(特别是位置精度)要求。
因此我们应该根据零件图的技术要求,从保证零件的加工精度要求出发,合理选择定位基准。
此零件图没有较高的技术要求,也没有较高的平行度和对称度要求,所以我们应考虑如何提高劳动效率,降低劳动强度,提高加工精度。
根据工序6特点,钻Ф15的通孔,限制6个自由度。
2.1定位方案分析2.1.1定位方案a使用下底面限制3个自由度,再用V形块和挡板限制另外的3个自由度。
课程设计说明书题目:拨叉工艺(工装)设计学院:机械工程学院专业:机械设计制造及其自动化班级:机设1002学号:37 学生姓名:***导师姓名:谭立新完成日期:2013.7.2目录任务书 (3)第1章. 零件分析 (5)1.1 零件的作用 (5)1.2 零件的工艺分析………………………………………5--61.3 零件的技术条件分析 (6)第2章. 选择毛坯、确定毛坯尺寸、设计毛坯图 (6)2.1 选择毛坯 (6)2.2 确定零件的加工余量 (6)2.3 设计毛坯图 (7)第3章. 机械加工工艺过程 (7)3.1 基准的选择 (7)3.2 表面加工方法的选择 (8)3.3 拟定机械加工工艺路线…............................................8--103.4 加工方案的比较与优化...................................10--11 第4章. 工序设计 (11)4.1 选择加工设备 (11)4.2 选择刀具、量具及夹具 (11)4.3 确定切削用量及基本工时………………………… ..11--134.4 确定工序尺寸...............................................13--14 第5章夹具设计.. (14)5.1 本工序的加工要求与应限制的自由度 (14)5.2 确定定位方案及定位误差的分析与计算……….14--155.3 夹紧方案确定及夹紧装置的选择设计…………15--185.4 确定夹具的对刀(或导向)装置………………18--195.5 夹具上其它装置的设计…………….……………19--215.6 夹具体的设计 (21)5.7 夹具技术条件的制定 (21)5.8 夹具的操作说明 (21)参考文献 (22)心得体会 (23)附录:1、机械加工工艺过程卡一套2、机械加工工序卡一张3、夹具总装图一张4、夹具体工作图一张湖南工程学院课程设计任务书课程名称机械制造技术基础题目设计拨叉机械加工工艺工装专业班级机械设计1002学生姓名何明洁学号37指导老师谭立新审批任务书下达日期2013年6月14日设计完成日期2013年7月2 日第一章零件的分析1.1零件的作用题目所给的零件是CA6140车床的拨叉。
毕业设计说明书拨叉加工工艺及夹具设计一、设计任务本设计的任务是针对一种拨叉的加工工艺及夹具设计,主要进行以下方面的工作:1.分析拨叉的工作原理和结构特点。
2.通过实验和理论计算确定拨叉的材料、尺寸和加工精度要求。
3.设计拨叉加工的工艺流程,确定每道工序所需加工设备和工具。
4.设计适合拨叉加工的夹具,以提高加工效率和加工精度。
二、拨叉的工作原理和结构特点拨叉是变速器中的一种传动部件,主要起到连接两个齿轮之间的转动作用。
其工作原理是利用轴承轮对拨叉的轴心线产生一个压力,使得拨叉能够沿着轴心线运动,连接齿轮并实现传动。
拨叉的结构特点主要体现在以下几个方面:1.整体结构,无接头。
2.尺寸精度要求较高,尤其是轴孔与轴承轮的匹配精度。
3.材料选用要求高强度、高硬度以及良好的耐疲劳性。
4.表面质量要求高,特别是轴孔的表面粗糙度和直线度要求较高。
5.生产批量大,成本控制能力要求强。
三、确定拨叉的材料、尺寸和加工精度要求1.材料选用根据拨叉的工作原理和结构特点,应选用高强度、高硬度以及耐疲劳性良好的材料。
常用的材料有 20CrMnTi、42CrMo、45# 钢等,其中,20CrMnTi 是同时满足强度、硬度和韧性要求的理想材料。
2.尺寸和加工精度要求拨叉的轴孔和轴承轮是关键部位,其匹配精度应达到 IT6 级别,轴孔表面粗糙度≤ Ra0.4μm,轴孔中心线垂直度≤ 0.05mm,轴孔中心线与轴承轮的轴心线平行度≤0.08mm。
此外,整体尺寸公差应控制在±0.03mm 以内。
四、拨叉加工的工艺流程及设备工具针对拨叉的结构特点和加工精度要求,可设计以下的加工流程:1.铣削面采用立式铣床进行加工,分两次进行铣削。
先将工件安装在夹具上,进行端面精加工,保证铣削面的平行度和面质量。
然后再进行一次常规铣削,使铣削面的粗糙度达到要求。
2.车削轴孔采用车床进行加工。
在结合具有稳定性的夹具上进行定位,以保证轴孔的精度和平行度。
拨叉夹具说明书年级:学号:姓名:专业:指导老师:2015年7月目录一、夹具定位及夹紧方案 (2)二、拨叉夹具设计说明 (4)1、问题的提出 (4)2、定位原理及实现 (4)3、切削力及夹紧力计算 (5)4、误差分析 (9)5、实际所需夹紧力的计算 (14)6、零件材料选择 (14)三、参考文献 (16)一、夹具定位及夹紧方案拨叉夹具:夹紧:说明:长:340mm 宽:60mm 高:60mm铣套:总长:45mm总宽:15mm总高:20mm铣口长:14mm铣口宽:15mm铣口高:17mm 铣刀:立铣刀直径范围2-50mm:取:12mm三维模型:二、拨叉夹具设计夹具是组合机床的重要组成部分,是根据机床的工艺和结构方案的具体要求而专门设计的。
它是用于实现被加工零件的准确定位、夹压、刀具的导向以及装卸工件时的限位等作用。
为了提高劳动生产率,保证加工质量,降低劳动成本,需要设计专用夹具。
1、问题的提出夹具是组合机床的重要组成部分,是根据机床的工艺和结构方案的具体要求而专门设计的。
它是用于实现被加工零件的准确定位、夹压、刀具的导向以及装卸工件时的限位等作用。
本夹具主要用于铣宽14H7的槽,且为大批大量生产。
在保证提高劳动生产率,降低劳动强度的同时可以设计选用比较简单的夹具。
2、定位原理及其实现由零件图可知,槽所在的面与中心线存在垂直度误差,在加工槽时应保持工件的平稳,应选择小圆柱底端面为定位基准。
根据被加工零件的结构特征,选择定位基准。
由夹具图可以得出,V形块约束X向的移动,Y向的移动,X向的转动,Y向的转动;工件与V形块的背面接触简化成线,则约束X向的移动,底面约束Z向的移动,X向的转动,Y向的转动,则形成了过定位。
限制的自由度V形块:X向的移动,Y向的移动,X向的转动,Y向的转动底面:Z向的移动,X向的转动,Y向的转动线:X向的移动过定位为:X向的移动,X向的转动,Y向的转动。
由于此过定位对零件加工时产生的误差较小,所以可以忽略不计。
拨叉831005夹具设计说明书(总24页)-本页仅作为预览文档封面,使用时请删除本页-机械制造工艺课程设计说明书学院机械工程学院专业13机械设计制造及自动化5班学号08目录前言............................................ 错误!未定义书签。
第一章设计目的..................................... 错误!未定义书签。
零件的分析.................................... 错误!未定义书签。
零件的作用................................. 错误!未定义书签。
零件的工艺分析............................. 错误!未定义书签。
第二章工艺规程设计................................. 错误!未定义书签。
确定毛坯的制造形成............................. 错误!未定义书签。
制定工艺路线................................... 错误!未定义书签。
机械加工余量................................... 错误!未定义书签。
A面的加工余量............................ 错误!未定义书签。
B面的加工余量............................ 错误!未定义书签。
第三章确定切削用量及基本工时....................... 错误!未定义书签。
工序一......................................... 错误!未定义书签。
加工条件................................... 错误!未定义书签。
切削用量................................... 错误!未定义书签。
例一CA6140车床拨叉机械加工工艺规程及工艺装备设计:序言大三下学期我们进行了《机械制造基础》课的学习,并且也进行过金工实习。
为了巩固所学知识,并且在我们进行毕业设计之前对所学各课程的进行一次深入的综合性的总复习,也是一次理论联系实际的训练,因此,我们进行了本次课程设计。
通过这次课程设计对自己未来将从事的工作进行一次适应性训练,从中锻炼自己分析问题、解决问题的能力,同时,在课程设计过程中,我们认真查阅资料,切实地锻炼了我们自我学习的能力。
另外,在设计过程中,经过老师的悉心指导和同学们的热心帮助,我顺利完成了本次设计任务。
由于能力所限,设计尚有许多不足之处,恳请各位老师给予批评指正。
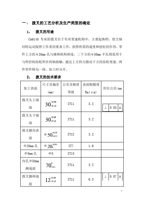
一、零件的分析(一)零件的作用题目所给的零件是CA6140车床的拨叉。
它位于车床变速机构中,主要起换档,使主轴回转运动按照工作者的要求工作,获得所需的速度和扭矩的作用。
零件上方的Φ20孔与操纵机构相连,二下方的Φ50半孔则是用于与所控制齿轮所在的轴接触。
通过上方的力拨动下方的齿轮变速。
两件零件铸为一体,加工时分开。
(二)零件的工艺分析零件的材料为HT200,灰铸铁生产工艺简单,铸造性能优良,但塑性较差、脆性高,不适合磨削,为此以下是拨叉需要加工的表面以及加工表面之间的位置要求:1、小头孔Φ20以及与此孔相通的Φ8的锥孔、M6螺纹孔2、大头半圆孔Φ503、拨叉底面、小头孔端面、大头半圆孔端面,大头半圆孔两端面与小头孔中心线的垂直度误差为0.07mm,小头孔上端面与其中心线的垂直度误差为0.05mm。
由上面分析可知,可以粗加工拨叉下端面,然后以此作为基准采用专用夹具进行加工,并且保证位置精度要求。
再根据各加工方法的经济精度及机床所能达到的位置精度,并且此拨叉零件没有复杂的加工曲面,所以根据上述技术要求采用常规的加工工艺均可保证。
二、确定毛坯1、确定毛坯种类:零件材料为HT200。
考虑零件在机床运行过程中所受冲击不大,零件结构又比较简单,生产类型为中批生产,故选择木摸手工砂型铸件毛坯。
目录目录 (1)摘要 (2)一、分析零件图 (3)1.1零件作用 ............................................................................................ 错误!未定义书签。
1.2零件的工艺分析................................................................................. 错误!未定义书签。
二、确定毛坯 ........................................................................................... 错误!未定义书签。
三、工艺规程设计............................................. 错误!未定义书签。
3.1基面的选择 ........................................................................................ 错误!未定义书签。
3.2精基准的选择 (7)四工序加工计算 (8)五、夹具的设计............................................... 错误!未定义书签。
5.1定位误差分析...................................................................................... 错误!未定义书签。
5.2工件的夹紧 ........................................................................................ 错误!未定义书签。
拨叉设计说明书TPMK standardization office【 TPMK5AB- TPMK08- TPMK2C- TPMK18】课程名称:机械制造工艺学题目:CA6140车床拨叉(831005)机械加工工艺规程设计及夹具设计学院机械制造及自动化工程学院学生姓名学号专业层次班级任课教师年月日目录摘要 (1)一、零件工艺性分析 (2)1.1 零件的作用 (2)1.2 零件的工艺分析 (2)1.3 零件的尺寸图 (3)2 .机械加工工艺规程设计 (3)2.1 确定毛坯、绘制毛坯简图 (3)2.1.1 选择毛坯 (3)2.1.2 确定毛坯的机械加工余量及尺寸确定 (3)2.1.3 绘制毛坯简图 (4)2.2 定位基准的选择 (4)2.2.1 粗基准的选择 (4)2.2.2 精基准的选择 (4)2.3 各表面加工方案的确定 (4)2.4 加工阶段的划分 (5)2.5 工序的集中与分散 (5)2.6 制定工艺路线 (5)3.确定机械加工余量和工序尺寸 (7)4.夹具设计 (13)4.1 夹具体设计前言 (13)4. 2 问题的提出 (14)4.3 夹具体设计及计算 (14)4.4 夹具装配图 (15)总结 (16)参考文献 (17)CA6140车床拨叉(831005)机械加工工艺规程设计及夹具设计课程设计说明书摘要这次设计的是CA6140车床(831005)拨叉,包括零件图、毛坯图、装配图各一张,机械加工工序卡片一套以及课程设计说明书的编写。
首先我们要熟悉零件和了解其作用:它位于车床变速机构中,主要起换档作用。
然后,根据零件的性质和零件图上各端面的粗糙度确定毛坯的尺寸和械加工余量。
最后拟定拨差的工艺路线图,制定该工件的夹紧方案,画出夹具装配图。
通过这次课程设计,了解并认识一般机器零件的生产工艺过程,巩固和加深已学过的技术基础课和专业课的知识,理论联系实际,从中锻炼自己分析问题、解决问题的能力,为今后的工作打下一个良好的基础,并且为后续课程的学习打好基础。
拨叉夹具设计说明书(总16页)--本页仅作为文档封面,使用时请直接删除即可----内页可以根据需求调整合适字体及大小--机械制造课程设计拨叉钻床夹具设计专业机械设计制造与自动化学生姓名班级学号学校完成日期机械制造工程原理课程设计任务书一、设计题目设计拨叉,钻螺纹孔的专用夹具。
二、原始依据1.生产类型:成批生产;2.零件图样。
三、设计内容1.零件图1张;2.毛坯草图1张;3.制定零件的机械加工工艺规程,填写机械加工工艺过程卡片及指定工序的机械加工工序卡片各1份。
或填入机械加工工艺过程综合卡片;4.设计指定的专用夹具,绘制夹具装配总图1张,绘制所设计夹具的大件零件图1张;5.编写设计说明书1份。
目录一、零件的工艺分析及生产类型的确定 (4)二、加工方法的选择及工艺路线的制定 (5)三、夹具方案的探讨 (5)四、工件的夹紧设计理论 (10)五、夹具设计 (13)六、夹紧装置的设计 (13)七、夹具体与机床连接部分与定位 (13)八、小结 (15)九、参考文献 (16)一、零件的工艺分析及生产类型的确定1. 零件的作用零件是拨叉,用在操纵机构中比如改变车床滑移齿轮的位置,实现变速;或者应用于控制离合器的啮合,断开的机构中,从而控制横向获纵向进给。
2. 确定生产类型根据设计任务书可知:成批生产3. 零件的工艺分析零件的视图正确、完整。
公差及技术要求齐全。
零件图如下:根据零件图的要求,要加工螺纹孔为,,其中心与基中面有精度要求,必须保证其尺寸。
二、加工方法的选择及工艺路线的制定1. 定位基准的选择(1)根据零件图纸的要求,零件的定位基准为轴的中心线。
这样可以保证相应的尺寸公差,圆度,跳动的精度要求。
(2)粗基准的选择按照粗基准的选择原则为保证不加工表面和加工表面的位置要求,应选择不加工表面为粗基准,因此选择轴的左右两端面的孔为基中。
(3)精基准的选择考虑要保证零件的加工精度,依据“基准重合”原则和“基准统一”原则,以平面为精基中。
课程设计机械制造工艺学课程设计拨叉钻孔的专用夹具设计班级:学号:姓名:指导老师:机电及自动化学院2015年01 月26 日课程设计目录前言................................................................................................................................................................ (1)设计任务 (2)1零件的工艺分析 (3)1.1设计题目 (3)1.2零件的使用要求基本分析 (3)1.3零件的工序特点 (3)2.定位方案选择 (4)2.1定位方案分析 (4)2.1.1定位方案a (4)2.1.2定位方案b (4)2.2定位方案确定 (5)3.夹紧方案选择 (5)3.1夹紧方案a (6)3.2夹紧方案b (6)3.3夹紧方案确定 (6)4夹具具体结构 (6)4.1定位元件 (6)4.2夹紧机构 (7)4.3导向机构 (7)4.3.1钻模体机构 (7)4.3.2.钻套的选择 (8)4.3.3钻套高度的选择 (8)4.3.4排屑间隙 (9)5.定位误差 (9)5.1定位误差分析 (9)5.2定位误差计算 (9)6夹紧力计算 (10)6.1切削力计算 (10)6.2实际所需夹紧力计算 (10)6.3夹紧力校核..........................................................................................................................................117夹具精度分析与计算 (12)8夹具总装 (12)总结................................................................................................................................................................ .. (14)参考文献 (1)5课程设计前言机械制造工艺学课程设计是在学完了机械制造工艺学(含机床夹具设计)和大部分专业课,并进行了实习的基础上进行的一个教学环节。
也是大学本科里的最后一次课程设计。
这次设计为了使我们能综合运用机械制造工艺学中的基本理论,并结合生产实习中学到的实践知识,独立的分析和解决工艺夹具问题。
让我们初步具备设计一个中等复杂程度零件的机械加工工艺所需的夹具设计的能力,也是熟悉和运用有关手册、图表等技术及编写技术文件等技能的一次实践机会,形成规范解决问题的理念。
设计是一项复杂细致的工作,本次设计更主要是为了通过解决在设计过程中常遇到一些困难和问题,积累了一些经验和教训,发挥自己的主观能动性,为今后的毕业设计及未来从事的工作打下良好的基础。
当然由于水平有限,说明书中难免出现一些错误和不妥指出,还希望老师不吝指出。
1课程设计设计任务本次课程设计的任务是设计拨叉钻孔的专用夹具的设计,目的是通过课程设计,学会综合运用过去所学过的相关课程的知识,经受一次理论联系实际的综合训练,熟悉专用夹具设计的原则、步骤和方法,具备夹具设计的基本能力。
设计要求:1.设计课题:拨叉钻孔的专用夹具设计2.生产纲领:中批量生产上交材料:1.课程设计说明书一份2.零件图一张一张 3.工序卡一张 4.夹具装配图两份非标件零件图 5.2课程设计1零件的工艺分析1.1设计题目根据工序6(对Ф15的孔进行钻孔)设计一套专用夹具。
1.2零件的使用要求基本分析本次设计的专用夹具相应的零件是中批量生产的拨叉。
拨叉是一个很重要的零件,因为其零件尺寸比较小,结构形状较复杂,但其加工孔和表面的精度要求较高,上下表面、圆弧表面都有粗糙度要求,零件精度要求较高,加工精度要求较高。
其中,Ф15孔与底面的垂直度和上下端面的平行度要求较高,有精度要求,因为其尺寸精度、几何形状精度和相互位置精度,以及各表面的表面质量均影响机器或部件的装配质量,进而影响其性能与工作寿命,因此它们的加工是非常关键和重要的。
1.3零件的工序特点加工该工序使用的是钻床Z535,加工工序6前,工件已经加工了上下端面、前后端面、左右端面即零件各面均可用于直接定位。
如图1.1所示:,图1.1 拨叉零件图3课程设计2.定位方案选择在夹具设计中,工件在夹具中定位的主要工作内容包括:根据工件的表面结构特征和工序要求,确定工件需要限定的自由度;确定定位方式,即确定工作上的定位表面及其与之相对应的定位元件;分析工件各表面定位方式组合后限定自由度的情况,对欠定位的进行定位方案修改,对不必要的过程定位自由度采取消除措施。
拟定加工路线的第一步是选择定位基准。
定位基准的选择必须合理,否则将直接影响所制定的零件加工工艺规程和最终加工出的零件质量。
基准选择不当往往会增加工序或使工艺路线不合理,或是使夹具设计更加困难甚至达不到零件的加工精度(特别是位置精度)要求。
因此我们应该根据零件图的技术要求,从保证零件的加工精度要求出发,合理选择定位基准。
此零件图没有较高的技术要求,也没有较高的平行度和对称度要求,所以我们应考虑如何提高劳动效率,降低劳动强度,提高加工精度。
根据工序6特点,钻Ф15的通孔,限制6个自由度。
2.1定位方案分析2.1.1定位方案a使用下底面限制3个自由度,再用V形块和挡板限制另外的3个自由度。
下底面限制了Z轴的移动、绕X轴的转动和绕Y轴的转动,V形块和侧面挡板限了制X轴的移动、Y轴的移动和Z轴的转动。
刚好限制的6个自由度没有出现过定位或者欠定位。
分析可知,该定位方案满足要求。
2.1.2定位方案b使用一面一销和V形块进行定位,下底面限制了Z轴的移动、绕X轴的转动和绕Y轴的转动,定位销限制了绕Z轴的转动,V形块限制X轴的移动、Y轴的移动。
也是刚好限制了6个自由度没出现过定位和欠定位。
分析可知,该定位方案满足要求。
4课程设计2.2定位方案确定?,使用方案b的短定位销不仅零件不好拆卸,而且设计基准与定工序6为钻的孔15位基准不重合,会增大定位误差,很难保证左右端面与孔中心线的对称要求,而方案a既更合理。
a简单又容易拆卸,也能使设计基准与定位基准重合,减小定位误差,故方案3.夹紧方案选择在夹紧机构设计时,一般根据工件的结构、尺寸、生产类型和工序内容等选择合适的夹紧机构,并尽可能采用标准的零部件,使夹具的制造周期短、成本低。
夹紧力源通常根据批量生产类型确定,由于装配支撑块生产类型为中批量生产,且工件尺寸较小,切削力不大,所以夹紧力源可采用手动的夹紧装置。
在确定夹紧力的方向、作用点的同时,要确定相应的夹紧机构。
确定夹紧机构要注意以下几方面的问题:①安全性夹紧机构应具备足够的强度和夹紧力,以防止以外伤及夹具操作人员。
②手动夹具夹紧机构的操作力不应过大,以减轻操作人员的劳动强度。
③夹紧机构的行程不宜过长,以提高夹具的工作效率。
④手动夹紧机构应操作灵活、方便。
(1).夹紧力的方向:夹紧力的方向要有利于工件的定位,并注意工件的刚性方向,不能使工件有脱离定位表面的趋势,防止工件在夹紧力的作用下产生变形。
1).作用方向应垂直于工件的主要定位基准,以保证加工精度;2).作用方向应与工件刚度最大的方向一致,以减少工件的夹紧变形;3).作用方向应尽量与工件的切削力、重力等的作用方向一致,以减小夹紧力;综合上述,选择夹紧力的作用点在Φ27孔的左端面。
(2).夹紧力的作用点:夹紧力的作用点应选择在定位元件支承点的作用范围内,以及工作刚度高的位置。
确保工件定位准确、不变形。
夹紧力的作用点的设计原则1).应落在支承元件上或几个支承元件所形成的支承平面内,以避免破坏定位或造成较大的夹紧变形;2).应落在工件刚性较好的部位上;3).应尽可能靠近加工面,以提高工件加工部位的刚度和抗振性。
5课程设计3.1夹紧方案a使用螺旋压板夹紧机构对拨叉的左端面进行夹紧。
螺旋压板夹紧机构实现对工件的夹紧,采用标准的夹紧螺钉,螺旋升角很小,自锁性能好,压板又是标准件有利于实现夹紧工件,减少夹具的减少制造周期。
能够达到对工件的夹紧要求。
3.2夹紧方案b使用单螺旋夹紧机构对拨叉的前端面进行夹紧。
单螺旋夹紧机构采用螺纹自锁原理实现对工件的夹紧,能够达到对工件的夹紧要求。
3.3夹紧方案确定比较方案a和方案b,使用方案b缺点:夹紧动作慢、工件装卸费时,且机构相对复杂,对于定位比较麻烦,而方案a不仅操作简单,机构也更加简单,零件的拆卸快,误差小,所以选择方案a更加合理。
如图3.1所示:图3.1 夹紧机构示意图压紧机构由压板和自锁螺栓组成,既能实现自锁又能有较大的夹紧力,便于拆卸和装夹。
4夹具具体结构4.1定位元件工件以平面定位的定位元件有底板、侧面挡板、和V形块。
其中V形块可自动对心。
底板与工件配合要求地面平面度要好和与下底面的平行度和粗糙度要求高,侧面挡板限制其绕Z轴转动也是与工件接触要有一定的粗糙度要求。
6课程设计4.2夹紧机构单螺旋夹紧机构:采用方案a进行夹紧如图4.1所示:单螺旋夹紧机构图4.1 图由螺钉和压板组成,自锁性好,承受的压力大。
4.3导向机构4.3.1钻模体机构H7钻模体下底面与夹具体用来装配钻套和与夹具体的配合,钻模体与钻套的配合是n6基体配合所以平面度要求比较高,上表面又要与孔保持垂直度要求一般保持在Ф0.02左右,对于拨叉零件去Ф0.02保证其精度,钻模体与底板的配合连接靠螺栓锁紧和定位销定位保证其上平面与底板平行。
如图4.2所示:图4.2 钻模体示意图用于与钻套的配合,有特定的公差配合保证其加工精度。
7课程设计4.3.2.钻套的选择床夹具的导向元件为固定钻套,它的作用是确定刀具相对夹具定位元件的位置,并在钻加工中对钻头等加工刀具进行引导,保证被加工孔的位置精度和防止刀具在加工中发生偏斜。
固定钻套适用范围:1中批量生产用的钻模应采用外径直接压入钻模的固定钻套。
2对于下列情况应采用带肩固定钻套(1)利用钻套端面左基面(2)钻模板较薄(3)要防止细碎切屑进入孔内可换钻套的适用范围:1钻套磨损后更换方便,适用大批量生产2适用在钻套外径很大,以致不容易压入钻模或因钻模壁较薄压入钻套容易产生变形时采用。
对于本次夹具设计是属于中批量生产,且钻套的外径才Ф22mm,适用固定钻套,钻套H7配合。
如,高度16mm,带肩的固定钻套,与钻模体采用选择外径Ф22mm,内径Ф14mm n6图4.3所示:图4.3 钻套示意图4.3.3钻套高度的选择钻套高度与所钻孔的孔距精度、工件材料、孔加工深度、刀具刚度、工件表面形状等因素有关。