接触网标示牌安装工艺(孙立聘)
- 格式:doc
- 大小:111.51 KB
- 文档页数:3
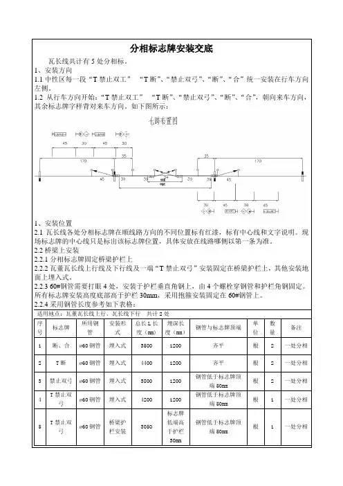
分相标志牌安装交底瓦长线共计有5处分相标。
1、安装方向1.1中性区每一段“T禁止双工”“T断”、“禁止双弓”、“断”、“合”统一安装在行车方向左侧。
1.2 从行车方向开始:“T禁止双工”“T断”、“禁止双弓”、“断”、“合”,朝向来车方向,其余标志牌字样背对来车方向。
如下图所示:1、安装位置2.1瓦长线各处分相标志牌在顺线路方向的不同位置标有红漆,标有中心线和文字说明。
现场标志牌的中心线只是标出该标志牌位置,具体安放在线路哪侧以第一条为准。
2.2桥梁上安装2.2.1分相标志牌固定桥梁护栏上2.2.2瓦董瓦长线上行线及下行线及一端“T禁止双弓”安装固定在桥梁护栏上,其他安装地面上埋入式。
2.2.3 60#钢管需要打眼4处,安装于护栏垂直角钢上,由4个螺栓穿钢管和护栏角钢固定。
所有标志牌安装高度底部高于护栏30mm,采用抱箍安装固定在60#钢管上。
2.2.4采用钢管长度参考如下表格:适用地点:瓦董瓦长线上行、瓦长线下行共计2处序号标志牌所用钢管安装形式总长L长度(mm)埋深长度(mm)钢管与标志牌顶端单位数量备注1 断、合ø60钢管埋入式3500 1200 齐平根2 一处分相2 T断ø60钢管埋入式4400 1200 齐平根 2 一处分相3 禁止双弓ø60钢管埋入式3800 1200 钢管低于标志牌顶端50mm根 2 一处分相4 T禁止双弓ø60钢管埋入式4200 1200钢管低于标志牌顶端50mm根 1 一处分相5 T禁止双弓ø60钢管桥梁护栏安装3050标志牌低端高于护栏30mm钢管低于标志牌顶端50mm根 1 一处分相2.3 线路上安装2.3.1大部分安装埋入在线路地面上:“T禁止双工”、“T断”、“禁止双工”。
2.3.1 “T禁止双工”、“T断”、“禁止双工”钢管埋入地面1200mm,四周用C15混凝土500*500*1300浇注。
2.3.2 “T断”及“断合”志牌底部高于地面1422mm,“T禁止双工”、“禁止双工”标志牌底部高于地面990mm。
定位器坡度及限位间隙的调整标准一、定位器各部技术标准检查1.用水平尺测量定位器坡度:将水平尺放在定位器上方,调平同时用钢卷尺测量出高度差,计算出定位器坡度(mm/m)=两点高度差/水平尺长度。
2.用接触网激光测量仪测量定位器坡度:A在曲线区段时,调平接触网激光测量仪。
B用激光测量仪分别测量出定位器下方两点对轨平面的高度。
C计算出两点高度差。
D在激光测量仪的轨道尺上计算出两点的距离差。
E计算定位器坡度:坡度(mm/m)=两点高度差/两点距离差。
3.限位间隙在接触网高度符合标准的前提下,用异径塞钉测量限位间隙是否符合标准。
定位器坡度标准:160km/h及以下区段为1/10~1/5。
160km/h以上区段为设计值。
二、定位器其他部件状态1.检查定位器有无弯曲、损坏。
2.检查斜拉线、防风支撑状有无锈蚀、损坏。
3.定位线夹状态检查定位线夹有无裂纹、损伤、倾斜,受力面安装是否正确。
4.检查定位环、定位器、定位支座、支持器、套管绞环等各部件是否有裂纹、损伤、短缺。
5.检查各部螺栓紧固及受力是否良好、是否有脱扣、锈蚀缺陷,垫片是否齐全,各部位连接是否正确。
三、调整正定位反定位、软定位单拉定位2.2.4.1定位器偏移值不符合标准根据测量数据,确定调整方向和调整量。
确认腕臂偏移正确。
否则先在承力索上做好标记,松动组合承力索线夹螺栓,推动腕臂移到标准位置。
将定位器卸载,松动定位线夹螺栓,将定位器调至标准位置,按标准力矩紧固。
2.2.4.2定位器坡度不符合标准在保证接触网高度的前提下,确认调整量和调整方向。
利用大绳或手扳葫芦等,将定位器卸载,松动定位环线夹螺栓,调整定位管高度。
调整后用激光测量仪或水平尺复测定位器坡度,直至符合要求。
所有参数都符合要求后,用力矩扳手对关节的各部螺栓进行紧固。
支柱号码牌的安装标准为保证杆号牌的统一和美观,现规定支柱号码牌安装位置标准:凡是在腕臂上安装的号码牌,一律安装在平腕臂上且号码牌边距离平腕臂棒式绝缘子第一片裙边600mm,如下图所示:延安供电段生产技术科2012年4月30日。
标识标志牌安装技
术交底
中铁建电气化局集团公司
邯长扩能改造工程指挥部
技术交底
编制:
审核:
批准:
中铁建电气化局集团有限公司邯长扩能改造工程指挥部
二0一四年七月
标志牌安装技术交底
标志牌安装
一、号码牌安装
1 、编号原则(一般编号)
(1)、支柱和隧道内悬挂点按线路公里标方向连续编号,且为三位数,例005、129。
双线区段下行线为单数,上行线为双数。
不得有重号、漏号及xxx-x号出现。
(2)、每个区间、站场、机务段均分别编号,隧道吊柱不单独编号。
车站同一行别侧截面有两根或多根支柱时,按照从站内向田野侧由小往大标注。
(3)、供电线与腕臂柱合架的按腕臂柱编号,单独架设的供电线支柱单独编号,均在号码前冠以“G”字样。
(4)、供电线编号从牵引变电(开闭)所引出的第一根杆开始编号,支柱按供电臂分开编号,下行供电臂为单数,上行为双数编号。
2、杆号悬挂要求:
(1)砼柱、钢柱均采用肩架式在迎对来车方向、田野侧安装,砼柱号码牌肩架安装于从上向下第一个打孔田野测,钢柱上号码牌肩架顶面安装高度为距轨面5500±500。
(2)吊住号码牌的位置可根据情况进行调整,以与其它设施不干扰为准则。
普速线路接触网标志安装标准化作业指导书普速线路接触网标志安装标准化作业指导书目次1. 适用范围 (2)2. 规范性引用文件 (2)3. 编制依据 (2)4. 接触网标志安装指导书 (2)4.1. 准备工作 (2)4.2. 安装技术标准 (3)4.3. 安装作业流程 (14)4.4. 安装过程中安全风险点及卡控措施 (14)1.适用范围本作业指导书适用于供电段管内普速线路接触网标志安装和常见问题处理。
2.规范性引用文件下列文件对于本作业指导书的应用是必不可少的。
凡是注日期的引用文件,仅所注日期的版本适用于本作业指导书。
凡是不注日期的引用文件,其最新版本(包括所有的修改单)适用于本作业指导书。
《普速铁路接触网安全工作规则》铁总运〔2017〕25号《普速铁路接触网运行维修规则》铁总运〔2017〕25号《铁路技术管理规程》(普速铁路部分)3.编制依据根据《铁路接触网安全工作规程》、《铁路接触网管理规则》、《铁路局作业指导书编制规范》的相关要求,结合段具体实际,特编制此作业指导书。
4.接触网标志安装指导书4.1.准备工作4.1.1 人员:4.1.1.1 停电上网作业不少于8人(不含司机)。
4.1.1.2 不使用车辆,以人工方式作业的,除具体作业人员外,应按《普速铁路接触网安全工作规则》中的规定设置作业防护人员。
4.1.2 工具序号工具名称型号单位数量备注1 个人工具套 1 含扳手、起子、夹钳、安全带等2 作业工具包套 1 含卷尺、皮尺、钢丝刷、毛刷排笔等3 防护工具套 1 含对讲机、防护信号旗等4 铁锹把 14.1.3 材料序号材料名称型号单位数量备注1 螺栓套若干各种型号都备有2 绑扎线φ1.6 米若干3 不锈钢铁线φ3.5 米若干4 防腐油套若干5 油漆套 1 含油刷、油桶6 各类标志套 1 根据具体情况定4.1.4 资料:接触网平面布置图、施工设计图。
4.2.安装技术标准4.2.1 支柱号码牌4.2.1 .1 接触网支柱号码牌采用肩架式双面反光号码牌。
一施工准备开工初期,根据站前工程施工实际进度,结合建设单位总体施组方案编制接触网工程实施性施工组织设计,报监理工程师和建设单位审批。
会同站前施工部门对轨道的线路中线桩、水准基点桩、岔心桩、曲线桩、轨道里程标等线路资料进行交底,按照交桩测量的有关要求安排现场复测,并做好测量记录。
对复测中出现的问题,主动联系有关单位处理。
调查大型材料和机械设备的进场路线,并按规定办理相关手续。
二施工定测1、纵向测量应以正线钢轨为依据,从设计规定的起测点或1号、2 号道岔开始。
杆位因地形、地物需要调整跨距以避让时,跨距调整幅度为设计跨距的-2~+1m,调整后的跨距不得大于设计允许最大跨距;2、站场横向测量中,同组软横跨支柱、硬横梁支柱中心的连线应与正线中心线垂直,偏差不大于2度。
3、隧道口的起测点,为隧道口顶部水平线与线路中心线的交点;对隧道悬挂点、定位点测量定位时,遇有隧道伸缩缝,不同断面接缝,石缝或明显渗水、漏水的地方应避开;悬挂点跨距可在+1~-2m的范围内调整,但调整后的跨距不得大于设计允许值。
4、桥支柱垂直线路中心线应吻合墩台中心线。
5、杆位应尽量避让旧信号机、桥涵、平交道等既有建筑。
6、杆位测量应尽量避开站舍中心、路口及影响站容的的地方。
7、施工测定后,应在邻近钢轨腰部注明:支柱号、支柱类型、基础类型、支柱侧面限界。
8、标准定位支柱纵向位置:1/9道岔,1/12 ,1/18道岔定位均设计在两线间距350mm处,现场坑位有影响可在300mm~400mm间调整。
9、杆位测量中对于锚段关节、中心锚结、附加导线下锚柱应避开平交道口,并满足拉线施工要求。
10、认真填写测量记录,对于测量中变更。
应做现场简单的平面图附于记录后。
三基础坑开挖1、开挖基础坑前应与工务部门联系,了解施工区段线路状况,双方达成共识后,会同监理单位与工务部门鉴定协议,并双方约定,遵照执行。
2、基础坑开挖包括接触网混凝土支柱坑、钢柱基础坑、拉线坑的开挖。
(一).组织二.操作程序(一).工艺流程图1.施工准备(1).材料检查:清点、检查中锚线夹等零配件和中锚辅助绳绞线的数量和外观质量。
(2).采样测量:a.检查:检查锚段两端承力索、接触线补偿坠砣高度是否符合标准,中心锚结两转换柱腕臂是否垂直于线路中心。
并调整到位。
b.测量:在现场用钢卷尺(50m )测量中心锚结范围几个跨距(三跨式中锚为三跨;两跨式中锚为二跨;双线隧道中锚为两个锚臂间的跨距)的实际长度L 值。
(3).预制:a.裁中锚辅助绳绞线: 第一步,支盘展线,在驻地选好预制场地,用线盘支架支好中锚辅助绳用钢绞线盘,然后展放钢绞线。
第二步,放样测量,对于承力索用中锚的GJ-70型钢绞线从端部起测,以实测数据L 减4米(双线隧道为GJ —100型的钢绞线,以实测数据减2米)为长度,用钢卷尺测量放样出其断线位置点,做好断线记号。
b.制作回头:采用杵座楔型线夹,按回头制作工艺,将其GJ-70钢绞线一端制作成回头。
c.分别盘好钢绞线,并分盘用铁线绑紧成圈,运至现场。
2.承力索中锚现场安装(1).起锚(适应车梯人工法的两跨式、三跨式链型悬挂承力索中锚的现场安装,后同;“双线隧道承力索中锚作业车人工安装”见(13)之后。
)a.杆上人员到位:一人带小绳和安全带,攀上其起锚端锚柱的下锚角钢高度处,扎好安全带。
b.安装起锚绝缘子串:第一,杆上人员放下小绳;第二,上下人员配合,将中锚起锚杵环杆和绝缘子串通过小绳送到杆上人员手中;第三,由杆上人员将其与下锚角钢联接在一起。
c.中锚绳起锚联接:通过小绳,将中锚绳的起锚端送给杆上人员,并将其与起锚的杵环杆和绝缘子串相联接。
(2).中锚落锚准备:与前一步骤同时进行。
两人配合,在其中锚的落锚端锚柱上,将滑轮组等紧线装置预先安装好。
如图1所示。
(3).a. 展放第一跨线:与(1)步骤同时进行。
将中锚辅助绳线圈搬到起锚支柱的转换支柱方向路肩上,解开邻近起锚的中锚绳圈盘,将其中锚辅助绳沿路肩向其转换支柱方向展放,至到中锚绳接近转换支柱处为止。
接触网施工第一章接触网平面图接触网平面布置图是接触网主要设计文件之一,是施工中应用最广的重要设计依据,认真弄懂和记清这些图例,学会看平面布置图对于我们掌握和了解线路情况,指导施工是非常重要的。
第一节接触网图例接触网的各种设计图是以机械制图或工程制图学为基础,加上接触网的各种特殊制图标记(接触网图例)所组成,第二节接触网平面布置图识别接触网的平面布置图是掌握接触网施工的最基本技巧之一,除了要懂得接触网的图例及工程制图处,还要对接触网专业表示方式有一定的了解,下面分别介绍站场、区间及隧道内接触网平面布置图。
一、站场接触网平面布置图站场接触网平面布置图实际路状态相符,其比例一般大站为1:1000,小站为1:2000。
站场接触网平面布置图上应包括:1、全部电化股道(近期及远期)、与接触网架设有关的非电化股道。
2、股道编号及线间距、(股道编号应与运营部门编号一致)。
3、道岔编号、型号及出站道岔的中心里程(道岔编号与型号应与实际状况相符,不符的需做出说明);4、曲线起讫点,半径和缓和曲线长度及总长;5、桥梁名称、中心里程、总长、孔跨式样及结构型式;6、隧道名称、起讫里程及总长;7、涵管、虹吸管、平交道、地道、天桥、跨线桥、架线渡槽等中心里程及高度、宽度;8、站场的名称、中心里程、站台范围及与架设接触网相关的建筑物(如站舍、雨棚、仓库、搬道房、水鹤、起、煤台及上下挡墙等);9、进站信号机的位置及里程。
站场平面布置图图面上主要内容有:1、支柱(钢柱、钢筋混凝土柱)跨距、位置、号码及数量。
2、支柱类型及侧面限界。
3、锚段号、锚段长度及起止杆号、下锚方式;4、地质条件、基础及横卧板。
5、拉出值(拉出方向、拉出值大小)及导线高度;6、支持装置及安装图号、软横跨节点;7、设备安装及其位置(接地极、限界门、避雷器、隔离开关分段分相绝缘器等);8、附加导线的走向、位置;设备及安装图号;9、起测点位置及校核点;站场接触网平面布置图中的说明应包括:1、设计依据及现场测量时间、修改说明等。
标牌安装工艺本文档旨在介绍标牌安装的工艺流程和注意事项。
工艺流程1. 准备工作:首先,确认标牌的具体位置和安装需求。
清理安装区域,确保表面平整、干燥、清洁。
准备好所需的安装工具和材料。
准备工作:首先,确认标牌的具体位置和安装需求。
清理安装区域,确保表面平整、干燥、清洁。
准备好所需的安装工具和材料。
2. 确定安装方式:根据标牌的类型和安装环境,选择合适的安装方式。
常见的安装方式包括粘贴、钉击和螺栓固定等。
确保所选方式符合安全要求。
确定安装方式:根据标牌的类型和安装环境,选择合适的安装方式。
常见的安装方式包括粘贴、钉击和螺栓固定等。
确保所选方式符合安全要求。
3. 标牌定位:根据设计要求和安装需求,确定标牌的准确位置。
使用测量工具和辅助线来确定标牌的水平和垂直方向。
标牌定位:根据设计要求和安装需求,确定标牌的准确位置。
使用测量工具和辅助线来确定标牌的水平和垂直方向。
4. 安装标牌:根据选择的安装方式,进行标牌的安装。
注意保持标牌的水平和垂直方向,避免偏移或倾斜。
安装标牌:根据选择的安装方式,进行标牌的安装。
注意保持标牌的水平和垂直方向,避免偏移或倾斜。
5. 固定标牌:根据安装方式,使用相应的固定方法,如胶水、钉子或螺栓,将标牌牢固地固定在安装位置上。
固定标牌:根据安装方式,使用相应的固定方法,如胶水、钉子或螺栓,将标牌牢固地固定在安装位置上。
6. 清理和检查:安装完成后,清理安装区域周围的杂物和残留物。
仔细检查安装的标牌是否稳固、完整,无明显缺陷。
清理和检查:安装完成后,清理安装区域周围的杂物和残留物。
仔细检查安装的标牌是否稳固、完整,无明显缺陷。
7. 测试和验收:根据实际需求,进行标牌的功能测试。
确保标牌的内容清晰可读、外观美观,并符合相关规定和标准。
测试和验收:根据实际需求,进行标牌的功能测试。
确保标牌的内容清晰可读、外观美观,并符合相关规定和标准。
注意事项- 在安装过程中,必须遵守相关的安全规范和操作规程,确保操作人员的安全。
接触网上部安装工程施工工艺标准一、编制依据1.《全补偿简单链形悬挂安装图》武嘉电化施网022.《铁路电力牵引供电施工质量验收标准》TB 10421—20033.《新建时速200km客货共线铁路工程施工质量验收暂行标准》铁建设[2004]08号4.《新建客货共线铁路工程施工补充规定》(暂行)5.《中铁十二局电气化工程公司电气化工程施工工艺标准》二、编制原则根据接触网上部零部件的结构及电气特性,在确保接触网施工运营安全,并满足接触网运营检修便利的条件下,尽力使上部施工标准化、安装一体化,从而提高接触网整体工程的观感质量。
三、工艺标准(一)底座、肩架的安装1.腕臂底座安装:a、安装高度符合设计要求,施工误差0~30mm;b、底座安装必须水平且与支柱密贴;c、底座固定螺栓统一穿向田野侧,螺纹外露30~50mm;d、底座紧固力矩应符合设计要求。
2.附加导线肩架安装:a、安装高度符合设计要求,施工误差0~30mm;b、肩架水平安装在来车方向且与支柱密贴,允许抬头30mm;c、肩架固定螺栓穿向与行车方向一致,螺纹外露30~50mm。
(二)腕臂安装1、安装高度符合设计要求, 施工误差0~30mm;2、腕臂安装完毕后平腕臂应保持水平状态,允许抬头50mm;3、腕臂底座与棒式绝缘子连接销钉应从上而下穿入,开口销开口60º;4、平腕臂与棒式绝缘子连接销钉、套管双耳上连接销钉穿向与行车方向一致,开口销开口60º,套管双耳上紧固螺栓应交错穿向,承力索座紧固螺栓应自下而上穿入;5、斜腕臂上棒式绝缘子泄水孔应朝下,2型定位环缺口统一朝向来车方向;6、承力索放置在承力索座受力反侧的槽内(即正定位放在靠近支柱侧的槽内,反定位放在远离支柱侧的槽内),承力索距套管双耳中轴线200mm,允许误差±20mm,平腕臂留头150mm;7、所有螺栓紧固力矩应符合设计要求。
(三)位管、定位器安装1、定位管应与腕臂在同一平面内,一般呈水平状,正定位允允许抬头,反定位允许低头,其坡度不大于80mm/m;2、限位定位器的坡度、限位间隙严格按设计施工,间隙允许施工偏差±1mm;3、定位管防风支撑安装角度30º<α<60º,正定位安装时1.5型套管双耳距定位线夹400mm,反定位安装时1.5型套管双耳距定位线夹300mm(中心柱除外),定位管留头100mm;4、非支定位管吊线有效长度调至设计要求后,在距非支定位管300mm处煨成Ø60的预留圈,预留圈的方向垂直线路。
工艺名称:道岔定位调整(复式交分道岔)工艺编号:JY—08—06—02一、施工准备1.劳动组织2.工机具3.主要材料、设备二、操作程序1、工艺流程图2、操作方法1)、准备材料①、计算位于线岔交叉处下方的接触线由线岔至中心锚结的距离L。
②、根据L值选定线岔型号。
并测量出线岔管中心位置,做出标记。
2)、作业准备①、检查车梯外观状态,确保作业安全。
②、测出复式交分道岔对称中心点。
并作标记。
3)、安装定位装置①、经车站允许后,将车梯抬上轨道,作业人员上车,校核车梯高度。
两接触线相交于道岔对称中心O②、车梯上作业人员在地面人员的配合下,用钢卷尺测量出腕臂上定位环的安装位置,将定位环移到此位置,坚固定位环螺母,至弹簧垫片平为止。
③、安装定位管及定位管“V”拉线。
④、在定位管上安装定位器。
并将两支接触线分别固定到所在定位器的定位线夹内。
⑤、按“作业准备②”中测出的接触线投影位置分别把两支定位器在定位管上固定好。
4)、测量调整①、梯车移至接触线交叉点处,在交叉点上挂上线坠;地面人员测量交叉点是否位于复式交分道岔对称中心点标记的上方。
其余操作要领同“单开道岔标准定位安装调整”。
5)、安装线岔①、根据安装时的温度计算位于线岔下方接触线的偏移量ΔL。
②、以线岔管中心点为准,将偏移量值标于线岔管上。
③、安装线岔。
使偏移量标记位于两接触线交叉点处。
④、线岔安装完后,检查上面一支接触线与线岔之间的间隙。
如间隙过大或过小,可通过增减线岔两端的垫片数量进行调整。
使线岔管与其交叉的接触线间有1~3mm的间隙。
6)、结束①、将线岔处定位点拉出值、线岔处交点位置、始触点两支接触线高差检查、记录。
将数据填入《接触网高度及拉出值检查记录》网施表—15中。
②、梯车抬下铁道至安全位置。
三、标准1、L>500m时,线岔选用700型。
L<500m时,线岔选用500型。
2、线岔管不应有变形,如有轻微变形应调直后方准安装。
3、标准定位时,两支接触线拉出值为375mm(允许350~400mm)。
中铁建电气化局集团公司邯长扩能改造工程指挥部技术交底编制:审核:批准:中铁建电气化局集团有限公司邯长扩能改造工程指挥部二0一四年七月标志牌安装技术交底邯长扩能改造工程指挥工程名称编号部交底人日期2014年7月25日交底内容:见附件。
标志牌安装技术交底接底人意见:接底人签字:2010年5月1日标志牌安装一、号码牌安装1 、编号原则(一般编号)(1)、支柱和隧道内悬挂点按线路公里标方向连续编号,且为三位数,例005、129。
双线区段下行线为单数,上行线为双数。
不得有重号、漏号及xxx-x号出现。
(2)、每个区间、站场、机务段均分别编号,隧道吊柱不单独编号。
车站同一行别侧截面有两根或多根支柱时,按照从站内向田野侧由小往大标注。
(3)、供电线与腕臂柱合架的按腕臂柱编号,单独架设的供电线支柱单独编号,均在号码前冠以“G”字样。
(4)、供电线编号从牵引变电(开闭)所引出的第一根杆开始编号,支柱按供电臂分开编号,下行供电臂为单数,上行为双数编号。
2、杆号悬挂要求:(1)砼柱、钢柱均采用肩架式在迎对来车方向、田野侧安装,砼柱号码牌肩架安装于从上向下第一个打孔田野测,钢柱上号码牌肩架顶面安装高度为距轨面5500±500。
(2)吊住号码牌的位置可根据情况进行调整,以与其他设施不干扰为准则。
(3)对于隧道内杆号牌安装于回流线肩架上。
二、“高压危险”安装(1)接触网、高压电气设备的支柱、安全档板或防护网栅上均要安装“高压危险”标志。
(2)“高压危险”标可通过标上四个小孔用Φ4.4铜包钢线绑扎在支柱、设备或作业架梯撑上,也可利用刚支柱的预留孔用铆钉固定。
(3)当“高压危险”标用于横腹杆式预应力混凝土、H 形钢柱、环形支柱时,可以采用粘贴于支柱侧面的方法,标志牌的厚度为0.5㎜,牌的尺寸和字体可根据需要按比例缩小,数量为2块,粘贴专用胶由标志牌供应商提供。
三、“接触网终点”标安装“接触网终点”标应设在接触网终点处,其位置下沿应距接触线250mm 以上,接触网锚支距受电弓中心线400mm 处接触线的上方。
(19)中华人民共和国国家知识产权局(12)实用新型专利(10)授权公告号 (45)授权公告日 (21)申请号 201920225258.X(22)申请日 2019.02.22(73)专利权人 柳州桂通精密铸造有限公司地址 545000 广西壮族自治区柳州市柳南区红岩路四区46号(72)发明人 邹毅 陈秀廷 李应 陈述 温剑 卞成凤 张剑 贾峰 (74)专利代理机构 柳州市集智专利商标事务所45102代理人 韦永青(51)Int.Cl.B60M 1/12(2006.01)(54)实用新型名称接触网标识悬挂装置(57)摘要本实用新型公开一种接触网标识悬挂装置,涉及电气化铁路附属设备技术领域,它具有固定框架,该框架包括刚性横板,在该横板上沿竖直方向设有一倒“V ”形的刚性固定架,该刚性固定架的顶端固定有用于与承力索连接的刚性顶板,所述刚性固定架的顶端宽度与所述刚性顶板宽度相似应,与现有技术相比,本实用新型安全可靠,可承受较大的振动及风吹。
权利要求书1页 说明书2页 附图1页CN 209634317 U 2019.11.15C N 209634317U权 利 要 求 书1/1页CN 209634317 U1.一种接触网标识悬挂装置,其特征在于:具有固定框架,该框架包括刚性横板,在该横板上沿竖直方向设有一倒“V”形的刚性固定架,该刚性固定架的顶端固定有用于与承力索连接的刚性顶板,所述刚性固定架的顶端宽度与所述刚性顶板宽度相似应。
2.根据权利要求1所述的接触网标识悬挂装置,其特征在于:所述刚性固定架的两个侧边采用不锈钢或碳钢镀锌制成,所述刚性固定架的两个侧边下段与所述刚性横板焊接。
3.根据权利要求1或2所述的接触网标识悬挂装置,其特征在于:所述刚性顶板采用不锈钢或碳钢镀锌制成,该刚性顶杆的中部和两端设有向外伸出的翼板,中部的所述翼板与所述刚性固定架焊接,两端的所述翼板上开有通孔。
4.根据权利要求3所述的接触网标识悬挂装置,其特征在于:所述刚性横板用于与标识牌固定的面上设有铆接孔。
标志牌施工工艺及保证措施工地临时设施的布置和计划应满足施工需要和强度要求。
临时工地应布置在施工现场或附近的场地上,尽量少占用土地。
主要采用集中布置的方式,并尽量接近负荷中心,以方便施工和管理,降低消耗。
同时,施工布置也应满足防火、防爆、安全和卫生要求,并满足环境保护和水土保持要求。
在施工场地选择方面,应进行统一规划,按需在施工区现场规划合适位置布置临时工地。
临时用电计划方面,应做好专项方案审批手续和技术交底工作,并进行临时用电工程检查验收。
电气设备的试、检验凭单和调试记录也应做好。
接地测定记录和定期检查记录也应及时进行,以确保安全。
同时,应加强施工用电管理,对施工人员进行安全用电教育,未经检验合格的电气设备不得使用,并应设立围护栏和防止坠落物损坏及防雨罩。
配电箱也应坚固、完整、严密并加锁,箱门上应涂红色危险标志,箱内不得有杂物,并编号。
落地配电箱的地面应平整,防止水淹、土埋,不得堆放杂物。
照明线路的敷设应除护套线外,设分开设备或穿管敷设,办公室照明灯应设开关控制,工作棚、场地应分路控制,灯光距地面应为2.5m。
使用或操作电动机械的专业人员应接受安全用电的技术教育,了解电气常识,正确掌握操作方法。
使用电器设备前,应由电工进行接线运转,正常后交给操作人员使用。
操作机械设备的人员必须具备操作证,并安排身体健康、精神正常、责任心强的人员从事用电工作。
在工地运输组织方法方面,应尽量减少运转次数,力求直达工地,以运距最短、运量最小为原则,并保证装卸迅速、运转方便。
二、主要分部、分项工程的施工工艺、方法一)安装施工工艺概述:1.标志板面根据图纸和规范要求,加工铆接板面、角铝和型槽。
如果需要拼接,按照图纸给定的设计方法进行拼接,以保证板面平整、尺寸准确和铆钉牢固。
最后,用清洗剂清洗板面的正反面,晾干或烘干后,准备贴膜。
按照反光膜的贴膜要求,在合适的温度下贴制,并用贴膜机压实,不得产生气泡。
如果需要拼接时,必须上膜压下膜,且重叠部分必须在一公分以上。
接触网工程定位装置安装施工作业指导书一、施工准备1、劳动组织序项目单数备注号位量1施工负责人人1全面负责2作业人员人33作业车司机人2正、副司机各一人2、工机具序名称规格或型单数备注号号位量1作业车台1 2梅花搬手套1 3力矩搬手套1 4作业凳0.9m 高个1 5钢卷尺2m把16多功能接触网套1检测仪7工具带个18温度计个19安全帽顶3作业人员人均 1 顶10安全带条111水平尺把1自制12定位管测尺( 150mm/把1m)3、主要材料、设备序规格或型单数名称备注号号位量1按设计规套预制成品定位管定2按设计规套预制成品定位器定3按设计规套预制成品定位管吊线定4按设计规件预制成品定位管支撑定5按设计规件预制成品防风拉线定6Kg 若电力脂干二、工艺流程图施工准备定位装置束结安装三、操作程序1、施工准备①中心锚结、整体吊弦,定位装置均预制完毕。
②根据施工计划,领取施工所需材料,并对外观质量和标识进行核对无误后,装在作业车上。
2、定位装置安装①封闭区间线路,作业车行至安装地点,从中心锚结向起、下锚方向分别安装,升起作业平台到合适位置。
②按腕臂偏移表复核腕臂偏移量,未达标者,调整使其达标。
③扶起作业凳,一人上凳将预制好的定位管拉线挂在承力索座上。
④旋转作业平台使其靠近支柱,作业人员扶起定位管,与定位管连接上。
⑤松开定位管卡子螺栓,将定位管拉线另一头连接上,拧紧螺栓,将定位管支撑连接上。
用水平尺加定位管测尺检测定位管的水平度,并调整到设计要求程度。
⑥连接定位器,安装定位线夹。
作业车离开悬挂点,用激光检测仪复检拉出值是否符合设计要求,未达标应调整达标,并安装好止动垫片。
⑦作业车退回悬挂点,作业人员用塞尺调整检测定位器的限位间隙,使其达到设计要求值。
⑧重复上述1—7 操作步骤,进行下一支柱安装。
3、结束①完成当日施工任务,收回工具、材料,降作业平台,放倒作业凳,作业车返回停放地点。
②施工负责人填写施工记录。
四、技术标准1、正、反定位定位管均应水平,正定位允许抬头,反定位允许低头,但其坡度不得大于150mm/m 。
一.施工准备
(三).料设备
二.操作程序(一).工艺流程图
(二).操作方法1.准备
(1).材料检查:对“高压危险”、“接触网终点”牌外观质量进行检查。
(2).预配:先根据其安装固定的长度需要,裁取3.0不锈钢铁线,并双股拧成一根,成为准备安装固定用的“连接线”;然后分别将其连接线的一端绑扎在“高压危险”、“接触网终点”牌四个角上的圆孔内。
2.安装
(1).标识牌对位:根据施工表,对其安装位置进行现场确认正确。
(2).安装人员就位:一人监护,另一人系上安全带和带上送料小绳,上杆或上网到其标识牌对应的安装位置,并固定好安全带,准备接料。
(3).送接料:高空人员将小绳的一端抓紧,另一端交给地面人员;地面人员将其准备安装的标识牌临时绑扎固定在小绳的一端上;高空人员拉起小绳,将标识牌收到手中,准备固定。
(4).固定:按照施工规范要求,在地面人员的监护下,高空人员将其标
图1 接触网终点标牌及安装方向示意图
3.结束
(1).确立:高空作业人员固定标识牌完毕后,随即地面人员再观察确认安装是否符合其质量标准;
(2).收工:高空作业人员下杆或下网。
共同清理现场,收工。
三.技术标准
(一).标识牌制作标准:
1.“高压危险”、“接触网终点”牌,为白底、黑框、黑字,红闪电,均采用调和漆刷制。
2.位于铪支柱上的“高压危险”牌,可直接刷制在其支柱小面。
3.位于钢柱上的“高压危险”牌,应使用木板牌制作,其长×宽为400mm×300mm
4.“接触网终点”牌,如图1所示,应采用2mm厚的镀锌薄铁板制作。
(二).标识牌安装位置标准:
1.高压危险牌,应安装在车站站台、设备支柱等行人较多的支柱上。
天桥和栅栏处也应增设高压危险牌。
2. 位于铪支柱上的高压危险牌,应固定在其支柱的小面上距地面约2.0m 的高度处。
3.位于钢柱上的高压危险牌,应直接悬挂固定在钢柱的上下行两侧,且距地面约2.0m的高度处。
4. 接触网终点标,其高度:应位于终端线路上方的接触网承力索与接触线之间的高度位置,高于接触线高度300mm以上;其纵向位置:应位于其接触线的即将脱弓点上;
(三).标识牌的固定标准:
1.安装后的“高压危险”、“接触线终点”牌应端正,连接牢固。
2.“高压危险”牌安装应高度一致。
3.“接触网终点”牌,其文字的字面,应面向其下方线路上的来车方向,并垂直于线路纵向。
4.连接线回头:不锈钢连接线在连接标识牌和连接支柱和连接承力索和连接接触线时的绑扎回头工艺,应比照软横跨直吊弦回头工艺要求。
四.注意事项
(一).有行车通过时,应停止安装作业,并严禁人员、料具侵入铁路基本建筑限界。
(二).停电施工时,应遵守“停电、验电、接地”等安全技术规定。