混凝土外加剂抗压计算公式
- 格式:xls
- 大小:33.50 KB
- 文档页数:7
外加剂,预拌混凝土,砂浆企业技术资料管理混凝土泵送剂检测原始记录一03-08A 样品名称委托编号规格型号(物理状态)检测日期检测依据环境条件设备名称坍落度筒设备编号设备状态比重计酸度计密度(g/ml)次数密度ρ平均值备注1/ 2PH值次数第一次第二次第三次平均值备注数值/配比材料用量(Kg/m3)组分水泥砂碎石水外加剂备注规格5-10mm 10-20mm配合比参照JC473-2001及GB8076-1999 基准砼受检砼坍落度增加值(mm)次数基准砼坍落度(mm)受检砼坍落度(mm)坍落度增加值(mm)平均值(mm)和易性1 流动性2 保水性3 粘聚性1小时坍落度损失值(mm)次数出机坍落度(mm)经时坍落度(mm)损失值(mm)保留平均值(mm)备注123校核:主检:说明此表由试验室人员填写1、填写时应参考的标准主要有:(1)《混凝土泵送剂》JC473(2)《混凝土外加剂应用技术规范》GB50119。
2、主要填写内容包括:(1)密度:精确到小数点后两位,取两次结果平均值为检测最终结果。
(2)PH值:精确到小数点后一位,取三次结果平均值为检测结果。
(3)坍落度增加值:坍落度精确到5mm或10mm,以三次结果平均值为检测结果。
(4)坍落度保留值:坍落度精确到5mm或10mm,以取三次结果平均值为检测结果,坍落度保留值在备注中注明是1小时坍落度损失或半小时坍落度损失。
泵送剂检验报告一潍混试备证字号03-08B 委托单位报告编号工程名称检测编号样品名称工程部位环境条件规格等级检测依据送样日期生产厂家检测日期试验室地址邮政编码检测内容检测项目性能要求检验结果单项评定PH值应在厂控值的±1之内密度(g/cm3)应在厂控值的±0.02g/cm3之内坍度落增加值(mm)不小于100坍度落保留值(mm)综合结论检测说明批准:校核:主检:检测单位:(盖章)签发日期:说明此表由试验室人员填写,并经校核与批准。
混凝土立方体抗压强度计算
一、混凝土立方体抗压强度的意义
混凝土立方体抗压强度是指混凝土在垂直压力作用下的承受能力,它是评价混凝土材料性能的重要指标之一。
在建筑工程、桥梁工程等领域,混凝土立方体抗压强度对于保证工程质量和安全具有重要意义。
二、混凝土立方体抗压强度计算公式
混凝土立方体抗压强度的计算公式为:
fcu = P / A
其中,fcu 表示混凝土立方体抗压强度(单位:MPa),P 表示试块受到的压力(单位:MPa),A 表示试块的横截面积(单位:mm)。
三、影响混凝土立方体抗压强度的因素
1.水泥强度:水泥强度越高,混凝土立方体抗压强度越高。
2.水泥用量:水泥用量适当增加,可以提高混凝土立方体抗压强度。
但过量使用会导致混凝土开裂。
3.骨料类型和级配:优质骨料和合理的级配有助于提高混凝土立方体抗压强度。
4.水胶比:水胶比越小,混凝土立方体抗压强度越高。
5.养护条件:良好的养护条件有利于混凝土立方体抗压强度的提高。
四、提高混凝土立方体抗压强度的措施
1.选用优质水泥和适当增加水泥用量。
2.合理选择骨料类型和级配。
3.控制水胶比,确保混凝土的流动性。
4.加强混凝土养护,确保水泥充分水化。
5.控制混凝土浇筑时的温度和湿度,避免温度过高或过低导致混凝土收缩开裂。
五、总结
混凝土立方体抗压强度是评价混凝土性能的重要指标,通过对混凝土立方体抗压强度的计算和影响因素的分析,我们可以采取相应措施提高混凝土立方体抗压强度,确保建筑工程质量和安全。
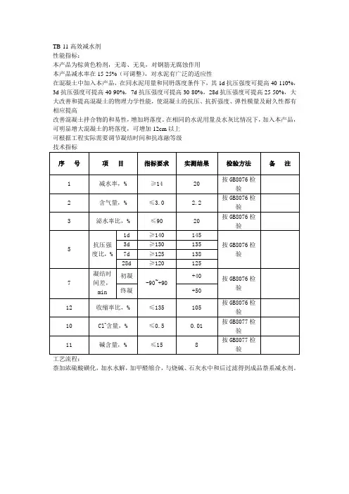
性能指标:
本产品为棕黄色粉剂,无毒、无臭,对钢筋无腐蚀作用
本产品减水率在15-25%(可调整),对水泥有广泛的适应性
在混凝土中加入本产品,在同水泥用量和同坍落度条件下,其1d抗压强度可提高40-110%,3d抗压强度可提高40-90%,7d抗压强度可提高30-80%,28d抗压强度可提高25-50%,大大改善和提高混凝土的物理力学性能,使混凝土的抗压、抗折强度、弹性模量及耐久性都有相应提高
改善混凝土拌合物的和易性,增加坍落度。
在相同的水泥用量及水灰比情况下,加入本产品,可明显增大混凝土的坍落度,可增加12cm以上
可根据工程实际需要调节凝结时间和抗冻融等级
萘加浓硫酸磺化,加水水解,加甲醛缩合,与烧碱、石灰水中和后过滤得到成品萘系减水剂。
性能指标:
本产品为棕黄色粉剂或灰色粉末,无毒、无臭,对钢筋无腐蚀作用
本产品减水率在12-18%(可调整),对水泥有广泛的适应性,不泌水、不离析,可明显改善混凝土的和易性、可塑性和耐久性
在常温情况下,3天强度可达空白混凝土的7天强度,7天强度可达空白混凝土的28强度,28天强度较空白混凝土有所提高
工艺流程:在萘系减水剂基础上加相应早强成分,混合均匀得到成品
TB-43防冻泵送剂
性能指标:
本产品为棕黄色粉末或灰色粉末,无毒、无臭、低碱、不含氯离子,对钢筋无锈蚀作用
减水率15-20%(可调整),可显著改善混凝土的和易性、泵送性、可塑性、耐久性
在同水泥用量,同坍落度条件下,3天强度提高50%以上,7天强度提高30%以上,28天强度提高100%,掺量越大,强度越高
防冻标号视工程要求在D100-D300范围内调整
工艺流程:
在萘系减水剂生产基础上加入早强防冻组分,混合均匀得到成品。
10d混凝土强度推算公式
混凝土强度的推算通常使用混凝土的抗压强度计算公式。
根据《混凝土结构设计规范》(GB 50010-2010)中的规定,混凝土的抗
压强度计算公式为,f_c = k1 × k2 × f_t。
其中,f_c表示混凝
土的抗压强度,k1为混凝土强度修正系数,k2为取样修正系数,
f_t为混凝土的立方体抗拉强度。
在这个公式中,混凝土的抗压强度受到混凝土强度修正系数和
取样修正系数的影响。
混凝土强度修正系数k1考虑了混凝土的强度
等级、配合比、龄期和其他因素的影响,而取样修正系数k2则考虑
了混凝土试件的尺寸和形状对强度测试结果的影响。
混凝土的立方
体抗拉强度f_t是指混凝土在受拉状态下的抗力能力。
需要注意的是,实际工程中混凝土的强度受到多种因素的影响,因此在使用公式计算混凝土强度时,需要根据具体情况进行合理的
修正和调整,以确保计算结果的准确性和可靠性。
同时,在工程实
践中,还需要遵循相关的标准和规范,合理选择混凝土的配合比和
施工工艺,以确保混凝土结构的安全性和耐久性。
外加剂抗压强度比标准全文共四篇示例,供读者参考第一篇示例:外加剂是指在混凝土拌和过程中添加的一种材料,它能够改变混凝土的性能和特性。
外加剂可以提高混凝土的抗压强度、耐久性、抗裂性、抗渗性等性能,从而使混凝土更加牢固和耐久。
而外加剂抗压强度比则是评价混凝土抗压强度提高程度的一个重要指标。
外加剂抗压强度比是指添加外加剂后混凝土抗压强度与标准混凝土抗压强度的比值。
通过比较这个数值,可以评价外加剂对混凝土抗压强度提高的效果。
一般来说,外加剂抗压强度比越高,说明外加剂对混凝土的性能提高效果越好。
外加剂可以分为各种类型,常见的外加剂有水泥外加剂、粘结料外加剂、增强剂外加剂等。
不同类型的外加剂对混凝土的影响也各不相同。
水泥外加剂可以提高混凝土的抗压强度和耐久性,粘结料外加剂可以提高混凝土的粘结性能,增强剂外加剂可以提高混凝土的抗拉强度和韧性等。
外加剂抗压强度比的提高也可以节约材料和降低工程成本。
通过正确选择外加剂,并合理控制用量,可以在不影响混凝土性能的前提下,降低水泥用量,减少混凝土配比中砂、石用量,从而降低混凝土的成本,并提高经济效益。
在使用外加剂的过程中,还需要注意外加剂的质量和掺配比的选择。
外加剂的质量直接影响到混凝土的性能,应选择质量稳定、合格的外加剂产品。
还需要根据混凝土的使用环境和要求,合理选择外加剂的掺配比。
不同的外加剂类型和掺配比对混凝土性能的影响是不同的,需要根据具体情况进行调整和优化。
第二篇示例:外加剂是混凝土中常用的一种添加剂,能够改善混凝土的性能,其中之一就是提高混凝土的抗压强度。
抗压强度是评价混凝土质量的重要指标之一,是指混凝土在受压时所能承受的最大压力。
在混凝土工程中,通常会用到外加剂来增强混凝土的抗压强度,以确保工程质量和安全。
在实际工程中,人们会用抗压强度比(或称为剩余强度比)来评价外加剂对混凝土抗压强度的改善效果。
抗压强度比是指在一定时间内,添加了外加剂的混凝土与普通混凝土相比的抗压强度比值。
混凝土立方体抗压强度计算
摘要:
1.混凝土立方体抗压强度的定义与重要性
2.混凝土立方体试件的制作与养护
3.混凝土立方体抗压强度的计算方法
4.混凝土立方体抗压强度标准值的确定
5.结论
正文:
一、混凝土立方体抗压强度的定义与重要性
混凝土立方体抗压强度,是指混凝土立方体试件在标准养护条件下,达到规定龄期时所能承受的最大压力。
它是衡量混凝土材料抗压性能的重要指标,对于保证混凝土结构的安全和耐久性具有重要意义。
二、混凝土立方体试件的制作与养护
制作混凝土立方体试件时,需要按照标准方法制成边长为150mm 的立方体,并在标准养护条件下(温度202,相对湿度95% 以上)进行养护。
在养护过程中,要注意保持试件的完整性和均匀性,以确保试验结果的准确性。
三、混凝土立方体抗压强度的计算方法
计算混凝土立方体抗压强度时,需要先测量试件的破坏荷载、承压面积等数据。
然后,根据测量数据计算出立方体的抗压强度值。
具体计算公式为:抗压强度= 破坏荷载/ 承压面积
四、混凝土立方体抗压强度标准值的确定
混凝土立方体抗压强度标准值是指按照标准方法制作养护的边长为
150mm 的立方体标准试件,在28d 龄期用标准试验方法测得的具有95% 保证率的立方体抗压强度。
根据我国相关标准规定,混凝土立方体抗压强度标准值用fcu,k 表示。
五、结论
混凝土立方体抗压强度是衡量混凝土材料抗压性能的重要指标,其计算方法和标准值的确定有着严格的规定。
1适用范围本细则适用于混凝土普通减水剂、高效减水剂、缓凝高效减水剂、早强减水剂、缓凝减水剂、引气减水剂、早强剂、缓凝剂、引气剂、泵送剂、防冻剂、膨胀剂的混凝土拌合物中的减水率、常压/压力泌水率比、含气量、凝结时间差、坍落度保留值/增加值以及硬化混凝土的抗压强度比、收缩率比、渗透高度比和对钢筋的锈蚀作用的质量检测。
2检验依据2.1材料标准2.1.1《混凝土外加剂》GB8076-19972.1.2《混凝土泵送剂》JC473-20012.1.3《混凝土防冻剂》JC475-20042.1.4《混凝土膨胀剂》JC476-20012.2试验标准2.2.1《混凝土外加剂的分类、命名与定义》GB/T8075-20052.2.2《混凝土外加剂匀质性能试验方法》GB/T8077-20002.2.3《普通混凝土拌合物性能试验方法》GB/T50080-20022.2.4《普通混凝土力学性能试验方法》GB/T50081-20022.2.5《普通混凝土长期性能和耐久性能试验方法》GBJ82-852.2.6《普通混凝土配合比设计规程》JGJ55-20002.2.7《建筑用砂》GB/T14684-20012.2.8《建筑用卵石、碎石》GB/T14685-20012.2.9《普通混凝土用砂、石质量标准及检验方法》JGJ52-20062.2.10《混凝土外加剂应用技术规范》GB50119-20032.2.11《水泥胶砂强度检验方法(ISO)法》GB/T17671-19992.2.12《水泥细度检验方法(筛析法)》GB1345-20012.2.13《水泥标准稠度用水量、凝结时间、安定性检验方法》GB/T1346-20013取样方法3.1取样:对于每批混凝土外加剂,取样应具有代表性,可连续取,也可以从20个以上不同部位取等量样品。
液体外加剂取样时应注意从容器的上、中、下三层分别取样。
每批取样量不少于0.2t水泥所需用的外加剂用量(以最大掺量计)3.2留样:每一编号取得的试样应充分混匀,分为两等份,一份按规定进行试验,另一份要密封保存半年,以备有争议时提交国家指定的检验机构进行复验或仲裁。
外加剂减水率、泌水率比、含气量、凝结时间差、抗压强度比试验10.1.1适用范围本实施细则适用于高性能减水剂、高效减水剂、普通减水剂、引气减水剂、泵送剂、早强剂、缓凝剂及引气剂共八类混凝土外加剂。
10.1.2依据标准本实施细则依据《GB8076-2008混凝土外加剂》编写。
10.1.3试验方法10.1.3.1材料10.1.3.1.1水泥外加剂试验必须采用GB8076《混凝土外加剂》标准规定的基准水泥。
在因故得不到基准水泥时,允许采用铝酸三钙含量在6%~8%、总碱量(Na2O+0.658K2O)不大于1%的熟料和二水石膏、矿渣共同磨制的强度等级不低于42.5MPa的普通硅酸盐水泥。
但仲裁时仍需要用基准水泥。
混凝土外加剂试验用基准水泥必须由经中国水泥质量监督中心确认具备生产条件的工厂供给。
基准水泥的品质指标应满足以下要求:熟料应满足的要求如下:铝酸三钙含量6%~8%;硅酸三钙含量50%~55%;游离氧化钙含量不得超过1.2%;总碱量(Na2O+0.658K2O)不超过1.0%;水泥比表面积为320±20(10m2/kg)。
用满足上述要求的熟料与二水石膏、矿渣共同磨制生成的强度等级不低于42.5MPa的水泥可作为基准水泥。
10.1.3.1.2 砂所用砂子应满足GB/T14684《建筑用砂》的要求,且它的细度模数为2.6~2.9,含泥量小于1%。
10.1.3.1.3 石子所用石子应满足GB/T14685《建筑用卵石、碎石》的要求,且粒级为5mm~20mm的碎石或卵石,采用二级配,其中5mm~10mm粒级占40%,10mm~20mm占60%,满足连续级配要求,针片状物质含量小于10%,空隙率小于47%,含泥量小于0.5%。
如有争议,以碎石试验结果为准。
10.1.3.1.4 水试验用水应满足JGJ63《混凝土拌合物用水标准》的要求。
10.1.3.2配合比基准混凝土配合比按JGJ55《普通混凝土配合比设计规程》进行设计。
目次前言…………………………………………………………………………………………………………………引言…………………………………………………………………………………………………………………1范围……………………………………………………………………………………………………………2规范性引用文件………………………………………………………………………………………………3术语和定义……………………………………………………………………………………………………4代号……………………………………………………………………………………………………………5要求……………………………………………………………………………………………………………6试验方法………………………………………………………………………………………………………7检验规则………………………………………………………………………………………………………8产品说明书、包装、贮存及退货……………………………………………………………………………附录A(规范性附录)混凝土外加剂性能检验用基准水泥技术条件………………………………………附录B(规范性附录)混凝土外加剂中氯离子含量的测定方法(离子色谱法)…………………………附录C(资料性附录)混凝土外加剂……………………………………………………………………表1受检混凝土性能指标………………………………………………………………………………………表2匀质性指标…………………………………………………………………………………………………表3试验项目及所需数量………………………………………………………………………………………表4外加剂测定项目……………………………………………………………………………………………前言本标准第5章的表1中抗压强度比、收缩率比、相对耐久性为强制性的,其余为推荐性的。
本标准代替GB8076—1997《混凝土外加剂》,与GB8076—1997相比,主要差异在于:——增加了高性能减水剂和泵送剂,并制定了技术要求和试验方法;——增加了产品代号一章;——对高性能减水剂、高效减水剂和普通减水剂划分了类型,即某类外加剂可分早强型、标准型和缓凝型;——取消了合格品,在原一等品性能指标的基础上,对产品技术指标进行了调整;——参考EN9342:2001及JISA6204:2006等标准,调整了匀质性项目的技术指标(如:含固量、含水率、密度等),增加了部分产品的混凝土试验的项目(如:坍落度和含气量1h的经时变化量);——删除了原标准中钢筋锈蚀的测试方法,制定了用离子色谱法测定混凝土外加剂中氯离子含量的测定方法;——提高了混凝土外加剂性能检验专用基准水泥的比表面积。
混凝土外加剂抗压强度比检测方案1.概述混凝土外加剂是指在混凝土配制过程中加入的一种改性材料,目的是改善混凝土的性能。
其中之一的关键性能是抗压强度,也是衡量混凝土质量的重要指标之一、本方案旨在通过比较使用不同外加剂配制的混凝土的抗压强度,评估不同外加剂对混凝土性能的影响,进而为选取合适的外加剂提供有力的科学依据。
2.实验准备(1)实验设备:压力机、试验模具、振动器等。
(2)实验材料:水泥、砂子、石子、外加剂等。
(3)实验样品:准备足量的混凝土样品,其中控制组只使用水泥、砂子和石子,实验组分别加入不同种类的外加剂。
3.实验步骤(1)混凝土配制:a.控制组:按照常规的混凝土配制比例,将水泥、砂子和石子按照一定比例混合,并加入适量的水。
按照一定时间和强度要求搅拌均匀;b.实验组:将外加剂混合进控制组配制好的混凝土中,根据外加剂的使用说明进行控制。
(2)混凝土浇注:将混凝土浇注至试验模具中,每个混凝土尺寸相同,确保浇注过程中不产生空隙和分层。
(3)后期处理:a.去模处理:待混凝土养护一定时间后,进行去模处理,即轻敲模具四周,然后轻轻将模具取下;b.养护处理:将混凝土样品放在恒温恒湿条件下养护,养护时间根据具体外加剂的使用要求确定。
(4)抗压强度测试:a.样品准备:将养护好的混凝土样品从恒温湿度条件下取出,准备测试。
确保样品悬臂长度符合规范要求,避免测量中的误差;b.压力机测试:将样品放置在压力机上,通过施加压力,记录混凝土样品的抗压强度,并记录下来;c.重复测试:根据需要,可以选择多个样品进行多次测试,以提高数据的可靠性和准确性。
4.数据处理与分析(1)计算抗压强度:根据压力机测试得到的数据,计算混凝土样品的抗压强度。
抗压强度计算公式为:抗压强度=最大承载力/断面积。
(2)统计分析:对实验结果进行统计分析,计算平均抗压强度,并进行相关性分析,比较使用不同外加剂的混凝土抗压强度差异是否显著。
(3)结果解释:根据实验结果和统计分析的结果,对比较使用不同外加剂配制的混凝土的抗压强度进行解释和分析。
混凝土外加剂检测及应用技术1外加剂检测普遍反映的问题(1)检测用水泥问题GB8076-2008《混凝土外加剂》规定检验混凝土外加剂性能采用专用的基准水泥,即P·Ⅰ型硅酸盐水泥。
有学者反映现场使用效果与基准水泥检测结果对应性不强,相同的减水剂用工程水泥检测出来的结果与用基准水泥检测出来的结果差异性较大,没有对应关系。
普遍认为按照标准检验出来合格的外加剂在工地不好用,而在工地好用的外加剂按照国家标准检测出来不合格,因此很多外加剂生产企业、混凝土企业建议标准采用工程水泥进行检验。
从图1可以看出,一般情况下用工程水泥检验抗压强度比>基准水泥检验抗压强度比,这是因为用工程水泥检验时,基准混凝土的7d、28d抗压强度较低,会导致受检混凝土抗压强度比数据偏高。
另外可以看出用工程水泥检验出来的结果相差不大,而用基准水泥则可以反映出外加剂的质量水平。
因此如果按照基准水泥检验的减水剂抗压强度比合格,则用工程水泥检验抗压强度比肯定合格。
本人认为作为产品质量检测的国家标准,应该采用基准水泥,因为基准水泥为P·Ⅰ型硅酸盐水泥没有掺加混合材,而工程水泥一般掺较多混合材,容易影响与外加剂的适应性,并且工程水泥质量参差不齐。
产品标准的直接意义是体现在产品质量的横向比较上,而不是在工程的具体应用上。
(2)含气量问题混凝土的含气量是非常重要的指标,适量的含气量可提高混凝土的和易性及耐久性。
新拌混凝土的含气量经搅拌、运输、泵送、入模、振捣后变化非常大,与实验室的静态测试结果存在很大差异,真实含气量与标准检测结果基本没有对应性。
从图2可以看出,用基准水泥测试掺外加剂的受检混凝土的含气量普遍高于用工程水泥测试的试验结果。
这是因为工程水泥中混合材较多,会“吸收”一部分气体,测试出来的含气量结果较低。
考虑到人工砂在混凝土中的大量应用,有学者建议在检验混凝土外加剂时考虑使用人工砂,但是级配、石粉含量、坚固性等性能指标的具体规定符合Ⅱ类砂的要求。
20101115 非规范试件的混凝土抗压强度换算水泥混凝土抗压强度实验一、目的和适用范围本实验规定了测定混凝土抗压极限强度的方法,以确定混凝土的强度等级,作为评定混凝土品质的主要指标,本实验适用于各类混凝土的立方体试件。
二、试件制备1、混凝土抗压强度试件以边长150mm的立方体为规范试件,其集料最大粒径为40mm。
当2、混凝土抗压强度试件应同龄期者为一组,每组为3个同条件制作和养护的混凝土试块。
三、实验结果计算R=P/AR——混凝土抗压强度(MPa)P——极限荷载(N)A——受压面积(mm2)以3个试件测值的平均值为测定值。
如任一个测值与中值的差值超过中值的15%时,则取中值为测定值;如有两个测值与中值的差值均超过上述规定时,则该组实验结果无效。
非规范试件的抗压强度应乘以尺寸换算系数(见下表)根据《建筑结构设计术语和符号规范》GB/T50083-97的规定,混凝土强度等级的定义是:根据混凝土立方体抗压强度规范值划分的强度级别。
混凝土立方体抗压强度规范值,系指按照规范方法制作养护的边长为150mm的立方体试件,在28d龄期用规范实验方法测得的具有95%保证率的抗压强度混凝土试件抗压强度统计评定表计算公式|混凝土试件抗压强度计算公式列题。
混凝土立方体试件规格150*150*150mm和100*100*100mm试件抗压强度MPa=试件破坏荷载(N)/ 试件承压面积(mm²)。
计算应精确至0.1MPa。
当混凝土强度等级<C60时,用非规范试件测得的强度值均应乘以尺寸换算系数。
其值为:对200mm×200mm×200mm试件为1.05;对100mm×100mm×100mm试件为0.95。
当混凝土强度等级≥C60时,宜采用规范试件150mm×150mm×150mm试件。
150mm×150mm×150mm试件换算系数为1.0。