氮气、压缩空气试压方案
- 格式:docx
- 大小:20.70 KB
- 文档页数:2
净化压缩空气打压、吹扫方案一、工程概况1、基本概况:净化压缩空气管道总长:2338 米净化压缩空气设计工作压力I.OMPa,气压试验压力1.15MPa管道级别GC3。
2、管道路由:净化压缩空管道起点为原有空压机站厂房内,新增一套离心空压机设备,主管道为无缝钢管D273X7,管道沿原有管廊铺设,后沿新建管廊穿越经5路,于新建厂房3C轴320线到319线处进入新建厂房。
进入厂房主管线变为D219x6,沿厂房新建管廊铺设。
到达厂房702线后,终点一条为沿7B轴到714线结束管道变为D108X4,另一条为沿702线进入管沟敷设,管道变为D159X5,到7C轴后沿7C轴到715 线结束。
主管线:于新建厂房3C轴320线接工艺天车吹扫D32x3,接点标高:1.2 米。
于新建厂房6A轴602线接脱脂机组入口段机械设备D57X3.5,接点标高:1.0 米。
于新建厂房6A轴604线接脱脂机组工艺段机械D76x4,接点标高:1.0 米。
于新建厂房6A轴606线接脱脂机组工艺吹扫D57X3.5,接点标高:1.0 米。
于新建厂房6A轴608线接脱脂机组出口段机械设备D57X3.5,接点标高:1.0 米于新建厂房6A轴628线接平整机组D108X4,接点标高:1.0米。
于新建厂房7B轴708线接重卷检查D45x3,接点标高1.0米。
于新建厂房7B轴710线接重卷分卷D57X3.5,接点标高1.0米。
于新建厂房7B轴711线接重卷检查D45x3,接点标高1.0米。
于新建厂房7B轴714线接包装机组及人工包装D76x4,接点标高1.0 米。
于新建厂房7C轴707线接重卷拉矫D45x3,接点标高1.0米。
于新建厂房7C轴710线接重卷拉矫D45x3,接点标高1.0米。
于新建厂房7C轴714线接重卷拉矫D45x3,接点标高1.0米。
于新建厂房7C 轴714 线与715 线间接汽车落料线外线管道D108x4。
二、打压、吹扫前准备1 、为确保试压吹扫工作顺利完成,我单位成立试运转工作小组,试运转的操作,由小组统一指挥,统一行动,非小组成员不得进入现场。
氮气管道试压及吹扫施工方案在氮气管道施工中,试压及吹扫是至关重要的步骤,其质量直接影响着管道的安全运行。
本文将介绍氮气管道试压及吹扫的施工方案,旨在保障施工质量,确保管道运行的安全稳定。
一、试压工作流程1. 管道准备阶段在进行试压前,需对氮气管道进行准备工作,包括清洗管道、连接试压设备、关闭相关阀门等。
2. 设定试压参数根据设计要求,设定试压参数,包括试压压力、试压时间等,确保试压过程安全可控。
3. 进行试压操作按照设定的参数进行试压操作,密切监控试压过程,一旦发现异常情况及时处理,确保试压效果符合要求。
4. 试压结束及记录试压结束后,及时排空管道内氮气,并记录试压结果,包括试压压力、试压时间等信息。
二、吹扫工作流程1. 压力减至零在试压完成后,将管道内压力完全释放至零,确保管道内不再存在试压压力。
2. 连接吹扫设备连接吹扫设备,并调整吹扫参数,包括吹扫氮气流量、吹扫时间等。
3. 进行吹扫操作按照设定的吹扫参数进行吹扫操作,确保管道内部清洁干净,无残留物质。
4. 结束吹扫及验收吹扫完成后,对管道进行验收,确保管道内部符合清洁要求,可以进入下一阶段施工。
三、施工安全注意事项1. 操作人员需严格遵守操作规程,做好个人防护措施。
2. 在试压及吹扫过程中,需定期检查设备及管道状态,确保施工安全。
3. 如发现异常情况,应立即停止施工,并及时报告相关部门。
结语氮气管道试压及吹扫是施工过程中关键的环节,合理执行施工方案,严格遵守操作规程,是确保管道安全运行的重要保障。
希望本文介绍的方案能够对氮气管道试压及吹扫工作提供参考,确保施工质量和安全。
氮气管道试压及吹扫施工方案氮气管道试压及吹扫是在管道安装和维护过程中非常重要的步骤,它可以确保管道系统的安全和稳定运行。
本文将介绍氮气管道试压及吹扫的施工方案,以便工程人员更好地进行相关工作。
1. 材料准备在进行氮气管道试压及吹扫前,首先需要做好材料准备工作。
需要准备的材料包括氮气瓶、压力表、管道连接件以及其他必要的工具和设备。
2. 施工准备在进行试压及吹扫工作前,需要做好施工准备。
首先要确保工作场所安全,并进行必要的通风处理。
另外,需对氮气瓶进行检查,确保氮气供应充足,且瓶体无泄漏。
3. 试压工作试压是管道安装的一个重要环节,它可以检测管道系统的密封性能。
在进行试压前,需要先将管道系统与氮气瓶连接好,然后逐步加压,直至达到设计要求的试压压力。
在试压的过程中,需要密切观察压力表的压力变化,并做好记录。
4. 吹扫工作试压完成后,需要进行吹扫工作,以清除管道内的杂质和水分。
在进行吹扫前,需要将氮气通入管道系统,再通过管道的排气口将杂质和水分清除出去。
吹扫完成后,需要检查管道系统的清洁度,并做好记录。
5. 完工验收完成试压及吹扫后,需要对管道系统进行验收工作。
验收包括检查管道系统的密封性能和清洁度,以确保管道系统没有任何问题。
同时,还需做好试压及吹扫的相关记录,并进行归档保存。
结语氮气管道试压及吹扫是管道安装和维护工作中非常重要的一环,它可以确保管道系统的安全运行。
在进行试压及吹扫工作时,需要严格按照规范和要求进行操作,以确保工作的质量和安全。
希望本文介绍的氮气管道试压及吹扫施工方案能对工程人员在实际工作中提供一定的参考和帮助。
燃气、热力管道试压吹扫方案A第一章.编制依据1.山东省冶金设计院股份有限公司设计的有关施工图纸及相关资料;主厂房燃气管道()主厂房压缩空气管道()加热炉氮气管道()加执炉煤气管道()加址炉汽化冷却除氧给水管道()2.以下施工验收规范标准和有关规定:《工业金属管道工程施工及验收规范》(GB50235-2010)《现场设备、工业管道焊接工程施工及验收规范》(GB50236-2011)《工业设备及管道绝热工程施工及验收规范》(GB50264-2010)3.施工现场实际情况。
第二章、工程概况1•工程概况我单位承建该工程主厂房氧气管道、氮气管道以及压缩空气管道,加热炉氮气管道及煤气管道。
其中氧气管道DN100和DN80,压缩空气管道DN300、DN200及DN100,氮气管道DN100和DN80,煤气管道DN1000和DN800,蒸汽管道DN250和DN200o第三章、施压吹扫部署1、管道试压、吹扫前应具备的条件、试验范围内的管道安装工程除涂漆绝热外,已按设讣图纸全部完成,安装质量符合有关规定;、焊缝及其它待检部位尚未涂漆和绝热;、气、水压试验前,管道顶部回填土宜留出接口位置;、试验管段所有敞口应封闭,不得有渗气现象;、试验管段不得用闸阀做堵板,不得含有消火栓、安全阀、仪表元件等附件;拆除或采取措怖隔离•、气、水压註验前应清除管道内杂物;、试验用压力表已经校验,并在周检期内,其精度不得低于级,表的满刻度值应为被测最大压力的〜2倍,压力表不得少于两块;、按试验的要求,管道已经加固;、待试管道与无关系统已用盲板或采取其它措施隔开;、试验方案已经过批准,并已进行了技术交底。
2、管道试压根据《工业金属管道工程施工及验收规范》GB50235-2010及设计文件要求,氧气、氮气.压缩空气、煤气管道釆用气压试验,强度试验压力为设计压力倍,严密性试验压力等于工作压力,其中氧气及氮气管道试验介质为氮气,压缩空气管道、煤气管道试验介质釆用压缩空气进行试验,蒸汽管道采用水压(或气压)试验,强度试验压力为设计压力的()倍。
郑州地铁2号线一期FAS及气体灭火系统工程气体灭火系统管道压力试验方案编制人:审核人:批准人:2015年12月20日一、气体灭火系统概况郑州地铁2号线一期工程气体灭火系统采用IG541气体组合分配灭火系统,试压按照气体灭火保护区域分别试压。
试压管段从区域选择阀后端一直到IG541气体灭火系统保护区域内所有喷头。
二、试验依据、方法:1.依据:规范:《气体灭火系统施工及验收规范》GB50263-2007附录E试验方法E.1.3当水压强度试验条件不具备时,可采用气压强度试验代替。
气压强度试验压力取值:二氧化碳灭火系统取80%水压强度试验压力,IG541混合气体灭火系统取10.5MPa,卤代烷1301灭火系统和七氟丙烷灭火系统取1.15倍最大工作压力。
E.1.4气压强度试验应遵守下列规定:试验前,必须用加压介质进行预试验,试验压力宜为0.2MPa。
试验时,应逐步缓慢增加压力,当压力升至试验压力的50%时,如未发现异状或泄漏,继续按试验压力的10%逐级升压,每级稳压3min,直至试验压力。
保压检查管道各处无变形,无泄漏为合格。
E.1.5灭火剂输送管道经水压强度试验合格后还应进行气密性试验,经气压强度试验合格且在试验后未拆卸过的管道可不进行气密性试验。
E.1.6灭火剂输送管道在水压强度试验合格后,或气密性试验前,应进行吹扫。
吹扫管道可采用压缩空气或氮气,吹扫时,管道末端的气体流速不应小于20m/s,采用白布检查,直至无铁锈、尘土、水渍及其他异物出现。
E.1.7气密性试验压力应按下列规定取值:1对灭火剂输送管道,应取水压强度试验压力的2/3。
2对气动管道,应取驱动气体储存压力。
E.1.8进行气密性试验时,应以不大于0.5Mpa/s的升压速率缓慢升压至试验压力,关断试验气源3min内压力降不超过试验压力的10%为合格。
E.1.9气压强度试验和气密性试验必须采取有效的安全措施。
加压介质可采用空气或氮气。
1)图纸设计说明六、第12条:选择阀上游管道管件的工作压力为17.2Mpa,下游管道管件的工作压力为8.7Mp a。
锅炉试压方案一、背景介绍锅炉试压是指在锅炉安装、维修、改造等工作过程中,对锅炉进行压力测试,以验证其密封性和承压能力是否符合要求。
试压方案是指在进行锅炉试压前,制定的详细方案,包括试压方法、试压压力、试压时间等内容。
二、试压方法1. 干式试压:将锅炉内部与外部密封,通过压缩空气或氮气等介质进行试压。
2. 水压试压:将锅炉内部与外部密封,用水进行试压,常用的方法有静态水压试压和动态水压试压。
三、试压压力试压压力应根据锅炉的设计要求和相关标准确定,一般为锅炉设计压力的1.25倍。
具体试压压力可根据锅炉类型、材料、容量等因素进行调整。
四、试压时间试压时间应根据锅炉的尺寸、材料等因素确定,一般为1小时。
在试压过程中,应注意观察锅炉的密封性和压力泄漏情况,确保试压时间充分。
五、试压步骤1. 准备工作:检查锅炉的密封性、阀门的开闭情况等,确保试压前的准备工作完备。
2. 密封锅炉:根据试压方法的选择,对锅炉进行相应的密封工作,确保试压过程中无泄漏。
3. 充气或充水:按照试压方法选择的介质,将介质充入锅炉内部,逐渐增加压力,直至达到试压压力。
4. 观察试压过程:在试压过程中,要仔细观察锅炉的密封性和压力泄漏情况,确保试压过程安全可靠。
5. 保持试压:在达到试压压力后,保持试压一段时间,观察压力变化情况,确保锅炉的密封性。
6. 释放压力:试压结束后,逐渐释放锅炉内的压力,确保安全。
六、试压记录试压过程中应记录试压压力、试压时间、试压结果等信息,以备后续参考和分析。
七、安全注意事项1. 在试压过程中,应确保锅炉周围无可燃物,防止发生火灾事故。
2. 操作人员应穿戴好防护装备,确保人身安全。
3. 严禁超过试压压力进行试压,以免造成锅炉损坏或安全事故。
4. 试压过程中,应密切关注锅炉的压力变化和泄漏情况,及时采取相应措施。
八、试压结束后处理试压结束后,应及时处理试压介质,清洗锅炉内部,恢复正常工作状态。
以上是锅炉试压方案的详细内容,通过制定合理的试压方案,可以确保锅炉的密封性和承压能力符合要求,提高锅炉的安全性和可靠性。
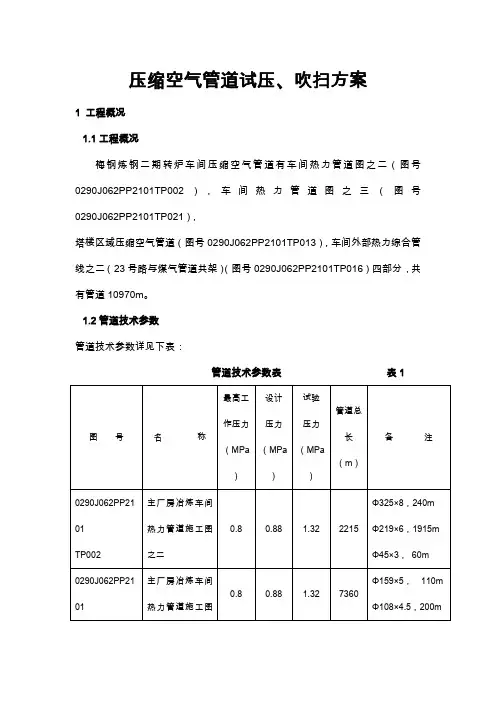
压缩空气气体管道吹扫试压方案Pleasure Group Office【T985AB-B866SYT-B182C-BS682T-STT18】压缩空气管道试压、吹扫方案1 工程概况工程概况梅钢炼钢二期转炉车间压缩空气管道有车间热力管道图之二(图号0290J062PP2101TP002),车间热力管道图之三(图号0290J062PP2101TP021),塔楼区域压缩空气管道(图号0290J062PP2101TP013),车间外部热力综合管线之二(23号路与煤气管道共架)(图号0290J062PP2101TP016)四部分,共有管道10970m。
管道技术参数管道技术参数详见下表:管道技术参数表表12 编制依据相关标准2.1.1 GB50235-1997《工业金属管道施工及验收规范》;2.1.2 GB/《压力管道规范工业管道第4部分:制作与安装》。
施工图2.2.1中冶赛迪工程技术股份有限公司设计的《车间热力管道图之二(图号0290J062PP2101TP002)》;2.2.2中冶赛迪工程技术股份有限公司设计的《车间热力管道图之三(图号0290J062PP2101TP021)》;2.2.3中冶赛迪工程技术股份有限公司设计的《塔楼区域压缩空气管道(图号0290J062PP2101TP013)》。
2.2.4中冶赛迪工程技术股份有限公司设计的《车间外部热力综合管线之二(23号路与煤气管共架)(图号0290J062PP2101TP016)》。
3 施工计划进度计划见另纸。
劳动力计划材料计划介质需求计划压缩空气,压力≥;氮气,压力≥。
4. 项目组织机构我公司成立管道试压、吹扫领导小组,具体组成见。
管道试压、吹扫领导小组组长:易高文副组长:李洪波林国强梅钢炼钢项目组(1人)宝钢监理(1人)成员:张春雷王峰高举高吉中梅钢炼钢项目组(1~2人)宝钢监理(1~2人)主要人员及联系电话分工及职责4.3.1十九冶项目部负责:⑴总的指挥和协调。
目录1、工程概况 (3)1.1 工程概况 (3)1.2 管道特性表 (3)2、工业管道吹洗与试压的要求 (3)2.1 管道系统试验 (3)2.2 管道的吹扫与清洗 (5)3、试压方案 (5)3.1 试压技术要求 (5)3.2 试压工艺流程 (6)3.3 试压前的准备 (7)3.4 试压操作步骤 (7)3.5 试压时安全注意事项 (8)4、吹扫方案 (9)4.1 吹扫技术要求 (9)4.2 吹扫作业流程 (9)4.3 吹扫操作步骤 (9)4.4 吹扫作业安全注意事项 (9)1、工程概况1.1 工程概况制氧站的压缩空气管道平面布置图中压缩空气管道,氧气管道平面布置图中氧气管道、压缩空气管道、氮气管道施工内容。
包括:流体输送用不锈钢无缝钢管压缩空气管道系统约410米,氧气管道系统约600米,管道共有约1010米。
1.2 管道特性表2、工业管道吹洗与试压的要求2.1 管道系统试验管道系统安装完毕后,应按设计或规范要求对管道系统进行试验。
根据管道系统不同的使用要求,主要有压力试验、泄漏性试验。
2.1.1管道压力试验一般规定⑴试验范围内的管道安装工程除涂漆、绝热外,已按设计图纸全部完成,安装质量符合有关规定。
⑵焊缝及其他待检部位尚未涂漆和绝热。
⑶管道上的膨胀节已设置了临时约束装置。
⑷试验用压力表在周检期内并已经校验,其精度不得低于1.6级,表的满刻度值应为被测最大压力的1.5~2倍,压力表不得少于两块。
⑸符合压力试验要求的气体已经备齐。
⑹管道已按试验的要求进行了加固。
⑺待试管道与无关系统已用盲板或其他隔离措施隔开。
⑻待试管道上的安全阀、爆破片及仪表元件等已拆下或加以隔离。
⑼试验方案已经过批准,并已进行了技术安全交底。
⑽在压力试验前,相关资料已经建设单位和有关部门复查。
⑾压力试验合格后,应填写《管道系统压力试验和泄漏性试验记录》。
2.1.2管道气压试验的实施要点气压试验是根据管道输送介质的要求,选用空气或惰性气体作介质进行的压力试验,本次选用的试验气体为主要为干燥洁净的空气、少量氮气或其他不易燃和无毒的气体。
(气体灭火系统管道气密性试验/强度试验、管道吹扫方案)(2005 年 12 月 30 日)编制人:审查人:同意人:2005年 12月 30日一、序气体灭火管道气压严实性试验 / 强度试验、管道吹扫(简称试压过程)是管道施工中的一个重点工序,是对施工达成后整个管路系统的一个最后的检测环节。
对于每一个成品管路系统,除了要达到表面感官要求外,还应当在使用前经过试压对其性能做出检测,只有这样才能保证管道系统在使用前已达到必定的要求,保证使用时不出问题。
二、试验依照、方法:1.依照:1)规范:《气体灭火系统施工及查收规范》( GB 50263-97)是当前国内独一一本针对气体灭火系统的施工及查收规范,固然不过对卤代烷灭火系统和二氧化碳气体灭火系统的施工和查收作出的原则规定,但因为烟烙尽气体灭火系统作为一种气体灭火系统,并且系统的某些特征又与高压二氧化碳特别相像,所以该规范中相当多的内容应当能够作为烟烙尽气体灭火系统施工及查收的依照。
《工业金属管道工程施工及查收规范》(GB 50235-97)是对原《工业管道工程施工及查收规范》(金属管道篇)(GBJ235-82)进行订正后从头公布的规范。
该规范固然是针对工业管道的,并且是按管道中输送的流体性质来来区分管道的种类和提出相应的要求,但它同时也需要按管道的工作压力来区分管道的种类和提出相应的要求,并且其合用的管道工作压力最高可达42MPa,远远大于烟烙尽气体灭火系统管道的工作压力,完整能够作为对《气体灭火系统施工及查收规范》( GB 50263-97)内容的不足之处的增补。
因为《气体灭火系统施工及查收规范》(GB 50263-97)是在《工业金属管道工程施工及查收规范》(GB 50235-97)公布以前编制的,所以此中对于管道强度试验随和密性试验的要求与后者有较大的矛盾。
建议依照《工业金属管道工程施工及查收规范》( GB 50235-97 )的要求履行。
2)图纸 F2541S-S0508-01(烟烙尽气体灭火系统设计总说明)第 12条:减压孔板上游的工作压力为 15Mpa,下游的工作压力为 7 Mpa。
供热管道试压方案
一、试压前准备工作:
1.检查管道连接部位的焊接质量和紧固螺栓的紧固情况,确保各个连接处无漏气现象。
2.检查试压泵的运行状态,并对试压设备进行检修、清洗、润滑等工作,确保其正常运行。
3.准备好试压工具和试压介质,试压介质一般选择气体或液体,常用的试压介质有氮气、压缩空气、水等。
4.标记试压点和试压时间,以便于观察压力变化情况。
二、试压方案:
1.确定试压压力和试压时间,一般按照设计压力的1.5倍进行试压,试压时间一般为2-24小时,具体视管道长度和材料而定。
2.封闭除试压部位外的所有管口,确保试压系统处于封闭状态,以防止试压介质的泄漏。
3.连接试压泵和被试管道,打开两者之间的阀门,启动试压泵,将试压介质进入管道。
4.试压过程中,监测试压泵的工作状态,观察管道各个试压点的压力变化情况,如发现压力波动较大,应及时停止试压,检查管道连接处是否存在漏气现象。
5.试压时间到达后,关闭试压泵,断开试压泵和被试管道的连接,排除试压介质,然后关闭试压点,结束试压过程。
三、试压后处理:
1.检查试压过程中各个试压点的压力变化情况,正常情况下,试压点的压力应保持稳定,无明显下降。
2.检查试压点是否存在泄漏,如发现泄漏现象,应及时进行维修和处理。
3.记录试压过程中的数据和压力变化情况,以备后期参考。
4.清洗试压设备和管道,保持设备的良好状态,以备下次试压使用。
以上是一种供热管道试压方案的详细描述,试压过程中需要严格按照相关操作规程进行操作,以确保试压过程的安全可靠。
具体方案的制定还需要考虑实际情况和相关技术要求,可根据具体工程需求进行调整。
压缩空气管道试压、吹扫方案1 工程概况1.1工程概况梅钢炼钢二期转炉车间压缩空气管道有车间热力管道图之二(图号0290J062PP2101TP002),车间热力管道图之三(图号0290J062PP2101TP021),塔楼区域压缩空气管道(图号0290J062PP2101TP013),车间外部热力综合管线之二(23号路与煤气管道共架)(图号0290J062PP2101TP016)四部分,共有管道10970m。
1.2管道技术参数管道技术参数详见下表:管道技术参数表表12 编制依据2.1相关标准2.1.1 GB50235-1997《工业金属管道施工及验收规范》;2.1.2 GB/T20801.4-2006《压力管道规范工业管道第4部分:制作与安装》。
2.2施工图2.2.1中冶赛迪工程技术股份有限公司设计的《车间热力管道图之二(图号0290J062PP2101TP002)》;2.2.2中冶赛迪工程技术股份有限公司设计的《车间热力管道图之三(图号0290J062PP2101TP021)》;2.2.3中冶赛迪工程技术股份有限公司设计的《塔楼区域压缩空气管道(图号0290J062PP2101TP013)》。
2.2.4中冶赛迪工程技术股份有限公司设计的《车间外部热力综合管线之二(23号路与煤气管共架)(图号0290J062PP2101TP016)》。
3 施工计划3.1进度计划见另纸。
3.2劳动力计划3.3材料计划3.4介质需求计划压缩空气,压力≥0.5MPa;氮气,压力≥1.1MPa。
4. 项目组织机构我公司成立管道试压、吹扫领导小组,具体组成见4.1。
4.1管道试压、吹扫领导小组组长:易高文副组长:李洪波林国强梅钢炼钢项目组(1人)宝钢监理(1人)成员:张春雷王峰高举高吉中梅钢炼钢项目组(1~2人)宝钢监理(1~2人)4.2主要人员及联系电话4.3 分工及职责4.3.1十九冶项目部负责:⑴总的指挥和协调。
⑵对讲机准备。
江西新余钢铁股份有限公司8#高炉易地大修工程四标段氮气管道安装工程试压吹扫方编制:审核:湖南省工业设备安装有限公司新钢项目部二0一一年八月、工程概况本工程为新钢8#高炉易地大修工程四标段氮气管道安装,由中冶京诚工程技术有限公司设计,该管道全程采用© 159 X 6的20#无缝钢管,共计560米,设计压力为2.53MPa。
二、执行技术标准:试压时主要以设计施工图及及施工说明为准,同时参照下列规范和标准进行。
GB50235-97《工业金属管道工程施工及验收规范》GB50236-98《现场设备、工业管道焊接工程及验收规范》三、试压条件试压范围内的管道安装工程均已按设计图纸全部完成,安装质量符合设计及规范要求,所有焊缝及其他待检部位均进行外观检查合格,按试验的要求,管道已经加固,试压用的压力表已经效验,并在周检期内,其精度不得低于1.5级。
四、试压方法本氮气管道采用气体做强度试验,试验压力为1.15P(2.91MPa),试验时,制定可靠的安全措施,并经主管单位安全部门批准后进行,升压应逐级缓慢进行,先升到试验压力的50%进行检查,如无泄漏及异常现象,继续按照试验压力的10%逐级升压,直到试验压力,每一级稳压3min,达到试验压力后,稳压10min, 以无泄漏,无变形为合格。
再将压力降至设计压力 2.53MPa,稳压时间根据对管道进行整体检查时间而定。
在强度试验合格后,氮气管道应进行泄露性试验,试验时,缓慢升压到设计压力后,断开试验气源,并关闭主阀,在达到试验压力,并停压10min后,用涂刷中性发泡剂的方法,巡回检查所有密封点,重点检查阀门法兰处,以不泄露为合格。
泄露性试验合格后的管道用无油、干燥的氮气,以不小于20m/s 的流速吹扫。
吹扫过程中,当目测排气无烟尘时,在排气口设置贴白布或涂白漆的木制靶板检验,5min内靶板上无铁锈、尘土、水分及其他杂物为合格。
五、安全保证措施由于氮气管道为压力管道,在进行压力试验及吹扫时划定禁区,无关人员不得进入,在试验过程中如发现不合格焊缝,不得带压处理,需卸压处理后再重新做压力试验,直到合格。
压缩空气管道试压标准和时间1. 前言好啦,今天咱们聊聊压缩空气管道试压这个话题。
听上去可能有点儿晦涩,但其实就像我们平时喝水、做饭那样简单,大家别紧张哈!试压可是一件大事儿,不仅能确保我们的管道安全,还能避免未来的麻烦,省得自己后悔得肠子都青了。
要说这试压,咱们得从标准和时间两方面来聊聊,话不多说,咱们开聊吧!2. 试压标准2.1 压力标准首先,咱们得搞清楚试压的时候,应该用多大的压力。
一般来说,压缩空气管道的试压标准是正常工作压力的1.5倍。
这意思就是,如果你们的管道平时工作在7公斤的压力下,试压的时候就得用10.5公斤的压力。
就像打篮球,你得先把球打好,再去比赛,不然就真是有点儿“纸上谈兵”了。
不过,别小看这个压力,试压的标准并不是随便来的。
它得经过相关部门的认证和行业的标准要求,才能让人心里有个谱。
听说过“规范一条龙”吧?就是得有章可循,这样大家才能少走弯路,避免在日后的使用中出现意外。
2.2 材料和设备再说说管道的材料和设备,试压的时候,咱们不能把过期的东西拿出来用。
管道的材料应该是合格的,比如碳钢、不锈钢等等,别用那些容易老化的塑料管啊。
就像我们吃东西一样,必须得新鲜,别让自己吃了后悔。
而且,试压的时候,设备也要跟上,压力表、阀门、接头这些都是必不可少的。
如果这些小家伙儿不靠谱,结果就可能是“好端端的试压变成了大场面”。
所以,提前检查好这些东西,是个好习惯!3. 试压时间3.1 时间长度接下来聊聊试压时间,大家可能会想,试压难不成也有时间限制?当然有!一般情况下,压缩空气管道的试压时间至少要保持30分钟。
这就好比考试,时间不够可就完了,30分钟得确保压力不变,这样才能保证管道的牢固性。
谁都不想一出门就发现管道漏气,那可就糗大了。
不过,具体的试压时间也可能会根据管道的类型、长度和使用的环境有所不同。
就像你上街买菜,有时候菜新鲜,有时候得挑挑拣拣,不能一概而论。
一般来说,专业的施工单位会根据具体情况来决定最适合的试压时间。
太钢轧钢七路部分管线迁移工程埋地氮气、压缩空气管道试压方案项目部:监理公司:审核:编制:建设设备安装公司管道分公司 2006-8-5一、工程概况太钢轧钢七路部分管线迁移工程――埋地氮气管道全长220米,其中埋地部分200米,架空部分20米,焊口采用氩弧焊打底,电焊盖面,工作压力3Mpa以下,外壁采用3PE级防腐层;埋地压缩空气管道全长300米,其中埋地部分260米,架空部分40米,焊口采用氩弧焊打底,电焊盖面,工作压力为1.2Mpa,外壁采用3PE级防腐层。
二、工程量无缝钢管φ108×5 220米;无缝钢管φ273×7 100米;无缝钢管φ325×8 200米;压缩空气用碟阀DN300 2套;压缩空气用碟阀DN250 1套;三、工程依据GB50235――97《工业金属管道施工及验收规范》GB50236――98《现场设备工业管道焊接工程施工及验收四、管道试压1.氮气管道将管道的两端用盲板堵好,在管道附近接现有的压缩空气或氮气进行充气试验,在端部设压力表等计量装置。
该管道的设计压力为3Mpa,强度试验压力应为1.15P,严密性试验压力为1.0P。
要求使用干燥无油的压力≥3.0Mpa的空气或氮气为试验介质。
2.压缩空气管道该管道要求进行水压试验,强度试验压力为1.2Mpa,严密性试验压力为0.8Mpa。
打压时在高处设置放气阀门,低处设置排水门,在管道附近连接压力大于0.2Mpa的水管进行注水,从管道的低处往高处注水,打开放气门排气,待放气门排出无气泡的水后,关闭放气门,启动打压机对管道进行试压,试验时升压要缓慢,专人进行操作。
首先升到试验压力的50%进行检查,如无泄漏及异常情况时继续已试验压力的10%逐级缓慢升压,每升一级稳压3分钟,直至升到试验压力,检查压力不降及管道无异常为合格。
压缩空气管道试压方案
1.安装前对管材及附件进行外观检外表面不得有纹、分层、
砂眼、凹陷等缺陷,对于管材壁厚不均匀度及椭圆度,都应在允许公差范内。
2.管道安装前,必须清除管于内壁的铁锈和污物,可采用圆
形钢丝刷反复刷。
3.经切割、焊接加工后的管子,不得留有金属熔渣等残余物,
应保证焊缝均匀,接口平齐,无咬口及砂眼等缺陷。
4.应尽量采用弯的管道弯头,一般保证弯曲半径为4D:不应
小于3D:煨扁度不应大于管道。
5.为使机房整齐清洁、便于操作,一班压缩空气管宜架空布
置,冷却水干管用不通行地沟敷设,管道应尽量沿墙柱布置。
氮气管道试压方案背景管道工程的试压是确保管道系统满足安全要求的重要步骤。
氮气作为一种非常稳定的气体,具有不易燃烧、不易爆炸、无毒无味等特点,因此经常被用于管道试压。
本文旨在介绍氮气管道试压方案的具体实施步骤和注意事项。
实施步骤步骤一:准备工作1.确定管道试压区域,安排好管道系统的疏通、洗管等前期准备工作;2.选购氮气压力桶和温度计、压力表等必要设备;3.在试压前,对氮气压力桶、配管及附件的检查要求如下:–压力桶、配管及附件应完好无损,无磕碰、变形、裂纹等损坏;–压力桶应固定牢固,阀门、管道接口应无外漏气现象;–压力表、温度计应精度及样式符合需要;–氮气桶及附件的生产日期应在有效期内;–确定氮气桶的充装压力为使用压力的1.5倍。
步骤二:管道试压按照如下步骤进行氮气管道试压:1.将氮气压力桶与管道系统相接,用手轻轻拍打管道以使得管道内的空气被排出;2.开启管道系统尽可能多的阀门,避免管道系统内有空气被压缩产生过高的压力,从而导致管道系统产生泄漏和损坏;3.慢慢开启氮气压力桶的阀门并调整气压,等到气压逐渐稳定在设定值后,停止充气;4.在管道系统稳定保压30分钟以上,并对系统进行检查,确认没有任何的漏气现象。
对于漏气现象,应及时查找管道漏气点并进行维修;5.试压后,需要缓慢放掉气体,在保证人员安全的前提下,将气体排放到收集系统中。
步骤三:检测报告在检查确认管道系统不存在漏气现象后,需要对试压结果进行评估和报告。
常用的检测评估参数如下:1.活塞式压力表:300Mpa;2.差压表:1.6Mpa;3.温度表:-40℃~60℃范围内的任意值;4.实验过程应记录至少以下内容:–管道系统的试压日期,试压试验机构名称及地址;–管道系统全长及直径;–管道系统的试压压力及持续时间;–管道系统试压前及试压期间的检查记录;–管道系统试压结果记录,及检测评估结果。
注意事项在进行氮气管道试压过程中,需要注意以下问题:1.管道试压应由检测人员亲自监督。
锅炉试压方案一、背景介绍锅炉试压是指在安装、改造或维修锅炉时,通过对锅炉进行压力测试,以确保其在正常工作压力下的安全性和可靠性。
试压方案是进行锅炉试压工作的操作指南,它包括试压设备、试压方法、试压步骤、试压压力等内容。
二、试压设备1. 试压泵:使用高压柱塞泵或螺杆泵等试压泵进行试压,确保提供足够的试压压力。
2. 试压表:使用精确可靠的试压表,能够准确测量试压压力,范围应覆盖试压压力范围。
三、试压方法1. 干式试压:在锅炉内充满干燥的氮气或压缩空气,提供试压压力,检测锅炉的密封性能。
2. 湿式试压:在锅炉内充满水,提供试压压力,检测锅炉的耐压性能。
四、试压步骤1. 准备工作:a. 确保试压设备完好,并进行必要的维护保养。
b. 清洁锅炉内部,排除杂物和污垢。
c. 检查锅炉的密封性能,确保无漏水现象。
2. 干式试压步骤:a. 将试压泵连接到锅炉试压接口,确保连接牢固。
b. 打开试压泵,逐渐增加试压压力,直至达到预定试压压力。
c. 保持试压压力稳定,并观察锅炉是否存在渗漏现象。
d. 在试压时间结束后,逐渐降低试压压力,关闭试压泵。
3. 湿式试压步骤:a. 将锅炉内充满水,确保水位正常。
b. 将试压泵连接到锅炉试压接口,确保连接牢固。
c. 打开试压泵,逐渐增加试压压力,直至达到预定试压压力。
d. 保持试压压力稳定,并观察锅炉是否存在渗漏现象。
e. 在试压时间结束后,逐渐降低试压压力,关闭试压泵。
f. 将试压水排放干净,恢复锅炉正常工作状态。
五、试压压力试压压力应根据锅炉的设计要求确定,一般情况下,试压压力应为锅炉设计工作压力的1.5倍。
例如,设计工作压力为1.0MPa的锅炉,试压压力应为1.5MPa。
六、试压记录试压过程中应记录试压时间、试压压力、观察到的异常情况等内容。
试压记录应保存至少一年,以备日后参考。
七、安全注意事项1. 在试压过程中,应严格遵守相关安全操作规程,确保人员和设备的安全。
2. 在试压过程中,应密切观察锅炉是否存在渗漏、变形等异常情况,如发现异常应及时停止试压,并进行必要的处理。
太钢轧钢七路部分管线迁移工程
埋地氮气、压缩空气管道
项目部:
监理公司:
审核:
编制:
2006-8-5试压方案
建设设备安装公司管道分公司
一、工程概况
太钢轧钢七路部分管线迁移工程――埋地氮气管道全长220米,其中埋地部分200米,架空部分20米,焊口采用氩弧焊打底,电焊盖面,工作压力
3Mpa以下,外壁采用3PE级防腐层;埋地压缩空气管道全长300米,其中埋地部分260米,架空部分40米,焊口采用氩弧焊打底,电焊盖面,工作压力为1.2Mpa,外壁采用3PE级防腐层。
二、工程量
无缝钢管φ108×5220米;
无缝钢管φ273×7100米;
无缝钢管φ325×8200米;
压缩空气用碟阀DN3002套;
压缩空气用碟阀DN2501套;
三、工程依据
GB50235――97《工业金属管道施工及验收规范》
GB50236――98《现场设备工业管道焊接工程施工及验收
四、管道试压
1.氮气管道
将管道的两端用盲板堵好,在管道附近接现有的压缩空气或氮气进行充气试验,在端部设压力表等计量装置。
该管道的设计压力为3Mpa,强度试验压力应为1.15P,严密性试验压力为1.0P。
要求使用干燥无油的压力≥3.0Mpa的空气或氮气为试验介质。
2.压缩空气管道
该管道要求进行水压试验,强度试验压力为1.2Mpa,严密性试验压力为0.8Mpa。
打压时在高处设置放气阀门,低处设置排水门,在管道附近连接压力大于0.2Mpa的水管进行注水,从管道的低处往高处注水,打开放气门排气,待放气门排出无气泡的水后,关闭放气门,启动打压机对管道进行试压,试验时升压要缓慢,专人进行操作。
首先升到试验压力的50%进行检查,如无泄漏及异常情况时继续已试验压力的10%逐级缓慢升压,每升一级稳压3分钟,直至升到试验压力,检查压力不降及管道无异常为合格。