LED日光管标准文件
- 格式:doc
- 大小:86.00 KB
- 文档页数:8
T8 LED日光灯使用对比一、范围本标准是对T8 LED日光灯的产品规格、技术参数、测试标准、环境测试、使用方法及注意事项等的说明。
二、产品规格1)名称:T8 LED日光灯2)型号:T8-1200/900/600-XX-X比如:T8-1200-26-A ,表示T8灯管类型,1200mm长,直径为26mm,A(为内部编号)型截面的灯管壳体。
3)外型尺寸:长度1200mm/900mm/600mm可选,直径26mm/28mm/30mm可选。
4)成品外形:注:此型号为通用型LED日光灯,一些型号可能与此外观不同,以实物为准。
三、技术参数及产品特点二)、T8 LED日光灯与传统灯管投入成本与电费对比。
条件为:1、以1支日光灯每天照明14小时计算。
2、1支20W T8 LED日光灯(含电源,效率90%)耗电量与1支44W传统日光灯管(含整流器效率90%)亮度相当。
以上数据来源:以国产鸿利光提供的LED光通量数据:1瓦产生70lm,即18瓦×80lm=1440 lm;40瓦PHILIPS传统日光产生1500 lm。
3、以使用国产LED价格计算。
(若使用进口LED,20W LED 日光灯可达到68W传统日光灯管亮度)一次性投入成本包括:灯管、支架及平摊线路等材料成本。
数据分析,由上表可以得出:大约20个月的时间可以收回T8 LED日光灯的投入成本。
对于每天照明时间更长的用户,成本回收周期更短。
LED日光灯设计平均寿命为8年(约4万小时×14小时×365天),较少的维护费用(约50元)。
而传统日光灯在8年中需更换灯管约10支×8元/支+50元维护费用=130元。
8年时间可节省费用如下表:注:每个月电费=30天×14小时×0.044KW×1支×1元/度=18.48元30天×14小时×0.02KW×1支×1元/度=8.4元三)、与传统日光灯对比,LED日光灯具有以下特点:1、节能:节能率:(44瓦-20瓦)/44瓦×100%=54.54%2、寿命长.a、LED灯(除电源)设计寿命为3~5万小时,按每天使用14小时计算,平均可使用8年时间。
高亮LED日光灯T8灯管规格书
高亮LED日光灯T8灯管说明
高亮LED日光灯以质优、耐用、节能为主要特点,投射角度调节范围大,抗高温、防潮防水、防漏电。
适应电压范围广,广泛用于家庭及办公照明,城市亮化工程、广告灯饰等场所。
其主要优点如下:
1、节能:18W的 LED光管,等同于48W普通光管的照明效果,即LED日光灯节省30W以上的用电量,节电62%左右;
2、环保:它的光源无紫外线,红外线等辐射,且能避免荧光灯管破裂溢出汞的二次污染和无法再利用的浪费;
3、寿命长:发光二极管制成的日光灯使用寿命为5万-10万小时,以每天8小时计算,可使用17年以上;
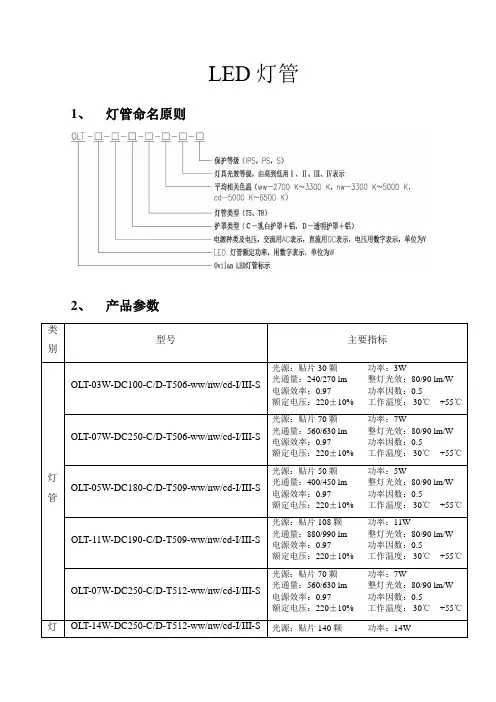
高亮LED日光灯T8灯管参数表
高亮LED日光灯T8灯管产品包装规格
点图进入相册LED日光灯
点图进入相册LED灯管
点图进入相册LED灯具
点图进入相册LED光管
点图进入相册LED节能灯
点图进入相册T8灯管。
LED灯管标准1范围本标准规定了LED灯管的产品分类与命名、术语和定义、技术要求、试验方法、检验规则及标志、包装、运输、贮存等。
本标准适用于在家庭和类似场合作为普通照明用的、把稳定燃点部件集成为一体的LED 灯管。
适用范围如下:——额定功率60W以下;——额定电压AC/DC 250V及以下;——符合GB/T 1406.2灯头要求。
注:在本标准中出现的“灯”代表“LED灯管”,除非有特别指明是其他类型的灯。
2规定性引用文件下列文件对于本文件的应用是必不可少的。
凡是注日期的引用文件,仅注日期的版本适用于本文件。
凡是不注日期的引用文件,其最新版本(包括所有的修改单)适用于本文件。
GB 17743 电气照明和类似设备的无线电骚扰特性的限值和测量方法GB 7000.201 灯具第2-1部分:特殊要求固定式通用灯具GB 17625.1 电磁兼容限值谐波电流发射限值GB 17625.5 电磁兼容试验和测量技术浪涌(冲击)抗扰度试验GB/T 1406.2 灯头的型式和尺寸第2部分:插脚式灯头GB/T 2828.1 计数抽样检验程序第1部分:按接收质量限(AQL)检索的逐批检验抽样计划(GB/T 2828.1—2003,ISO 2859-1:1999,IDT)GB/T 2829 周期检验计数抽样程序及表(适用于对过程稳定性的检验)GB/T 3741 灯具电镀化学覆盖层GB/T 9468 灯具分布光度测量的一般要求GB/T 18595 一般照明用设备电磁兼容抗扰度要求GB/T 24823 普通照明用LED模块性能要求GB/T 24824 普通照明用LED模块测试方法 GB/T 24826 普通照明用LED和LED模块术语和定义3术语和定义GB/T 24826 所确定的以及下列术语和定义语适用于本标准。
3.1LED灯管 led tubeLED灯管也俗称光管、日光灯管,其光源采用LED作为发光体。
3.2额定值 rated values额定工作条件下LED 灯管的参数值,该值由产品生产商或责任销售商指定。
LED TUBE室内照明的国家标准及行业标准1范围本标准规定了室内照明LED日光灯(以下简称LED日光灯)的定义、产品分类、技术要求、试验方法、检验规则、标志、包装、运输及贮存。
本标准适用于交流频率(50-60)Hz,电压(86-265)V电源供电,应用于会议室、地下停车场、办公场所等室内照明领域用LED日光灯。
2规范性引用文件下列文件对于本文件的应用是必不可少的。
凡是注日期的引用文件,仅所注日期的版本适用于本文件。
凡是不注日期的引用文件,其最新版本(包括所有的修改单)适用于本文件。
GB/T 191-2008 包装储运图示标志GB/T 2828.1-2003 计数抽样检验程序第1 部分:按接收质量限(AQL)检索的逐批检验抽样计划GB/T 2829-2002 周期检验计数抽样程序及表(适用于对过程稳定性的检验)GB/T 2900.65 电工术语照明GB 3096-2008 声环境质量标准GB/T 6882-2008 声学声压法测定噪声源声功率级消声室和半消声室精密法GB 7000.1 灯具第1部分:一般要求与试验GB/T 9468 灯具分布光度测量的一般要求GB 10682 普通照明用管形荧光灯GB/T 14862-1993 半导体集成电路封装结到外壳热阻测试方法GB 17625.1 电磁兼容限值谐波电流发射限值(设备每相输入电流≤16A)GB 17743 电气照明和类似设备的无线电骚扰特性的限值和测量方法GB/T 18595-2001 一般照明用设备电磁兼容抗扰度要求GB 19510.1 灯的控制装置第1部分:一般要求和安全要求GB 19510.14-2009 灯的控制装置第14部分:LED模块用直流或交流电子控制装置的特殊要求GB 19651.3-2008 杂类灯座第2-2部分LED模块用连接器的特殊要求GB/T 24819-2009 普通照明用LED模块安全要求GB/T 24823-2009 普通照明用LED模块性能要求GB/T 24824-2009 普通照明用LED模块测试方法GB/T 24825-2009 LED模块用直流或交流电子控制装置性能要求GB/T 24826-2009 普通照明用LED和LED模块术语和定义SJ/T 11364 电子信息产品污染控制标识要求SJ/T 11395-2009 半导体照明术语IEC 62471 灯和灯系统的光生物安全3术语和定义下列术语和定义适用于本标准。
一、LED灯标准一、范围本标准使用于对公司所生产的灯具制定统一检验项目和检验的说明。
本标准规定了LED灯具的技术要求、实验方法、检验规则、标志方式、包装、运输和储存条件。
LED灯具是指以LED作为发光器件的照明灯具,与高压钠灯、金卤灯为光源的传统灯具相比,具有节能、环保、长寿命等优点。
二、参考依据∶《GB7000.1-2002D灯具一般安全要求与实验》《整体式LED路灯的测量方法》《外壳防护等级〈IP代码〉GB4028-93》三、检验项目∶⒈电性能参数∶⑴工作电压⑵工作电流⑶功率⑷功率因素⑸灯具安全等级⒉光学参数∶⑴光强∶光强分布曲线、等光强曲线。
⑵光通量∶总光通量、有效光通量、区域光通量表格、环带光通量表格。
⑶照度∶照度分布、等照度曲线。
⑶光源∶光源数量、光源型号、光源组成、光源封装。
⑷色温。
⑸灯具发光角度。
⒊结构与外观∶⑴外壳结构材料⑵灯具的类型⑶灯具的重量⑷灯具的标签⑸灯具防护等级。
⒋可靠性实验∶⑴温升实验⑵开关电实验⑶震动实验⑷发光维持特性与老化实验。
⑸灯具功能检验。
四、检验说明∶⒈电学参数∶⑴外置电源控制的直流供电灯具∶用电压、电流表测量的电压、电流。
〔注意∶测量电流需要测量LED单灯和单一颜色的电流记录下来〕⑵内置电源控制的交流灯具∶用数字功率仪测量灯具的电压、电流、功率、功率因素等参数。
⑶I类灯具必须做抗电强度、漏电电流、绝缘电阻测试。
抗电强度是220V接线端与外壳1500V,1MIN击穿现象。
漏电电流≤1.0MA。
绝缘电阻≥2MΩ。
⑷灯具的安全等级可分四种类型∶0类灯具∶无地线灯具,依靠基本绝缘作为防触电保护灯具。
这意味着,灯具的易触及导电部件没有连接到设施的固定线路中的保护导体,万一基本绝缘失效,就只好依靠环境了。
Ⅰ类灯具∶有地线灯具,灯具的防触电保护不仅依靠基本绝缘,而且还包括附加的安全措施,即把易触及的导电部件连接到设施的固定线路中的保护接地导体上,使易触及的导电部件在万一基本绝缘失效时不致带电。
LED日光灯管电源规格书
──────────────────────
产品特性:
z数字电源
z恒流输出,保证大功率LED使用的安全性
z隔离电源 隔离电压为3000V
z全球通用输入电压(220V)
z短路保护,开路保护,防雷保护
z适用于大功率和小功率LED日光灯(包括红色与黄色)
z整灯可通过安规测试,隔离电压达到3750V
z体积小 27mm*17mm*13mm
z拥有中国与美国专利
产品参数:
型号 工作电压 恒流及精度小功率光源应用灯具应用
T220C200W05S08 AC 180V-260V 200mA±5% 光源206pcs
;配两个电源,每个电
源驱动13组;8pcs串/组;每路15mA
12W-LED日光灯
T220C220W06S08 AC 180V-260V 220mA±5% 光源96pcs;12组;8pcs串/组;每
路18mA
6W-LED日光灯
T220C280W07S08 AC 180V-260V 280mA±5% 光源288pcs;配两个电源,每个电
源驱动18组;8pcs串/组;每路15mA
16W-LED日光
灯
T220C350W08S07 AC 180V-260V 300mA±5% 光源140pcs;串7pcs/组,20组,每路
18mA
8W-LED日光灯
使用方法:本模块有4根引出线,一段2根黑色线是输入线,接交流电。
红/蓝线是输出线,
红线接大功率发光二极管正极,蓝线或白线接大功率发光二极管负极
数字电源—T系列
Email: tech@。
LED灯管产品技术参数1.LED粒数:如180PCS2.光源:3014,3528等3.电压:AC85-AC265V(这种输入电压可适用于任何地区,不同国家的电压不一样)4.电源方式:内置外置两种5.功率:这个就不要说了6.光通量:发光强度为1的光源在立体角元内发出的光。
也即是我们人眼感觉的亮度。
单位lm7.色温:表示光源光谱质量最通用的指标。
一般用Tc表示。
光源色温不同,光色也不同,带来的感觉也不相同8.发光角度:120度为主(由于技术进步现在可以达270度)9.发光颜色:可根据客户要求10.表面工作温度:-20至50℃11.材料:铝基板+PC透明管+铝制外壳12.尺寸:与传统的日光管分为T4 T5 T8等(主要以T5 T8为主)13.电源驱动:有阻容降压,线性恒流还有隔离和非隔离恒流14.寿命:光衰小,使用寿命较长一般可达50000个小时而我厂专注LED日光管T8 T5 600 900 1200规格使用3014灯珠隔离电源拥有先进的生产设备,所有产品经过高低温高低压开关冲击老化测试。
质量保证价格优惠。
质保期间,产品出现质量问题,免费更换,并承担运费.采用最流行美观的铝合金管、优质铝基板。
业界高品质的LED灯珠光源以及散热措施,保障LED日光灯的高可靠性,实现超低的衰减。
全进口材料的光扩散乳白PC外罩,透光率高、光扩散性能优良,保证了LED日光灯点亮后不刺眼、亮度均匀、无颗粒感,实现完美照明效果。
3014 LED日光灯、LED日光管驱动电源部分采用稳定可靠的方案,输入电压范围宽、电流波动小、功率因数和转换效率高。
隔离、非隔离方案均有提供,满足不同客户的使用要求。
3014 LED日光灯照明效果非常好,照明效率高,普遍应用于企业、学校、工厂、机关事业单位、医院、商场等照明场所。
超过目前大多数同类产品的性价比。
以下是部分产品的强细参数可做参考:。
LED TUBE室内照明的国家标准及行业标准1范围本标准规定了室内照明LED日光灯(以下简称LED日光灯)的定义、产品分类、技术要求、试验方法、检验规则、标志、包装、运输及贮存。
本标准适用于交流频率(50-60)Hz,电压(86-265)V电源供电,应用于会议室、地下停车场、办公场所等室内照明领域用LED日光灯。
2规范性引用文件下列文件对于本文件的应用是必不可少的。
凡是注日期的引用文件,仅所注日期的版本适用于本文件。
凡是不注日期的引用文件,其最新版本(包括所有的修改单)适用于本文件。
GB/T 191-2008 包装储运图示标志GB/T 2828.1-2003 计数抽样检验程序第1 部分:按接收质量限(AQL)检索的逐批检验抽样计划GB/T 2829-2002 周期检验计数抽样程序及表(适用于对过程稳定性的检验)GB/T 2900.65 电工术语照明GB 3096-2008 声环境质量标准GB/T 6882-2008 声学声压法测定噪声源声功率级消声室和半消声室精密法GB 7000.1 灯具第1部分:一般要求与试验GB/T 9468 灯具分布光度测量的一般要求GB 10682 普通照明用管形荧光灯GB/T 14862-1993 半导体集成电路封装结到外壳热阻测试方法GB 17625.1 电磁兼容限值谐波电流发射限值(设备每相输入电流≤16A)GB 17743 电气照明和类似设备的无线电骚扰特性的限值和测量方法GB/T 18595-2001 一般照明用设备电磁兼容抗扰度要求GB 19510.1 灯的控制装置第1部分:一般要求和安全要求GB 19510.14-2009 灯的控制装置第14部分:LED模块用直流或交流电子控制装置的特殊要求GB 19651.3-2008 杂类灯座第2-2部分LED模块用连接器的特殊要求GB/T 24819-2009 普通照明用LED模块安全要求GB/T 24823-2009 普通照明用LED模块性能要求GB/T 24824-2009 普通照明用LED模块测试方法GB/T 24825-2009 LED模块用直流或交流电子控制装置性能要求GB/T 24826-2009 普通照明用LED和LED模块术语和定义SJ/T 11364 电子信息产品污染控制标识要求SJ/T 11395-2009 半导体照明术语IEC 62471 灯和灯系统的光生物安全3术语和定义下列术语和定义适用于本标准。
LED日光灯管检验报告LED日光灯是一种采用LED作为光源的现代照明设备,具有节能、环保、寿命长等优点。
LED日光灯管检验报告的目的是对该产品进行全面的检测和评估,以确保其质量合格,符合相关的标准和要求。
本报告将对LED日光灯的外观、电气性能、光学性能等方面进行检验,并给出相应的测试结果和评价。
一、外观检验1.LED日光灯的外观应无明显的划痕、变形等缺陷,外观颜色均匀一致,无色差。
2.LED灯管的外观尺寸应符合标准要求,与产品规格一致,无明显的尺寸误差。
3.灯管的透光性应良好,无明显的色斑、色差等问题。
二、电气性能检验1.输入电压范围:LED日光灯的输入电压应在额定电压范围内,如220V±10%。
2.电流消耗:测量LED日光灯在额定电压下的工作电流,应符合标准要求。
3.功率因数:测量LED日光灯的功率因数,应达到或超过标准要求,以确保其有效利用电能。
4.电气安全:检验灯管的绝缘电阻、接地保护等项,以确保产品的安全可靠性。
5.使用寿命测试:对LED日光灯进行长时间的开关测试,检测其工作寿命是否达到标准要求。
三、光学性能检验1.光通量:测量LED日光灯的光通量,确保其光输出符合标准要求。
2.光照度分布:测量LED日光灯的光照度分布曲线,以评估其照明效果和均匀性。
3.色温与色坐标:测量LED日光灯的色温和色坐标,以评估其发光颜色是否符合标准要求。
4.色彩回归性:对LED日光灯进行长时间连续工作测试,观察其发光颜色是否存在明显的变化。
四、其他检验项目1.防水性能:检验LED灯具的防水性能,以确保其适用于不同环境的使用。
2.环境适应性:将LED日光灯放置在不同温度、湿度等环境下进行测试,以评估其适应能力。
3.防潮性能:对LED日光灯进行潮湿环境下的测试,以检测其防潮性能和耐腐蚀性能。
根据以上的检验项目,我们对LED日光灯进行了全面的检测。
经过检验,该LED日光灯的外观完好,无明显的划痕、变形等缺陷,外观颜色均匀一致。
LED日光灯检验标准1.目的规范统一 LED日光灯检验标准 , 确保产品出货的品质水准, 以达到客户之允收范围内. 2.适应范围本标准适应于本公司内部所有LED日光灯的检验。
3.涵盖内容3.1 LED 日光灯进料检验标准3.1.1分类1)外壳、结构件类2)电子元器件类3)光源类4)电源模块类5)配件、辅料、包装类3.1.2 具体标准3.1.3 外壳类、结构件类缺陷 A B划伤,擦伤长 3.0 以下,宽 0.5 以下间距长 3.0 以下,宽 0.5 以下间距 10 以上10 以上 PASS 2处PASS 2处光斑NG NG异物长 2 宽 0.3 以下, PASS 2个长 2 宽 0.3 以下, PASS 2个色差根据样板检验变色,露底NG气泡直径 0.5 以下 PASS2个,距离直径 0.5 以下 PASS2个,距离 20 以上20 以上裂纹NG毛边所有外壳毛边均小于0.2 ,日光灯两边用手握或手指磨擦均不允许有刮手感各接合部顺差≤ 0.30 ,逆差≤ 0.35尺寸根据图纸检验备注:A:指装配在待检工作正面或顶面的面板类部件B:待检工作的侧面 / 背面 / 底部以及装配在该表面上的部件(以上所有单位为mm )3.1.4.电子元器件类不良类型检验项目检查内容(不良现象)MA MI 包装无标识,外标识与实物不一致√包装箱破损及严重脏污,包装不良√不同规格型号混装√丝印不良,模糊不清√包装、外观表面脏污,引脚氧化√绝缘皮翘起,封装不良√极性丝印偏位,不在对应引脚上√变形,损伤、破损、绝缘皮破,有孔,下滑√秃头尺寸尺寸与要求不符√电容量不符要求√性损耗角不符要求√能漏电流不符要求√耐压不符要求√电阻值不符要求√可焊性不符要求(技术要求中未注明试验条√可焊性件时,以温度为 235℃,时间为 3S 试验)3.1.5光源类不良类型检验项目检查内容(不良现象)MA MI 包装无标识,外标识与实物不一致√包装箱破损及严重脏污,包装不良√有黑点,表面划伤。
LED TUBE室内照明的国家标准及行业标准1范围本标准规定了室内照明LED日光灯(以下简称LED日光灯)的定义、产品分类、技术要求、试验方法、检验规则、标志、包装、运输及贮存。
本标准适用于交流频率(50-60)Hz,电压(86-265)V电源供电,应用于会议室、地下停车场、办公场所等室内照明领域用LED日光灯。
2规范性引用文件下列文件对于本文件的应用是必不可少的。
凡是注日期的引用文件,仅所注日期的版本适用于本文件。
凡是不注日期的引用文件,其最新版本(包括所有的修改单)适用于本文件。
GB/T 191-2008 包装储运图示标志GB/T 2828.1-2003 计数抽样检验程序第1 部分:按接收质量限(AQL)检索的逐批检验抽样计划GB/T 2829-2002 周期检验计数抽样程序及表(适用于对过程稳定性的检验)GB/T 2900.65 电工术语照明GB 3096-2008 声环境质量标准GB/T 6882-2008 声学声压法测定噪声源声功率级消声室和半消声室精密法GB 7000.1 灯具第1部分:一般要求与试验GB/T 9468 灯具分布光度测量的一般要求GB 10682 普通照明用管形荧光灯GB/T 14862-1993 半导体集成电路封装结到外壳热阻测试方法GB 17625.1 电磁兼容限值谐波电流发射限值(设备每相输入电流≤16A)GB 17743 电气照明和类似设备的无线电骚扰特性的限值和测量方法GB/T 18595-2001 一般照明用设备电磁兼容抗扰度要求GB 19510.1 灯的控制装置第1部分:一般要求和安全要求GB 19510.14-2009 灯的控制装置第14部分:LED模块用直流或交流电子控制装置的特殊要求GB 19651.3-2008 杂类灯座第2-2部分LED模块用连接器的特殊要求GB/T 24819-2009 普通照明用LED模块安全要求GB/T 24823-2009 普通照明用LED模块性能要求GB/T 24824-2009 普通照明用LED模块测试方法GB/T 24825-2009 LED模块用直流或交流电子控制装置性能要求GB/T 24826-2009 普通照明用LED和LED模块术语和定义SJ/T 11364 电子信息产品污染控制标识要求SJ/T 11395-2009 半导体照明术语IEC 62471 灯和灯系统的光生物安全3术语和定义下列术语和定义适用于本标准。
1)PC面罩、塑胶灯头阻燃等级(使用隔离电源和非隔离电源各是多少)隔离电源(class2)产品:PC面罩:HB以上塑胶灯头:V0以上;非隔离(非class2)电源产品:PC面罩:V0以上塑胶灯头:V0以上;如下为UL1993的要求:2)灯管直径范围标准要求灯头为标准部件,对灯管的直径没有要求。
3)隔离电源和非隔离电源输出负载部分的光源器件和PCB板上覆铜部位到铝壳的空间距离和爬电距离各是多少(这个距离务必要准确)隔离(class2)电源产品:空间距离,爬电距离没有要求非隔离(非class2)电源产品:灯珠到地电压为1-300V:空间距离:1.2mm,爬电距离:1.2mm如下为UL1993的要求:4)铝壳厚度0.81mm如下为UL1993的要求:5)PCB阻燃等级94V-1如下为UL8750的要求:6)内置电源外面包麦拉片最小厚度是多少0.71mm如下为UL8750的要求:7)隔离电源和非隔离电源。
L/N线之间的空间距离和爬电距离各是多少(这个距离务必要准确)隔离(class2)电源产品:空气间隙:6.4mm 爬电距离:6.4mm(输入电源为277V)如下为UL1310的要求:隔离(UL60950)电源产品:空气间隙:1.5mm 爬电距离:2.8mm(输入电源为277V)如下为UL60950的要求:非隔离电源产品:输入电压:电气间隙:1.5mm 爬电距离:3.0mm(输入电压为277V)如下为UL8750的要求:8)使用隔离电源和非隔离电源的UL认证费是否一样非class2电源的UL认证费用便宜一些;9)电线与PCB板之前的电气连接是否可以搭焊,还是一定要穿孔焊接加强固定一定要加强(双重)固定,穿孔焊接是可以选择的一种方式如下为UL8750的要求:。