7 桩承台施工工艺.doc
- 格式:doc
- 大小:70.50 KB
- 文档页数:4
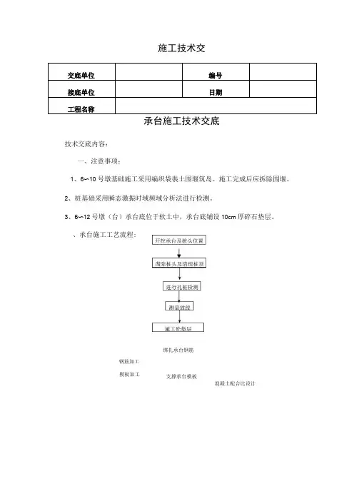
施工技术交交底单位编号接底单位日期工程名称承台施工技术交底技术交底内容:一、注意事项:1、6〜10号墩基础施工采用编织袋裝土围堰筑岛。
施工完成后应拆除围堰。
2、桩基础采用瞬态激振时域频域分析法进行检测。
3、6〜12号墩(台)承台底位于软土中,承台底铺设10cm厚碎石垫层。
、承台施工工艺流程:绑扎承台钢筋钢筋加工模板加工支撑承台模板混凝土配合比设计混凝土拌制运输养护、质量评定浇筑承台混凝土1、开挖承台及凿除、清理桩头承台最后一根桩基浇筑7天后可进行基坑开挖,根据现场地质情况采取相应的边坡防护措施:砂层较厚的基坑,底部采用沙袋装土支挡防护,防护高度不小于1m,上部按1:1.5的坡率放坡,放坡不能满足要求的,插打工字钢护桩,护桩连续布置,伸入土层不小于2.5m;—般地段按1:1坡率放坡开挖。
承台采用挖掘机开挖,开挖时注意开挖位置,尽量不要碰到桩头,以免碰弯钢筋,在基坑的四周设置20cm宽水沟,基坑旁开挖一个60*60*60cm的集水井,使基坑的水顺利的流入集水井,然后排出基坑。
桩头凿除时,采取环切工艺,技术人员在桩头上承台底标高以上10cm 位置做出标记,在标识处用切割机绕桩头环向一周切割V型槽,深度3-4cm,注意不得损伤主筋。
使用风镐将桩顶以上钻孔桩钢筋凿出,在桩顶标高以上5〜10cm处水平环向人工凿出4个以上V型槽,相互间距为20〜25cm。
使用钢钎打入各个V型槽中,来回反复敲击钢钎,使混凝土在V型槽处产生一个断裂面,用起重设备将已断裂脱离的桩头吊开。
最后对桩头进行修整,确保桩顶面平整、密实、并与桩轴线垂直,保证桩头嵌入承台10cm。
2、孔桩检测桩基由第三方检桩单位进行检测,现场需安排人员配合。
检桩前需要做如下准备工作:桩基采用瞬态激振时域频域分析(低应变)检测时,均需提前在桩顶位置打磨4个检测点,即在桩中心往外2/3半径处设置3处传感器安装点(3点夹角为1200,在桩基中心设置1处激振点,传感器安装点和激振点要提前打磨光滑,打磨平面直径不小于10cm。
桩承台施工工艺标准1适用范围本标准适用于建筑工程中钢筋混凝土桩基承台施工。
2施工准备2.1材料2.1.1水泥:宜选用32.5级以上普通硅酸盐水泥或普通矿渣硅酸盐水泥,应有产品合格证、出厂检验报告及复验报告。
2.1.2砂:宜采用中砂或粗砂,其含泥量:当混凝土强度等级大于或等于C30时,含泥量小于或等于3%;混凝土强度等级小于C30时,含泥量小于或等于5%。
泥块含量:当混凝土强度等级大于或等于C30时,泥块含量小于或等于1%;混凝土强度等级小于C30时,泥块含量小于或等于2%。
2.1.3石子:卵石或碎石,粒径为5~32mm,其含泥量:当混凝土强度等级大于C30时,含泥量小于或等于1%;混凝土强度等级小于C30时,含泥量为2%。
泥块含量:当混凝土强度等级大于C30时,泥块含量为小于或等于0.5%;混凝土强度等级小于C30时,泥块含量为0.7%。
2.1.4水:拌制混凝土宜采用饮用水,当采用其他水源时,水质应符合国家现行标准《混凝土拌合用水标准》JGJ63的规定。
2.1.5钢筋:钢筋的品种、级别和规格必须符合设计要求,并应有出厂合格证和复验报告,表面无老锈和油污。
2.1.6外加剂:根据施工组织设计要求,确定是否采用外加剂。
混凝土中掺用的外加剂的质量及应用技术应符合现行国家标准《混凝土外加剂》GB8076与《混凝土外加剂应用技术规范》GB50119和有关环境保护的规定。
产品合格证、准用证、出厂检验报告齐全,并经现场抽样复试合格。
2.1.7防水材料:防水材料应具有材料说明书、合格证、检验单、准用证及复试报告并做见证取样。
2.1.8火烧丝:规格为18#~20#。
2.1.9组合钢模板、模板卡子、方木、钢管、铁钉等。
2.2机具设备2.2.1防水施工:汽油喷灯、铁桶、压滚、剪刀、钢卷尺、小平铲等。
2.2.2浇灌混凝土:混凝土搅拌机(或混凝土输送泵)、磅称、插入式振捣捧、铁锹、胶皮管、手推车、木抹子等。
2.2.3绑扎钢筋:钢筋钩子、钢筋焊接机具、焊条、扳手、小撬棍、铡刀、钢卷尺等。
桩承台施工方案一、引言桩承台作为承受载荷的桩基础形式,在建筑工程中具有至关重要的作用。
本文将探讨桩承台的施工方案,介绍其基本原理、施工流程和要点注意事项,旨在为相关从业人员提供参考和指导。
二、桩承台的基本原理桩承台通过桩与梁的结合,形成有效的承载体系,将上部结构的荷载传导至地基中。
承台的设计要考虑到地基的承载能力、荷载特性、土壤条件等因素,保证基础的稳定和安全。
三、施工流程1. 前期准备在施工前,需要进行详细的工程勘察和设计,确定承台的大小、形状和深度等参数。
同时,还需对桩基进行检测和清理,确保后续施工的顺利进行。
2. 桩基施工根据设计要求,选择适当的桩基类型,如钻孔桩、灌注桩等,并采用合适的工具和设备进行施工。
桩的打入过程需要注意垂直度和偏差,确保桩的稳定性和承载能力。
3. 承台施工在桩基施工完成后,进行承台的施工。
首先进行钢筋的绑扎和预埋工作,注意细节并按照设计要求进行布置。
接下来,进行混凝土的浇筑,确保密实度和强度符合要求。
同时,可采用振捣器进行震实作业,提高混凝土的质量。
4. 后期处理待混凝土养护完毕后,进行喷浆处理,并进行地表平整和清理工作。
对承台进行检测和验收,确保施工符合要求和标准。
四、注意事项1. 载荷设计:承台的设计和施工必须满足预期的载荷要求,考虑到静态和动态荷载的影响,确保结构的安全可靠性。
2. 土壤条件:在施工前要对土壤进行充分的勘察和分析,了解土壤的性质、承载能力等信息,制定相应的施工方案。
3. 施工工艺:桩基施工要注意垂直度和偏差控制,承台的施工要有严密的工艺流程,特别是对于钢筋的预埋和混凝土的浇筑过程要保持一定的工艺要求。
4. 施工监控:施工过程中,应配备专业技术人员进行监控和巡视,及时发现和解决施工中的问题,确保施工的质量和安全。
五、结论桩承台作为一种重要的基础结构形式,在工程建设中具有不可替代的地位。
通过合理的施工方案,保证承台结构的稳定性和安全性,为上部结构的正常运行提供了有力的支持。
承台桩基础施工工艺流程一、前期准备阶段1.项目资料审核根据施工图纸和设计要求,审核承台桩基础的施工资料,包括施工图纸、设计文件、材料清单等。
2.场地勘察对施工现场进行勘察,了解地质情况、水文条件等,并制定相应的施工方案。
3.设备进场根据施工计划,将所需设备和材料运至现场,并进行安装调试。
4.施工人员培训对参与承台桩基础施工的人员进行安全教育和技能培训,确保操作规范和安全生产。
二、开挖阶段1.标高测量按照设计要求,在现场标出各个承台桩的位置和高程,并进行测量验收。
2.开挖土方根据标高测量结果,在承台桩位置处开挖土方,保持坡度平稳,并及时清理泥土和石头等杂物。
3.打钢筋笼在开挖好的坑内按照设计要求组装钢筋笼,并进行验收。
钢筋笼需要牢固可靠,符合设计要求。
三、灌注混凝土阶段1.混凝土搅拌将水泥、砂子、骨料等原材料按照一定比例放入混凝土搅拌机内进行搅拌,直至达到设计要求的混凝土标号。
2.泵送混凝土将搅拌好的混凝土通过泵车送至施工现场,保证混凝土的均匀性和流动性。
3.灌注混凝土在钢筋笼周围设置模板,并将混凝土倒入模板内,直至灌满整个承台桩基础。
同时要进行振捣和浇注过程中的质量监控。
四、养护阶段1.保温措施在灌注完成后,对承台桩基础进行保温处理,防止温度过低导致混凝土强度下降。
2.喷水养护在灌注完成后的24小时内,对承台桩基础进行喷水养护。
每天喷水2-3次,每次喷水时间为30分钟左右。
3.养护期限根据设计要求和环境条件确定承台桩基础的养护期限。
一般情况下,养护期限为28天左右。
五、验收阶段1.验收标准根据设计要求和相关标准,对承台桩基础进行验收。
主要包括外观质量、尺寸精度、混凝土强度等方面的检查。
2.验收结果根据验收结果,对承台桩基础进行评定。
如果符合设计要求,则可交付下一阶段施工;如果不符合设计要求,则需要进行修补或重做。
六、总结承台桩基础施工是一个复杂的过程,需要严格按照设计要求和相关标准进行操作。
只有做好前期准备、掌握施工技术和加强质量监控,才能保证施工质量和安全生产。
肋板式桥台承台、台身、台帽、耳背墙施工技术方案一、工程概况京港澳高速公路驻马店至信阳段是国家高速公路网及河南省公路网主骨架的重要组成部分,本合同段为ZXTJ-13合同段,分离式路基路段及整体式路基双侧加宽路段,长公里,起点桩号K130+200,终点桩号K136+。
本合同段共有7座大桥、其中有K133+446高架桥9#台和K135+470跨线桥7#台下部结构变更结构型式为肋板式桥台,每个桥台基础采用桩径为的8根桩基,上接承台C25砼,接着就是肋板式台身和台帽C30砼。
二、编制依据1、京港澳高速公路驻马店至信阳段改扩建工程段土建A ZXTJ-13合同段施工图变更设计。
2、业主公司和监理公司下发的各种管理性文件。
3、现行的国家、行业、及交通部有关的公路施工、测试技术规范、规程等《公路桥涵施工技术规范》JTG/TF50-2011;《公路工程质量检验评定标准》(土建工程)JTGF80/1-2004;《公路工程施工安全技术规程》JTJ076-95。
4、中交二公局管理手册与项目施工管理手册。
5、现场踏勘调查所获得的有关资料。
6、我单位拥有的科技工法成果和现有的管理水平、劳力设备,技术能力,以及长期从事高速公路建设所积累的丰富的施工经验。
三、编制范围本方案适用于港澳高速公路驻马店至信阳段改扩建工程段土建 A ZXTJ-13合同段K133+446高架桥9#台和K135+470跨线桥7#台、承台、台身、台帽等下部构造施工。
四、施工组织(一)施工现场准备1、测量放样。
施工测量时,必须严格依据设计图纸准确计算,利用全站仪放样,将全部成果报监理工程现复核合格后使用。
2、施工场地准备。
施工平台铺垫平整、碾压密实,并做好防排水措施。
3、基坑开挖及弃土处理。
本次承台基坑、开挖平均深度小于2m,不存在深基坑开挖防护。
为确保施工平台及道路出入畅通,基坑开挖的弃土除铺垫施工平台和预留回填基坑使用部分以外,其余的一律外运弃至指定弃土场。
承台的施工工艺流程《承台的施工工艺流程》承台是建筑物结构中一个重要的部分,它支撑着上部结构的重量,并起到分担并传递荷载的作用。
因此,承台的施工工艺流程尤为重要。
下面将介绍承台的施工工艺流程。
1. 编制施工方案在进行承台施工前,首先需要根据设计图纸进行施工方案的编制。
要根据土质条件、地下水位、周边环境等因素设计合理的承台结构,并确定施工的方法和工序。
同时,需提前准备好所需的施工材料和设备。
2. 进行基础处理在进行承台施工前,需要先对基础进行处理。
首先是进行地基处理,包括土方开挖、打桩等工序,使基础土壤能够承受承台的荷载。
然后对基础进行浇筑混凝土,确保基础的稳固和承载力。
3. 搭设模板在基础处理完成后,需要进行承台的模板搭设。
模板的搭设需要按照设计图纸要求进行,确保承台的尺寸和形状符合要求。
同时,要对模板进行加固,保证模板的稳固和安全。
4. 浇筑混凝土在模板搭设完成后,可以进行混凝土的浇筑。
在浇筑混凝土前,需要根据设计要求进行配比,确保混凝土的强度和质量。
同时,要控制好混凝土的浇筑速度和压实程度,避免出现空鼓和松动。
5. 模板拆除待混凝土充分凝固后,需要进行模板拆除。
在拆模时要注意操作安全,避免对混凝土造成损坏。
拆模后还需要对混凝土表面进行修整,保证表面的平整和光滑。
6. 后续处理承台的施工工艺流程完成后,还需要进行一些后续处理工作。
例如对承台进行防水、防腐等处理,以延长其使用寿命。
同时还需要进行验收和检测工作,确保承台的质量和安全。
总之,承台的施工工艺流程涉及到多个环节,需要严格按照设计图纸和施工方案进行操作,确保承台的质量和安全。
只有这样,承台才能稳固可靠地支撑建筑物的上部结构,发挥其应有的作用。
承台施工一、施工方法(一)围堰及开挖方式的选择1.当承台位置处于干处时,一般直接采用明挖基坑,并根据基坑状况采取一定措施后,在其上安装模板,浇注承台砼。
2.当承台位置位于水中时,一般先设围堰(钢板桩围堰或吊箱围堰)将群桩用在堰内,然后在堰内河底灌注水下砼封底,凝结后,将水抽干,使各桩处于干地,再安装承台模板,在干处灌筑承台砼。
3.对于承台底标高位于河床以上的水中,采用有底吊箱或其它方法在水中将承台模板支撑和固定。
如利用桩基,或临时支撑直接设置(如图),承台模板安装完毕后抽水,堵漏,即可在干处灌筑承台砼。
承台模板支承方式的选择应根据水深、承台的类型、现有的条件等因素综合考虑。
(二)围堰围堰的形式根据地质情况、水深、流速、设备条件等因素综合考虑,围堰类型及适(三)开挖基坑1.基坑开挖一般采用机械开挖,并辅以人工清底找平,基坑的开挖尺寸要求根据承台的尺寸,支模及操作的要求,设置排水沟及集水坑的需要等因素进行确定。
2.基坑的开挖坡度以保证边坡的稳定为原则,根据地质条件,开挖深度,现场的具体情况确定,当基坑壁坡不易稳定或放坡开挖受场地限制,或放坡开挖工作量大不经济时,可按具体情况采取加固坑壁措施,如挡板支撑,混凝土护壁,钢板桩,锚杆支护,地下连续壁等。
3.基坑顶面应设置防止地面水流入基坑的措施,如截水沟等。
4.当基坑地下水采用普遍排水方法难以解决,可采用井点法降水,井点类型根据其土层的渗透系数,降水的深度及工程的特点进行确定。
(四)承台底的处理1.低桩承台:当承台底层土质有足够的承载力,又无地下水或能排干时,可按天然地基上修筑基础的施工方法进行施工。
当承台底层土质为松软土,且能排干水施工时,可挖除松软土,换填10-30cm厚砂砾土垫层,使其符合基底的设计标高并整平,即立模灌筑承台砼。
如不能排干水时,用静水挖泥方法换填水稳性材料,立模灌筑水下砼封底后,再抽干水灌筑承台砼。
2.高桩承台:当承台底以下河床为松软土时,可在板桩围堰内填入砂砾至承台底面标高。
第二节承台施工工艺一基坑开挖采用机械开挖配以人工修整的方案。
开挖时基底留20cm人工开挖,减小对原状土的挠动。
基坑严禁超挖,如有超挖,必须用级配碎石回填至设计基底标高并夯实。
开挖时,严禁破坏桩头钢筋。
挖掘机在桩头之间操作,桩头土采用人工清除。
采用加大基坑开挖尺寸,四周设排水沟和集水坑潜水泵抽水的方案,防止基坑开挖之后地下水渗入造成基坑积水,排水沟深30cm,集水坑深50cm。
不间断抽水,保持基底无积水、无浮泥,满足承台施工的需要.基坑开挖,放坡坡度为1:0。
5。
基坑开挖示意图图71 凿除桩头砼基坑开挖至设计底标高后,要进行适量超挖,用于凿出桩头的砼均匀撒布于基底。
首先将桩头钢筋和声测管拨出,然后将桩头在设计标高以上10cm处截断,剩余部分用空压机凿除,将破坏的桩头锚固钢筋调直、补充完整。
浇注封底砼前,对嵌入封底砼的桩头侧面进行凿毛和清洗处理,保证二者结合良好.2 桩基检测凿除桩头砼以后,将声测管清理干净,灌水,然后邀请第三方检测机构共同进行桩基检测.3 注意事项(1)承台基坑开挖前准备好彩条布及其它相关防雨设施,并在基坑的外轮廓线50cm处筑好挡水埝;(2)基坑开挖连续进行,人工找平至设计标高后立即组织下一道工序施工,防止基坑长期暴露和扰动;(3)基坑开挖过程中经常检查基坑边坡稳定性和开挖深度。
(4)如果基坑有地下水渗入,要及时挖排水沟和集水井,必要时进行承台封底以便模板安装和钢筋施工二钢筋施工首先对承台位置进行测量放样,用墨线弹出承台轮廓线,然后在其上标出纵横钢筋位置,一次绑扎成型。
第一层钢筋网绑扎好以后,在钢筋网底部放置符合要求砼垫块,将底部钢筋垫起,垫块呈梅花形放置,间距为1m一个。
接着绑扎第二层钢筋网片,第二层绑扎好后,在第一层与第二层之间焊接支撑钢筋,将一、二层钢筋网片撑起,焊接时按梅花形布置,每80cm一根,保证第二层钢筋网片有足够的强度,在绑扎上层钢筋时可以满足施工人员行走不变形.要保证每层钢筋网片绑扎的顺直度、间距、保护层及同一截面焊接接头等项目确保合格.墩身预留钢筋,在绑扎前定出墩身中心线,深入承台内部的钢筋焊接在承台钢筋上固定,承台与墩身接合处的钢筋用钢筋定好位,防止保护层不够的现象出现,露出承台的钢筋用钢管架固定.墩身预留钢筋时,同一截面长短交错布置,保证墩身接头在同一截面数量小于35%,且接头间距不小于 1.0m,钢筋预留长度要满足第一次浇筑墩身的要求。
桩承台施工方案施工工艺:测量放样→承台基础的绑扎→地坪钢筋绑扎→钢筋材质检验→模板安装→混凝土浇筑→模板拆除→养护1、承台基础的绑扎(1)承台基础的钢筋网片的所有交叉点,必须全部用绑丝扎牢。
绑扎时应注意相邻绑扎点的铁丝扣要成八字形,以免网片歪斜变形。
绑扎时应注意底面短边的钢筋应放在长边钢筋的上面。
(2)承台基础钢筋因其截面大,钢筋稀疏。
每个侧面从下到上斜向绑扎Ф20钢筋。
防止钢筋骨架扭曲变形。
予留插筋绑扎就位后,增设一个箍筋并与上层网片点焊牢固。
(3)现浇柱与基础连接用的插筋,其箍筋应经柱的箍筋缩小一个柱筋直径,以便连接。
插筋上部用井字管箍固定,底端用铅丝与基础网片绑牢。
(4)为防止柱子插筋移位,在钢筋绑扎完过程中应严格执行三检制,经过自检、互检、交接检,并经过隐蔽工程检查验收合格后,方可浇筑砼。
2、地坪钢筋绑扎(1)底板钢筋施工时,先铺作业面内底板底筋,设置马凳后,再绑上层筋。
(2)基础绑扎形式为全数绑扎,钢筋交叉处用铁丝扎牢,底层网片用垫块垫起,间距1m。
上层钢筋网片按照设计要求用钢筋作成支架架起,间距800,呈梅花型布置。
3、钢筋材质检验:钢筋进场时材料证明必须齐全,钢筋进场后,应按规定要求同业主和监理工程师共同见证取样,复验合格方可使用,不合格的应立即退出场。
钢筋在现场加工后,成品直接堆放于指定地点,所有钢筋原材、成品均做好标识,堆放齐整以备使用。
4、钢筋加工:(1)钢筋加工在现场加工棚内集中进行,设置两个加工棚,配备二套钢筋加工机械。
严格按钢筋下料表进行加工制作。
(2)钢筋加工的形状、尺寸必须符合设计要求,钢筋的表面应洁净,无损伤、油渍、漆污和铁锈等,钢筋在使用前清除干净,带有颗粒或片状老锈的钢筋不得使用。
(3)加工顺序按施工顺序先后进行,钢筋加工完成后,分施工部位、分类别挂牌标识,堆放整齐。
5、钢筋连接:(1)钢筋连接方式按设计要求的原则进行选择。
(2)钢筋大于等于20的采用直螺纹套筒连接,小于20的采用绑扎连接。
桩基础承台工程施工方案一、前言桩基础承台工程是建筑工程中承载结构力的重要组成部分,对工程的安全和稳定性具有至关重要的作用。
本文将从施工方案的角度,针对桩基础承台工程进行详细的介绍和分析。
二、施工前准备在开始桩基础承台工程之前,必须做好充分的施工前准备工作。
主要包括:1.对施工区域进行勘察,了解地质情况和地下水位,制定施工方案;2.确定桩基础承台设计图纸,确保施工按照设计要求进行;3.准备必要的施工设备和材料,包括挖掘机、桩工设备、混凝土搅拌站等;4.制定施工计划,明确施工进度和工期。
三、施工工艺步骤1. 桩基础施工1.按照设计要求在桩位上进行挖孔,确保孔径和孔深符合设计要求;2.将钢筋笼放入桩孔内,注意钢筋笼的定位和安装;3.浇筑混凝土,确保混凝土浇筑均匀,并使用振捣棒进行振捣,以确保混凝土的密实性;4.按照设计要求在桩顶设置垫层,以便于后续的承台施工。
2. 承台施工1.确认桩基础的尺寸和位置,进行模板的搭建;2.进行混凝土浇筑,确保混凝土的均匀性和密实性;3.在混凝土初凝前,进行养护保护工作,避免混凝土出现龟裂。
四、质量控制在桩基础承台工程施工过程中,质量控制是至关重要的一环。
跟踪检查工程过程中的每一个环节,确保施工符合设计要求和规范要求。
严格按照相关的验收标准进行验收,确保工程质量达到预期目标。
五、安全防护在桩基础承台工程施工过程中,安全是第一位的重要因素。
施工现场应按照相关安全规范要求进行设置,并配备专业的安全员进行监督和管理。
施工人员应接受足够的安全培训,并着装符合相关安全标准。
六、总结桩基础承台工程施工是一项复杂的工程,需要各方面的配合和高度专业化的施工团队。
通过本文的简要介绍,相信读者对桩基础承台工程施工方案有了更加深入的了解。
希望各方在实际施工中能够按照相关规范和要求,确保工程质量和施工安全。
承台施工工艺流程一、施工准备施工技术准备(1)完成施工前的测量定位、模板、钢筋安装等工前检查工作,监理工程师确认。
(2)由项目部技术人员认真向操作人员交底,并由接受交底人签字确认。
(4)主要工具:混凝土输送泵、插入式振捣器、抹子等。
(5)试验检测设备:坍落度测定仪、混凝土温度检测仪、150mm混凝土试模等其他设计要求的试验工具。
(6)各种机具设备,应处于完好状态,同时在浇筑过程中配有专职技工,随时检修以满足需要。
(7)混凝土搅拌站至浇筑地点间要确保运输区间的畅通。
二、施工工艺承台采用人工配合挖掘机开挖。
基坑排水采用汇水井法排水,基底挖至接近设计标高时,保留0.2m厚的一层,剩余部分采用人工辅以风镐突击开挖至设计标高,迅速检验,浇筑混凝土垫层,绑扎钢筋,立模浇筑混凝土。
当施工便道需经过基顶时,坑顶与便道之间设置1米宽的护道。
并在基坑顶面设置截水沟防止地面水流入基坑。
混凝土采用拌和站集中拌合,输送车运输混凝土,混凝土输送泵泵送入模。
(1)施工准备:准确测定基坑横纵中心线及地面标高。
根据开挖深度和边坡,确定开挖范围。
根据基坑四周地形,做好地面防水、排水工作。
(2)基坑开挖:承台施工方法与明挖基础的施工方法基本一致,采用机械开挖,人工配合。
承台基坑开挖时如有出水,根据出水量采用适当功率水泵进行抽水。
对于靠近公路的承台,在基坑开挖时根据情况采用钢筋混凝土护壁,对受开挖影响的公路线路进行防护,保证运营安全。
接近基底标高时,预留10~20cm厚,在基础施工前以人工突击开挖。
(3)承台基底处理:人工风镐凿除桩头,使基桩顶部显露出新鲜混凝土面,基桩埋入承台长度及桩顶主筋锚入承台长度满足设计要求。
桩基检测合格后,再次按设计标高清理基底,承台底铺10cm混凝土垫层,立模绑扎钢筋。
(4)钢筋绑扎:从事钢筋加工和连(焊)接的操作人员必须经考试合格,持证上岗、钢筋的牌号、级别、强度等级、直径等应符合设计要求。
钢筋应平直、无损伤,表面无裂纹、油污、颗粒状或片状老锈。
承台施工方法及施工工艺桩承台砼强度等级C30,垫层砼C15,垫层厚150mm ,周边各伸出100mm 。
桩顶嵌入承台内100mm ,桩内钢筋锚入承台45d 。
1、施工工艺流程施工工艺流程见《承台施工工艺流程图》承台施工工艺流程 2、土方开挖 1)开挖深范围内土多为Ⅰ类土,开挖深度不大,拟采用人工开挖方案。
因土质较好,开挖深度不大,基坑边坡系数拟取0.5,采用自然放坡的设置方式。
2)采用人工分层开挖基坑作业方式,根据具体情况,需要时对边坡薄弱部位进行局部加固处理。
开挖土方时,在开挖过程中设专人观测挖掘深度,确保不欠挖和超挖。
绑 扎 承 台 钢 筋 凿桩头、整平桩顶 清洗、调直桩顶钢筋 测 量 放 样 人工开挖土方 灌注混凝土 拆模、养护钢筋制作 钢筋检测 商品砼运输 立 模开挖出来的土方要留足回填土,余土外运。
堆土距坑边不小于1.5米,以不影响边坡稳定为度。
3)土方开挖前将地上地下障碍物清除干净,对标准水平桩、基槽灰线尺寸进行复核。
4)场区做好排水坡度及排水沟,坑底做好排水沟和积水井,坑顶做好截水沟。
3、模板制安模板采用组合钢模板,用斜撑和横撑、U型卡按设计位置、形状、尺寸支设。
模内干净、无杂物,拼缝严密不漏浆,支撑稳定、牢固。
4、钢筋制安将钻孔桩顶部凿毛至设计标高,用高压风清洗,然后绑扎钢筋。
钢筋的搭接长度及接头型式均按相应规范要求进行加工。
5、混凝土浇注混凝土采用C30商品混凝土,直接由砼输送车运至基础边,分层浇筑,砼浇筑完毕,砼终凝前调整柱筋位置,最后进行抹面收光。
6、养生及防护混凝土浇筑完毕即采取养护,12h以内覆盖并浇水,喷淋洒水养护不小于7d,以确保混凝土表面保持湿润为宜,拆模时间视环境温度而定。
拆模后外露面迅速进行养生。
7、承台允许偏差项目(见下表)承台检查项目8、基础及室内土方回填1)本工程采用原土分层回填,采用蛙式打夯机辅以人工木夯夯实。
2)施工准备基础混凝土强度已达到规定的要求,基础工程已办好隐蔽记录和报验。
桩系梁、承台施工技术方案一、编制依据1.1编制依据I)XX省XXX至XXX段高速公路第二合同段施工设计图;2 ) XX省XXX至XXX段高速公路第二合同段工程施工《合同文件》;3 )《公路工程技术标准》(JTG B01-2014 );4)《公路桥涵施工技术规范》(JTG/T F50-2011 );5)《公路工程施工安全技术规范》(JTGF90-2015 );6)《公路工程质量检验评定标准》(JTG F80/1-2004 );7 )《公路桥涵设计通用规范》(JTG D60-2015 );8 )《公路钢筋混凝土及预应力混凝土桥涵设计规范》(JTG D62-2012 );9)《公路桥涵地基与基础设计规范》(JTGD63-2007 )。
1.2编制原则1)确保总工期和阶段计划工期的原则;2)突出重点,抓好控制工程,兼顾一般工程的原则;3)采用网络组织计划技术,科学合理地安排施工计划,组织有节奏、均衡、连续地施工;4 )坚持按专业化组织施工的原则。
二、施工计划2.1施:D隹备2.1.1技术准备1)测量准备(1)开工前仔细核对桥梁承台、系梁施工图纸,包括墩台桩号、承台、桩系梁坐标、具体尺寸及标高等,检核无误后方可进行下一步工作。
(2 )整理桥梁承台、系梁的坐标整理成册,打印装订好以便于现场放样时查阅和检核。
2)技术准备(1)熟悉设计文件、研究核对设计图纸全面领会设计意图,熟悉并掌握桥梁的设计标准、结构和构造细节;检查核对设计图纸与其各组成部分之间有无矛盾或错误;在几何尺寸、坐标、高程、说明等方面是否一致,技术要求是否正确等,发现问题及时与监理协商。
(2)进一步调查分析原始资料施工前对施工现场进行实地勘察,收集原始数据。
主要调查项目如下:①原桥梁构造,各既有高速桥梁承台、系梁尺寸及位置。
②技术经济条件的调杳分析:调查当地可利用的地方材料、砂石料场、水泥生产厂家及产品质量、地方能源和交通运输、地方劳动力和技术水平、当地生活物质供应、可提供的施工用水用电条件、设备租赁、分包单位的力量和技术水平等状况。
2-7 桩承台施工工艺标准(207-1996)1 范围本工艺标准适用于工业与民用建筑中桩基承台梁。
22施工准备2.1 材料及主要机具:2.1.1 水泥:宜用325号~425号矿渣硅酸盐水泥或普通硅酸盐水泥。
2.1.2 砂:中砂或粗砂,含泥量不大于5%。
水:应用自来水或不含有害物质的洁净水。
2.1.3 石子:卵石或碎石,粒径5~32mm,含泥量不大于2%。
2.1.4 钢筋:钢筋的级别、直径必须符合设计要求,有出厂证明书及复试报告,表面无老锈和油污。
2.1.5 垫块:用1﹕3水泥砂浆埋22号大烧丝提前预制成或用塑料卡垫。
2.1.6 火烧丝:规格18~20号铁丝烧成。
2.1.7 外加剂、掺合料,根据施工需要通过试验确定。
2.1.8 主要机具2.1.8.1 浇筑混凝土:应备有磅秤、混凝土搅拌机、插入式振捣器、平尖头铁锹、胶皮管、手推车、木抹子和铁盘等。
2.1.8.2 绑扎钢筋:应备有钢筋钩子、板手、小撬棍、铡刀(切断火烧丝用)、弯钩机、木折尺以及组合钢模板等。
2.2 作业条件:2.2.1 桩基施工已全部完成,并按设计要求挖完土,而且办完桩基施工验收记录。
2.2.2 修整桩顶混凝土:桩顶疏松混凝土全部剔完,如桩顶低于设计标高时,须用同级混凝土接高,在达到桩强度的50%以上,再将埋入承台梁内的桩顶部分剔毛、冲净。
如桩顶高于设计标高时,应预先剔凿,使桩顶伸入承台梁深度完全符合设计要求。
2.2.3 桩顶伸入承台梁中的钢筋应符合设计要求,一般不小于30d,钢筋长度不够时,应予以接长。
2.2.4 对于冻胀土地区,必须按设计要求完成承台梁下防冻胀的处理措施。
2.2.5 应将槽底虚土、杂物等垃圾清除干净。
3 操作工艺3.1 工艺流程:3.1.1 钢筋绑扎工艺流程:核对钢筋半成品钢筋绑扎预埋管线及铁活绑好砂浆垫块3.1.2 模板安装工艺流程确定组装钢模板方案组装钢模板模板预检3.1.3 混凝土浇筑工艺流程搅拌混凝土浇筑振捣养护3.2 钢筋绑扎:3.2.1 核对钢筋半成品:应先按设计图纸核对加工的半成品钢筋,对其规格、形状、型号、品种经过检验,然后挂牌堆放好。
3.2.2 钢筋绑扎:钢筋应按顺序绑扎,一般情况下,先长轴后短轴,由一端向另一端依次进行。
操作时按图纸要求划线、铺铁、穿箍、绑扎,最后成型。
3.2.3 预埋管线及铁活:预留孔洞位置应正确,桩伸入承台梁的钢筋、承台梁上的柱子、板墙插铁,均应按图纸绑好,扎结牢固(应采用十字扣)或焊牢,其标高、位置、搭接锚固长度等尺寸应准确,不得遗漏或位移。
3.2.4 受力钢筋搭接接头位置应正确。
其接头相互错开,上铁在跨中,下铁应尽量在支座处;每个搭接接头的长度范围内,搭接钢筋面积不应超过该长度范围内钢筋总面积的1/4。
所有受力钢筋和箍筋交接处全绑扎,不得跳扣。
3.2.5 绑砂浆垫块:底部钢筋下的砂浆垫块,一般厚度不小于50mm,间隔1m,侧面的垫块应与钢筋绑牢,不应遗漏。
3.3 安装模板:3.3.1 确定组装钢模板方案:应先制定出承台梁组装钢模板的方案,并经计算确定对拉螺栓的直径、长度、位置和纵横龙骨、连杆点的间距及尺寸,遇有钢模板不符合模数时,可另加木模板补缝。
3.3.2 安装钢模板:安装组合钢模板,组合钢模板由平面模板、阴、阳角模板拼成。
其纵横胁拼接用的U形卡、插销等零件,要求齐全牢固,不松动、不遗漏。
3.3.3 模板预检:模板安装后,应对断面尺寸、标高、对拉螺栓、连杆支撑等进行预检,均应符合设计图纸和质量标准的要求。
3.4 混凝土浇筑:3.4.1 搅拌:按配合比称出每盘水泥、砂子、石子的重量以及外加剂的用量。
操作时要每车过磅,先倒石子接着倒水泥,后倒砂子和加水搅拌。
外加剂一般随水加入。
第一盘搅拌要执行开盘批准的规定。
3.4.2 浇筑、桩头、槽底及帮模(木模时)应先浇水润湿。
承台梁浇筑混凝土时,应按顺序直接将混凝土倒入模中;如甩槎超过初凝时间,应按施工缝要求处理。
若用塔机吊斗直接卸料入模时,其吊斗出料口距操作面高度以30~40cm为宜,并不得集中一处倾倒。
3.4.3 振捣:应沿承台梁浇筑的顺序方向,采用斜向振捣法,振捣棒与水平面倾角约30°左右。
棒头朝前进方向,插棒间距以50cm为宜,防止漏振。
振捣时间以混凝土表面翻浆出气泡为准。
混凝土表面应随振随按标高线,用木抹子搓平。
3.4.4 留接槎:纵横接连处及桩顶一般不宜留槎。
留槎应在相领两桩中间的1/3范围内,甩槎处应预先用模板档好,留成直槎。
继续施工时,接槎处混凝土应用水先润湿并浇浆,保证新旧混凝土接合良好;然后用原强度等级混凝土进行浇筑。
3.4.5 养护:混凝土浇筑后,在常温条件下12h内应覆盖浇水养护,浇水次数以保持混凝土湿润为宜,养护时间不少于七昼夜。
3.5 冬期施工:3.5.1 钢筋焊接宜在室内进行。
在室外焊接时,最低气温不宜低于-20℃,且应有防雪挡风措施。
焊接后的接头严禁立即碰到冰雪。
3.5.2 拌制混凝土时,骨料中不得带有冰雪及冰团,拌合时间应比常温规定时间延长50%。
3.5.3 基土应进行保温,不得受冻。
3.5.4 混凝土的养护应按冬施方案执行。
混凝土的试块应增加二组,与结构同条件养护。
4 质量标准4.1 钢筋分项工程:4.1.1 保证项目:4.1.1.1 钢筋的品种质量,焊条、焊剂的牌号、性能必须符合设计要求和有关标准的规定。
进口钢筋焊接前必须进行化学成分检验和焊接试验,符合有关规定后方可焊接。
4.1.1.2 钢筋表面必须清洁。
带有颗粒状或片状老锈,经除锈后仍留有麻点的钢筋,严禁按原规定使用。
4.1.1.3 钢筋的规格、形状、尺寸、数量、间距、锚固长度、接头设置,必须符合设计要求和施工规范的规定。
4.1.1.4 焊接接头、焊接制品的机械性能,必须符合钢筋焊接及验收的专门规定。
4.1.2 基本项目:4.1.2.1 绑扎钢筋的缺扣、松扣数量不超过绑扣总数的10%,且不应集中。
4.1.2.2 弯钩的朝向应正确。
绑扎接头应符合施工规范的规定,搭接长度均不小于规定值。
4.1.2.3 用Ⅰ级钢筋制作的箍筋,其数量符合设计要求,弯钩的角度和平直长度应符合施工规范的规定。
4.1.2.4 对焊接头无横向裂纹和烧伤,焊包均匀。
接头处弯折不大于4°,接头处钢筋轴线位移不得大于0.1d,且不大于2mm。
4.1.2.5 电弧焊接头焊缝表面平整,无凹陷、焊瘤,接头处无裂纹、气孔、焊渣及咬边。
接头处绑条沿接头中心线的纵向位移不得大于0.5d,且不大于3mm;接头处钢筋的轴线位移不大于0.1d,且不大于3mm;焊缝厚度不小于0.05d;焊缝宽度不小于0.1d;焊缝长度不小于0.5d;接头处弯折不大于4°。
4.1.3 允许偏差项目,见表2-10。
4.2 模板分项工程:4.2.1 保证项目:4.2.1.1 模板及其支架必须具有足够的强度、刚度和稳定性,其支架的支承部分有足够的支承面积。
4.2.1.2 模板安装在基土上,基土必须坚实并有排水措施。
4.2.2 基本项目:4.2.2.1 模板接缝处接缝的最大宽度不应大于1.5mm。
4.2.2.2 模板与混凝土的接触面应清理干净,并采取防止粘结措施。
粘浆和漏涂隔离剂面积累计不大于1000cm2。
4.2.3 允许偏差项目,见表2-11。
4.3 混凝土分项工程:4.3.1 保证项目:4.3.1.1 混凝土所用的水泥、水、骨料、外加剂等必须符合施工规范和有关标准的规定。
4.3.1.2 混凝土的配合比、原材料计量、搅拌、养护和施工缝处理必须符合施工规范的规定。
4.3.1.3 评定混凝土强度的试块,必须按混凝土强度检验评定标准(GBJ107-87)的规定取样、制作、养护和试验,其强度必须符合施工规范的规定。
4.3.1.4 对设计不允许有裂缝的结构,严禁出现裂缝;设计允许出现裂缝的结构,其裂缝宽度必须符合设计要求。
4.3.2 基本项目:4.3.2.1 混凝土应振捣密实,蜂窝面积一处不大于200cm2,累计不大于400cm2,无孔洞。
4.3.2.2 任何一根主筋均不得有漏筋。
4.3.2.3 无缝隙无夹渣层。
4.3.3 允许偏差项目,见表2-12。
5 成品保护5.1 安装模板和浇筑混凝土时,应注意保护钢筋,不得攀踩钢筋。
5.2 钢筋的混凝土保护层厚度一般不小于50mm。
其钢筋垫块不得遗漏。
5.3 冬期施工应覆盖保温材料,防止混凝土受冻。
5.4 拆模时应避免重撬、硬砸,以免损伤混凝土和钢模板。
6 应注意的质量问题6.1 蜂窝、露筋:由于模板拼接不严,混凝土漏浆造成蜂窝;振捣不按工艺操作,造成振捣不密实而露筋。
6.2 缺棱、掉角,配合比不准,搅拌不均匀或拆模过早,养护不够,都会导致混凝土棱角损伤。
6.3 偏差过大:模板支撑、卡子、拉杆间距过大或不牢固;混凝土局部浇筑过高或振捣时间过长,都会造成混凝土胀肚、错台、倾斜等缺陷。
6.4 插铁钢筋位移:插铁固定不牢固,振捣棒或塔吊料斗碰撞钢筋,致使钢筋位移。
6.5 对于地震设防区,当承台梁采用支模浇筑时,承台梁侧面应按设计要求回填土并夯实。
7 质量记录本工艺标准应具备以下质量记录:7.1 水泥的出厂证明及复验证明。
7.2 钢筋的出厂证明或合格证,以及钢筋试验单抄件。
7.3 钢筋隐蔽验收记录。
7.4 模板标高、尺寸的预检记录。
7.5 钢筋焊接接头拉伸试验报告。
7.6 结构用混凝土应有试配申请单和试验室签发的配合比通知单。
7.7 混凝土试块28d标养抗压强度试验报告。
商品混凝土应有出厂合格证。