道路照明工程施工设计方案
- 格式:doc
- 大小:137.50 KB
- 文档页数:33
道路照明工程施工方案一、项目背景二、施工前准备1.确定施工范围:根据道路照明设计方案,确定需要建设或维护的区域范围。
2.勘察和测量:通过现场勘察和测量,了解施工区域的地形、道路情况等,为工程设计和施工提供准确的数据。
3.设计施工方案:根据勘察和测量结果,结合设计要求,制定合理的施工方案,包括灯具安装位置、接线布局等。
4.资材准备:根据施工方案,准备好需要使用的照明设施、电缆、配件和施工工具等物资。
三、施工流程1.施工准备:确定施工队伍和人员配置,设立施工指挥部,明确施工任务和责任。
进行安全交底,确保施工人员了解施工安全注意事项。
2.地基处理:对需要建设的道路进行地基处理,确保地基坚实平整,为灯具安装提供良好的基础。
3.灯具安装:按照施工方案中确定的位置,进行灯具的安装。
在安装过程中,应注意灯具的方向和角度,确保照明效果的最佳。
4.电缆敷设:根据灯具布局和灯杆位置,进行电缆的敷设。
在敷设过程中,注意电缆的线路走向和保护,确保电缆的安全使用。
5.联接和调试:完成灯具安装和电缆敷设后,进行灯具与电缆的联接和调试。
通过联接和调试,确保灯具能正常工作,照明效果符合要求。
6.工程验收:完成施工后,对道路照明工程进行验收。
验收过程中,检查施工质量和照明效果,确保达到设计要求。
7.完工整理:对施工现场进行整理,清理垃圾和废弃物。
确保施工区域的清洁和安全。
四、施工安全与质量控制1.安全措施:在施工过程中,应严格遵守相关安全规定,配备必要的安全设施和个人防护用品,确保施工人员的人身安全。
2.质量控制:严格按照设计要求和施工方案进行施工,确保照明设施的质量。
对施工过程中出现的质量问题及时处理和整改。
3.环境保护:施工过程中应注意保护周边环境,减少噪音、扬尘和污染物排放对周边居民的影响。
五、施工进度和里程碑1.施工目标:按照施工方案,完成道路照明工程的建设或维护任务。
2.施工进度:根据施工方案,制定合理的施工进度计划,进行施工进度的跟踪和管理,确保按时完成工程。
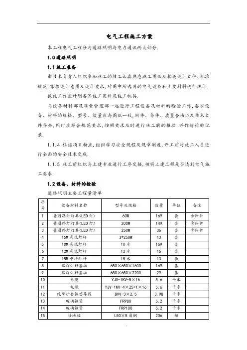
电气工程施工方案本工程电气工程分为道路照明与电力通讯两大部分.1.0道路照明1.1施工准备由技术负责人组织参加施工的技工认真熟悉施工图纸及相关设计文件、标准规范,掌握设计意图及设计要求,对图中所选用的电气设备和主要材料进行统计.按施工作业计划备齐施工用料及施工机具.与设备材料部及质量管理部一起进行工程设备及材料的检验工作,要求设备、材料的规格、型号、数量应与图纸一致,附件、备件、质量合格证及技术文件齐全,同时应符合规范要求,按照要求及时进行施工前的报验,并作好检验记录.1.1.4根据项目特点,组织学习安全规程及规章制度,开工前对施工人员进行全面的安全技术交底.1.1.5施工前组织与土建专业进行工序交接,核实土建工程是否达到电气施工要求.1.2设备、材料的检验道路照明主要工程量清单1.2.2设备及材料的检验<1>包装及密封应良好,开箱检查清点,外观完好、性能可靠、规格型号符合设计要求,材质合格证、产品说明书、出厂数据等产品的技术文件资料齐全,设备本体和内部部件无缺损和变形现象,表面无脱漆现象,附件备件齐全;<2>设备开箱时,建设单位、监理单位及施工单位三方进行共检,清点时认真做好记录,发现问题如短缺件和损坏件须记录在案,并经三方签字认可;<3>所有设备及其备品备件由专人妥善保管.1.3主要施工工艺施工流程施工准备→电缆保护管<FRP玻璃钢管>预埋→电缆手孔井砌筑→路灯基础开挖及浇筑→防雷、接地安装→变压器、配电箱<柜>安装→灯杆、灯具安装→电缆敷设接线→通电调试.1电缆保护管预埋〕FRP玻璃钢管>1、管沟开挖①按设计图位置放线开挖管沟,按照设计图纸及规范要求,照明电缆采用FRP玻璃钢管,电缆沟开挖宽度为600mm,挖深800mm;当照明电缆过车行道改穿SC钢管,电缆沟宽度600mm,其管顶埋深不小于1000mm,开挖过程中由水准仪控制标高,一次挖至设计底标高;②电缆沟开挖前确定电缆根数,当电缆根数超过两根,每增加一根,电缆沟加宽170mm;③沟底深度如果超挖,则应用原土回填夯实,其密实度不应低于原地基天然土的密实度;④当沟底遇膨胀土、软弱管基及特殊性土壤时,应按设计要求处理;⑤开挖过程中如有尖硬物或有垃圾、腐蚀性杂物,必须清除,并整平夯实;⑥沟底挖至设计标高后,应会同业主或工程监理进行检查,并作好检查记录;⑦沟边堆土高度不宜超过1500mm,临沟边距离不宜小于1000mm,土应堆在沟槽一侧,另一侧为运输、堆放、施工的通道.2、管道的埋设及回填<1>钢管埋设按设计图纸要求采用FRP玻璃钢管及过路采用SC钢管埋设.玻璃钢管接头采用橡胶圈承插连接,SC钢管采用焊接,并采用沥青漆做好防腐处理,两边伸入接线井各50mm并做喇叭口处理.<2>土方回填①土方回填土前,应清理积水,并进行一次隐蔽工程检验,合格后,应及时回填土;②根据施工图电缆沟第一次回填200mm细土,细土粒径必须≤3mm,细土的质量要满足设计和规范要求,不得出现树根和杂草等杂物;在其上铺贴一层砖;在回填至标高面.回填过程要首先回填至管顶平齐并夯实,细土回填时要分层夯实;对于土方段管沟,直接用开挖的土方进行一次回填;③二次回填时,用原状土石方回填.石方段管沟回填的石头最大粒径不能超过250mm,回填土石方应密实,禁止将石块从高处往下仍,不得伤及管线防腐层;④管道沟槽回填材料应尽可能利用沟槽开挖中可作填方用的土料进行回填,回填土最好采用非膨胀土,也可采用弱膨胀土.管沟回填土在路基包心范围内,可用与路基被包心的土料作回填土,但必须满足路基对被包心部分土的填实要求;⑤回填土时,严禁在管道周围200mm范围内回填土中混入卵石或砖块,沟槽回填应分层夯实,每层厚度不得大于0.20米,管道两侧夯填应.1电缆手孔井砌筑本工程手孔井施工为新建砌筑电缆穿线井,施工时要求符合符合以下要求:①手孔井采用普通灰砂砌筑;②垫层采用C20混凝土,在垫层中留240*120mm洞口,洞口机砖加芯,立方两块,砖下为砂土垫层,起渗水作用;③内墙粉层用1:2水泥砂浆,其厚度为10mm;④电缆保护管伸入进内的部分应做成喇叭状,以保护电缆在拖放时不被划伤;⑤拉线手井采取防盗措施,穿完电缆后,井内填砂,上面浇筑200mm厚C15混凝土,铸铁井盖与井框四个方向牢固焊接.1路灯基础施工1、土方开挖根据设计图纸上灯具说明,路灯基础尺寸分为600*600*2200mm和600*600*1600mm两种.根据平面位置及两种设计尺寸放线采用人工开挖,要求基础至于原状土上,坑底必须夯实平整,其地基承载力大于200KPa,遇不良地质土层应进行地基处理.2、基础安装根据路灯基础大样图加工制作钢筋及预埋螺栓,现浇混凝土采用C25商品混凝土,拟采取原槽浇筑;浇筑前需用L50*5长1500mm的接地角铁做好路灯基础防雷跨接线,并预埋好电缆套管<采用PVC70的管,每个回路中间的灯具由于设计进线为1根,所以要预埋2根PVC70的管>,基础安装好后用水准仪检查预埋的基础钢板水平线是否与地面一致,浇筑完毕后用水准仪在复查一次.1.3.1.4防雷接地敷设按照设计要求灯杆接地从基础主钢筋引出扁钢连接人工接地体<采用50*5长2500mm的角钢>,要求接地电阻不大于10欧姆,如要求接地电阻不满足现有要求,可增加基础外人工接地体.1箱变安装1、开箱检查按照设备清单、施工图纸及设备技术资料,核对设备本体及附件的规格型号应符合设计图纸要求;附件、备件齐全;产品合格证件、技术资料、说明书齐全;外观无损伤及变形,油漆完整;柜内电器装置及元件、器件齐全,无损伤,做好检查记录.2、箱变安装按厂家图纸要求制作箱变现浇钢筋混凝土基础,加工基础钢架,并刷好防锈漆,用膨胀螺栓固定在所安装位置的混凝土地面上,用水平仪找平找正.基础槽钢的安装应符合允许偏差的规定.在基础型钢内预留出接地扁钢端子.安装完毕后,用接地线与柜内接地排连接好.3、试验调整将所有的接线端子螺丝再紧一次,用1000V兆欧表在端子处测试各回路绝缘电阻,其电阻值不得小于0.5兆欧.将正式电源进线电缆拆掉,接上临时电源,按图纸要求,分别模拟试验控制、连锁、操作、继电保护和信号动作,正确无误,可靠灵敏,完成后拆除临时电源,将被拆除的正式电源复位.4、送电运行验收在安装作业全部完毕,质量检查部门检查全部合格后,按程序送电.测量三相电压是否正常,空载运行24h,若无异常现象,办理验收手续.1电缆敷设1、电缆敷设前按以下要求进行检查:<1>电缆必须有产品合格证、电缆型号、电压、规格应符合设计要求;<2>电缆外观应无损伤、绝缘良好;<3>电缆技术文件应齐全.2、电缆敷设拟采用滚轮和人工相结合的人力拉引法:这种方法需要施工人员较多,特别注意的是人力要分布均匀合理,负荷适当,并要统一指挥.电缆展放中,在电缆两侧须有协助推盘及负责刹盘滚动的人员.为避免电缆受拖拉损伤,可把电缆放在滚轮上,拉引电缆的速度要均匀.3、电缆敷设时,应注意电缆的弯曲半径应符合规范要求及电缆本身的要求.4、电缆放在沟底时,边敷设边检查电缆是否受伤.放电缆的长度不能控制得太紧,电缆的两端、中间接头、电缆井内、电缆过管处、垂直位差处应留有适当的余度,并作波浪状摆放.5、电缆敷设完毕,应请建设单位、监理单位,施工单位的质量检查部门共同进行隐蔽工程验收.6、电缆之间、电缆与其他管道、道路、建筑物等之间的平行和交叉时的最小距离应符合规定.7、电缆敷设前、后均应用1000V兆欧表进行绝缘电阻测量,阻值不得小于0.5兆欧.8、电缆在灯杆两侧预留量不小于1.5m.9、电缆头的制作采用热缩式电缆终端头,应保持清洁和干燥.10、在电缆接口处应挂电缆牌,电缆牌的内容应有编号,电缆规格型号,起点终点.1.3.1.7灯具安装1、根据装箱单清点灯具及安装配件是否符合设计要求、灯具外观是否正常、有无损坏或缺陷,有关技术文件是否齐全等.2、灯杆采用优质Q235钢板经模压成型,灯杆表面热镀锌处理后表面涂装;灯杆壁厚≥4mm.10M杆高低杆路灯为LED灯-200W+60W;12M杆路灯为LED灯-250W;15M杆中杆路灯为LED灯-3*250W.3、当基础完成并达到强度要求后,即可进行路灯灯杆的安装.<1>灯杆吊装时,在绑扎处应采取措施,防止钢索擦伤灯杆表面油漆或喷塑防腐装饰层.<2>灯杆垂直偏差应小于半个杆梢,直线路段单、双挑灯排列成一直线时,灯杆横向位置偏移应小于半个杆根.<3>灯杆安装时接线箱孔朝向应一致,面朝向人行道侧.<4>灯臂应固定牢固,与道路纵向垂直度偏差不应大于3度.3、灯具安装<1>由于路灯整体高度较高,拟采用升降车进行灯具安装.<2>灯具安装纵向中心线和灯臂纵向中心线应一致,灯具横向水平线应与地面平行,紧固后目测应无歪斜.<3>灯头固定牢固,绝缘外壳无损伤、开裂,可调灯头应按设计调整至正确位置,灯头接线应符合以下规定:①在灯臂、灯盘、灯杆内穿线不得有接头,穿线孔口或管口应光滑、无毛刺,并应采用绝缘套管或包扎,包扎长度不得小于200mm.②路灯安装使用的灯杆、灯臂、抱箍、螺栓、压板等金饷构件应进行热镀锌处理,防腐质量应符合现行国家标准的有关规定.③各种螺母紧固,宜加垫片和弹簧垫.紧固后露出螺栓不得少于两个螺距.<4>灯的相线装设熔断器,熔断器固定牢靠,接线端子上线头弯曲方向为顺时针方向盘并用垫圈压紧,熔断器上端接进线,下端接出线.<5>灯具引下线需用支架固定,且松紧一致.灯具安装结束后及时进行接线工作,然后进行单灯通电试验,正式电送达后进行通电试验.1.4质量保证措施1.4.1技术措施1、现场特种作业人员必须持上岗证作业;各工序施工中要有严格的安全技术交底;2、建立电器安全管理和经济责任制度;3、由专业人员编制施工用电组织设计、供电方式、配电装置的设置及其配电容量,供配电线路的走向和现场照明的设置及生活设施的用电负荷情况,编制有针对性的电器安全技术规范;4、施工现场装备行业统一规定的标准电源箱.电器线路和用电设备安装完成后,由专业管理部门验收合格后方可运行操作;5、经常对用设备用电设备进行安全检查、测试,发现问题,及时整改;6、机械设备操作人员<或驾驶员>经过专门训练,经考试取得操作证或驾驶执照后方可上机<车>;7、操作人员和指挥人员严格遵守安全操作技术规程,认真工作,严格贯彻岗位制度;8、机械设备发生故障后及时检修,严禁带故障运行;9、物资部统一对物资进行管理,按照材料的储存要求修建具备相应功能的仓库,做到分门别类储放;10、仓库设专人负责保管、看护,值班室内设报警系统,随时与派出所和消防部门取得联系;11、技术人员做好施工图纸的审查、会审,参加设计交底及图纸会审;12、施工过程中采用动态管理,发现问题点及时更正,以此循环.从而提高工程的质量.1.4.2管理措施1、根据工程特点和施工现场环境,对环境因素和危险源进行辩识、评价;2、确定出重要环境因素和重大危险源并编制应急预案和安全生产救援预案;3、在重要环境因素和重大危险源部位悬挂警示牌;4、贯彻项目部临时用电等专项安全技术措施和规范;5、设置专职安全管理人员;6、加强施工现场安全生产的监督巡查,加大对违章指挥、违章作业行为的处罚力度.施工安全措施1、防边坡坍塌:基坑严格按照方案实施,设专人检查、监护;2、防触电:实行三级配电,二级漏电保护加强临时用电线路的维护检查,对二次线裸露部位及时包扎处理;3、防起重伤害:起重吊装人员坚持持证上岗,吊装作业前做好安全技术交底,对吊具、索具进行安全检查,吊装作业区<特别是车流量较大的公路作业>派专人监护或设置警戒线;加强起重机械的日常检修及维护工作;4、防火灾:现场配置足够的消防灭火器,焊接作业时,氧、乙炔瓶保持足够的安全距离,与易燃物品之间要采取隔离措施;5、防跌伤、坠落:对临边、洞口采取围挡或遮盖措施,并设置安全警示,保证夜间作业有足够的照明;6、防机械伤害:对各类机械操作人员进行培训,必须持证上岗;加强机械设备维修保养;7、防交通事故伤害:加强现场作业环境安全教育,严禁酒后作业,道路上设置限速标志,夜间作业人员穿反光服.。
市政道路工程照明施工方案一、项目概述本次市政道路工程照明施工方案旨在提升城市道路照明效果,为市民提供更加安全和便利的交通环境。
本项目包括道路照明灯具的安装、电缆敷设以及联动控制等内容。
二、技术方案1.灯具类型选择:根据道路的分类和交通流量,选用适合的灯具类型。
主要选择LED灯具,因其高效节能、寿命长和光效好等优点。
2.灯具布局规划:根据道路的宽度和车流量,合理设置灯具的位置和间距。
主要采用路灯和人行道灯的组合设置,确保整个道路的照明效果。
3.电缆敷设:为了确保电缆的安全和美观,要求电缆埋置在地下,并进行保护。
电缆敷设的路径要避免与其他设施的冲突,并保持与照明灯具的连续性。
4.照明控制方式:采用联动控制方式,使得道路照明能自动根据光线的变化进行调节,同时考虑到交通流量的变化,实现智能控制。
三、施工计划1.前期准备:进行详细的道路照明设计,包括灯具的型号选型和布局规划。
同时开展材料采购工作,保障施工进度。
2.现场准备工作:清理道路障碍物和垃圾,确保施工的顺利进行。
划定施工区域,并设置施工标识,确保施工区域的安全。
3.灯具安装:按照设计方案,进行灯具的安装工作。
确保每个灯具的位置准确,灯具的固定稳固。
4.电缆敷设:根据设计方案,进行电缆的敷设工作。
保证电缆的深度和保护措施,避免电缆被损坏。
5.联动控制系统安装:安装智能控制系统,并与灯具进行联动。
设置控制程序,实现照明的自动调节。
6.完成验收:施工完成后,进行照明系统的验收。
对灯具和控制系统进行检查,确保其正常运行。
四、质量控制1.坚持选用合格的灯具品牌,确保灯具的品质。
2.严格按照规范要求进行灯具安装工作,确保每个灯具位置准确固定。
3.严格按照规范要求进行电缆敷设工作,避免电缆被损坏。
4.完成灯具和控制系统的联动安装,并设置合理的控制程序。
5.进行照明系统的验收,确保其满足设计要求并正常运行。
五、安全保障1.设立施工区域标识,保障施工区域的安全。
2.施工人员需穿戴安全装备,确保人身安全。
第1篇一、工程概况本工程为XX地区城市夜景照明工程,主要包括道路照明、景观照明和建筑照明三个部分。
工程范围涉及XX市XX区主要道路、公园、广场及重要建筑物的照明设施安装。
工程总投资约为XX万元,预计工期为XX个月。
二、施工部署1. 组织机构(1)项目经理部:负责整个工程的施工组织、协调、管理和监督。
(2)工程技术部:负责施工图纸的审核、技术交底、施工方案的编制及施工过程中的技术指导。
(3)质量保证部:负责工程质量的管理、检验和验收。
(4)安全环保部:负责施工现场的安全、环保管理工作。
2. 施工进度计划根据工程实际情况,制定合理的施工进度计划,确保工程按期完成。
具体进度安排如下:(1)第一阶段:施工准备阶段(1个月)完成施工图纸的审核、施工方案的编制、人员组织、材料采购、设备租赁等工作。
(2)第二阶段:道路照明施工阶段(3个月)完成道路照明设施的安装、调试、验收等工作。
(3)第三阶段:景观照明施工阶段(2个月)完成公园、广场等景观照明设施的安装、调试、验收等工作。
(4)第四阶段:建筑照明施工阶段(1个月)完成重要建筑物的照明设施安装、调试、验收等工作。
3. 施工方法(1)道路照明施工采用LED道路灯、钠灯等照明设备,根据道路实际情况选择合适的灯具类型。
施工过程中,遵循以下步骤:① 施工前,对道路进行清理,确保施工环境整洁。
② 根据设计要求,进行灯具安装,确保灯具安装牢固、水平。
③ 线路敷设,采用电缆、桥架等材料,按照设计要求进行敷设。
④ 照明系统调试,确保照明效果达到设计要求。
(2)景观照明施工根据景观特点,选择合适的照明设备,如LED灯具、水下灯具等。
施工过程中,遵循以下步骤:① 施工前,对景观区域进行清理,确保施工环境整洁。
② 根据设计要求,进行灯具安装,确保灯具安装牢固、美观。
③ 线路敷设,采用电缆、桥架等材料,按照设计要求进行敷设。
④ 照明系统调试,确保照明效果达到设计要求。
(3)建筑照明施工根据建筑特点,选择合适的照明设备,如LED灯具、LED面板灯等。
市政道路工程路灯照明工程施工组织设计方案施工方案:路灯照明工程一、编制依据1.本工程采用的规范、规程及标准:城市道路照明设计标准CJJ45-2006城市道路工程设计规范CJJ37-2012建筑物防雷设计规范GB-2010城市道路照明工程施工及验收规程CJJ89-2012民用建筑电气设计规范 16-20082.我公司施工类似工程的工法成果、工艺方案、施工技术力量和机械设备。
3.本工程招标文件、投标文件、施工合同、施工图图纸、变更图纸、图纸会审纪要等文件。
二、工程概况1.本施工方案力求详细,具有可操作性和实施性,可用于指导实际施工。
针对本工程的施工特点,从施工组织、技术方案、质量保证措施、工期控制、成本控制、安全、环保和文明施工等方面进行具体说明。
本工程为城市主干道,路灯照明工程只包括莲花路工程K0+000~K2+365段路灯照明工程。
2.本路段由城网10KV供电,设置箱式变电站2台。
箱变1XB暂定在K0+560处,供电范围为K0+000-K1+260,供电半径约600m。
箱式变电站2XB暂定在K1+740处,供电范围为K1+320-K2+360,供电半径约600m。
本路段路灯计算负荷为43.8KW。
3.路幅宽42m,路灯照明在两侧对称布置,单杆单挑,光源高14m,挑壁3m。
仰角12°,选用LED灯,功率(150+150)W。
结合行道树的布置,满足合理配光配要,标注路段灯杆间距为36m。
交叉路口根据实际情况改用夹角可调双挑臂路灯或三火中杆灯,光源腔的防护等级为IP65,电气腔的防护等级为IP55.标注路段平均照度30lx,亮度2.0cd/㎡。
照明功率密度值0.6w/㎡。
路灯分为全夜灯和半夜灯,全夜灯和半夜灯由两个不同的回路供电,后半夜仅全夜灯运行,要求各回路负荷均匀分布在三相上,采用时钟控制及路灯所内计算机中心集中监管。
材料在到场后需要进行开箱检验,经过业主同意后才能进行安装和使用。
动触头和静触头的中心线应该一致,触头需要紧密接触。
第1篇一、工程概况本工程旨在提升某区域照明水平,改善夜间交通及环境照明条件。
工程范围包括道路两侧路灯的安装、维修及更新,涉及路灯基础建设、灯具安装、电气线路敷设等环节。
二、施工准备1. 技术准备(1)熟悉设计图纸、施工规范和操作规程,确保施工质量。
(2)组织施工人员学习相关技术知识,提高施工技能。
2. 主要机具设备及劳力组织(1)机具设备:挖掘机、装载机、压路机、吊车、电焊机、切割机、水平仪、测距仪等。
(2)劳力组织:根据工程规模,合理配置施工人员,确保工程进度。
三、施工工艺流程1. 施工顺序及验收安排(1)按照设计图纸进行现场勘查,确定路灯安装位置。
(2)进行土方开挖、基础施工、灯具安装、电气线路敷设等工序。
(3)完成施工后,进行验收,确保工程质量。
2. 施工方法(1)土方开挖:根据设计要求,进行土方开挖,确保基础尺寸符合要求。
(2)基础施工:采用钢筋混凝土基础,按照设计图纸进行施工,确保基础稳定。
(3)灯具安装:按照设计要求,将灯具安装在基础预埋的支架上,确保灯具安装牢固。
(4)电气线路敷设:采用埋地电缆,按照设计要求进行敷设,确保线路安全可靠。
3. 系统调试送电(1)完成电气线路敷设后,进行系统调试,确保线路无故障。
(2)送电前,对施工人员进行安全教育,确保送电安全。
(3)送电后,对路灯进行试运行,确保照明效果达到预期。
四、施工的质量控制要求1. 土方开挖:严格按照设计要求进行,确保基础尺寸符合要求。
2. 基础施工:采用钢筋混凝土基础,确保基础稳定,符合设计规范。
3. 灯具安装:按照设计要求进行,确保灯具安装牢固,照明效果良好。
4. 电气线路敷设:按照设计要求进行,确保线路安全可靠,无故障。
五、安全注意事项1. 施工现场应设置安全警示标志,确保施工人员安全。
2. 电气线路敷设过程中,注意防止触电事故。
3. 高空作业时,采取安全防护措施,确保施工人员安全。
六、环境保护措施1. 施工过程中,做好废水、废气、噪声等污染物的处理,确保环境保护。
第1篇一、项目背景随着城市化进程的加快,照明工程在城市建设中扮演着越来越重要的角色。
良好的照明不仅能美化城市环境,提高城市形象,还能保障市民出行安全,提升居民生活质量。
本方案旨在为某城市道路照明工程提供一套科学、合理的施工方案,确保工程顺利进行,达到预期效果。
二、工程概况1. 工程名称:某城市道路照明工程2. 工程地点:某城市主要道路3. 工程规模:全长约XX公里,涉及XX个路段4. 工程内容:道路照明、景观照明、夜景照明等5. 工程投资:XX万元6. 施工周期:XX个月三、施工组织与管理1. 施工组织机构(1)项目经理部:负责整个工程的组织、协调、指挥和监督工作。
(2)工程技术部:负责工程的技术设计、施工方案编制、施工图纸审核、技术交底等工作。
(3)工程物资部:负责工程所需物资的采购、验收、保管、发放等工作。
(4)工程质检部:负责工程质量监督、验收、整改等工作。
(5)工程安全部:负责工程安全监督、安全教育、安全事故处理等工作。
2. 施工管理措施(1)建立健全施工管理制度,确保工程有序进行。
(2)严格执行施工方案,确保工程质量。
(3)加强施工现场管理,确保施工安全。
(4)加强工程进度控制,确保工程按期完成。
(5)加强工程成本控制,确保工程效益。
四、施工方案1. 施工准备(1)现场勘查:对施工现场进行实地勘查,了解地形、地质、水文、交通等情况。
(2)施工图纸会审:组织相关部门对施工图纸进行会审,明确设计意图、技术要求、施工难点等。
(3)施工组织设计:根据工程特点,编制详细的施工组织设计,明确施工顺序、施工方法、施工工艺等。
(4)人员培训:对施工人员进行专业培训,提高施工技能和安全意识。
(5)物资采购:根据工程需求,采购施工所需材料、设备、工具等。
2. 施工方法(1)道路照明1)采用高压钠灯作为道路照明光源,光源色温为5700K,光效大于80lm/W。
2)灯具采用全铝压铸成型,表面处理采用喷塑工艺,具有良好的耐腐蚀性能。
道路照明工程施工方案一、编制依据本施工方案依据《城市道路照明工程施工及验收规范》(GB 50858-2012)和《道路照明设计规范》(GB 50034-2013)进行编制,同时结合施工现场实际情况和工程特点,确保施工质量和安全。
二、工程概况1. 工程名称:某城市道路照明工程2. 工程地点:某城市主要道路3. 工程规模:道路全长约5公里,设置路灯约1000盏4. 工程内容:包括路灯基础施工、电缆敷设、路灯安装、配电箱安装等三、项目组织结构1. 项目组织机构图为实现项目施工目标,成立项目经理部,下设施工技术组、质量安全组、材料设备组、后勤保障组等。
2. 施工管理目标(1)质量目标:确保工程质量达到优良标准,满足设计要求和规范规定。
(2)安全生产目标:施工过程中杜绝重大安全事故,确保人员安全。
(3)文明施工目标:施工现场整洁有序,遵守相关法律法规。
(4)环境保护目标:施工过程中减少对环境的影响,符合环保要求。
四、施工进度计划1. 开完工时间:根据合同要求,自工程开工之日起至工程验收合格之日止。
2. 施工进度安排:合理组织施工顺序,确保各分项工程顺利进行,按期完成工程。
五、资源配置1. 投入人员:根据工程需要,配置足够的技术人员、施工人员、管理人员等。
2. 主要施工机械设备表:包括但不限于挖掘机、装载机、吊车、发电机、电缆敷设机等。
3. 测量仪器仪表:水准仪、经纬仪、测距仪等。
4. 劳保材料与安全设施:安全帽、安全带、警示标志、防护网等。
六、主要工程项目的施工方案、施工方法1. 路灯基础工程施工方案、施工方法:按照设计图纸和规范要求进行施工,确保基础稳定、安全。
2. 管线预埋施工方案:合理布局管线走向,确保管线安全、可靠。
3. 电缆敷设施工方案:按照设计图纸和规范要求进行电缆敷设,确保电缆安全、可靠。
4. 手孔井规格:根据设计要求,制作符合规格的手孔井,确保施工质量和安全。
七、各分项工程的施工顺序1. 路灯基础分项工程:先进行施工准备工作,然后进行基础施工,最后进行验收。
道路照明工程施工方案一、工程概述道路照明工程是为了保障晚间行车安全而进行的一项工程,主要任务是通过设置照明设备,保持道路上的照明状态,提供良好的道路照明效果。
本工程施工方案旨在达到以下目标:确保工程质量,按时完成施工任务。
二、工程内容1.施工范围本次道路照明工程施工范围包括城市道路、乡村道路、高速公路等主要道路,以及相应的连接道路和主要交叉口。
2.施工内容(1)安装道路照明设备,包括路灯、灯具和配电设备。
(2)进行道路照明配电系统的布线和接线工作。
(3)进行相关测试和调试工作,确保照明设备正常工作。
三、施工组织1.施工人员本工程需要配备一支经验丰富、技术过硬的施工队伍。
施工队伍包括项目经理、施工队长、电工、架线工等。
2.施工设备为了保证施工进度和质量,需要配备以下施工设备:(1)搅拌设备:用于混凝土灯杆基础的施工。
(2)钻岩机:用于灯杆基础的钻孔。
(3)吊车:用于灯杆、配电箱等设备的安装与拆除。
(4)电焊机:用于灯杆、灯具的安装和接线工作。
四、施工工序1.前期准备阶段(1)制定项目计划,确定施工流程和工期。
(2)组织人员,确定施工队伍。
(3)采购施工所需材料和设备。
2.施工准备阶段(1)进行现场勘测,确定灯杆的数量和位置。
(2)准备施工图纸和工程材料。
(3)设置施工标志,确保施工现场安全。
3.灯杆基础施工(1)进行地面开挖,清理杂物。
(2)进行灯杆基础的混凝土浇筑,确保灯杆稳固。
4.灯具安装(1)根据设计要求,安装灯具。
(2)连接电缆,并进行绝缘处理。
5.灯杆安装(1)使用吊车将灯杆吊装到位。
(2)进行灯杆的固定。
6.照明配电系统安装(1)进行电缆敷设工作,保证电缆的安全和稳定。
(2)进行电缆接线工作,确保连接正确。
7.施工验收(1)进行照明设备的测试和调试。
(2)对照明效果进行评估,确保达到设计要求。
(3)进行施工的质量和安全验收。
五、施工安全措施1.保证施工现场的安全,并设置防护栏杆和临时施工标志。
第1篇一、项目背景随着我国城市化进程的加快,城市照明工程已成为城市基础设施建设的重要组成部分。
良好的照明环境不仅能提升城市形象,还能为市民提供安全、舒适的夜间活动空间。
本照明工程施工方案旨在为某城市区域提供高质量的照明服务,确保工程顺利进行,达到预期效果。
二、工程概况1. 工程名称:某城市区域照明工程2. 工程地点:某城市区域3. 工程规模:本项目涉及道路、广场、公园、景观节点等区域的照明改造和新建。
4. 工程内容:包括道路照明、广场照明、公园照明、景观节点照明等。
5. 工程工期:预计工期为6个月。
三、施工组织机构1. 施工项目经理:负责整个工程的施工组织、协调和管理。
2. 施工技术负责人:负责施工技术指导和质量控制。
3. 施工安全负责人:负责施工现场的安全管理工作。
4. 施工质量负责人:负责施工现场的质量管理工作。
5. 施工材料负责人:负责施工材料的采购、供应和管理工作。
四、施工准备1. 施工图纸会审:组织施工图纸会审,明确工程范围、技术要求、施工难点等。
2. 施工方案编制:根据施工图纸、设计要求及现场实际情况,编制详细的施工方案。
3. 材料设备准备:根据工程量清单,提前采购、备齐各类照明设备、材料及施工工具。
4. 人员培训:对施工人员进行技术培训和安全教育,提高施工人员的素质。
5. 施工现场准备:平整施工现场,搭建临时设施,确保施工环境符合要求。
五、施工工艺及质量控制1. 道路照明施工(1)施工工艺:采用高压钠灯、LED灯等高效节能光源,按照道路等级和设计要求进行安装。
(2)质量控制:确保灯具安装牢固,接线正确,光源亮度符合设计要求。
2. 广场照明施工(1)施工工艺:采用庭院灯、草坪灯等灯具,按照广场面积和景观需求进行布置。
(2)质量控制:确保灯具安装美观,布局合理,光源亮度适宜。
3. 公园照明施工(1)施工工艺:采用高杆灯、庭院灯、景观灯等灯具,按照公园景观特点和功能分区进行设计。
(2)质量控制:确保灯具安装牢固,布局合理,光源亮度适中,不影响公园景观。
一、工程概况1.1 工程名称:XX道路照明工程1.2 工程地点:XX市XX区XX道路1.3 工程规模:全长XX公里,道路宽度XX米1.4 工程内容:道路照明设计、施工、调试及验收二、施工准备2.1 施工图纸及技术资料组织施工人员认真阅读施工图纸,了解工程概况、设计要求、施工工艺等。
同时,收集相关技术资料,为施工提供依据。
2.2 施工人员培训组织施工人员进行技术培训,确保施工人员掌握施工工艺、操作规程、安全知识等。
2.3 材料设备准备根据工程量清单,提前备齐施工所需材料及设备,并确保材料、设备的质量合格。
2.4 施工现场准备对施工现场进行清理,确保施工环境整洁,满足施工要求。
三、施工工艺及方法3.1 施工顺序按照施工图纸和施工方案,依次进行以下工序:基础施工、管线敷设、灯具安装、调试及验收。
3.2 施工方法3.2.1 基础施工1)测量放线:根据设计图纸,进行道路中线及控制点的测量放线。
2)挖坑:按照设计要求,挖掘灯具基础坑,确保坑底平整、尺寸准确。
3)浇筑基础:将水泥砂浆浇筑于基础坑内,确保基础稳固。
3.2.2 管线敷设1)布线:根据设计图纸,合理布设电缆线路,确保线路安全、可靠。
2)电缆敷设:采用电缆桥架、埋地等方式敷设电缆,确保电缆线路符合规范要求。
3.2.3 灯具安装1)灯具安装:按照设计要求,安装灯具,确保灯具位置、高度、角度等符合规范。
2)接线:根据设计图纸,连接灯具与电缆,确保接线正确、牢固。
3.2.4 调试及验收1)调试:对安装完成的灯具进行调试,确保照明效果达到设计要求。
2)验收:按照国家及行业标准,对工程进行验收,确保工程质量合格。
四、质量控制措施4.1 材料质量控制1)严格按照设计要求选用材料,确保材料质量合格。
2)对进场材料进行检验,确保材料符合规范要求。
4.2 施工过程质量控制1)严格按照施工工艺进行施工,确保施工质量。
2)加强施工过程中的监督检查,及时发现并处理质量问题。
市政道路路灯照明工程施工组织设计方案一、工程概述本市政道路路灯照明工程位于具体地点,道路全长具体长度米。
该工程旨在为道路提供安全、高效、节能的照明设施,改善夜间交通条件,提升城市形象。
二、施工准备(一)技术准备1、熟悉施工图纸和相关技术规范,进行技术交底。
2、编制施工方案和施工进度计划。
(二)材料准备1、根据设计要求,采购质量合格的路灯灯具、灯杆、电缆、配电箱等材料。
2、对材料进行检验和试验,确保符合要求。
(三)现场准备1、清理施工现场,保证施工场地平整、畅通。
2、确定临时用电、用水位置,并接通。
(四)人员准备1、组建施工项目部,配备项目经理、技术负责人、施工员、质检员、安全员等管理人员。
2、组织施工队伍,进行技术培训和安全教育。
三、施工流程(一)测量放线根据设计图纸,确定路灯的位置和间距,进行测量放线。
(二)基础施工1、开挖路灯基础坑,保证坑底平整、坚实。
2、制作和安装钢筋骨架,浇筑混凝土基础,并进行养护。
(三)灯杆安装1、灯杆运输到现场后,进行检查和验收。
2、使用吊车将灯杆吊起,安装在基础上,并调整垂直度。
(四)灯具安装将灯具安装在灯杆上,连接好线路,保证灯具安装牢固、接线正确。
(五)电缆敷设1、开挖电缆沟,深度和宽度符合设计要求。
2、敷设电缆,注意保护电缆外皮,避免损伤。
3、电缆接头制作和连接,进行绝缘测试。
(六)配电箱安装1、安装配电箱,保证箱体牢固、水平。
2、进行配电箱内设备的安装和接线。
(七)系统调试1、对路灯照明系统进行通电调试,检查灯具亮度、照度是否符合设计要求。
2、调试控制系统,确保定时、调光等功能正常。
四、质量保证措施(一)建立质量管理体系成立质量管理小组,明确各部门和人员的质量职责。
(二)加强原材料和构配件的质量控制严格执行材料进场检验制度,不合格材料不得使用。
(三)加强施工过程的质量控制1、严格按照施工工艺和操作规程进行施工。
2、加强工序检验,上道工序不合格,不得进行下道工序施工。
道路照明灯工程施工方案一、工程概况与要求本项目旨在为城市的主要道路和次要道路安装高效、节能的道路照明灯,以提升城市夜景,确保夜间行车安全。
本工程要求所有灯具需符合国家标准,且具有良好的耐用性和维护性。
照明效果需满足道路照明标准,既要保证夜间行车的安全,又要考虑节能环保的要求。
二、施工准备与条件现场勘察:对施工区域进行详细的勘察,了解地形、地下管线、交通情况等信息,为后续施工提供参考。
制定施工方案:根据勘察结果,结合工程要求,制定详细的施工方案。
材料准备:按照施工方案,提前采购所需的灯具、电缆、管材等材料。
人员配备:组建专业的施工团队,包括项目经理、技术人员、施工工人等。
三、灯具与设备采购选择信誉良好的供应商,确保采购的材料质量可靠。
灯具应满足照明标准,且具有良好的耐用性。
设备应符合国家相关标准,并有良好的售后服务。
四、灯位确定与开挖根据施工图纸,准确确定灯位位置。
使用专业设备开挖灯位,确保开挖深度、宽度符合设计要求。
五、电缆管预埋与基础施工按照施工图纸,进行电缆管的预埋。
基础施工应符合设计要求,确保灯具安装稳固。
六、灯具安装与电气连接按照设计要求,进行灯具的安装。
电气连接应安全可靠,符合电气安全规范。
七、照明系统调试与优化完成安装后,对整个照明系统进行调试,确保灯具正常工作。
根据调试结果,对系统进行优化,使照明效果达到最佳。
八、安全措施与注意事项施工现场应设置明显的安全警示标志,确保行人、车辆安全。
施工人员应穿戴安全防护用品,遵守安全操作规程。
夜间施工应有足够的照明设备,确保施工安全。
九、废料废方处理与环境保护施工过程中产生的废料、废方应及时清理,保持现场整洁。
废料、废方应按照相关规定进行处理,防止对环境造成污染。
十、工程验收与维护管理工程完成后,应组织相关部门进行验收,确保工程质量符合要求。
建立健全的维护管理制度,定期对灯具、电缆等进行检查和维护,确保照明系统的正常运行。
本施工方案旨在确保道路照明灯工程的顺利进行,保证工程质量,提升城市夜景。
市政道路照明工程施工方案一、项目概况市政道路照明工程是指在城市道路、桥梁、隧道等公共场所设置灯具或照明设备,以提高夜间能见度、增加行车和行人安全的一项工程。
该工程主要包括灯具的布局、线路的敷设及控制系统的建设等内容,是市政基础设施建设中不可或缺的一部分。
二、工程范围本次市政道路照明工程施工范围主要包括市区主要道路、交叉口、人行道等公共区域,具体施工内容包括但不限于:照明灯具的布设、电缆线路的敷设、控制系统的安装以及相关设备的调试等工作。
三、施工方案1. 布局设计在进行市政道路照明工程的施工前,需要根据道路特点、交通流量、行人需求等因素进行详细的布局设计。
同时,根据路灯的功率、颜色、亮度等要求,确定灯具的布设位置和数量,确保全面照明覆盖并满足相关标准。
2. 灯具选型为提高照明效果、节能减排,应选用高效节能的LED灯具作为主要照明设备。
在选择灯具时,需考虑其光效、色温、寿命等因素,并确保灯具符合国家标准,具有防水、防尘、抗风等功能。
3. 线路敷设道路照明工程的线路敷设是保证照明设备正常运行的重要环节。
在进行线路敷设时,需按照设计要求进行埋地敷设或架空敷设,并确保线路可靠、安全、规范。
4. 控制系统建设为实现照明设备的远程监控和智能调节,应建设可靠的照明控制系统。
控制系统需与灯具、电源系统相匹配,并具备光感应、时间控制等功能,以减少能耗,延长设备寿命。
5. 施工流程道路照明工程施工流程一般包括现场勘察、设备采购、土建施工、线路敷设、设备安装、调试验收等环节。
施工过程中,应加强现场管理、安全防范,确保施工质量与进度。
6. 完工验收道路照明工程施工完成后,需进行相关的验收工作。
包括设备运行测试、照明效果检测、安全检查等内容,确保工程符合设计要求并通过验收。
四、质量控制道路照明工程的质量控制是施工过程中的重点工作。
为确保工程质量,需严格执行国家标准和施工规范,加强现场管理,监督施工进度,及时发现和处理质量问题,确保工程质量符合要求。
第1篇一、工程概况本公路亮化工程旨在提升道路照明水平,保障夜间行车安全,美化道路景观。
工程范围包括道路两侧的路灯安装、电缆敷设、控制系统搭建等。
道路全长XX公里,双向四车道,路面宽度XX米。
二、施工方案1. 施工准备(1)人员组织:成立公路亮化工程指挥部,负责工程的组织、协调和监督。
下设施工、技术、质量、安全、材料等管理部门。
(2)材料设备:根据工程需求,采购路灯、电缆、灯具、控制系统等材料设备,确保质量合格。
(3)技术培训:对施工人员进行技术培训,提高施工技能和安全意识。
2. 施工步骤(1)道路两侧绿化带清理:对道路两侧绿化带进行清理,确保路灯安装空间。
(2)电缆敷设:按照设计要求,敷设电缆,确保电缆安全、稳定。
(3)路灯安装:根据设计要求,安装路灯,确保路灯高度、角度、间距等符合规范。
(4)控制系统搭建:搭建控制系统,实现路灯的远程控制、故障监测等功能。
(5)调试与验收:对亮化工程进行调试,确保各项功能正常。
验收合格后交付使用。
3. 施工要点(1)电缆敷设:电缆敷设应按照设计要求进行,确保电缆安全、稳定。
敷设过程中,注意保护电缆,避免损坏。
(2)路灯安装:路灯安装应确保高度、角度、间距等符合规范。
安装过程中,注意安全,防止高空坠落。
(3)控制系统搭建:控制系统搭建应按照设计要求进行,确保各项功能正常。
调试过程中,注意检查系统运行情况,确保无故障。
(4)质量保证:严格控制施工质量,确保工程达到设计要求。
对施工过程中发现的问题,及时整改。
三、施工进度安排1. 施工前期准备(1个月)2. 电缆敷设(1个月)3. 路灯安装(1个月)4. 控制系统搭建(1个月)5. 调试与验收(1个月)四、安全措施1. 严格执行安全操作规程,确保施工人员安全。
2. 施工现场设置安全警示标志,防止交通事故。
3. 加强施工现场安全管理,确保工程顺利进行。
五、环境保护1. 严格控制施工噪声,降低对周边环境的影响。
2. 施工过程中,注意保护绿化带,减少对生态环境的破坏。
道路照明工程施工组织设计一、工程概述道路照明工程是为了保障夜间路面通行安全,提升城市夜间景观而进行的一项重要工程。
本工程位于某市区内主干道路上,总长约5公里,共设置约200个道路照明灯具。
照明灯具采用LED灯源,照明效果好,节能环保。
本次施工组织设计将详细规划施工过程,确保工程进度顺利,并最大程度降低施工风险,确保施工质量。
二、施工准备1.设计方案验收:根据《道路照明设计规范》,对道路照明工程设计方案进行验收,确保设计合理,并能满足道路照明需求。
2.材料采购:提前准备所需的照明设备、电缆、电缆槽等材料,并进行验收,确保质量合格。
3.施工人员和设备准备:组织足够数量的熟练工人,并配备必要的施工设备,确保施工的顺利进行。
4.施工方案制定:制定详细的施工方案,包括施工顺序、进度计划、安全预防措施等,确保施工过程安全、有序进行。
三、施工过程1.场地准备:在施工现场进行场地清理和平整,确保施工基础符合要求。
2.布线敷设:按照设计方案要求,在道路两侧设置电缆槽,并将照明电缆进行敷设,并在所设照明灯具位置处埋设电缆连接盒。
3.灯具安装:根据设计方案要求,安装LED照明灯具,并进行调试,确保照明效果良好。
4.电源接入:将道路照明电缆连接到电力供应系统中,并进行接地处理,确保供电可靠。
5.运行调试:完成以上工序后,对整个照明系统进行运行调试,确保每个照明灯具正常运行,并适时调整光照度。
6.工程验收:完成道路照明工程后,进行工程验收,确保工程符合设计要求。
四、安全防范1.安全教育培训:对施工人员进行安全教育培训,强化安全意识,杜绝各类安全事故发生。
2.安全防护设施:在施工现场设置安全警示标志、安全防护栏等设施,确保施工现场安全。
3.施工现场管理:加强对施工现场的管理,实行施工区分区,并定期进行安全检查,确保施工场地整洁、安全。
五、施工进度控制1.制定施工进度计划:根据施工任务量和工期要求,制定详细的施工进度计划,确保工程按时完成。
道路照明工程设计施工方案一、项目概况道路照明工程是指为公路、街道等道路提供照明设施,以确保夜间行车安全并优化城市夜景。
本项目位于某市市区,主要包括城市主干道、次干道和街区道路等,总长度约200公里,总面积约2000平方公里。
照明设施主要采用LED路灯,计划对整个道路照明系统进行更新改造。
二、设计依据本工程设计遵循国家《道路照明设计规范》GB 50034-2013的有关规定。
在设计过程中,综合考虑了道路的用途、交通流量、道路照明等级以及节能环保等因素,力求达到照明良好、经济合理、安全可靠、节能环保的设计目标。
三、设计内容1. 道路分类按道路功能不同,分为城市主干道、次干道和街区道路。
不同等级的道路对照明设计有不同要求。
2. 照明等级根据道路用途和交通流量,确定不同等级的道路照明等级,主要包括A、B、C三个等级。
3. 照明设施采用LED路灯,包括单臂式路灯、双臂式路灯、多臂式路灯等,其灯具参数需满足国家标准要求。
4. 照明控制采用智能照明控制系统,根据天气、车流情况等自动调节照明亮度,实现节能环保。
5. 照明电缆采用阻燃型电缆,布置合理,保证安全可靠。
6. 景观照明针对特殊景观道路、广场等地方进行景观照明设计,提高城市夜景品质。
四、布局设计1. 路灯布设根据道路分类和照明等级要求,设计合理的路灯布设方案,确保道路照明均匀,照明亮度达标。
2. 景观照明布设在具体景观路段、广场等地方,设置景观灯具,突出特色景观,提升城市夜景品质。
五、材料及设备1. LED路灯采用国家标准认证的LED路灯,具有较好的节能性能和长寿命。
2. 电缆采用阻燃型电缆,具有良好的耐火、耐热性能,经久耐用。
3. 照明控制系统采用智能照明控制系统,能够实时监控照明设施的运行状态,并能根据实际情况自动调节照明亮度。
六、工程施工1. 工程准备在施工前,组织相关材料和设备,对施工现场进行勘察,确保施工前的准备工作充分。
2. 施工过程按照设计方案,合理布置施工队伍,有效组织施工作业,确保施工质量。
一、工程概况1、编制依据本施工组织设计的编制依据是按新密电厂二期2×1000MW机组扩建工程厂区道路照明及煤场照明工程工程设计图纸要求和现行中华人民国建设部及省颁布的行业、企业规与规程、标准、图集等。
1.1主要的规、规程及标准如下:混凝土结构工程施工质量验收规GB50204-2002电气装置安装工程电缆线路施工及验收规GB50168-92电气装置安装工程接地装置施工及验收规GB50169-92工程测量规GB50026-93建设工程施工现场供用电安全规GB50194-93施工现场临时用电安全技术规JGJ46-2005建设施工安全检查标准JGJ59-991.2本公司三维一体认证标准和标准化工地管理细则。
2、工程概况2.1工程整体概况工程名称:新密电厂二期2×1000MW机组扩建工程厂区道路照明及煤场照明工程。
建设单位:设计单位:质监单位:监理单位: 电力建设监理有限责任公司施工单位:建设规模:本标段工程全长16000米。
工期要求:计划工期:132天;计划开工日期:2011年10月19日,竣工工期:2012年03月01日质量要求:国家优质工程银奖2.2道路照明工程2.2.1本标段道路照明工程供电电源来自厂区。
2.2.2本路段路灯基本采用8米高单臂路灯,光源均为220W LED灯,灯间距20米。
路灯分全夜、半夜对称间隔控制。
光源发光效率为120Lm/W,采用单灯补偿方式,功率因素大于0.9,并采用节能型电感镇流器。
2.2.3路灯线路穿PVC110管外加混凝土包封埋设,埋深为管顶距人行道地面0.5米及车行道地面0.7米。
2.2.4指路牌、亭、公交站照明分支管采用PVC50管,引自临近路灯井。
2.2.5路灯配电采用三相五线制配线,各相回路交错接引灯具,三相负荷应尽量平衡。
2.2.6防雷接地,中杆灯设避雷针,路灯利用钢杆为接闪器,接地采用TN-S 三相五线制接地系统,所用灯杆、灯具均应与PE线可靠焊接。
PE线应与个灯具基础接地极可靠连接,要求保护接地电阻不大于4欧姆。
二、施工组织与部署1、部署原则1.1集中力量保质量、保工期,在人力、物资、机具给该工程以充分保障,各工序管理工作应相互协助,指导好现场的施工工作,搞好各工种的协调配合。
1.2组织各工种配合施工,穿插作业,重点部位重点赶工。
以达到土建、安装及其它各工种之间互创施工条件,以确保工程总体进度。
2、施工组织机构2.1 本电气照明安装工程项目,负责安装施工组织和管理,其组成成员如下:2.2项目经理将负责专业施工队伍的施工现场协调和安排。
抓好工程质量和安全的同时,抓好对环境保护的要求。
3、施工管理措施为顺利实现质量目标,我们采取的主要管理措施有:3.1将该工程列为公司的重点项目,由公司总经理直接领导,并组成施工现场管理机构,发挥公司的优势,在各施工生产要素的配置上对该工程实行重点政策,确保工程顺利完成。
3.2组建精干、高效强有力的项目经理部,选配高素质的项目经理和管理人员,实行项目管理负责制,全权组织技术、质检、材料、安全、劳资、财务等部门对工程施工进行全员、全面、全过程的系统动态管理,并对工程质量、施工进度、安全生产、文明施工、成本核算及经济效益等进行全方位的目标责任管理与控制。
3.3用技术熟练,纪律严明,经过多个大型工程锤炼的能打硬仗的高素质的作业队伍,在该工程上进行施工,发挥我公司管理上的优势,强化职能,统筹协调,综合管理,确保工程总体目标的实现。
4、施工组织方案4.1进场阶段:对施工现场进行认真勘察,合理选定材料摆放区、制作区、工具存放区及废料堆放区,有条件的应设立材料仓库,便于管理。
制定现场作业顺序,不阻障其它工程的施工现场,根据可施工程度合理安排施工人员进场、材料进场及工具进场。
组织人力搞好现场的文明环境,临时用电架接灯光准备,施工人员进场前作适当的安全培训,技术培训,规章制度颁布,甲方要求传达等,使进场秩序良好。
4.2主体阶段:按工程进度计划,由项目经理部组织计划施工。
整个工程大体分为电缆管暗埋、路灯基础浇筑、电缆穿管敷设、路灯安装、控制柜安装、通电调试。
各阶段的施工存在重叠作业,施工应合理安排,相互提供最宽的工作面,并做好半成品或成品的保护工作,加强工作中的自检工作,对发现的不合格项目应及时组织人力处理,决不让不合格产品流入下道工序。
4.3 试验阶段:达到满足业主要求,功能达到设计效果,外观达到优良水平。
4.4竣工验收:一次通过相关部门验收。
三、施工准备1、技术准备1.1由技术负责人协助项目有关人员认真学习图纸,并进行图纸自审、会审工作,理解设计意图及施工质量标准,以便正确无误地施工。
由施工技术组认真编制该工程的施工组织设计,作为工程施工生产的指导性文件。
1.2通过学习,熟悉图纸容,了解设计要求,施工所应达到的技术标准,明确工艺流程。
1.3进行自审,组织各工种的施工管理人员对本工种的有关图纸进行审查,掌握和了解图纸中的细节。
1.4组织施工队伍共同学习施工图纸,商定施工配合事宜。
1.5组织图纸会审,由设计方进行交底,准确掌握设计图纸中的细节。
2、劳动力的准备2.1根据确定的现场管理机构建立项目施工管理层,选择高素质的施工作业队伍进行该工程的施工。
2.2对工人进行必要的技术、安全、思想和法制教育,教育工人树立“质量第一,安全第一”的正确思想,遵守有关施工和安全的技术法规,遵守地方治安法规。
3、材料准备3.1根据施工组织设计中的施工进度计划和施工预算中的工料分析,编制工程所需材料用量计划,作好备料、供料工作和确定仓库堆场面积及组织运输的依据。
3.2根据材料需用量计划,做好材料的申请、订货和采购工作,使计划得到落实。
组织材料按计划进场,并作好保管工作。
3.3施工材料的发放用使用管理制订严格的材料领料制度,做到按需领料、按当日施工量领料,防止材料出库后造成的丢失损坏和污染。
4、机械准备4.1根据施工组织设计中确定的施工方法、施工机具、设备的要求和数量以及施工进度计划的安排,编制施工机具设备需用量计划,组织施工机具设备需用量计划的落实,确保按期进场。
四、施工程序和主要施工方法1、定位测量、施工放样依据图纸要求测量电线保护管、路灯基础的位置及走向、接地极等具体位置,并对施工现场围的地表下层情况进行了解,如其它市政管线或设施的存在情况,包括施工时可能影响围的情况。
根据土质的坚软程度加上放坡系数操作施工放样,将有关施工测量放线和放样资料报监理工程师审查,获得批准后才能正式施工。
2、沟槽开挖2.1根据图纸及设计变更要求基底标高、尺寸及现场实际情况采用机械配合人工开挖。
挖至所需深度,不少挖、超挖。
2.2开挖前应与监理工程师联系,基本弄清地下障碍物(如地下电缆、管道等)情况,以确保供水、供电、通讯设施等的安全。
2.3按规要求施工,基础深度允许偏差值不大于+100mm,-50mm。
当土质原因等造成基础坑深度与设计偏差+100mm以上时,应按以下规定处理:偏差在+100—+300mm时,采用铺石灌浆处理;偏差超过+300mm时,超过+300mm 的部分可采用填土、沙石夯实处理,分层夯实厚度不大于100mm,然后采用铺石灌浆处理。
2.4地基夯实后复测基底标高,坐标尺寸应符合图纸设计要求。
2.5电线保护管的沟槽和路灯基础,开挖完工后向监理工程师申报进行隐蔽工程质量验收。
2.6施工时用标志绳围住施工现场,开挖前用水喷洒现场进行粉尘控制,避免施工时粉尘飞扬,影响环境。
3、路灯基础3.1按规要求施工,基础深度允许偏差值不大于+100mm,-50mm。
当土质原因等造成基础坑深度与设计偏差+100mm以上时,应按以下规定处理:(1)偏差在+100—+300mm时,采用铺石灌浆处理;(2)偏差超过+300mm时,超过+300mm的部分可采用填土、沙石夯实处理,分层夯实厚度不大于100mm,然后采用铺石灌浆处理。
3.2路灯基础尺寸为700×700×1100mm,基础与地面齐平。
基础的预埋4根M20地脚螺栓,灯杆基础按设计图纸及规置于原状土上,如遇不良地质土层应进行地基处理。
基础施工后周围回填并分层夯实,混凝土为商品砼C20。
基础周围回填应按照道路人行道压实度要求处理。
3.3每个灯塔基础配地脚螺栓(M30×12)埋入混凝土中,螺丝端露出地面70mm,地脚螺栓应去除铁锈,螺纹部分应加以保护,基础法兰螺栓中心分布直径应与灯杆底座法兰孔中心分布直径一致,偏差应小于±2mm,螺栓应采用双螺母和弹簧垫。
3.4浇制基础前必须先排除坑积水,所支的基础模板尺寸、位置符合要求。
PVC进、出线管ф50位于基础中心,高出路面(路灯基础面)30-50mm。
4、电线保护管加工、铺设4.1PVC电线保护管不应有孔洞、裂缝和明显的凹凸不平,弯扁度不大于管子外径的10%。
管子连接采用插接方式,插入深度为管子径的1.1-1.8倍,在插接面涂胶合剂粘牢密封。
4.2电线管的弯曲半径不应小于所穿入电线的最小允许弯曲半径,管口进入的路灯控制箱、路灯基础时应高出基础面30—50mm。
4.3下管前应对沟底走向尺寸、高程、坡度及基础进行检查,报监理工程师确认无误后方能进行。
4.4下管时,应采取保护措施以防损坏,管子不得与沟底沟壁及利物相碰。
4.5电线管应排列平整平顺,接口密封良好,允许偏差见下表:4.6按图纸设计和施工规进行加固。
5、土方回填5.1经监理工程师复查(标高测定等)所有隐蔽工程确认合格签字后方可回填。
5.2电线保护管沟、路灯基础坑回填所采用的土应符合道路路基工程用土的要求,不含建筑垃圾物和其它废料的素土。
5.3回填时分层填埋,分层夯实,夯实程度应达到原状土实心压实度的90%及以上。
对适于夯实的土质,用机械夯压,回填土层厚度不得大于300mm,对于特殊地段无法采用机械夯实时,应经监理工程师批准后采用人工夯实,人工夯实每层厚度不得大于100mm。
6、灯具安装6.1常规照明灯具的效率不低于60%,且应符合下列规定:(1)灯具防锈性能良好,配件应齐全,无机械损伤、变形、油漆剥落、灯罩破裂等现象。
灯具的防护等级、密封性能必须在IP65以上。
(2)反光器应干净整洁,并应进行抛光氧化或镀膜处理,反光器表面应无明显划痕。
(3)透明罩的透光率应达到90%以上,并应无气泡、明显的划痕和裂纹。
(4)封闭灯具的灯头引线应采用耐热绝缘管保护,灯罩与尾座的连接配合应无间隙。
(5)灯具应抽样进行温升和光学性能等测试,测试结果应符合现行国家标准《灯具安全要求与试验》的规定,测试单位应具备资质证书。
6.2路灯安装高度(从光源到地面)、仰角、装灯方向宜保持一致。
6.3灯头应固定牢靠,可调灯头应按设计调整至正确位置,灯头接线应符合下列规定:(1)相线应接在中心触点端子上,零线应接螺纹口端子。