安全阀调整安全技术操作规程(最新版)
- 格式:docx
- 大小:47.02 KB
- 文档页数:5
安全阀的调整安全技术操作规程范文第一章总则第一条为规范安全阀的调整工作,确保设备和生产过程的安全稳定运行,保证人身和财产的安全,特制订本规程。
第二条本规程适用于所有使用安全阀的单位和个人,包括安全阀的安装、调试、日常维护保养等环节。
第三条本规程所称“安全阀”是指能够在设备内部的压力超过允许工作压力时,通过自动放疗气体来降低压力的设备。
第四条安全阀的调整工作,必须遵循“安全第一,预防为主”的原则,确保工作过程中不存在严重的危险和事故隐患。
第五条安全阀的调整,必须由具有安全阀维修和调整资质的工作人员进行。
第六条安全阀调整工作必须依据国家相关标准和规范进行,不得擅自篡改和改变原有设置参数。
第七条安全阀调整工作必须按照正常操作程序进行,不得随意尝试和试错。
第八条安全阀调整工作必须严格按照设备的生产技术要求进行,不得超出设备的允许操作范围。
第九条安全阀调整工作必须要求工作人员具备一定的理论知识和经验,不得由无专业知识和经验的人员进行。
第二章安全阀的调整程序第十条安全阀的调整程序分为准备工作、调整工作和后期检验三个阶段。
第十一条准备工作包括了解设备运行情况、阀门的结构和工作原理、检查工作区域的安全设施、准备相应的工具和设备等等。
第十二条调整工作主要包括根据设备情况选择适合的安全阀、对阀门进行调整操作、校准阀门压力参数、测试调整后的安全阀工作性能等。
第十三条后期检验主要包括对调整后的安全阀进行运行负载测试、记录调整过程中的数据、填写调整报告等。
第三章安全阀的调整要求第十四条安全阀的调整要求包括对设备的了解程度、调整方法、调整时限、超压保护要求等。
第十五条调整工作人员必须对设备的结构和工作原理进行了解,清楚了解设备的运行情况和可能存在的风险。
第十六条调整工作人员必须选择与设备相匹配的安全阀,确保其工作性能符合设备及工艺的要求。
第十七条调整工作必须在事先约定的时间内完成,不得超过设定时限。
第十八条安全阀的调整必须保证超压保护的效果,确保设备在超压情况下能够正常安全运行。
安全阀调整安全技术操作规程(1)开启压力的调整①安全阀出厂前,开启压力应逐个调整至用户要求的设定值。
若用户提出弹簧工作压力级,则一般应按压力级的下限值调整出厂。
②用户在受保护设备上安装安全阀之前或安装之前,必须在安装现场重新进行调整,以确保安全阀的整定压力值符合要求。
③在铭牌所示的弹簧工作压力范围内,通过旋转调整螺杆改变弹簧压缩量,即可对开启压力进行调节。
④在旋转调整螺杆之前,应使阀进口压力降低到开启压力的 90%以下,防止旋转调整螺钉时驱动阀盘旋转,以致损伤密封面。
⑤为保证开启压力值准确,应使调整时的介质条件,如介质种类、温度等尽可能接近实际运行条件。
介质种类改变,特别是当介质聚积态不同时(例如从液相变为气相),开启压力常有所变化。
工作温度升高时,开启压力一般有所降低。
故在常温下调整而用于高温时,常温下的设定压力值应略高于所需的开启压力值。
高到什么程度与阀门结构和材质选用都有关系,应以制造厂的说明为根据。
⑥常规安全阀用于固定附加背压的场合,当在检验后调整开启压力时(此时背压为大气压),设定值应为所需的开启压力值减去附加背压值。
(2)排气压力和回座压力的调整①调整阀门排放压力和回座压力,必须进行阀门达到全开启高度的动作试验,因此,只能在大容量试验装置上或在受保护设备上安装安全阀后进行。
其调整方法依阀门结构不同而不同。
②对于带反冲盘和阀座调节圈的结构,是利用阀座调节圈来进行调节。
拧下调节圈固定螺钉,从暴露的螺孔中伸出一个工具,如一根细铁棒,即可拨动调节圈上的轮齿,使调节圈左右转动。
当使调节圈向左作逆时针方向旋转时,其位置升高,排放压力和回座压力都将有所降低。
反之,当使调节圈向右作顺时针方向旋转时,其位置降低,排放压力和回座压力都将有所升高。
每一次调整时,调节:圈转动的幅度不宜过大(一般转动数齿即可)。
每次调整后都应将固定螺钉拧上,使其端部位于调节圈两齿之间的凹槽内,既能防止调节圈转动,又不对调节圈产生径向压力。
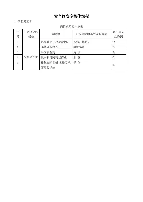
安全阀安全操作规程1、岗位危险源
岗位危险源一览表
2. 适用范围
适用于锅炉安全阀
3.作业前的检查和准备工作
3.1 操作人员作业前必须穿戴整齐劳护用品;
3.2检查排汽管是否可靠无损坏;
3.3检查提升手柄和阀帽是否齐全,铅封是否完好,是否校验合格,
3.4锅炉水位在中水位±20mm之间;
4. 作业中的操作及注意事项:
4.1 安全阀手动试验操作:
4.2 当锅炉压力升至工作压力的70-80%时,用手轻轻抬动安全阀4升手柄,抬动高度约为相对水平面垂直90度,排放蒸汽;
4.3手动安全阀每周一次,排汽时间3-5秒;
4.4 松开手柄,安全阀应可靠回座密闭,如阀芯关闭不严,应重作手动试验,
4.5 安全阀的自动排汽试验,
4.6 安全阀应每月自动排汽试验一次;
4.7 关闭锅炉主汽阀,压力达到调整定值时,安全阀自动启跳排汽,如果压力超过定值未动作,应立即手动开启,并对安全阀进行重新调试,
4.8 当压力下降到控制压力的90%时,安全阀应可靠回座;
4.9 安全阀有下列情况之一时,应停止使用:
4.10 安全阀的阀芯和阀座密封不严且无法修复;
4.11 安全阀的阀芯与阀座粘死或弹簧严重腐蚀、生锈、失效;
4.12 安全阀选型错误;
4.13 安全阀出口应无阻力,若在其出口处装设排泄管道,不小于出口通径。
5.作业结束后的工作
5.1 安全阀试验后,其动作压力、回座压力应记入安全阀试验的记录卡;
5.2 保持安全阀清洁,排污管道畅通。
5.3 清理现场,保持场地整洁、规范,工用具不能遗留在现场。
安全阀调整安全技术操作规程范文第一章总则第一条为了确保安全阀调整工作的安全性和有效性,规范操作行为,提高工作效率,特制订本规程。
第二条本规程适用于安全阀调整工作的操作人员,包括调整前的检查、调整过程中的操作和调整后的验收等。
第三条安全阀的调整工作应遵循“安全第一,预防为主”的原则,严格按照相关法律法规、技术规范和操作规程要求进行操作,确保安全阀的正常运行。
第四条所有参与安全阀调整工作的人员必须经过专业培训,并持有相关岗位资质证书方可从事相应工作。
第五条安全阀调整工作涉及到高压、高温等危险因素,调整操作前必须检查设备状态、准备相关工具及安全防护措施,确保操作环境安全。
第二章调整前的检查第六条调整前,应仔细检查待调整的安全阀的外观、连接情况等,确保不出现明显的损坏或者连接松动现象。
第七条检查安全阀的密封情况,应确保密封件符合规范要求,无明显磨损、老化等现象。
如发现异常情况,应及时更换密封件。
第八条仔细检查安全阀的通道和隔膜是否存在堵塞或损坏情况,如有问题应及时处理,确保流通畅通。
第九条检查安全阀的弹簧是否松弛或损坏,应做到牢固可靠,确保经受调整后的负载。
第十条检查安全阀的指示仪表,确保读数准确、显示清晰,如有问题应及时维修或更换。
第三章调整工作的操作第十一条调整前应查阅相关调整规程或技术手册,掌握正确的操作步骤和要求。
第十二条调整人员应全程佩戴安全帽、防护眼镜、耳塞等个人防护装备,遵守操作区域的安全警示标识。
第十三条调整前应按照规定的程序、方法和步骤进行设备的关闭、排空、解体等操作,确保操作环境安全。
第十四条在调整过程中,调整人员应注意观察安全阀的响应情况、指示仪表的变化等指标,并记录相关数据。
第十五条调整过程中严禁使用不符合规范要求的工具或设备,确保调整的准确性和安全性。
第十六条调整过程中如发生异常情况,应立即停止操作并报告上级,等待指示后进行处理。
第十七条调整过程中应定期对工具和设备进行检查、维护和保养,确保工具设备的完好性和使用效果。
安全阀调整安全技术操作规程一、引言随着工业化生产的不断发展,工厂中的各种设备也不断更新换代,为了保障工厂和工人的生命财产安全,各类设备必须要有一套完善的维护和调整规程。
其中,安全阀作为保护设备的重要组成部分,其调整技术操作更是需要认真的对待。
这篇文档旨在提供一套规范和标准化的安全阀调整安全技术操作规程,以保障工厂和工人的生命财产安全。
二、基础知识2.1 安全阀的作用安全阀是一种自动阀门,其主要作用是在压力过高的情况下,自动释放部分介质以降低压力。
在压力过高的情况下,如果不及时地释放压力,可能会导致相关设备损坏、生命和财产的损失。
2.2 安全阀的调整在使用安全阀时,由于使用时间长了,或者由于设备等原因,安全阀的压力会发生偏移,出现误差,此时需要对安全阀进行调整。
正确的调整可以保证安全阀在使用过程中的可靠性和准确性,避免设备事故的发生。
三、安全阀调整的前置条件在对安全阀进行调整之前,必须确认以下几个前置条件:3.1 安全阀的技术参数在调整之前,应该先了解安全阀的技术参数如额定压力、公称直径、公称级数、启闭压差、工作介质等参数。
只有全面了解这些参数,才能够进行正确的调整。
3.2 调整的标准在调整安全阀之前,应当了解调整的标准,这也是为了避免出现偏差,导致设备事故的发生。
在调整的过程中,应当严格遵循标准要求来进行。
3.3 相关仪器在进行调整过程中,需要用到相关的仪器设备,如压力表、水银压力计、真空表、荷重试验仪等,这些仪器除了正确的使用外,还要保证其精度和防护等级的要求,以确保调整的准确性。
四、安全阀调整的步骤4.1 安装检查在进行调整之前,应该先确认安全阀的安装是否正确,是否有松动等情况,以确保作业人员的安全。
4.2 拆卸准备在拆卸之前,应该将要拆卸的安全阀相关操作和顺序列在清单,拆卸过程中需要注意:阀门的密封问题、拆卸后的标记等。
4.3 拆卸拆卸时,应当保留一定数量的零部件,以便当需要更换的时候使用。
安全阀的调整安全技术操作规程安全阀的调整是确保设备运行安全和有效的关键措施之一。
为了正确地进行安全阀的调整,我们需要制定一套科学、合理的操作规程。
以下是针对安全阀调整的操作规程,总共约2000字:一、安全阀调整的前期准备工作1. 制定安全阀调整计划:根据设备运行情况和安全要求,制定安全阀调整计划,确定调整的时间、地点和人员。
2. 收集资料:收集设备的技术资料和运行记录,了解设备的工作参数和调整要求。
3. 准备调整工具和设备:准备调整安全阀所需的工具和设备,包括扳手、压力表、温度计、调整阀座片等。
4. 确定调整范围:根据设备运行参数,确定需要进行调整的安全阀的范围。
二、安全阀调整的操作步骤1. 检查安全阀的外观和密封情况:检查安全阀的外观是否有损坏和渗漏现象,确保安全阀的密封性能良好。
2. 清洗安全阀和相关管道:清洗安全阀和相关管道,确保无杂物和污垢,保证安全阀的灵活性和流通性。
3. 测量工作参数:使用压力表、温度计等设备,测量设备运行参数,包括压力和温度。
4. 调整安全阀的开启压力和收敛范围:根据设备的要求,使用扳手等工具,调整安全阀的开启压力和收敛范围,确保安全阀在设定的压力范围内工作。
5. 调整安全阀的升程和开启行程:使用调整阀座片等工具,调整安全阀的升程和开启行程,确保安全阀的开启和关闭动作准确、稳定。
6. 检查调整后的安全阀工作情况:关闭系统,在设定压力下,检查安全阀的工作状态和是否有渗漏现象。
7. 记录调整结果:将调整的日期、时间、调整的安全阀型号和参数等详细信息记录下来,作为参考和参考。
8. 调整后的试验:按照设备的要求,在设定的工况下进行安全阀的试验,确保安全阀的工作性能和可靠性。
三、安全阀调整的注意事项1. 安全操作:操作人员必须具备相关安全技术知识和操作经验,并严格按照操作规程进行操作,确保人员安全。
2. 规定范围内操作:只对规定范围内的安全阀进行调整,不得随意调整其他安全阀,以免引起设备故障和事故。
安全阀调整安全技术操作规程范文1. 背景介绍安全阀是一种常用的安全设备,它能够在压力超过预定值时,自动打开释放压力,保护压力容器免受过高压力的影响。
为了确保安全阀的可靠性和准确性,制定安全阀调整安全技术操作规程非常必要。
2. 目的和范围本规程的目的是规范安全阀调整过程中的技术操作,确保调整的准确性和安全性。
本规程适用于各类压力容器中的安全阀调整。
3. 术语和定义3.1 安全阀:一种能够自动打开,释放压力,保护压力容器的设备。
3.2 调整:根据实际需要和技术要求,对安全阀进行参数调整,使其满足设计要求。
3.3 全负荷:压力容器内的气体或液体压力达到设定的工作压力。
3.4 规程:对工作过程中的操作步骤、要求、技术指标等进行详细规定和说明的文件。
4. 调整前准备4.1 确定调整前的工作压力:根据压力容器的设计要求和实际工作情况,确定调整前的工作压力。
4.2 查阅安全阀参数:查阅安全阀的参数表,了解其调整范围、调整步骤等相关信息。
4.3 准备工具和设备:准备调整所需的工具和设备,包括调节螺钉工具、压力表、温度计等。
5. 调整步骤5.1 准备工作:确保工作区域安全,检查压力容器和安全阀的外观是否正常,无损坏和泄漏现象。
5.2 设置全负荷压力:根据设计要求,将压力容器装满气体或液体,使压力达到设定的全负荷压力。
5.3 观察压力表读数:打开安全阀前,用压力表记录全负荷压力读数。
5.4 打开安全阀:用调节螺钉工具逆时针旋转调节螺钉,使安全阀自动打开,释放压力。
同时观察压力表读数,并记录下降的压力数值。
5.5 关闭安全阀:用调节螺钉工具顺时针旋转调节螺钉,使安全阀关闭。
观察压力表读数,记录当前的工作压力。
5.6 检查安全阀的动作:用调节螺钉工具轻轻按压安全阀活塞,检查活塞是否灵活、闭合是否紧密。
如有异常情况,应及时更换或修复安全阀。
5.7 收尾工作:清理工作区域,归位工具和设备,做好相关记录。
6. 安全注意事项6.1 操作人员应熟悉安全阀的工作原理和调整要求,确保操作正确。
安全阀校验操作规程《安全阀校验操作规程》第一章总则第一条为确保设备的安全运行,避免事故的发生,根据国家相关法律法规和标准要求,制定本《安全阀校验操作规程》(以下简称“规程”)。
第二条本规程适用于对工业设备中使用的各类安全阀进行校验的操作规范。
第三条安全阀是一种用于保护系统在压力增加超过预定值时,防止系统压力超过容器和管道的安全装置。
校验安全阀的目的是为了确保其在工作过程中能够按照预定的压力进行正常工作。
校验的方式主要包括试验压力和泄漏测试。
第四条在进行安全阀校验前,必须对校验设备进行全面检查,确保设备的完好性和工作正常。
第五条安全阀校验应由具备相应资质的操作人员进行,并按照设备使用说明书和相关标准要求进行操作。
第二章校验设备的准备第六条校验设备的选择应满足以下要求:(一)具备相应的校验范围,能够满足要校验的安全阀的参数要求。
(二)校验设备应定期进行检查和维护,确保设备的准确性和可靠性。
第七条校验设备应具备以下基本工具和设备:(一)压力表:应有一定范围内的量程,能够满足安全阀的校验要求。
(二)校验介质:应能够与安全阀的介质相匹配,且不会对安全阀造成损害。
(三)温度计:用于测量安全阀所在环境的温度。
(四)螺纹校验器:用于检查安全阀的螺纹接口是否符合要求。
(五)泄漏检测仪器:用于检测安全阀的泄漏情况。
第八条校验设备应进行定期检查和校准,确保设备的准确性和可靠性。
第三章校验操作流程第九条校验安全阀的操作流程如下:(一)检查安全阀的表面是否有损伤或渗漏现象。
(二)检查安全阀的螺纹接口是否符合要求。
(三)使用螺纹校验器对接口进行检查,确保接口连接紧固可靠。
(四)连接校验设备,根据安全阀的参数要求,调整校验设备的压力表。
(五)逐渐增加校验设备的压力,直到安全阀开始泄漏。
(六)记录安全阀的开启压力和泄漏量。
(七)根据记录结果,判断安全阀是否符合要求。
(八)如安全阀不符合要求,应进行相应的维修和调整。
第四章安全阀校验的注意事项第十条在进行安全阀校验过程中,必须严格遵守以下注意事项:(一)校验过程应有专人负责,保证操作的安全性。
安全阀的调整安全技术操作规程安全阀是用于排放压力过高的流体或气体的装置,它在压力超过设定值时自动打开,以确保系统的安全运行。
在实际应用中,应根据设备的具体条件和要求对安全阀进行调整,以确保其可靠性和高效性。
以下是一份安全阀调整的安全技术操作规程,详细说明了调整的步骤和注意事项。
一、安全阀调整前的准备工作1.确认系统中液体或气体的性质、工作压力和温度等参数,并了解设备的工作条件和要求。
2.检查安全阀的型号和规格,确保其能够满足系统的需求,并检查安全阀是否存在损坏或老化等问题。
3.清理安全阀周围的工作环境,确保安全阀周围没有任何杂物和阻碍工作的障碍物。
4.确保安全阀处于正常关闭状态,并在调整过程中随时准备进行急停和紧急处理。
二、安全阀调整的步骤1.将安全阀连接到压力表和压力调节阀,确保安全阀与压力表和调节阀的连接牢固可靠。
2.检查安全阀的调节阀门和弹簧是否完好无损,并根据需要进行更换或维修。
3.打开调节阀门,使压力表指针指示为零,并记录下此时的压力值。
4.逐步旋紧调节阀门,增加系统的压力,一般每次增加10%左右的压力,并记录下每次增加后的压力值。
5.当系统的压力接近预设的安全阀开启压力时,注意观察安全阀的开度,并根据需要适当调整调节阀门。
6.当安全阀完全打开时,记录下此时的压力值,并将调节阀门逆时针旋转,逐渐降低系统的压力。
7.根据设备的要求和实际情况,经过多次调整和测试,最终确定安全阀的开启压力并记录下来。
8.对于高压或特殊工况下的安全阀调整,应遵守相应的规范和要求,并在调整过程中注意保护自己的安全。
三、安全阀调整后的注意事项1.将调整好的安全阀恢复到正常关闭状态,并检查其是否正常工作,确保安全阀在压力超过设定值时能够及时打开。
2.定期检查安全阀和相关设备的工作状态,如发现安全阀失效或损坏等问题,应及时进行更换或维修。
3.对于有特殊需求的设备,应根据实际情况定期进行安全阀的调整和测试,并记录下相应的数据和操作过程。
安全阀调整安全技术操作规程安全阀是一种保护设备,主要用于控制压力在安全范围内的装置,常用于石油、化学、冶金、电力等行业中的设备和管道系统。
安全阀的调整是保证设备和人员安全的重要环节。
下面是安全阀调整操作规程。
1.操作人员应事先了解所调整的安全阀的型号、使用场合、额定压力、流量等参数,并查阅其使用说明书。
2.安全阀调整应该在设备正常停机之后进行,以免因调整过程中产生压力变化而影响设备的安全运行。
3.操作人员应该佩戴防护眼镜、手套等个人防护用品,以免蒸汽、气体等产生的热量和压力对人员造成伤害。
4.用工具将安全阀取出,并对其进行清洗、检查和维护,并检查调整阀门的启闭是否灵活准确。
5.根据安全阀使用场合和特点进行空载试压调整,提高工作压力,通过闸阀调节压力,让阀门最终保持在安全范围内。
6.进行稳态调整,即调整阀门出口压力,保证其稳定在安全范围内,同时保证调节孔流量是否符合要求。
7.经过调整后,重新安装安全阀,检查动作是否灵敏,是否符合技术要求,并封装阀门。
8.在安全阀调整后,应该重新对设备进行安全测试,并记录相关数据。
9.对调整后的安全阀进行定期检查和维护,保证其处于良好状态并能够及时响应预定压力范围内的情况。
Ⅺ.注意事项:1.在调整过程中应密切关注压力变化情况,以免调整时产生危险。
2.在放置安全阀时,应该定期检查其紧固状态,保证其牢固可靠。
3.在隔绝安全阀时,必须防止被污染,以免影响其阀座、阀盖的损坏。
4.保证调整过程中的环境清洁,防止灰尘进入安全阀,影响其性能。
5.在调整结束时,必须对调整所用的工具进行完全清洗和归还,防止对后续使用造成影响。
结语:安全阀调整是保证设备和人员安全的重要措施,必须按照操作规程进行。
操作人员必须了解安全阀的型号、使用场合、额定压力、流量等参数,并查阅其使用说明书,保证调整的准确性和安全性。
在调整过程中需要注意提高防护措施,同时保证工作环境的安全和卫生。
安全阀调整技术安全操作规程一、前言安全阀是压力容器设备中的重要安全保护装置,其作用是在容器压力超过一定值时,自动开启放出压力,以保证容器的安全。
安全阀的正常工作和正确调整对于设备和人员的安全都至关重要。
本文旨在对安全阀调整技术的安全操作规程进行介绍,以保障操作人员的安全。
二、安全阀调整前准备工作1.检查安全阀的密封性能,如有磨损或漏气现象,请及时更换或维修。
2.对容器进行准确的压力测试,记录下最大压力值和建议调整压力值。
3.清理安全阀周围的杂物和尘土,避免杂物进入阀门内部。
三、安全阀调整过程1.将设备系统停机并减至零压力。
2.拆卸安全阀前请关闭进入阀门的压力,使用合适的工具拆下阀门。
3.使用正确的测试设备和工具,对阀门进行测试和调整。
4.开启进气压力,将阀门调整至设定的压力值范围内。
5.调整完成后,请进行压力测试,并记录测试结果。
四、安全阀调整后维护工作1.清理并检查阀门的外观和密封性能,并进行必要的维修和更换。
2.对新安全阀,请预留适当的时间进行测试,并观察其工作情况。
3.在设备运行期间,定期检查安全阀,以确保其正常工作。
五、注意事项1.在进行安全阀的调整和维护前,请仔细阅读设备操作手册,了解其工作原理和安全规程。
2.在操作过程中请注意安全,作业时请戴好相应的防护用品,如手套、护目镜等。
3.请遵循标准的操作流程,确保安全阀正确调整和维护,避免事故的发生。
4.必要时请寻求专业人员的协助,以确保操作的准确性和安全性。
总之,安全阀的调整和维护工作对于设备和人员的安全至关重要。
操作人员在进行安全阀调整时,务必遵循安全规程和标准的操作流程,确保安全阀正常工作。
安全阀校验操作规程一、前期准备工作1.根据安全阀的类型、压力等级和工作介质,选择合适的校验设备,并确保设备的正常运行。
2.查阅安全阀的技术文件,了解安全阀的基本特性、校验要求和操作流程。
3.准备好所需的工具、测量仪器和标准物质。
二、安全阀校验操作流程1.检查安全阀的外观情况,确保无任何异常状况,如锈蚀、裂纹等。
2.清洁安全阀的活塞、阀座和密封面,确保无杂质和沉积物。
3.检查安全阀的密封面是否完好,如有磨损或损坏,需要及时更换。
4.关闭安全阀的进气阀门,并松开排气阀,确保安全阀内部无压力。
5.将校验设备连接到安全阀的出口,此时校验设备的进气阀门应处于关闭状态。
6.将校验设备上的压力表调至工作压力范围,并确保压力表的指针在零刻度位置。
7.缓慢打开校验设备的进气阀门,逐渐增加进气压力,直到安全阀开始排气。
8.观察安全阀排气情况,确保排气畅通,无异常声响和振动。
9.当安全阀的排气压力达到设定压力时,校验设备上的压力表应显示与设定压力一致的数值。
10.缓慢关闭校验设备的进气阀门,停止进气,并观察安全阀是否能立即关闭,并无压力泄漏。
11.检查安全阀的标志、铭牌等是否完好清晰,如有磨损或损坏,需要进行修复或更换。
12.记录校验过程中的压力数值、时间等关键数据,并进行保存。
三、校验结果评定1.校验完成后,根据实际校验压力和设定压力,判断安全阀的启闭压力与设定压力是否一致。
2.如安全阀的启闭压力与设定压力存在偏差,需要根据实际情况进行调整或更换。
四、安全阀校验的注意事项1.操作人员必须熟悉校验设备的使用方法,确保操作的安全性。
2.校验过程中应注意保持周围环境的整洁,避免杂质对校验结果的干扰。
3.校验设备的压力表应定期进行校准,以确保测量准确性。
4.在校验过程中,压力不应超过安全阀的额定压力范围,以免造成设备损坏或人员伤害。
5.对于校验不合格的安全阀,应及时进行修复或更换,并记录相关信息。
通过遵守以上安全阀校验操作规程,能够有效保证安全阀的工作性能和可靠性,提高设备和人员的安全性。
安全阀的调整安全技术操作规程安全阀是保护设备运行安全的重要装置,其作用是在设备内部压力和温度超过设定值时,自动排放压力,以避免设备发生危险。
因此,安全阀的调整和操作技术规程非常重要,下面介绍安全阀的调整安全技术操作规程。
一、安全阀调整规程1.1、调整前检查安装人员在调整安全阀之前,需要首先检查安全阀及其管路的完好性、密封性、松紧度等等。
还需要检查安全阀的使用环境和工作条件是否符合技术规范,比如是否存在高温、高压、腐蚀、颠簸等情况。
1.2、安全阀标定在进行安全阀调整之前,首先需要进行安全阀的标定。
具体步骤如下:(1)将安全阀接到标定压力源上,开启压力源调至最低端压力。
(2)标定压力值应为设计压力的1.1倍。
(3)将安全阀设定压力调至标定压力。
如果在调整过程中出现压力波动,需要重新调定。
(4)标定结束后,需要对标定结果进行记录并加密保存。
1.3、安全阀调整根据设备工况的要求,安全阀的调整应尽量准确和稳定。
具体步骤如下:(1)在标定结束之后,按照设备的工作要求和安全规范设定安全阀的开放压力值。
(2)开启设备,调整安全阀上的调压螺丝直至达到固定的压力。
(3)调整完毕后须检查安全阀工作情况。
在安全阀关闭后,观察安全阀的泄漏情况。
如果泄漏现象较严重,则需要重新调整排除泄漏问题。
1.4、安全阀调整完毕后的验证在安全阀调整完成后,需要对安全阀的性能进行验证,确保其能够正常工作。
具体操作如下:(1)关闭设备主系统的压力源,观察安全阀的压力状态。
(2)检查安全阀工作位置是否正常,是否能够满足设备工作要求。
(3)检查安全阀的通水性能,阀门是否能正常打开和关闭。
(4)检查安全阀的密封性能,泄漏是否严重。
二、安全阀操作技术规程完成安全阀的调整之后,还需严格按照安全规程来操作安全阀,以确保设备安全运行。
具体措施如下:2.1、时刻关注安全阀的工作状态操作人员应该时刻关注安全阀的工作状态,确保其处于完好状态,必要时需要对其进行检查或更换。
安全阀调整安全技术操作规程安全阀是保障工业生产和民生安全的重要设备,其作用是在系统压力超过规定值时,自动排放过多的压力,保护管路和设备不受损坏。
但是,由于工作环境和使用条件的不同,安全阀的调整和维护也显得尤为重要。
本文将详细介绍安全阀调整安全技术操作规程。
一、调整前的准备工作在对安全阀进行调整前,应先进行以下准备工作:1. 安全阀选择:根据工作场所的实际需求和设计要求,选择适当规格和型号的安全阀。
2. 安全阀定位:根据设备的实际结构和安全要求,选择合适的安装位置。
3. 安全阀安装:按照操作说明将安全阀正确地安装在预定位置上,并进行质量检查和试运行。
4. 调整工具:准备必要的调整工具,如扳手、螺丝刀、千分尺等。
二、调整时的技术操作规程在进行安全阀调整时,应按照以下步骤进行:1. 调整未安装位置的安全阀a) 将安全阀放在工作台上,并用卡子夹住阀座。
b) 把调整工具插入阀座孔,轻轻转动阀芯,检查阀芯是否能够紧密地接触阀座,并能够自由移动。
c) 用油压表或其他测压工具测量压力,并用扳手逆时针调整阀芯高度,使得阀芯与阀座的最小距离符合设计规定。
d) 启动设备,并使用压力表等工具检查安全阀的性能是否符合设计要求。
2. 调整已安装位置的安全阀a) 用扳手拧下调整螺母,调整压力,调整量逐步增加,直到达到设定值并保持稳定。
b) 启动设备,并使用压力表等工具检查安全阀的性能是否符合设计要求。
c) 记录调整时的参数和过程,可以用记录表格等工具进行记录。
三、调整后的复核安全阀调整后,应进行二次测试和检查,并根据测试结果判断是否符合要求。
只有符合要求并且稳定可靠的安全阀才能够正常运行。
对于不稳定或者不符合规范要求的安全阀,应及时进行更换或者修理。
四、注意事项1. 在调整安全阀时,应对工作区域进行严格限制,并保持清洁,避免污染环境和影响正常工作。
2. 在调整安全阀时,必须遵循安全操作规程,避免发生危险和事故。
3. 在调整安全阀前,必须先对操作规程进行了解和熟悉,确保按照流程进行,避免误操作。
安全阀的调整安全技术操作规程范本安全阀的调整是保证设备运行安全和正常的重要措施之一。
下面是安全阀的调整安全技术操作规程范本:一、调整安全规程1.调整目标根据设备的工作压力和工艺要求,调整安全阀的启闭压力,确保其在工作过程中能够及时启闭并释放过压气体,保护设备的安全运行。
2.调整条件(1)设备停机状态下进行调整。
(2)检查安全阀的密封性能,确保安全阀密封正常。
(3)确保安全阀与设备的连接管道通畅,并无堵塞和泄漏。
3.调整步骤(1)确保设备停机状态,关闭进气阀门。
(2)将调整工具插入安全阀的调整孔中,顺时针旋转调整工具,逐渐增加安全阀的启闭压力。
(3)调整压力时,应逐步进行,并注意观察安全阀的动作情况,确保安全阀能够正常启闭。
(4)根据设备的工作压力要求,逐步调整安全阀的启闭压力,直至达到设定值。
(5)调整完毕后,将调整工具取出,并检查安全阀的动作情况,确保其能够正常启闭。
二、调整安全注意事项1.操作人员应具备一定的工作经验和操作技能,熟悉设备的结构和工作原理。
2.调整前应先仔细查看设备的技术文件和相关操作规程,了解设备的工作要求和调整标准。
3.在调整过程中,应注意观察安全阀的动作情况,确保其能够正常启闭,并注意观察有无异常现象的发生。
4.调整过程中应保持清洁环境,防止杂物进入安全阀或调整孔内,影响调整的准确性和安全性。
5.在调整过程中,应遵循“先开先关,先关后开”的原则,确保安全阀能够顺利启闭。
6.在调整完成后,应对安全阀进行全面检查,确保其密封性能和启闭动作正常。
7.调整完成后,应将调整工具归位,并恢复设备的正常运行状态。
三、应急处理1.调整过程中如出现异常情况,应立即停止操作,并及时上报设备管理人员。
2.如发生安全事故或设备异常情况,应立即采取应急处理措施,确保人身和设备安全。
3.对于调整后仍存在问题的安全阀,应立即停止使用,并联系专业人员进行维修或更换。
四、尾声以上是安全阀的调整安全技术操作规程的范本,通过严格按照操作规程进行安全阀的调整,能够确保设备在工作过程中能够快速、准确地启闭,有效保护设备的安全运行。
安全阀调整操作规程一、引言安全阀是一种重要的安全装置,用于保护压力容器和管道系统免受过高的压力影响。
正确调整和操作安全阀对于确保设备和人员的安全至关重要。
本文将详细介绍安全阀调整操作的规程,包括调整前的准备工作、调整方法和注意事项。
二、调整前的准备工作1. 安全阀的选择:根据压力容器和管道系统的工作压力范围,选择合适的安全阀型号和规格。
2. 工具准备:准备调整安全阀所需的工具和设备,如扳手、压力表、校验器等。
3. 工作环境准备:确保工作现场整洁、通风良好,并保证操作人员的人身安全。
三、安全阀调整方法1. 确定调整压力范围:根据压力容器和管道系统的工作压力要求,确定安全阀的调整压力范围。
2. 调整弹簧力:使用扳手逆时针旋转安全阀上的调整螺母,减小或增大弹簧力,以调整安全阀的开启压力。
3. 检验调整结果:使用压力表和校验器等工具,检验调整后的安全阀在不同压力下的开启压力是否符合要求。
4. 校准安全阀:如有需要,使用校验器对安全阀进行校准,确保其准确可靠。
四、注意事项1. 操作规程:严格按照操作规程进行安全阀的调整,不得随意更改或省略任何步骤。
2. 安全阀的状态:在调整安全阀之前,必须确保其处于关闭状态,以免发生意外伤害。
3. 压力释放:在调整过程中,可能会有压力释放,操作人员应保持足够的警惕,避免受伤。
4. 调整范围:调整安全阀时,应确保调整范围不超过安全阀的额定范围,以免影响其正常工作。
5. 定期检查:定期对安全阀进行检查和维护,确保其正常运行和可靠性。
五、总结安全阀的调整操作是保障压力容器和管道系统安全运行的重要环节。
正确的调整方法和注意事项能够确保安全阀的准确可靠,从而有效防止压力过高对设备和人员造成的危害。
在操作过程中,操作人员应严格按照规程进行操作,确保自身安全和设备的正常运行。
同时,定期检查和维护安全阀也是必不可少的,以保证其长期有效的工作性能。
以上是关于安全阀调整操作规程的详细介绍,希望能对您有所帮助。
安全阀调整技术安全操作规程安全阀是一种用于安全设备的压力释放装置。
在工业生产中,安全阀的调整非常重要。
一旦安全阀的参数调整不当,就可能会导致工厂爆炸或者火灾等危险事故的发生。
因此,安全阀调整技术的安全操作规程具有极其重要的意义。
本文将从以下三个方面介绍安全阀调整技术安全操作规程:调整前的准备工作、调整过程中的安全操作规程、调整后的处理工作。
调整前的准备工作在调整安全阀之前,必须严格执行以下准备工作:1. 收集所有必要的文献资料在进行安全阀调整之前,必须收集所有与设备、工艺、参数等有关的文件资料,包括平面图、实物图、上下游管道平面图、设备的放置尺寸、安装图等。
同时,还需要检查安全阀技术资料的完整性和准确性。
2. 审核安全阀在准备进行安全阀调整工作之前,必须先对安全阀进行审核。
审核的目的是查看安全阀的安装是否符合规定,是否有损坏、松动等现象。
另外,还应该检查安全阀名称牌的信息是否真实,与实际情况是否一致。
3. 确定调整前的参数在进行安全阀调整之前,必须准确确定调整前的参数,包括几个关键的参数:安全阀的额定流量、安全阀的额定压力、安全阀开放最大压力、相邻工艺设备的压力等参数。
4. 确保安全操作在进行安全阀调整之前,必须确保工作人员的安全操作。
所有的工作人员必须接受安全培训,并且必须戴好防护设备。
所有的操作必须按照规定的操作流程进行,切勿随意更改或省略任何环节,以确保操作的安全和准确性。
调整过程中的安全操作规程在进行安全阀调整工作时,必须按照以下安全操作规程进行操作:1. 逐个调节安全阀的各项参数在进行安全阀调整工作时,必须按照调整参数的顺序来进行操作。
首先需要调节安全阀的额定流量和额定压力,以满足工艺要求。
如果遇到问题,可以参照技术规范,或者参考相关的技术文献。
2. 逐个校验安全阀的安全性能在调节完各项参数后,需要对安全阀进行性能测试,以确保安全阀具有良好的安全性能。
在检测过程中,必须按照规定的检测流程操作,并在调整完毕后进行严格的审查。
( 操作规程 )
单位:_________________________
姓名:_________________________
日期:_________________________
精品文档 / Word文档 / 文字可改
安全阀调整安全技术操作规程
(最新版)
Safety operating procedures refer to documents describing all aspects of work steps and operating procedures that comply with production safety laws and regulations.
安全阀调整安全技术操作规程(最新版)
(1)开启压力的调整
①安全阀出厂前,应逐台调整其开启压力到用户要求的整定值。
若用户提出弹簧工作压力级,则一般应按压力级的下限值调整出厂。
②使用者在将安全阀安装到被保护设备上之前或者在安装之前,必须在安装现场重新进行调整,以确保安全阀的整定压力值符合要求。
③在铭牌注明的弹簧工作压力级范围内,通过旋转调整螺杆改变弹簧压缩量,即可对开启压力进行调节。
④在旋转调整螺杆之前,应使阀进口压力降低到开启压力的90%以下,以防止旋转调整螺杆时阀瓣被带动旋转,以致损伤密封面。
⑤为保证开启压力值准确,应使调整时的介质条件,如介质种
类、温度等尽可能接近实际运行条件。
介质种类改变,特别是当介质聚积态不同时(例如从液相变为气相),开启压力常有所变化。
工作温度升高时,开启压力一般有所降低。
故在常温下调整而用于高温时,常温下的整定压力值应略高于要求的开启压力值。
高到什么程度与阀门结构和材质选用都有关系,应以制造厂的说明为根据。
⑥常规安全阀用于固定附加背压的场合,当在检验后调整开启压力时(此时背压为大气压),其整定值应为要求的开启压力值减去附加背压值。
(2)排放压力和回座压力的调整
①调整阀门排放压力和回座压力,必须进行阀门达到全开启高度的动作试验,因此,只有在大容量的试验装置上或者在安全阀安装到被保护设备上之后才可能进行。
其调整方法依阀门结构不同而不同。
②对于带反冲盘和阀座调节圈的结构,是利用阀座调节圈来进行调节。
拧下调节圈固定螺钉,从露出的螺孔伸人一根细铁棍之类的工具,即可拨动调节圈上的轮齿,使调节圈左右转动。
当使调节
圈向左作逆时针方向旋转时,其位置升高,排放压力和回座压力都将有所降低。
反之,当使调节圈向右作顺时针方向旋转时,其位置降低,排放压力和回座压力都将有所升高。
每一次调整时,调节:圈转动的幅度不宜过大(一般转动数齿即可)。
每次调整后都应将固定螺钉拧上,使其端部位于调节圈两齿之间的凹槽内,既能防止调节圈转动,又不对调节圈产生径向压力。
为了安全起见,在拨动调节圈之前,应使安全阀进口压力适当降低(一般应低于开启压力的90%),以防止在调整时阀门突然开启,造成事故。
③对于具有上、下调节圈(导向套和阀座上各有一个调节圈)的结构,其调整要复杂一些。
阀座调节圈用来改变阀瓣与调节圈之间通道的大小,从而改变阀门初始开启时压力在阀瓣与调节圈之间腔室内积聚程度的大小。
当升高阀座调节圈时,压力积聚的程度增大,从而使阀门比例开启的阶段减小而较快地达到突然的急速开启。
因此,升高阀座调节圈能使排放压力有所降低。
应当注意的是,阀座调节圈亦不可升高到过分接近阀瓣。
那样,密封面处的泄漏就可能导致阀门过早地突然开启,但由于此时介质压力还不足以将阀瓣保
持在开启位置,阀瓣随即又关闭,于是阀门发生频跳。
阀座调:《圈主要用来缩小阀门比例,开启的阶段和调节排放压力,同时也对回座压力有所影响。
上调节圈用来改变流动介质在阀瓣下侧反射后折转的角度,从而改变流体作用力的大小,以此来调节回座压力。
升高上调节圈时,折转角减小,流体作用力随之减小,从而使回座压力增高。
反之,当降低上调节圈时,回座压力降低。
当然,上调节圈在改变回座压力的同时,也影响到排放压力,即升高上调节圈使排放压力有所升高,降低上调节圈使排放压力有所降低,但其影响程度不如回座压力那样明显。
(3)铅封安全阀调整完毕,应加以铅封,以防止随便改变已调整好的状况。
当对安全阀进行整修时,在拆卸阀门之前应记下调整螺杆和调节圈的位置,以便于修整后的调整工作。
重新调整后应再次加以铅封。
云博创意设计
MzYunBo Creative Design Co., Ltd.。