报价明细单
- 格式:xls
- 大小:67.50 KB
- 文档页数:57
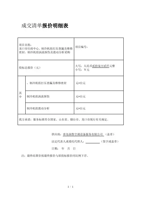
成交清单报价明细表
项目名称:
龙口市行政中心、制冷机组打压查漏及维修
密封,制冷机组涡流探伤及震动分析采购
项目编号:
投标总报价(元)大写:人民币贰拾柒万贰仟元整小写:¥元
其中、制冷机组打压查漏及维修密封元*台元制冷机组涡流探伤元*台元制冷机组震动分析元*台元
我方承诺:服务标准符合国家、山东省、烟台市、龙口市现行有关规定。
供应商:青岛润鲁空调设备服务有限公司(盖章)
法定代表人或委托代理人:(签字或盖章)
日期:年月日
注:最终结算价按最终报价与原投标报价同比例下浮。
1 / 1。
三、报价明细清单(产品具体配置表)
水平桥架,厚度1.5,镀锌10
垂直上弯,厚度1.5,镀锌 1
垂直下弯,厚度1.5,镀锌 1
下垂直三通,厚度1.5,镀锌 1
上垂直三通,厚度1.5,镀锌 1
变三通,厚度1.5,镀锌 3
水平桥架,厚度1.2,镀锌320
水平弯,厚度1.2,镀锌15
水平桥架安装使用160
水平桥架安装使用 4
2 台¥4,000.00 ¥8,000.00
用,同时能够进行对应配置。
支持出入统计、人员
1 套报警、来访记录、人员轨迹、报警记录、重点人员
识别、陌生人识别、高频人员识别、态势统计。
考勤,考勤排班管理、出勤异常管
理、考勤记录和结果查询、考勤数据统计分析;同 1 套
访客,访客管理应用,包括访客预
约、来访记录查询、访客权限管理;同时能够对访 1 套
1 台¥5,000.00 ¥5,000.00
2 台¥200.00
3 个¥350.00
制造和设备购置费、运输费、安装调试费、售后服务、质检费、验收费、培训及售后维护费、税金等所涉及的一切费用均计入报价。
投标人名称(电子签名):杭州祁网科技有限公司
日期:2020年 9月22日
四、中小企业声明函
本公司郑重声明,根据《政府采购促进中小企业发展暂行办法》(财库[2011]181号)的规定,本公司为小型(请填写:中型、小型、微型)企业。
即,本公司同时满足以下条件:。
报 价 清 单 明 细工程名称:报价单位:联 系 人:报价日期:
序号设备名称规格及型号单位数量单价(元)
金额
(元)
备注
一、空 调 设 备
1多联机室外机
GCHV-VD1300WSAM
Q冷=130KW Q热=145KW
台 1
2立柜式分体空调KFR-72LW/BPER4Y-YA(E3)
Q冷=7.20KW Q热=7.60KW
台 1
3风管式多联机室内机
GCHV-125F2B
Q冷=12.5KW Q热=14KW
台10
4热回收新风机
QR-X60DS
风量6000m³/h
台 1
5线控器/台10
6酚醛复合风管/㎡75
7铜管及PVC冷凝水管满足系统所需项 1
8风口及辅材满足系统所需项 1
9空调系统安装服务满足系统所需项 1
10包合计///
注:1.本工程造价未包含装饰工程电气设备、线路工程的造价和水电到位的费用。
2.以上报价不含任何土建内容;送风、回风、检修口的开口由业主装潢时预留,并制作边框;楼板、梁、柱的开洞、打槽、复原、 防水、线槽、底盒开孔均由业主提供。
3.电源配线、电控箱、电控箱至主机动力电源均由业主提供;动力电源需铺设至室内机、外机旁并多预留1.5米至5米。
4.本报价根据图纸数量为准,如工程图纸数量发生修改本造价相应增减。
鞋类成本价格明细单一、材料价格清单
1.原料:
A.鞋底:
1)橡胶:21元/公斤;
2)EVA:30元/公斤;
3)PVC:15元/公斤;
B.外底:
1)羊毛:20元/公斤;
2)橡胶:30元/公斤;
C.鞋身:
1)真皮:35元/公斤;
2)PU:10元/公斤;
3)PVC:18元/公斤;
4)布料:8元/公斤;
2.材料:
1)PU钉:1元/支;
2)金属扣:2元/支;
3)绳子:1元/米;
4)鞋带:2元/支;
5)鞋垫:3元/支;
二、工艺费用明细
1.成型费用:
1)模具费:300元/次;
2)成型工艺费:4元/双;2.缝纫费:
1)常规缝纫:2元/双;
2)精细缝纫:3元/双;3.装配费:
1)鞋跟装配:1元/双;
2)鞋带装配:2元/双;
3)鞋面装配:3元/双;4.包装费:
1)塑料袋包装:0.5元/双;
2)纸盒包装:1元/双;三、运输费用
1.陆运:10元/公斤;
2.空运:20元/公斤;
四、其他费用
1.管理费:2%;
2.税金:17%;
3.仓储费用:5元/公斤;
五、鞋类成本价格
1.基本成本:(材料价格+工艺费用+运输费+仓储费)/双2.销售价格:基本成本。
5.2投标明细报价表采购项目名称:普宁市妇幼保健计划生育服务中心保洁等服务项目采购项目编号:445281-2022-00009数量单价合计(元)65002340005500198000-489-6保洁主管/领班新老院区分布6天×10小时/周负责部门保洁人员全面管理工作/协助部门主管对部门基层人员的日常管理工作1月3655001980007老院区保洁员南一共5层楼5天×8小时/周保质保量完成责任区域保洁工作3月36111003996008保洁员南二共5层楼5天×8小时/周保质保量完成责任区域保洁工作3月36111003996009保洁员南三共7层楼5天×8小时/周保质保量完成责任区域保洁工作4月361480053280010新综合大楼保洁员负2F机械停车区、水专业设备泵房5天×8小时/周保质保量完成责任区域保洁工作0月363700/人011保洁员负1F 非机动车停车场、电气设备房、生活及医疗垃圾房5天×8小时/周保质保量完成责任区域保洁工作0.5月3618506660012保洁员1F 消防控制室、门诊大厅(导诊、公用、监控中心、自助设备、业务用房(商铺安置)5天×8小时/周保质保量完成责任区域保洁工作0.5月3618506660013保洁员2F 放射科、药房、门诊收费5天×8小时/周保质保量完成责任区域保洁工作1月36370013320014保洁员3F儿童保健科、口腔科5天×8小时/周保质保量完成责任区域保洁工作2月367400266400-490-15保洁员4F出生缺陷、产科门诊、产科超声(孕产保健部)5天×8小时/周保质保量完成责任区域保洁工作2月36740026640016保洁员5F妇科门诊、妇科超声5天×8小时/周保质保量完成责任区域保洁工作2月36740026640017保洁员6F 遗传实验室、生殖门诊、乳腺门诊5天×8小时/周保质保量完成责任区域保洁工作2月36740026640018保洁员7F 病理科、血库、检验科5天×8小时/周保质保量完成责任区域保洁工作2月36740026640019保洁员8F计生股、体检中心5天×8小时/周保质保量完成责任区域保洁工作2月36740026640020保洁员9F 净化机房、信息科、中心供应5天×8小时/周保质保量完成责任区域保洁工作2月36740026640021保洁员10F手术中心5天×8小时/周保质保量完成责任区域保洁工作3月361110039960022保洁员11F 手术医生区、住院大厅(出入院办理、出生证办理、医保办理)、婴儿游泳区、B超室5天×8小时/周保质保量完成责任区域保洁工作2月36740026640023保洁员12F新生儿科住院部5天×8小时/周保质保量完成责任区域保洁工作2月36740026640024保洁员13F产房5天×8小时/周保质保量完成责任区域保洁工作2月36740026640025保洁员14F家庭一体化产房5天×8小时/周保质保量完成责任区域保洁工作2.5月369250333000-491-26保洁员15F产科住院部5天×8小时/周保质保量完成责任区域保洁工作2.5月36925033300027保洁员16F产科住院部5天×8小时/周保质保量完成责任区域保洁工作2.5月36925033300028保洁员17F产科住院部5天×8小时/周保质保量完成责任区域保洁工作2.5月36925033300029保洁员18F儿科住院部5天×8小时/周保质保量完成责任区域保洁工作2.5月36925033300030保洁员19F妇科住院部5天×8小时/周保质保量完成责任区域保洁工作2.5月36925033300031保洁员20F 综合科(乳腺住院部)5天×8小时/周保质保量完成责任区域保洁工作2月36740026640032保洁员21F 儿童康复科、产后康复科(门诊、住院)5天×8小时/周保质保量完成责任区域保洁工作2月36740026640033保洁员22F行政办公5天×8小时/周保质保量完成责任区域保洁工作1月36370013320034保洁员23F 档案室、大会议室、病案室、图书馆5天×8小时/周保质保量完成责任区域保洁工作1月36370013320035专项服务保洁员项目范围外围庭院(含消毒人员)5天×8小时/周保质保量完成责任区域保洁工作0.5月3618506660036保洁员洗消中心保洁用品洗消6天×8小时/周保质保量完成责任区域保洁工作2月36740026640037保洁员项目范围保洁替换(按轮换系数1.46准备)5天×8小时/周保质保量完成责任区域保洁工作10月3637000133200038保洁员项目范围区域地面、玻璃清洗5天×8小时/周保质保量完成责任区域保洁工作1月363700133200-492-3674002664003611100399600367400266400数量合计:36个月报价合计:11552400 -493-。
网站制作明细报价表1、设计报价:
2、内容页报价:
3、媒体报价:
4、功能模块报价:
在线订单系统
网上购物系统
会员注册与管理系统
网站访问流量分析系统 邮件系统
网站整合
其他定制服务 信息发布,管理员可以对招聘信息进行管理、统计、检索、分析等等。
网站动态提供企业招聘信息,管理员可进行更新维护,应聘者将简历提交后存入简历数据库,并可依据 职位、时间、学历等进行检索。
客户在线向企业提供订单,由企业相关人员再预约进行洽谈,最大成本的降低签约成本,方便客户
网上购物系统,是在网络上建立一个虚拟的购物商场,避免了挑选商品的烦琐过程,使您的购物过程变得轻松、快捷、方便,很适合现代人快节奏的生活;同时又能有效的控制"商场"运营的成本,开辟 了一个新的销售渠道。
企业用户可以在网站上登记注册,选择会员的类别、查看的权限范围并成为预备会员,并提交到用户管理数据库。
待网站审核通过后成为正式会员,享有网站提供的相应服务。
统计计分析网站访问者的相关信息,使企业了解潜在客户的相关信
息,是企业了解网站作用的相关凭证
为公司提供一套属于自己本公司的邮件系统,使本公司的很多业务不受邮件的限制,可以随心所欲得收或发邮件
整合各部分网页,使网站成为统一整体。
4000元
/个
1200元/个
2800元/个
2300元/个
400元/个
5000元/个
500元/个
价格面仪
5、注意事项:
企业邮箱服务费用
企业邮局报价系统:提供企业独立集团邮局,以企业域名为后缀
20M企业邮箱
1G企业邮箱
绿色4G企业邮箱
服务器租用费用。
设备维护费用报价单模板
一、报价单概述
感谢贵公司对我们维护服务的关注。
以下是我们为贵公司提供
的设备维护费用报价单,详细列出了各项维护服务的费用。
我们承诺,我们的报价是基于市场价格的竞争力的,同时也保证服务质量。
二、报价单明细
三、报价有效期
本报价单的有效期为30天,自报价单生成之日起计算。
若贵
公司在报价单有效期内对我们的维护服务有兴趣,请回复本报价单,我们将尽快与您取得联系。
四、付款方式
我们接受的付款方式有:银行转账、支付宝、微信支付。
请在
合同签订后,按照我们的财务要求进行付款。
五、其他说明
1. 报价不包括税金,如需,请提前告知。
2. 设备维护服务的时间安排将根据贵公司的实际情况协商确定。
3. 如贵公司在维护服务过程中有特殊需求,请及时与我们沟通,我们将尽力满足。
我们期待与贵公司的合作,如有任何疑问,请随时与我们联系。
此致
敬礼!
[贵公司名称] [贵公司地址] [贵公司联系方式] [报价日期]。