发动机冷却系统电路识读
- 格式:pptx
- 大小:1.69 MB
- 文档页数:19
发动机冷却系统冷却系的功用是将受热零件吸收的部分热量及时散发出去,保证发动机在最适宜的温度状态下工作。
发动机的冷却系有风冷和水冷之分。
以空气为冷却介质的冷却系成为风冷系;以冷却液为冷却介质的称水冷系。
1、冷却系统的循环汽车发动机的冷却系为强制循环水冷系,即利用水泵提高冷却液的压力,强制冷却液在发动机中循环流动。
冷却系主要由水泵、散热器、冷却风扇、补偿水箱、节温器、发动机机体和气缸盖中的水套以及附属装置等组成。
在冷却系统中,其实有两个散热循环:一个是冷却发动机的主循环,另一个是车内取暖循环。
这两个循环都以发动机为中心,使用是同一冷却液。
一、冷却发动机的主循环:主循环中包括了两种工作循环,即“冷车循环”和“正常循环”。
冷车着车后,发动机在渐渐升温,冷却液的温度还无法打开系统中的节温器,此时的冷却液只是经过水泵在发动机内进行“冷车循环”,目的是使发动机尽快地达到正常工作温度。
随着发动机的温度,冷却液温度升到了节温器的开启温度(通常这温度在80摄氏度后),冷却循环开始了“正常循环”。
这时候的冷却液从发动机出来,经过车前端的散热器,散热后,再经水泵进入发动机。
二、车内取暖的循环:这是一个取暖循环,但对于发动机来说,它同样是一个发动机的冷却循环。
冷却液经过车内的采暖装置,将冷却液的热量送入车内,然后回到发动机。
有一点不同的是:取暖循环不受节温器的控制,只要打开暖气,这循环就开始进行,不管冷却液是冷的、还是热的。
2、冷却系统部件分析在整个冷却系统中,冷却介质是冷却液,主要零部件有节温器、水泵、水泵皮带、散热器、散热风扇、水温感应器、蓄液罐、采暖装置(类似散热器)。
1)冷却液:冷却液又称防冻液,是由防冻添加剂及防止金属产生锈蚀的添加剂和水组成的液体。
它需要具有防冻性,防蚀性,热传导性和不变质的性能。
现在经常使用乙二醇为主要成分,加有防腐蚀添加及水的防冻液。
2)节温器:从介绍冷却循环时,可以看出节温器是决定走“冷车循环”,还是“正常循环”的。
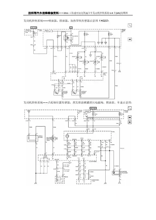
发动机控制系统——喷油器、排油器、加热型氧传感器示意图(HO2S):
发动机控制系统——凸轮轴位置传感器、蒸发排放碳罐清污电磁阀、燃油泵、车速示意图:
暖风、通风与空调系统控制、冷却风扇继电器、发动机数据传感器示意图:
发动机控制系统——燃油泵继电器、进气歧管绝对压力传感器、排气再循环阀、点火线圈、曲轴位置传感器示意图:
发动机控制系统——数据链接插头、怠速空气控制阀示意图:
发动机控制系统——喷油器、排油器、加热型氧传感器(HO2S)示意图:
暖风、通风与空调系统控制、冷却风扇继电器、发动机数据传感器(欧IV排放标准)示意图:
燃油泵继电器、进气歧管绝对压力传感器、排气再循环阀、点火线圈、曲轴位置传感器示意图:
数据链接插头、怠速空气控制阀(欧IV标准)示意图:
喷油器、排油器、加热型氧传感器(新凯越)示意图:
凸轮轴位置传感器、蒸发排放碳罐清污电磁阀、燃油泵、车速(新凯越):
暖风、通风与空调系统控制、冷却风扇继电器、发动机数据传感器(新凯越):
燃油泵继电器、进气歧管绝对压力传感器、排气再循环阀、点火线圈、曲轴位置传感器示意图:
数据链接插头、怠速空气控制阀(欧IV标准)新凯越:。
帕萨特电路图识读指南ANQ发动机电路特点一、帕萨特发动机系统空气流量计、燃油泵继电器、喷油器电路分析案例1-空气流量计故障引起怠速抖动、尾气超标故障案例2-空气流量计热膜脏引起冷车起动困难案例3-发动机加速至3500r/min时转速不上升,反而下降案例4-空气流量计故障引起发动机动力不足案例5-1.8T空气流量计针脚错误引起怠速抖动故障案例6-1.8T轿车喷油器故障引起起动困难案例7-2.8(V6)发动机主线破损引起熔丝易烧毁故障发动机电子控制单元、进气温度传感器、节气门控制部件电路分析案例8-线路断路引起汽车大负荷时加速无力案例9-进气传感器与进气歧管插反导致热车熄火案例10-GSi轿车行驶过程中脱档,发动机有时熄火案例11-进气温度传感器插头错误导致无怠速,起动困难案例12-1.8T轿车发动机熄火故障案例13-1.8T轿车起动困难时常熄火故障案例14-1.8T发动机ECU故障导致间歇性怠速抖动案例15-开空调不提速案例16-发动机无怠速案例17-清洗节气门体后怠速转速居高不下案例18-怠速发抖,加速无力案例19-1.8T压力传感器连接松动导致加谏无力怠速基本设定解析发动机温度传感器、霍尔传感器、发动机转速传感器和爆燃传感器电路分析案例20-1.8L轿车尾气严重超标,加速无力案例21-曲轴传感器线束老化导致怠速不稳案例22-凸轮轴脉冲环脱落后导致汽车运行中突然熄火,再也无法起动案例23-V6凸轮轴位置传感器损坏,车辆无法起动案例24-电脑控制继电器故障导致热车熄火案例25-发动机线束故障导致冷、热车难起动案例26-2.0L帕萨特GLi轿车热车熄火案例27-加速响应慢,加速无力ECU、活性炭罐电磁阀、凸轮轴调节阀、氧传感器电路分析案例28-1.8T轿车行驶中自动熄火案例29-1.8T轿车发动机加速异响案例30-2.8L V6轿车,正时调节器装反导致怠速严重抖动点火系统电路分析案例31-CLi轿车搭铁不良出现偶尔熄火现象案例32-点火线圈故障导致偶尔熄火现象案例33-1.8T轿车点火线圈故障引起发动机自动熄火案例34-点火线圈工作不良导致低速和急加速不良案例35-途中熄火约30分钟后,再次点火无法起动案例36-易熄火故障分析案例37-18T轿车有时不能正常起动案例38-经常熄火故障二、帕萨特底盘系统自动变速器控制单元、电磁阀电路分析自诊断程序流程案例1-自动变速器线束损坏故障排除案例2-自动变速器ECU故障造成2档升3档冲击故障案例3-N98电磁阀线束断路造成汽车无2档和4档案例4-1.8T自动变速器ECU进水导致起步冲击案例5-1.8GSi轿车换档冲击案例6-倒车灯起动继电器故障导致在R位能够起动案例7-01N型自动变速器4档工作不正常案例8-油压过高产生的换档冲击案例9-自动变速器故障案例10-自动变速器不升档ABS系统电路分析案例11-前轮速传感器错位导致制动效果不好案例12-液压泵插座根部虚焊导致ABS灯突然亮起故障案例13-ABS液压泵故障导致ABSg盯亮起案例14-左前轮转速传感器故障导致ABS泵不正常工作案例15-车速传感器信号转子错位故障案例16-行驶中ABS故障灯间歇性亮起案例17-ABS控制单元故障导致ABS灯亮,ABS不起作用案例18-K线对地短路造成ABS故障灯亮案例19-ABS指示灯常亮,且ASR指示灯也同时亮起,ABS不起作用案例20-1个熔丝给28轿车带来的麻烦案例21-ABS灯突然亮起故障B5车型ABS系统排气程序2.8/V6更换控制器J104或转角传感器G85后对ESP的设定步骤案例22-ESP报警灯亮案例23-制动开关故障不能熄火案例24-ABS、ESP故障灯常亮案例25-不能熄火三、帕萨特安全气囊系统SRS电路分析案例1-控制单元线東破损导致帕萨特18T起动困难案例2-28L轿车安全气囊指示灯常亮案例3-安全气囊触点故障案例4-控制单元编码错误引起SRS灯亮案例5-自动变速器控制单元信号干扰引起SRS灯亮四、帕萨特防盗系统防盗系统电路分析案例1-门灯系统电路故障案例2-防盗钥匙匹配后出现特殊故障案例3-防盗控制单元损坏导致发动机不能正常起动案例4-遥控钥匙失控遥控钥匙功能的匹配案例5一防盗装置被锁死,无法起动案例6-1.8T轿车加装防盗后无法起动案例7-一起动就熄火五、帕萨特仪表系统仪表板电路分析案例1-里程表传感器故障导致车速里程表不工作案例2-里程表传感器被人为拔下引发的故障案例3-机油压力报警器报警案例4-急加速时各故障指示灯交替闪烁案例5-机油油位传感器搭铁故障导致报警案例6-机油压力报警灯与安全气囊故障灯报警,转速表不能运行六、帕萨特自动空调系统空调系统电路分析案例1-搭铁不良造成空调软性故障案例2-外界温度传感器损坏造成行驶中空调系统突然不工作案例3-空调系统时好时坏案例4-电子扇故障造成空调时好时坏案例5-由毛细管引起的汽车故障案例6-发动机ECU端子虚焊案例7-节气门插头虚插,B5空调系统突然不工作案例8-空调系统不工作,温度显示-49℃不变案例9-空调不制冷七、帕萨特舒适电子系统音响使用与维修案例1-右扬声器线破损,行车时收音机不响案例2-GSi型轿车收放机左前扬声器不响案例3-电动窗升降器失灵故障案例4-CSi轿车行驶过程中脱档,发动机有时熄火案例5-室内灯故障上海帕萨特轿车采用的是5气门ANQ型发动机,是大众公司最新研制的一种新机型,采用了许多当今世界最新技术,也可使用于奥迪A6轿车。
实训项目一电喷发动机结构原理认识与电路图阅读一实训内容与要求1一、实训内容与要求1、能够严格遵守安全操作规程;2、了解台架特点、结构及安全操作规程。
3、明白得电路图在修理过程中的使用。
二、实训学时7学时三、实训器材丰田5S-FE发动机台架、数字万用表等。
四、操作内容(一)丰田5S-FE发动机系统原理图及其差不多构件组成:(如图1-1)图1-1 丰田5S-EF电喷发动机系统原理图丰田5S-FE发动机应用于丰田佳美(CAMRY)车内,采纳D型燃油喷射系统,是较早应用在汽车内的发动机上的一种电子操纵燃油喷射系统,其显著特点是采纳歧管压力传感器来间接测量进气量。
燃油喷射系统的空燃比和点火提早角都采纳闭环操纵。
进气量的大小由驾驶员操纵加速踏板进行操纵,节气门开度不同,进气量就不同,进气歧管内的压力也就不问。
在发动机转速相问的情形下,歧管压力与进气量成一定比例关系。
歧管压力传感器将进气歧管内的进气压力转变为电信号输入电控单元ECU,ECU依照信号电压的高低即可运算出进入发动机的进气量。
(二)各操纵系统的功能1.燃油喷射操纵(EFI)利用ECU,按照来自发动机的信息相对应的最佳喷油时刻被储备在储备器的电路内。
又依照来自各种传感器的信号(例如进气管压力、发动机转速、发动机暖机状态等信号)选择操纵最佳喷油时刻。
2.点火时刻操纵(ESA)利用ECU内的微机,按照发动机状态所决定的最佳点火时刻被储备在储备器电路内,又依照来自各种传感器信号(例如进气管压力、发动机转速、暖机状态等)选择操纵点火时刻。
3.怠速转速操纵(ISC)利用置ECU内的微机,按照发动机状态所确定的目标转速被储备在储备器电路内。
并依照来自各种传感器信号(冷却水温度/空调开关等)操纵发动机怠速转速达到目标转速。
4.自诊断功能当ECU的各输入、输出信号发生放障时,由微机检测故障情形并把故障一故障码的形式储备在储备电路内,在需要时加以显示。
5.失效保防功能(自修正功能)当ECU的各输入信号发生故障时,微机赶忙把这些信号切换为储备在储备器内的标准值(程序数据),在极端情形下能够防止发动机性能失调。
雪铁龙世嘉轿车发动机冷却系统电路图解析雪铁龙世嘉轿车是一款性能优异、动力强劲的车型,它的发动机冷却系统是保证发动机正常工作的重要部分。
为了更好地了解这个系统的工作原理,下面我们将对其电路图进行解析。
首先,让我们看一下整个冷却系统的电路图。
从引擎盖打开后,可以看到放置在车内侧的冷却系统。
整个冷却系统主要由:水泵、加热器、散热器、水管以及风扇等组成,它们通过相应的线路控制,实现对发动机温度的控制。
其中,电路图最顶端连接有一根传感器连接线,这条传感器连接线主要用来检测发动机温度。
当发动机温度过高时,传感器便会发出信号,通知电脑启动散热器。
接着,电路图中间的燃料泵也就会开始工作,将冷却液注入水泵中。
当冷却液流动到水泵中时,电路图下方的水温计便会显示出温度的变化。
如果温度过高,则水泵会启动,将液体经过加热器再送到散热器中。
在这个过程中,电路图左下角的温度开关会被触发,控制风扇的启动。
最后,当发动机温度降低到设定值时,上述控制电路也相应地停止运转。
同时,电路图右上角的加热器温度开关会被触发,以关闭加热器。
通过上述简要的分析,我们可以看出,雪铁龙世嘉轿车的发动机冷却系统是由多个部分组成的,它们相互协作,通过复杂的控制电路,保证了发动机的正常运行。
同时,我们也能看到电路中蕴含着许多机械、电子和物理原理,对于我们理解这个系统的工作原理,具有很大的帮助。
在汽车制造中,数据分析是极其重要的,因为它有助于制造商实现创新、提高性能、降低成本并满足客户需求。
以下是对这款雪铁龙世嘉轿车的相关数据进行分析。
1. 引擎该车型采用了两种引擎,分别是1.4升和1.6升。
其中,1.4升引擎的最大功率为70 kW,最大扭矩为130 Nm,可以实现最高时速为160 km/h。
1.6升引擎的最大功率为88 kW,最大扭矩为160 Nm,能够加速至100 km/h仅需11.5秒。
这些数据表明,雪铁龙世嘉轿车的引擎性能非常出色。
它们提供了稳定的动力输出,可以满足消费者的多项需求,如可靠性、低噪音和节能等。