园林绿化工程检验批质量验收记录表.doc
- 格式:doc
- 大小:1.20 MB
- 文档页数:36
检验批质量验收记录工程名称分项工程名称验收部位施工单位专业工长工程负责人施工执行标准名称及编号分包单位分包工程负责人施工班组长主控工程质量验收标准的规定施工单位检查评定记录监理〔建设〕单位验收记录1234一般工程123456施工操作依据质量检查记录施工单位检查结果评定工程专业工程专业质量检查员:技术负责人:年月日监理〔建设〕单位验收结论监理工程师:〔建设单位工程专业技术负责人〕年月日组织工程专业质量〔技术〕负责人等进行验收。
种植地基层处理检验批质量验收记录〔DB**/T****—2021〕表8.1 编号:0101工程名称分项工程名称工程负责人施工单位验收部位施工执行标准名称及编号专业工长〔施工员〕分包单位分包工程负责人施工班组长质量验收标准的规定施工单位自检记录监理〔建设〕单位验收记录主控工程1 去除石块、残根、杂草()2 种植土下基层不能有不透水层或积水现象()3 地下水位深度符合植物生长要求()一般工程1 外表根本平整()2 地形标高符合设计要求()施工操作依据质量检查记录施工单位检查结果评定工程专业工程专业质量检查员:技术负责人:年月日监理〔建设〕单位验收结论专业监理工程师:〔建设单位工程专业技术负责人〕年月日种植土材料检验批质量验收记录〔DB**/T****—2021〕表8.2 编号:0102工程名称分项工程名称工程负责人施工单位验收部位施工执行标准名称及编号专业工长〔施工员〕分包单位分包工程负责人施工班组长质量验收标准的规定施工单位自检记录监理〔建设〕单位验收记录主控工程1种植土壤主要理化性质〔PH值,有机质含量〕符合的要求一般工程1 土壤土色及密实度〔〕外表无白色盐霜,土壤疏松不板结2土壤含石砾、瓦砾等杂物含量()乔灌木种植土<10%草花种植土根本无杂物地被种植土<5%草坪种植土<5%3 种植土壤含石砾、瓦砾等杂物大小粒径符合要求4种植土块径大、中乔木() ≤8cm小乔木、大中灌木、大藤本()≤6cm竹类、小灌木、宿根花卉、小藤本()≤4cm草坪、草花、地被() ≤2cm 施工操作依据质量检查记录施工单位检查结果评定工程专业工程专业质量检查员:技术负责人:年月日监理〔建设〕单位验收结论专业监理工程师:〔建设单位工程专业技术负责人〕年月日种植土地形整理检验批质量验收记录〔DB**/T****—2021〕表8.3 编号:0103工程名称分项工程名称工程负责人施工单位验收部位施工执行标准名称及编号专业工长〔施工员〕分包单位分包工程负责人施工班组长质量验收标准的规定施工单位自检记录监理〔建设〕单位验收记录主控工程1 种植土地形的整体造型符合设计要求2一般工程1 地表根本平整、无明显的低洼和积水处2 地形排水坡度≥5‰或设计要求3种植土与道路〔挡土墙或挡土侧石〕接壤处处理()符合要求4有效土层厚度大中乔木()深根性≥120cm或设计要求浅根性≥90cm或设计要求小乔木和大、中灌木、大藤本()≥60cm或设计要求小灌木、宿根花卉、小藤本()≥40cm或设计要求棕榈类≥90 cm或设计要求竹类大径≥80 cm或设计要求中、小径≥50 cm或设计要求草坪、草花、地被()≥30cm或设计要求5地形相对标高cm全高≤100cm()±5100~200cm()±10200~300cm()±20300~500cm()±30施工操作依据质量检查记录施工单位检查结果评定工程专业工程专业质量检查员:技术负责人:年月日监理〔建设〕单位验收结论专业监理工程师:〔建设单位工程专业技术负责人〕年月日植物材料〔乔木〕工程检验批质量验收记录〔DB33/1068—2021〕表8.4 编号:0201工程名称分项工程名称工程负责人施工单位验收内容施工执行标准名称及编号专业工长〔施工员〕分包单位分包工程负责人施工班组长质量验收标准的规定施工单位自检记录监理〔建设〕单位验收记录主控工程1 植物材料必须符合设计要求(5.2.2)植物的材料符合设计要求2 乔木带土球或根盘规格(5.2.3-1) 乔木树形符合设计要求3 乔木树形要求(5.2.4) 符合要求一般工程1乔木树干、树冠(表) 符合要求根系(表)2允许偏差c m胸〔地〕径()≤5cm-0.15cm~10cm -0.310cm~20cm -0.5>20cm -1高度()针叶类≤300cm+50-20>300cm -30阔叶类150cm~250cm+50-20250cm~450cm+50-30>450cm+50-50冠幅()≤200cm-10200cm~300cm -20>300cm -30施工操作依据完整质量检查记录符合要求施工单位检查结果评定工程专业工程专业质量检查员:技术负责人:年月日监理〔建设〕单位验收结论专业监理工程师:〔建设单位工程专业技术负责人〕年月日植物材料〔棕榈类植物〕工程检验批质量验收记录〔DB**/T****—2021〕表8.5 编号:0202工程名称分项工程名称工程负责人施工单位验收内容施工执行标准名称及编号专业工长〔施工员〕分包单位分包工程负责人施工班组长质量验收标准的规定施工单位自检记录监理〔建设〕单位验收记录主控工程1植物材料的种类、规格必须符合设计要求〔〕2 严禁带有严重的病、虫、草害〔〕3 土球应完整〔〕一般工程1 棕榈类植物根本工程〔表〕2允许偏差c m筒高≤100cm +50-0100cm~250cm+50-10250cm~350cm+50-20>350cm+50-30筒径≤10cm-110cm~30cm -2>30cm -3施工操作依据质量检查记录施工单位检查结果评定工程专业工程专业质量检查员:技术负责人:年月日监理〔建设〕单位验收结论专业监理工程师:〔建设单位工程专业技术负责人〕年月日物材料〔灌木、藤本、竹类〕工程检验批质量验收记录〔DB**/T****—2021〕表8.6 编号:0203工程名称分项工程名称工程负责人施工单位验收内容施工执行标准名称及编号专业工长〔施工员〕分包单位分包工程负责人施工班组长质量验收标准的规定施工单位自检记录监理〔建设〕单位验收记录主控工程1植物材料的种类、规格必须符合设计要求;严禁带有严重的病、虫、草害。
园林绿化工程检验批质量验收记录
.检验批质量验收记录(01-种植土壤)检验批质量验收记录(02-种植前现场清理)检验批质量验收记录(03-种植土壤回填和地形建模)检验批质量验收记录(04-种植土壤施肥和表面修整)检验批质量验收记录(05-种植孔洞和凹槽)检验批质量验收记录(06-植物材料)检验批质量验收记录(06-植物材料)检验批质量验收记录(06-植物材料) 检验批质量验收记录(06-植物材料)检验批质量验收记录(07-苗木运输和跟进)检验批质量验收记录(08-苗木修剪)检验批质量验收记录(09-树木种植)检验批质量验收记录(10-浇水)检验批质量验收记录(11-支撑)检验批质量验收记录(12-树木挖掘和包装),检验批质量验收记录(13-树木吊装和运输),检验批质量验收记录(14-树木种植),检验批质量验收记录(15-草坪和草本地播种)、检验批质量验收记录(16-喷播和种植)、检验批质量验收记录(17-草坪和草本地分别种植)、检验批质量验收记录(18-草块和草卷铺设)检验批质量验收记录(19-运动场草坪)检验批质量验收记录(XXXX,1月,监理(建设)单位验收记录监理工程师:
(建设单位项目专业技术负责人)监理单位检验评定结果监理员(签字):年1月(第53-5.4.1条第4款建设单位检验评定结果项目专业质量检查员:
1月,监理(建设)单位验收记录监理工程师:
(建设单位项目专业技术负责人)监理单位1月检查评估结果监
督员:(签名)监理单位1月检查评估结果监督员:(签名)监理单位1月检查评估结果监督员:(签名)(54-(建设单位项目专业技术负责人)监理单位1月检查评估结果监督员,(签名)监理单位1月检查评估结果监查员54:监理单位1月检查评估记录监查员:(签名):
(建设单位项目专业技术负责人)监理单位1月检查评估结果监(签)字教育资料:。
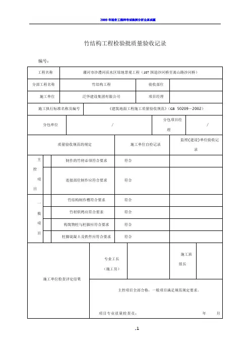
竹结构工程检验批质量验收记录编号:漯河市沙澧河滨水区绿地景观工程(107国道沙河桥至嵩山路沙河桥)主控项目全部合格,一般项目满足规范规定要求。
项目专业质量检查员:同意验收。
(建设单位项目专业负责人)工程名称分部工程名称竹结构工程验收部位施工单位 泛华建设集团有限公司 项目经理施工执行标准名称及编号 《建筑地面工程施工质量验收规范》 (GB 50209 - 2002)主控 项目分包单位 质量验收规范的规定 施工单位自检记录 监理(建设)单位验收记录制作的竹材必须符合要求 符合连接部位制作应符合要求 符合竹结构制作槽符合要求 符合竹材烘烤应符合要求 符合构筑物柱与柱脚应符合要求 符合柱脚混凝土及铁件应符合要求 符合施工单位检查评定结果专业工长 (施工监理(建设)单位验收结论专业监理工程师:分包项目经理施工班组长工程名称分部工程名称中、简瓦屋面工程检验批质量验收编号:漯河市沙澧河滨水区绿地景观工程(107国道沙河桥至嵩山路沙河桥)中、简瓦屋面工程验收部位施工执行标准名称及编号《屋面工程施工质量验收规范》(GB 50207 —2002)分包单位/11 分包项目经理 1 /质量验收规范的规定施工单位自检记录监理(建设)单位验收记录主控项目1瓦件的品种、规格、质量必须符合设计要求合格2不得使用疤癞、火裂及破碎缺角的瓦件合格般项目1瓦楞铺设应符合设计要求合格2屋脊砌筑应符合设计要求合格3屋面外观应符合设计要求合格允许偏差项目(mm)屋脊每间平直度20裂缝宽度< 1瓦片进脊10屋面瓦片挑出檐口50蓑衣盖瓦出椽子封檐板> 20底瓦盖透斜沟50-90木基层每平直度20椽子间距偏差15封檐板平直度8专业工长(施工员)施工班组长泛华建设集团有限公司施工单位项目经理施工单位检查评定结果主控项目全部合格,一般项目满足规范规定要求。
项目专业质量检查员:监理(建设)单位验收结论专业监理工程师:嵌草地坪检验批质量验收记录编号:漯河市沙澧河滨水区绿地景观工程(107国道沙河桥至嵩山路沙河桥)《城市绿化工程施工及验收规范》 (GJJ/ T82- 99)《城市园林绿化工程施工及验收规范》 (DB11/ T212 - 2003)分包项目经理(建设单位项目专业负责人)分部工程名称 施工单位嵌草地坪 泛华建设集团有限公司验收部位项目经理质量验收规范的规定面层所用板块的品种、质量、规格必须符合设计要求面层与基层的结合必须牢固,黏贴面层的砂浆强度厚 度必须符合要求;基层材料和压实度符合要求嵌草地坪应符合要求表面平整度缝格平直面层接缝高低差板块间隙施工单位自检记录监理(建设)单位验收记录合格合格合格1.5砂、石子、 碎石混凝土表面平整度标高表面平整度标咼表面平整度标高施工单位检查评定结果0 -5020士20士10专业工长(施工员)施工班组长工程名称施工执行标准名称及编号分包单位碎拼大理石工程检验批质量验收记录编号:漯河市沙澧河滨水区绿地景观工程(107国道沙河桥至嵩山路沙河桥)泛华建设集团有限公司施工单位项目经理 分部工程名称 碎拼大理石工程 验收部位工程名称项目专业质量检查员:年月日监理(建设)单位验收结论专业监理工程师:(建设单位项目专业负责人)年月日卵石铺装检验批质量验收记录编号:工程名称分部工程名称漯河市沙澧河滨水区绿地景观工程(107国道沙河桥至嵩山路沙河桥)卵石铺装验收部位施工执行标准名称及编号《城市绿化工程施工及验收规范》(GJJ/ T82- 99)《城市园林绿化工程施工及验收规范》(DB11/ T212 - 2003)分包单位/ 1质量验收规范的规定施工单位自检记录监理(建设)单位验收记录主控项目1面层所用板块的品种、质量、规格必须符合设计要求合格2面层与基层的结合必须牢固,黏贴面层的砂浆强度厚度必须符合要求;基层材料和压实度符合要求合格般项目1卵石面层应符合要求合格2允许偏差mm面层表面平整度 4接缝高低差 2板块间隙>3基层土表面平整度 5标高0 -50灰土、砂、石子、碎石表面平整度20标高士20混凝土表面平整度 5标咼士10泛华建设集团有限公司施工单位项目经理1 1 1施工单位检查评定结果专业工长(施工员)施工班组长项目专业质量检查员:年月日监理(建设)单位验收结论专业监理工程师:(建设单位项目专业负责人)年月日定型石块铺装检验批质量验收记录编号:工程名称漯河市沙澧河滨水区绿地景观工程(107国道沙河桥至嵩山路沙河桥)分部工程名称定形石块铺装验收部位施工执行标准名称及编号《城市绿化工程施工及验收规范》(GJJ/ T82- 99)《城市园林绿化工程施工及验收规范》(DB11/ T212 - 2003)分包单位/分包项目经理 1 / 质量验收规范的规定施工单位自检记录监理(建设)单位验收记录主控项目1面层所用板块的品种、质量、规格必须符合设计要求合格2面层与基层的结合必须牢固,黏贴面层的砂浆强度厚度必须符合要求;基层材料和压实度符合要求合格般项目1块石面层应符合要求合格2允许偏差mm面层表面平整度 3缝格平直 3接缝高低差 2板块间隙>3基层土表面平整度 5标咼0 -50灰土、砂、石子、碎石表面平整度20标高士20混凝土表面平整度 5泛华建设集团有限公司施工单位项目经理定型大理石、广场砖、花岗岩铺装检验批质量验收记录编号:漯河市沙澧河滨水区绿地景观工程(107国道沙河桥至嵩山路沙河桥)泛华建设集团有限公司施工单位项目经理 分部工程名称定型大理石、广场砖、花岗岩铺装 验收部位工程名称水泥花砖铺装检验批质量验收记录编号:漯河市沙澧河滨水区绿地景观工程(107国道沙河桥至嵩山路沙河桥)泛华建设集团有限公司施工单位 项目经理 工程名称 分部工程名称水泥花砖铺装 验收部位混凝土板块铺装检验批质量验收记录编号:漯河市沙澧河滨水区绿地景观工程(107国道沙河桥至嵩山路沙河桥)泛华建设集团有限公司 施工单位 项目经理 工程名称 分部工程名称 混凝土板块铺装 验收部位运动型草坪工程检验批质量验收记录编号:施工单位检查评定结果施工班组长专业工长(施工员)主控项目全部合格,一般项目满足规范规定要求。
检验批质量验收记录编号:工程名称分项工程名称验收部位施工单位专业工长项目负责人施工执行标准名称及编号分包单位分包项目负责人施工班组长主控项目质量验收标准的规定施工单位检查评定记录监理(建设)单位验收记录1234一般项目123456施工操作依据质量检查记录施工单位检查结果评定项目专业项目专业质量检查员:技术负责人:年月日注:本表由施工项目专业质量检查员填写,专业监理工程师(建设单位项目技术负责人)组织项目专业质量(技术)负责人等进行验收。
种植地基层处理检验批质量验收记录(DB**/T****—2009)表8.1 编号:0101工程名称分项工程名称项目负责人施工单位验收部位施工执行标准名称及编号专业工长(施工员)分包单位分包项目负责人施工班组长质量验收标准的规定施工单位自检记录监理(建设)单位验收记录主控项目1 清除石块、残根、杂草(5.1.4)2 种植土下基层不能有不透水层或积水现象(5.1.4)3 地下水位深度符合植物生长要求(5.1.4)一般项目1 表面基本平整(5.1.6)2 地形标高符合设计要求(5.1.6)施工操作依据质量检查记录施工单位检查结果评定项目专业项目专业质量检查员:技术负责人:年月日监理(建设)单位验收结论专业监理工程师:(建设单位项目专业技术负责人)年月日种植土材料检验批质量验收记录(DB**/T****—2009)表8.2 编号:0102工程名称分项工程名称项目负责人施工单位验收部位施工执行标准名称及编号专业工长(施工员)分包单位分包项目负责人施工班组长质量验收标准的规定施工单位自检记录监理(建设)单位验收记录主控项目1种植土壤主要理化性质(PH值,有机质含量)符合5.1.3的要求一般项目1土壤土色及密实度(5.1.5)表面无白色盐霜,土壤疏松不板结2土壤含石砾、瓦砾等杂物含量(5.1.8)乔灌木种植土<10%草花种植土基本无杂物地被种植土<5%草坪种植土<5%3 种植土壤含石砾、瓦砾等杂物大小粒径符合5.1.8要求4种植土块径大、中乔木(5.1.10) ≤8cm小乔木、大中灌木、大藤本(5.1.10)≤6cm竹类、小灌木、宿根花卉、小藤本(5.1.10)≤4cm草坪、草花、地被(5.1.10)≤2cm 施工操作依据质量检查记录施工单位检查结果评定项目专业项目专业质量检查员:技术负责人:年月日监理(建设)单位验收结论专业监理工程师:(建设单位项目专业技术负责人)年月日种植土地形整理检验批质量验收记录(DB**/T****—2009)表8.3 编号:0103工程名称分项工程名称项目负责人施工单位验收部位施工执行标准名称及编号专业工长(施工员)分包单位分包项目负责人施工班组长质量验收标准的规定施工单位自检记录监理(建设)单位验收记录主控项目1 种植土地形的整体造型符合设计要求2一般项目1 地表基本平整、无明显的低洼和积水处2 地形排水坡度≥5‰或设计要求3种植土与道路(挡土墙或挡土侧石)接壤处处理(5.1.9)符合要求4有效土层厚度大中乔木(5.1.10)深根性≥120cm或设计要求浅根性≥90cm或设计要求小乔木和大、中灌木、大藤本(5.1.10)≥60cm或设计要求小灌木、宿根花卉、小藤本(5.1.10)≥40cm或设计要求棕榈类≥90 c m或设计要求竹类大径≥80 cm或设计要求中、小径≥50 cm或设计要求草坪、草花、地被(5.1.10)≥30cm 或设计要求5 地形相对标高cm全高≤100cm(5.1.10)±5100~200cm(5.1.10)±10200~300cm(5.1.10)±20300~500cm(5.1.10)±30 施工操作依据质量检查记录施工单位检查结果评定项目专业项目专业质量检查员:技术负责人:年月日监理(建设)单位验收结论专业监理工程师:(建设单位项目专业技术负责人)年月日植物材料(乔木)工程检验批质量验收记录(DB33/1068—2010)表8.4 编号:0201叶类>300cm -30阔叶类150cm~250cm+50-20 250cm~450cm+50-30 >450cm+50-50冠幅(5.2.5)≤200cm-10 200cm~300cm -20 >300cm -30施工操作依据完整质量检查记录符合要求施工单位检查结果评定项目专业项目专业质量检查员:技术负责人:年月日监理(建设)单位验收结论专业监理工程师:(建设单位项目专业技术负责人)年月日植物材料(棕榈类植物)工程检验批质量验收记录(DB**/T****—2009)表8.5编号:0202工程名称分项工程名称项目负责人施工单位验收内容施工执行标准名称及编号专业工长(施工员)分包单位分包项目负责人施工班组长质量验收标准的规定施工单位自检记录监理(建设)单位验收记录主控项目1植物材料的种类、规格必须符合设计要求(5.2.2)2 严禁带有严重的病、虫、草害(5.2.2)3 土球应完整(5.2.3)一 1 棕榈类植物基本项目(表5.2.4)般项目2 允许偏差c m筒高≤100cm +50-0100cm~250cm+50-10250cm~350cm+50-20>350cm+50-30 筒径≤10cm-110cm~30cm -2>30cm -3 施工操作依据质量检查记录施工单位检查结果评定项目专业项目专业质量检查员:技术负责人:年月日监理(建设)单位验收结论专业监理工程师:(建设单位项目专业技术负责人)年月日物材料(灌木、藤本、竹类)工程检验批质量验收记录(DB**/T****—2009)表8.6编号:0203工程名称分项工程名称项目负责人施工单位验收内容施工执行标准名称及编号专业工长(施工员)分包单位分包项目负责人施工班组长质量验收标准的规定施工单位自检记录监理(建设)单位验收记录主控项目1植物材料的种类、规格必须符合设计要求;严禁带有严重的病、虫、草害。
目录栽植土基层处理检验批质量验收记录 (3)栽植土进场检验批质量验收记录 (4)栽植土地形整理检验批质量验收记录 (5)植物材料工程检验批质量验收记录(一) (6)植物材料工程检验批质量验收记录(二) (7)园林植物运输和假植工程检验批质量验收记录 (8)苗木种植穴、槽检验批质量验收记录 (9)树木栽植工程检验批质量验收记录 (10)草坪、花坛地被栽植工程检验批质量验收记录 (11)花卉种植检验批质量验收记录 (12)大树移植工程检验批质量验收记录 (13)移植苗木修剪工程检验批质量验收记录 (14)苗木养护工程检验批质量验收记录 (15)草坪养护工程检验批质量验收记录 (17)斜面护坡绿化工程检验批质量验收记录 (18)屋顶绿化(包括地下设施覆土绿化)工程检验批质量验收记录 (19)假山、叠石 (20)检验批质量验收记录 (20)分项工程质量验收记录 (21)分部(子分部)工程质量验收记录 (22)单位(子单位)工程质量验收记录 (23)栽植土基层处理检验批质量验收记录栽植土进场检验批质量验收记录栽植土地形整理检验批质量验收记录植物材料工程检验批质量验收记录(一)植物材料工程检验批质量验收记录(二)园林植物运输和假植工程检验批质量验收记录苗木种植穴、槽检验批质量验收记录树木栽植工程检验批质量验收记录草坪、花坛地被栽植工程检验批质量验收记录花卉种植检验批质量验收记录大树移植工程检验批质量验收记录移植苗木修剪工程检验批质量验收记录苗木养护工程检验批质量验收记录草坪养护工程检验批质量验收记录斜面护坡绿化工程检验批质量验收记录屋顶绿化(包括地下设施覆土绿化)工程检验批质量验收记录假山、叠石检验批质量验收记录分项工程质量验收记录分部(子分部)工程质量验收记录单位(子单位)工程质量验收记录单位(子单位)工程质量控制资料核查记录单位(子单位)工程安全和功能检验资料核查及主要功能抽查记录绿化种植工程观感质量评定表.园林建筑及附属设施工程观感质量评定表.园林建筑及附属设施工程观感质量评定表.大树移植工程观感质量评定表.31 / 31。
竹结构工程检验批质量验收记录
编号:
中、简瓦屋面工程检验批质量验收
嵌草地坪检验批质量验收记录
碎拼大理石工程检验批质量验收记录
卵石铺装检验批质量验收记录
定型石块铺装检验批质量验收记录
定型大理石、广场砖、花岗岩铺装检验批质量验收记录
栽植土基层处理检验批质量验收记录
栽植土进场检验批质量验收记录
栽植土地形整理检验批质量验收记录
编号:
植物材料工程检验批质量验收记录㈠
植物材料工程检验批质量验收记录㈡
园林植物运输和假植工程检验批质量验收记录
苗木种植穴﹑槽检验批质量验收记录
树木栽植工程检验批质量验收记录
草坪、花坛地被栽植工程检验批质量验收记录
花卉种植检验批质量验收记录
大树移植工程检验批质量验收记录
移植苗木修剪工程检验批质量验收记录
苗木养护工程检验批质量验收记录
草坪养护工程检验批质量验收记录
斜面护坡绿化工程检验批质量验收记录
屋顶绿化〔包括地下设施覆土绿化〕工程检验批质量验收记录
假山、叠石检验批质量验收记录
绿化种植分项工程质量验收记录
防水混凝土分项工程质量验收记录
模板分项工程质量验收记录
钢筋分项工程质量验收记录
混凝土分项工程质量验收记录
绿化种植分部〔子分部〕工程质量验收记录
单位〔子单位〕工程质量竣工验收记录
场地基层检验批质量验收记录。
栽植土检验批质量验收记录
栽植前场地清理检验批质量验收记录
栽植土回填及地形造型检验批质量验收记录
栽植土施肥和表层整理检验批质量验收记录
栽植穴(槽)检验批质量验收记录
苗木运输和假植检验批质量验收记录
浇灌水检验批质量验收记录
支撑检验批质量验收记录
大树挖掘包装检验批质量验收记录
大树吊运运输检验批质量验收记录
大树栽植检验批质量验收记录
草坪和草本地被分栽检验批质量验收记录
铺设草地及草卷检验批质量验收记录
花卉栽植检验批质量验收记录
施工期植物养护检验批质量验收记录
碎拼花岗岩面层检验批质量验收记录
座椅(凳)标牌、果皮箱安装检验批质量验收记录
园林护栏检验批质量验收记录
喷灌喷头安装检验批质量验收记录。
竹结构工程检验批质量验收记录编号:中、简瓦屋面工程检验批质量验收编号:嵌草地坪检验批质量验收记录编号:碎拼大理石工程检验批质量验收记录编号:卵石铺装检验批质量验收记录编号:定型石块铺装检验批质量验收记录编号:定型大理石、广场砖、花岗岩铺装检验批质量验收记录编号:水泥花砖铺装检验批质量验收记录编号:混凝土板块铺装检验批质量验收记录编号:运动型草坪工程检验批质量验收记录编号:栽植土基层处理检验批质量验收记录编号:栽植土进场检验批质量验收记录编号:栽植土地形整理检验批质量验收记录编号:植物材料工程检验批质量验收记录㈠编号:植物材料工程检验批质量验收记录㈡编号:园林植物运输和假植工程检验批质量验收记录编号:苗木种植穴﹑槽检验批质量验收记录编号:树木栽植工程检验批质量验收记录编号:草坪、花坛地被栽植工程检验批质量验收记录编号:花卉种植检验批质量验收记录编号:大树移植工程检验批质量验收记录编号:移植苗木修剪工程检验批质量验收记录编号:苗木养护工程检验批质量验收记录编号:草坪养护工程检验批质量验收记录编号:斜面护坡绿化工程检验批质量验收记录编号:屋顶绿化(包括地下设施覆土绿化)工程检验批质量验收记录编号:假山、叠石检验批质量验收记录编号:绿化种植分项工程质量验收记录编号:防水混凝土分项工程质量验收记录编号:模板分项工程质量验收记录编号:钢筋分项工程质量验收记录编号:混凝土分项工程质量验收记录编号:绿化种植分部(子分部)工程质量验收记录编号:单位(子单位)工程质量竣工验收记录编号:场地基层检验批质量验收记录编号:鞠躬尽瘁,死而后已。
——诸葛亮。
竹结构工程检验批质量验收记录编号:中、简瓦屋面工程检验批质量验收编号:嵌草地坪检验批质量验收记录编号:碎拼大理石工程检验批质量验收记录编号:卵石铺装检验批质量验收记录编号:定型石块铺装检验批质量验收记录编号:定型大理石、广场砖、花岗岩铺装检验批质量验收记录编号:水泥花砖铺装检验批质量验收记录编号:混凝土板块铺装检验批质量验收记录编号:运动型草坪工程检验批质量验收记录编号:栽植土基层处理检验批质量验收记录编号:栽植土进场检验批质量验收记录编号:栽植土地形整理检验批质量验收记录编号:植物材料工程检验批质量验收记录㈠编号:植物材料工程检验批质量验收记录㈡编号:园林植物运输和假植工程检验批质量验收记录编号:苗木种植穴﹑槽检验批质量验收记录编号:树木栽植工程检验批质量验收记录编号:草坪、花坛地被栽植工程检验批质量验收记录编号:花卉种植检验批质量验收记录编号:大树移植工程检验批质量验收记录编号:移植苗木修剪工程检验批质量验收记录编号:苗木养护工程检验批质量验收记录编号:草坪养护工程检验批质量验收记录编号:斜面护坡绿化工程检验批质量验收记录编号:屋顶绿化(包括地下设施覆土绿化)工程检验批质量验收记录编号:假山、叠石检验批质量验收记录编号:绿化种植分项工程质量验收记录编号:防水混凝土分项工程质量验收记录编号:模板分项工程质量验收记录编号:钢筋分项工程质量验收记录编号:混凝土分项工程质量验收记录编号:绿化种植分部(子分部)工程质量验收记录编号:单位(子单位)工程质量竣工验收记录编号:场地基层检验批质量验收记录编号:。
竹结构工程检验批质量验收记录编号:中、简瓦屋面工程检验批质量验收编号:嵌草地坪检验批质量验收记录编号:碎拼大理石工程检验批质量验收记录编号:卵石铺装检验批质量验收记录编号:定型石块铺装检验批质量验收记录编号:定型大理石、广场砖、花岗岩铺装检验批质量验收记录编号:水泥花砖铺装检验批质量验收记录编号:混凝土板块铺装检验批质量验收记录编号:运动型草坪工程检验批质量验收记录编号:栽植土基层处理检验批质量验收记录编号:栽植土进场检验批质量验收记录编号:栽植土地形整理检验批质量验收记录编号:植物材料工程检验批质量验收记录㈠编号:植物材料工程检验批质量验收记录㈡编号:园林植物运输和假植工程检验批质量验收记录编号:苗木种植穴﹑槽检验批质量验收记录编号:树木栽植工程检验批质量验收记录编号:草坪、花坛地被栽植工程检验批质量验收记录编号:花卉种植检验批质量验收记录编号:大树移植工程检验批质量验收记录编号:移植苗木修剪工程检验批质量验收记录编号:苗木养护工程检验批质量验收记录编号:草坪养护工程检验批质量验收记录编号:斜面护坡绿化工程检验批质量验收记录编号:屋顶绿化(包括地下设施覆土绿化)工程检验批质量验收记录编号:假山、叠石检验批质量验收记录编号:绿化种植分项工程质量验收记录编号:防水混凝土分项工程质量验收记录编号:模板分项工程质量验收记录编号:钢筋分项工程质量验收记录编号:混凝土分项工程质量验收记录编号:绿化种植分部(子分部)工程质量验收记录编号:单位(子单位)工程质量竣工验收记录编号:场地基层检验批质量验收记录编号:。
竹结构工程检验批质量验收记录编号:中、简瓦屋面工程检验批质量验收编号:嵌草地坪检验批质量验收记录编号:碎拼大理石工程检验批质量验收记录编号:卵石铺装检验批质量验收记录编号:定型石块铺装检验批质量验收记录编号:定型大理石、广场砖、花岗岩铺装检验批质量验收记录编号:水泥花砖铺装检验批质量验收记录编号:混凝土板块铺装检验批质量验收记录编号:运动型草坪工程检验批质量验收记录编号:栽植土基层处理检验批质量验收记录编号:栽植土进场检验批质量验收记录编号:栽植土地形整理检验批质量验收记录编号:植物材料工程检验批质量验收记录㈠编号:植物材料工程检验批质量验收记录㈡编号:园林植物运输和假植工程检验批质量验收记录编号:苗木种植穴﹑ 槽检验批质量验收记录编号:树木栽植工程检验批质量验收记录编号:草坪、花坛地被栽植工程检验批质量验收记录编号:花卉种植检验批质量验收记录编号:大树移植工程检验批质量验收记录编号:移植苗木修剪工程检验批质量验收记录编号:苗木养护工程检验批质量验收记录编号:草坪养护工程检验批质量验收记录编号:斜面护坡绿化工程检验批质量验收记录编号:屋顶绿化(包括地下设施覆土绿化)工程检验批质量验收记录编号:假山、叠石检验批质量验收记录编号:绿化种植分项工程质量验收记录编号:防水混凝土分项工程质量验收记录编号:模板分项工程质量验收记录编号:钢 筋分项工程质量验收记录编号:混凝土 分项工程质量验收记录编号:绿化种植 分部(子分部)工程质量验收记录编号:。
竹结构工程检验批质量验收记录编号:中、简瓦屋面工程检验批质量验收编号:嵌草地坪检验批质量验收记录碎拼大理石工程检验批质量验收记录编号:卵石铺装检验批质量验收记录编号:定型石块铺装检验批质量验收记录编号:定型大理石、广场砖、花岗岩铺装检验批质量验收记录编号:水泥花砖铺装检验批质量验收记录编号:混凝土板块铺装检验批质量验收记录编号:运动型草坪工程检验批质量验收记录编号:栽植土基层处理检验批质量验收记录编号:栽植土进场检验批质量验收记录编号:栽植土地形整理检验批质量验收记录编号:植物材料工程检验批质量验收记录㈠编号:植物材料工程检验批质量验收记录㈡编号:园林植物运输和假植工程检验批质量验收记录编号:苗木种植穴﹑槽检验批质量验收记录编号:树木栽植工程检验批质量验收记录编号:草坪、花坛地被栽植工程检验批质量验收记录编号:花卉种植检验批质量验收记录编号:大树移植工程检验批质量验收记录编号:移植苗木修剪工程检验批质量验收记录编号:苗木养护工程检验批质量验收记录编号:草坪养护工程检验批质量验收记录编号:斜面护坡绿化工程检验批质量验收记录编号:屋顶绿化(包括地下设施覆土绿化)工程检验批质量验收记录编号:假山、叠石检验批质量验收记录编号:绿化种植分项工程质量验收记录编号:防水混凝土分项工程质量验收记录编号:模板分项工程质量验收记录编号:钢筋分项工程质量验收记录混凝土分项工程质量验收记录编号:绿化种植分部(子分部)工程质量验收记录编号:单位(子单位)工程质量竣工验收记录编号:场地基层检验批质量验收记录。
编号:
嵌草地坪检验批质量验收记录
碎拼大理石工程检验批质量验收记录
卵石铺装检验批质量验收记录
定型石块铺装检验批质量验收记录
定型大理石、广场砖、花岗岩铺装检验批质量验收记录
水泥花砖铺装检验批质量验收记录
混凝土板块铺装检验批质量验收记录
运动型草坪工程检验批质量验收记录
栽植土基层处理检验批质量验收记录
栽植土进场检验批质量验收记录
栽植土地形整理检验批质量验收记录
植物材料工程检验批质量验收记录㈠
植物材料工程检验批质量验收记录㈡
园林植物运输和假植工程检验批质量验收记录
苗木种植穴﹑槽检验批质量验收记录
树木栽植工程检验批质量验收记录
草坪、花坛地被栽植工程检验批质量验收记录
花卉种植检验批质量验收记录
大树移植工程检验批质量验收记录
移植苗木修剪工程检验批质量验收记录
苗木养护工程检验批质量验收记录
草坪养护工程检验批质量验收记录
斜面护坡绿化工程检验批质量验收记录
屋顶绿化(包括地下设施覆土绿化)工程检验批质量验收记录
假山、叠石检验批质量验收记录
绿化种植分项工程质量验收记录
防水混凝土分项工程质量验收记录
模板分项工程质量验收记录
钢筋分项工程质量验收记录
混凝土分项工程质量验收记录
绿化种植分部(子分部)工程质量验收记录
单位(子单位)工程质量竣工验收记录
场地基层检验批质量验收记录。