南通海洲供电局营业用房单位工程复查报告表(房建)
- 格式:doc
- 大小:68.00 KB
- 文档页数:2
中国电力优质工程奖现场复查结果表使用说明
一、现场复查结果表适用于中国电力优质工程奖申报单位申报前自查和复查组现场复查使用,按火电、输变电、水电、风电、光伏工程项目中的安全、建筑、安装、指标及综合等相关专业现场复查结果表的内容,分别进行自查和现场复查。
二、现场复查结果表依据国家现行标准规定及设计文件、生产厂家技术文件的要求制定,内容由实体质量和项目文件两部分组成,强制性条文用黑体字标志。
三、当工程为多台机组时(火力发电工程、水电水利工程),各台机组主要技术经济指标应分别核查,评定每台机组档次并分别评分,整体工程主要技术经济指标得分取多台机组的算术平均值。
(一)一档,取100~81分;
(二)二档,取80~51分;
(三)三档,取50分以下。
四、现场复查组成员根据现场复查情况在现场复查结果表中分专业填写“复查发现的问题”,并按“符合”、“基本符合”、“不符合”的“复查结果”评定“复查结论”档次;工程获奖统计表由复查组现场核查、评定;复查组汇总各专业评定档次并填写“现场复查综合评分表”。
五、“现场复查结果表”(见附件3)中的“复查要点”栏内的项目为现场复查时必查项目,未列入的关键部位、主要工序、重要试验检验项目可由复查组成员根据工程项目实际情况实施抽查,增加的复查项目可续在“复查要点”栏内,做为复查结果评定基数。
六、“符合”、“基本符合”、“不符合”的规定:
(一)“符合”的条件:
1、达到施工质量验收规程规范的规定,满足设计及生产厂家技术文件要求,且质量验收文件齐全、有效;。
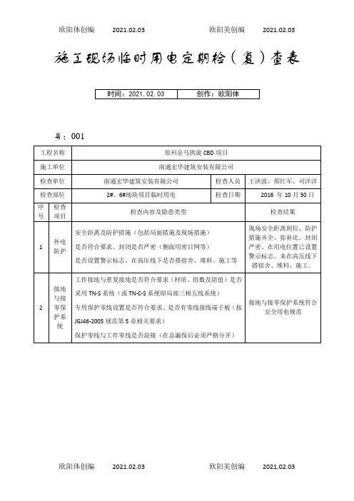
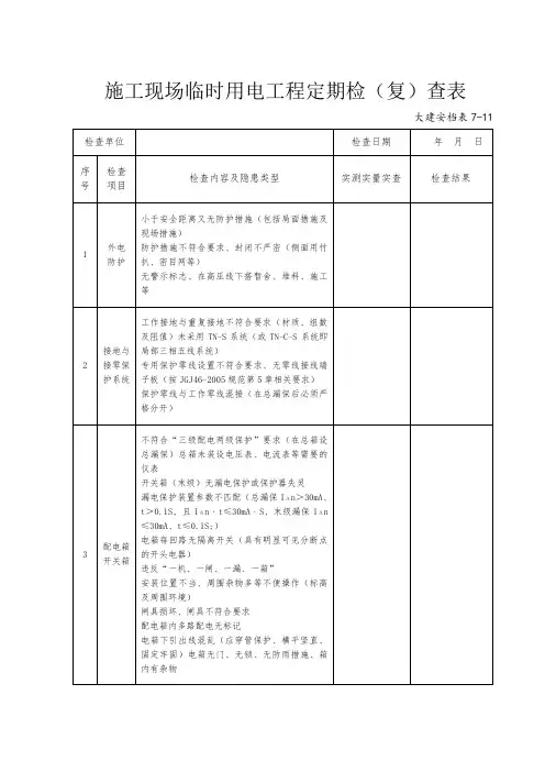
施工现场临时用电检查(复查)记录1、临电定期检查应按分部、分项工程进行,施工现场最长周期每月一次,公司每季度一次。
由电气负责人组织进行检查、测试。
按结果正确填写,交安全员留存。
2、检查结果应有明确结论,检查发现存在隐患,应按“定人、定时、定措施”的三定原则在检查结果栏内明确提出。
3、复查时仍用此表记录。
4、接地测试应单独填写“电气接地电阻测试记录二施工现场安全施工注意事项1、施工人员进入施工现场前,必须要进行施工安全、消防知识的教育和考核工作,对考核不合格的职工,禁止进入施工现场参加施工。
2、进入施工现场必须戴好安全帽,系好帽带,并正确使用个人劳动防护用品.3、严格执行操作规程,不得违章指挥和违章作业,对违章作业的指令有权拒绝并有责任制止他人违章作业。
4、施工作业时必须正确穿戴个人防护用品,进入施工现场必须戴安全帽。
不许私自用火,严禁酒后操作。
5、穿拖鞋、高跟鞋、赤脚或赤膊不准进入施工现场。
6、穿硬底鞋不得进行登高作业。
7、在高空、钢筋、结构上作业时,一定要穿防滑鞋.8、现场用电,一定要有专人管理,同时设专用配电箱,严禁乱接乱拉,采取用电挂牌制度,尤其杜绝违章作业,防止人身、线路,设备事故的发生。
9、电钻、电锤、电焊机等电动机具用电、配电箱必须要有漏电保护装置和良好的接地保护地线,所有电动机具和线缆必须定期检查,保证绝缘良好,使用电动机具时应穿绝缘鞋,戴绝缘手套。
10、工地施工照明用电,必须使用36伏以下安全电压,所有电器机具在不使用时,必须随时切断电源,防止烧坏设备.11、在用喷灯、电焊机以及必要生火的地方,要填写用火申请登记和设专人看管,随带消防器材等,保证消防措施的落实。
施焊时,特别注意检查下方有无易燃物,并做好相应的防护,用完后要检查,确认无火后再离开.12、未经安全教育培训合格不得上岗,非操作者严禁进入危险区域;特种作业必须持特种作业资格证上岗。
13、凡2m以上的高处作业无安全设施,必须系好安全带;安全带必须先挂牢后再作业。
表十七:单位工程安全检查资料核查表工程名称:特变电工1500吨/年太阳能级多晶硅项目(一期)公用工程/分析室建筑面积:675.43m2结构类型:框架年月日表十七:单位工程安全检查资料核查表工程名称:特变电工1500吨/年太阳能级多晶硅项目(一期)公用工程/分析室建筑面积:675.43m2结构类型:框架年月日表十七:单位工程安全检查资料核查表工程名称:特变电工1500吨/年太阳能级多晶硅项目(一期)公用工程/10KV变电站建筑面积:1339.52m2结构类型:框架年月日表十七:单位工程安全检查资料核查表工程名称:特变电工1500吨/年太阳能级多晶硅项目(一期)公用工程/10KV变电站建筑面积:1339.52m2结构类型:框架年月日表十七:单位工程安全检查资料核查表工程名称:特变电工1500吨/年太阳能级多晶硅项目(一期)氯硅烷储存工序/1#、2#罐区建筑面积:3019.5m2结构类型:框架年月日表十七:单位工程安全检查资料核查表工程名称:特变电工1500吨/年太阳能级多晶硅项目(一期)氯硅烷储存工序/3#罐区建筑面积:1474.2m2结构类型:框架年月日表十七:单位工程安全检查资料核查表工程名称:特变电工1500吨/年太阳能级多晶硅项目(一期)多晶硅装置/氯化氢合成工序建筑面积:900.2m2结构类型:框架年月日表十七:单位工程安全检查资料核查表工程名称:特变电工1500吨/年太阳能级多晶硅项目(一期)多晶硅装置/氯化氢合成工序建筑面积:900.2m2结构类型:框架年月日表十七:单位工程安全检查资料核查表工程名称:特变电工1500吨/年太阳能级多晶硅项目(一期)三氯氢硅合成工序建筑面积:825.3m2结构类型:框架年月日表十七:单位工程安全检查资料核查表工程名称:特变电工1500吨/年太阳能级多晶硅项目(一期)三氯氢硅合成工序建筑面积:825.3m2结构类型:框架年月日表十七:单位工程安全检查资料核查表工程名称:特变电工1500吨/年太阳能级多晶硅项目(一期)三氯氢硅还原工序建筑面积:4124.6m2结构类型:框架年月日表十七:单位工程安全检查资料核查表工程名称:特变电工1500吨/年太阳能级多晶硅项目(一期)三氯氢硅还原工序建筑面积:4124.6m2结构类型:框架年月日表十七:单位工程安全检查资料核查表工程名称:特变电工1500吨/年太阳能级多晶硅项目(一期)公用工程/换热站建筑面积:115.5m2结构类型:框架年月日表十七:单位工程安全检查资料核查表工程名称:特变电工1500吨/年太阳能级多晶硅项目(一期)公用工程/换热站建筑面积:115.5m2结构类型:框架年月日表十七:单位工程安全检查资料核查表工程名称:特变电工1500吨/年太阳能级多晶硅项目(一期)公用工程/空压制氮站建筑面积:576.4m2结构类型:框架年月日表十七:单位工程安全检查资料核查表工程名称:特变电工1500吨/年太阳能级多晶硅项目(一期)公用工程/脱盐水站建筑面积:869.2m2结构类型:框架年月日表十七:单位工程安全检查资料核查表工程名称:特变电工1500吨/年太阳能级多晶硅项目(一期)公用工程/脱盐水站建筑面积:869.2m2结构类型:框架年月日表十七:单位工程安全检查资料核查表工程名称:特变电工1500吨/年太阳能级多晶硅项目(一期)废气及残液处理工序-1(提纯)建筑面积:262.6m2结构类型:框架年月日表十七:单位工程安全检查资料核查表工程名称:特变电工1500吨/年太阳能级多晶硅项目(一期)废气及残液处理工序-1(提纯)建筑面积:262.6m2结构类型:框架年月日表十七:单位工程安全检查资料核查表工程名称:特变电工1500吨/年太阳能级多晶硅项目(一期)废气及残液处理工序-2(合成)建筑面积:523.2m2结构类型:框架年月日表十七:单位工程安全检查资料核查表工程名称:特变电工1500吨/年太阳能级多晶硅项目(一期)废气及残液处理工序-2(合成)建筑面积:523.2m2结构类型:框架年月日表十七:单位工程安全检查资料核查表工程名称:特变电工1500吨/年太阳能级多晶硅项目(一期)废气及残液处理工序-3(炉体清洗)建筑面积:52.1m2结构类型:钢构年月日表十七:单位工程安全检查资料核查表工程名称:特变电工1500吨/年太阳能级多晶硅项目(一期)多晶硅装置/氢气制备和净化工序建筑面积:1719.1m2结构类型:框架年月日表十七:单位工程安全检查资料核查表工程名称:特变电工1500吨/年太阳能级多晶硅项目(一期)多晶硅装置/氢气制备和净化工序建筑面积:1719.1m2结构类型:框架年月日表十七:单位工程安全检查资料核查表工程名称:特变电工1500吨/年太阳能级多晶硅项目(一期)多晶硅装置/液氯储存及汽化工序建筑面积:1035.7m2结构类型:钢构年月日表十七:单位工程安全检查资料核查表工程名称:特变电工1500吨/年太阳能级多晶硅项目(一期)多晶硅装置/工艺废料处理工序建筑面积:1590m2结构类型:框架年月日表十七:单位工程安全检查资料核查表工程名称:特变电工1500吨/年太阳能级多晶硅项目(一期)多晶硅装置/氯硅烷分离提纯工序建筑面积:1302.4m2结构类型:钢构年月日表十七:单位工程安全检查资料核查表工程名称:特变电工1500吨/年太阳能级多晶硅项目(一期)生产辅助设施/主控楼建筑面积:3110.4m2结构类型:框架年月日表十七:单位工程安全检查资料核查表工程名称:特变电工1500吨/年太阳能级多晶硅项目(一期)生产辅助设施/主控楼建筑面积:3110.4m2结构类型:框架年月日表十七:单位工程安全检查资料核查表工程名称:特变电工1500吨/年太阳能级多晶硅项目(一期)后处理厂房建筑面积:5229.3m2结构类型:框架年月日表十七:单位工程安全检查资料核查表工程名称:特变电工1500吨/年太阳能级多晶硅项目(一期)后处理厂房建筑面积:5229.3m2结构类型:框架年月日表十七:单位工程安全检查资料核查表工程名称:特变电工1500吨/年太阳能级多晶硅项目(一期)厂区大门建筑面积:524.8m2结构类型:框架年月日表十七:单位工程安全检查资料核查表工程名称:特变电工1500吨/年太阳能级多晶硅项目(一期)厂区大门建筑面积:524.8m2结构类型:框架年月日表十七:单位工程安全检查资料核查表工程名称:特变电工新疆硅业有限公司倒班宿舍1#楼建筑面积:4707.34m2结构类型:砖混年月日表十七:单位工程安全检查资料核查表工程名称:特变电工新疆硅业有限公司倒班宿舍1#楼建筑面积:4707.34m2结构类型:砖混年月日表十七:单位工程安全检查资料核查表工程名称:特变电工新疆硅业有限公司倒班宿舍2#楼建筑面积:4707.34m2结构类型:砖混年月日表十七:单位工程安全检查资料核查表工程名称:特变电工新疆硅业有限公司倒班宿舍2#楼建筑面积:4707.34m2结构类型:砖混年月日表十七:单位工程安全检查资料核查表工程名称:特变电工新疆硅业有限公司倒班宿舍3#楼建筑面积:4707.34m2结构类型:砖混年月日表十七:单位工程安全检查资料核查表工程名称:特变电工新疆硅业有限公司倒班宿舍3#楼建筑面积:4707.34m2结构类型:砖混年月日表十七:单位工程安全检查资料核查表工程名称:特变电工新疆硅业有限公司倒班宿舍4#楼建筑面积:4707.34m2结构类型:砖混年月日表十七:单位工程安全检查资料核查表工程名称:特变电工新疆硅业有限公司倒班宿舍4#楼建筑面积:4707.34m2结构类型:砖混年月日表十七:单位工程安全检查资料核查表工程名称:特变电工新疆硅业有限公司倒班宿5#楼建筑面积:4707.34m2结构类型:砖混年月日表十七:单位工程安全检查资料核查表工程名称:特变电工新疆硅业有限公司倒班宿舍5#楼建筑面积:4707.34m2结构类型:砖混年月日表十七:单位工程安全检查资料核查表工程名称:特变电工新疆硅业有限公司倒班宿舍6#楼建筑面积:4707.34m2结构类型:砖混年月日表十七:单位工程安全检查资料核查表工程名称:特变电工新疆硅业有限公司倒班宿舍6#楼建筑面积:4707.34m2结构类型:砖混年月日。
国家优质工程复查情况(水、暧及煤气工程)工程名称:国家优质工程复查情况(通风空调工程)工程名称:国家优质工程复查情况(电气安装工程)工程名称:国家优质工程复查情况(建筑与结构工程—地基与基础工程)工程名称:国家优质工程复查情况(建筑与结构工程—主体工程)工程名称:国家优质工程复查情况(建筑与结构工程—防水工程)工程名称:国家优质工程复查情况(建筑与结构工程—门窗工程)工程名称:国家优质工程复查情况(建筑与结构工程—地面工)工程名称:国家优质工程复查情况(建筑与结构工程—装饰工程)工程名称:国家优质工程复查情况(建筑与结构工程—钢结构工程)工程名称:国家优质工程复查情况国家优质工程复查情况(审批、报建及相关验收)工程名称:汇报材料提纲一、工程概况:1、名称:2、类别:如:公共建筑;工业、交通、水利;市政;园林;住宅工程。
3、规模:如:建筑面积、地基基础、主体结构类型、层数、总高度、生产能力、投资额等。
4、开工日期:竣工日期:5、自评工程质量等级核定工程质量等级核定部门:如:质监站;监理;建设方或方管部门。
6、参建单位全称:(与现行公章一致)申报单位:建设单位:设计单位:监理单位:质量监督:二、施工特点:1、施工难点:含主客观条件和技术打复杂程度,技术含量高低的展示等。
(建议有8-12条)2、技术的特点:含四新技术的应用和改进,建设部确定的10项新技术的展示等。
(建议15-20条)3、质量的亮点:含创新、创优、创高、管理新思路、技术新水平,质量的闪光点,用数据来说明工程的技术:质量水平,用技术含量来提升工程项目的品味等(建议18-22条)4、取得的成果:含自评318分部(单位)工程质量,天津钢管工程建设监理公司核定质量等级,观感得分率多少,工程获得的奖项的各项技术经济指标的展示等。
5、相关的数据:(1)沉降观测(竣工后累计最大值、最小值和沉降速率),主体与底层地面的散水有无开裂、倾斜或变形?(2)采用几种什么桩型?具体规格、持力层、含围护结构,其单桩的各自承载力及桩体缺陷检测(其中Ⅰ类及Ⅱ类桩各多少?有无Ⅲ类桩?);(3)建筑物全高垂直度;(4)回填土密实度(干密度、湿密度);(5)有无重大设计变更记录;(6)分别叙述屋面、楼地面、地下室细部作法,并指出有无渗漏、层面有无积水和细部处理是否细腻,卷材防水层有无起鼓,刚性防水层有无空裂;浴厕间地面是否有倒坡和积水;地下室是否干燥。
施工质量检查复查记录表
(原创版)
目录
1.施工质量检查复查记录表的作用和意义
2.施工质量检查复查记录表的内容和结构
3.如何填写施工质量检查复查记录表
4.施工质量检查复查记录表的重要性和应用场景
正文
施工质量检查复查记录表是建筑工程项目中必不可少的一部分,其作用和意义主要体现在以下几个方面:
首先,施工质量检查复查记录表是对施工质量进行监督和管理的重要工具。
通过记录施工过程中的各个环节和质量问题,可以及时发现和解决质量问题,确保施工质量符合规定和标准。
其次,施工质量检查复查记录表可以为工程项目的验收和审计提供依据。
在工程项目完成后,通过查看施工质量检查复查记录表,可以了解施工过程中的质量问题和处理情况,对于验收和审计工作具有重要的参考价值。
施工质量检查复查记录表的内容和结构主要包括以下几个部分:工程项目名称、施工单位、检查日期、检查人员、检查内容、检查结果、问题及处理情况等。
在填写施工质量检查复查记录表时,需要认真填写这些内容,确保记录表的准确性和完整性。
在实际应用中,施工质量检查复查记录表的重要性和应用场景主要体现在以下几个方面:
一是在施工过程中,施工人员需要按照规定填写施工质量检查复查记录表,及时记录施工质量问题和处理情况,以便于及时发现和解决质量问
题。
二是在工程项目完成后,施工单位需要将施工质量检查复查记录表提交给监理单位或业主单位,作为工程项目验收和审计的依据。
三是在工程项目出现质量问题时,可以通过查看施工质量检查复查记录表,了解质量问题的原因和处理情况,为解决问题提供依据。
国家优质工程电力工程现场复查要点一、申报国家优质工程的电力工程,应是在通过“电力工程达标投产”考核的基础上,优中选优的项目。
二、重点复查以下六个方面:1.工程建设全过程的合法性2.工程管理创新(体现“科学、系统、经济”)的有效性3.工程安全、质量与工艺优良的符合性4.性能、技术经济指标的先进性和可靠性5.“四新”应用、自主创新、节约和环保方面的先进性6.社会效益、经济效益显著三、国家优质工程现场复查表(总分1000分)附表1 工程建设的合法性证明文件复查表(通用)附表2 建筑工程质量与工艺复查表(通用)附表3 安装工程质量与工艺复查表(火电)附表4 安装工程质量与工艺复查表(输变电)附表5 机电设备与金属结构质量与工艺复查表(水电)附表6 调整试验及技术指标复查表(火电)附表7 调整试验及技术指标复查表(输变电)附表8 调整试验及技术指标复查表(水电)附表9 工程管理创新的有效性复查表(通用)附表10 自主创新、节能、环保及获奖情况(通用)附表11 复查评分汇总表(通用)四、评分办法:1.总分1000分,对各分项不符合项的扣分不设上限,不扣分即得分;2.凡“通用”表格,复查工程没有的项目,不列入检查评分围;3.附表10为加分表格,单独评定计分。
附表3 国家优质工程现场复查表附表4 国家优质工程现场复查表附表5 国家优质工程现场复查表附表6 国家优质工程现场复查表附表7 国家优质工程现场复查表附表8 国家优质工程现场复查表附表9 国家优质工程现场复查表附表10 国家优质工程现场复查表附表11 国家优质工程现场复查表复查组组长签字:复查组成员签字:年月日。
电力行优程现场复查报告(表格版范本)附表4:中国电力优质工程奖现场复查报告控楼采用桩基、钢筋混凝土单独基础加连梁的基础形式。
主厂房等上部结构形式为现浇混凝土排架和框架结构相结合,汽机基座为整体框架式现浇钢筋混凝土结构,工程建筑单位工程106个,安装单位工程109个。
1#、2#机组工程于2006年12月30日开工建设,2009年6月日和2009年9月27日分别完成168小时试运行移交生产。
通过了安全、环保、档案、消防、职业病、水土保持、审计决算等专项验收。
工程开工日期工程竣工日期2006年12月30日2009年9月27日批准概算75.2782亿竣工决算74.1123亿安全环境事故无安全环境隐患无质量事故无质量隐患无达标投产日期2010年4月26日命名单位中国电力建设企业协会申报单位华能国际电力股份有限公司××电厂建设单位华能国际电力股份有限公司××电厂设计单位广东省电力设计研究院浙江省火电建设公司使用单位评价达到了工程建设预期目标,高标准实现达标投产。
两台机组受监焊口118776道,无损检测一次合格率分别为99.5 % 99.7%。
试运期间实现锅炉“零”爆管。
自投产以来,机组性能优越,运行安全稳定,各项技术经济指标先进,环保设施齐全,实现达标排放。
机组自动投入率、保护投入率、主要仪表投入率均达到了100%,整体运行稳定,主辅设备运行平稳,各项经济指标达到设计要求,满足安全稳定、连续可靠运行的要求,机组试运指标达到了国内领先水平。
两台机组在达标投产考核期内分别实现连续运行129天和163良好业绩。
2010年3月××电厂荣获华能集团公司“2009年度基本建设管理创新奖”。
截止2010年4月30日,××电厂两台机组共发电76.95亿千瓦时,售电收入29.1亿元,纳税2.1亿元,创造了良好的经济和社会效益,为广东粤东地区经济的高速发展做出了积极的贡献。
施工现场临时用电定期检(复)查表
号:001
续表
说明:定期检查执行周期最长可为:施工现场每星期一次,施工企业每月一次
施工现场临时用电定期检(复)查表
号:002
续表
说明:定期检查执行周期最长可为:施工现场每星期一次,施工企业每月一次
施工现场临时用电定期检(复)查表
号:003
续表
说明:定期检查执行周期最长可为:施工现场每星期一次,施工企业每月一次
施工现场临时用电定期检(复)查表
号:004
续表
说明:定期检查执行周期最长可为:施工现场每星期一次,施工
企业每月一次。
施工现场临时用电定期检(复)查表号:005
续表
说明:定期检查执行周期最长可为:施工现场每星期一次,施工企业每月一次。
施工现场临时用电定期检(复)查表
号:006
续表
说明:定期检查执行周期最长可为:施工现场每星期一次,施工企业每月一次。
施工现场临时用电定期检(复)查表
号:007
续表
说明:定期检查执行周期最长可为:施工现场每星期一次,施工企业每月一次。
施工现场临时用电定期检(复)查表
号:008
续表
说明:定期检查执行周期最长可为:施工现场每星期一次,施工
企业每月一次。
施工现场临时用电定期检(复)查表号:009
续表
欧阳体创编2021.02.03 欧阳美创编2021.02.03
说明:定期检查执行周期最长可为:施工现场每星期一次,施工企业每月一次。
欧阳体创编2021.02.03 欧阳美创编2021.02.03。