IP防护等级说明(按照EN60529IEC529)
- 格式:doc
- 大小:78.50 KB
- 文档页数:3
IP防护等级介绍以及检测方法IP防护等级介绍IP防护等级说明(按照EN60529/IEC529)防护等级IP54,IP为标记字母,数字5为第一标记数字,4为第二标记数字第一标记数字表示接触保护和外来物保护等级,第二标记数字表示防水保护等级;接触保护和外来物保护等级(第一个数字) 防水保护等级( 第二个数字)第一个数字防护范围第二个数字防护范围名称说明名称说明0 无防护- 0无防护-1 防护50mm直径和更大的固体外来体探测器,球体直径为50mm,不应完全进入1 水滴防护垂直落下的水滴不应引起损害2 防护直径和更大的固体外来体探测器,球体直径为,不应完全进入2 柜体倾斜15度时,防护水滴柜体向任何一侧倾斜15度角时,垂直落下的水滴不应引起损害3 防护直径和更大的固体外来体探测器,球体直径为,不应完全进入3 防护溅出的水以60度角从垂直线两侧溅出的水不应引起损害4 防护直径和更大的固体外来体探测器,球体直径为,不应完全进入4 防护喷水从每个方向对准柜体的喷水都不应引起损害5 防护灰尘不可能完全阻止灰尘进入,但灰尘进入的数量不会对设备造成伤害5 防护射水从每个方向对准柜体的射水都不应引起损害6 灰尘封闭柜体内在20毫巴的低压时不应进入灰尘6 防护强射水从每个方向对准柜体的强射水都不应引起损害注:探测器的直径不应穿过柜体的孔7 防护短时浸水柜体在标准压力下短时浸入水中时,不应有能引起损害的水量浸入8 防护长期浸水可以在特定的条件下浸入水中,不应有能引起损害的水量浸技术文摘- 防水试验1、范围防水试验包括第二位特征数字为1至8,即防护等级代码为IPX1至IPX8。
2、各种等级的防水试验内容(1)IPX1方法名称:垂直滴水试验试验设备:滴水试验装置及其试验方法见试样放置:按试样正常工作位置摆放在以1r/min的旋转样品台上,样品顶部至滴水口的距离不大于200mm 试验条件:滴水量为1 mm/min;试验持续时间:10 min;(2)IPX2方法名称:倾斜15°滴水试验试验设备:滴水试验装置及其试验方法见试样放置:使试样的一个面与垂线成15°角,样品顶部至滴水口的距离不大于200mm。
有关IP防护等级知识点小结IP等级含义IP分类体系通过一个数字来表明外壳对抵抗冲击和粉尘及水侵入的保护。
请注意不要理解为防腐。
按照IEC60529对防护级别的划分,其含义如下:IP防护等级将电器依其防尘防湿气之特性加以分级。
这里所指的外物含工具,人的手指等均不可接触到电器内之带电部分,以免触电。
IP防护等级是由两个数字所组成,第1个数字表示电器离尘、防止外物侵入的等级,第2个数字表示电器防湿气、防水侵入的密闭程度,数字越大表示其防护等级越高。
通常用于通信产品的防护等级是IP 57(防尘和短时浸入水中时不会受影响)、IP 65(防尘和防溅水)和IP 67(防尘和短时浸入水中时不会受影响)。
采用IP 65还是采用IP 67由实际应用以及不同的测试标准来决定。
IP 67并不总是比IP 65好。
满足IP 67标准的元件也不一定满足IP 65标准。
IP(INTERNATIONAL PROTECTION)防护等级和防水试验标准是由IEC(INTERNATIONALELECTROTECHNICAL COMMISSION)所起草国际防护和防水试验标准。
国际电工委员会标准IEC 529 – 598国标GB 700-86目前能进行IP等级试验的实验室有环境可靠性与电磁兼容试验服务中心,航天环境可靠性试验与检测中心等。
IP防护等级说明(按照EN60529/IEC529)防护等级IP54,IP为标记字母,数字5为第一标记数字,4为第二标记数字第一标记数字表示接触保护和外来物保护等级,第二标记数字表示防水保护等级;接触保护和外来物保护等级(第一个数字) 防水保护等级( 第二个数字)第一个数字尘防护范围0- 无防护1- 防护50mm直径和更大的固体外来体探测器,球体直径为50mm,不应完全进入2- 防护12.5mm直径和更大的固体外来体探测器,球体直径为12.5mm,不应完全进入3- 防护2.5mm直径和更大的固体外来体探测器,球体直径为2.5mm,不应完全进入4- 防护1.0mm直径和更大的固体外来体探测器,球体直径为1.0mm,不应完全进入5- 防护灰尘不可能完全阻止灰尘进入,但灰尘进入的数量不会对设备造成伤害6- 灰尘封闭柜体内在20毫帕的低压时不应进入灰尘注:探测器的直径不应穿过柜体的孔第二个数字水防护范围0- 无防护1- 水滴防护垂直落下的水滴不应引起损害2- 柜体倾斜15度时,防护水滴柜体向任何一侧倾斜15度角时,垂直落下的水滴不应引起损害3- 防护溅出的水以60度角从垂直线两侧溅出的水不应引起损害4- 防护喷水从每个方向对准柜体的喷水都不应引起损害5- 防护射水从每个方向对准柜体的射水都不应引起损害6- 防护强射水从每个方向对准柜体的强射水都不应引起损害7- 防护短时浸水柜体在标准压力下短时浸入水中时,不应有能引起损害的水量浸入8- 防护长期浸水可以在特定的条件下浸入水中,不应有能引起损害的水量浸技术文摘- 防水试验1、范围防水试验包括第二位特征数字为1至8,即防护等级代码为IPX1至IPX8。
国际工业标准防水等级IPX的分级标准国际工业防水等级标准IPX和日本工业防水标准的JIS等级是一致的,共分为0-8的9级:0级无保护1级可以消除垂直落下水滴的有害影响2级对与垂直方向在15度以内落下的水滴有防护作用3级可以消除与垂直方向在60度的喷雾状水滴的有害影响4级可以消除从不同方向飞溅水滴的有害影响5级可以消除对各方向喷嘴喷射水流的有害影响6级可以消除对各方向喷嘴强力喷射水流的有害影响7级顶部距离水面0.15—1米,连续30分钟,性能不受影响,不漏水8级顶部距离水面2—30米,连续30分钟,性能不受影响,不漏水IPX防水等级电子测量仪器的防水等级反映了仪器防潮和防尘的能力,特别是对于户外活动中,免不了处于高湿或多尘沙的恶劣环境中,仪器的密封和防水能力对于保证仪器的安全运转和寿命就至关重要。
为此,国际上制订IEC 529标准。
为了与此相适应,日本工业标准中将电子仪器的防水保护分为1 0个等级,分别以IPX1、IPX2……表示。
保护等级种类含义0 无保护1 防滴I型垂直落下的水滴无有害的影响2 防滴II型与垂直方向成15“范围内落下的水滴无有害的影响3 防雨型与垂直方向成60度范围内降雨无有害的影响4 防溅型受任意方向的水飞溅无有害的影响5 防喷射型任意方向直接受到水的喷射无有害的影响6 耐水型任意方向直接受到水的喷射也不会入内部7 防浸型在规定的条件下即使浸在水中也不会进入内部8 水中型长时间浸没在一定压力的水中照样能使用9 防湿型在相对湿度大90%以下的湿气一样能使用IPxx 防水等级国际工业标准防水登记IP和日本工业标准的JIS防水等级是接近的,分0-8的9级,IP等级同样对防尘做了规定。
[编辑本段]IPxx 防尘防水等级防尘等级(第一个X表示)0 :没有保护1 :防止大的固体侵入2 :防止中等大小的固体侵入3 :防止小固体进入侵入4 :防止物体大于1mm 的固体进入5 :防止有害的粉尘堆积6 :完全防止粉尘进入[编辑本段]防水等级(第二个X表示)0 :没有保护1 :水滴滴入到外壳无影响2 :当外壳倾斜到15 度时,水滴滴入到外壳无影响3 :水或雨水从60 度角落到外壳上无影响4 :液体由任何方向泼到外壳没有伤害影响5 :用水冲洗无任何伤害6 :可用于船舱内的环境7 :可于短时间内耐浸水(1m )8 :于一定压力下长时间浸水[编辑本段]测试方法例:有秤或显示仪表标示为IP65,表示产品可以完全防止粉尘进入及可用水冲洗无任何伤害。
变频器的IP防护等级IP防护等级介绍IP防护等级说明(按照EN60529/IEC529)防护等级IP54,IP为标记字母,数字5为第一标记数字,4为第二标记数字第一标记数字表示接触保护和外来物保护等级,第二标记数字表示防水保护等级;接触保护和外来物保护等级(第一个数字) 防水保护等级( 第二个数字) 第一个数字防护范围第二个数字防护范围名称说明名称说明0 无防护- 0 无防护1 防护50mm直径和更大的固体外来体探测器,球体直径为50mm,不应完全进入1 水滴防护垂直落下的水滴不应引起损害2 防护12.5mm直径和更大的固体外来体探测器,球体直径为12.5mm,不应完全进入2 柜体倾斜15度时,防护水滴柜体向任何一侧倾斜15度角时,垂直落下的水滴不应引起损害3 防护2.5mm直径和更大的固体外来体探测器,球体直径为2.5mm,不应完全进入3 防护溅出的水以60度角从垂直线两侧溅出的水不应引起损害4 防护1.0mm直径和更大的固体外来体探测器,球体直径为1.0mm,不应完全进入4 防护喷水从每个方向对准柜体的喷水都不应引起损害5 防护灰尘不可能完全阻止灰尘进入,但灰尘进入的数量不会对设备造成伤害5 防护射水从每个方向对准柜体的射水都不应引起损害6 灰尘封闭柜体内在20毫巴的低压时不应进入灰尘6 防护强射水从每个方向对准柜体的强射水都不应引起损害注:探测器的直径不应穿过柜体的孔7 防护短时浸水柜体在标准压力下短时浸入水中时,不应有能引起损害的水量浸入8 防护长期浸水可以在特定的条件下浸入水中,不应有能引起损害的水量浸技术文摘–防水试验1、范围防水试验包括第二位特征数字为1至8,即防护等级代码为IPX1至IPX8。
2、各种等级的防水试验内容(1)IPX1 方法名称:垂直滴水试验试验设备:滴水试验装置及其试验方法见2.11 试样放置:按试样正常工作位置摆放在以1r/min的旋转样品台上,样品顶部至滴水口的距离不大于200mm 试验条件:滴水量为1 0.5 mm/min;试验持续时间:10 min;(2)IPX2 方法名称:倾斜15°滴水试验试验设备:滴水试验装置及其试验方法见2.11 试样放置:使试样的一个面与垂线成15°角,样品顶部至滴水口的距离不大于200mm。
IP防护等级介绍以及检测方法IP防护等级介绍IP防护等级说明(按照EN60529/IEC529)防护等级IP54, IP为标记字母,数字5为第一标记数字,4为第二标记数字第一标记数字表示接触保护和外来物保护等级,第二标记数字表示防水保护等级;接触保护和外来物保护等级(第一个数字) 防水保护等级( 第二个数字)第一个数字防护范围第二个数字防护范围名称说明名称说明0 无防护 - 0无防护 -1 防护50mm直径和更大的固体外来体探测器,球体直径为50mm,不应完全进入 1 水滴防护垂直落下的水滴不应引起损害2 防护12.5mm直径和更大的固体外来体探测器,球体直径为12.5mm,不应完全进入 2 柜体倾斜15度时,防护水滴柜体向任何一侧倾斜15度角时,垂直落下的水滴不应引起损害3 防护2.5mm直径和更大的固体外来体探测器,球体直径为2.5mm,不应完全进入 3 防护溅出的水以60度角从垂直线两侧溅出的水不应引起损害4 防护1.0mm直径和更大的固体外来体探测器,球体直径为1.0mm,不应完全进入 4 防护喷水从每个方向对准柜体的喷水都不应引起损害5 防护灰尘不可能完全阻止灰尘进入,但灰尘进入的数量不会对设备造成伤害 5 防护射水从每个方向对准柜体的射水都不应引起损害6 灰尘封闭柜体内在20毫巴的低压时不应进入灰尘 6 防护强射水从每个方向对准柜体的强射水都不应引起损害注:探测器的直径不应穿过柜体的孔 7 防护短时浸水柜体在标准压力下短时浸入水中时,不应有能引起损害的水量浸入8 防护长期浸水可以在特定的条件下浸入水中,不应有能引起损害的水量浸技术文摘 - 防水试验1、范围防水试验包括第二位特征数字为1至8,即防护等级代码为IPX1至IPX8。
2、各种等级的防水试验内容(1)IPX1方法名称:垂直滴水试验试验设备:滴水试验装置及其试验方法见2.11试样放置:按试样正常工作位置摆放在以1r/min的旋转样品台上,样品顶部至滴水口的距离不大于200mm 试验条件:滴水量为1 0.5 mm/min;试验持续时间:10 min;(2)IPX2方法名称:倾斜15°滴水试验试验设备:滴水试验装置及其试验方法见2.11试样放置:使试样的一个面与垂线成15°角,样品顶部至滴水口的距离不大于200mm。
IP防护等级说明(按照EN60529/IEC529)防护等级IP54, IP为标记字母,数字5为第一标记数字,4为第二标记数字第一标记数字表示接触保护和外来物保护等级,第二标记数字表示防水保护等级;技术文摘 - 防水试验1、范围防水试验包括第二位特征数字为1至8,即防护等级代码为IPX1至IPX8。
2、各种等级的防水试验内容(1)IPX1方法名称:垂直滴水试验试验设备:滴水试验装置及其试验方法见2.11试样放置:按试样正常工作位置摆放在以1r/min的旋转样品台上,样品顶部至滴水口的距离不大于200mm试验条件:滴水量为1 0.5 mm/min;试验持续时间:10 min;(2)IPX2方法名称:倾斜15°滴水试验试验设备:滴水试验装置及其试验方法见2.11试样放置:使试样的一个面与垂线成15°角,样品顶部至滴水口的距离不大于200mm。
每试完一个面后,换另一个.....面,共四次。
试验条件:滴水量为3 0.5 mm/min;试验持续时间:4×2.5 min(共10 min);(3)IPX3方法名称:淋水试验试验方法:a.摆管式淋水试验试验设备:摆管式淋水溅水试验装置(装置图形及其试验方法见本书2.14)试样放置:选择适当半径的摆管,使样品台面高度处于摆管直径位置上,将试样放在样台上,使其顶部到样品喷水口的距离不大于200mm,样品台不旋转。
试验条件:水流量按摆管的喷水孔数计算,每孔为 0.07 L/min。
淋水时,摆管中点两边各60°弧段内的喷水孔的喷水喷向样品。
被试样品放在摆管半圆中心。
摆管沿垂线两边各摆动60°,共120°。
每次摆动(2×120°)约4s 。
试验时间:连续淋水10 min 。
b.喷头式淋水试验试验设备:手持式淋水溅水试验装置,装置图形及其试验方法见本书2.14试样放置:使试验顶部到手持喷头喷水口的平行距离在300mm至500mm之间试验条件:试验时应安装带平衡重物的挡板,水流量为10 L/min试验时间:按被检样品外壳表面积计算,每平方米为1 min (不包括安装面积),最少5 min 。
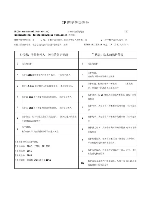
IP防护等级划分IP(International Protection) 防护等级系统是由IEC (International Electrotechnical Commission )所起草,由两个数字所组成,第 1 (X )个数字表示离尘、防止外物侵入的等级,第 2 (Y)个数字表示防湿气、防水侵入的密闭程度,数字字越大表示其防护等级越高,按照EN60529/IEC529 规定,IP (X Y)具体如下:IP 防护等级IP ( INGRESS PROTECTION )防护等级系统是由 IEC (INTERNATIONAL ELECTROTECHNICAL COMMISSION )所起草。
将电器依其防尘防湿气之特性加以分级。
这里所指的外物含工具, 人的手指等均不可接触到电器内之带电部分,以免触电。
IP 防护等级是由两个数字所组成,第 1 个数字表示灯具离尘、防止外物侵入的等级,第 2 个数字表示灯具防湿气、防水侵入的密闭程度, 数字越大表示其防护等级越高,两个标示数字所表示的防护等级如表一及表二所示:表一:第一个标示特性号码(数字)所指的防护程度0 没有防护 对外界的人或物无特殊防护。
1 防止大于 50mm 的固体物体侵入 防止人体(如手掌)因意外而接触到灯具内部的零件。
防 止较大尺寸(直径大于 50mm )的外物侵入。
2 防止大于 12mm 的固体物体侵入 防止人的手指接触到灯具内部的零件防止中等尺寸 (直径 大 12mm )的外物侵入。
防止直径或厚度大于 2.5mm 的工具、电线 或类似的细 节小外物侵入而接触到灯具内部的零件。
4 防止大于 1.0mm 的固体物体侵入 小外物侵入而接触到灯具内部的零件。
5 防尘 完全防止外物侵入,虽不能完全防止灰尘进入,但侵入的灰尘量并不会影响灯具的正 常工作。
6 防尘 完全防止外物侵入,且可完全防止灰尘进入。
表二:第二个标示特性号码(数字)所指的防护程度 0 没有防护 没有防护。
I P防护等级划分IP(International Protection)防护等级系统是由IEC(International Electrotechnical Commission)所起草,由两个数字所组成,第1(X)个数字表示离尘、防止外物侵入的等级,第2(Y)个数字表示防湿气、防IP防护等级IP(INGRESS PROTECTION)防护等级系统是由IEC(INTERNATIONAL ELECTROTECH NICAL COMMISSION)所起草。
将电器依其防尘防湿气之特性加以分级。
这里所指的外物含工具,人的手指等均不可接触到电器内之带电部分,以免触电。
IP防护等级是由两个数字所组成,第1个数字表示灯具离尘、防止外物侵入的等级,第2个数字表示灯具防湿气、防水侵入的密闭程度,数字越大表示其防护等级越高,两个标示数字所表示的防护等级如表一及表二所示:表一:第一个标示特性号码(数字)所指的防护程度0 没有防护对外界的人或物无特殊防护。
1 防止大于50mm的固体物体侵入防止人体(如手掌)因意外而接触到灯具内部的零件。
防止较大尺寸(直径大于50mm)的外物侵入。
2 防止大于12mm的固体物体侵入防止人的手指接触到灯具内部的零件防止中等尺寸(直径大12mm)的外物侵入。
3 防止大于2.5mm的固体物体侵入防止直径或厚度大于2.5mm的工具、电线或类似的细节小外物侵入而接触到灯具内部的零件。
4 防止大于1.0mm 的固体物体侵入防止直径或厚度大于1.0mm的工具、电线或类似的细节小外物侵入而接触到灯具内部的零件。
5 防尘完全防止外物侵入,虽不能完全防止灰尘进入,但侵入的灰尘量并不会影响灯具的正常工作。
6 防尘完全防止外物侵入,且可完全防止灰尘进入。
表二:第二个标示特性号码(数字)所指的防护程度0 没有防护没有防护。
1 防止滴水侵入垂直滴下的水滴(如凝结水)对灯具不会造成有害影响。
2 倾斜15度时仍可防止滴水侵入当灯具由垂直倾斜至15度时,滴水对灯具不会造成有害影响。
国际工业标准防水等级IPX的分级标准国际工业防水等级标准IPX和日本工业防水标准的JIS等级是一致的,共分为0-8的9级:0级无保护1级可以消除垂直落下水滴的有害影响2级对与垂直方向在15度以内落下的水滴有防护作用3级可以消除与垂直方向在60度的喷雾状水滴的有害影响4级可以消除从不同方向飞溅水滴的有害影响5级可以消除对各方向喷嘴喷射水流的有害影响6级可以消除对各方向喷嘴强力喷射水流的有害影响7级顶部距离水面0.15—1米,连续30分钟,性能不受影响,不漏水8级顶部距离水面2—30米,连续30分钟,性能不受影响,不漏水IPX防水等级电子测量仪器的防水等级反映了仪器防潮和防尘的能力,特别是对于户外活动中,免不了处于高湿或多尘沙的恶劣环境中,仪器的密封和防水能力对于保证仪器的安全运转和寿命就至关重要。
为此,国际上制订IEC 529标准。
为了与此相适应,日本工业标准中将电子仪器的防水保护分为1 0个等级,分别以IPX1、IPX2……表示。
保护等级种类含义0 无保护1 防滴I型垂直落下的水滴无有害的影响2 防滴II型与垂直方向成15“X围内落下的水滴无有害的影响3 防雨型与垂直方向成60度X围内降雨无有害的影响4 防溅型受任意方向的水飞溅无有害的影响5 防喷射型任意方向直接受到水的喷射无有害的影响6 耐水型任意方向直接受到水的喷射也不会入内部7 防浸型在规定的条件下即使浸在水中也不会进入内部8 水中型长时间浸没在一定压力的水中照样能使用9 防湿型在相对湿度大90%以下的湿气一样能使用IPxx 防水等级国际工业标准防水登记IP和日本工业标准的JIS防水等级是接近的,分0-8的9级,IP等级同样对防尘做了规定。
[编辑本段]IPxx 防尘防水等级防尘等级(第一个X表示)0 :没有保护1 :防止大的固体侵入2 :防止中等大小的固体侵入3 :防止小固体进入侵入4 :防止物体大于1mm 的固体进入5 :防止有害的粉尘堆积6 :完全防止粉尘进入[编辑本段]防水等级(第二个X表示)0 :没有保护1 :水滴滴入到外壳无影响2 :当外壳倾斜到15 度时,水滴滴入到外壳无影响3 :水或雨水从60 度角落到外壳上无影响4 :液体由任何方向泼到外壳没有伤害影响5 :用水冲洗无任何伤害6 :可用于船舱内的环境7 :可于短时间内耐浸水(1m )8 :于一定压力下长时间浸水[编辑本段]测试方法例:有秤或显示仪表标示为IP65,表示产品可以完全防止粉尘进入及可用水冲洗无任何伤害。
国际工业标准防水等级IPX的分级标准国际工业防水等级标准IPX和日本工业防水标准的JIS等级是一致的,共分为0-8的9级:0级无保护1级可以消除垂直落下水滴的有害影响2级对与垂直方向在15度以内落下的水滴有防护作用3级可以消除与垂直方向在60度的喷雾状水滴的有害影响4级可以消除从不同方向飞溅水滴的有害影响5级可以消除对各方向喷嘴喷射水流的有害影响6级可以消除对各方向喷嘴强力喷射水流的有害影响7级顶部距离水面0.15—1米,连续30分钟,性能不受影响,不漏水8级顶部距离水面2—30米,连续30分钟,性能不受影响,不漏水IPX防水等级电子测量仪器的防水等级反映了仪器防潮和防尘的能力,特别是对于户外活动中,免不了处于高湿或多尘沙的恶劣环境中,仪器的密封和防水能力对于保证仪器的安全运转和寿命就至关重要。
为此,国际上制订IEC 529标准。
为了与此相适应,日本工业标准中将电子仪器的防水保护分为1 0个等级,分别以IPX1、IPX2……表示。
保护等级种类含义0 无保护1 防滴I型垂直落下的水滴无有害的影响2 防滴II型与垂直方向成15“X围内落下的水滴无有害的影响3 防雨型与垂直方向成60度X围内降雨无有害的影响4 防溅型受任意方向的水飞溅无有害的影响5 防喷射型任意方向直接受到水的喷射无有害的影响6 耐水型任意方向直接受到水的喷射也不会入内部7 防浸型在规定的条件下即使浸在水中也不会进入内部8 水中型长时间浸没在一定压力的水中照样能使用9 防湿型在相对湿度大90%以下的湿气一样能使用IPxx 防水等级国际工业标准防水登记IP和日本工业标准的JIS防水等级是接近的,分0-8的9级,IP等级同样对防尘做了规定。
[编辑本段]IPxx 防尘防水等级防尘等级(第一个X表示)0 :没有保护1 :防止大的固体侵入2 :防止中等大小的固体侵入3 :防止小固体进入侵入4 :防止物体大于1mm 的固体进入5 :防止有害的粉尘堆积6 :完全防止粉尘进入[编辑本段]防水等级(第二个X表示)0 :没有保护1 :水滴滴入到外壳无影响2 :当外壳倾斜到15 度时,水滴滴入到外壳无影响3 :水或雨水从60 度角落到外壳上无影响4 :液体由任何方向泼到外壳没有伤害影响5 :用水冲洗无任何伤害6 :可用于船舱内的环境7 :可于短时间内耐浸水(1m )8 :于一定压力下长时间浸水[编辑本段]测试方法例:有秤或显示仪表标示为IP65,表示产品可以完全防止粉尘进入及可用水冲洗无任何伤害。
IP防护等级说明(按照EN60529/IEC529)防护等级IP54, IP为标记字母,数字5为第一标记数字,4为第二标记数字第一标记数字表示接触保护和外来物保护等级,第二标记数字表示防水保护等级;技术文摘 - 防水试验1、范围防水试验包括第二位特征数字为1至8,即防护等级代码为IPX1至IPX8。
2、各种等级的防水试验内容(1)IPX1方法名称:垂直滴水试验试验设备:滴水试验装置及其试验方法见2.11试样放置:按试样正常工作位置摆放在以1r/min的旋转样品台上,样品顶部至滴水口的距离不大于200mm试验条件:滴水量为1 0.5 mm/min;试验持续时间:10 min;(2)IPX2方法名称:倾斜15°滴水试验试验设备:滴水试验装置及其试验方法见2.11试样放置:使试样的一个面与垂线成15°角,样品顶部至滴水口的距离不大于200mm。
每试完一个面后,换另一个.....面,共四次。
试验条件:滴水量为3 0.5 mm/min;试验持续时间:4×2.5 min(共10 min);(3)IPX3方法名称:淋水试验试验方法:a.摆管式淋水试验试验设备:摆管式淋水溅水试验装置(装置图形及其试验方法见本书2.14)试样放置:选择适当半径的摆管,使样品台面高度处于摆管直径位置上,将试样放在样台上,使其顶部到样品喷水口的距离不大于200mm,样品台不旋转。
试验条件:水流量按摆管的喷水孔数计算,每孔为 0.07 L/min。
淋水时,摆管中点两边各60°弧段内的喷水孔的喷水喷向样品。
被试样品放在摆管半圆中心。
摆管沿垂线两边各摆动60°,共120°。
每次摆动(2×120°)约4s 。
试验时间:连续淋水10 min 。
b.喷头式淋水试验试验设备:手持式淋水溅水试验装置,装置图形及其试验方法见本书2.14试样放置:使试验顶部到手持喷头喷水口的平行距离在300mm至500mm之间试验条件:试验时应安装带平衡重物的挡板,水流量为10 L/min试验时间:按被检样品外壳表面积计算,每平方米为1 min (不包括安装面积),最少5 min 。
国际工业标准防水等级IPX的分级标准国际工业防水等级标准IPX和日本工业防水标准的JIS等级是一致的,共分为0-8的9级:0级无保护1级可以消除垂直落下水滴的有害影响2级对与垂直方向在15度以内落下的水滴有防护作用3级可以消除与垂直方向在60度的喷雾状水滴的有害影响4级可以消除从不同方向飞溅水滴的有害影响5级可以消除对各方向喷嘴喷射水流的有害影响6级可以消除对各方向喷嘴强力喷射水流的有害影响7级顶部距离水面0.15—1米,连续30分钟,性能不受影响,不漏水8级顶部距离水面2—30米,连续30分钟,性能不受影响,不漏水IPX防水等级电子测量仪器的防水等级反映了仪器防潮和防尘的能力,特别是对于户外活动中,免不了处于高湿或多尘沙的恶劣环境中,仪器的密封和防水能力对于保证仪器的安全运转和寿命就至关重要。
为此,国际上制订IEC 529标准。
为了与此相适应,日本工业标准中将电子仪器的防水保护分为1 0个等级,分别以IPX1、IPX2……表示。
保护等级种类含义0 无保护1 防滴I型垂直落下的水滴无有害的影响2 防滴II型与垂直方向成15“范围内落下的水滴无有害的影响3 防雨型与垂直方向成60度范围内降雨无有害的影响4 防溅型受任意方向的水飞溅无有害的影响5 防喷射型任意方向直接受到水的喷射无有害的影响6 耐水型任意方向直接受到水的喷射也不会入内部7 防浸型在规定的条件下即使浸在水中也不会进入内部8 水中型长时间浸没在一定压力的水中照样能使用9 防湿型在相对湿度大90%以下的湿气一样能使用IPxx 防水等级国际工业标准防水登记IP和日本工业标准的JIS防水等级是接近的,分0-8的9级,IP等级同样对防尘做了规定。
[编辑本段]IPxx 防尘防水等级防尘等级(第一个X表示)0 :没有保护1 :防止大的固体侵入2 :防止中等大小的固体侵入3 :防止小固体进入侵入4 :防止物体大于1mm 的固体进入5 :防止有害的粉尘堆积6 :完全防止粉尘进入[编辑本段]防水等级(第二个X表示)0 :没有保护1 :水滴滴入到外壳无影响2 :当外壳倾斜到15 度时,水滴滴入到外壳无影响3 :水或雨水从60 度角落到外壳上无影响4 :液体由任何方向泼到外壳没有伤害影响5 :用水冲洗无任何伤害6 :可用于船舱内的环境7 :可于短时间内耐浸水(1m )8 :于一定压力下长时间浸水[编辑本段]测试方法例:有秤或显示仪表标示为IP65,表示产品可以完全防止粉尘进入及可用水冲洗无任何伤害。
接触保护外部物体防护水的防护IP00 没有特殊保护IP20 手指保护固体防护大于12MM直径没有特殊保护IP41 工具防护等固体防护大于1MM直径水滴不受损害IP43 工具防护等固体防护大于1MM直径水喷洒不受损害IP54 全接触保护防内部灰尘堆积损害水喷射不受损害IP55 全接触保护防内部灰尘堆积损害不受水束损害IP65 全接触保护防尘(对灰尘密封) 不受水束损害IP67 全接触保护防尘(对灰尘密封) 在水中渗入部分不受损害IP防护等级说明(按照EN60529/IEC529)防护等级IP54, IP为标记字母,数字5为第一标记数字,4为第二标记数字第一标记数字表示接触保护和外来物保护等级,第二标记数字表示防水保护等级;技术文摘 - 防水试验1、范围防水试验包括第二位特征数字为1至8,即防护等级代码为IPX1至IPX8。
2、各种等级的防水试验内容(1)IPX1方法名称:垂直滴水试验试验设备:滴水试验装置及其试验方法见2.11试样放置:按试样正常工作位置摆放在以1r/min的旋转样品台上,样品顶部至滴水口的距离不大于200mm试验条件:滴水量为1 0.5 mm/min;试验持续时间:10 min;(2)IPX2方法名称:倾斜15°滴水试验试验设备:滴水试验装置及其试验方法见2.11试样放置:使试样的一个面与垂线成15°角,样品顶部至滴水口的距离不大于200mm。
每试完一个面后,换另一个.....面,共四次。
试验条件:滴水量为3 0.5 mm/min;试验持续时间:4×2.5 min(共10 min);(3)IPX3方法名称:淋水试验试验方法:a.摆管式淋水试验试验设备:摆管式淋水溅水试验装置(装置图形及其试验方法见本书2.14)试样放置:选择适当半径的摆管,使样品台面高度处于摆管直径位置上,将试样放在样台上,使其顶部到样品喷水口的距离不大于200mm,样品台不旋转。
试验条件:水流量按摆管的喷水孔数计算,每孔为 0.07 L/min。
接触保护外部物体防护水的防护
IP00 没有特殊保护
IP20 手指保护固体防护大于12MM直径没有特殊保护
IP41 工具防护等固体防护大于1MM直径水滴不受损害
IP43 工具防护等固体防护大于1MM直径水喷洒不受损害
IP54 全接触保护防内部灰尘堆积损害水喷射不受损害
IP55 全接触保护防内部灰尘堆积损害不受水束损害
IP65 全接触保护防尘(对灰尘密封) 不受水束损害
IP67 全接触保护防尘(对灰尘密封) 在水中渗入部分不受损害
IP防护等级说明(按照EN60529/IEC529)
防护等级IP54, IP为标记字母,数字5为第一标记数字,4为第二标记数字第一标记数字表示接触保护和外来物保护等级,第二标记数字表示防水保护等级;
技术文摘 - 防水试验
1、范围
防水试验包括第二位特征数字为1至8,即防护等级代码为IPX1至IPX8。
2、各种等级的防水试验内容
(1)IPX1
方法名称:垂直滴水试验
试验设备:滴水试验装置及其试验方法见2.11
试样放置:按试样正常工作位置摆放在以1r/min的旋转样品台上,样品顶部至滴水口的距离不大于200mm
试验条件:滴水量为1 0.5 mm/min;
试验持续时间:10 min;
(2)IPX2
方法名称:倾斜15°滴水试验
试验设备:滴水试验装置及其试验方法见2.11
试样放置:使试样的一个面与垂线成15°角,样品顶部至滴水口的距离不大于200mm。
每试完一个面后,换另一个.....面,共四次。
试验条件:滴水量为3 0.5 mm/min;
试验持续时间:4×2.5 min(共10 min);
(3)IPX3
方法名称:淋水试验
试验方法:
a.摆管式淋水试验
试验设备:摆管式淋水溅水试验装置(装置图形及其试验方法见本书2.14)
试样放置:选择适当半径的摆管,使样品台面高度处于摆管直径位置上,将试样放在样台上,使其顶部到样品喷水口的距离不大于200mm,样品台不旋转。
试验条件:水流量按摆管的喷水孔数计算,每孔为 0.07 L/min。
淋水时,摆管中点两边各60°弧段内的喷水孔的喷水喷向样品。
被试样品放在摆管半圆中心。
摆管沿垂线两边各摆动60°,共120°。
每次摆动(2×120°)约4s 。
试验时间:连续淋水10 min 。
b.喷头式淋水试验
试验设备:手持式淋水溅水试验装置,装置图形及其试验方法见本书2.14
试样放置:使试验顶部到手持喷头喷水口的平行距离在300mm至500mm之间
试验条件:试验时应安装带平衡重物的挡板,水流量为10 L/min
试验时间:按被检样品外壳表面积计算,每平方米为1 min (不包括安装面积),最少5 min 。
(4)IPX4
方法名称:溅水试验;
试验方法:
a.摆管式溅水试验
试验设备和试样放置:与上述第(3)条 IPX3 之a 款均相同;
试验条件: 除下述条件外,与上述第(3)条 IPX3 之a 款均相同;
喷水面积为摆管中点两边各90°弧段内喷水孔的喷水喷向样品。
被试样品放在摆管半圆中心。
摆管沿垂两边各摆动180°,共约360°。
每次摆动(2×360°) 约12s 。
试验时间:与上述第(3)条 IPX3 之a 款均相同 (即10 min )。
b.喷头式溅水试验
试验设备和试样放置:设备上安装带平衡重物的挡板应拆去,其余与上述第(3)条 IPX3 之b 款均相同;
试验条件:除下述条件外,与上述第(3)条 IPX3 之b款均相同;
试验时间:与上述第(3)条 IPX3 之b款均相同,即按被检样品外壳表面积计算,每平方米为1min(不包括安装面积)最少5min 。
(5)IPX5
方法名称:喷水试验
试验设备:喷嘴的喷水口内径为6.3mm;装置图形及其试验方法见本书2.14
试验条件:使试验样品至喷水口相距为2.5~3m,水流量为12.5 L/min (750 L/h);
试验时间:按被检样品外壳表面积计算,每平方米为1min(不包括安装面积)最少3 min 。
(6)IPX6
方法名称:强烈喷水试验;
试验设备:喷嘴的喷水口内径为12.5 mm;装置图形及其试验方法见本书第2.14章;
试验条件:使试验样品至喷水口相距为2.5~3m,水流量为100 L/min (6000 L/h);
试验时间:按被检样品外壳表面积计算,每平方米为1min(不包括安装面积)最少3 min 。
(7)IPX7
方法名称:短时浸水试验;
试验设备和试验条件:浸水箱。
其尺寸应使试样放进浸水箱后,样品底部到水面的距离至少为 1m 。
试样顶部到水面距离至少为0.15 m 。
试验时间: 30 min 。
(8)IPX8
方法名称: 持续潜水试验;
试验设备,试验条件和试验时间: 由供需(买卖)双方商定.其严酷程度应比IPX7高。