临时围堰检验批质量验收记录
- 格式:doc
- 大小:81.50 KB
- 文档页数:1
检验批质量验收记录项目名称:XXXXX验收日期:XXXX年XX月XX日一、项目概述根据合同要求,在合同期限内,我方按照合同规定完成了XXXX项目的施工工作。
经过层层审核、检查和测试,现进行质量验收。
二、验收内容1.设备验收a.设备型号:XXXXXb.设备数量:XX台c.设备外观:外观完好,无明显破损d.设备功能:各项功能正常,测试无异常e.设备安全性:符合国家标准,无辐射等安全隐患2.工程验收a.工程结构:工程结构完整,未发现漏洞或裂缝,符合设计要求b.工程水平:工程水平符合要求,未出现明显的地面不平或倾斜c.工程材料:工程材料符合合同规定,未发现明显的质量问题三、验收结果根据以上的设备和工程验收,结合与合同要求的比对,本次项目的质量验收结果如下:1.设备验收合格率:100%2.工程验收合格率:100%四、存在的问题及处理措施经检查,以下是存在的问题及处理措施:1.设备故障:检测到1台设备存在故障,经过修复后,再次验收合格。
2.施工中不合规范行为:发现个别施工人员存在不按照施工规范操作的情况,责令进行整改并再次进行验收。
3.工程材料问题:发现个别材料不符合合同规定,责令更换材料并进行重新验收。
五、验收结论根据以上的问题及处理措施,本次项目的验收结论如下:1.设备验收合格率:100%2.工程验收合格率:99%经过处理,本次项目的质量达到了合同规定的要求,可以进行投入使用。
同时,我方将继续监督并进行后期的维护工作,保证项目的长期运转。
验收人员:XXXX日期:XXXX年XX月XX日。
水利工程施工检验批质量验收记录
一、项目简介
本次施工检验批质量验收记录是针对水利工程施工过程中的质量检验工作所做的记录。
通过对检验批的验收,确保施工质量符合相关标准和要求。
二、施工检验批信息
1. 项目名称:
[填写项目名称]
2. 地点:
[填写项目施工地点]
3. 施工单位:
[填写施工单位名称]
4. 检验批编号:
[填写检验批编号]
5. 检验批日期:
[填写检验批的检验日期]
三、质量验收内容
1. 施工过程记录
[描述施工过程中的相关记录,如材料使用情况、工艺操作、施工人员等]
2. 施工质量检验结果
[填写各项施工质量检验结果,包括合格项和不合格项]
3. 不合格项处理
[描述对于不合格项的处理方法和措施,如返工、更换材料等]
4. 质量验收结论
[说明本次质量验收的结论,如验收合格、验收不合格等]
四、签署
1. 施工单位负责人签字:
[施工单位负责人签字留白]
2. 检验人员签字:[检验人员签字留白]
3. 验收人员签字:[验收人员签字留白]
4. 日期:
[填写填表日期]。
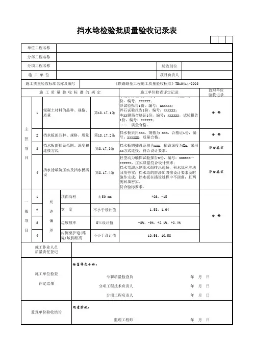
市政基础设施工程围堰检验批质量验收记录市政验·构-1第页共页工程名称单位工程名称施工单位分包单位项目负责人项目技术负责人分部(子分部)工程名称分项工程名称验收部位/区段检验批容量施工及验收依据《给水排水构筑物工程施工及验收规范》GB50141验收项目设计要求或规范规定最小/实际抽样数量检查记录检查结果主控项目1围堰结构形式和围堰高度、堰底宽度、堰顶宽度以及悬臂桩式围堰板桩入土深度符合设计要求;第4.7.1-1条2堰体稳固,变位、沉降在限定值内,无开裂、塌方、滑坡现象,背水面无线流。
第4.7.1-2条一般项目1所用钢板桩、木桩、填筑土石方、围堰用袋等材料符合设计要求和有关标准的规定;第4.7.1-3条2土、袋装土围堰的边坡应稳定、密实,堰内边坡平整、堰外边坡耐水流冲刷;双层桩填芯围堰的内外桩排列紧密一致,芯内填筑材料应分层压实;止水钢板桩垂直,相邻板桩锁口咬合紧密。
第4.7.1-4条3允许偏差围堰中心轴线位置(mm)504堰顶高程(mm)不低于设计要求5堰顶宽度(mm)6边坡(mm)不陡于设计要求7钢板桩、木桩轴线位置(mm)陆上:100水上:200 8钢板桩顶标高(mm)9钢板桩、木桩长度(mm)±10010钢板桩垂直度(mm) 1.0%H,且不大于100施工单位检查结果专业工长:(签名)项目专业质量检查员:(签名)年月日监理单位验收结论专业监理工程师:(签名)年月日注:H指钢板桩的总长度,mm。
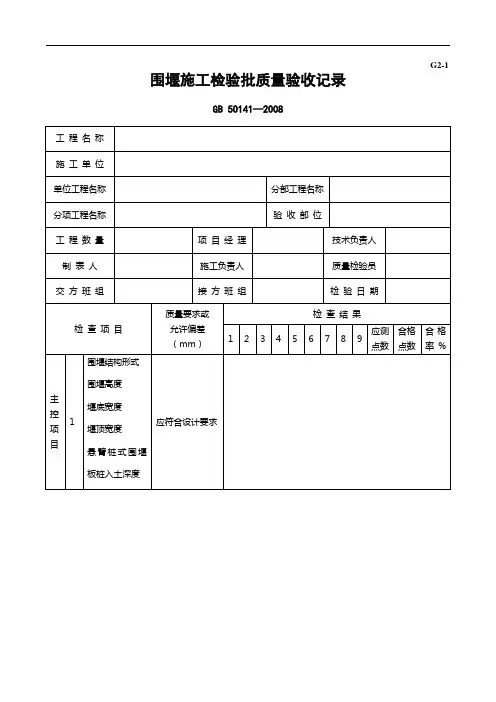
G2-1 围堰施工检验批质量验收记录
GB 50141—2008
先填写“检验批主控项目计数检验记录表”(G1-1-1),然后将计数检验结果填写在本表相应的检查结果栏内;检验批一般项目计数检验数据较多、本表空格不够填写的项,可填写“检验批一般项目计数检验记录表”(G1-1-2),将该表作为本表的附页。
围堰质量验收标准
(GB50141—2008)
4.7.1 围堰应符合下列规定:
主控项目
1 围堰结构形式和围堰高度、堰底宽度、堰顶宽度以及悬臂桩式围堰板桩入土深度符合设计要求;
检查方法:观察,检查施工记录、测量记录。
2 堰体稳固,变位、沉降在限定值内,无开裂、塌方、滑坡现象,背水面无线流;
检查方法:观察,检查施工记录、监测记录。
一般项目
3 所用钢板桩、木桩、填筑土石方、围堰用袋等材料符合设计要求和有关标准的规定;检查方法:观察;检查钢板桩、编织袋、石料等的出厂合格证;检查材料进场验收记录、土质鉴定报告。
4 土、袋装土围堰的边坡应稳定、密实,堰内边坡平整、堰外边坡耐水流冲刷;双层
桩填芯围堰的内外桩排列紧密一致,芯内填筑材料应分层压实;止水钢板桩垂直,相邻板桩锁口咬合紧密;
检查方法:观察;检查施工记录。
5 围堰施工允许偏差应符合表4.7.1的规定。
注:H指钢板桩的总长度,mm。
目录
钢围堰检验批质量验收记录表 (2)
钢筋(原材料及加工)检验批质量验收记录表(Ⅰ) (3)
钢筋(连接与安装)检验批质量验收记录表(Ⅱ) (4)
模板及支架检验批质量验收记录表 (5)
混凝土(原材料)检验批质量验收记录表(Ⅰ) (6)
混凝土(施工)检验批质量验收记录表(Ⅱ) (7)
混凝土(养护及检测)检验批质量验收记录表(Ⅲ) (8)
混凝土(结构外观和尺寸偏差)检验批质量验收记录表(Ⅳ) (9)
基坑回填检验批质量验收记录表 (10)
吉图珲铁路客运专线
钢围堰检验批质量验收记录表
吉图珲铁路客运专线
钢筋(原材料及加工)检验批质量验收记录表(Ⅰ)
吉图珲铁路客运专线
钢筋(连接与安装)检验批质量验收记录表(Ⅱ)
模板及支架检验批质量验收记录表
[承台] 03010502□□□□
混凝土(原材料)检验批质量验收记录表(Ⅰ)
[承台] 03010504□□□□
混凝土(施工)检验批质量验收记录表(Ⅱ)
[承台] 03010504□□□
混凝土(养护及检测)检验批质量验收记录表(Ⅲ)
[承台] 03010504□□□□
混凝土(结构外观和尺寸偏差)检验批质量验收记录表(Ⅳ)
[承台] 03010504□□□□
基坑回填检验批质量验收记录表
[承台] 03010504□□□□。
临时防护工程检验批质量验收记录
创建日期:XXXX年XX月XX日
验收日期:XXXX年XX月XX日
验收单位:XXXX公司
1.项目概述
本次临时防护工程为XXXX工程,包括XXXX的搭建和拆除工作。
本次验收共涉及XX个检验批,包括搭建防护网、设置警示标志、设置隔离栅栏等。
2.检验批质量验收情况
2.1搭建防护网
-执行标准:XXXXX
-验收标准:防护网的搭建是否牢固,是否满足防护要求
-验收结果:合格/不合格
-验收意见:(填写验收人员对搭建防护网的意见)
2.2设置警示标志
-执行标准:XXXXX
-验收标准:警示标志的设置是否明显,是否符合安全要求
-验收结果:合格/不合格
-验收意见:(填写验收人员对设置警示标志的意见)
2.3设置隔离栅栏
-执行标准:XXXXX
-验收标准:隔离栅栏是否符合规范,是否满足安全要求
-验收结果:合格/不合格
-验收意见:(填写验收人员对设置隔离栅栏的意见)
3.质量验收结论
经过对以上检验批的质量验收,结论如下:
3.1搭建防护网:(合格/不合格)
3.2设置警示标志:(合格/不合格)
3.3设置隔离栅栏:(合格/不合格)
备注:(填写对本次临时防护工程的其他补充说明,如存在问题和需要整改的地方等)
4.验收人员签字
验收单位:(填写验收单位名称)
验收人员:(填写验收人员姓名)签字:
日期:XXXX年XX月XX日
以上是本次临时防护工程检验批质量验收记录,共计XXXX字。
水利工程检验批质量验收记录1. 引言本文档记录了水利工程检验批的质量验收过程,旨在确保水利工程的质量符合相关标准和要求。
本次质量验收旨在验证水利工程建设的合规性和质量可行性,为项目的后续进展提供依据。
2. 项目概述本次质量验收的水利工程项目概述如下:- 项目名称:XXXXXX水利工程项目- 项目位置:XXXXXX- 施工单位:XXXXXX公司- 建设时间:XXXX年X月至XXXX年X月- 建设规模:XXXXXX3. 质量验收方法本次质量验收采用以下方法进行:- 现场检查:对工程项目的关键部位和关键节点进行现场检查,确保符合设计和施工要求。
- 样品检测:对施工过程中取得的材料和产品进行必要的检测,以验证其质量合格。
- 文件审核:对施工单位提供的相关施工图纸、设计方案、质量档案等进行审核,确保符合规定和标准。
4. 质量验收记录4.1 检验批一- 检验批编号:XXX- 检验内容:XXXXXX- 质量验收结果:合格- 质量验收人员:XXX- 质量验收日期:XXXX年X月X日4.2 检验批二- 检验批编号:XXX- 检验内容:XXXXXX- 质量验收结果:合格- 质量验收人员:XXX- 质量验收日期:XXXX年X月X日4.3 检验批三- 检验批编号:XXX- 检验内容:XXXXXX- 质量验收结果:不合格- 质量验收人员:XXX- 质量验收日期:XXXX年X月X日5. 不合格处置根据质量验收结果,对不合格的检验批进行相应的处置:- 随着相关负责人记录不合格问题的整改过程。
- 追踪整改情况,确保不合格问题解决。
6. 结论本次水利工程检验批质量验收工作得出以下结论:- 大部分检验批合格,质量符合相关标准和要求。
- 不合格的检验批已经得到了适当的处置,整改工作正在进行中。
7. 后续建议根据本次质量验收结果,提出以下后续建议:- 加强施工过程中的质量控制和监督,及时发现和解决潜在的质量问题。
- 提升施工单位和相关人员的质量意识,加强培训和研究,提高施工质量。