各批次生产状况记录表
- 格式:docx
- 大小:148.93 KB
- 文档页数:2
批生产记录编码:SHT-RD-01-001-00车间中药饮片车间品名批号成品量生产周期年月日至年月日整编人:整编日期:QA审核签名:审核日期:中药饮片批生产指令编码:SHT-RD-01-002-00选药、过筛岗位生产记录选药、过筛岗位清场记录洗药、软化岗位生产记录洗药、软化岗位清场记录切制岗位生产记录切制岗位清场记录编码:SHT-RD-01-008-00炒制、筛选岗位生产记录炒制、筛选岗位清场记录粉碎岗位生产记录粉碎岗位清场记录煅制岗位生产记录煅制岗位清场记录干燥岗位生产记录干燥岗位清场记录炮炙岗位生产记录编码:SHT-RD-01-017-00炮炙岗位清场记录蒸、煮岗位生产记录蒸、煮岗位清场记录批包装指令标签印制指令单编码:SHT-RD-01-022-00今生产中药饮片品种,批量kg,批号,包装规格为,需要印制标签张。
样板标签贴处:生产技术部:标签印制人:质量管理部:日期日期:日期标签印制指令单编码:SHT-RD-01-022-00今生产中药饮片品种,批量kg,批号,包装规格为,需要印制标签张。
样板标签贴处:生产技术部:标签印制人:质量管理部:日期日期:日期:包装生产记录(一)包装生产记录(二)包装清场记录编码:SHT-RD-01-026-00标签发放、领用记录包材销毁记录生产过程偏差处理记录编码:SHT-RD-01-030-00生产事故调查处理报告单中间站进出记录文件编号:SHT-RD-01-032-00广西三和堂药业有限责任公司工作服清洗记录炼蜜岗位生产记录编码:SHT-RD-01-034-00炼蜜工序清场记录。
检证日供应商检证者总达成率:0%车型:重要项NG 0小于50%项目序号重要项类别评价参考基准○/△/X得分得分小计课题责任人完成日期GAMC确认结果日期符合性物料标签与实物一致,符合图纸/制造要求★材料、性能材料、性能符合法规、图纸等技术要求,材质证明书/检验报告等齐全0外观、尺寸来料外观、尺寸管控责任明确,与二级供应商建立健全的异常处理流程,批次检查有记录8管理来料有入/出库品质规范,库存管理清晰,记录完整,与生产系统相关可回溯★布局各制造工序现场布局是否与工艺设计相符,与工艺设计一致,并达成量产状态布局节拍与预设周期一致,连续生产总计节拍达成目标瓶颈重点工序有目视标识。
识别出瓶颈工位,并有相关增产应对方案★合格率良品率达到产量预设的目标0工序检测工序布局及人员体制能检测工序不良,后工序有防错漏检测前工序不良,并形成批次内的追溯12关键特性关键品质分解至制造工序并重点标识重点工序★人员数量全部班次按计划配置人员满足岗位要求,并且实现定人定岗★作业标准所有作业标准齐全,并容易理解,操作实际与指导书一致。
有实施签字确认流程,对关键控制点有明确的指示。
能力有包括必须的培训项目的培训计划和矩阵表。
所有作业者按日程安排接受培训,有按计划确认培训进度。
0异常处理1)异常升级流程清晰,发现不良工序内员工报警器报警并且停止作业;2)有控制点和处理方法;3)生产现场可根据实情进行对应10追溯从工序到作业员的追溯无课题★素性设备/工装齐全,运行无课题,设备开动率达到预定目标★素性模/夹具已全工装,验收时已完成小批量(>50件)的生产验证并达到量产条件。
已开始按计划执行保养计划。
按照量产初期要求对重点模/夹具执行强化措施★工艺参数管理制造条件规格包含日常点检、记录、设定、管理、变更等内容,造条件规格值的修改权限规定明确,重点工艺条件设定及更改需要设备密码保护等措施0功能防错检测的校准系统是合适的,检证工序也没问题20生产启停及首件生产开始前,维修后所有重要项目已检证。
生产过程记录表
生产过程记录表是用于记录产品制造过程中的重要信息和数据的文件。
下面是一份可能包含的内容:
1.日期和时间:记录生产活动的开始和结束时间。
2.产品名称和编号:标识生产过程所涉及的产品和批次号。
3.生产线:记录使用的生产线和设备。
4.生产工艺:描述生产过程中所采用的具体工艺和步骤。
5.原材料使用量:记录生产所用原材料的名称、数量和来源。
6.质量控制:记录加工过程中的质量控制措施和检验结果。
7.员工操作记录:记录工作人员的姓名、岗位和操作内容。
8.生产数据:记录生产中的各项数据,如温度、时间、采样点等。
9.生产记录总结:记录生产结束后的总结、问题和改进措施。
10.签名和日期:相关人员对记录进行审核并签名确认。
生产过程记录表的作用是保证生产过程的可追溯性,提高生产效率和
产品质量,以及为生产过程管理和技术改进提供数据支持。
产品生产批次管理规范(ISO9001:2015)1、范围1.1本办法规定了生产过程和原材料过程的批次管理基本要求和办法。
1.2 本办法适应产品生产过程的原材料、毛坯、半成品、成品及重要、关键购买件的批次管理和设计、材料、工艺、模具、设备、品质改善、新供方等变更后的追溯管理。
2、涉及术语及定义2.1批次----同等条件下生产或已生产完成的产品的集合。
2.2批号----代表某一批次的一个号码。
2.3批次标识----为区别不同批次而做的具有追溯性的标识。
2.4批次记录----对台帐、标签、各种单据中记载的具有批次追溯性的信息。
2.5制造记录----用来识别零部件、产成品制造状态的记录,包含生产日期、生产量、批号、合格数、工废及料废、制造条件、转出转入等信息,必要时可与其它台帐合并。
2.6批次管理----对产品形成的批次及制造记录、标识识别的管理。
2.7可追溯性----能对产品考察项目的制造记录、制造过程中各种测试数据、记录情况进行跟踪的能力。
2.8永久性批次标示----采用铸造、锻造、注塑、打刻、涂漆、粘贴、涂写、模印等方式直接在产品上标记的批次标识,在后续制造过程中、客户交付不必消除、产品正常工作状态不会损坏。
3、职责3.1 质量管理部负责确定批次管理零部件范围,编制《批次管理零部件明细》。
3.2 生产保障部负责协调、督促外协供方对相应外购零部件实施批次管理,质量管理部负责认可和标识检查。
3.3 生产管理部负责确定生产过程中的批次标识方法、批次管理重要工序,实施生产过程中的批次管理。
3.4 销售部负责成品贮存、发运、销售过程中的批次区分、登录管理。
3.5 技术部负责永久性批次标识的确定。
4、基本要求4.1 批次管理范围4.1.1 适应编批的零部件如下表:类别零部件名称自制零件外协零件其它零件应品质管理之所需指定的必须追溯的其它零件4.1.2 质量管理部可以根据品质管理要求修定批次管理的零件范围,编制《批次管理零部件明细》并适时修订,必要时可提交技术部确定是否施加永久性批次标识。
高效包衣生产记录表一、概述高效包衣生产记录表是用于记录包衣生产过程中关键信息的表格,旨在帮助生产管理人员监控生产进度、质量和效率,以便及时发现问题并采取措施解决。
通过记录和分析生产数据,可以优化生产流程,提高生产效率,降低生产成本,提升产品质量。
二、记录内容1. 日期和时间记录每天生产开始和结束的日期和时间,以便跟踪生产进度和排班安排。
2. 生产批次记录每个生产批次的编号或名称,便于区分不同批次的产品和追溯生产数据。
3. 生产人员记录参与生产的人员姓名或工号,以便进行责任追踪和绩效评估。
4. 生产设备记录使用的设备编号、型号和运行状态,确保设备正常运转并及时维护。
5. 生产工艺记录每道工艺的名称、操作步骤、时间和责任人,确保生产按照标准流程进行。
6. 生产质量记录每个产品的质量检验结果,包括外观、尺寸、包装等指标,确保产品符合质量标准。
7. 生产数量记录每个生产批次的产量,包括合格品和不合格品数量,以评估生产效率和质量控制情况。
8. 异常事件记录生产过程中出现的异常事件或问题,并填写原因和处理措施,以便后续跟进和改进。
三、使用方法1. 填写记录表生产人员在生产过程中根据实际情况填写记录表,确保记录准确完整。
2. 定期汇总分析生产管理人员定期汇总生产数据,进行分析和比对,发现问题并制定改进措施。
3. 反馈和落实根据生产记录表的分析结果,及时反馈给相关人员,落实改进措施,确保生产高效率、高质量进行。
四、总结高效包衣生产记录表是生产管理工具的重要组成部分,通过记录和分析生产数据,可以有效提升生产效率和质量。
生产管理人员应重视记录表的使用,持续改进和优化生产流程,实现生产高效运转、质量稳定提升的目标。
食品生产环节记录明细表表1:场所清洁消毒记录表表2:供应商评价表表3:合格供应商汇总表表4:到货通知单表5:采购物资检验/验证结果通知单表6:采购物资出入库台账表7:进货台账表8:配料记录表表9:从业人员健康检查档案表10:不合格品处置记录表11:机器设备维修清洗保养卡表12:领料单表13:成品出入库台账表14:产品销售台账表15:抽检产品留样记录表16:委托出厂检验登记表表17:成品检验报告单表18:食品安全风险分析记录表表19:不合格品销毁记录表表20:食品召回措施报告表21:食品召回阶段性进展报告表表22:食品召回总结报告表23:关键控制点记录表场所清洁消毒记录表供应商评价表格检验报告,其他原辅料的合格供应商还应持有有效的营业执照和生产(流通)许可证(生产许可证仅针对已纳入生产许可证管理产品),否则不得列为合格供应商合格供应商汇总表到货通知单到货日期:年月日采购物资检验/验证结果通知单企业采购的物资须有出厂检验合格证或质量检验合格报告。
2、对无法提供合格证明文件的采购物资,应当依照食品安全标准进行检验。
3、对有产品合格证明文件的采购物资,企业可根据管理要求进行必要的检验。
采购物资出入库台账备注:本表用于单一采购物资的管理。
进货台账配料记录表从业人员健康检查档案不合格品处置记录编号:机器设备维修清洗保养卡设备名称:设备编号:年月领料单领料单位:年月日领料:审批:发料:年月日年月日年月日(共三联,第一联:存根,第二联:仓库,第三联:领料单位)成品出入库台账产品名称/代号:包装规格:仓管员:产品销售台账抽检产品留样记录备注:本表仅适用于有对出厂产品进行留样管理的企业。
委托出厂检验登记表时间:年月日备注:本表适用于对出厂产品进行全项目或部分项目委托检验的企业。
成品检验报告单食品安全风险分析记录表不合格品销毁记录表企业名称:食品召回措施报告食品召回阶段性进展报告食品召回总结报告关键控制点记录表。
XX公司生产计划变更通知单编号:年月日制单人:批准人:注:一式六联。
一联生产部存根,一联报生产总监,一联报质量管理部,一联报采购部,一联报库管部,一联报销售部。
XX公司生产计划通知单编号:年月日制单人:批准人:注:一式六联。
一联生产部存根,一联报生产总监,一联报质量管理部,一联报采购部,一联报库管部,一联报销售部。
XX公司生产月报表编号:制表人:年月日注:一式三联。
一联生产部留存,一联报生产总监,一联报财务核算部。
XX公司生产月报表编号:制表人:年月日注:一式三联。
一联生产部留存,一联报生产总监,一联报财务核算部。
XX公司生产日报表编号:制表人:年月日注:一式两联。
一联生产部留存,一联报生产总监。
XX公司配料单编号:配料日期:制单人:复核人:退料单编号:年月日退料人:退料部门负责人:库管员:注:一式两联。
一联仓库存根,一联交退料部门。
SC-SC/BD---04XX公司领料单编号:年月日付料:领料:配料:复核:注:一式三联。
一联生产部存根,一联交原料库,一联交生产班组。
XX公司投入产出统计明细表单位:Kg 产品型号:产品名称:制表人:XX公司反应产品生产记录SC-SC/BD---11XX公司生产记录SC-SC/BD---05XX公司生产班组长日志组别:组长:年月日注:本表一式两份,一份生产班组长自留,一份上报生产部经理。
如有加班加点将人员、工时记入备注栏。
SC-SC/BD---12XX公司生产计划执行情况明细表制表人/日期:SC-SC/BD---08 XX公司产品生产记录SC-SC/BD---09 XX公司反应产品生产记录。
批生产记录编码:SHT-RD-01-001-00车间中药饮片车间品名批号成品量生产周期年月日至年月日整编人:整编日期:QA审核签名:审核日期:中药饮片批生产指令编码:SHT-RD-01-002-00 产品名称生产车间批号批量生产日期1 执行技术标准依据:2 生产处方:原料/辅料名称. . .数量3有关生产操作上的指示或注意事项:指令编制人生产技术部部长审核QA审核指令编制日期审核日期审核日期选药、过筛岗位生产记录编码:SHT-RD-01-003-00 品名批号操作日期生产前确认操作记录1、物料品名、批号、数量(□相符;□不相符)2、现场清场合格证(□有;□无)设备、容器具清洁完好(□是;□否)计量器具符合要求(□是;□否)3、相关文件SOP(□有;□无)工艺规程(□有;□无)检查人:复核人:项目(kg)班次筛选前总数筛选后总数杂质量操作人复核人1 挑选收率(%)=2 挑选耗率(%)=3 物料平衡(%)=操作指令1、按《选药、过筛标准操作规程》操作,文件编码:选药、过筛岗位清场记录精品文档编码:SHT-RD-01-004-00日期年月日清场原因□每天生产结束□更换品种□同品种更换批次生产清场原生产品种批号清场合格证贴此处更换生产品种批号清场要求班组检查复查情况合格不合格合格不合格1、生产场地无上批生产遗留物。
2、过筛机、工具、容器、用具按清洁标准操作规程清洁。
3、废物清理出,清洁废物贮器。
4、操作台、门窗、地面、墙面、灯具、辅助设施等按清洁标准操作规程清洁。
5、清洁工具按清洁标准操作规程清洁。
6、正确更换各状态标志,工场物品定置存放。
清场负责人复查人备注:洗药、软化岗位生产记录编码:SHT-RD-01-005-00精品文档品名批号操作日期生产前确认操作记录1、物料品名、批号、数量(□相符;□不相符)2、现场清场合格证(□有;□无)设备、容器具清洁完好(□是;□否)计量器具符合要求(□是;□否)3、相关文件SOP(□有;□无)工艺规程(□有;□无)检查人:复核人:序号项目1# 2# 待洗、润药接收量(kg)洗药时间起止润药时间操作人复核人备注:操作指令1、按《洗药、软化标准操作规程》操作,文件编码:洗药、软化岗位清场记录编码:SHT-RD-01-006-00 日期年月日清场原因□每天生产结束□更换品种□同品种更换批次精品文档生产清场原生产品种批号清场合格证贴此处更换生产品种批号清场要求班组检查复查情况合格不合格合格不合格1、生产场地无上批生产遗留物。
钢筋生产记录表1. 日期日期:___________2. 生产批次生产批次:___________3. 钢筋规格钢筋规格:___________4. 原材料4.1 钢材- 钢材编号:___________- 钢材批次:___________- 钢材数量:___________吨- 钢材供应商:___________4.2 铁丝- 铁丝编号:___________- 铁丝批次:___________- 铁丝数量:___________吨- 铁丝供应商:___________4.3 其他原材料- 其他原材料名称:___________ - 其他原材料编号:___________ - 其他原材料批次:___________ - 其他原材料数量:___________吨- 其他原材料供应商:___________5. 生产设备- 设备编号:___________ - 设备名称:___________6. 生产人员- 生产经理:___________ - 生产员工:___________7. 生产参数7.1 温度- 温度1:___________- 温度2:___________- 温度3:___________- 温度4:___________ 7.2 压力- 压力1:___________- 压力2:___________- 压力3:___________- 压力4:___________8. 生产过程记录- 记录内容:___________9. 生产结果- 产量:___________吨- 合格品数量:___________吨- 不合格品数量:___________吨10. 备注- 备注:___________。
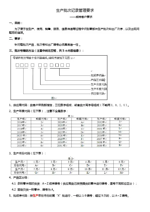
生产批次记录管理要求——威特客户要求一、目的:为了便于在生产、使用、销售、服务、信息传递等过程中识别零部件生产批次和出厂次序,以及出现问题后的追溯。
二、要求:针对每批次产品,批次号和出厂编号必须具有唯一性。
三、批次号编码方法(注意中间无空格,共5个内容信息):1、供应商代码:由客户采购部指定,三位数字组成,或者由大写字母组成(不能用I、O、Z、U)。
2、生产年度代码(见下表),注意不全是数字:3、生产月份代码(见下表):4、产品区分码:4.1 多种零件同时供货:A~Z顺序编号(供应商自己按照提供的零件进行编号,图号不同即应区分);4.2 固定只供一种零件,编号为A。
5、批顺序代码:按生产年份月份的第“X”批进行,一般以1-9编号;超过9次的,以A~Z编号。
5.1注意:必须是同一生产条件为一生产批,当有一个元素不同时,必须区分开批次,并记录。
同一生产条件定义:图样代号、产品变更、过程变更、主要原材料生产批次、特殊工艺过程5大元素一致。
5.1.1产品变更定义:A、顾客变更:顾客书面变更通知,或者是投诉整改计划。
B、自行变更:影响装配性、成形、功能、耐久性等产品要求的更改。
5.1.2 过程变更定义:可能引起产品变差和潜在的质量故障,涉及的生产过程中人、机、料、法、环、测等要素变更5.1.3 原材料生产批次变更:特殊要求的原材料变更。
5.1.4特殊工艺过程变更:铸锻件和热处理件,涉及铸锻造及热处理工艺,炉次和班次不同。
批次号实例:四、批次号的使用管理在一致条件下生产的产品或按规定方式汇总起来的一定数量的个体构成一个生产批,给定一个批次号。
供应商应按月建立批次号的变更状态档案,以便追溯。
采用批次号管理的产品,在档案内应表明属于某一批次的所有零部件的总数量和生产日期。
1实际使用方法:1.1按照客户文件的要求根据我司实际情况,批次号要求在检验记录、入库记录和包装标识上体现。
1.2 套圈半成品进料状态卡上必须有热处理炉次号,导入到后续半成品加工的流程卡信息里面,随在制品流转。
食品生产质量检查记录表
一、基本信息
- 检查人员:[填写检查人员姓名]
- 检查日期:[填写检查日期]
- 检查时间:[填写检查时间]
- 食品生产企业:[填写食品生产企业名称]
- 产品名称:[填写产品名称]
- 批次号:[填写批次号]
- 检查地点:[填写检查地点]
二、检查内容
三、检查结论
根据以上检查内容和结果,结论如下:
[填写检查结论]
四、整改措施
根据以上检查结果,食品生产企业应采取以下整改措施:
1. [填写整改措施1]
2. [填写整改措施2]
3. [填写整改措施3]
4. [填写整改措施4]
5. [填写整改措施5]
五、检查人员签名
检查人员:______________________ 日期:______________________。
医药行业药品生产记录表日期: ___________药品名称: ___________批次号: ___________1. 原料准备原料名称重量/体积物料编号生产日期供应商------------------------------------------------------------------------(在此列出使用的原料及相关信息,包括重量或体积,物料编号,生产日期和供应商等。
)2. 制剂操作操作步骤操作者操作时间完成时间-------------------------------------------------------(在此列出制剂操作的步骤,包括操作者,操作时间和完成时间等。
)3. 质检记录检验项目标准要求实际结果备注---------------------------------------------------(在此列出质检记录的检验项目,标准要求,实际结果和备注等。
)4. 包装和贴标包装操作操作者操作时间完成时间------------------------------------------------------(在此列出包装操作的步骤,包括操作者,操作时间和完成时间等。
)贴标操作操作者操作时间完成时间------------------------------------------------------(在此列出贴标操作的步骤,包括操作者,操作时间和完成时间等。
)5. 清洁和消毒记录操作步骤操作者操作时间完成时间------------------------------------------------------(在此列出清洁和消毒操作的步骤,包括操作者,操作时间和完成时间等。
)6. 包材和辅料使用记录包材名称用量/数量用途使用时间供应商----------------------------------------------------------------(在此列出使用的包材和辅料,包括名称,用量或数量,用途,使用时间和供应商等。
洗衣粉生产记录质检表格模板摘要:一、洗衣粉生产记录质检表格模板的概述二、洗衣粉生产记录质检表格模板的具体内容1.生产日期2.生产批次3.生产数量4.生产配方5.原材料质量检测6.生产过程质量检测7.成品质量检测8.产品包装9.产品贮存三、洗衣粉生产记录质检表格模板的意义和作用正文:洗衣粉是我们日常生活中常用的清洁用品,其质量关系到我们的生活品质。
洗衣粉生产记录质检表格模板是一种记录和检测洗衣粉生产过程的表格,对于保证产品质量具有重要意义。
洗衣粉生产记录质检表格模板具体包括以下内容:1.生产日期:记录洗衣粉生产的日期,方便追踪产品质量和查找问题原因。
2.生产批次:对洗衣粉进行批次管理,有利于控制产品质量,一旦发现问题可以快速追溯。
3.生产数量:记录洗衣粉的生产数量,方便企业进行生产计划和库存管理。
4.生产配方:记录洗衣粉生产所使用的原材料及其配比,保证产品质量稳定。
5.原材料质量检测:对洗衣粉生产所用的原材料进行质量检测,确保原材料符合生产要求。
6.生产过程质量检测:对洗衣粉生产过程中的关键控制点进行质量检测,确保生产过程符合要求。
7.成品质量检测:对生产完成的洗衣粉进行质量检测,确保产品符合国家和行业标准。
8.产品包装:记录洗衣粉的包装信息,包括包装材料、包装方式等,保证产品包装质量。
9.产品贮存:记录洗衣粉的贮存条件,确保产品在储存、运输过程中的质量稳定。
洗衣粉生产记录质检表格模板对于保证产品质量具有重要意义。
通过对生产过程的详细记录和质量检测,企业可以更好地监控产品质量,确保为消费者提供安全、可靠的产品。
(完整)糖果生产记录表模板糖果生产记录表模板1. 概述糖果生产记录表是用于记录糖果生产过程中各项关键数据和操作步骤的文档。
该记录表的目的是确保糖果的生产过程得到严格控制,生产质量可追溯,以满足法规和产品质量要求。
2. 记录表内容糖果生产记录表应包含以下内容:2.1 生产时间和日期记录生产糖果的具体时间和日期,以确保生产过程的时效性。
2.2 原料编号和批次记录使用的糖果原料的编号和批次号,以便追溯原料的来源和质量信息。
2.3 生产设备和工具记录使用的生产设备和工具的名称和编号,以保证设备的正常运行和维护。
2.4 操作员记录参与糖果生产的操作员姓名和执照编号,以确保操作的合法性和可追溯性。
2.5 生产过程参数记录每一阶段的生产过程参数,如温度、湿度、搅拌时间等,以确保生产过程的可控和稳定性。
2.6 检验结果记录每一阶段的质量检验结果,如颜色、硬度、口感等,以保证产品质量符合标准要求。
2.7 生产问题和改进措施记录生产过程中出现的问题和采取的改进措施,以便改进生产过程和减少不良品出现的机率。
2.8 签名和复核相关负责人员在记录表上签名和复核,以表示对生产过程的审查和认可。
3. 使用说明3.1 填写格式糖果生产记录表的填写应按照规定的格式进行,确保内容的一致性和可读性。
3.2 填写要点填写糖果生产记录表时需注意关键信息的准确记录,如时间、原料批次、操作员姓名等,以便进行过程追溯和问题解决。
3.3 保存和归档填写完糖果生产记录表后,应妥善保存和归档,以备日后查看和追溯使用。
4. 遵守规定生产人员应遵守相关法规和生产质量要求,严格执行糖果生产记录表的填写和归档工作。
生产管理层应定期进行审核和培训,确保记录表的有效性和合规性。
5. 参考资料- 《食品生产质量管理规范》- 《食品安全法》以上是糖果生产记录表的模板,根据实际生产需要,可以进行适当的调整和修改。
希望能对您的工作有所帮助!。
各批次生产状况记录表批号美文欣赏1、走过春的田野,趟过夏的激流,来到秋天就是安静祥和的世界。
秋天,虽没有玫瑰的芳香,却有秋菊的淡雅,没有繁花似锦,却有硕果累累。
秋天,没有夏日的激情,却有浪漫的温情,没有春的奔放,却有收获的喜悦。
清风落叶舞秋韵,枝头硕果醉秋容。
秋天是甘美的酒,秋天是壮丽的诗,秋天是动人的歌。
2、人的一生就是一个储蓄的过程,在奋斗的时候储存了希望;在耕耘的时候储存了一粒种子;在旅行的时候储存了风景;在微笑的时候储存了快乐。
聪明的人善于储蓄,在漫长而短暂的人生旅途中,学会储蓄每一个闪光的瞬间,然后用它们酿成一杯美好的回忆,在四季的变幻与交替之间,散发浓香,珍藏一生!3、春天来了,我要把心灵放回萦绕柔肠的远方。
让心灵长出北归大雁的翅膀,乘着吹动彩云的熏风,捧着湿润江南的霡霂,唱着荡漾晨舟的渔歌,沾着充盈夜窗的芬芳,回到久别的家乡。
我翻开解冻的泥土,挖出埋藏在这里的梦,让她沐浴灿烂的阳光,期待她慢慢长出枝蔓,结下向往已久的真爱的果实。
4、好好享受生活吧,每个人都是幸福的。
人生山一程,水一程,轻握一份懂得,将牵挂折叠,将幸福尽收,带着明媚,温暖前行,只要心是温润的,再遥远的路也会走的安然,回眸处,愿阳光时时明媚,愿生活处处晴好。
5、漂然月色,时光随风远逝,悄然又到雨季,花,依旧美;心,依旧静。
月的柔情,夜懂;心的清澈,雨懂;你的深情,我懂。
人生没有绝美,曾经习惯漂浮的你我,曾几何时,向往一种平实的安定,风雨共度,淡然在心,凡尘远路,彼此守护着心的旅程。
沧桑不是自然,而是经历;幸福不是状态,而是感受。
6、疏疏篱落,酒意消,惆怅多。
阑珊灯火,映照旧阁。
红粉朱唇,腔板欲与谁歌?画脸粉色,凝眸着世间因果;未央歌舞,轮回着缘起缘落。
舞袖舒广青衣薄,何似院落寂寞。
风起,谁人轻叩我柴扉小门,执我之手,听我戏说?7、经年,未染流殇漠漠清殇。
流年为祭。
琴瑟曲中倦红妆,霓裳舞中残娇靥。
冗长红尘中,一曲浅吟轻诵描绘半世薄凉寂寞,清殇如水。