加油站交接记录表
- 格式:xls
- 大小:45.00 KB
- 文档页数:1
西环加油站交接班管理制度
1、接班的前庭主管提前15分钟到达加油站现场。
2、交、接班前庭主管按《加油站综合日巡检记录》进行交接检查。
3、接班人员整理仪容仪表,提前15分钟到达接班现场,参加班前例会。
4、接班人员提前5分钟进入加油现场。
5、停止加油,抄写加油机累计发出数,进行交班。
6、交、接班前庭主管计量油罐现有库存数。
7、填写《加油站班报表》,双方签字确认。
8、交接完毕,恢复加油。
9、本制度与效益工资挂钩。
10、本制度自发布之日起实施。
中国石
油广西
钦州销
售分公
司西环
加油站
2015年1月1日。
加油站退租交接协议范本甲方(出租方):公司名称:__地址:__法定代表人:__联系电话:__乙方(承租方):公司名称:__地址:__法定代表人:__联系电话:__鉴于甲乙双方于年月_日签订了《加油站租赁合同》(合同编号:____),现因乙方经营策略调整/发现安全隐患/双方协商一致(根据实际情况选择或补充原因),乙方决定提前退租。
经双方友好协商,就加油站退租交接事宜达成如下协议:一、退租及交接时间1.双方同意,乙方租用该加油站的租期提前于年月____日结束。
2.自年月____日起,乙方应将加油站及其附属设施、设备等全部移交给甲方,并由甲方自行处置。
二、交接事项1.乙方应在退租交接前,将加油站内的所有物品(除甲方原有物品外)搬离,并将场地恢复至原合同约定的状态。
2.乙方应负责拆除或迁移原合同约定的附属设施,包括但不限于加油机、广告牌、货架等,并确保不损害甲方及其他第三方权益。
3.乙方应保证加油站内的设备、设施等完好无损,如有损坏,乙方应负责修复或赔偿。
三、费用结算1.乙方应向甲方支付原合同约定的租金至本协议生效之日止。
2.甲方应退还乙方已支付的押金元(大写:__圆整),具体退还时间为年月____日。
3.双方确认,除上述费用外,乙方不再向甲方支付任何费用。
乙方应在交接前结清所有拖欠的水费、电费等费用。
四、违约责任1.若乙方未按本协议约定时间搬离物品或恢复场地,甲方有权要求乙方支付违约金,违约金为每日____元。
2.若甲方未按本协议约定退还押金,乙方有权要求甲方支付违约金,违约金为每日____元。
五、争议解决1.双方在履行本协议过程中发生争议,应首先通过友好协商解决。
2.若协商不成,任何一方均可向合同签订地人民法院提起诉讼。
六、其他1.本协议一式两份,甲乙双方各执一份,具有同等法律效力。
2.本协议自双方签字盖章之日起生效。
甲方(盖章):__代表人(签字):__日期:年月____日乙方(盖章):__代表人(签字):__日期:年月____日请注意,以上模板仅供参考,具体条款应根据实际情况和当地法律法规进行调整。
(全套防静电工作服)。
工作用品,准备交接班。
不得下岗。
排列,交班 班长站在队列最后一名。
按花名册点 名;点名结束后通报应到人数、实到人数及请假情况。
、男员工留 长头发,穿拖鞋、未配戴胸卡等行为发生) 。
女员工过肩长发需束于脑后,胸卡统一佩戴左
况、卫生情况、需跨班完成的经营任务等。
关事项,表 相关人员,激发员工服务热情,并对下一步开展工作提出具体工作要求。
工的应知应 会知识掌握情况(HSE 方针、目标、承诺、岗位职责、风险、应急预案的演练、 消防器材的 使用)。
“加油站 安全须知”注1;c、明确卫生责任分区及卫生工作要求;d、强调“加油十三步曲”中须重 点规范的动作和语言;e、班长做系 统登陆。
(交接过程中双方班长要做到“十交五不接”注3)
好记录。
创业、求实、奉献。
注3:“十交五不接”:(1)十交:交任务和指标、交数量、交质量、交设备、交安全、交环 境卫生、交问题。
戴左。
加油站交接班制度
(1)接班人员必须提前十分钟到达岗位进行交接班工作。
(2)交接班应在各岗位职责范围内进行,交接人员必须做到本岗位负责的各种设备、物品齐全、状态良好,场地整洁卫生方可交接。
(3)严格按照公司有关规章制度要求填写交接班记录,不得省略、涂改。
所有生产运营、销售等基础资料填写必须真实、准确、清晰、完整,并在记录上签字。
(4)交接班时,交接班人员应对本岗位负责的生产系统及设备一道巡回检查,逐点逐线进行交接,做到交接清晰、记录完整、责任明确。
(5)交接班记录由站长负责统保存,保存期限应在各岗位运营生产记录资料保管期限延长一年。
(6)有下列情况者不能交接班:
1)生产与安全情况不明,各项工作参数不清不交接;
2)设备状况不明或未按规定保养维护不交接;
3)工具不齐全,消防设备不全,记录不清楚,报表数据不真实不准确不交接;
4)设备、室内外及场地不整洁不交接;
5)有关问题或责任界定不明确不交接。
加油站班前会议记录
会议日期:XXXX年XX月XX日
会议地点:加油站会议室
与会人员:加油站全体员工
会议记录:
一、安全事项
1. 提醒员工在工作中始终保持高度的安全意识,特别是对于油料的储存、运输和销售环节,要严格遵守安全操作规程。
2. 强调对加油站设施的检查和维护,确保设备正常运行,防止因设备故障导致的安全事故。
3. 提醒员工在遇到紧急情况时,应按照应急预案进行操作,及时报警并疏散人员。
二、服务质量
1. 强调提高服务态度和技能,要求员工对待顾客热情周到,提高客户满意度。
2. 提醒员工注意个人形象和言行举止,保持良好的职业素养。
3. 要求员工在工作中不断学习和掌握新知识,提高业务水平和服务质量。
三、环境卫生
1. 强调加油站内外的环境卫生,要求员工保持工作区域整洁有序。
2. 提醒员工注意个人卫生,保持良好生活习惯,以降低疾病传播风险。
3. 要求员工按照规定处理垃圾,保护环境,共建绿色加油站。
四、工作安排
1. 公布今日工作计划和任务分配,要求员工按时完成工作任务。
2. 提醒员工注意交接班时的沟通和协作,确保工作无缝衔接。
3. 鼓励员工提出改进工作的建议和意见,共同推动加油站的发展。
会议结束时,由班长对本次会议内容进行总结,并要求全体员工认真执行会议精神。
加油站油品交接计量及损耗管理考核办法第一章适用范围第一条为加强公司各业务环节损耗管控,扎实推进降损增效工作,结合公司实际情况,特制订本办法。
第二条本办法适用于公司所属各加油站的油品交接及油站损耗管理。
第二章指导思想第三条根据公司对各环节损耗管理的要求,加油站零售环节损耗以V t进行管理,运输环节损耗以重量进行管理。
第三章术语及定义第四条损耗:是指蒸发损耗和残漏损耗的总称,本办法所述损耗按流转环节分为运输损耗和零售损耗。
第五条零售损耗:是指加油站从油品购进验收起在保管、付油过程中发生的损耗。
第六条运输损耗:是指从油库或其他发货单位油库通过公路配送到加油站的油品发货量与实际接收量的差值。
第七条超定额损耗:是指超过公司规定的运输损耗量和零售损耗量部分的损耗。
第四章重要风险第八条油品运输和油品站管环节存在油品异常损耗风险,严格损耗管控,避免公司效益流失。
第九条损耗数据不真实或损耗指标不合理使损耗考核产生不公平性。
第五章职责第十条损耗管理岗职责负责公司损耗管理考核办法的制定;负责对公司油品损耗管理工作实施指导、监督、检查、考核;负责对公司各环节油品超耗提出处理意见并报公司领导审批;负责定期统计分析公司各环节油品损溢数据,对异常情况和问题提出控制措施,推广降耗经验;负责加油站进销存日常管理,指导加油站零售损耗数据统计;负责加油站油品配、收、发、存过程管控,参与并配合由零管部部组织的月度、年度油站库存商品盘点,对相关数据的准确性进行确认。
第十一条零管部职责负责加油站油品配送的管理;负责协调油库发油数量不足、质量不合格等问题的协调和处理;负责运输环节超损耗部分索赔工作;负责组织加油站月度、年度盘点工作,与财务部共同确认各环节损耗数据,参与损耗考核及运输保证金的管理。
第十二条加油站职责对站内各环节油品损溢数量的真实性、准确性负责,对本站油品损溢原因进行分析;负责配合相关部门对进、销、存过程中的数量差异原因的分析;负责按规定程序将损溢数据逐级上报。
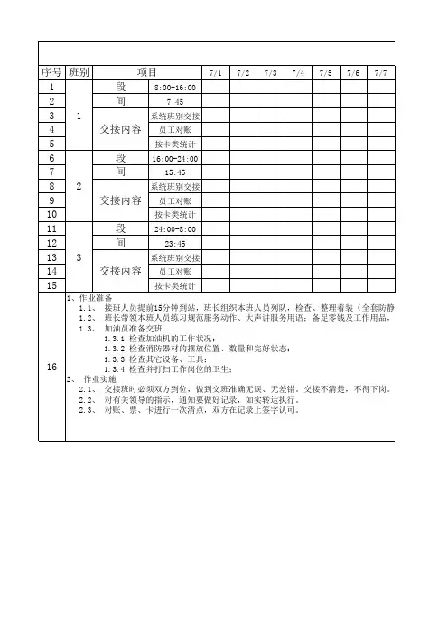
加油站交接班管理制度交接班是加油站营业中的一个不可缺少的环节。
各班之间做好交接是做好整个营业工作的前提。
在各班的交接中应做到:交接工作不马虎,要认真做好交接;交接要有条理,各项数据要准确。
第一条营业前准备工作1.班前准备。
接班人员应提前15分钟到岗,以便做好准备工作。
2.前庭主管组织全班人员进行班前工作安排,通报前一班工作情况,进行班前动员,向每位当班人员提出工作要求,分配具体任务。
3.检查人员着装仪表,做到仪容仪表清洁整齐,放好个人财物。
4.检查并擦拭加油机等设备、工具,打扫站内环境卫生。
5.准备好营业用笔、纸、票单,备足零钱零票,准备交接班。
第二条交接班内容1.服务质量情况2.设备和安全情况3.各种票证情况4.加油数及存油数交接第三条交接班程序1.加油字码累计数的交接加油量累计数是加油数量的凭据。
交接时,交班加油员和接班加油员要同时到班,各自抄下加油机上的加油字码累计数,并进行核对,确认无误后,该加油字码累计数就作为交接班的加油字码数,并相互在各自的交接单上签字认可。
加油字码累计数的交接要做到:字迹清楚,准确无误,班班衔接。
2.油罐存油量的交接油罐存油量是反映加油站油品进、销、存变化情况的数量依据。
交接班时,交班前庭主管和接班前庭主管中的一人抄写加油机数据,另一人在旁监督,计量员同时对罐存数量进行计量,确认测量数据无误后该油罐存油量就作为交接班油罐存数量。
油罐存油量的交接要做到:测量准确、核对无误。
3.票证及其他有关事项的交接①票证的交接.双方签字收银员、加油员在当班营业结帐后,要将回笼的油券、内部定点加油凭证、发票及关联票证以及现金、销售日报表一并交核算员。
核算员复核无误后,由交接班双方在交接班记录和日报表上签字认可。
票证的交接,要逐张复点,归类整理,核对签字。
如有差错,要及时查找原因,并向站长汇报,待查明原因后方可离岗。
②有关事项的交接当班人员在交接班时,要将本班营业中的加油机、电气设备的工作情况,现场消防器材的主要情况,营业操作环境中的安全情况以及其它必须传达给接班人员的情况,一起向接班人员交待清楚,尤其是上级及主管部门有关指示,营业操作中发现的异常现象等,要详细交代,不可遗忘。
加油站账务处理流程一、账务登记。
1. 交接班,每天的交接班是加油站账务处理的第一步,上一班班长需要将当班加油员的销售情况、油品库存情况、现金库存情况等进行详细记录,并交接给下一班班长。
2. 销售登记,加油员需要在每次为客户加油时,将加油量、油品类型、单价、总价等信息记录在销售登记簿上,确保销售数据的准确性。
3. 现金登记,加油员需要将每次收到的现金进行登记,包括客户姓名、加油金额、找零金额等,确保现金收支的准确性。
二、日结处理。
1. 销售日结,每天结束营业后,班长需要对当天的销售情况进行汇总和核对,确保销售额与销售登记簿上的数据一致,并进行日结处理。
2. 现金日结,班长需要对当天的现金收支情况进行汇总和核对,确保现金库存与现金登记簿上的数据一致,并进行日结处理。
三、月结处理。
1. 销售月结,每月结束后,财务人员需要对当月的销售情况进行汇总和核对,确保销售额与销售登记簿上的数据一致,并进行月结处理。
2. 现金月结,财务人员需要对当月的现金收支情况进行汇总和核对,确保现金库存与现金登记簿上的数据一致,并进行月结处理。
四、账务报表。
1. 日报表,每天结束营业后,班长需要填写销售日报表和现金日报表,汇总当天的销售和现金情况,并报送给上级主管。
2. 月报表,每月结束后,财务人员需要填写销售月报表和现金月报表,汇总当月的销售和现金情况,并报送给上级主管。
五、异常处理。
1. 销售异常,如果发现销售数据与实际情况不符,需要及时进行核对和调整,确保销售数据的准确性。
2. 现金异常,如果发现现金收支情况有误,需要及时进行核对和调整,确保现金库存的准确性。
六、其他事项。
1. 账务档案,加油站需要对账务资料进行归档,确保账务数据的安全和完整性。
2. 内部审计,定期进行内部审计,对账务处理流程进行检查和评估,发现问题及时进行整改和改进。
以上就是加油站账务处理流程的详细内容,希望能够对加油站管理人员有所帮助,确保账务处理的准确性和规范性。
加油加气站运行记录表格、台账填写规范加气站运行记录表格、台账填写规范编制:安全运营部审核:批准:制度名称加气站运行记录表格、台账填签发人写规范制度编码签发日期生效日期加气站运行记录表格、台账填写规范第一章工作原则为加强基层站队的生产管理、加气站运行记录表格、台账的填写标准和统一,生产任务的认真贯彻执行,保证各场站的正常生产运营和安全管理。
特制订本规范,请各场站严格按照此规范填写。
第二章填写要求第一条交接班记录交接班必须做好交接班记录,内容包括:1、交接当班安全情况。
2.班前班后会,总结工作教训,安排下一班工作,分析客户增减情况;3.仪器仪表、工器具、设备设施,环境卫生和报表台账等使用情况;4. 加气机字码累计数,充装量;5、设备设施检、维修情况;6.其他情况。
最后交接班双方必须签字确认。
(附件1) 第二条安全生产例会每周一召开站安全生产例会,由站长组织,培训内容包括:1.培训安全知识,强调设备安全、操作安全、人员安全、资金安全等;2.站内运营2情况、存在的问题和下周工作计划;3.公司制度及下发文件的学习;4、其他工作。
形成记录,所有参会人员签字。
(附件2)第三条安全检查记录每周按照安全检查记录由站长带领当班班长进行周自检,发现问题及时整改处理,并将处理情况填好,检查人和站长签字。
(附件3) 第四条 LNG设备充装检查记录每充装一辆车必须填写:1.气瓶检查、熄火收钥匙、气瓶回气栏需打“?”,其他栏需填运行参数,要求字迹清晰,数据准确,仿宋体填写,不允许涂改,所有项目必须填写,不能空项。
2.气瓶检查项目包括:气瓶外观、铭牌、连接工艺管路漏气检测(用泵吸式检测仪)、气瓶安全附件检查、仪表检查;每车每次每项必检,检查不合格,禁止充装~充装检查人员签字。
(附件4)第五条 CNG设备充装检查记录每充装一辆车必须填写:1、填写运行参数,要求字迹清晰,数据准确,仿宋体填写,不允许涂改,所有项目必须填写,不能空项。
1.1交接班管理流程交接班是员工当班过程中不可缺少的一项重要工作,所有员工都必须熟悉本单元相关流程,以避免在交接班过程出现混乱和数据错误,确保交接班工作有序进行。
1.1.1交接班准备1.所有接班员工均须提前30分钟达到油站准备交接班工作;2.主管安排接班员工完成收银台贵重商品、易丢失商品的盘点和记录,包括香烟、酒、口香糖、机油、液压油、赠品等;3.油站接班主管准备相应的交接班工具(如量油试水工具、清洁卫生设备、日常用品、交接班表格及当班需使用的其它物品);4.交班主管在交班前30分钟要检查当班未尽事宜、需后续跟进事宜、当班公司最新通知或其它任何当班需向下班移交和通知的事项,并记录于《油站交接班记录》(附件15)并签字确认,交班主管须向接班主管亲自转交《油站交接班记录》(附件15),并当面讲述《油站交接班记录》(附件15)记录的相关事宜,接班主管当场签字确认;各公司可根据自身实际情况进一步细化《油站交接班记录》。
5.接班主管确认当班油品库存配送情况;6.接班主管仔细了解交班班次当班情况,组织召开班前会议,检查当班员工的服装、仪容仪表,合理分配当班员工的任务,提醒当班过程中安全、服务、业绩、卫生等相关方面的注意事项,传达上一班次反馈的相关问题,完成《油站交接班记录》(附件15)中班前会议的填写,同时进行相应的工作演练。
1.1.2交接班期间工作安排1.主管工作1)交班期间,油站停止加油,接班主管及其指定人员共同抄录油机泵码,填写《油机码交接班记录》(附件16),交班及接班主管共同签字确认;2)由交接班主管一起进行油品库存交接工作。
由当班主管打印液位仪数据小条并在背面签字,注明日期班次附在班报表之后。
对未安装液位仪或液位仪正在自校中的油站,采用手工计量方式,并记录在《交接班量油试水记录》(附件2)上,由交接双方主管签字确认。
2.收银员工作1)进行找零金及发票、支票等的交接并记录签名,在《油站交接班记录》(附件15)上登记需移交的其它事项;2)交班收银员完成当班所有消费单结算后,进行收银系统班结操作并打印班结报告,进行银联POS机班结操作并打印银联卡消费汇总记录;3)当班收银员协同当班主管,一同将交班的最后一笔营业款项全部投入到营业主保险柜;4)接班收银员准备好各项记录表格并有序摆放,开始新的班次。
加油站交接班安全管理制度模板1. 背景和目的加油站作为燃油供应和销售的紧要场合,交接班是确保加油站运营顺利进行的紧要环节。
为了保障交接班期间的工作安全,提升工作效率和服务质量,订立本规章制度。
本规章制度的目的是确保加油站交接班期间职工的人身安全和资产安全,规范交接班过程,明确责任和义务,防止潜在的事故和过错,并对职工的工作进行考核,以进一步提高工作水平和工作效益。
2. 适用范围本规章制度适用于全部加油站的交接班工作。
3. 管理标准3.1 交接班人员•交接班人员包含接班员和交班员。
•每个交接班人员都必需经过专业的培训,熟识交接班流程和安全操作规程,具备必需的安全意识和技能。
3.2 交接班时间和地方•交接班时间和地方应提前确定并向相关人员通知,确保定时进行交接班工作。
•交接班地方应设有充分的工作空间和必需的工具设备。
3.3 交接班程序•交接班前,接班员应与交班员确认清楚班次更改、工作特殊注意事项、设备状态等紧要信息。
•接班员应对接手工作的设备进行检查,确保设备完好并符合安全要求。
•交接班期间,接班员应认真接受交班员的交接,认真记录工作情形和注意事项,并签署确认。
•交接班结束后,接班员应对接班工作进行自检,确保无误并记录。
3.4 工作安全措施•全部交接班人员必需穿着统一的工作服和个人防护装备。
•严禁吸烟、明火或携带易燃物品进入交接班区域。
•交接班区域应保持乾净有序,避开杂物堆放、易燃物品聚积等安全隐患。
•必需时,可以设置安全警示标志,明确交接班区域的安全界限。
3.5 应急处理措施•全部交接班人员必需熟识加油站的应急处理程序,并掌握紧急情况下的避险和逃命方法。
•发生紧急情况时,必需及时向上级汇报,并依照应急处理程序执行,保障人身安全和设备资产安全。
4. 考核标准4.1 工作态度和纪律性•交接班人员应遵守工作纪律,按时到岗并完成交接班工作。
•交接班人员应保持良好的工作态度,对待工作认真负责,乐观搭配同事。