低环境温度空气源热泵(冷水)机组能源效率检测报告
- 格式:pdf
- 大小:505.85 KB
- 文档页数:8
空气源热泵与其他能源效益分析()作者: 日期:、热泵热水技术的适用性论证1 .热泵热水系统工作原理图1热泵热水系统工作原理图消耗一部分机械功(例如电能)作为驱动,实现热能从低温环境向高温环境 的转移,这种设备称为 热泵”。
采用热泵技术可消耗少部分电能制取高温位的热 水,如图1所示,热泵热水系统主要由蒸发器(吸收环境空气中热量的换热器,对 应图中 空气热交换器”)、压缩机、冷凝器(制取热水的换热器,对应图中 水热交 换器”、)贮热水箱、膨胀阀及相关的附件和连接管路组成。
热泵以工作介质作为 媒介(也常称为 冷媒”咕冷媒在蒸发器和冷凝器中的相变伴随着吸热和放热的 过程实现能量转移,具体过程为:经膨胀阀节流降压后的液态冷媒首先流入蒸发 器中吸收周围空气中的热量而蒸发,生成的冷媒蒸汽被压缩机吸入、压缩成高温 高压的冷媒蒸汽,然后流入贮热水箱内的冷凝器中进行冷凝,释放出的冷凝热用于 制取热水,冷凝后的液体冷媒经储液罐、过滤器和膨胀阀又流回蒸发器中重新吸 热、蒸发。
同样的热力过程周而复始,直到贮热水箱中的热水达到设定温度。
空气源热泵热水系统通过消耗少量的高品位电能, 可以把热值数倍于所耗电 能的室外环境中的低温位热能输送至高温位的贮热水箱内, 能量的收益大于消耗 (即,热泵的能效比COP 大于1),因而有效地节省了热水所需的一次能源。
按蒸发器吸收热源介质的性质分,热泵可以归纳为空气源、水源、地源和太 阳能四种。
由于空气源热泵不受水源和建筑地理条件的限制 ,是目前发展得最多和最成熟的一种热泵。
由于热源来自免费的 空气能”除了在中国的东北和华北散格液位变送器局部等冬季低温地区难以应用之外,在环境温度大于5c的地区,不论是白天黑夜,还是刮风下雨,空气源热泵一年四季都可以安全高效使用。
空气源热泵热水系统对安装要求不高,其室外机组与常规的空调室外机安装要求并无二致,具有灵活多样的系统形式、合理的技术经济性能和良好的实用化前景。
doi: 10.3969/j.issn.2095-4468.2022.04.205低环温空气源热泵(冷水)机组全年性能系数分析包继虎 ,杨弋,马金平,周坤,付炜,谢鸿玺,赵宗彬(合肥通用机械研究院有限公司,安徽合肥 230031)[摘 要] 基于GB/T 25127.1—2020《低环境温度空气源热泵(冷水)机组 第1部分:工业或商业用及类似用途的热泵(冷水)机组》的实验方法,解析了低环境温度空气源热泵(冷水)机组性能测试过程中容易出现的问题,结合实验计算了低环境温度空气源热泵(冷水)机组的全年性能系数(APF )。
实验和计算结果表明:对于同一台机组,各地域酒店建筑类的APF 低于办公建筑类的APF ,办公建筑类的APF 低于租赁商铺类的APF ,如北京地区酒店建筑类计算所得APF 为3.01,办公建筑类计算所得APF 为3.13,租赁商铺类计算所得APF 为3.14。
基于GB/T 25127.1—2020给定的APF 限定值,对于同一台机组,按某城市发生时间计算合格的APF ,按其它城市发生时间计算的全年性能系数可能出现不合格的现象,如济南地区酒店建筑类APF 为3.18,但北京地区酒店建筑类APF 则为3.01。
[关键词] 低环境温度;空气源;热泵(冷水)机组;全年性能系数 中图分类号:TB61+1; TB051.5文献标识码:AAnalysis on Annual Performance Factor of Air Source Heat Pump (Water Chilling)Packages at Low Ambient TemperatureBAO Jihu *, YANG Yi, MA Jinping, ZHOU Kun, FU Wei, XIE Hongxi, ZHAO Zongbin(Hefei General Machinery Research Institute Co. Ltd., Hefei 230031, Anhui, China)[Abstract] According to the test method in GB/T 25127.1—2020 “low ambient temperature air source heat pump (water chilling) packages-part 1: heat pump (water chilling) packages for industrial and commercial and similar application ”, the problems in performance of the low ambient temperature air source heat pump (water chilling) packages are analyzed. Based on the test data, the annual performance factor (APF) of low ambient temperature air source heat pump (water chiller) units is calculated. The test and calculation results show that for the same unit, the APF of hotel buildings in each region is lower than that of the office buildings, and the APF of office buildings is lower than that of rental shops. For example, in Beijing, the APF calculated by the hotel building is 3.01, the APF calculated by the office buildings is 3.13. and the APF calculated by the rental shops is 3.14. Based on the limited value of the APF given by GB/T25127.1—2020, for the same unit, the qualified the APF calculated by the occurrence time in a city may be unqualified by the occurrence time in other cities. For example, the APF calculated by the hotel building is 3.18 in Jinan, the APF calculated by the hotel building is 3.01 in Beijing.[Keywords] Low ambient temperature; Air source; Heat pump (water chilling) Packages; Annual performance factor*包继虎(1977—),男,高级工程师,博士。
低环境温度空气源热泵(冷水)机组标准文章标题:探讨低环境温度空气源热泵(冷水)机组的标准近年来,随着环保意识的日益增强和节能减排政策的不断推进,低环境温度空气源热泵(冷水)机组作为一种新型、高效的供暖设备备受关注。
在这篇文章中,我们将深入探讨低环境温度空气源热泵(冷水)机组的标准,从而更好地理解其在节能环保方面的重要性和应用前景。
1. 低环境温度空气源热泵(冷水)机组的意义低环境温度空气源热泵(冷水)机组作为一种高效、清洁的供暖设备,能够在低温环境下高效运行,将环境温度转化为热能,实现供暖和制冷的双重功能。
这不仅有利于提高能源利用率,减少对传统能源的依赖,还有助于减少温室气体排放,为环境保护做出贡献。
2. 低环境温度空气源热泵(冷水)机组的标准在研究低环境温度空气源热泵(冷水)机组的标准时,我们发现,目前我国对于这类设备的标准主要包括机械、电气、制冷剂和安全等方面的要求。
在机械方面,要求机组在低温环境下能够稳定运行,无故障风险;在电气方面,要求机组的电气系统能够安全可靠地供电;在制冷剂方面,要求机组使用的制冷剂环保、高效;在安全方面,要求机组的安全防护设施健全,确保使用过程中的安全性。
3. 个人观点和理解从个人角度看,低环境温度空气源热泵(冷水)机组的标准制定至关重要。
只有通过严格的标准和规范,才能够确保这类设备在实际运行中能够保持高效、安全、稳定的状态,真正发挥节能减排的作用。
标准的制定还有利于引导行业技术创新,推动设备性能的持续提升,为我国清洁供暖事业的发展做出贡献。
总结回顾:低环境温度空气源热泵(冷水)机组的标准是保障其运行安全、高效的重要基础。
通过本文的探讨,我们对这一主题有了更全面、深刻的理解。
未来,在政府、企业和社会各界的共同努力下,相信低环境温度空气源热泵(冷水)机组的标准会不断完善,为节能环保事业贡献更多力量。
通过本文的调研与分析,我们对低环境温度空气源热泵(冷水)机组的标准有了更深入的了解。
空调与空气循环系统检测报告
概述
本次检测对一幢办公楼内的空调与空气循环系统进行了全面检查。
检测主要包括以下方面:空气质量检测、空气输送管道检测、
送风口检测、排风口检测、空调设备使用情况及维护保养情况等。
检测结果
空气质量检测
空气中检测出PM2.5微粒物质的含量超标,建议加强空气过滤、定期清洗空气过滤器,并在进入空调系统之前加装更高效的过滤器。
空气输送管道检测
检测发现,部分空气输送管道存在破损、积尘较多等问题,需
要及时进行维修或清洗,以保证空气的正常流通。
送风口检测
送风口的通风情况较好,但部分送风口定位不合理,导致部分
区域送风不足或过多,需要进行调整。
排风口检测
排风口的通风情况较好,但部分排风口存在堵塞、积尘等问题,需要及时进行清洗。
空调设备使用情况及维护保养情况
检测发现空调设备使用情况较为正常,但建议加强维护保养工作,定期更换空气过滤器、清洗室内外机组等。
总结
本次检测发现该办公楼内的空调与空气循环系统存在一些问题,需要及时进行维修和清洗,以保证室内空气的质量与流通。
同时,
加强设备的维护与保养也是提高设备使用寿命和效率的重要措施。
报告编号:房间空气调节器能源效率检测报告
检测单位(盖章):
主检:审核:审批:日
日
日
:
:
:
产品名称:规格型号:生产者/商标:委托单位:制造单位:期期期
注意事项
1. 报告无“检测报告专用章”或“检测单位公章”无效。
2. 复制报告未重新加盖“检测报告专用章”或“检测单位公章”无
效。
未经委托单位书面同意,不得复制本报告的任何部分。
3. 报告无主检、审核、批准人签字无效,报告应当加盖骑缝章。
4. 报告涂改无效。
5. 若对检测报告持有异议,应当于收到报告之日起15日内向检测
单位提出,逾期不予处理。
6. 委托检测仅对来样负责。
7. 检测和判定依据为房间空气调节器能源效率实施规则所引用
标准的现行有效版本。
检测单位名称:
检测单位地址:
联系人:
联系电话:
传真:
邮箱:
检测报告
编号:
编号:
编号:
编号:共页第页
编号:。
文件编号:低环境温度空气源热泵(冷水)机组能源效率标识实施规则1、实施总则1.1 本规则依据《能源效率标识管理办法》(以下简称《办法》) 制定。
1.2 本规则适用于采用电动机驱动的、低环境温度运行的风-水型低环境温度空气源热泵(冷水)机组、供暖用低环境温度空气源热泵热水机、供暖用低温型商业或工业用及类似用途的热泵热水机(以下简称机组)能源效率标识(以下简称标识)的使用、备案和公告。
1.3 不适用于低环境温度空气源多联式空调机组和风-风型低环境温度空气源热泵机组。
2、标识的样式和规格2.1 标识为蓝白背景的彩色标识,长度为 109 mm,宽度为 66 mm。
2.2 标识名称为:中国能效标识(英文名称为 CHINA ENERGY LABEL ) ,包括以下内容:(1)生产者名称(或简称);(2)产品规格型号;(3)能效等级;(4)制热综合部分负荷性能系数(W/W);(5)制热性能系数(W/W) ;(6)制热量(kW 或 W) ;(7)热泵制热消耗总电功率(kW 或W) ;(8)额定出水温度(C) ;(9)依据的能源效率强制性国家标准编号;(10)能效信息码;(11) 能效“领跑者”信息(仅针对列入国家能效“领跑者”目录的产品)。
2.3 标识样式示例见附件1,可从“中国能效标识网”下载3、能源效率检测3.1 制热性能系数、制热综合部分负荷性能系数、制热量和热泵制热消耗总电功率等产品能效性能相关参数的检测方法应依据 GB 37480 的现行有效版本。
3.2 《低环境温度空气源热泵(冷水)机组能源效率检测报告》(以下简称检测报告)的格式见附件 2,可从“中国能效标识网”下载。
3.3 生产者或进口商可以利用自有检测实验室,或者委托依法取得资质认定的第三方检验检测机构,对产品进行检测,并依据能源效率强制性国家标准,确定产品能效等级。
利用自有检测实验室确定能效等级的生产者或进口商,应当保证其检测实验室具备按照能源效率强制性国家标准进行检测的能力,并鼓励其取得国家认可机构的认可。
41电器2020/5气源热泵能效标准实施后,所淘汰的企业比例也会更高。
之所以淘汰率更高,与低温空气源热泵行业的发展息息相关。
在“煤改电”政策前,空气源热泵多用于长江流域以南,对低温工况下的性能表现并不是很好。
随着政策的推动,空气源热泵开始大面积应用于北方市场,对低温工况下的性能要求较高。
由于标准缺失,许多低温环境下性能不过关的产品进入北方市场,损坏了用户利益,影响了行业形象。
“为了保障用户利益,规范行业发展,首次制定的低温空气源能效标准指标设定相对较高。
”他说。
一直以来,低环境温度工况是空气源热泵技术在北方布局所必须面临的问题,也是各企业不断挑战的技术方向。
据某业内人士介绍,向更北方挺进、挑战跟低温环境工况,不少企业都还需要技术沉淀。
据某热泵企业负责人介绍,此前许多空调企业在生产低温空气源热泵时,采用的是GB/T 25127.1-2010《低环境温度空气源热泵(冷水)机组 第1部分:工业或商业用》。
“虽然二者皆为低温空气源热泵冷水产品,但使用场景不同,因此采用商用低温热泵冷水机组能效标准,其实并不合适。
”他坦言,“在大规模推进户式‘煤改电’政策时,国家相关部门发现了这一问题,并提出了快速推出适用标准的要求。
”《电器》记者还了解到,同样作为户式“煤改电”的产品之一,低温空气源热泵热风机也将迎来能效标准大考。
2019年12月31日,GB 21455-2019《房间空气调节器能效限定值及能效标准》强制性国家标准正式发布,并将于2020年7月1日起实施。
该标准将近年来为响应国家清洁能源供暖政策而出现的低温环境空调热泵热风机产品纳入标准实施范围,设置了能效限定值和能效等级要求,填补了该领域能效要求的空白。
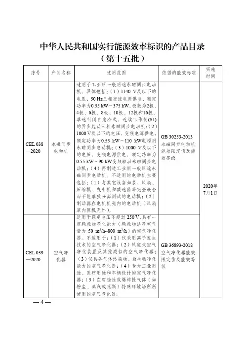
器2020年4月21日,根据《能源效率标识管理办法》规定,国家发展改革委员会、市场监管总局组织制修订的《中华人民共和国实行能源效率标识的产品目录(第十五批)》及相关实施规则公布。
该批规则实施有效期为5年。
电器2022/12准与认证30标STANDARD & CERTIFICATION介绍,旧版标准主要按照多联式热泵(空调)机组的制冷综合部分负荷性能IPLV(C)进行能效分级,而多联机新版能效标准采用全年性能系数APF、制冷能效比EER、制冷季节能效比SEER、IPLV(C)、制热季节性系数HSPF 以及性能系数COP 对四类产品有区别地进行能效评价。
具体来看,风冷式单冷型多联机采用EER、SEER 能效指标类型(见表1),风冷式热泵型多联机采用EER、APF 能效指标类型(见表2),水冷式多联机采用IPLV(C)、EER 能效指标类型(见表3),低温热泵型多联机则采用HSPF、COP 能效指标类型(见表4)。
“多联机新版能效标准对不同类型产品采用不同的指标进行能效评价,主要是因为在产品制冷能效考核的基础上,增加了对机组制热能效方面的考核。
”某业内人士强调。
除此之外,与旧版标准相比,多联机新版能效标准规定的能效等级数和能效限定值也发生了变化。
“这顺应了现在能效标准等级变少、限定值提高的发展趋势。
”广州日立压缩机有关负责人说,“旧版标准能效等级共分为5级,1级为最高;多联机新版2022年11月1日,GB 21454-2021《多联式空调(热泵)机组能效限定值及能源效率等级》(以下简称多联机新版能效标准)正式实施,替代GB21454-2008(以下简称旧版标准)。
从旧版标准仅评价多联式空调(热泵)机组,到此次修订后对风冷单冷型多联式空调机组、风冷式热泵型多联式空调(热泵)机组、水冷多联式空调(热泵)机组及低环境温度空气源多联式热泵(空调)机组四类产品进行分类评价,多联机新版能效标准实现了更科学的升级。
同时,随着能效限定值的提高,多联机新版能效标准的实施将对空调行业节能减排、对“双碳”目标达成发挥积极的促进作用。
评价主体由“1”变“4”多联式空调(热泵)机组主要应用环境为小型独立住宅、别墅以及商业建筑。
中国房地产报/2013年/11月/4日/第E01版新部品空气能热泵冷对能效标准本报记者陈娟11月1日,《热泵热水机(器)能效限定值及能源效率等级》GB29541-2013(以下简称《能效标准》)实施正好满月。
浸淫在空气源热泵热水器行业多年的韦大宝对此的评价是:“目前业内企业对《能效标准》实施反应比较平淡,甚至比节能产品惠民工程补贴更平淡。
《能效标准》对行业有影响,但不明显。
”而早前业内一度预言《能效标准》有望淘汰业内两成企业。
前不久中国节能协会热泵产业联盟副秘书长陈能也向中国房地产报记者坦言:“《能效标准》的实施将提高行业门槛,对行业会起到一定的洗牌作用,预计会淘汰20%左右的企业。
”执行监督困难《能效标准》规定了热泵热水机(器)的能源效率限定值、节能评价值,以及能源效率等级的判定方法、试验方法及检验规则。
今年10月1日起正式实施的《能效标准》,被称为是空气源热泵热水器行业“迟到”的能效标准。
因为,在2012年6月1日,热泵热水器被列为节能惠民工程享受国家补贴之际,判定其节能情况的该标准还没出台,也因此广受非议。
而终于得以实施的《能效标准》,业内对其却是冷对。
目前空气能热泵热水器企业产品“能效标识”正式上岗情况不容乐观,部分企业贴了,但许多企业还没来得及贴,甚至有企业不知道这一能效标识。
据中国房地产报记者调查,近两年来开始涉猎空气源热泵热水器行业的北京数家老牌光热企业热泵负责人,对《能效标准》等正式实施信息并不清楚。
对此,陈能在接受中国房地产报记者采访时解释说:“对于今年10月1日之前的库存,国家给予了一年的缓冲期,但上述时间节点之后的产品,企业必须严格执行《能效标准》,采用送检的方式在国家认可的检测中心检测,并对其产品能效等级备案。
”业内资深人士表示,《能效标准》虽然准入门槛不低,但对大部分企业来说,达标难度不大,只是后续的监管力度并不被看好。
近10年来专业从事空气源热泵热水器的杭州米特拉电器有限公司总经理夏仕鸿在接受中国房地产报记者采访时说:“其实我非常反对这个标准的出台,不是因为我们产品不达标,而是中国的市场环境有问题。
1.前言总所周知,燃烧燃料供暖、电热直接供暖都是生活生产中常见的供暖方式。
其中传统的燃料包括煤、石油或柴草,大量燃烧会对环境造成污染,为此人们进行了许多改进措施,如改造为大型集中锅炉清洁燃烧,虽然粉尘、SO2、NOx等排放指标达到要求,但CO2排放是无法避免的。
现在国家提出2030年碳达峰和2060年碳中和计划[1],最终的任务是要做到零碳排放,这就说明取消燃煤供暖是早晚的事。
这样,热泵供暖或太阳能等可再生能源直接供暖就提到日程了。
在我国《可再生能源法》[2]中规定:可再生能源,是指风能、太阳能、水能、生物质能、地热能、海洋能等非化石能源。
在第四章“推广与应用”中指出,“国家鼓励和支持可再生能源并网发电”,也规定:“国家鼓励单位和个人安装和使用太阳能热水系统、太阳能供热采暖和制冷系统、太阳能光伏发电系统等太阳能利用系统”。
这说明,我国对可再生能源的利用,有两种主要方式,一是发电,二是热利用。
热泵的开发利用是可再生能源开采和利用的重要环节。
它可以消耗一份电能或机械能,进而可以开采和得到数倍的可再生能源,是重要的节能技术和环保技术。
最近,清华大学江亿[3]院士在学术报告《中国的能源转型和碳中和路径》中强调,我国先实现电力生产的碳中和,以光电、风电、水电等,加上工业余热、太阳光热等,驱动工业、交通、农业、建筑用能。
然后实现碳中和。
显而易见,热泵则是在今后建筑物供暖实现碳中和的利器。
2. 热泵供暖近年来,由于清洁供暖“无煤化”的要求,推动了空气源热泵的快速发展。
过去主要由于受压缩机等主要部件性能所限,热泵主要用于长江以北的冬天供暖,现在通过不断的研究和实验验证,发明设计了一种以电动机驱动的蒸气压缩制冷(热泵)循环,以空气为热(冷)源的集中空调或工艺用热(冷)水,并能在不低于-25℃的环境温度空气里抽取热量的整体或分体设备。
热泵供暖的特点及空气源热泵供暖的工程案例秦鹏伟,李敏霞,王派,马一太,王虎平,赵密升(1.天津大学中低温热能高效利用教育部重点实验室,天津 3003502.广东纽恩泰新能源科技发展有限公司,广东 广州 510800)摘要:本文主要介绍有关热泵技术的热力学原理,并且进一步说明热泵技术的优点,可以用少量的电能,提供更多热能,通过热泵制热系数COP、季节供热系数HSPF、全年综合系数APF、一次能源利用率PRE以及冬季供暖综合性能系数IPLV(H)等多种评价指标对热泵系统进行分析评价。
h i n a中国C p i a n t设备Engineering 工程低温空气源热泵供热原理及特点张强(大连市热电集团有限公司供热公司,辽宁大连116000)摘要:空气源热泵是一种节能环保,使用效果良好的热泵类型,也由于它的诸多优势得到了非常广泛的应用。
空气源热泵的类型非常多,低温空气源热泵就是其中的一种。
尤其在寒冷地区,严冬的供暖离不开低温空气源热泵的技术支持。
本文主要对低温空气源热泵供热的原理及其特点进行介绍,并探讨几个热泵系统的问题及解决方法。
关键词:空气源;热泵供热;寒冬供暖中图分类号:T U831 文献标识码:A文章编号:1671-0711 (2017 ) 08 (下)-0161-031什么是空气源热泵技术依靠电能的拖动,迫使热量从低位热源向高位热源流动的装置就是热泵。
就像水泵把水从低水头压送到高水头,还有气泵(气体压缩机),把气体从低压区送到高压区,它们和热泵的原理是一样的,都是输送能源的机械。
热泵技术作为一项节能环保高效的技术,是因为它能够把不能为人们直接利用的低品位热能通过热泵技术转换为可以让人们直接利用的高位能,比如可以把空气、太阳能、土壤、井水河水以及工业废水等低品位热能,通过热泵技术将它们转化为高位能,直接为人们所利用,并通过利用这些转化来的高位能进行工作作业,来有效的减少煤炭、燃气、电能以及石油这类有限的高位能,以此实现节约环保的目的,并有利于我国高位能资源的可持续利用。
矿物资源越来越匮乏,环境污染越来越严重的情况下,合理有效的将低位能转化为高位能的热泵技术也将更广泛的得到应用。
空气源热泵的历史是非常悠久的,压缩式是最早研究发现的。
但是早期由于技术能力有限,并且能源价格也不甚理想,热泵的发展受到的很大的限制,以至于从18世纪初叶,也就是1824年卡诺循环的发表就奠定了热泵研究的基础,但却因为技术及能源价格的限制因素,导致热泵的发展史非常的缓慢,但是热泵技术本身的环保及高效优势,使它有很好的发展前景。
空气源热泵能效标准1. 引言空气源热泵技术是一种利用空气作为能源,利用热泵工作原理将空气中的热能转移到需要供热或供冷的空间的系统。
随着能源短缺和环境污染问题的日益突出,空气源热泵技术成为了一种重要的能源利用技术。
为了保护环境,提高能源利用效率,各国纷纷制定了相应的能效标准。
2. 空气源热泵能效标准的发展历程2.1 国际能效标准的发展最早的空气源热泵能效标准可以追溯到美国的能源政策法案,该法案于1975年通过,为空气源热泵制定了最低的能效要求。
此后,很多国家相继制定了自己的能效标准,如欧盟、日本等。
2.2 中国能效标准的发展中国空气源热泵能效标准的发展可以分为三个阶段: - 第一阶段是1990年代至2005年,主要以采暖热泵为主,能效标准主要参照国外标准,以额定热水温度和热整备系数为指标。
- 第二阶段是2006年至2014年,中国制定了《空气源热泵机组能效限定值及能源效率等级》标准,引入了能源效率等级制度,将空气源热泵设备划分为五个能源效果等级。
- 第三阶段是2015年至今,中国实施了更加严格的能效标准,将能源效果等级从五个划分为三个,即一级、二级和三级,最低效率等级为三级。
3. 空气源热泵能效标准的意义3.1 环保意义空气源热泵技术是一种清洁能源利用技术,具有很好的环保效益。
通过实施严格的能效标准,可以促进空气源热泵设备的能效提升,减少能源消耗,降低温室气体排放,对环境保护具有积极的作用。
3.2 节能意义空气源热泵设备能够将环境空气中的热能转移到需要供热或供冷的空间,其能效标准的提高可以提高能源利用效率,实现节能减排的目标。
合理使用高效的空气源热泵设备可以降低能源消耗,减少能源浪费,节约成本。
4. 空气源热泵能效标准的应用空气源热泵能效标准的应用主要包括以下几个方面:4.1 国家政策支持各国政府通过制定能效标准,提供政策支持,鼓励企业和个人采用空气源热泵设备,并给予相应的补贴或奖励,推广和推动空气源热泵技术的应用。
空气源热泵热水机组工作原理及节能分析一、空气能热水中心机组工作原理空气源热泵热水机组是一种新型、可替代热水锅炉的热水装置。
与传统太阳能相比,空气能源热泵热水机组不仅可吸收空气中的热量,还可吸收太阳能,它是将电热水器和太阳能热水器的优点完美的结合于一体的新型热水器。
该产品以制冷剂为媒介,通过制冷剂状态、温度的变化和压缩机压缩制取热量,通过换热装置将热量传递给水,使水的温度升高来,升高温度的水通过水循环系统送入用户散热器进行采暖或直接用于卫生热水的供应。
空气源热热泵热水机组技术是基于逆卡诺循环原理建立起来的一种节能、环保制热技术。
空气源热泵热水中机组系统通过自然能(空气蓄热)获取低温热源,经热泵系统高效集热整合后成为高温热源,用来制取供暖或卫生热水。
整个系统集热效率较电热水机组(锅炉)、燃油、燃气热水机组有了很大提高。
空气源热热泵热水中心机组遵循能量守恒定律和热力学第二定律,运用热泵的原理,只需要消耗一小部分的机械功(电能),将处于低温环境(大气)中的热量转移到水中,去加热制取高温的热水。
热泵可以与水泵相比拟,水是不能自发地从低处流向高处,要将低处的水输送到高处,必须用一台水泵,消耗一部分电力,才能将水送到高处的水箱中。
同样,根据热力学第二定律,热量也是不能自发地从低温环境向高温环境中转移(传送),而要实现这个目的,必须要有一台机器,消耗一部分机械功(例如电能),才能将低温环境中的热量传送到高温环境中去。
这样的机器就称之为“热泵”。
热泵的作用是将空气中的热量取出,连同本身所用的电能转变成的热能,一起送到水中。
空气源热泵热水机组由压缩机、冷凝器、蒸发器和膨胀阀等部件组成。
它运用逆卡诺循环原理,通过压缩机做功使工质产生相变(气态—液态—气态),在这种往复循环相变的过程中,通过蒸发器不间断的从环境吸取热量,通过冷凝器(换热器)不间断的放出热量,使冷水逐步升温,制取的热水通过热水管网循环装置输出到用户使用终端。
附件2
低环境温度空气源热泵(冷水)机组
能源效率检测报告
报告编号:
检测单位(盖章):
主检:日期:
审核:日期:
批准:日期:
产品名称:
规格型号:
生产者/商标:
委托单位:
制造单位:
—100 —
注意事项
1. 报告无“检测报告专用章”或“检测单位公章”无效。
2. 复制报告未重新加盖“检测报告专用章”或“检测单位公章”无效。
未经委托单位书面同意,不得复制本报告的任何部分。
3. 报告无主检、审核、批准人签字无效,报告应当加盖骑缝章。
4. 报告涂改无效。
5. 若对检测报告持有异议,应当于收到报告之日起15日内向检
测单位提出,逾期不予处理。
6. 委托检测仅对来样负责。
7. 检测和判定依据为低环境温度空气源热泵机组能源效率标识
实施规则所引用标准的现行有效版本。
检测单位名称:
检测单位地址:
联系人:
联系电话:
传真:
邮箱:
—101 —
检测报告
编号:共页第页
—102 —
—103 —
—104 —
检测结果
(压缩机规格型号:)
—106 —
—107 —。