别墅联网型可视对讲方案说明
- 格式:doc
- 大小:966.50 KB
- 文档页数:7
别墅社区数字可视对讲系统解决方案1、联网方式本系统采用TCP/IP联网方式,通过网络实现相关功能。
2、数字信号传输系统的音频、视频和控制信号为纯数字信号,整个系统不需要任何中间设备。
视频支持 H.263,H.264等传输协议;音频支持G.711,G.723等传输协议。
3、户户对讲功能用户室内机不仅可以和门口机、围墙机、管理机进行可视对讲,而且还可以和其他用户室内机进行户户对讲。
4、门禁开锁功能住户通过家里的网络数字可视对讲分机确认来访者身份后,可以通过室内分机打开楼宇单元出入口电控锁,也可以实现密码开锁和IC卡感应式开锁。
5、监视门口机功能用户在室内机上拨通门口机之后,可以通过门口机上的摄像头监视单元门周围环境的动静。
6、留影、留言功能室内机可设定多种接听模式,当住户不在家时,可设计为语音留言的方式接听,访客可以进行留影、留言,用户回家后系统指示灯提示住户收听视频留言。
7、通话记录功能室内机能够自动记录通话情况,可以查询未接来电、已接来电、已拨电话的记录,并且能够显示准确的记录时间。
8、信息发布功能系统可以具有信息发布功能,既可以发布文本信息(例如小区的停水停电信息),也可以发布图片资料(宣传或广告图片),即可以单发(一次对单个用户发送信息),也可以多发(一次同时对多个用户发布信息)。
并对无线家电控制功能保留有扩展接口。
9、紧急广播功能小区物业如果有紧急事情通知住户,可以使用紧急广播功能,可以方便快捷地把需要通知的消息传递给各住户。
10、在线升级功能为了保证用户使用系统的应用效果,系统具有在线自动功能升级功能。
系统的升级补丁及版本升级均通过网络自动更新,使得系统的维护更加方便。
11、防病毒功能系统采用嵌入式操作系统,对通用主流病毒具有免疫能力。
可以有效的防止病毒的入侵。
12、系统信息存储各类对讲呼叫、留影、留言、门禁、安防报警信息和管理中心操作人员的操作情况均有记录,并存储于管理中心数据库中,可供随时读取调用。
304别墅对讲系统(VI型)使用说明书1.简介1.1产品型号说明序号型号产品名称备注1 JB-304M 别墅黑白可视主机黑白门口机2 JB-304MC 别墅彩色可视主机彩色门口机3 JB-304V 别墅黑白可视分机4吋CRT黑白室内分机4 JB-304VC 别墅彩色可视分机3.5〞4〞、5〞、5.6〞、5.8〞、7〞TFT彩色室内分机1.2功能特点(1)具有免提可视对讲、监视、开锁功能;(2)带10首以上的和弦音,用户可任意选择喜爱一首;(3)具有夜间可视功能,配有LED照明补偿;(4)安装简单,采用4总线连接方式;(5)系统可接入1-4台室内分机,;(6)系统可安装1-4台门口主机;(7)具有通话转移及内部分机呼叫对讲功能;(8)具有免打扰和双开锁功能;(9)主机可采用外挂式或嵌入式安装;(10)分机采用外挂式安装。
1.3技术参数摄像头:1/3〞420TV线最低照度:0.01LUXCRT显示器:4〞(420TV线)TFT显示器:3.5〞(570X234像素)4〞(660X234像素)5〞、5.6〞(960X234像素)5.8〞、7〞(1440X234像素)视频信号:1V P-P/75Ω通话时限:120秒配线方式:4芯0.5RVV线传输距离:100m工作电压:DC18V¡10%主机工作温度:-40℃~+70℃分机工作温度:-10℃~+55℃工作电流:主机≤230mA分机≤500mA外观尺寸:120X200X48mm附:电源适配器技术参数输入电压:AC100V~240V输出电压:DC18V输出电流:1A2.安装说明2.1主机结构安装示意图(1)结构示意图(如图1-1所示)1. 麦克风2. 摄像头3. 喇叭4. 呼叫键5.电源灯6. 5s 延迟开关量电锁信号插座7. 12V 电锁信号插座 8.扩展主机接线插座 9.分机接线插座 10.主机地址码 11.开锁方式选择跳帽 12. 防雨罩(2)墙壁安装示意图(如图1-2所示)安装说明:1. 将外罩④和密封圈⑤用4只自攻螺丝固定在摄像头距离地面1.40m 的墙上; 2. 将内衬②和密封圈③用4只M3螺丝锁在外罩上④;3. 将前壳①套在内衬②上,并在主机上下螺丝孔用2只M4内六角螺丝锁紧。
花园智能化项目可视对讲系统工程设计方案年月日目录一.前言................................................................................................. 错误!未指定书签。
二.系统设计原则和依据..................................................................... 错误!未指定书签。
1. 系统设计原则............................................................................. 错误!未指定书签。
2. 系统设计依据............................................................................. 错误!未指定书签。
三.系统设计方案................................................................................. 错误!未指定书签。
1. 本方案设计目标与指导思想..................................................... 错误!未指定书签。
2. 需求分析..................................................................................... 错误!未指定书签。
3. 设备选型..................................................................................... 错误!未指定书签。
4. 设计方案..................................................................................... 错误!未指定书签。
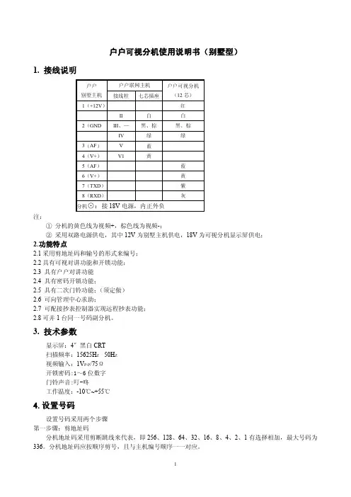
户户可视分机使用说明书(别墅型)1.接线说明户户别墅主机户户联网主机户户可视分机(12芯)接线柱七芯插座1(+12V)红II白白2(GND III、—黑、棕黑、棕IV绿绿3(AF)V蓝4(V+)V1黄5(AF)蓝6(V+)黄7(TXD)紫8(RXD)灰分机⊙:接18V电源,内正外负注:①分机的黄色线为视频+,棕色线为视频-;②采用双路电源供电,其中12V为别墅主机供电,18V为可视分机显示屏供电;2.功能特点2.1采用剪地址码和输号的形式来编号;2.2具有可视对讲功能和开锁功能;2.3具有户户对讲功能2.4具有密码开锁功能;2.5具有二次门铃功能;(须定做)2.6可向管理中心求助;2.7可配接抄表控制器实现远程抄表功能;2.8可并1台同一号码副分机。
3.技术参数显示屏:4〞黑白CRT扫描频率:15625H Z50H Z视频输入:1V P-P/75Ω开锁密码:1~6位数字门铃声音:叮-咚工作温度:-10℃~+55℃4.设置号码设置号码采用两个步骤第一步骤:剪地址码分机地址码采用剪断跳线来代表,即256、128、64、32、16、8、4、2、1有选择相加,最大号码为336。
分机地址码应按顺序剪号,且与主机编号顺序一一对应。
分机跳线第二步骤:主机输号(1)主机进入编程状态“P###”项,输入“000”清空为“P000”;(2)按一下分机上的免提键(此时应能与主机通话),并按住分机上的开锁键通知输号;(3)在主机键盘上输入1号分机要编的号码,然后按键进行确认。
若编号成功主机会有一声长“嘟”声,否则为“嘟.嘟”声,分机编完号码后密码自动为“1234”,(4)按剪号顺序给其它分机编号。
所有分机编完号后按“99或099”无误退出编程状态。
5.使用方法5.1开锁方法(1)分机操作:在与门口主机通话的状态下按下开锁键即可开锁。
(2“四位分机号”+“住户密码”说明:操作正确主机会发出“嘟”一声,同时开锁。
例如101住户密码为“7890”则输入按一下监视键即可监视门口主机前的情况。
别墅联网型可视对讲方案说明引言随着科技的发展和人们生活水平的提高,别墅成为越来越多人的理想居住选择。
然而,别墅的面积较大、安全性较高等特点也带来了一些挑战,其中之一就是如何实现高效便捷的可视对讲系统。
本文将介绍一种别墅联网型可视对讲方案,帮助居民在保障安全的前提下,提供更加智能化的生活体验。
方案概述别墅联网型可视对讲方案,是一种基于互联网技术的智能家居应用方案。
通过安装在别墅门口的可视对讲设备,居民可以通过手机或电视等终端设备,实现与来访者的语音和视频通话。
同时,该方案还支持远程开锁功能,居民可以在不在家时通过手机远程控制别墅门的开启。
此外,这套方案还具备智能化的报警功能,可以及时发出警报并通知居民手机。
方案组成别墅联网型可视对讲方案包括以下几个主要组成部分:1. 别墅门口设备别墅门口设备是该方案的核心组件,它包括摄像头、对讲话筒、开锁装置和报警传感器等。
它主要用于采集来访者的视频图像和语音信息,并通过互联网传输给居民终端设备。
同时它还具备开锁装置和报警传感器,实现远程开锁和报警功能。
2. 居民终端设备居民终端设备可以是手机、电视、平板电脑等。
居民可以通过这些终端设备接听来访者的电话,并通过视频观察来访者的身份。
同时,居民还可以通过终端设备进行远程开锁和报警处理。
3. 云服务器云服务器是连接别墅门口设备和居民终端设备的重要中间环节。
居民终端设备和别墅门口设备通过互联网连接到云服务器,通过服务器中的应用程序实现双方之间的视频通话和数据传输。
云服务器充当了数据中转和转码的功能,确保视频通话的稳定性和清晰度。
4. 后台管理系统后台管理系统主要负责管理和配置别墅联网型可视对讲方案的相关信息。
通过该系统,管理员可以对别墅门口设备和居民终端设备进行远程管理和升级。
同时,后台管理系统还具备报警处理、日志记录和访客管理等功能,可以为居民提供更加便捷和安全的居住体验。
方案优势别墅联网型可视对讲方案具有以下几个优势:1.便捷性:居民可以通过手机等终端设备,随时随地接听来访者的电话,不再受到地点限制,提高了生活的便利性。
别墅可视对讲方案随着生活水平的提高和安全意识的加强,越来越多的人开始关注家庭安全问题。
尤其是在别墅住宅领域,如何保障家庭安全成为了人们关注的焦点之一。
在别墅住宅中,可视对讲系统成为一种受欢迎的安全解决方案。
本文将介绍别墅可视对讲方案的原理、功能和应用。
一、别墅可视对讲方案的原理别墅可视对讲方案基于现代通信技术和网络技术,在保证安全的前提下,实现住户与访客之间的远程视听对话。
主要由室内监视器、室外呼叫器和中控主机三部分组成。
室内监视器是系统的显示设备,通常安装在别墅住宅的大厅或卧室等易于观察的位置。
它配有液晶显示屏,能够显示室外呼叫器发来的视频图像,并通过内置的话筒和扬声器实现双向语音通话。
室外呼叫器是系统的外部设备,通常安装在别墅住宅的大门或围墙等易于操作的位置。
它配有高清摄像头,能够拍摄到来访者的实时视频,并通过内置的麦克风和扬声器实现双向语音通话。
中控主机是系统的核心设备,负责连接室内监视器和室外呼叫器,并处理他们之间的通信。
它可以将室外呼叫器发来的视频和语音信号传输给室内监视器,同时将室内监视器发出的语音信号传输给室外呼叫器。
中控主机还可以支持对呼叫器的远程控制,如远程开锁、远程监控等功能。
二、别墅可视对讲方案的功能1. 安全监控功能:别墅可视对讲方案可以实时监控别墅住宅的进出情况。
当有人来访时,室外呼叫器会自动拍摄来访者的实时视频,并将其传输到室内监视器上,住户可以通过室内监视器观察来访者的外貌和行动,从而判断是否开门。
2. 双向通话功能:别墅可视对讲方案支持双向语音通信。
住户可以通过室内监视器与来访者进行实时对话,例如询问来访者的身份、目的等信息,以便判断是否开门。
同时,住户还可以通过室内监视器的语音功能与室外呼叫器进行通话,例如远程指挥来访者将包裹放到指定位置。
3. 远程控制功能:别墅可视对讲方案还支持远程控制。
通过手机App或电脑客户端,住户可以远程开锁、远程监控等操作。
远程开锁功能可以实现住户在不出门的情况下远程开启大门,方便来访者进入。
前言目前,智能化小区建设在全国范围内迅速开展起来,利用现代科技力量,为小区居民住户提供保安、生活、消费、信息等多种服务,提供一个安全、舒适生活环境,已经被众多房地产开发商所认识。
在激烈的房地产市场中,加大小区住宅科技含量,建设适用的“智能化”小区,满足新形势下市场要求,已经成为房地产建设中一道亮丽的风景线,成为房地产销售中新的卖点.我们公司致力于小区智能化建设工作,专业技术人才力量雄厚,拥有较强的智能化小区开发、设计、施工能力,主持并参与多个智能化小区项目建设,经验丰富.我们公司紧密跟随中国小区“集成化、网络化、信息化"发展状况,结合建设部《全国住宅小区智能化系统示范工程建设要点与技术导则》及小区智能化建设星级标准要求,推出“金积嘉"智能化小区安防集成系统,能够将繁多小区智能系统进行集成,实现无缝连接,真正适合智能化小区发展需要.衷心感谢贵公司提供的宝贵机会,我们将根据小区智能化建设需要,为您公司制作详尽的技术解决方案,希望能利用我们丰富的工程经验,专业的技术,优质的售后服务,为建设一个高品质的智能化小区而服务!1. 根据国家建设部住宅产业化办公室对“住宅智能化”的定义,住宅小区智能化是利用4C(计算机、通讯与网络、自控、IC卡)技术,通过有效的传输网络,将多元信息服务与管理、物业管理与安防融为一体的智能化系统集成(楼宇保安可视对讲系统、家庭联网防盗报警系统)。
参照上述定义,我们特意对贵处提出了“金积嘉”楼宇智能化系统的几点建议,特供贵处参考:2.本方案依据以下有关标准制定a)建设[1997]290 建筑智能化系统工程设计管理暂行规定b)GA/T75—94 安全防范工程程序与要求c)GA/T70-94安全防范工程费用概预算编制办法d)GB10408.1-89入侵探测器通用技术条件e)GB12663—90 防盗报警控制器通用技术条件f)JGJ/T16—92 民用建筑电器设计规范g)GBJ-115—87工业电视系统工程设计规范一、别墅型可视对讲系统(含家庭联网防盗报警系统)本着设备选型的先进性与合理控制系统造价的原则,我们可将别墅型对讲系统和家庭联网报警系统合而为一,采用“金积嘉”联网防盗对讲系统,设计的基本系统为别墅型(可视不可视兼容)保安对讲-家庭防盗报警系统,并预留有进户视频线,将来可以根据住户的需要升级为可视系统。
东郡印象小区连排别墅可视对讲/智能家居系统方案方案设计书连排别墅可视对讲/智能家居系统方案前言科技始终来自于人性。
现代化的生活,忙忙碌碌,家是最后的避风港湾,随着生活水平的提高,住家的居家环境也日益受到重视。
如何用科技打造一个舒适、便利、温馨的家,这是每个人都在追求的目标。
我们在东郡印象小区的智慧住宅建设上,希望提供如下的可视对讲/智能家居系统方案,就是要让智能家居可以高贵而不贵,为更多广大的大众带来更多的乐趣与便利。
●在可视对讲方案上本系统的可视对讲方案,在设备配置的选择,除了可视对讲系统功能外,管理主机及室内主机另自带有智能家居及安防报警系统两大系统功能,住户日后的装修只要简单的配置,即可享受到开发商为智能住宅的建设,让住户除了原有传统功能的可视对讲功能外,亦能享受到智能科技带来的便利性,以及居家的安全性,更凸显出小区的智能化的功能性建设。
在智能家居系统功能上,我们建置的室内可视对讲机是一台多功能主机,具备有三合一通讯(影音通讯对讲、结合市内电话当对讲分机、外出电话转接对讲),同时它也是一台智能家居室内主机,您能从主机触控面板上执行室内灯光、窗帘、空调、电视、多媒体等控制,以及执行各种的场景模式的控制,如外出、居家、睡眠等场景模式。
使用iPad、iPhone、安卓等智能手机透过3G网络作远程控制,在网络不及之处还可以使用短消息发送关键词方式做远程控制。
室内主机在安防报警功能上,可提供大门、后门、瓦斯外漏、火警、及2组门窗回路等安防报警功能,另可搭配1DI/1DO多功能应用控制模块作安防回路设置,回路数目不受限制。
警情发生时室内主机会主动发送短消息通知业主,并同时发送至管理中心总机及大门玄关机等告警,达到多报齐发等功能。
安防报警时,可搭配设定灯控开关作灯光闪烁作报警。
●在智能家居建设方案选择上-精装修方案对于精装修房的建设上,我们建议在经济考虑上,可以在屋内现有的智能家居设备做检讨,分成必要性设备及次要性设备(如必要的灯控开关),做成选配型的配套方案,如豪华型、舒适型、简单型等。
联网可视对讲系统方案第一章前言智能建筑已经在世界各地蓬勃发展并已成为21世纪建筑业的发展主流。
近几年来,随着计算机的普及和信息产业的发展,人们对居住环境要求的不断提高,也将“智能化”引入了住宅小区和家庭建设中智能小区与智能住宅在20世纪80年代中期起源于美国,并在美国得到了迅猛的发展。
继美国之后,日本、欧洲、东南亚等国家和地区也得到了飞速发展。
在我国,智能小区与智能住宅是在近几年才发展起来的,并且发展速度很快。
智能小区和智能住宅是随着现代科学技术的迅猛发展,特别是计算机技术、通讯技术、网络技术、信息技术、自动化控制技术、办公自动化技术的普及和应用而发展起来的。
智能小区和智能住宅是将家庭中各种与信息相关的通讯设备、家用电器设备和家庭保安装置通过家庭总线技术连接到一个家庭智能化系统上进行集中的或异地的监视、控制和家庭事务性管理,并保持这些家庭设施与装置环境的和谐与协调。
建设智能小区与智能住宅的主要目的是提高人们的居住质量,给人们带来多元化信息和安全、舒适、健康、便利、节能、娱乐的生活环境。
第一节智能化小区的基本概念与总体建设目标为了适应信息化时代的要求,在家居方面,世界上一些科研机构将智能大厦的概念和模式引进住宅小区,从而使人类的居住条件和环境得到质的完善!智能化小区是综合运用计算机、信息、通信、控制等科学技术,以智能控制系统、安防系统、小区物业管理系统和社区综合服务为依托,用高科技手段构建小区高速互联网络信息服务平台,为小区住户提供安全、环保、高效、舒适、方便的生活空间!智能化小区的概念起源于美国,其智能住宅发展是最为迅猛的!继美国之后,欧洲、日本、新加坡等国家的住宅智能化也得到了迅猛发展!在我国,智能住宅推广较晚,但其发展的速度却很快!目前,全国已建立了一些具有一定智能化功能的住宅和住宅小区!建设部住宅产业化办公室主编的《全国住宅智能化系统示范工程建设要点与技术导则》试行稿,已于1999年12 月公布,其对住宅小区的设计和开发建设有指导作用!其总体目标是:通过采用现代信息传输技术、网络技术和信息系统集成技术,进行精密设计、优化集成、精心建设,提高住宅高新技术的含量和居住环境水平,以适应21 世纪现代居住生活的要求!1.1 工程概况工程名称:工程地点:工程范围:楼宇可视对讲系统、第二节设计标准和范围2.1 设计依据的标准设计涉及的所有设备和材料,除专门规定外,均依照下列标准规范:1.《全国住宅小区智能化系统示范工程建设要点与技术导则》2.建设部三星级智能小区标准3.《民用建筑电气设计规范》(JGJ/T16-92)4.《民用闭路监视电视系统工程技术规范》(GB50198-94)5.《安全防范工程程序与要求》(GA/T75-94)6.《安全防范系统通用图形符号》(GA/T74-94)7.《安全防范工程费用概算编制办法》(GA/T70-94)8.《智能建筑设计标准》(GBT-T-50314-2000)9.《建筑与建筑群综合布线系统工程设计规范》(GB/T 50311-2000)10.《建筑与建筑群综合布线系统工程验收规范》(GB/T 50312-2000)11.《智能建筑工程质量验收规范》(GB 50307-2002)12.《智能建筑弱电工程设计施工图集》(97X700)13.《计算机站场地技术条件》(GB2887-89)14.《计算机软件质量保证及配置管理计划规范(GB/T12504-12505-90)15.《计算机软件开发规范》(GB8566-88)16.《楼宇对讲电控防盗门通用技术条件》17.《住宅设计规范》(GB50096-99)18.《居住区智能化系统配置与技术要求》(CJ/T174-2003)19.《居住小区智能化系统建设要点与技术导则》20.《建筑物防雷设计规范》(GB50057-94)21.甲方具体要求及相关设计图2.2 设计范围2.2.1结构化布线系统-电话,电视,宽带,监控,对讲,安防(必须)2.2.2可互通楼宇对讲-可视楼宇对讲和非可视楼宇对讲(必须)第三节设计原则3.1 技术先进系统设计应在技术上达到先进性和成熟性的统一,性能上应具有很高的安全性和可靠性,使用上应具有可维护性和扩展性,项目投资应具有较高的性能价格比.3.2 集成化设计设计选型方面应同时遵循:集成化原则,应选择高度集成的设备,便于控制,管理和维护;模块化原则,应在软,硬件上都采用商业化,通用化,模块化结构的设备,使系统具有较强的扩展能力;可靠性原则,所选设备应具备抵御环境影响的能力,工作稳定可靠,并能够适应室内外昼夜全天候的工作;高性价比原则,应在满足系统最优化技术指标的条件下选择低价位的优质产品;遵循实事求是,先进,可靠,节约,后期服务体系完善的原则.第二章系统功能详细设计说明第一节楼宇对讲系统1.1 设计依据1)1.《全国住宅小区智能化系统示范工程建设要点与技术导则》2)2.建设部三星级智能小区标准3)3.《民用建筑电气设计规范》(JGJ/T16-92)4)4.《民用闭路监视电视系统工程技术规范》(GB50198-94)5)5.《安全防范工程程序与要求》(GA/T75-94)6)6.《安全防范系统通用图形符号》(GA/T74-94)7)7.《安全防范工程费用概算编制办法》(GA/T70-94)8)8.《智能建筑设计标准》(GBT-T-50314-2000)9)9.《建筑与建筑群综合布线系统工程设计规范》(GB/T 50311-2000)10)10《建筑与建筑群综合布线系统工程验收规范》(GB/T 50312-2000)11)11.《智能建筑工程质量验收规范》(GB 50307-2002)12)12.《智能建筑弱电工程设计施工图集》(97X700)13)13.《计算机站场地技术条件》(GB2887-89)14)14.《计算机软件质量保证及配置管理计划规范(GB/T12504-12505-90)15)15.《计算机软件开发规范》(GB8566-88)16)16.《楼宇对讲电控防盗门通用技术条件》17)17.《住宅设计规范》(GB50096-99)18)18.《居住区智能化系统配置与技术要求》(CJ/T174-2003)19)19.《居住小区智能化系统建设要点与技术导则》20)20.《建筑物防雷设计规范》(GB50057-94)21)21.甲方具体要求及相关设计图1.2 系统概述随着人民生活水平的提高,人们对智能小区的要求也提高了。
前言目前,智能化小区建设在全国范围内迅速开展起来,利用现代科技力量,为小区居民住户提供保安、生活、消费、信息等多种服务,提供一个安全、舒适生活环境,已经被众多房地产开发商所认识。
在激烈的房地产市场中,加大小区住宅科技含量,建设适用的“智能化”小区,满足新形势下市场要求,已经成为房地产建设中一道亮丽的风景线,成为房地产销售中新的卖点。
我们公司致力于小区智能化建设工作,专业技术人才力量雄厚,拥有较强的智能化小区开发、设计、施工能力,主持并参与多个智能化小区项目建设,经验丰富。
我们公司紧密跟随中国小区“集成化、网络化、信息化”发展状况,结合建设部《全国住宅小区智能化系统示范工程建设要点与技术导则》及小区智能化建设星级标准要求,推出“金积嘉”智能化小区安防集成系统,能够将繁多小区智能系统进行集成,实现无缝连接,真正适合智能化小区发展需要。
衷心感谢贵公司提供的宝贵机会,我们将根据小区智能化建设需要,为您公司制作详尽的技术解决方案,希望能利用我们丰富的工程经验,专业的技术,优质的售后服务,为建设一个高品质的智能化小区而服务!1.根据国家建设部住宅产业化办公室对“住宅智能化”的定义,住宅小区智能化是利用4C(计算机、通讯与网络、自控、IC卡)技术,通过有效的传输网络,将多元信息服务与管理、物业管理与安防融为一体的智能化系统集成(楼宇保安可视对讲系统、家庭联网防盗报警系统)。
参照上述定义,我们特意对贵处提出了“金积嘉”楼宇智能化系统的几点建议,特供贵处参考:2.本方案依据以下有关标准制定a)建设[1997]290 建筑智能化系统工程设计管理暂行规定b)GA/T75-94 安全防范工程程序与要求c)GA/T70-94 安全防范工程费用概预算编制办法d)GB10408.1-89 入侵探测器通用技术条件e)GB12663-90 防盗报警控制器通用技术条件f)JGJ/T16-92 民用建筑电器设计规范g)GBJ-115-87 工业电视系统工程设计规范一、别墅型可视对讲系统(含家庭联网防盗报警系统)本着设备选型的先进性与合理控制系统造价的原则,我们可将别墅型对讲系统和家庭联网报警系统合而为一,采用“金积嘉”联网防盗对讲系统,设计的基本系统为别墅型(可视不可视兼容)保安对讲-家庭防盗报警系统,并预留有进户视频线,将来可以根据住户的需要升级为可视系统。
东郡印象小区连排别墅可视对讲/智能家居系统方案方案设计书连排别墅可视对讲/智能家居系统方案前言科技始终来自于人性。
现代化的生活,忙忙碌碌,家是最后的避风港湾,随着生活水平的提高,住家的居家环境也日益受到重视。
如何用科技打造一个舒适、便利、温馨的家,这是每个人都在追求的目标。
我们在东郡印象小区的智慧住宅建设上,希望提供如下的可视对讲/智能家居系统方案,就是要让智能家居可以高贵而不贵,为更多广大的大众带来更多的乐趣与便利。
●在可视对讲方案上本系统的可视对讲方案,在设备配置的选择,除了可视对讲系统功能外,管理主机及室内主机另自带有智能家居及安防报警系统两大系统功能,住户日后的装修只要简单的配置,即可享受到开发商为智能住宅的建设,让住户除了原有传统功能的可视对讲功能外,亦能享受到智能科技带来的便利性,以及居家的安全性,更凸显出小区的智能化的功能性建设。
在智能家居系统功能上,我们建置的室内可视对讲机是一台多功能主机,具备有三合一通讯(影音通讯对讲、结合市内电话当对讲分机、外出电话转接对讲),同时它也是一台智能家居室内主机,您能从主机触控面板上执行室内灯光、窗帘、空调、电视、多媒体等控制,以及执行各种的场景模式的控制,如外出、居家、睡眠等场景模式。
使用iPad、iPhone、安卓等智能手机透过3G网络作远程控制,在网络不及之处还可以使用短消息发送关键词方式做远程控制。
室内主机在安防报警功能上,可提供大门、后门、瓦斯外漏、火警、及2组门窗回路等安防报警功能,另可搭配1DI/1DO多功能应用控制模块作安防回路设置,回路数目不受限制。
警情发生时室内主机会主动发送短消息通知业主,并同时发送至管理中心总机及大门玄关机等告警,达到多报齐发等功能。
安防报警时,可搭配设定灯控开关作灯光闪烁作报警。
●在智能家居建设方案选择上-精装修方案对于精装修房的建设上,我们建议在经济考虑上,可以在屋内现有的智能家居设备做检讨,分成必要性设备及次要性设备(如必要的灯控开关),做成选配型的配套方案,如豪华型、舒适型、简单型等。
别墅群可视对讲及门禁系统1. 简介别墅群可视对讲及门禁系统是一种用于别墅群的平安控制系统。
它通过集成可视对讲和门禁功能,提供了一种方便、高效的平安管理解决方案。
本文将介绍别墅群可视对讲及门禁系统的工作原理、主要组成局部以及应用场景。
2. 工作原理别墅群可视对讲及门禁系统的工作原理主要分为三个步骤:识别、验证和授权。
2.1 识别系统通过使用摄像头和麦克风等设备,对进入别墅群的人员进行实时识别。
通过人脸识别、声音识别等技术,系统可以准确地识别出人员的身份信息。
2.2 验证在识别完成后,系统会将人员的身份信息与预先存储的数据进行验证。
这些数据可以包括居民的姓名、联系方式、身份证号等信息。
系统将根据验证结果判断该人员是否有权限进入别墅群。
2.3 授权如果人员通过了验证,系统将根据其权限级别进行授权。
授权可以包括开启门禁、开启特定区域的门禁、开启门锁等操作。
系统可以通过与电子门锁、电子门禁等设备的连接,实现对门禁的控制。
3. 主要组成局部别墅群可视对讲及门禁系统由以下主要组成局部构成:3.1 控制中心控制中心是整个系统的核心组件,负责接收和处理来自摄像头、麦克风等设备的数据,并进行身份识别、验证和授权操作。
控制中心通常由一台高性能的效劳器来承当。
3.2 摄像头和麦克风摄像头和麦克风是用于采集人员的影像和声音的设备。
它们通常被安装在别墅群的大门或入口处,可以实时地进行人员的识别。
3.3 人脸识别算法人脸识别算法是系统中的重要组成局部,它通过对人脸进行特征提取和比对,实现对人员身份的准确识别。
人脸识别算法的准确性和速度直接影响系统的性能。
3.4 数据存储与管理系统数据存储与管理系统负责存储和管理系统所需的各种数据,包括居民信息、权限信息、识别记录等。
这些数据可以用于之后的识别、验证和授权操作。
4. 应用场景别墅群可视对讲及门禁系统广泛应用于高端小区、别墅群等地方。
它可以提高小区的平安性和管理效率,为居民提供更好的生活环境。
别墅联网型可视对讲方案说明随着科技的进步与智能化的应用,越来越多的人们选择将智能化的技术应用于生活中。
别墅联网型可视对讲方案就是这样的一种技术应用方案。
本文将从什么是别墅联网型可视对讲方案、方案的原理、特点和需求等方面进行详细阐述,以便更好地了解此项技术应用方案。
一、什么是别墅联网型可视对讲方案别墅联网型可视对讲方案是指在住宅门禁系统中使用可视对讲的方式使进出门的人员进行互动联系的技术应用方案。
利用此项技术,住宅业主可以远程观看门口情况,选择开门或保持不开门状态。
二、方案的原理别墅联网型可视对讲方案是利用IP网络实现联网通信的,所以需要安装联网设备和相关软件支持。
在门禁处通过安装一台集视频、音频、网络、对讲等功能于一身的设备,利用高清、双向的摄像头和麦克风完成通话和视频传输,给业主带来高质量的交互体验。
同时,设备可以联网,业主可以通过运用家庭网络来收发信息,实现高效、方便的管理与控制。
三、特点1.高清、双向的视频传输质量以及使用简单、便捷的管理方式,能够为业主提供更为灵活、安全、可靠的远程门禁管理体验。
2.可以随时随地远程查看门口情况,业主可以通过手机、平板电脑等移动终端,实时关注到门口情况,保证安全,同时也方便了业主的生活。
3.以“机动性”为宗旨,别墅联网型可视对讲方案能够让业主轻松控制访客的进出门的权限管理,随时开关梯控、门禁等系统,对大楼进行全面的管理。
4.一定程度上能够防止短信、邮件等信息的遗漏或干扰,从而保证门禁管理的高效性。
5.别墅联网型可视对讲方案可以进行系统的实时信息化管理,实现对系统运行情况的监控和实时处理,以确保业主随时可以使用系统。
四、需求1.业主安全需求。
安全是业主对住宅的基本需求,通过别墅联网型可视对讲方案的应用,能够有效的完善门禁系统,提高住宅的安全性。
2.业主生活质量需求。
通过此项技术应用方案,业主可以更便利地进行远程门禁管理,实现随时随地查看门口情况,保障了业主舒适、健康的生活方式。
别墅型可视对讲系统配置方案一系统主要组成部件独户型楼宇可视对讲系统一般由带门禁接口可视对讲主机(也称门口机)、可视对讲分机(也称可视对讲室内机)及系统电源、电锁、锁电源、开锁盒、闭门器、防盗门等组成。
二系统的工作方式客人进入小区前,可通过小区门口机按欲访住户的房间号,呼叫欲访住户的可视对讲室内机,被访住户的主人可与来访者进行双向通话或可视通话,通过来访者的声音或图像确认来访者的身份。
确认可以允许来访者进入后,住户的主人利用室内机上的开锁按键, 控制入口门上的电控门锁打开。
房门平时总处于闭锁状态,避免外来人员在未经允许的情况下进入房内,本房内的住户可以用钥匙或IC卡自由的出入房门。
当有客人来访时,客人需在房门外的门口机上呼叫按键,呼叫欲访住户的对讲室内机。
被访住户的主人可与来访者进行双向通话,通过来访者的声音确认来访者的身份。
确认可以允许来访者进入后,住户的主人利用室内机上的开锁按键,控制房门上的电控门锁打开,来访客人即可进入屋内,来访客人进入屋后,楼门自动闭锁。
三主要组成部分参数1、豪华型彩色可视对讲主机AVC-28B03C 产品特性:■外壳材质:豪华铝合金■接在分机前面,实现二次呼叫确认■彩色CCD摄像头,夜视功能■预留门禁窗口,可接ID、IC卡门禁■安装方式:壁挂式2、豪华型黑白可视对讲室内机AVC-28R02C-70产品特性:■免提可视对讲■彩色7"TFT显示屏■监视、呼叫、报警、开锁■可接二次确认门口机■支持户内并机■带一路立即报警防区■外形尺寸:230x140x22mm■安装方式:壁挂式四对讲系统布线规范所有系统内的电缆线与强电或220V交流电缆必须相距30cm以上,距离条件不允许的情况下,必须加铁管或铁线槽屏蔽保护。
别墅联网型可视对讲方案说明目前,智能化小区建设在全国范畴内迅速开展起来,利用现代科技力量,为小区居民住户提供保安、生活、消费、信息等多种服务,提供一个安全、舒服生活环境,差不多被众多房地产开发商所认识。
在猛烈的房地产市场中,加大小区住宅科技含量,建设适用的“智能化”小区,满足新形势下市场要求,差不多成为房地产建设中一道亮丽的风景线,成为房地产销售中新的卖点。
我们公司致力于小区智能化建设工作,专业技术人才力量雄厚,拥有较强的智能化小区开发、设计、施工能力,主持并参与多个智能化小区项目建设,体会丰富。
我们公司紧密跟随中国小区“集成化、网络化、信息化”进展状况,结合建设部《全国住宅小区智能化系统示范工程建设要点与技术导则》及小区智能化建设星级标准要求,推出“金积嘉”智能化小区安防集成系统,能够将繁多小区智能系统进行集成,实现无缝连接,真正适合智能化小区进展需要。
衷心感谢贵公司提供的宝贵机会,我们将依照小区智能化建设需要,为您公司制作详尽的技术解决方案,期望能利用我们丰富的工程体会,专业的技术,优质的售后服务,为建设一个高品质的智能化小区而服务!1.依照国家建设部住宅产业化办公室对“住宅智能化”的定义,住宅小区智能化是利用4C(运算机、通讯与网络、自控、IC卡)技术,通过有效的传输网络,将多元信息服务与治理、物业治理与安防融为一体的智能化系统集成(楼宇保安可视对讲系统、家庭联网防盗报警系统)。
参照上述定义,我们专门对贵处提出了“金积嘉”楼宇智能化系统的几点建议,特供贵处参考:2.本方案依据以下有关标准制定a)建设[1997]290 建筑智能化系统工程设计治理暂行规定b)GA/T75-94 安全防范工程程序与要求c)GA/T70-94 安全防范工程费用概预算编制方法d)GB10408.1-89 入侵探测器通用技术条件e)GB12663-90 防盗报警操纵器通用技术条件f)JGJ/T16-92 民用建筑电器设计规范g)GBJ-115-87 工业电视系统工程设计规范一、不墅型可视对讲系统(含家庭联网防盗报警系统)本着设备选型的先进性与合理操纵系统造价的原则,我们可将不墅型对讲系统和家庭联网报警系统合而为一,采纳“金积嘉”联网防盗对讲系统,设计的差不多系统为不墅型(可视不可视兼容)保安对讲-家庭防盗报警系统,并预留有进户视频线,今后能够依照住户的需要升级为可视系统。
“金积嘉”不墅型联网防盗对讲系统是一种适用于不墅型住宅现代化楼宇保安防盗系统。
它可实现来访人员、住户、治理处间的相互呼叫、对讲,同时该系统还能够依照用户的需要增加住户家庭报警功能,治理员机能够接收住户家里的各种报警信号,从而大大提高了住宅的安全防盗能力。
该系统采纳微处理器操纵,与同类产品比较,它具有功能齐全、配置灵活、走线少、保密性强、系统可靠性高、操作简便、施工爱护方便等优点。
金积嘉系列可视对讲系统是深圳市金积嘉电子有限公司开发生产的js-2000系列产品。
该产品引进了国外的先进技术,具有可靠性高、保密性强、扩展性好等特点。
可选配为联网型或非联网型,并可选配为可外接煤气泄漏探头、红外微波双鉴探头、紧急按钮、门磁开关等,组成完整的家居电子安防系统。
金积嘉系列可视对讲系统深受国内外市场的欢迎,金积嘉系列保安防盗、可视对讲产品是一种适用于住宅小区或不墅区防盗保安的现代化保安产品,集对讲、门禁、家庭防盗、联网报警于一体,采纳最新的微电脑及电子技术,和模块化、开放式系统设计,运用先进的网络结构,以中央运算机和治理员机为核心,能够覆盖5平方公里的区域为多达50万户居民提供可视对讲、门禁、报警服务。
由于产品的优良性能和可靠品质,使得本系列产品在深圳及国内许多都市获得了广泛的应用。
1、系统组成金积嘉系列保安防盗对讲产品由于采纳了先进的模块化、开放式设计,因此能够依照用户的不同使用要求,象堆积木一样运用不同的设备就能够构成不同的系统,例如能够组成J S-11保安对讲系统、J S-21可视对讲系统、J S-43小区联网防盗报警系统、J S-45小区智能化保安治理系统等。
不同的系统只需增加极低的费用就可获得性能升级,而且还能够和许多通用的报警传感器连接实现家庭防盗与联网报警。
门口机外形图 金积嘉系列产品包括下列设备: ◆ 中央运算机(JS-45联网报警治理软件)◆ 运算机附件(如打印机、UPS 电源等)◆ 治理员机◆ 数码式门口机◆ 解码器◆ 住户话机(可视或不可视话机)◆ 系统电源◆ 报警电源◆ 家庭报警组件(报警键盘、紧急按钮、门匙、被动红外报警器、对射红外报警器、煤气报警器等)2、要紧设备简介2.1、治理员机治理员机在小区治理处内安装,用于与来访者或住户双向对讲、接收住户报警信号并进行信号处理及向中央运算机传递。
其外形见右图,壳体尺寸为270*220*45mm3 。
治理员机可采纳挂墙式安装,安装高度以距地1.4-1.5米为宜,也可安放于治理职员作台上。
治理员机通过其上的三个航空插座CN1、CN2、CN3出线,分不接至系统电源、门口机、中央运算机等设备。
2.2、数码式围墙机数码式围墙机供来访者操作使用,能够呼叫住户或与治理处联系,能够在围墙机上输入密码操纵开锁。
围墙机在小区入口处安装,采纳不锈钢豪华面板,具备完善的操作提示方便操作,其外形见右图。
壳体尺寸为270*220*45mm3 ,面板尺寸为300×250×5mm3 。
2.3、中继器用于将门口机发送来的编码信号进行解码,然后选通相应住户进行呼叫和通话,或接收住户家里的报警信号向中央传递。
外型尺寸为160×135×45mm3 ,安装高度以距地1.4-1.5米为宜。
治理员机外形图 JS-45联网报警治理软件中继器外形图2.4、住户话机住户话机用于与来访者通话,或开启防盗门,也可与治理员通话。
当采纳可视话机,通话时住户能够看到来访者的图像。
住户话机通常挂墙安装在住户家中,安装高度以距地1.4-1.5米为宜。
JS-328 JS-391 2.5、系统电源系统电源提供对讲系统及中央治理员机的用电,具有高低压爱护及停电保持功能,安装于治理员机、门口机邻近。
2.6、报警组件报警键盘在住户家里安装,能够连接紧急按钮、被动红外报警器、煤气报警器等,并能够进行设防、撤防、延时设定、报警参数设定等多种操作。
3、功能介绍◆系统容量:一台治理员机可接256个中继器,每个中继器可接8个住户话机和8个报警键盘,每个报警键盘可接4路报警防区。
◆系统结构:系统采纳分级式结构,即分为治理员机、门口机、中继器、住户等四级,其中治理员机与围墙机及中继器间采纳总线式布线,治理员机与围墙机及中继器间连接只需4根连接线;从中继器进户采纳星形连接,一户用8根线(含报警线)。
采纳这种结构一方面能够节约材料,减少工程量,而且能够大大提高系统的可靠性和稳固性,一户话机或报警传感器显现咨询题可不能阻碍整个系统的工作。
◆可视功能:在门口机上安装小型摄像机,住户家里安装有可视话机能够方便的看到来访者的图像或监视大门的情形。
◆操作、爱护容易:系统操作简便,并配有醒目的操作提示和完善的自诊断功能,易学易用易爱护。
◆住户话机:3.1可与门口机和治理员机双向通话,专业设计的通话电路使双方能同时听到清晰的对讲声。
3.2保密功能设计:有用户在使用时,其他用户无法听到通话内容及阻碍其操作。
3.3室内开锁功能:用户可在室内操纵开启住宅的大门。
3.4自动定时关机功能:用户每次通话时刻为60秒钟。
3.5多种报警:预留有住户4路报警防区的报警接口,在需要的时候能够接入门匙、被动红外报警器、对射红外报警器、煤气报警器等报警传感器实现多种报警功能,例如:A)防盗防劫在每家房门处安装门匙开关,客厅安装红外/微波双鉴探测器,也能够在阳台、卧房安装探测器。
当有人非法打开门、窗或闯入报警传感器的探测区域时,能赶忙报警至小区治理中心。
B)煤气泄漏报警在住户厨房安装煤气探测器,当探测到煤气泄漏浓度超过标准时能够赶忙向小区治理中心报警,同时能够操纵关闭煤气阀门。
C)烟雾探测报警烟雾探测器可安装于住户客厅,当发生火警、烟雾浓度超过标准时,能够赶忙报警至小区治理中心。
◆门口机:1、可与住户或治理中心呼叫对讲。
2、防破坏报警设计:当有人非法拆动或是破坏门口机时会发出报警声。
3、门口机上的微型摄像机具有弱光补偿功能。
◆治理员机1、可呼叫各个住户话机及各围墙机。
2、报警功能:当住户报警时,治理员机会发出“嘀嘀”的报警声,并能显示报警房号及警情提示。
3、报警经历功能:能够储存60条报警信息。
◆停电爱护:系统配有后备电源。
遇到停电,后备电源能自动开始工作,保证系统正常运行。
◆运算机治理:治理员机能够将报警信息传给运算机,从而实现住户资料和报警资料的运算机治理。
金积嘉楼宇保安可视对讲系统设备技术参数名称:治理员机型号:JS-211容量:50万户电源:20VDC功耗:<15W使用温度:-20 (55)面板尺寸:宽: 22cm 长:27cm 厚:5cm重量:3kg名称:数码式围墙机型号:JS-218A容量:9999户电源:20VDC功耗:<10W使用温度:-20 (55)面板尺寸:宽:25cm 长:30cm 厚:0.5cm底盒尺寸:宽:22cm 长:27cm 厚:4cm摄像机:1/3”CCD视角:90°最小照度:0.1LUX重量:3kg名称:可视分机型号:JS-328电源:18VDC静态功耗:5W动态功耗:14W使用温度:-30℃~+50℃尺寸:宽:17.9cm 长:22.1cm 厚: 5cm显示屏:4”黑白显像管呼叫声:叮咚声视频输入阻抗:75欧姆辨论率:400线颜色:白色重量:1.18 KG名称:报警主机型号:JS-119电源:12~20VDC功耗:0.2W~2W使用温度:-20 (55)面板尺寸:宽:6cm 长:22cm 厚:4cm重量:200G。