五金折弯学徒岗位职责说明书
- 格式:doc
- 大小:57.50 KB
- 文档页数:2
折弯机岗位职责(共8篇)第1篇:折弯机操作工岗位职责折弯机操作工岗位职责在钣金车间主任的领导下,认真学习遵守公司各项规章制度,服从领导工作的安排,团结员工,积极努力,力行节约做好本职工作,制作出合格的产品。
1、负责日常例行保养,对折弯机进行检查、维修、调整、紧固,并做好记录。
2、熟知本工种的安全技术操作规程,严格按安全技术交底和操作规程作业。
掌握折弯机正常操作方法,在机械出现异常情况时,能准确判断,及时、正确地采取紧急措施。
4、检查储油箱油量是否充足,启动油泵后检查阀门、管路是否有泄漏现象,压力应符合要求。
5.折弯机启动前须仔细检查电机、开关、线路和接地是否正常和牢固,检查设备各操纵部位、按钮是滞在正确位置。
6.检查上下模的重合度和坚固性;检查各定位装置是否符合被加工的要求。
7.在上滑板和各定位轴均未在原点的状态时,运行回原点程序。
8.设备启动后空运转1—2分钟,上滑板满行程运动2—3次,如发现有不正常声音或有故障时要立即停车,将故障排除,一切正常后才可以工作。
9.工作时应由1人统一指挥,使操作人员与送料压制人员密切配合,确保配合人员均在安全位置才可以发出折弯信号。
10.折弯机折板料时必须压实,以防在折弯时板料翘起伤人。
11.调板料压模时必须切断电源,停止运转后进行。
12.在改变可变下模的开口时,不允许有任何料与下模接触。
13、经常检查紧固螺钉有无松动。
14、不要独自1人操作折弯机,应由2人协调进行送料、控制尺寸精度及取料等,并确定由1人统一指挥。
15、工作台上不得放置其他物品。
16、调整清扫必须停车进行。
17、下班前,应堆放好成品,清理场地,切断电源,锁好开关箱。
第2篇:折弯操作员岗位职责1.负责日常例行保养,对折弯机进行检查、维修、调整、紧固,并做好记录。
2.熟知本工种的安全技术操作规程,严格按安全技术交底和操作规程作业。
掌握数控折弯机正常操作方法,在机械出现异常情况时,能准确判断,及时、正确地采取紧急措施。
折弯岗位职责一、岗位背景为了有序、高效地开展企业的生产工作,确保产品质量和生产效率,折弯岗位职责制度被制定出来。
本制度适用于所有从事折弯工作的职员。
二、岗位简介折弯岗位是生产过程中的一个重要环节,主要负责将金属材料进行弯曲加工,使其成为符合产品设计要求的零部件。
三、岗位职责1. 技术操作:•根据产品生产计划,准确理解工程图纸和相关技术文件;•根据工程图纸和工序要求,选择合适的机床、刀具、模具等,并进行调试和准备工作;•根据操作规程,进行工件装夹,并合理调整工装夹具;•根据产品零件折弯程序,进行折弯操作;•对折弯后的产品进行检查,确保其尺寸、形状、角度等满足要求;•按照工序要求,对折弯工序进行相关数据的记录和汇总。
2. 设备保养维护:•负责折弯设备的日常维护工作,包括设备的清洁、润滑和故障处理等;•定期检查设备的电气线路、传动部件和液压系统,并保持其正常运行;•及时上报设备故障和维修需求,提出设备升级或更换的建议。
3. 安全控制:•遵守并执行企业的安全生产制度和规范,保证工作场所的安全和秩序;•确保使用个人防护用品,如手套、护目镜等,在操作过程中做好自我保护;•使用折弯设备时,严格遵守操作规程和安全操作要求,防止事故发生;•发现安全隐患或危险情况,及时报告并采取措施解决。
4. 协作与沟通:•积极与其他部门进行沟通,了解产品的工艺要求,并及时反馈相关问题;•同其他职能部门协作,解决产品生产过程中的难题;•及时向上级汇报工作进展和存在的问题,并提出改进意见。
四、绩效考核标准1. 技术操作表现:•完成工作任务的数量和质量;•折弯工艺的准确性和稳定性;•操作规程的合规性和工艺文件的正确使用;•工件尺寸和形状符合设计要求的比例。
2. 设备保养维护表现:•设备保养的及时性和全面性;•设备故障处理的有效性和快速性;•提出设备升级或更换的建议和创新性。
3. 安全控制表现:•遵守安全规定和操作要求;•工作场所的安全和整洁;•安全隐患的及时发现和整改;•安全事故的发生率和事故处理的及时性。
五金折弯车间的岗位说明书一、岗位名称:五金折弯车间操作工二、岗位职责:1. 根据生产计划,准确配置和调整机械设备,包括五金折弯机、送料机等,确保设备正常运行。
2. 检查机械设备,确保机械设备的正常运行状态,如发现异常,及时报告维修人员进行维修。
3. 负责安装合金模具,并根据产品要求进行调整,以确保产品质量。
4. 进行五金材料的测量、计算和加工,根据工艺流程进行折弯加工。
5. 按照产品要求进行折弯和成型操作,确保产品的质量和准确度。
6. 定期检查和更换设备用品,如刀具等,保证设备的工作效率和安全。
7. 配合相关部门进行生产计划和工艺流程的安排,确保生产进度的达成。
8. 参与五金折弯车间的安全生产工作,严格遵守安全操作规范,确保工作场所的安全和整洁。
三、任职要求:1. 具备相关工业机械操作经验,熟悉五金折弯机和相关设备的操作和维护。
2. 具备一定的数学和计算能力,能够精确测量和计算五金材料的尺寸和角度。
3. 具备团队合作精神,能够积极配合其他岗位,完成生产任务。
4. 具备一定的机械维修知识,能够进行设备的维护和维修。
5. 具备较强的责任心和安全意识,能够依照操作规范工作,确保安全生产。
6. 具备较好的观察力和问题解决能力,能够及时发现和解决设备故障。
7. 有较强的抗压能力和适应能力,能够适应工作环境和工作强度的变化。
8. 具备良好的沟通和协调能力,能够与同事和上级有效沟通,协助解决工作中的问题。
四、薪资待遇:1. 薪资根据经验和能力面议,可提供适当的技能培训。
2. 提供法定福利,如社会保险、带薪休假等。
3. 年底绩效考核,按照绩效结果发放奖金或年终奖金。
4. 提供良好的工作环境和发展空间,有晋升机会。
五、工作时间:1. 正常工作时间为8小时/天,周末休息。
2. 如有特殊情况需要加班,根据国家相关法律法规执行相应的加班费。
六、评估标准:1. 生产任务的完成情况。
2. 产品质量和准确度。
3. 设备的运行状态和使用效率。
折弯工岗位责任制
1、负责安全:实施一岗双责制,工作的同时必须对物、对他人、对自身以及对
环境的安全负责,确保安全生产。
2、负责品质
(1)工艺问题:执行上级制定的工艺方法,按图制作,对产品的外观、尺寸、变形等负责。
(2)自身问题:提升技能,勿怠工、随意/故意、不听安排、不使用制定的生产工艺、折弯污染划伤特殊要求的产品而导致品质问题的须负责。
(3)设备问题:负责设备的日常维护、保养和整洁并记录,负责设备的异常检修、记录和上报。
(4)环境问题:负责设备周边的环境整洁、机床整洁、配料堆放和折弯完成后的摆放,折弯刀具的正确堆放。
(5)材料问题:负责核对下料尺寸、材质、不良缺陷等问题,及时上报。
3、负责成本
(1)材料成本:①错量错折;②折前折后保护措施;③折弯刀具的正常使用;④节约劳防;⑤节约水电;⑥不良品上报,随意丢弃追责。
(2)人工成本:响铃后必须在岗,设备必须是待工状态,先来先折,严格执行折弯计划,使用程序一次折弯完成,拒绝反复拿取和区域堆积。
(3)时间成本:负责执行折弯工艺,缩减折弯时间,使用程序提供高效的折弯方法,拒绝内耗、消磨、怠工。
4、负责交期
(1)接单日期:判定各项目折弯计划的排班时间。
以便明确插单还是顺延。
(2)交货日期:负责计划任务的及时折弯生产,确保项目顺利达到共同交期。
无故延期,按规处罚;
5、违规处罚:
(1)凡发生违反本企业有关责任制的规定的根据本企业的有关规章制度进行处罚。
(2)凡发生安全生产事故的责任人、第一责任人及相关人员应根据本企业的有关规定作出相应的教育、警告、罚款、记过、培训、辞退等处分。
五金厂岗位职务说明书范文
五金厂岗位职务说明书
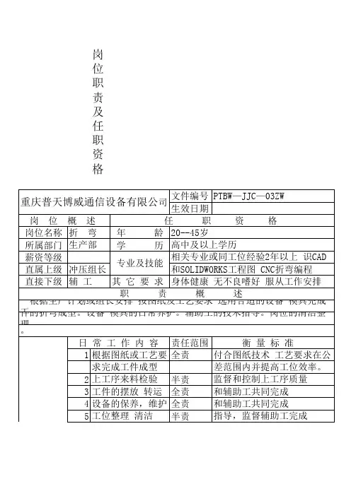
岗位名称:五金厂生产工人
岗位职责:
1.执行公司的生产计划,按时按质地完成产品的生产任务;
2.配合生产部门进行生产设备的准备和调试工作,确保设备的
正常运行;
3.负责根据产品图纸和工艺流程,对原材料进行切割、焊接、
打磨、喷涂等加工操作;
4.对加工过程中出现的质量问题进行及时发现和处理,确保产
品质量达到公司要求;
5.负责对加工设备进行日常维护和保养,保证设备的正常运行;
6.严格遵守生产操作规程,保证工作安全和环境卫生;
7.积极参加公司组织的技能培训,提升自身的技能水平。
任职要求:
1.年龄在18-45岁之间,身体健康;
2.熟悉五金加工工艺和操作流程,有相关工作经验者优先;
3.具有一定的机械操作和维修基础知识;
4.具备良好的团队协作能力,能够积极配合同事开展工作;
5.责任心强,工作细致认真;
6.遵守公司的纪律制度,有良好的职业道德和职业操守。
二级数控折弯工岗位职责说明书一、岗位概述二级数控折弯工是指在进行金属材料的数控折弯加工工作时,根据工艺要求进行设定和操作数控机床,完成零件的折弯加工任务。
本职位要求具备一定的数控折弯机床操作技能和相关工艺知识。
二、岗位职责1. 进行工艺准备a. 按照生产计划和工艺要求,准备所需的数控折弯机床、夹具和刀具。
b. 检查和调整数控折弯机床、夹具和刀具的准确性和合理性。
c. 根据所加工零件的工艺要求,编写数控程序。
2. 加工操作a. 按照工艺要求,将金属材料放置到数控折弯机床上,并固定好。
b. 根据编写好的数控程序,设定好数控系统的参数,确保加工精度和质量。
c. 进行机床手动操作和自动加工操作,保证加工过程的顺利进行。
d. 监控加工过程中的各项参数,及时发现并调整存在问题。
e. 定期检查数控折弯机床的工作状态和保养维护情况。
3. 质量控制a. 确保每个加工零件都符合工艺要求和质量标准。
b. 配合质检部门进行加工过程中的质量把关和成品抽检工作。
c. 及时处理因加工导致的质量问题,提出改善意见。
4. 安全生产a. 遵守公司的安全生产制度和操作规范,保持工作环境的整洁和安全。
b. 负责数控折弯机床的操作安全和日常维护保养工作。
c. 发现并及时上报机床故障、安全隐患等问题,确保工作安全。
5. 技能培养a. 学习和掌握新的数控折弯工艺和加工技术。
b. 参与公司组织的技能培训和学习活动,提升自身的专业水平。
c. 与同事和领导保持良好的沟通,相互学习和交流经验。
以上为二级数控折弯工的岗位职责说明。
希望通过对此岗位职责的准确理解和执行,能够为公司的生产加工工作提供高质量、高效率的支持,保证产品的质量和交货期的准时完成。
五金车间岗位职责说明书一、岗位背景五金车间作为一个重要的生产线,承担着铸造、锻造、加工等工艺环节,保证了产品的质量和生产效率。
本岗位职责说明书旨在对五金车间的职责进行详细阐述,便于员工清楚了解自己的工作职责,提高生产效率和产品质量。
二、岗位职责1. 工艺操作五金车间的员工需要熟悉各种铸造、锻造、加工工艺的操作要点,并根据工艺要求进行具体操作。
例如,铸造工人需要根据产品要求,调整铸造温度、熔炼时间和铸型设计,保证产品的成型质量。
锻造工人需要掌握锻造工艺参数,合理调整锻造温度和锻击力度,确保产品的力学性能满足要求。
加工工人需要根据产品图纸要求,进行精细加工,确保产品的尺寸和表面质量。
举例:在五金车间的锻造工人岗位上,当铸造温度过高时,会导致产品出现金属流动性差的问题,容易出现缺陷。
因此,锻造工人需要及时调整温度,确保产品的质量符合要求。
2. 设备维护五金车间的员工需要对所用设备进行日常的检修和保养工作,保证设备的正常运行,并及时发现设备故障,进行维修或报修。
例如,定期对铸造设备进行润滑,清理设备周边杂物,确保设备的正常运转。
举例:在五金车间的铸造工人岗位上,经过一段时间的使用,铸造设备的润滑油会变质,影响设备的运行。
因此,铸造工人需要每隔一段时间对设备进行润滑油更换。
3. 质量检验五金车间的员工需要对生产过程中的产品进行质量检验,确保产品的合格率。
例如,对铸造产品的表面进行目测检查,发现表面缺陷及时处理;对锻造产品进行拉伸、硬度等物理性能的测试,确保产品的力学性能符合要求。
举例:在五金车间的加工工人岗位上,加工过程中可能会出现尺寸误差,加工工人需要使用量具对产品的尺寸进行测量,并及时调整工艺参数,保证产品的尺寸符合要求。
4. 安全生产五金车间的员工需要严格遵守安全操作规程,正确佩戴劳动防护用具,并参与安全知识培训,增强安全意识。
例如,对于高温的工艺操作,员工需要戴好防火面罩,佩戴隔热手套等防护装备,并做好防火防爆措施。
三级数控折弯工岗位职责说明书一、岗位简介三级数控折弯工作是金属加工行业中一项重要的职位。
数控折弯工通过数控设备对金属材料进行折弯加工,使其成为各种形状的零部件。
本职岗位要求熟练掌握数控设备操作技巧和金属材料的加工特点,具备良好的工艺调试和问题解决能力。
二、工作职责三级数控折弯工的主要职责包括但不限于以下几点:1. 机床操作- 熟悉并掌握数控折弯机床的操作及相关控制系统;- 能够准确读取图纸和加工工艺卡,了解产品要求,并根据要求调整机床参数;- 根据工艺要求与相关部门沟通,制定并执行加工方案,确保产品质量;- 根据产品要求选择合适的夹具、切割刀具等辅助装置,并进行安装和调试;- 对机床的日常维护保养,确保机床正常工作。
2. 加工准备- 按照加工工艺要求,选择合适的原材料进行加工准备;- 对原材料进行清洗、切割等预处理工作,确保材料表面无油污、划痕等缺陷;- 确保所用夹具、刀具等辅助装置的干净、整齐,并进行必要的维护保养。
3. 加工操作- 将原材料放置在机床工作台上,并通过夹具固定,确保操作的安全性;- 根据图纸要求,在机床上设定合适的加工参数,并调整机床刀具位置;- 运行数控程序,启动机床自动化加工过程,监控加工过程的稳定性和准确性;- 定期检查加工质量,及时调整机床参数,保证产品的尺寸精度和外观质量;- 及时处理加工中出现的异常情况,如刀具磨损、夹具松动等,并记录相关信息。
4. 质量检查- 对加工完成的产品进行质量检查,确保产品满足图纸要求和工艺要求;- 使用相应的测量工具(如千分尺、量规等)进行精确测量,并进行数据记录;- 对加工过程中出现的问题进行记录,及时反馈给相关部门,提出改进措施;- 参与产品质量异常的分析和改善工作,提高产品质量。
5. 安全与卫生- 严格遵守工作场所的安全操作规程和相关操作规定;- 对机床设备、工作环境等进行日常巡检,及时发现并解决安全隐患;- 配合公司安全环保部门进行相关的安全培训和应急演练;- 做好岗位卫生清洁工作,保持工作区域的整洁干净。
折弯操作岗位职责折弯操作岗位负责金属材料的折弯加工工作,主要责任是根据工艺要求和生产计划进行加工操作,确保生产线的顺畅、高效和稳定运行。
以下是折弯操作岗位的详细职责:1. 计划加工流程:制定折弯加工流程,根据工程图纸和产品要求调整设备,制定加工方案和工艺流程,确保加工线的启动、停止和运行质量。
2. 设备调试:对于折弯机或各种情况的设备,并根据生产要求适当调整,以确保设备的正常运行。
如更换刀具,调整参数等等。
3. 加工操作:操作折弯机进行金属材料的折弯操作,根据工艺参数进行设备的启动调试,设备加工参数的设置,手动调整、实时监控加工状态,确保加工效率和质量。
4. 检查产品质量:负责对完成加工的产品质量和尺寸进行检查和测量,并运用相关工具和设备进行质量测量记录,以确保产品质量达到标准和定制要求。
5. 设备保养:按照设备运行要求进行设备的卫生和日常检查,注重设备附件的检查,确保设备的正常运行,并及时修理和保养设备出行正常。
6. 坚持遵守规定:负责遵守公司的安全、环保、生产管理等方面的规定和流程,遵守标准化操作,严格执行安全操作规程,保障自己和他人的安全。
7. 提高生产效率:密切关注加工质量和生产量的平衡,掌握有效的时间管理和优化生产流程。
定期对计划和实际生产效率进行对比分析,提出改进和优化的建议和方案。
8. 处理异常情况:紧急情况下处理各种设备和工艺异常问题,并与其他工作人员共同配合处理,确保生产运营顺畅,并及时向更高层级报告重要问题。
总之,折弯操作岗位是生产线上非常重要的一个职位,随着金属制品需求的增加,折弯操作岗位的作用变得越来越重要。
这个岗位需要有一定的机械加工基础和相关经验,严谨、细心、耐心以及强大的团队合作精神都是折弯操作岗位非常宝贵的素质。
折弯岗位职责(精选3篇)折弯篇11.负责日常例行保养,对折弯机进行检查、维修、调整、紧固,并做好记录。
2.熟知本工种的安全技术操作规程,严格按安全技术交底和操作规程作业。
掌握数控折弯机正常操作方法,在机械出现异常情况时,能准确判断,及时、正确地采取紧急措施。
3.检查储油箱油量是否充足,启动油泵后检查阀门、管路是否有泄漏现象,压力应符合要求。
4.折弯机启动前须仔细检查电机、开关、线路和接地是否正常和牢固,检查设备各操纵部位、按钮是滞在正确位置。
5.检查上下模的重合度和坚固性;检查各定位装置是否符合被加工的.要求。
6.在上滑板和各定位轴均未在原点的状态时,运行回原点程序。
7.设备启动后空运转1—2分钟,上滑板满行程运动2—3次,如发现有不正常声音或有故障时要立即停车,将故障排除,一切正常后才可以工作。
8.工作时应由1人统一指挥,使操作人员与送料压制人员密切配合,确保配合人员均在安全位置才可以发出折弯信号。
9.数控折弯机折板料时必须压实,以防在折弯时板料翘起伤人。
10.调板料压模时必须切断电源,停止运转后进行。
11.在改变可变下模的开口时,不允许有任何料与下模接触。
12.经常检查紧固螺钉有无松动。
13.工作台上不得放置其他物品。
14.调整清扫必须停车进行。
15.下班前,应堆放好成品,清理场地,切断电源,锁好开关箱。
折弯岗位职责篇2在钣金车间主任的领导下,认真学习遵守公司各项,服从领导工作的安排,团结员工,积极努力,力行节约做好本职工作,制作出合格的产品。
1、负责日常例行保养,对折弯机进行检查、维修、调整、紧固,并做好记录。
2、熟知本工种的`安全技术操作规程,严格按安全技术交底和操作规程作业。
掌握折弯机正常操作方法,在机械出现异常情况时,能准确判断,及时、正确地采取紧急措施。
4、检查储油箱油量是否充足,启动油泵后检查阀门、管路是否有泄漏现象,压力应符合要求。
5.折弯机启动前须仔细检查电机、开关、线路和接地是否正常和牢固,检查设备各操纵部位、按钮是滞在正确位置。
折弯工岗位职责1. 折弯工啊,那可是要把板材折出各种形状的巧匠!就像雕塑家塑造艺术品一样,你得精准地操作机器。
比如要折弯一块金属板,你不得小心翼翼地调整角度和力度,确保一次成功呀!咱的职责就是让每一次折弯都完美无缺。
2. 你想想,折弯工不就是那个让板材听话的人嘛!要像驯服野马一样掌控它们。
就好比有个复杂的折弯任务,你能退缩吗?当然不能啊!你的职责就是迎难而上,把它搞定。
3. 折弯工得时刻保持专注啊,这可不能马虎!就跟开车一样,稍不注意就可能出问题。
比如说在折弯的时候,一个小差池可能就毁了整个工件,这责任可重大着呢!4. 折弯工不就是那个让平凡板材变得不平凡的人嘛!你得有一双巧手和敏锐的眼光。
就像画家给画作添上精彩一笔,你要给板材赋予新的形态,这就是你的职责呀,多牛啊!5. 哎呀,折弯工的职责可重要了,那是产品质量的关键一环啊!好比建房子,你就是那个负责关键结构的人。
要是折弯没做好,后面不都乱套啦?所以得认真对待每一次折弯哟!6. 折弯工可是车间里的明星啊!大家都得靠你呢。
想象一下,没有你折弯出的精确部件,整个生产流程不就卡壳啦?你的职责就是保证一切顺利进行,多厉害呀!7. 折弯工就像是魔术师,能把板材变来变去的。
但这可不是瞎变哦,得按照要求来。
比如客户要特定形状的折弯,你能弄错吗?绝对不行啊,这就是你的职责所在,要精益求精。
8. 嘿,折弯工的工作可不轻松啊,但超有成就感!就像登山一样,虽然过程累,但登顶那一刻超爽。
你的职责就是努力攀登,把每一个折弯任务都征服。
9. 折弯工得有耐心啊,这可不是着急的事儿。
就跟绣花一样,得慢慢来。
比如遇到难折弯的材料,你就得耐着性子一点点调整,这就是你的职责,要沉得住气。
10. 折弯工啊,你就是那个默默奉献的英雄!虽然不常被人注意到,但没你可不行。
就像一颗螺丝钉,看似小,作用大着呢!你的职责就是坚守岗位,为产品质量保驾护航。
我的观点结论:折弯工的岗位职责至关重要,需要细心、专注、耐心和精湛的技术,他们是生产线上不可或缺的关键人物。
折弯工的职责与责任折弯工是制造业中的一个重要岗位,他们负责将平板材料弯曲成所需形状,为产品的组装和制造提供基础零件。
折弯工的职责和责任涉及到多个方面,下面将详细介绍。
1. 生产计划和准备:折弯工需要根据生产计划,准备所需的材料和工具。
他们要根据工程图纸和产品要求,选择合适的材料和模具,并确保设备和工具的正常运行。
2. 技术操作:折弯工需要熟练掌握折弯机的操作技术,能够精确控制弯曲角度、弯曲半径和弯曲位置。
他们需要根据产品要求进行调整和设置,并且在操作过程中保持高度的注意力和专注力,确保每一次弯曲都符合质量要求。
3. 质量控制:折弯工需要对每一次弯曲进行质量检查,确保产品的尺寸、角度和形状都符合要求。
他们要善于发现和解决可能出现的问题,比如材料变形、模具磨损等,及时调整和修理设备,保证产品质量的稳定性和一致性。
4. 安全生产:折弯工在操作折弯机时,需要严格遵守安全操作规程,确保自己和他人的安全。
他们要正确佩戴个人防护装备,注意机器的运行状态,防止事故的发生。
同时,他们还要及时清理和维护设备,确保设备的正常运行和安全性。
5. 协作沟通:折弯工通常是制造团队的一员,他们需要与设计师、生产主管和其他工人进行有效的沟通和协作。
他们要及时反馈生产中遇到的问题和困难,并积极参与问题的解决和改进,以保证产品的顺利生产和交付。
6. 工艺改进:折弯工在实际操作中,经常会遇到一些难以弯曲的材料或者复杂的形状要求。
他们需要根据实际情况,积极探索和尝试新的工艺方法和技术,提高工作效率和产品质量。
他们还需要不断学习和更新相关知识,跟随技术的发展和变化。
7. 责任意识:作为折弯工,他们要对自己的工作质量和效率负责。
他们要保证每一道工序的准确和完整,确保产品的质量和交付的时间。
同时,他们还要积极主动地发现和解决问题,为企业节约成本和提高竞争力做出贡献。
折弯工在制造业中扮演着重要的角色,他们的职责和责任涉及到生产计划和准备、技术操作、质量控制、安全生产、协作沟通、工艺改进和责任意识等多个方面。