(完整版)BY市110kV降压变电所设计
- 格式:doc
- 大小:307.51 KB
- 文档页数:19
电气课程设计110kv降压变电所电气部分设计学号:同组人:时间:2011 __大学__学院电光系一、原始资料1.负荷情况本变电所为某城市开发区新建110KV降压变电所,有6回35KV 出线,每回负荷按4200KW考虑,cosφ=0.82, Tmax=4200h,一、二类负荷占50%,每回出线长度为10Km;另外有8回10KV出线,每回负荷2200KW,cosφ=0.82, Tmax=3500h,一、二类负荷占30%,每回出线长度为10km;2.系统情况本变电所由两回110KV电源供电,其中一回来自东南方向30Km处的火力发电厂;另一回来自正南方向40Km处的地区变电所。
本变电所与系统连接情况如图附I—1所示。
图附I—1 系统示意图最大运行方式时,系统1两台发电机和两台变压器均投入运行;最小运行方式时,系统1投入一台发电机和一台变压器运行,系统2可视为无穷大电源系统。
3.自然条件本所所在地的平均海拔1000m,年最高气温40℃,年最低气温-10℃,年平均气温20℃,年最热月平均气温30℃,年雷暴日为30天,土壤性质以砂质粘土为主。
4.设计任务本设计只作电气初步设计,不作施工设计。
设计内容包括:①主变压器选择;②确定电气主接线方案;③短路电流计算;④主要电气设备及导线选择和校验;⑤主变压器及出线继电保护配置与整定计算⑥所用电设计;⑦防雷和接地设计计算。
二、电气部分设计说明书(一)主变压器的选择(组员:丁晨)本变电所有两路电源供电,三个电压等级,且有大量一、二级负荷,所以应装设两台三相三线圈变压器。
35KV侧总负荷P=4.2×6MW=25.2MW,10KV侧总负荷P=2.2×8=17.6MW,因此,总计算负荷S为S=(25.2+17.6)/0.82MVA=52.50MVA 每台主变压器容量应满足全部负荷70%的需要,并能满足全部一、二类负荷的需要,即S≥0.7 S30=0.7×52.20MVA=36.54MVA 且S≥(25.2×50%+17.6×30%)/0.82MVA=21.80MVA 故主变压器容量选为40MVA,查附录表Ⅱ-5,选用SFSZ9—__/110型三相三线圈有载调压变压器,其额定电压为110±8×1.25%/38.5±5%/10.5KV。
课程设计(论文)题目 110KV变电所一次部分设计学院名称电气工程学院指导教师职称讲师班级电力113班学号学生姓名2014年 6月 30日电气工程基础设计任务书一、设计内容要求设计110KV变电所(B所)的电气部分二、原始资料1供设计的变电所有A、B、C三个,各自的地理位置和系统发电机、变压器相关数据如附图1所示.附图1 各变电所的地理位置2各变电所的10kV低压负荷分别为P a=500kW,P b=300kW,P c=200kW.3各变电所典型负荷曲线有两种,分别如附图2(a)和附图2(b)所示。
4110kV输电线路l1、l2、l3、l4的长度各不相同,电抗均按0。
4Ω/km计.5每位同学设计的原始数据,除了P a=500kW,P b=300kW,P c=200kW之外,其它数据应根据自己所在班级的序号,在附表1中查找。
附图2 典型日负荷曲线附表1 每位同学设计原始数据查找表三、设计任务(1)设计本变电所的主变压器台数、容量、形式。
(2)设计高低压侧主接线方式。
(3)设计本变电所的所用电接线方式。
(4)计算短路电流。
(5)选择电气设备(包括断路器、隔离开关、互感器等)。
设计成果1.设计说明书一份 2。
计算书一分 3。
主接线图一份要求:上述3者按顺序装订成一册(简装,钉书针左边钉好3颗,勿用夹子夹)五、主要参考资料[1]姚春球。
发电厂电气部分。
北京:中国电力出版社:2004[2]电力工业部西北电力设计院.电力工程电气设备手册(第一册).北京:中国电力出版社,1998 [3]周问俊.电气设备实用手册.北京:中国水利水电出版社,1999[4]陈化钢。
企业供配电。
北京:中国水利水电出版社,2003。
9[5]电力专业相关教材和其它相关电气手册和规定摘要:本次设计为110kV降压变电站电气一次部分的初步设计,根据原始资料,以设计任务书和国家有关电力工程设计的规程、规范及规定为设计依据.变电站的设计在满足国家设计标准的基础上,尽量考虑当地的实际情况。
(完整版)110KV变电站设计110KV变电站设计学院:专业:年级: 指导⽼师:学⽣姓名:⽇期:摘要:本⽂主要进⾏110KV变电站设计。
⾸先根据任务书上所给系统及线路和所有负荷的参数,通过对所建变电站及出线的考虑和对负荷资料分析,满⾜安全性、经济性及可靠性的要求确定了110KV、35KV、10KV侧主接线的形式,然后⼜通过负荷计算及供电范围确定了主变压器台数、容量、及型号,从⽽得出各元件的参数,进⾏等值⽹络化简,然后选择短路点进⾏短路计算,根据短路电流计算结果及最⼤持续⼯作电流,选择并校验电⽓设备,包括母线、断路器、隔离开关、电压互感器、电流互感器等,并确定配电装置。
根据负荷及短路计算为线路、变压器、母线配置继电保护并进⾏整定计算。
本⽂同时对防雷接地及补偿装置进⾏了简单的分析,最后进⾏了电⽓主接线图及110KV配电装置间隔断⾯图的绘制。
关键词:变电站设计,变压器,电⽓主接线,设备选择Abstract:This paper mainly carries on the design of 110KV substation. According to the mandate given by the system and the load line and all parameters of the substation and line consideration and the data of load analysis, meet the safety, economy and reliability requirements of 110KV, 35KV, 10KV side of the main connection form is determined, and then through the load calculation and determine the scope of supply the number, size, and type of the main transformer, thus obtains the parameters of each element, the equivalent network simplification, and then select the short circuit short circuit calculation, the calculation results and the maximum continuous working current according to short-circuit current, selection and calibration of electrical equipment, including bus, circuit breaker, isolating switch, voltage transformer, current transformer etc., and determine the distribution device. According to the load and short circuit calculation for the line, transformer, bus configuration of relay protection and setting calculation. At the same time, this paper makes a simple analysis of lightning protection and grounding and compensation device, and finally carries out the electrical main wiring diagram and the 110KV distribution unit interval section drawing.Key words: substation design, transformer, electrical main wiring, equipment selection⽬录1 引⾔ (1)1.1 变电站的作⽤ (1)1.2 我国变电站及其设计的发展趋势 (2)1.3 变电站设计的主要原则和分类 (5)1.4 选题⽬的及意义 (6)1.5 设计思路及⼯作⽅法 (6)1.6 设计任务完成的阶段内容及时间安排 (7)2 任务书 (7)2.1 原始资料 (7)2.2 设计内容及要求 (10)3 电⽓主接线设计 (11)3.1 电⽓主接线设计概述 (11)3.2 电⽓主接线的基本形式 (14)3.3 电⽓主接线选择 (14)4 变电站主变压器选择 (18)4.1 主变压器的选择 (19)4.2 主变压器选择结果 (21)5 短路电流计算 (22)5.1 短路的危害 (22)5.2 短路电流计算的⽬的 (22)5.3 短路电流计算⽅法 (22)5.4 短路电流计算 (23)5.4.1 110kv侧母线短路计算 (25)5.4.2 35kv侧母线短路计算 (27)5.4.3 10kv侧母线短路计算 (28)6 电⽓设备的选择 (31)6.1 导体的选择和校验 (31)6.1.1 110kv母线选择及校验 (32)6.1.2 35kv母线选择及校验 (33)6.1.3 10kv母线选择及校验 (34)6.2 断路器和隔离开关的选择及校验 (35)6.2.1 110kv侧断路器及隔离开关的选择及校验 (36) 6.2.2 35kv侧断路器及隔离开关的选择及校验 (38) 6.2.3 10kv侧断路器及隔离开关的选择及校验 (40) 6.3 电压互感器和电流互感器的选择 (42)6.3.1 电流互感器的选择 (42)6.3.2 电压互感器的选择 (44)7 继电保护的配置 (46)7.1 继电保护的基本知识 (46)7.2 110kv线路的继电保护配置及整定计算 (53) 7.2.1 110kV线路继电保护配置 (53)7.2.2 110kV线路继电保护整定计算 (53)7.3 变压器的继电保护及整定计算 (58)7.3.1 变压器的继电保护 (58)7.3.2变压器的继电保护整定计算 (59)7.4 母线保护 (61)7.5 备⾃投和⾃动重合闸的设置 (63)7.5.1 备⽤电源⾃动投⼊装置的含义和作⽤ (63)7.5.2 ⾃动重合闸装置 (63)8 防雷与接地⽅案的设计 (64)防雷概述 (64)1.1雷电的成因及危害 (64)1.2直击雷的成因及危害 (64)1.3感应雷的成因及危害 (64)防雷设计原则 (65)8.1 防雷保护 (65)8.2 接地装置的设计 (66)9 配电装置 (67)9.1 配电装置概述 (67)9.2 配电装置类型 (68)9.3 对配电装置的基本要求和设计步骤 (68)9.4 屋内配电装置 (69)9.5 屋外配电装置 (69)10 结束语 (70)参考⽂献 (72)致谢 (73)附录 (74)附录⼀电⽓主接线图 (74)附录⼆110KV屋外普通中型单母线分段接线的进出线间隔断⾯图 (75)1 引⾔1.1 变电站的作⽤⼀、变电站在电⼒系统中的地位电⼒系统是由变压器、输电线路、⽤电设备组成的⽹络,它包括通过电的或机械的⽅式连接在⽹络中的所有设备。
110KV变电站设计学院:专业:年级: 指导老师:学生姓名:日期:摘要:本文主要进行110KV变电站设计。
首先根据任务书上所给系统及线路和所有负荷的参数,通过对所建变电站及出线的考虑和对负荷资料分析,满足安全性、经济性及可靠性的要求确定了110KV、35KV、10KV侧主接线的形式,然后又通过负荷计算及供电范围确定了主变压器台数、容量、及型号,从而得出各元件的参数,进行等值网络化简,然后选择短路点进行短路计算,根据短路电流计算结果及最大持续工作电流,选择并校验电气设备,包括母线、断路器、隔离开关、电压互感器、电流互感器等,并确定配电装置。
根据负荷及短路计算为线路、变压器、母线配置继电保护并进行整定计算。
本文同时对防雷接地及补偿装置进行了简单的分析,最后进行了电气主接线图及110KV配电装置间隔断面图的绘制。
关键词:变电站设计,变压器,电气主接线,设备选择Abstract:This paper mainly carries on the design of 110KV substation. According to the mandate given by the system and the load line and all parameters of the substation and line consideration and the data of load analysis, meet the safety, economy and reliability requirements of 110KV, 35KV, 10KV side of the main connection form is determined, and then through the load calculation and determine the scope of supply the number, size, and type of the main transformer, thus obtains the parameters of each element, the equivalent network simplification, and then select the short circuit short circuit calculation, the calculation results and the maximum continuous working current according to short-circuit current, selection and calibration of electrical equipment, including bus, circuit breaker, isolating switch, voltage transformer, current transformer etc., and determine the distribution device. According to the load and short circuit calculation for the line, transformer, bus configuration of relay protection and setting calculation. At the same time, this paper makes a simple analysis of lightning protection and grounding and compensation device, and finally carries out the electrical main wiring diagram and the 110KV distribution unit interval section drawing.Key words: substation design, transformer, electrical main wiring, equipment selection目录1 引言 (1)1.1 变电站的作用 (1)1.2 我国变电站及其设计的发展趋势 (2)1.3 变电站设计的主要原则和分类 (5)1.4 选题目的及意义 (6)1.5 设计思路及工作方法 (6)1.6 设计任务完成的阶段内容及时间安排 (7)2 任务书 (7)2.1 原始资料 (7)2.2 设计内容及要求 (10)3 电气主接线设计 (11)3.1 电气主接线设计概述 (11)3.2 电气主接线的基本形式 (14)3.3 电气主接线选择 (14)4 变电站主变压器选择 (18)4.1 主变压器的选择 (19)4.2 主变压器选择结果 (21)5 短路电流计算 (22)5.1 短路的危害 (22)5.2 短路电流计算的目的 (22)5.3 短路电流计算方法 (22)5.4 短路电流计算 (23)5.4.1 110kv侧母线短路计算 (25)5.4.2 35kv侧母线短路计算 (27)5.4.3 10kv侧母线短路计算 (28)6 电气设备的选择 (31)6.1 导体的选择和校验 (31)6.1.1 110kv母线选择及校验 (32)6.1.2 35kv母线选择及校验 (33)6.1.3 10kv母线选择及校验 (34)6.2 断路器和隔离开关的选择及校验 (35)6.2.1 110kv侧断路器及隔离开关的选择及校验 (36)6.2.2 35kv侧断路器及隔离开关的选择及校验 (38)6.2.3 10kv侧断路器及隔离开关的选择及校验 (40)6.3 电压互感器和电流互感器的选择 (42)6.3.1 电流互感器的选择 (42)6.3.2 电压互感器的选择 (44)7 继电保护的配置 (46)7.1 继电保护的基本知识 (46)7.2 110kv线路的继电保护配置及整定计算 (53)7.2.1 110kV线路继电保护配置 (53)7.2.2 110kV线路继电保护整定计算 (53)7.3 变压器的继电保护及整定计算 (58)7.3.1 变压器的继电保护 (58)7.3.2变压器的继电保护整定计算 (59)7.4 母线保护 (61)7.5 备自投和自动重合闸的设置 (63)7.5.1 备用电源自动投入装置的含义和作用 (63)7.5.2 自动重合闸装置 (63)8 防雷与接地方案的设计 (64)防雷概述 (64)1.1雷电的成因及危害 (64)1.2直击雷的成因及危害 (64)1.3感应雷的成因及危害 (64)防雷设计原则 (65)8.1 防雷保护 (65)8.2 接地装置的设计 (66)9 配电装置 (67)9.1 配电装置概述 (67)9.2 配电装置类型 (68)9.3 对配电装置的基本要求和设计步骤 (68)9.4 屋内配电装置 (69)9.5 屋外配电装置 (69)10 结束语 (70)参考文献 (72)致谢 (73)附录 (74)附录一电气主接线图 (74)附录二110KV屋外普通中型单母线分段接线的进出线间隔断面图 (75)1 引言1.1 变电站的作用一、变电站在电力系统中的地位电力系统是由变压器、输电线路、用电设备组成的网络,它包括通过电的或机械的方式连接在网络中的所有设备。
信息工程学院综合课程设计报告书专业:电气工程及其自动化班级:学号:学生姓名:指导教师:\前言变电站是电力系统的一个重要组成部分,由电器设备及配电网络按一定的接线方式所构成,他从电力系统取得电能,通过其变换、分配、输送与保护等功能,它直接影响整个电力系统的安全与经济运行然后将电能安全、可靠、经济的输送到每一个用电设备的场所。
110KV变电站属于高压网络,电气主接线是发电厂变电所的主要环节,电气主接线直关系着全厂电气设备的选择、是变电站电气部分投资大小的决定性因素。
首先,根据主接线的经济可靠、运行灵活的要求选择各个电压等级的接线方式来选择。
根据主变容量选择适合的变压器,主变压器的台数、容量及形式的选择是很重要,它对发电厂和变电站的技术经济影响大。
本变电所的初步设计包括了:(1)总体方案的确定(2)短路电流的计算(3)高低压配电系统设计与系统接线方案选择(4)继电保护的选择与整定(5)防雷与接地保护等内容。
最后,本设计根据典型的110kV发电厂和变电所电气主接线图,根据厂、所继电保护、自动装置、励磁装置、同期装置及测量表计的要求各电压等级的额定电压和最大持续工作电流进行设备选择,而后进行校验.第1章短路电流的计算1.1短路的基本知识所谓短路,就是供电系统中一相或多相载流导体接地或相互接触并产生超出规定值的大电流。
短路电流的大小也是比较主接线方案,分析运行方式时必须考虑的因素。
系统短路时还会出现电压降低,靠近短路点处尤为严重,这将直接危害用户供电的安全性及可靠性。
为限制故障范围,保护设备安全,继电保护装置整定必须在主回路通过短路电流时准确动作。
变电短路电流的大小也是比较主接线方案,分析运行方式时必须考虑的因素。
系统短路时还会出现电压降低,靠近短路点处尤为严重,这将直接危害用户供电的安全性及可靠性。
为限制故障范围,保护设备安全,继电保护装置整定必须在主回路通过短路电流时准确动作。
所中的各种电气设备必须能承受短路电流的作用,不致因过热或电动力的影响造成设备损坏。
摘要本毕业设计通过对110KV变电站一次部分的设计,完成了对负荷的分析、主变压器的选择、无功补偿装置的选择、电气主接线的选择、各电压等级负荷的计算、最大持续工作电流及短路电流的计算、变压器、高压断路器、隔离开关、母线、绝缘子和穿墙套管、电流互感器、电压互感器、接地刀闸、避雷器的配置、选择、校验工作。
关键词:电气一次部分设计计算短路电流变电站110kV降压变电所电气一次部分的设计第一章:设计概况一.设计题目110kV降压变电所电气一次部分的设计二.所址概况1.所址地理位置及地理条件变电所位于某中型城市边缘,所区西为城区,南为工业区,所址地势平坦,交通便利,进出线方便,空气污染轻微,不考虑对变电所的影响。
2.所区平均海拔200米,最高气温40℃,最低气温-18℃,年平均气温14℃,最热月平均最高气温30℃,土壤温度25℃。
三.系统情况如下图:四.负荷情况:五.设计任务1.负荷分析及主变压器的选择。
2.电气主接线的设计。
3.变压器的运行方式以及中性点的接地方式。
4.无功补偿装置的形式及容量确定。
5.短路电流计算(包括三相、两相、单相短路)6.各级电压配电装置设计。
7.各种电气设备选择。
8.继电保护规划。
9.主变压器的继电保护整定计算。
六.设计目的总体目标:培养学生综合运用所学各科知识,独立分析和解决实际工程问题的能力。
第二章:负荷分析及主变选择一.负荷分析:1.负荷分类及定义1)一级负荷:中断供电将造成人身伤亡或重大设备损坏,切难以修复,带来极大的政治、经济损失者,属于一级负荷。
一级负荷要求有两个独立电源供电。
2)二级负荷:中断供电将造成设备局部破坏或生产流程紊乱,且较长时间才能修复或大量产品报废,重要产品大量减产,属于二级负荷。
二级负荷应由两回线供电。
但当两回线路有困难时(如边远地区),允许有一回专用架空线路供电。
3)三级负荷:不属于一级和二级的一般电力负荷。
三级负荷对供电无特殊要求,允许较长时间停电,可用单回线路供电。
设计任务书一、基本资料1.设计变电所在城市近郊,向开发区的几个企业供电。
2.本变电所的电压等级为110/35/10KV,110KV是本变电所的电源电压,35KV和10KV是二次电压。
3.待建变电所的电源,由双回110KV线路送到本变电所;在中压侧35KV母线,送出2回线路;在低压侧10KV母线,送出6回线路;该变电所的所址,地势平坦,交通方便。
4.35KV和10KV用户负荷统计资料见表2-1和表2-2。
最大负荷利用小时数Tmax=5500h,同时率取0.9,线路损耗取5%。
二、电气部分⒈选择变电所主变的台数、容量和类型;⒉选出数个电气主接线方案通过技术经济的比较论证,确定变电所电气的主接线型式;⒊合理选择短路点进行短路电流计算;选择主要电气设备。
⒋选择和校验所需的电气设备。
配置电压,电流互感器,并确定其型号,变比和接线方式等。
⒌选择自用变压器台数,容量及连接地点及配电方式。
⒍初步规划二次回路的基本方案;合理进行变电所平面布置。
7.进行防雷保护规划设计。
成果要求⒈编写计算说明书共一份,采用A4打印稿左装订。
⒉要求计算准确,层次清晰,公式系数选择正确合理并标明依据。
⒊说明要论证充分正确,结论清楚。
⒋图纸符合标准,主要图纸选择一张采用A1图手绘,其它采用A4计算机绘制。
⒌说明书附英文标题与摘要。
6.条件不充分时可以合理的假定条件。
摘要电力的发现和使用对当代社会的发展、国民经济等起到了至关重要的影响,随着科学技术的发展,电网的建设也越来越先进。
变电站是电网建设中最重要的一个环节,起着电能传递与电压转换的作用。
随着时代发展,变电站的改进越来越迅速,由最先的传统化变电站和电压等级不高,到现在的GIS站、数字化变电站,以及高压变电站等,变电站的发展越来越先进,对变电站的技术要求也越来越高,但传统变电站仍在电网中占据了一席之地。
本次毕业设计的主要工作是完成一个包括2台主变压器的110kV传统变电站电气初步设计。
IIoKV变电站设计摘要随着工业时代的不断发展,人们对电力供应的要求越来越高,特别是供电的稳固性、可靠性和持续性。
然而电网的稳固性、可靠性和持续性往往取决于变电站的合理设计和配置。
一个典型的变电站要求变电设备运行可靠、操作灵活、经济合理、扩建方便。
出于这几方面的考虑,设计了一个降压变电站,此变电站有三个电压等级:高压侧电压为I1okV,有二回线路;中压侧电压为35kv,有七回出线;低压侧电压为IOkV,有十回出线。
本设计选择选择两台主变压器,其他设备如站用变,断路器,隔离开关,电流互感器,高压熔断器,电压互感器,无功补偿装置和继电保护装置等等也按照具体要求进行选型、设计和配置,力求做到运行可靠,操作简单、方便,经济合理,具有扩建的可能性和改变运行方式时的灵活性。
使其更加贴合实际,更具现实意义。
第一章电气主接线的设计 (3)1.1原始资料分析 (3)1.2主结线的设计 (3)1.3主变压器的选择 (6)第二章导体绝缘子套管电缆 (8)2.1母线导体选择 (8)2.2电缆选择 (9)2.3绝缘子选择 (9)2.4出线导体选择 (10)第三章配电装置 (11)第四章继电保护装置 (13)4.1变压器保护 (13)4.2母线保护 (14)4.3线路保护 (15)4.4自动装置 (15)第五章站用电系统 (17)第六章结束语 (18)4.5献 (19)第一章电气主接线的设计一、原始资料分析本设计的变电站为降压变电站,有三个电压等级:高压侧电压为∏0kv,有二回线路;中压侧电压为35kv,有七回出线。
低压侧电压为IOkV,有十回出线。
从以上资料可知本变电站为配电变电站。
二、主接线的设计配电变电站多为终端或分支变电站,降压供给附近用户或一个企业,其接线应尽可能采用断路器数目较少的接线,以节省投资和减少占地面积。
随着出线数的不同,可采用桥形、单母分段等。
低压侧采用单母线和单母线分段。
可按一下几个原则来选:1运行的可靠断路器检修时是否影响供电;设备和线路故障检修时,停电数目的多少和停电时间的长短,以及能否保证对重要用户的供电。
110kv降压变电所设计1. 引言变电所是电力系统中重要的组成部分,用于改变电压以便输送电能。
在电网中,高压电流需要通过变电所的降压变压器进行降压,然后通过低压配电系统输送给用户。
本文将介绍一种110kV降压变电所的设计方案。
2. 设计目标本设计的目标是为了满足以下需求:•将110kV的高压电流降压为低压电流,供给用户使用;•确保变电站的安全性和可靠性;•最大程度地减少能源损耗;•满足环境保护和节能要求。
3. 设计原理110kV降压变电所通常包含以下主要设备:•入线变压器:将110kV的高压电流降压为低压电流;•隔离开关:用于开启和关闭电路,以确保电流的正常传输;•断路器:在短路或故障时切断电路,以保护设备和用户的安全;•低压配电系统:将降压后的电流输送给用户。
设计过程中需要考虑到变电所的布局、设备的选择和配置,以及与高压输电线路和低压配电系统的连接。
4. 设计步骤4.1 变电所布局在进行110kV降压变电所的布局设计时,需要考虑以下因素:•设备的大小和数量;•输电线路和输电塔的位置;•通风和安全措施;•环境保护和噪音控制。
4.2 设备选择和配置根据设计目标和用户需求,选择适合的变压器、开关设备和断路器,以满足变电所的功率需求和安全要求。
设备的配置应考虑到设备之间的互联性、操作便捷性和维护成本。
4.3 连接高压输电线路将110kV的高压输电线路连接到变电所的入线变压器上,确保电流传输的安全可靠。
4.4 连接低压配电系统将降压后的电流通过隔离开关和断路器连接到低压配电系统,供给用户使用。
5. 设计评估对于110kV降压变电所的设计方案,应进行设计评估,包括以下方面:•设备的功耗和能效评估;•设备的可靠性和寿命评估;•系统的安全性评估;•环境影响评估。
6. 结论本文介绍了一种110kV降压变电所的设计方案,包括变电所布局、设备选择和配置,以及与高压输电线路和低压配电系统的连接。
该设计方案能够满足降压变电所的功能要求,并考虑到安全、可靠性和能效等因素。
110K V降压变电所设计(新)发电厂电气部分课程设计(论文)110kV降压变电站设计指导教师:姜新通所在学院:信息技术学院专业:电气工程及其自动化学生姓名:关珊珊 20094073103赵娜 20094073110艾津平 20094073115宋婉晴 20094073128卢振宇 20094073150张寰宇 20094073162中国·大庆2012 年 5 月摘要变电站是电力系统的一个重要组成部分,由电器设备及配电网络按一定的接线方式所构成,他从电力系统取得电能,通过其变换、分配、输送与保护等功能,然后将电能安全、可靠、经济的输送到每一个用电设备的转设场所。
作为电能传输与控制的枢纽,变电站必须改变传统的设计和控制模式,才能适应现代电力系统、现代化工业生产和社会生活的发展趋势。
随着计算机技术、现代通讯和网络技术的发展,为目前变电站的监视、控制、保护和计量装置及系统分隔的状态提供了优化组合和系统集成的技术基础。
110kV变电站属于高压网络,某南方城市总降压变电所所涉及方面多,考虑问题多,进行变压器的选择,从而确定变电站的主接线方式,再进行短路电流计算,选择送配电网络及导线,进行短路电流计算,选择变电站高低压电气设备。
总降压变电所的初步设计包括了:(1)总体方案的确定;(2)负荷分析;(3)短路电流的计算;(4)高低压配电系统设计; (5) 电气设备检验等内容。
关键词:总降压负荷分析短路电流计算电气设备检验输电系统目录110kV降压变电站设计 (1)发电厂电气部分课程设计(论文)任务书 (I)摘要 ................................................................................................................................................ I II 1.原始资料分析.............................................................................................................. - 1 -1.1 地区电网的特点......................................................................................................... - 1 -1.2 建站规模 .................................................................................................................... - 1 -1.3 环境条件 .................................................................................................................... - 1 -2.电气主接线设计.......................................................................................................... - 1 -2.1主接线的设计原则和要求.......................................................................................... - 1 -2.2110kV主接线设计.................................................................................................. - 2 -2.360kV主接线设计.................................................................................................... - 4 -2.435kV主接线设计.................................................................................................... - 5 -两种方案的分析比较: ........................................................................................... - 6 -2.5所用电接线设计..................................................................................................... - 6 -3.变压器选择.................................................................................................................. - 7 -3.1主变压器选择......................................................................................................... - 7 -3.2主变压器型号......................................................................................................... - 9 -4.短路电流计算.............................................................................................................. - 9 -4.1 短路电流计算的目的及一般规定......................................................................... - 10 -4.2 短路电流计算的结果............................................................................................. - 10 -5.导体电气设备选择.................................................................................................... - 12 -5.1各种电气设备选择原则....................................................................................... - 12 -5.2母线型号选择....................................................................................................... - 12 -5.3断路器、隔离开关、电抗器和互感器的选择................................................... - 13 -总结 ........................................................................................................................................... - 16 -参考文献.................................................................................................................................... - 17 -附录 ........................................................................................................................................... - 18 -电气主接线图 .................................................................................................................. - 18 -计算说明书 ...................................................................................................................... - 19 -1负荷计算............................................................................................................... - 19 -2短路电流计算....................................................................................................... - 21 -3电气设备校验计算............................................................................................... - 26 -1. 原始资料分析1.1 地区电网的特点(1)本站属于区域性变电所.(2)本地区位于南方中等城市近郊,向市区及较大工业用户供电,水电站发电保证出力时能满足地区负荷的需要,加上小火电站,基本不需要外系统的支援。
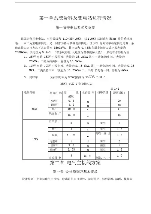
第一章系统资料及变电站负荷情况第一节变电站型式及负荷该站为降压变电站,电压等级为110/35/10KV。
以110KV双回路与56km 外的系统相连,一回作为主电源供电,另一回作为备用联络电源供电,使该站得到可靠稳定供电电源。
系统在最大运行方式下其容量为3500MVA,其电抗为0.455;在最小运行方式下其容量为2800MVA,其电抗为0.448。
(以系统容量及电压为基准的标么值),系统以水容量为主。
1、35KV负荷35KV出线四回、容量为35.3MVA其中一类负荷两回,容量为25MVA;二类负荷两回,容量为10.3MVA2、10KV负荷10KV出线七回、容量为21.5 MVA,其中一类负荷两回、容量为6.25MVA,二类负荷三回、容量为11.25MVA二、三类负荷有一回,容量为4MVA3、同时率负荷同时率为85%线损率为5%COS书=0.8。
35KV 10K V负荷情况表表1-1第二章电气主接线方案第一节设计原则及基本要求设计原则:变电站电气主接线,应满足供电可靠性,运行灵活,结线简单清晰、操作方便,且基建投资和年运行费用经济。
因此在原始资料基础上进行综合方面因素,经过技术、经济论证比较后方可确定。
一、定各电压等级出线回路根据原始资料,本变电站为降压变电站,以两回110KV 线与系统连接,故110KV 电压等级为两回出线。
35KV 及10KV 电压等级分别为4 个和7 个,由于I类负荷的供电可靠性要比U、川类负荷要高得多,为满足供电可靠性要求,若有一类负荷,应采用双电源或双回路供电,当采用双回路供电时每回路要分接在不同的母线上。
二、确定各母线结线形式1、基本要求1)、可靠性高:断路器检修时能否不影响供电;断路器或母线故障时停电时间尽可能短和不影重要用户的供电;2)、灵活性:调度灵活、操作简便、检修安全、扩建方便;3)、经济性:投资省、占地面积小、电能损耗小。
按以上设计原则和基本要求,35KV 10K V出线均有一类负荷,应设有双电源供电;为了提高供电可靠性、同时节省投资、减少占地面积,110KV 、35KV、10K V母线均采用单母线分段;配电装置用外桥形接线。
摘要为满足经济发展的需要,根据有关单位的决定修建1座110KV盐北变电所。
本工程初步设计内容包含变电所电气设计,新建的盐北变电所从110KV侧东郊变电所受电,其负荷分为35KV和10KV两个电压等级。
通过技术和经济比较,现采用下列方案:1.内设两台三绕组变压器,电压等级为121/37.8/11。
2.110KV进线采用内桥接线形式.3.本工程初步设计内容包括变电所电气设计。
4.35KV和10KV配电装置同样采用单母线分段接线.5.所用电分别从10KV两端母线获得。
关键词:变电所主变压器潮流计算短路计算设备选型SUMMARYFor satisfying the demand that economy development, the authorities concerned decide to construct a YanBei transformer substation.This engineering first step design contents includes the transformer substation of electric Design。
The new—et up salt a YanBei transformer substation obtain power form Dong Jiao substation (110KV) 。
There are two kinds of local loads in the substation,。
One is 35KV,the other is 10KV.Pass the technique to compare with the economy, adopt the following scheme now: 1.There are two three-winding transformers in the substation。
二级负荷,一般性变电所,应能保证全部负荷的70%-80%。
根据设计任务:S=S35KV+S10KV=40000+20000=60000(kVA)主变压器的台数,对于城市郊区的一次变电所,在中、低压侧已构成环网的情况下,变电所以装设两台主变压器为宜。
故选择两台31500 kVA主变压器。
(主变压器型式的确定:变压器采用三相或单相,主要考虑变压器的制造条件、可靠性及运输条件等因素,在不受运输条件限制时,330kV及以下的变电所均应选用三相变压器,对具有三种电压的变电所,如果通过主变压器各侧绕组的功率均达到该变压器容量的15%以上时,采用三绕组变压器,本变电所变压器各侧绕组的功率均已达到了总容量的15%,故选三相三绕组变压器。
绕组连接方式确定:变压器绕组的连接方式必须和系统电压相位一致,否则,不能并列运行,电力系统采用的绕组连接方式只有星形和三角形,如何组合要根据具体工程来确定,我国110kV及以上电压变压器绕组都采用Y0连接,35kV采用Y连接,35kV以下电压等级、变压器绕组都采用连接,所以本变电所主变压器绕组连接方式为Y0/Y/。
调压方式的选择:普通型的变压器调压范围很小,仅为 5%而且当调压要求的变化趋势与实际相反(如逆调压)时,仅靠调整普通变压器的分接头就无法满足要求,有载调压它的调整范围较大,一般在15%以上,而且,既要向系统传输功率,又可能从系统倒送功率,要求母线电压恒定保证供电质量的情况下,有载调压变压器可以实现。
因此选用有载调压变压器。
主变压器阻抗的选择:对于三绕组变压器目前在制造上有两种基本的组合方式,即“升压结构”和“降压结构”。
“升压型”的绕组排列顺序为自铁芯向外依次为中、低、高,所以高、中压侧阻抗最大。
“降压型”的绕组排列顺序为自铁芯向外依次为低、中、高,所以高、低压侧阻抗最大。
$根据以上综合比较,所选主变压器的特性数据如下:3。
摘要本设计是平东110KV降压变电所的电气一次部分设计。
本变电所有两个电压等级为110KV、10KV,在设计中要考虑主接线的选择,主变压器的选择,电器设备的选择等。
并要进行大量的短路计算以及变压器保护的整定计算工作。
在设计中考虑变压器保护的设计,根据变压器继电保护配置原则,采用差动保护,瓦斯保护,过电流保护,过负荷,零序保护等。
电力变压器作为电力系统和广大企业用户广泛应用的电气设备,在联络电网,电力的输送、分配和使用过程中发挥着核心关键作用,而变压器风冷控制系统则是保证其安全正常运行的重要部分。
传统的变压器风冷装置,由于控制系统主要由机械触点逻辑电路实现,安全隐患多,自动化程度低,不能适应当今无人值守变电站的需要,因此新的控制系统的设计方案势在必行。
本文针对传统变压器风冷控制系统存在的控制回路复杂、可靠性低、风机的保护方式简单、控制误差大、故障率高、维护工作量大、无法实现远程通讯等问题,经过多方面的技术分析和调研,设计开发了以单片机为核心的变压器风冷控制系统,该系统充分利用软件资源,在保证控制系统可靠性的基础上尽量简化装置的硬件电路,彻底摒弃继电器逻辑处理方式,完善了变压器风冷控制系统的功能。
系统以变压器顶层油温及负荷等参数作为被控量,采用具有延迟裕度的投、切温度阈值的控制策略和按风机累计运行时间自动均衡投切风机的控制方法来实现风机的自动控制。
关键词:主接线;变压器,单片机,风冷系统,自动控制AbstractThis design was float,east of 110 kv step-down substation electrical part design at a time.The voltage substation are two levels of 110 KV, 35KV, 10KV., in the design to be considered the main wiring options, the choice of main transformer, electrical equipment selection. And conduct extensive calculation of short circuit and transformer protection setting.Considered in the design of the transformer protection design, distribution transformer protection principles, use of differential protection, gas protection, over-current protection, overload, zero-sequence protection.As electrical equipment, power transformer is widely used in power systems and enterprise users. It contacts network, converts the power supply network voltage to voltage that electrical equipments or devices can use directly and plays a key role in power transmission, distribution and use process. Transformer cooling control system is an important part to ensure its safety of normal operation. The traditional transformer cooling control system, due to the control system consisting of logic circuit of mechanical contacts, high security hidden hazards, low automatization, cannot adapt to the needs of today's unattended substation, so the new control system design is imperative. For the existing transformer cooling control system has many shortcomings, such as the complicated system control circuit, the low reliability, protection methods of fan being so simple, large control error, high fault rate, massive maintenance work and no method to realize remote communication, this paper develops a novel intelligent transformer cooling control system based on the center of microprocessor through all-round technology analysis and research. This system has full use of software resources, while ensuring the reliability of control system based on the hardware circuit as simply device,completely abandon the relay logic approach, improved the function transformer cooling control system. Transformer top oil temperature and system load and other parameters as the amount charged, by a margin of the vote delay, cutting the temperature threshold of the control strategies and the cumulative time fan automatically balanced by switching the fans control method to achieve automatic control of fans.Key words:transformer, main connection,single-chip microcomputer, air-cooled system, automatic control目录摘要 (I)Abstract (II)绪论 (1)第一章毕业设计主要内容 (3)1.1 毕业设计任务 (3)1.2 毕业设计的主要功能和技术指标 (3)第二章设计方案的选择 (4)2.1 主接线设计的概况及依据 (4)2.1.1 在选择电气主接线时的设计依据 (4)2.1.2 主接线设计的基本要求 (4)2.2 几种接线形式的比较 (4)2.2.1 单母接线的优缺点 (4)2.2.2 单母线分段接线的优缺点 (5)2.2.3 双母线接线优缺点 (6)2.2.4 带旁路母线的单母线分段接线优缺点 (7)2.2.5 桥式接线的优缺点 (7)2.3 主接线方案的拟定 (8)2.3.1 110KV侧主接线的设计 (8)2.3.2 10KV侧主接线的设计 (8)第三章主变压器的选择 (10)3.1 主变压器选择原则 (10)3.2 变电所主变压器台数的确定 (10)3.3 变电所主变压器容量的确定 (10)3.4 主变相数选择 (11)3.5 主变的调压方式 (11)3.6 变压器冷却方式选择 (11)3.7变电站主变压器型式的选择 (11)3.8 备用变压器选型 (12)第四章 110KV变电站电气部分短路计算 (13)4.1 短路电流计算的目的及规定 (13)4.1.1 短路电流计算的目的 (13)4.1.2 短路电流计算的一般规定 (13)4.2 短路电流的计算 (13)4.2.1 计算变压器电抗 (13)4.2.2 系统电抗 (13)4.2.3 系统等值网络图 (13)4.2.4 短路计算点的选择 (14)4.2.5 短路电流计算 (14)4.2.6 最大方式下短路电流值列表 (15)第五章主要电气设备的选择 (16)5.1 电气设备选择概述 (16)5.1.1 选择的原则 (16)5.1.2电气设备和载流导体选择的一般条件 (16)5.2 110KV侧断路器隔离开关的选择 (16)5.2.1 进线侧断路器、母联断路器的选择 (16)5.2.2 进线侧隔离开关、内桥断路器隔离开关的选择 (17)5.2.3 10KV侧断路器与隔离开关的选择 (18)5.2.4 主变压器侧断路器的选择 (19)5.2.5 主变压器侧隔离开关的选择 (19)5.3 电流互感器的选择 (20)5.3.1110KV侧电流互感器的选择 (20)5.3.2 10KV侧电流互感器的选择 (21)5.3.3 电压互感器的选择 (21)5.3.4 110KV侧母线电压互感器的选择 (22)5.3.5 10KV侧母线电压互感器的选择 (22)5.4 10KV侧熔断器的选择 (22)5.4.1 熔断器选择概述 (22)5.4.2 10KV侧熔断器的选择 (23)5.5 母线的选择 (23)5.5.1 导体选择的一般要求 (23)5.5.2 母线型式 (24)5.5.3母线截面的选择 (24)5.5.4110KV母线的选择 (24)5.5.5 10KV母线的选择 (24)5.5.6变压器10KV侧引接线的选择与校验 (25)5.6 接地开关的选择 (27)5.6.1 简述 (27)5.6.2 110KV侧接地开关的选择 (27)5.6.3 10KV侧接地开关的选择 (28)第6 章系统保护配置 (29)6.1继电保护 (29)6.1.1 继电保护的作用 (29)6.1.2 继电保护的基本要求 (29)6.1.3 电力系统继电保护的工作特点 (29)6.2 瓦斯保护 (29)6.2.1轻瓦斯保护 (29)6.2.2 重瓦斯保护 (30)6.2.3 过电流保护 (30)6.2.4 零序后备保护: (30)6.2.5 单相式过负荷保护: (30)6.3 纵差动保护整定计算 (31)6.3.1 纵差动保护 (31)6.3.2 确定保护的一次动作电流: (31)6.3.3 确定保护的二次动作电流: (31)6.3.4 差动保护的实际动作电流: (32)6.3.5 非基本侧的平衡线圈和工作线圈匝数: (32)6.3.7 动作时限 (32)6.3.8 灵敏度校验: (32)6.4 复合电压起动过电流保护 (33)6.4.1 动作值整定: (33)6.5变压器过负荷保护整定计算 (33)6.5.1 动作值整定: (33)第七章电力系统微机保护 (35)7.1 微机保护的发展 (35)7.2 变电站微机监控系统 (35)7.3 变电站现场的微机保护和监控系统的抗干扰 (38)7.4 以MSP430F1611单片机为基础的微机保护 (41)7.4.1 硬件部分 (41)第八章防雷规划 (45)8.1 雷电的形成 (45)8.2 变电所的防雷措施 (45)8.3 避雷选择 (46)8.4 氧化锌避雷器参数选择要求 (46)8.5 避雷器的选择 (46)第九章变压器通风控制设计 (48)9.1 强迫油循环风冷装置的结构和工作原理 (48)9.2 变压器风冷控制系统设计应遵循的原则 (48)9.3 大型变压器风冷控制系统的工作原理 (49)9.3.1 变压器风冷控制系统主要功能模块的实现方法和作用简介 (49)9.3.2 变压器风冷控制系统的主要功能 (50)9.3.3 变压器风冷系统的风机分组设计方案 (50)9.4 变压器风冷系统控制策略的研究 (51)9.4.1 变压器油温自动控制的控制方法 (51)9.4.2 风冷装置综合投切控制原则 (52)9.4.3 按风机累计运行(停止)时间投切的控制方法 (53)9.5 单片机的光电隔离技术 (55)9.6 单片机的抗干扰技术 (55)9.7 变压器风冷控制系统的硬件设计 (56)9.7.1 主要元器件的选择 (56)9.7.2 主电路及控制电路的设计 (57)9.7.3 E2PROM 存储器电路的设计 (58)9.7.4 变压器油温测量电路的设计 (59)9.7.5 显示模块的设计 (59)9.7.6 “看门狗”电路设计 (60)9.8 RS-485 串行通信模块的设计 (61)9.8.1 RS-485 协议简介及 MAX485 芯片介绍 (61)9.8.2 PC 机与单片机之间通讯的实现 (62)9.9 印制电路板的制作 (63)9.9.1 电源线、地线设计 (63)9.9.3 去耦电容配置 (65)9.9.4 元器件布局与热设计 (65)9.10 变压器风冷控制系统的主控回路程序设计 (65)9.10.1 主程序的设计 (65)9.10.2 子程序 1 的设计 (66)9.10.3 子程序 2 的设计 (68)9.10.4 子程序 3 的设计 (68)9.11 RS-485 通信模块设计 (69)9.11.1 上位机程序设计 (69)9.11.2 下位机程序 (70)9.11.3 串行通信协议 (71)第十章配电装置的选择 (73)10.1 概述 (73)10.1.1 配电装置特点 (73)10.1.2 配电装置类型及应用 (73)10.2 配电装置的确定 (74)第十一章设计总结 (76)参考文献 (77)致谢 (78)附录1:英汉翻译 (79)绪论由于现代科学技术的发展,电力网容量的增大,电压等级的提高,综合自动化水平的需求,是变电所设计的问题变得越来越复杂,除了常规变电所之外,还出现了微机变电所,综合自动化变电所,小型化变电所和无人值班变电所等。
发电厂电气部分课程设计级专业班级题目姓名学号指导教师题目BY市110kV降压变电所设计一、设计内容设计一110kV降压变电所,该所位于BY市边缘,供给城市和近郊工业、农业及生活用电。
电压等级:110kV:近期2回,远景发展2回;10kV:近期13回,远景发展2回。
电力系统接线简图、负荷资料及所址条件见附件。
二、设计任务1.变电所总体分析;2.负荷分析计算与主变压器选择;3.电气主接线设计;4.短路电流计算及电气设备选择。
三、设计成品要求1.课程设计说明书1份;2.电气主接线图1张。
1 变电站总体分析市变电站位于市边缘,供给城市和近郊工业、农业及生活用电,是新建地区变电所。
变电站做为电力系统中起着重要的连接作用,是联系发电厂与负荷的重要环节。
本课程设计主要是关于本变电站的一次设计,为了是变电站的一次设计能够很好的接入电力系统,使电力系统安全可靠的运行,下面对本变电站做初步分析的原始数据进行分析。
1.变电站类型:110KV地方降压变电站2.电压等级:110/10KV3.线路回数:110KV:2回,备用2回;10KV:13回,备用2回;4.地理条件:平均海拔100m,地势平坦,交通方便,有充足水源,属轻地震区。
年最高气温+42℃,年最低气温-18℃,年平均温度+16℃,最热月平均最高温度+32℃。
最大风速35m/s,主导风向西北,覆冰厚度10mm。
5.负荷情况:主要是一、二级负荷,市内负荷主要为市区生活用电、棉纺厂、印染厂等工业用电;郊区负荷主要为郊区变电站及其他工业用电。
6.系统情况:根据任务书中电力系统简图可以看到,本变电站位于两个电源中间,有两个发电厂提供电能,进而经过该变电站降压后用于工业、农业等负荷用电,需要一定的可靠性。
2 负荷分析及主变压器的选择2.1 负荷计算的目的:计算负荷是供电设计计算的基本依据,计算负荷确定得是否正确合理,直接影响到电器和导线电缆的选择是否经济合理。
如计算负荷确定过大,将使电器和导线选得过大,造成投资和有色金属的消耗浪费,如计算负荷确定过小又将使电器和导线电缆处子过早老化甚至烧毁,造成重大损失,由此可见正确确定计算负荷重要性。
2.2负荷分析10KV 侧:近期负荷:P 近=(2+2+1+1+2+3+2+1.5+1.5+1.5)MW=17.5MW远期负荷: P 远=(3+3+1.5+1.5+3+4.5+3.5+2+2+2+2+2)=30MW∑=ni Pi 1=17.5MW+30MW=47.5MW综合最大计算负荷计算公式:S js =Kt*1cos niii P φ=∑*(1+α%) (注:Kt:同时系数,取85%; α%:线损,取5%)S js 近=Kt*max 1cos ni ii P ϕ=∑近*(1+α%)=Kt*(2211232 1.5 1.5 1.50.80.80.80.780.750.780.80.80.750.8+++++++++) *(1+α%) =0.85*17.755*(1+0.05)=15.85MVAS js 远=Kt*max 1cos ni i P iϕ=∑远*(1+α%) =Kt*(33 1.5 1.53 4.5 3.52220.80.80.80.780.750.780.80.80.750.8+++++++++)*(1+α%)=0.85*33.065*1.05=29.51MV A视在功率:S =S js 近+S js 远=15.85MV A+29.51MV A=45.36MV A2.3主变压器的选择一. 相数的确定:330KV 以下的电力系统,在不受运输条件限制时,应用三相变压器。
二. 绕组数的确定:对深入引进负荷中心、具有直接从高压降为低压供电条件的变电所,为简化电压等级或减少重复降压容量,可采用双绕组变压器。
三. 主变压器台数的确定在这次变电站设计中,可以采用一台或两台主变压器,下面对单台变压器和两台变压器进行比较:由前设计任务书可知、正常运行时,变电所负由110kV 系统供电,考虑到重要负荷达到47.5MW ,并考虑到现今社会用户需要的供电可靠性的要求更高,应采用两台容量相同的变压器并联运行。
四. 变压器容量和型号的确定容量选择及检验公式:n()远10k v N 6S .0S 1n ≥-,()区∏I ≥-.10k v 1S S n N,近v 10k N S S ≥(其中n 为变电站设计中变压器的台数,在这次设计中,n=2)因此根据上述式子及负荷分析可以选择两台型号为SFQ720000/110的有载调压变压器,变压器的技术参数如下表所示:3 主接线的选择3.1 对电气主接线的基本要求变电所主接线选择的主要原则有以下几点:(1)供电可靠性:如何保证可靠地(不断地)向用户供给符合质量的电能是发电厂和变电站的首要任务,这是第一个基本要求。
(2)灵活性:其含义是电气主接线能适应各种运行方式(包括正常、事故和检修运行方式)并能方便地通过操作实现运行方式的变换而且在基本一回路检修时,不影响其他回路继续运行,灵活性还应包括将来扩建的可能性。
(3)操作方便、安全:主接线还应简明清晰、运行维护方便、使设备切换所需的操作步骤少,尽量避免用隔离开关操作电源。
(4)经济性:即在满足可靠性、灵活性、操作方便安全这三个基本要求的前提下,应力求投资节省、占地面积小、电能损失少、运行维护费用低、电器数量少、选用轻型电器是节约投资的重要措施。
根据以上的基本要求对主接线进行选择。
3.2 110kV侧接线的选择方案(一)单母线分段接线优点:(1)母线发生故障时,仅故障母线停止供电,非故障母线仍可继续工作,缩小母线故障影响范围。
(2)对双回线路供电的重要用户,可将双回路接于不同的母线段上,保证对重要用户的供电。
缺点:当一段母线故障或检修时,必须断开在该段上的全部电源和引出线,这样减少了系统的供电量,并使该回路供电的用户停电方案(二): 桥形接线110kV侧以双回路与系统相连,而变电站最常操作的是切换变压器,而与系统联接的线路不易发生故障或频繁切换,因此可采用内桥式线,这也有利于以后变电站的扩建。
优点:高压电器少,布置简单,造价低,经适当布置可较容易地过渡成单母线分段或双母线分接线。
缺点:可靠性不是太高,切换操作比较麻烦。
方案(三):双母线接线优点:(1)供电可靠,通过两组母线隔离开关的倒换操作,可以轮流检修一组母线而不至于供电中断,一组母线故障后能迅速恢复供电,检修任一组的母线隔离开关时只停该回路。
(2)扩建方便,可向双母线的左右任何一个方向扩建,均不影响两组母线的电源和负荷的平均分配,不会引起原有回路的停电,以致连接不同的母线段,不会如单母线分段那样导致交叉跨越。
(3)便于试验,当个别回路需要时单独进行试验时可将该架路分开,单独接至一组母线上。
缺点:(1)增加一组母线和每回路需增加一组母线隔离开关,投资大。
(2)当母线故障或检修时,隔离开关作为倒换操作电器容易误操作,为了避免隔离开关误操作需在隔离开关和断路之间装设连锁装置。
对于110kV侧来说,因为它要供给较多的一类、二类负荷、因此其要求有较高的可靠性。
对比以上三种方案,从经济性、可靠性等多方面因素考虑,最佳设计方案为方案(一)。
具有一定的可靠性和可扩展性,而且比双母线投资小。
3.3 10kV侧接线选择方案(一):单母线接线优点:接线简单清晰、设备少、投资少、运行操作方便、且有利于扩建。
缺点:可靠性、灵活性差、母线故障时,各出线必须全部停电。
方案(二):单母线分段接线优点:(1)母线发生故障时,仅故障母线停止供电,非故障母线仍可继续工作,缩小母线故障影响范围。
(2)对双回线路供电的重要用户,可将双回路接于不同的母线段上,保证对重要用户的供电。
缺点:当一段母线故障或检修时,必须断开在该段上的全部电源和引出线,这样减少了系统的供电量,并使该回路供电的用户停电。
方案(三):分段断路器兼作旁路断路器的单母线分段缺点:投资增大、经济性能差。
对比以上三种方案:单母线接线可靠性低,当母线故障时,各出线须全部停电,不能满足I、II 类负荷供电性的要求,故不采纳;将I、II 类负荷的双回电源线不同的分段母线上,当其中一段母线故障时,由另一段母线提供电源,从而可保证供电可靠性;虽然分段断路器兼作旁路断路器的单母线分段也能满足要求,但其投资大、经济性能差,故采用方案(二)单母线分段接线。
主接线图见附录14 短路电流计算4.1电力系统简图图4-1 电力系统简图注:LGJ150:0.416Ω/km LGJ185: 0.410Ω/km LGJ240: 0.401Ω/km4.2 各回路阻抗的计算(取SB=100MV A,V B=Vav)图4-2 电力系统化简图最大运行方式下:1112221000.8*0.06412501000.8*0.229350B S B S S X X S S X X S ======32425262721000.410*14*0.0431151000.416*6*0.0191151000.401*10*0.0301151000.410*20*0.0631151000.410*26*0.081115X X X X X ==========根据所选变压器的技术参数可以求变压器的阻抗:1%10.5100*0.525210010020S B T TN V S X S =••==4.3 110KV 侧短路分析:图形化简:图4-3 110KV 侧短路线路化简图(1)8279340.2290.080.3100.0430.0190.062X X X X X X =+=+==+=+=(2) △—Y9510569961156956125690.062*0.0300.0120.0300.0620.0620.062*0.0620.0250.0300.0620.0620.062*0.0300.0120.0300.0620.062X X X X X X X X X X X X X X X X X X ===++++===++++===++++(3) Y —△1101213110128118111214811121100.0907()()0.0399X X X X X X X X X X X X X X X X X X +=+++=++=+++=+()()(4)1314//0.074f X X X ∑== 起始次暂态电流:1.08''7.320.074B B f E I I KA X ∑==== 冲击电流:"18.63ish im I k I KA ===计算电抗:*12503500.074* 1.184100I II js B S S X X S +∑+=== 查表得: t=0.2S 时,*0.920P I = 0.2 6.73f I KA = t =2S 及2S 后时,* 1.029P I = 7.532f I KA ∞=4.410KV 侧短路分析:图4-4 10KV 侧短路线路化简图 (1)8279340.2290.0830.3120.0430.0190.062X X X X X X =+=+==+=+=(2) △—Y9510569961156956125690.062*0.0300.0120.0300.0620.0620.062*0.0620.0250.0300.0620.0620.062*0.0300.0120.0300.0620.062X X X X X X X X X X X X X X X X X X ===++++===++++===++++(3)113101*********.0640.0120.0760.3120.0250.3370.5250.0120.537T X X X X X X X X X =+=+==+=+==+=+= (4) Y —△1315161315141415171415130.7343.255X X X X X X X X X X X X =++==++=(5)1617//0.599f X X X ∑== 起始次暂态电流:''9.91B B f E I I KA X ∑==== 冲击电流:"25.23im im I k I KA ===计算电抗:*12503500.599*9.584100I II js B S S X X S +∑+=== 当计算电抗js X <3.45时,其短路电流查表得出; 当计算电抗js X ≥3.45时,则可以近似地认为短路周期电流的幅值已不随时间而变 即0.29.919.91f f I KAI KA∞==5 电气设备的配置与选择5.1断路器的选择一. 110kV 侧断路器的选择1、该回路为 110 kV 电压等级,故可选用六氟化硫断路器。