天津市消防设施检验测试收费标准
- 格式:doc
- 大小:97.00 KB
- 文档页数:4
电气设施消防安全检测收费标准电气设施消防安全检测服务费按实际检测场所的建筑面积收取。
收费标准为:一、歌舞厅、卡拉OK厅、夜总会、茶馆(含咖啡厅、棋社等休闲场所)、网吧、桑那浴等高档洗浴场所等场所,1.8元/平方米;二、宾馆、饭店、商场、影剧院、健身房、保龄球馆、高层综合楼、写字楼、通信枢纽、广播电视楼及铁路、港航调度中心等场所,1.5元/平方米;三、幼儿园所、老年公寓、福利院等场所,0.8元/平方米;四、其他场所,1元/平方米;五、每次检测(按合同规定)收费金额低于200元时,按200元收费;六、一个月内整改对不合格项复检的,不收费;三个月内整改复检的,按上述标准的30%收费,复检收费仅限一次。
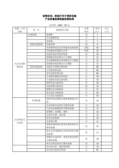
附件建筑自动消防设施检测收费标准(一)火灾自动报警和消防联动控制系统单位:元(二)消防给水灭火系统单位:元(三)气体灭火系统单位:元(四)防火卷帘系统与防火门系统单位:元(五)防排烟系统单位:元(六)泡沫灭火系统单位:元(七)应急照明及疏散指示系统单位:元电气消防安全检测收费配套项目与标准I 单项检测报价1、电气消防安全检测:2.2元/米2;2、建筑消防设施检测:2 元/米2;3、防雷设施安全检测:1.5元/米2;II 综合检测报价1、电气消防安全检测建筑消防设施检测:3.5元/米2;2、电气消防安全检测防雷设施检测:3元/米2;3、建筑消防设施检测防雷设施检测:3元/米2;4、电气消防检测消防设施检测防雷设施检测:5元/米2III工业生产线安全检测报价:130元/小时。
IV 防暴风防暴雨设施、抗洪能力及地下管道的检测:130/小时。
V 防灾安全检测项目部分检测报价:130/小时。
气消防检测分类收费价目表序号检查检测场所分类收费标准一类夜总会、歌舞厅、卡拉OK厅、游乐厅、网吧、桑拿浴室、美容美发厅、按摩中心、茶楼、餐厅、超市、商场、移动通讯、电信公司、宾馆、饭店、培训中心、计算机房、银行 2.5元/米2 二类科技机构、影视台站、摄影棚、演播场所、文物古建、写字楼、展览场所、旅社、招待所、录像厅、文化馆、礼堂、保龄球馆、室内市场、机场、车站、证券公司、保险公司、医院、邮政局所、易燃易爆场所 2.2元/米 2 三类工矿企业、大专院校、职业学校、体育场馆、图书馆、书店(书城)、实验室、人防工程、地下场所 1.8元/ 米2 四类党政机关、中小学校、库房、托幼园所、公园、室外市场、住宅楼 1.2元/米2 五类福利企事业0.6元/米2 六类加油站、加汽站、小型可燃气体储配站(贮量50立方米以下)1200元七类100平米以下的场所300 元备注100平米以下的场所1、以上标准按建筑面积计算。
我们这里消防检测费用都是按建筑面积收取,一般1.5-3.0元/M2.12 检验规则12.1 总则建筑消防设施均属于质量检测检验范围,除外观检查为全检外,安装质量检查不低于50%(仅限于竣工检验);功能检测比例按下列条文执行,无明确要求的,不低于30%;首次检测、检验不合格部分,复检时加倍抽检。
12.2 抽样比例、数量及方法12.2.1 火灾自动报警系统控制装置。
12.2.1.1 集中报警控制器:均应检测。
12.2.1.2 区域报警控制器和显示器:少于5台全检;大于5台抽检50%,但不少于5台。
12.2.1.3 火灾探测器和手动报警按钮:感烟、感温、火焰和可燃气体等不同类型的探测器分别按比例进行功能抽检,少于100只,抽检20只;大于100只,抽检10%,但不少于20只。
12.2.2 火灾事故广播、消防通讯、消防电梯。
12.2.2.1 电话插孔:同手动报警按钮。
12.2.2.2 与设备间通话,均应检验。
12.2.2.3 消防广播,按每层抽检不少于10%,但最少不少于1处。
12.2.2.4 消防电梯全检。
12.2.3 灭火系统控制装置。
12.2.3.1 末端试水装置:少于5个全检,大于5个抽检20%,但不少于5个。
12.2.3.2 水流指示器:少于5个全检,大于5个抽检20%,但不少于5个。
12.2.3.3 室内消火栓箱启泵按钮:少于10个全检;大于10个抽检20%,但不少于10个。
12.2.3.4 卤代烷和C02:按一组钢瓶少于10只全检;大于10只抽检20%,但不少于10只。
12.2.4 火灾应急照明及疏散指示控制装置。
12.2.4.1 应急灯和疏散指示灯:按防火分区各拙检20%。
12.2.5 消防配电柜12.2.5.1消防配电柜:均应检测。
12.2.6 防排烟控制装置。
12.2.6.1 防排烟设备(包括风机和防火阀):少于5个全检;大于5个抽检20%,但不少于5个。
12.2.6.2 防排烟阀(包括正压送风口):按每个防火分区抽检一处。
天津市物价局关于规范我市电气设施消防安全检测收费标准的通知文章属性•【制定机关】天津市物价局•【公布日期】2005.12.05•【字号】津价房地[2005]402号•【施行日期】2006.01.01•【效力等级】地方规范性文件•【时效性】现行有效•【主题分类】价格正文天津市物价局关于规范我市电气设施消防安全检测收费标准的通知(津价房地[2005]402号)市消防协会:你协会《关于制定我市电气设施消防安全检测收费标准的函》(津消协[2005]01号)收悉。
为规范我市电气设施消防安全检测的收费行为,增加电气设施消防安全检测收费的透明度,促进电气设施消防安全检测市场健康发展,经研究,现将有关事项通知如下:一、电气设施消防安全检测收费属经营服务性收费,实行政府指导价。
二、具有从事电气设施消防安全检测相关资质的单位,按照“自愿有偿”的原则,承揽电气设施消防安全检测业务并按专业规范提供服务的,其收费金额依照本通知规定的收费项目、收费标准及浮动幅度由当事双方具体协商议定。
三、我市的电气设施消防安全检测,根据建筑的使用性质及其火灾危险程度分为A、B、C、D四类:A类是指甲、乙类厂房;甲、乙类储存物品的仓库;高层民用公共建筑(一类);地下建筑及隧道。
B类是指丙、丁、戊类生产厂房;丙、丁、戊类储存物品的仓库;高层民用公共建筑(二类);重要的公共建筑,公共娱乐场所等。
C类是指一般工业与民用建筑。
D类是指临时电气设施消防安全检测项目。
四、电气设施消防安全检测收费按实际检测建筑面积收取,具体收费标准是:(一)A类检测收费标准最高为每建筑平方米按1.50元;B类检测收费标准最高为每建筑平方米按1.00元;C类检测收费标准最高为每建筑平方米按0.50元。
(二)上述收费标准允许向下浮动,下浮幅度不得超过10%。
(三)D类检测收费标准:1、临时用电装置按15元/KW;2、变配电装置按100元/柜、箱;3、对面积小、地点偏远的设施进行检测,收费金额低于300元的按300元收取。
消防检测维保收费标准消防设施是保障人们生命财产安全的重要设备,而消防检测维保是确保消防设施正常运行的重要保障措施。
为了规范消防检测维保市场,保障服务质量,制定了消防检测维保收费标准,以便于消防维保单位和用户之间的合作。
一、消防检测收费标准。
1. 消防设施维护检测服务收费标准按照消防设施的种类和规模确定,一般包括消火栓、灭火器、自动喷水灭火系统、防烟排烟系统、消防水泵等。
收费标准应根据设施的数量、规模、工作量等因素进行合理确定。
2. 消防设施维护检测服务收费标准应当充分考虑到服务单位的实际成本和合理利润,同时也要考虑到用户的支付能力和市场价格水平,保证价格公平合理。
3. 对于特殊消防设施,如高层建筑的消防设施、地下商场的消防设施等,收费标准可以根据其特殊性和难度适当提高。
二、消防维保收费标准。
1. 消防设施维保服务收费标准应当根据维保单位提供的服务内容和质量确定,一般包括定期巡检、设备维修、应急处理等服务内容。
收费标准应根据服务内容的复杂程度和工作量进行合理确定。
2. 消防设施维保服务收费标准应当充分考虑到维保单位的实际成本和合理利润,同时也要考虑到用户的支付能力和市场价格水平,保证价格公平合理。
3. 对于特殊消防设施,如大型商业综合体、工业厂房等,维保收费标准可以根据其规模和难度适当提高。
三、收费标准的执行。
1. 消防检测维保收费标准的执行应当由消防部门和相关管理部门进行监督管理,确保执行的公平合理。
2. 维保单位在收费时应当向用户提供明细清单,明示服务内容和收费标准,保证用户知情权。
3. 用户在支付费用时应当注意查验收费单据,如发现费用异常可以向相关部门进行投诉和维权。
四、结语。
消防检测维保收费标准的制定和执行,旨在规范市场秩序,保障用户权益,提高消防设施的安全性和可靠性。
希望各方能够共同遵守执行,共同维护消防安全,共同营造和谐的社会环境。
消防检测收费报价表
(竣工验收)
币种:人民币
1、凡本表中所列建筑物之外的建筑,参照近似建筑物单价计算。
2、小面积项目计价为:
(1)<3000m2,价格为4000元;
(2)<1500m2,价格为2500元;
(3)<500m2,价格为1500元。
(4)上述项目面积》3000 m2时,不足4000元的,按4000元计价。
3、气体、雨淋、水幕、细水雾等特殊灭火系统按每个系统5000元计价,2个及2个以上保护区时,每增加1个,加收2000元。
4、室外装置、设施等设有消防设备时,按消防设施投资总额的3%计价。
5、钢结构防火涂料按防火涂料涂刷面积每平方米1.20元计,但每项目不低于1500元。
6、复测费按检测合同的20%/次计价。
消防检测收费报价表
(年度检测)
币种:人民币
1、凡本表中所列建筑物之外的建筑,参照其近似建筑物单价计算。
2、建筑面积小于5000平方米的建筑按每个系统800元计价,但最低不小于1500元;建筑面积小于1000平方米建筑按1500元计价。
3、气体、雨淋、水幕、细水雾等特殊灭火系统按每个系统3000元计价,2个及2个以上保护区时,每增加1个,加收1200元。
4、室外装置、设施等设有消防设备时,按消防设施投资总额的1.8%。
5、复测费按检测合同的20%/次计价。
6、面积超过10万平方米的项目,增加部分按85%计。
消防设施检测收费标准 Document serial number【NL89WT-NY98YT-NC8CB-NNUUT-NUT108】电气设施消防安全检测收费标准电气设施消防安全检测服务费按实际检测场所的建筑面积收取。
收费标准为:一、歌舞厅、卡拉OK厅、夜总会、茶馆(含咖啡厅、棋社等休闲场所)、网吧、桑那浴等高档洗浴场所等场所,1.8元/平方米;二、宾馆、饭店、商场、影剧院、健身房、保龄球馆、高层综合楼、写字楼、通信枢纽、广播电视楼及铁路、港航等场所,1.5元/平方米;三、幼儿园所、老年公寓、福利院等场所,0.8元/平方米;四、其他场所,1元/平方米;五、每次检测(按合同规定)收费金额低于200元时,按200元收费;六、一个月内整改对不合格项复检的,不收费;三个月内整改复检的,按上述标准的30%收费,复检收费仅限一次。
附件建筑自动消防设施检测收费标准(一)火灾自动报警和消防联动控制系统(二)消防给水灭火系统单位:元(三)气体灭火系统(四)防火卷帘系统与防火门系统单位:元(五)防排烟系统(六)泡沫灭火系统单位:元(七)应急照明及疏散指示系统单位:元I单项检测报价1、电气消防安全检测:元/米2;2、建筑消防设施检测:2元/米2;3、防雷设施安全检测:元/米2;II综合检测报价1、电气消防安全检测建筑消防设施检测:元/米2;2、电气消防安全检测防雷设施检测:3元/米2;3、建筑消防设施检测防雷设施检测:3元/米2;4、电气消防检测消防设施检测防雷设施检测:5元/米2III工业生产线安全检测报价:130元/小时。
IV防暴风防暴雨设施、抗洪能力及地下管道的检测:130/小时。
V防灾安全检测项目部分检测报价:130/小时。
气消防检测分类收费价目表序号检查检测场所分类收费标准一类夜总会、歌舞厅、卡拉OK厅、游乐厅、网吧、桑拿浴室、美容美发厅、按摩中心、茶楼、餐厅、超市、商场、移动通讯、电信公司、宾馆、饭店、培训中心、计算机房、银行元/米2 二类科技机构、影视台站、摄影棚、演播场所、文物古建、写字楼、展览场所、旅社、招待所、录像厅、文化馆、礼堂、保龄球馆、室内市场、机场、车站、证券公司、保险公司、医院、邮政局所、易燃易爆场所元/米2 三类工矿企业、大专院校、职业学校、体育场馆、图书馆、书店(书城)、实验室、人防工程、地下场所元/ 米2 四类党政机关、中小学校、库房、托幼园所、公园、室外市场、住宅楼元/米2 五类福利企事业元/米2 六类加油站、加汽站、小型可燃气体储配站(贮量50立方米以下) 1200元七类100平米以下的场所 300 元备注 100平米以下的场所 1、以上标准按建筑面积计算。
消防检测收费标准
一、基本收费项目。
1. 消防设施初次检测收费标准:
(1)建筑面积在1000平方米以下的单位,收费标准为每平方米0.5元;
(2)建筑面积在1000平方米以上的单位,收费标准为每平方米0.3元。
2. 消防设施定期检测收费标准:
(1)建筑面积在1000平方米以下的单位,收费标准为每平方米0.3元;
(2)建筑面积在1000平方米以上的单位,收费标准为每平方米0.2元。
3. 消防设施临时检测收费标准:
(1)建筑面积在1000平方米以下的单位,收费标准为每次500元;
(2)建筑面积在1000平方米以上的单位,收费标准为每次800元。
二、附加收费项目。
1. 特殊设备检测收费:
对于特殊设备的检测,按照设备种类和规模进行收费,具体收费标准另行制定。
2. 特殊服务加收费:
对于需要提供特殊服务的单位,如夜间检测、紧急检测等,按照服务内容和时段进行额外收费,具体收费标准另行协商。
三、收费说明。
1. 收费标准中所涉及的面积指建筑物实际使用面积,不包括公共区域和未使用
区域。
2. 收费标准中所述的特殊设备指的是非常规消防设备,如高空救援设备、特种
灭火器等。
3. 收费标准中所述的特殊服务包括但不限于夜间检测、紧急检测、特殊设备检
测等。
4. 收费标准中的收费项目和金额均为参考标准,具体收费标准可根据实际情况
进行调整。
综上所述,我司对消防检测收费标准进行了明确规定,以确保检测服务的公平
公正,同时也希望各单位能够配合并遵守相关规定,共同维护良好的消防安全环境。
天津消防维保收费标准天津市消防维保收费标准是指对于消防设施维护保养服务的收费标准。
消防设施是保障人民生命财产安全的重要设施,其维护保养工作的质量和效果直接关系到火灾防控工作的成效。
因此,合理的收费标准既能保障维保单位的合法权益,又能保障用户的利益,对于促进消防设施的维护保养工作具有重要意义。
一、收费项目。
1. 消防设施巡查维护费,包括对消防设施的定期巡查、维护、保养等费用。
2. 消防设施检测费,包括对消防设施进行定期检测、测试、维修等费用。
3. 消防设施更新改造费,包括对老旧消防设施的更新改造费用。
二、收费标准。
1. 消防设施巡查维护费,按照消防设施的种类和规模进行分类收费,具体标准由天津市消防部门制定并公布。
2. 消防设施检测费,按照消防设施的种类和规模进行分类收费,具体标准由天津市消防部门制定并公布。
3. 消防设施更新改造费,根据消防设施的具体情况进行评估确定费用,经用户确认后由维保单位提供报价。
三、收费原则。
1. 合理性原则,收费标准必须合理,不能存在明显的高收费或低收费现象。
2. 公平公正原则,对于同类消防设施,应当实行同样的收费标准,不得存在歧视性收费。
3. 透明度原则,收费标准应当向用户公开,用户有权了解维保服务的收费标准和计费方式。
四、收费管理。
1. 收费依据,维保单位应当根据天津市消防部门公布的收费标准进行收费,不得擅自提高或降低收费标准。
2. 收费监督,天津市消防部门将对维保单位的收费行为进行监督检查,对于违规收费行为将依法进行处理。
3. 收费清单,维保单位应当向用户提供详细的收费清单,清楚列明各项收费项目和费用,确保收费透明。
五、结语。
天津市消防维保收费标准的制定和实施,对于规范消防设施维护保养服务市场,保障用户权益,促进消防设施的有效维护保养具有重要意义。
希望维保单位和用户共同遵守相关规定,共同维护良好的维保市场秩序,为天津市的消防安全事业做出应有的贡献。
天津消防检测收费标准一、背景介绍。
天津市消防检测是为了保障城市的消防安全,防止火灾事故的发生,对建筑物、设施进行定期的检测是非常重要的。
为了规范消防检测行业的收费标准,提高服务质量,天津市消防部门制定了相关的收费标准,以便于市民和企业了解和遵守。
二、收费标准内容。
1. 消防设施检测费用。
对于各类建筑物的消防设施进行定期检测,收费标准如下:住宅小区,每栋建筑物每年收费500元;商业综合体,按照建筑面积和设施数量进行收费,具体收费标准由消防部门根据实际情况制定;工业厂房,按照建筑面积和设施数量进行收费,具体收费标准由消防部门根据实际情况制定。
2. 消防设备维护费用。
消防设备的维护和保养是非常重要的,对于定期维护的收费标准如下:消防栓、灭火器等小型设备,每年收费100元;消防水泵、自动喷水灭火系统等大型设备,根据设备规模和复杂程度进行收费,具体收费标准由消防部门根据实际情况制定。
3. 消防安全培训费用。
为了提高城市居民和企业的消防安全意识,消防部门还开展各类消防安全培训活动,收费标准如下:个人消防安全培训,每人每次收费50元;企业员工消防演练,根据企业规模和演练内容进行收费,具体收费标准由消防部门根据实际情况制定。
4. 其他费用。
除了上述内容之外,消防部门还针对特殊情况制定了其他收费标准,具体内容由消防部门根据实际情况制定。
三、收费标准执行。
天津市消防部门将严格执行上述收费标准,对于违规收费行为将进行严厉打击,确保市民和企业不因消防检测而受到不合理的经济负担。
同时,消防部门将加强对检测机构的监督和管理,确保检测服务质量和收费标准的执行。
四、结语。
天津市消防检测收费标准的制定是为了规范消防检测行业,提高城市的消防安全水平,希望市民和企业能够理解和支持相关政策,共同维护城市的消防安全。
消防部门也将不断完善收费标准,提高服务质量,为城市的消防安全保驾护航。
消防设施年检费用标准消防设施年检是指对建筑物内的消防设施进行定期检查和测试,以确保其正常运行和有效性。
年检费用是指进行这一项工作所需要的费用,包括人工费、设备费、材料费等。
消防设施年检费用标准的制定,对于保障建筑物内的消防设施安全运行具有重要意义。
下面将就消防设施年检费用标准进行详细介绍。
首先,消防设施年检费用标准的制定需要考虑到以下几个方面的因素。
第一,建筑物的类型和规模。
不同类型和规模的建筑物,其内部的消防设施种类和数量不同,因此进行年检所需的工作量和费用也会有所不同。
第二,消防设施的种类和数量。
消防设施包括灭火器、消防栓、自动喷水灭火系统、疏散通道等,不同种类和数量的消防设施需要进行的检测和测试工作也不同,因此会影响年检费用标准的制定。
第三,年检的频率。
年检费用标准还需要考虑到年检的频率,一般来说,消防设施的年检频率为每年一次,但对于一些特殊场所可能需要更频繁的年检,这也会对费用标准产生影响。
其次,消防设施年检费用标准的制定需要遵循一定的原则。
第一,公平合理原则。
费用标准应当公平合理,不能对不同建筑物或不同消防设施设置不同的标准,以免造成不公平现象。
第二,适度提高原则。
费用标准应当适度提高,以保证年检工作的质量和效果。
第三,透明公开原则。
费用标准的制定应当透明公开,建立健全的费用核算和公示机制,接受社会监督。
最后,根据以上原则和因素,我们制定了以下的消防设施年检费用标准。
针对不同类型和规模的建筑物,我们将年检费用划分为A、B、C三个档次,分别对应小型、中型和大型建筑物。
在每个档次下,根据消防设施的种类和数量,制定了相应的费用标准。
年检的频率为每年一次,费用标准将根据实际情况进行适度调整。
综上所述,消防设施年检费用标准的制定需要考虑到建筑物的类型和规模、消防设施的种类和数量、年检的频率等因素,并遵循公平合理、适度提高、透明公开的原则。
我们制定的费用标准将根据实际情况进行调整,以保证年检工作的质量和效果。
消防设施检测收费标准一、背景介绍。
随着社会的发展和城市建设的不断扩张,消防安全问题日益引起人们的关注。
消防设施的安全性和有效性直接关系到人们的生命财产安全,因此对消防设施的定期检测显得尤为重要。
而消防设施检测的收费标准也成为人们关注的焦点之一。
二、消防设施检测的重要性。
消防设施检测是指对建筑物内部的消防设施进行定期检测,以确保其正常运行和有效性。
消防设施检测包括消防水系统、消防报警系统、疏散通道等各项设施的检测,其目的在于及时发现并排除潜在的安全隐患,保障人们在火灾发生时的生命安全。
三、消防设施检测收费标准的确定。
1. 检测项目。
消防设施检测的项目繁多,包括消防水系统的压力测试、喷头检测、管道泄漏检测等;消防报警系统的探测器测试、警铃测试、联动测试等;疏散通道的疏散指示标志检测、应急照明系统测试等。
不同的项目需要不同的设备和技术支持,因此在确定收费标准时需要综合考虑各项因素。
2. 检测周期。
消防设施的检测周期一般为半年或一年一次,根据建筑物的性质和规模的不同,检测周期可能会有所调整。
较短的检测周期意味着更频繁的检测工作,因此在收费标准的确定中也需要考虑到检测周期的影响。
3. 检测人员。
消防设施检测需要经过专业培训和持证上岗的人员进行,他们需要具备一定的专业知识和技能。
因此,检测人员的工资、培训成本等也是确定收费标准的重要考虑因素。
4. 市场行情。
在确定消防设施检测收费标准时,还需要考虑市场行情的影响。
不同地区、不同城市的市场行情可能存在一定差异,因此需要根据当地的实际情况进行合理的定价。
四、消防设施检测收费标准的制定原则。
1. 公平合理。
消防设施检测收费标准应当公平合理,不能存在价格歧视现象,要保证各类建筑物的消防设施检测费用合理适当。
2. 透明公开。
消防设施检测收费标准应当公开透明,消费者有权了解检测项目和收费标准,避免出现不必要的纠纷。
3. 安全可靠。
消防设施检测收费标准制定应当保证检测质量,确保检测结果的准确性和可靠性,不因价格因素而降低检测质量。
消防检测的一般收费标准
1.第四类场所包括党政机关、中、小学校、托幼园所、公园、室外市场等,该类消防检测场所按照0.2元/㎡盘算。
2.第三类场所包括工矿企业、大专院校、职业学校、体育场馆、藏书楼、实验室、人防工程、地下场所、库房、可燃气储配站等,该类消防检测场所按照0.3元/㎡盘算。
3.第二类场所包括科研机构、影视台站、摄影棚、演播厅、文物古建、写字楼、综合楼、居民楼、办公楼、展览展销场馆等,该类消防检测场所按照0.4元/㎡盘算。
4.第一类场所包括夜总会、歌舞厅、ktv、游戏厅、网吧、桑拿浴室、推拿中心、餐厅、超市、商场、宾馆、饭店、培训中心、计算机房、影剧院、录像厅、室内市场、保险公司、易燃易爆厂房、发电厂、健身场所等,相似场所属于一类消防检测场所,在停止消防检测时,比拟严厉,按照0.5元/㎡价格盘算。
消防检测收费标准消防检测是指对建筑物内部的消防设施和设备进行定期的检查和测试,以确保其正常运行和安全性能。
消防检测的收费标准是由相关部门和机构制定的,旨在保障消防检测服务的质量和公平性。
下面将介绍消防检测的收费标准及相关内容。
首先,消防检测的收费标准主要包括以下几个方面:1. 检测项目,消防检测的收费标准会根据具体的检测项目进行制定,不同的检测项目可能会有不同的收费标准。
一般来说,消防检测项目包括消防设施的功能性检测、设备的性能测试、消防通道和疏散楼梯的检查等。
针对不同的检测项目,收费标准也会有所不同。
2. 检测频率,消防检测的收费标准还会根据检测的频率进行制定。
一般来说,消防检测需要进行定期的检查和测试,而不同的检测频率可能会对收费标准产生影响。
例如,定期进行的消防检测可能会享受一定的优惠政策,而不定期或临时性的检测可能会有不同的收费标准。
3. 检测机构,消防检测的收费标准还会受到检测机构的影响。
一般来说,正规的消防检测机构会根据国家相关法律法规和标准制定收费标准,而一些不规范或无资质的机构可能会存在收费不透明、乱收费等情况。
因此,选择正规的检测机构进行消防检测是非常重要的。
其次,消防检测的收费标准应当符合相关法律法规和标准,保障公平公正。
消防检测是保障建筑物内部消防设施和设备安全性能的重要手段,因此其收费标准应当合理合法,不能存在乱收费、变相收费等情况。
相关部门和机构应当加强对消防检测收费标准的监管,确保其合法合规。
最后,消防检测的收费标准应当充分考虑到服务质量和效益。
消防检测是为了保障建筑物内部的消防安全,因此其收费标准应当充分考虑到服务质量和效益。
合理的收费标准可以保障检测机构的服务质量和技术水平,同时也可以促进消防设施和设备的维护和更新,进一步提升消防安全水平。
综上所述,消防检测的收费标准是保障消防安全的重要内容,其合理性和公平性对于建筑物的消防安全至关重要。
相关部门和机构应当加强对消防检测收费标准的监管,确保其合法合规,同时也要充分考虑服务质量和效益,促进消防安全工作的持续发展。