混凝土强度与温度与龄期关系曲线图
- 格式:doc
- 大小:34.50 KB
- 文档页数:2
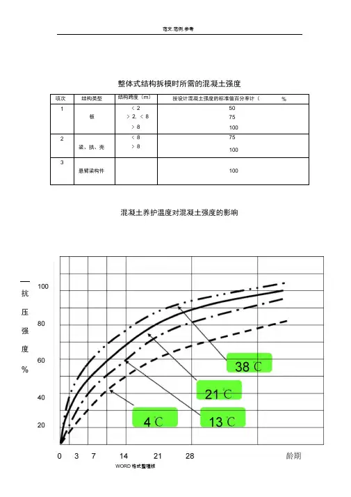
整体式结构拆模时所需的混凝土强度混凝土养护温度对混凝土强度的影响0 3 7 14 21 28龄期二、自然养护条件下不同温度与龄期的混凝土强度参考百分率(%)水泥品种和强度硬化龄期/d混凝土硬化时的平均温度/℃1 5 10 15 20 25 30 3532.5级普通水泥2 --19 25 30 35 40 453 14 20 25 32 37 43 48 52 5 24 30 36 44 50 57 63 66 7 32 40 46 54 62 68 73 76 10 42 50 58 66 74 78 82 86 15 52 63 71 80 88 ---28 68 78 86 94 100 ---32.5级矿渣水泥、火山灰质水泥2 ---15 18 24 30 353 --11 17 22 26 32 38 5 12 17 22 28 34 39 44 52 7 18 24 32 38 45 50 55 63 10 25 34 44 52 58 63 67 75 15 32 46 57 67 74 80 86 92 28 48 64 83 92 100 ---注:本表自然养护指在露天温度(+5℃以上)条件下,混凝土表面进行覆盖,浇水养护或在结构平面上使混凝土在潮湿条件下,强度正常发展的养护工艺。
钢筋下料长度计算钢筋因弯曲或弯钩会使其长度变化,在配料中不能直接根据图纸中尺寸下料;必须了解对混凝土保护层、钢筋弯曲、弯钩等规定,再根据图中尺寸计算其下料长度。
各种钢筋下料长度计算如下:直钢筋下料长度=构件长度-保护层厚度+弯钩增加长度弯起钢筋下料长度=直段长度+斜段长度-弯曲调整值+弯钩增加长度箍筋下料长度=箍筋周长+箍筋调整值上述钢筋需要搭接的话,还应增加钢筋搭接长度。
下料长度:是按钢筋弯曲后的中心线长度来计算的,因为弯曲后该长度不会发生变化。
外包标注:简图尽寸或设计图中注明的尺寸不包括端头弯钩长度,它是根据构件尺寸、钢筋形状及保护层的厚度等按外包尺寸进行标注的,他有几种不同的标注方法,具体见下图。
混凝土强度与温度和龄期增长曲线图我在论坛上看到一个混凝土强度估算方法,不过好像并无具体参考的东西!1、适用范围;本法适用于不掺外加剂在50℃以下正温养护和掺外加剂在30℃以下正温养护的混凝土,亦可用于掺防冻剂的负温混凝土。
本法适用于估算混凝土强度标准值60%以内的强度值。
2、前提条件使用本法估算混凝土强度,需要用实际工程使用的混凝土原材料和配合比,制作不少于5组混凝土立方体试件,在标准条件下养护的1、2、3、7、28d的强度值。
使用本法同时需取的现场养护混凝土的温度实测资料(温度、时间)。
3、用估算法估算混凝土强度的步骤:1)用标准养护试件1~7d龄期强度数据,经回归分析拟合成下列形式曲线方程:f=aeb/D (1)式中f——混凝土立方体抗压强度(N/mm2);D——混凝土养护龄期(d);a、b——参数。
2)根据现场实测混凝土养护温度资料,用下式计算已达到的等效龄期(相当于20℃标准养护的时间)。
t=ΣαT·tT(2)式中t——等效龄期(d);αT——温度为T℃时的等效系数,按下表使用;tT——温度为T℃的持续时间(h)。
3)以等效龄期t代替D带入公式(1)可算出强度。
等效系数αT温度等效温度系数αT温度等效温度系数αT温度等效温度系数αT 50 3.16 28 1.45 6 0.4349 3.07 27 1.39 5 0.4048 2.97 26 1.33 4 0.3747 2.88 25 1.27 3 0.3546 2.80 24 1.22 2 0.3245 2.71 23 1.16 1 0.3044 2.62 22 1.11 0 0.2743 2.54 21 1.05 1 0.2542 2.46 20 1.00 -2 0.2341 2.38 19 0.95 -3 0.2140 2.30 18 0.91 -4 0.2039 2.22 17 0.86 -5 0.1838 2.14 16 0.81 -6 0.1637 2.07 15 0.77 -7 0.1536 1.99 14 0.73 -8 0.1435 1.92 13 0.68 -9 0.1334 1.85 12 0.64 -10 0.1233 1.78 11 0.61 -11 0.1132 1.71 10 0.57 -12 0.1131 1.65 9 0.53 -13 0.1030 1.58 8 0.50 -14 0.1029 1.52 7 0.46 -15 0.09。
抗压强度%整体式结构拆模时所需的混凝土强度项次结构类型结构跨度(m)按设计混凝土强度的标准值百分率计(%1< 250板> 2, < 875> 81002< 875梁、拱、壳> 81003悬臂梁构件100混凝土养护温度对混凝土强度的影响二、自然养护条件下不同温度与龄期的混凝土强度参考百分率(%)水泥品种硬化混凝土硬化时的平均温度/注:本表自然养护指在露天温度(+ 5 以上)条件下,混凝土表面进行覆盖, 浇水养护或在结构平面上使混凝土在潮湿条件下,强度正常发展的养护工艺<钢筋下料长度计算钢筋因弯曲或弯钩会使其长度变化,在配料中不能直接根据图纸中尺寸下料;必须了解对混凝土保护层、钢筋弯曲、弯钩等规定,再根据图中尺寸计算其下料长度。
各种钢筋下料长度计算如下:直钢筋下料长度二构件长度-保护层厚度+弯钩增加长度弯起钢筋下料长度二直段长度+斜段长度-弯曲调整值+弯钩增加长度箍筋下料长度=箍筋周长+箍筋调整值上述钢筋需要搭接的话,还应增加钢筋搭接长度。
下料长度:是按钢筋弯曲后的中心线长度来计算的,因为弯曲后该长度不会发生变化。
外包标注:简图尽寸或设计图中注明的尺寸不包括端头弯钩长度,它是根据构件尺寸、钢筋形状及保护层的厚度等按外包尺寸进行标注的,他有几种不同的标注方法,具体见下图。
弯曲量度差:钢筋弯曲时,其外壁伸长,内壁缩短,而中心线长度并不改变,计算钢筋的下料长度是按中心线的长度计算的。
显然外包尺寸大于中心线长度,它们之间存在一个差值,我们称之为“量度差值”。
弯钩增加长度:当使用不同的外包标注方法时,有可能外包标注的长度没有弯钩按中心线长度增加的大,这样就存在一个实际下料长度和外包标注之间的一个差值,这个差值就是下料时应按外包标注所增加的长度,具体右图。
180 Mf-外包只标注b如上图90度弯钩,当按如下两种外包标注时其弯钩的计算方法不同如果外包尺寸只标注L ,那么就存在一个弯钩增加长度,即实际下料长度应是 钢筋中心线的长度,也就是钢筋垂直弯曲部分长度AB ,加上90圆弧长度,再加上 底部除圆弧部分的长度S ,大于外包标注尺寸L ,即AB+R+S 与L 的差值就是弯钩的 增加长度。
建筑混凝土强度与温度和龄期增长曲线图我在论坛上看到一个混凝土强度估算方法,不过好像并无具体参考的东西!1、适用范围;本法适用于不掺外加剂在50℃以下正温养护和掺外加剂在30℃以下正温养护的混凝土,亦可用于掺防冻剂的负温混凝土。
本法适用于估算混凝土强度标准值60%以内的强度值。
2、前提条件使用本法估算混凝土强度,需要用实际工程使用的混凝土原材料和配合比,制作不少于 5 组混凝土立方体试件,在标准条件下养护的1、2、3、 7、28d的强度值。
使用本法同时需取的现场养护混凝土的温度实测资料(温度、时间)。
3、用估算法估算混凝土强度的步骤:1)用标准养护试件 1~7d龄期强度数据,经回归分析拟合成下列形式曲线方程:f=aeb/D(1)式中 f——混凝土立方体抗压强度( N/mm2);D——混凝土养护龄期( d);a、b ——参数。
2)根据现场实测混凝土养护温度资料,用下式计算已达到的等效龄期(相当于20℃标准养护的时间)。
t=Σα T·(tT2)式中 t——等效龄期( d);α T——温度为 T℃时的等效系数,按下表使用;tT——温度为 T℃的持续时间( h)。
3)以等效龄期 t代替 D带入公式( 1)可算出强度。
等效系数温度等效温度系数温度等效温度系数温度等效温度系数50 49 48 47 46 45 44 43 42 41 40 39 38 37 36 35 34 33 32 31 30 29 3.163.072.972.882.802.712.622.542.462.382.302.222.142.071.991.921.851.781.711.651.581.522827262524232221201918171615141312111091.451.391.331.271.221.161.111.051.000.950.910.860.810.770.730.680.640.610.570.530.500.466 0.430.400.370.350.320.300.270.250.230.210.200.180.160.150.140.13543211-2-3-4-5-6-7-8-9-10-11-12-13-140.120.110.110.100.100.0987 -152一、普通混凝土达到 1.2N/mm强度所需龄期参考对照表外界水泥品种混凝土期限外界水泥品种及混凝土期限温度℃及强度等强度等 (h) 温度℃强度等级强度等级(h)级级C15 48 C15 24 1-5℃普通 42.510-15℃普通 42.5C20 C15 4460C20C1520321-5℃矿渣 32.5 10-15℃矿渣 32.5C20 C15 5032C20C152420以下5-10℃普通 42.5 15℃以上普通 42.5C20 C15 2840C20C1520以下205-10 15℃矿渣 32.5 以上矿渣 32.5C20 32 C20 20 注:水灰比 :采用普通水泥为 0.65-0.8;采用矿渣水泥为 0.56-0.68。
混凝土强度与温度和龄期增长曲线图我在论坛上看到一个混凝土强度估算方法,不过好像并无具体参考的东西!1、适用范围;本法适用于不掺外加剂在50℃以下正温养护和掺外加剂在30℃以下正温养护的混凝土,亦可用于掺防冻剂的负温混凝土。
本法适用于估算混凝土强度标准值60%以内的强度值。
2、前提条件使用本法估算混凝土强度,需要用实际工程使用的混凝土原材料和配合比,制作不少于5组混凝土立方体试件,在标准条件下养护的1、2、3、7、28d的强度值。
使用本法同时需取的现场养护混凝土的温度实测资料(温度、时间)。
3、用估算法估算混凝土强度的步骤:1)用标准养护试件1~7d龄期强度数据,经回归分析拟合成下列形式曲线方程:f=aeb/D (1)式中f——混凝土立方体抗压强度(N/mm2);D——混凝土养护龄期(d);a、b——参数。
2)根据现场实测混凝土养护温度资料,用下式计算已达到的等效龄期(相当于20℃标准养护的时间)。
t=ΣαT·tT(2)式中t——等效龄期(d);αT——温度为T℃时的等效系数,按下表使用;tT——温度为T℃的持续时间(h)。
3)以等效龄期t代替D带入公式(1)可算出强度。
等效系数αT温度等效温度系数αT温度等效温度系数αT温度等效温度系数αT 50 3.16 28 1.45 6 0.4349 3.07 27 1.39 5 0.4048 2.97 26 1.33 4 0.3747 2.88 25 1.27 3 0.3546 2.80 24 1.22 2 0.3245 2.71 23 1.16 1 0.3044 2.62 22 1.11 0 0.2743 2.54 21 1.05 1 0.2542 2.46 20 1.00 -2 0.2341 2.38 19 0.95 -3 0.2140 2.30 18 0.91 -4 0.2039 2.22 17 0.86 -5 0.1838 2.14 16 0.81 -6 0.1637 2.07 15 0.77 -7 0.1536 1.99 14 0.73 -8 0.1435 1.92 13 0.68 -9 0.1334 1.85 12 0.64 -10 0.1233 1.78 11 0.61 -11 0.1132 1.71 10 0.57 -12 0.1131 1.65 9 0.53 -13 0.1030 1.58 8 0.50 -14 0.1029 1.52 7 0.46 -15 0.09一、普通混凝土达到1.2N/mm2强度所需龄期参考对照表注:水灰比:采用普通水泥为0.65-0.8;采用矿渣水泥为0.56-0.68。
混凝土强度与温度和龄期增长曲线图我在论坛上看到一个混凝土强度估算方法,不过好像并无具体参考的东西!1、适用范围;本法适用于不掺外加剂在50℃以下正温养护和掺外加剂在30℃以下正温养护的混凝土,亦可用于掺防冻剂的负温混凝土。
本法适用于估算混凝土强度标准值60%以内的强度值。
2、前提条件使用本法估算混凝土强度,需要用实际工程使用的混凝土原材料和配合比,制作不少于5组混凝土立方体试件,在标准条件下养护的1、2、3、7、28d的强度值。
使用本法同时需取的现场养护混凝土的温度实测资料(温度、时间)。
3、用估算法估算混凝土强度的步骤:1)用标准养护试件1~7d龄期强度数据,经回归分析拟合成下列形式曲线方程:f=aeb/D (1)式中f——混凝土立方体抗压强度(N/mm2);D——混凝土养护龄期(d);a、b——参数。
2)根据现场实测混凝土养护温度资料,用下式计算已达到的等效龄期(相当于20℃标准养护的时间)。
t=ΣαT·tT(2)式中t——等效龄期(d);αT——温度为T℃时的等效系数,按下表使用;tT——温度为T℃的持续时间(h)。
3)以等效龄期t代替D带入公式(1)可算出强度。
等效系数αT温度等效温度系数αT温度等效温度系数αT温度等效温度系数αT 50 3.16 28 1.45 6 0.4349 3.07 27 1.39 5 0.4048 2.97 26 1.33 4 0.3747 2.88 25 1.27 3 0.3546 2.80 24 1.22 2 0.3245 2.71 23 1.16 1 0.3044 2.62 22 1.11 0 0.2743 2.54 21 1.05 1 0.2542 2.46 20 1.00 -2 0.2341 2.38 19 0.95 -3 0.2140 2.30 18 0.91 -4 0.2039 2.22 17 0.86 -5 0.1838 2.14 16 0.81 -6 0.1637 2.07 15 0.77 -7 0.1536 1.99 14 0.73 -8 0.1435 1.92 13 0.68 -9 0.1334 1.85 12 0.64 -10 0.1233 1.78 11 0.61 -11 0.1132 1.71 10 0.57 -12 0.1131 1.65 9 0.53 -13 0.1030 1.58 8 0.50 -14 0.1029 1.52 7 0.46 -15 0.09一、普通混凝土达到1.2N/mm2强度所需龄期参考对照表注:水灰比:采用普通水泥为0.65-0.8;采用矿渣水泥为0.56-0.68。
混凝土强度与温龄期增长曲线图————————————————————————————————作者:————————————————————————————————日期:混凝土强度与温度和龄期增长曲线图我在论坛上看到一个混凝土强度估算方法,不过好像并无具体参考的东西!1、适用范围;本法适用于不掺外加剂在50℃以下正温养护和掺外加剂在30℃以下正温养护的混凝土,亦可用于掺防冻剂的负温混凝土。
本法适用于估算混凝土强度标准值60%以内的强度值。
2、前提条件使用本法估算混凝土强度,需要用实际工程使用的混凝土原材料和配合比,制作不少于5组混凝土立方体试件,在标准条件下养护的1、2、3、7、28d的强度值。
使用本法同时需取的现场养护混凝土的温度实测资料(温度、时间)。
一、普通混凝土达到1.2N/mm2强度所需龄期参考对照表外界温度℃水泥品种及强度等级混凝土强度等级期限(h)外界温度℃水泥品种及强度等级混凝土强度等级期限(h)1-5℃普通42.5C15 4810-15℃普通42.5C15 24C20 44 C20 201-5℃矿渣32.5C15 6010-15℃矿渣32.5C15 32 C20 50 C20 245-10℃普通42.5 C15 3215℃以上普通42.5C15 20以下C20 28 C20 20以下5-10矿渣32.5C15 4015℃以上矿渣32.5C15 20 C20 32 C20 20注:水灰比:采用普通水泥为0.65-0.8;采用矿渣水泥为0.56-0.68。
二、自然养护条件下不同温度与龄期的混凝土强度参考百分率(%)水泥品种和强度硬化龄期/d混凝土硬化时的平均温度/℃1 5 10 15 20 25 30 3532.5级普通水泥2 --19 25 30 35 40 453 14 20 25 32 37 43 48 52 5 24 30 36 44 50 57 63 66 7 32 40 46 54 62 68 73 76 10 42 50 58 66 74 78 82 86 15 52 63 71 80 88 ---28 68 78 86 94 100 ---32.5级矿渣水泥、火山灰质水泥2 ---15 18 24 30 353 --11 17 22 26 32 38 5 12 17 22 28 34 39 44 52 7 18 24 32 38 45 50 55 63 10 25 34 44 52 58 63 67 75 15 32 46 57 67 74 80 86 92 28 48 64 83 92 100 ---注:本表自然养护指在露天温度(+5℃以上)条件下,混凝土表面进行覆盖,浇水养护或在结构平面上使混凝土在潮湿条件下,强度正常发展的养护工艺。
混凝土强度与温度和龄期增长曲线图我在论坛上看到一个混凝土强度估算方法,不过好像并无具体参考的东西!1、适用范围;本法适用于不掺外加剂在50℃以下正温养护和掺外加剂在30℃以下正温养护的混凝土,亦可用于掺防冻剂的负温混凝土。
本法适用于估算混凝土强度标准值60%以内的强度值。
2、前提条件使用本法估算混凝土强度,需要用实际工程使用的混凝土原材料和配合比,制作不少于5组混凝土立方体试件,在标准条件下养护的1、2、3、7、28d的强度值。
使用本法同时需取的现场养护混凝土的温度实测资料(温度、时间)。
3、用估算法估算混凝土强度的步骤:1)用标准养护试件1~7d龄期强度数据,经回归分析拟合成下列形式曲线方程:f=aeb/D (1)式中f——混凝土立方体抗压强度(N/mm2);D——混凝土养护龄期(d);a、b——参数。
2)根据现场实测混凝土养护温度资料,用下式计算已达到的等效龄期(相当于20℃标准养护的时间)。
t=ΣαT·tT(2)式中t——等效龄期(d);αT——温度为T℃时的等效系数,按下表使用;tT——温度为T℃的持续时间(h)。
3)以等效龄期t代替D带入公式(1)可算出强度。
等效系数αT温度等效温度系数αT温度等效温度系数αT温度等效温度系数αT 50 3.16 28 1.45 6 0.4349 3.07 27 1.39 5 0.4048 2.97 26 1.33 4 0.3747 2.88 25 1.27 3 0.3546 2.80 24 1.22 2 0.3245 2.71 23 1.16 1 0.3044 2.62 22 1.11 0 0.2743 2.54 21 1.05 1 0.2542 2.46 20 1.00 -2 0.2341 2.38 19 0.95 -3 0.2140 2.30 18 0.91 -4 0.2039 2.22 17 0.86 -5 0.1838 2.14 16 0.81 -6 0.1637 2.07 15 0.77 -7 0.1536 1.99 14 0.73 -8 0.1435 1.92 13 0.68 -9 0.1334 1.85 12 0.64 -10 0.1233 1.78 11 0.61 -11 0.1132 1.71 10 0.57 -12 0.1131 1.65 9 0.53 -13 0.1030 1.58 8 0.50 -14 0.1029 1.52 7 0.46 -15 0.09一、普通混凝土达到1.2N/mm2强度所需龄期参考对照表注:水灰比:采用普通水泥为0.65-0.8;采用矿渣水泥为0.56-0.68。
混凝土养护温度对混凝土强度的影响0 3 7 14 21 28龄期整体式结构拆模时所需的混凝土强度项次 结构类型 结构跨度(m ) 按设计混凝土强度的标准值百分率计(%)1板 ≤2 >2,≤8 >850 75 100 2梁、拱、壳 ≤8 >8 75 100 3悬臂梁构件1004℃38℃ 21℃13℃抗压强度 %100806040 20二、自然养护条件下不同温度与龄期的混凝土强度参考百分率(%)水泥品种和强度硬化龄期/d混凝土硬化时的平均温度/℃1 5 10 15 20 25 30 3532.5级普通水泥2 --19 25 30 35 40 453 14 20 25 32 37 43 48 52 5 24 30 36 44 50 57 63 66 7 32 40 46 54 62 68 73 76 10 42 50 58 66 74 78 82 86 15 52 63 71 80 88 ---28 68 78 86 94 100 ---32.5级矿渣水泥、火山灰质水泥2 ---15 18 24 30 353 --11 17 22 26 32 38 5 12 17 22 28 34 39 44 52 7 18 24 32 38 45 50 55 63 10 25 34 44 52 58 63 67 75 15 32 46 57 67 74 80 86 92 28 48 64 83 92 100 ---注:本表自然养护指在露天温度(+5℃以上)条件下,混凝土表面进行覆盖,浇水养护或在结构平面上使混凝土在潮湿条件下,强度正常发展的养护工艺。
钢筋下料长度计算钢筋因弯曲或弯钩会使其长度变化,在配料中不能直接根据图纸中尺寸下料;必须了解对混凝土保护层、钢筋弯曲、弯钩等规定,再根据图中尺寸计算其下料长度。
各种钢筋下料长度计算如下:直钢筋下料长度=构件长度-保护层厚度+弯钩增加长度弯起钢筋下料长度=直段长度+斜段长度-弯曲调整值+弯钩增加长度箍筋下料长度=箍筋周长+箍筋调整值上述钢筋需要搭接的话,还应增加钢筋搭接长度。
土建工程中混凝土强度与温度和龄期增长曲线及普通混凝土达到1.2N/mm2强度所需龄期参考对照表
在新建工程中,现行施工规范对现浇板养护期间,当混凝土强度小于1.2Mpa 时,不得进行后续施工。
当混凝土强度小于10Mpa 时,不宜在现浇板上吊运、堆放重物。
吊运、堆放重物时,应采取有效措施,减轻冲击。
但是如何在实际工程中正确理解上述内容的精神实质,在看了下述混凝土强度与温度和龄期增长曲线图及普通混凝土达到1.2N/mm2强度所需龄期参考对照表便知晓了。
混凝土强度与温度和龄期增长曲线图
普通混凝土达到1.2N/mm2强度所需龄期参考对照表。
混凝土强度与温度和龄期的关系曲线图在实际工程中,可根据温度、龄期对混凝土强度的影响曲线,从已知龄期的强度估计另一龄期的强度,如图所示。
自然养护条件下
混凝土强度与温度和龄期的关系表
水泥品种和强度
硬化﹪
龄期/d
混凝土硬化时的平均温度℃备注
1 5 10 15 20 25 30 35
自然养护
条件指在露天
温度(+5℃)
条件下,混凝
土表面进行覆
盖,浇水养护
或在结构平面
上使混凝土在
潮湿条件下,
强度正常发展
的养护工艺。
32.5级普通水泥
2 ——19 25 30 35 40 45
3 1
4 20 2
5 32 37 43 48 52 5 24 30 3
6 44 50 5
7 63 66 7 32 40 46 54 62 6
8 73 76 10 42 50 58 66 74 78 82 86 15 52 63 71 80 88 ———28 68 78 86 94 100 ———
32.5级
矿渣水泥
火山灰质水泥
2 ———15 18 24 30 35
3 ——11 17 22 26 32 38 5 12 17 22 28 3
4 39 44 52 7 18 24 32 38 4
5 50 55 63 10 25 34 44 52 58 63 67 75 15 32 4
6 5
7 67 74 80 86 92。