建筑工程项目开工安全生产条件检查表(表)
- 格式:doc
- 大小:22.50 KB
- 文档页数:2
项目名称:施工单位:
建筑施工安全生产检查表
检查人:检查日期:年月日
项目名称:施工单位:
建筑施工安全生产检查表
检查人:检查日期:年月日项目名称:施工单位:
建筑施工安全生产检查表
(基坑工程)
检查人:检查日期:年月日
项目名称:施工单位:
建筑施工安全生产检查表
(临时用电)
检查人:检查日期:年月日项目名称:施工单位:
建筑施工安全生产检查表
(安全防护)
检查人:检查日期:年月日
项目名称:施工单位:
建筑施工安全生产检查表
(消防工程)
检查人:检查日期:年月日。
建筑工程施工现场安全生产检查表本文档用于建筑工程施工现场进行安全生产检查,以确保施工过程中的安全,防范事故的发生。
工程概况•工程名称:•工程地点:•工程负责人:•施工单位:施工现场的一般要求•现场是否布置了安全警示标志?•现场是否设置了安全防护网、安全通道和临时围栏?•施工现场是否划分了不同区域?•有无地下障碍物和危险区域的相关安全预防措施?施工设备和机械的安全检查•施工设备是否经过安全检修并具备使用条件?•机械操作人员是否持有合格证?•机械作业区域是否设置了警示标志?•设备和机械是否固定牢固,不存在松动或安全隐患?施工材料和用具的安全检查•施工材料是否符合国家标准及质量验收标准?•施工用具是否经过检修并具备使用条件?•施工材料的储存是否科学合理,避免堆放不当导致安全风险?施工人员的安全检查•施工人员是否经过必要的安全培训和资格认证?•施工人员是否使用个人防护装备?•施工人员是否遵守施工现场的安全规章制度?•有无违章操作和违规行为?安全生产措施的执行情况•施工现场是否制定了安全生产措施计划?•安全生产措施的执行情况如何?•安全生产教育培训情况是否到位?施工现场的危险源排查•对施工现场的危险源进行了何种排查?•危险源是否得到有效控制和管理?•对已控制的危险源是否进行了定期检查和维护?现场安全巡查记录•进行了多少次现场安全巡查?•巡查中发现了哪些问题?•问题得到了怎样的解决和整改?安全事件及事故的记录分析•施工现场发生过哪些安全事件或事故?•安全事件或事故的原因分析和责任追究情况?•采取了哪些措施避免类似事件或事故再次发生?签名•监理单位负责人签名:•施工单位负责人签名:•监督部门负责人签名:是建筑工程施工现场安全生产检查表的内容,通过对施工现场各个方面的安全检查,可以确保施工过程中的安全。
同时,如果发现问题和隐患,应及时采取相应措施进行整改,以防止安全事件和事故的发生。
在整个施工过程中,各方应共同努力,落实安全生产责任,确保工程顺利进行。
开工前安全检查表开工前安全检查表项目工程名称:工程施工单位:总承包单位:分包单位:检查日期:参与检查人员:序号检查项目主要内容1 企业资质及企业安全生产许可证检查企业资质及安全生产许可证是否齐全2 安全管理人员是否与投标人员相符检查安全管理人员是否与投标人员相符3 项目经理安全资格证检查项目经理的安全资格证4 安全管理人员安全资格证检查安全管理人员的安全资格证5 项目经理是否到位检查项目经理是否到位6 安全监督专职安全管理人员是否到位组织与网是否设置安全经理检查安全监督专职安全管理人员是否到位,组织与网是否设置安全经理7 网络建设是否设置安全管理部门检查网络建设是否设置安全管理部门8 安全组织机构建立情况(组织机构、主要负责人及其职责)检查安全组织机构建立情况,包括组织机构、主要负责人及其职责9 专职安全管理人员的人数、工种及持证上岗情况检查专职安全管理人员的人数、工种及持证上岗情况10 特种作业人员的人数、工种及持证上岗情况检查特种作业人员的人数、工种及持证上岗情况11 机械设备到场情况(数量、外观检查)检查机械设备到场情况,包括数量、外观检查12 机械设备证件管理情况(备案、年检、机械设备手续、行车记录、维修保养记录)检查机械设备证件管理情况,包括备案、年检、机械设备手续、行车记录、维修保养记录13 准备机械设备性能检查(设备完好率、安全制动装置)检查机械设备的性能,包括设备完好率、安全制动装置14 特种设备是否符合国家规定高危作业是否进行审批检查特种设备是否符合国家规定高危作业是否进行审批15 HSE管理程序建立及上报情况检查HSE管理程序的建立及上报情况16 项目安全管理专项方案、应急预案编制计划及安全管理制及上报情况检查项目安全管理专项方案、应急预案编制计划及安全管理制及上报情况17 其他安全管理文件的编制及上报情况检查其他安全管理文件的编制及上报情况18 证件办理人员证件办理情况检查证件办理人员的证件办理情况19 设备证件办理情况检查设备证件办理情况20 安全投入计划(总体计划、年计划、月计划)检查安全投入计划,包括总体计划、年计划、月计划21 安全物资准备情况(个人劳保用品、安全用品、安全及文明施工标牌、应急物资等)检查安全物资准备情况,包括个人劳保用品、安全用品、安全及文明施工标牌、应急物资等22 高风险作业计划检查高风险作业计划23 安全专项方案编制计划检查安全专项方案编制计划24 三级安全教育开展状况检查三级安全教育开展状况25 工程管理人员安全责任与分工检查工程管理人员的安全责任与分工26 安全教育施工班组日常安全技术交底和合同安培训全条款培训检查安全教育施工班组日常安全技术交底和合同安培训全条款培训27 特殊工种安全教育检查特殊工种的安全教育28 应急救援教育培训检查应急救援教育培训29 安全措施是否到位、安全防护是否符合标准检查安全措施是否到位、安全防护是否符合标准30 现场临建安全及保建状况检查现场临建安全及保建状况31 场地是否围护、是否符合标准检查场地是否围护、是否符合标准32 施工场地排水检查施工场地排水33 厕所检查厕所34 建筑垃圾堆放场地是否明确检查建筑垃圾堆放场地是否明确35 “五牌一图” 检查“五牌一图”36 现场安全条件检查现场安全条件37 大门是否符合要求检查大门是否符合要求38 临建是否符合规划及要求检查临建是否符合规划及要求39 现场水、电管线安全状况检查现场水、电管线安全状况40 场地硬化是否符合要求检查场地硬化是否符合要求41 临时用电是否符合施工组织设计要求检查临时用电是否符合施工组织设计要求42 吸烟点、饮水点、休息设施配备情况检查吸烟点、饮水点、休息设施配备情况43 消防通道是否畅通检查消防通道是否畅通44 消防器材配备是否到位检查消防器材配备是否到位45 劳务工情况(人数、工种、合同)检查劳务工情况,包括人数、工种、合同46 劳务保险办理情况检查劳务保险办理情况47 与现场安全管理部门接口是否建立检查与现场安全管理部门接口是否建立48 安全协调与接口是否提交项目管理人员联系清单49 HSE管理体系资料建立及保存状况检查HSE管理体系资料建立及保存状况50 安全内业检查安全内业人员和设备安全台账的建立情况资料、安全技术交底记录以及个人防护厨师和卫生防特种作业人员的健康证明应该齐全。
项目名称: [项目名称]检查日期: [检查日期]检查人: [检查人姓名]一、现场安全条件1.施工区域隔离:是否设置明显的围挡和警示标志,隔离非工作人员?o[ ] 是o[ ] 否1.紧急出口:紧急出口是否畅通,标识是否清晰?o[ ] 是o[ ] 否1.安全警告标志:危险区域是否设置安全警告标志?o[ ] 是o[ ] 否二、人员安全1.安全培训:所有施工人员是否已完成安全培训?o[ ] 是o[ ] 否1.个人防护装备:是否为所有人员配备并正确使用个人防护装备?o[ ] 是o[ ] 否1.急救设施:现场是否配备急救箱和急救人员?o[ ] 是o[ ] 否三、设备与工具1.机械设备:所有机械设备是否进行过维护和检查?o[ ] 是o[ ] 否1.工具安全性:手工具是否安全可靠,无损坏?o[ ] 是o[ ] 否1.电气设备:电气设备是否符合安全标准,无裸露线缆?o[ ] 是o[ ] 否四、材料管理1.材料堆放:材料堆放是否稳固,不阻碍通道?o[ ] 是o[ ] 否1.危险品处理:危险化学品是否按要求存储和标识?o[ ] 是o[ ] 否五、环境与健康1.空气质量:通风是否良好,无有害气体?o[ ] 是o[ ] 否1.噪音控制:是否采取措施控制噪音污染?o[ ] 是o[ ] 否1.现场卫生:厕所和休息区是否清洁?o[ ] 是o[ ] 否六、应急准备1.应急计划:是否制定了应急疏散和事故应对计划?o[ ] 是o[ ] 否1.消防设备:现场是否配备足够的消防设备,且处于可用状态?o[ ] 是o[ ] 否七、法规与许可1.施工许可:是否已获得所有必要的施工许可和审批?o[ ] 是o[ ] 否1.环境评估:是否进行过环境影响评估并符合要求?o[ ] 是o[ ] 否检查结论与建议●[ ] 所有项目均检查通过,可以开工。
●[ ] 存在问题,需在[具体日期]前完成整改。
检查人签字: [签字]项目经理确认: [签字]请根据实际情况填写检查表,确保所有安全措施到位,以保障项目顺利进行和人员安全。
建筑工程施工现场安全生产检查表一、现场应急措施1. 是否设置了应急预案并告知所有参与施工人员?•[ ] 是•[ ] 否2. 是否设置了安全疏散通道,并保持畅通?•[ ] 是•[ ] 否3. 是否配备了足够数量的消防器材和消防车辆?•[ ] 是•[ ] 否4. 是否设置了应急照明设备,并保持正常工作状态?•[ ] 是•[ ] 否5. 是否定期组织应急演练,并记录演练情况?•[ ] 是二、施工场地安全管理1. 是否设置了围挡和警示标志?•[ ] 是•[ ] 否2. 是否设置了作业区域和非作业区域,并进行有效隔离?•[ ] 是•[ ] 否3.是否定期检查围挡和警示标志的完好程度,并及时修复或更换?•[ ] 是•[ ] 否4. 是否定期清理施工现场垃圾,并保持整洁?•[ ] 是•[ ] 否5. 是否按照规定摆放、存放和堆放材料、机械设备,并保持稳固?•[ ] 是三、安全用电和用火管理1. 是否安装了漏电保护器,并定期检测其功能是否正常?•[ ] 是•[ ] 否2. 是否严格遵守用电安全操作规程?•[ ] 是•[ ] 否3. 是否设置了专用的用火区域,并设置了灭火设备?•[ ] 是•[ ] 否4. 是否对电气线路进行了隔离保护,并定期进行检查?•[ ] 是•[ ] 否5. 是否对易燃物品进行了分类储存,并设置了明显的标识?•[ ] 是•[ ] 否四、机械设备安全管理1. 是否进行了机械设备的安全评估并制定了使用规范?•[ ] 是•[ ] 否2. 是否定期检查机械设备的安全装置是否完好?•[ ] 是•[ ] 否3. 是否定期检查机械设备的工作状况,并进行维护和保养?•[ ] 是•[ ] 否4. 是否培训了相关人员对机械设备进行正确操作?•[ ] 是•[ ] 否5. 是否严格遵守机械设备的使用要求,并制定了使用计划?•[ ] 是•[ ] 否五、高空、深基坑和洞口作业管理1. 是否进行了高空作业的风险评估,并制定了相应的安全措施?•[ ] 是•[ ] 否2.是否对高空作业人员进行了专业培训,并持有有效的上岗证书?•[ ] 是•[ ] 否3. 是否设置了安全网等安全保护设施?•[ ] 是•[ ] 否4. 是否对深基坑和洞口进行了有效的支护和防护措施?•[ ] 是•[ ] 否5. 是否严禁未经许可的人员进入高空、深基坑和洞口作业区域?•[ ] 是•[ ] 否六、现场人员安全防护1.是否配备了足够数量的安全帽、安全鞋等个人防护装备,并要求人员佩戴?•[ ] 是•[ ] 否2.是否制定了施工现场人员的安全操作规程,并进行了知识培训?•[ ] 是•[ ] 否3. 是否设置了安全警示标语,并进行了宣传教育?•[ ] 是•[ ] 否4. 是否对特殊作业人员进行了专业培训和合格证书的认证?•[ ] 是•[ ] 否5. 是否对职工进行了健康体检,并建立了健康档案?•[ ] 是•[ ] 否检查表仅供参考,实际检查应结合具体施工现场情况进行细化和补充。
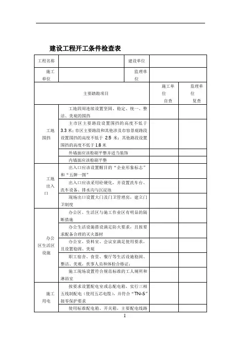
监督登记号:蓬建安监1-2外建设工程开工安全生产条件审查表工程名称:平湖世纪名苑(三期B区)市政工程工程地点:平湖世纪名苑(三期B区)建设单位:监理单位:施工单位:浙江裕丰园林建设有限公司监督单位:年月日说明一、本册一式四份,建设单位、监理单位、施工单位、监督站(或建管所)各一份;二、本册在办理建设工程质量安全监督登记手续时与《建设工程质量安全监督登记表》一并提交,是办理监督登记的必要要件;三、本册P3~P10页的各项内容,由建设单位组织建设各方主体如实填写,并由建设单位或建设单位委托的监理单位对开工前的安全生产条件进行审查,审查通过后在《六、审查结论》签证盖章并报送监督站(或建管所)进行复查。
四、监督站(或建管所)对开工前的安全生产条件进行复查,对符合条件的签批《七、建设工程开工前安全生产条件复查表》,办理安全监督登记手续。
五、呈报时,一并呈交以下资料:相关的企业资质证书;相关人员的上岗证的复印件;特种作业人员一览表及上岗证复印件;各项安全生产管理制度;施工组织设计及安全专项方案(脚手架、井架、卸料平台、施工用电、桩基工程、基坑支护、模板工程、高支模等)本册中列出的各专项措施及证明材料;六、本表双面打印,可用电脑打印(签名除外)。
一、工程概况蓬建安监1-2-1外二、各责任主体施工安全管理架构及人员配置蓬建安监1-2-2外总承包单位(有无)分包单位(有无)注:1、本表“本人签名”栏中要求该人员亲笔签名,并作为施工方案编审、安全管理资料签证的对照资料;2、各责任主体的有关人员如未能在本表列出,可另行制表增补;3、当前施工阶段如有特种作业人员应另行编制特种作业人员名册表,列表内容应包括:姓名、工种、进场日期、证号、发证机关、有效期,并提供特种作业证复印件。
三、安全生产管理制度蓬建安监1-2-3外有无有无有无安全生产责任制度(含考核办法)有无有无有无有无有无有无消防管理制度(含临时动火管理)有无有无有无四、规划许可和安全专项措施(当前阶段)蓬建安监1-2-4外有无有方案无方案有方案无方案有方案 无方案施工图文件审查(通过无通过)有否存在不得使用挖孔桩的情况(有无)无采用人工挖孔桩工法有列表塔吊台、无列表施工电梯台、无此项钢井架台、龙门吊台、已投入使用的起重机械(有无)未经检测或检测不合格有方案无方案有演练记录无演练记录五、现场文明施工、安全防护和临时设施安全条件检查蓬建安监1-2-5外六、审查结论蓬建安监1-2-6外七、建设工程开工前安全生产条件复查表蓬建安监1-2-7。