门式脚手架计算书
- 格式:doc
- 大小:138.00 KB
- 文档页数:11
门式钢管脚手架计算书一、基本参数:脚手架用途结构脚手架脚手架搭设高度H = 8.5 m脚手架距墙体距离b2 = 2000 mm连墙件布置形式 2 步3 跨同时施工层数n = 1 层施工均布荷载Qk = 3 kN/m2门架型号MF1219门架立(横)杆钢管φ42×2.5门架加强杆钢管φ26.8×2.5门架步距h = 1950 mm门架跨距l = 1500 mm地基承载力标准值fgk = 200 N/mm2基础底面面积 A = 40 m2二、荷载计算(1) 静荷载标准值门架自重NG1=0.115 kN/m交叉支撑自重NG2=0.021 kN/m连接棒自重NG3=0.003 kN/m锁臂自重NG4=0.004 kN/m水平架自重NG5=0.169 kN/m扣件自重NG6=0 kN/m静荷载标准值NG=0.115 + 0.021 + 0.003 + 0.004 + 0.169 + 0=0.143 kN/m(2) 活荷载标准值NQ = (1500÷1000)×(1219÷1000)×3 = 5.49 kN(3) 风荷载标准值计算其中:wo 基本风压,wo=0.3 kN/m2μz 风荷载高度变化系数μz=0.74μs 风荷载体型系数μs=0.25经计算得到:风荷载标准值wk=0.7×0.74×0.25×0.3=0.04 kN/m2。
三、立杆的稳定性计算1、作用于一榀门架的轴向力设计值计算公式(不组合风荷载)其中: NG 静荷载标准值,NG=0 kN/mNQ 活荷载标准值,NQ=5.49 kNH 脚手架的搭设高度,H=8.5 m。
经计算得到N=1.2÷0×8.5+1.4×5.49=7.69 kN2、作用于一榀门架的轴向力设计值计算公式(组合风荷载)其中:wk 风荷载标准值,wk=0.04(kN/m);H1 连墙件的竖向间距,H1=3.9m;b 门架的宽度b = 1219 mml 门架跨距l = 1500 mmH 脚手架搭设高度H = 8.5 mNG 静荷载标准值NG = 0.143 kN/mNQ 活荷载标准值NQ = 5.49 kN经计算N=1.2×0.143×8.5+0.85×1.4×(5.49+2×0.04×1500×3.9^2÷(10×(1219÷1000)))=8.17 kN3、作用于一榀门架的轴向力设计值取上面计算中的大值N=8.17 kN。
梁模板门式脚手架支撑计算书计算依据《建筑施工模板安全技术规范》(JGJ162-2008)。
计算参数:脚手架搭设高度为2.8m,门架型号采用MF1217,钢材采用Q235。
门架的宽度 b = 1.20m,门架的高度 h0 = 1.70m,步距1.95m,跨距 l = 1.83m。
门架 h1 = 1.54m,h2 = 0.08m,b1 = 0.75m。
门架立杆采用48.0×3.5mm钢管,立杆加强杆采用27.2×1.9mm钢管。
每榀门架之间的距离1.20m,梁底木方距离350mm。
梁底木方截面宽度80mm,高度80mm。
面板厚度18mm,剪切强度1.6N/mm2,抗弯强度15.0N/mm2,弹性模量10000.0N/mm2。
木方剪切强度1.6N/mm2,抗弯强度15.0N/mm2,弹性模量10000.0N/mm2。
梁顶托采用80×80mm木方。
模板自重0.50kN/m2,混凝土钢筋自重25.50kN/m3,施工活荷载2.00kN/m2。
1——立杆;2——立杆加强杆;3——横杆;4——横杆加强杆图1 计算门架的几何尺寸图图2 模板支架示意图按照规范4.3.1条规定确定荷载组合分项系数如下:由可变荷载效应控制的组合S=1.2×(25.50×0.80+0.50)+1.40×2.00=27.880kN/m2由永久荷载效应控制的组合S=1.35×24.00×0.80+0.7×1.40×2.00=27.880kN/m2由于永久荷载效应控制的组合S最大,永久荷载分项系数取1.35,可变荷载分项系数取0.7×1.40=0.98一、模板面板计算面板为受弯结构,需要验算其抗弯强度和刚度。
模板面板的按照三跨连续梁计算。
静荷载标准值 q1 = 25.500×0.800×1.200+0.500×1.200=22.572kN/m活荷载标准值 q2 = (2.000+0.000)×1.200=2.160kN/m面板的截面惯性矩I和截面抵抗矩W分别为:本算例中,截面惯性矩I和截面抵抗矩W分别为:W = 120.00×1.80×1.80/6 = 64.80cm3;I = 120.00×1.80×1.80×1.80/12 = 58.32cm4;(1)抗弯强度计算f = M / W < [f]其中 f ——面板的抗弯强度计算值(N/mm2);M ——面板的最大弯距(N.mm);W ——面板的净截面抵抗矩;[f] ——面板的抗弯强度设计值,取15.00N/mm2;M = 0.100ql2其中 q ——荷载设计值(kN/m);经计算得到 M = 0.100×(1.35×22.572+0.98×2.160)×0.350×0.350=0.399kN.m经计算得到面板抗弯强度计算值 f = 0.399×1000×1000/64800=6.161N/mm2面板的抗弯强度验算 f < [f],满足要求!(2)抗剪计算 [可以不计算]T = 3Q/2bh < [T]其中最大剪力 Q=0.600×(1.35×22.572+1.0×2.160)×0.350=6.844kN截面抗剪强度计算值 T=3×6844.0/(2×1200.000×18.000)=0.475N/mm2截面抗剪强度设计值 [T]=1.60N/mm2抗剪强度验算 T < [T],满足要求!(3)挠度计算v = 0.677ql4 / 100EI < [v] = l / 250面板最大挠度计算值 v = 0.677×22.572×3504/(100×10000×583200)=0.393mm面板的最大挠度小于350.0/250,满足要求!二、梁底木方的计算木方按照简支梁计算。
门式脚手架计算书计算依据:1、《建筑施工门式钢管脚手架安全技术规范》JGJ128-20102、《建筑地基基础设计规范》GB50007-20113、《建筑结构荷载规范》GB50009-20124、《钢结构设计规范》GB50017-2003一、基本参数二、荷载参数三、设计简图落地门架_门架简图落地门架_门架平面图四、门架稳定性计算每米高度脚手架构配件自重产生的轴向力标准值:N Gk1= (G k1+ G k2×2+ G k3×1/2+ G k4×2×1/1+ G k5×2+G k6×2) /h=(0.224+ 0.040×2+ 0.165×1/2+ 0.184×2×1/1+ 0.006×2+ 0.0085×2) /1.950=0.402 kN/ m1/2表示水平架设置2步1设1/1表示脚手板设置1步1设每米高度脚手架附件重产生的轴向力标准值:N Gk2= (G k7×l/cosα×2/4+ G k8×l×1/4+ G k9/4+G k10×4/4+ G k11×l+ G k12×l×h) /h=(0.038×1.830/0.684×2/4+ 0.038×1.830×1/4+ 0.014/4+ 0.015×4/4+0.015×1.830+ 0.050×1.830×1.950) /1.950=0.15 kN/ m1/4表示水平加固杆4步1设各施工层施工荷载产生的轴向力标准值:N Qk=n× Q k×b×l=2×3×1.219×1.83=13.385 kN 门架宽度b,见门架型号编辑风荷载标准值:ωk=μz×μs×ωo=0.74×0.8×0.3=0.178 kN/ m2q k= ωk× l=0.178×1.83=0.325 kN/ m风荷载产生的弯矩标准值:M k= q k H12/10=0.325×3.92/10=0.494 kN . m2、作用于门架的轴向力设计值不组合风荷载时:N=1.2(N Gk1+ N Gk2)H+1.4 N Qk=1.2×(0.402+0.15)×33.6+1.4×13.385=40.975 kN组合风荷载时:N w=1.2(N Gk1+ N Gk2)H+0.9×1.4 (N Qk+2M k/b)=1.2× (0.402+0.15)×33.6+0.9×1.4× (13.385+2×0.494/1.219)=40.123 kN门架轴向力设计值:N=max[N, Nw]=40.975 kN3、门架的稳定承载力设计值I=I0+I1·h1/h0=107800+107800×1536/1930=193593 mm4 i=(I/A1)0.5=(193593/424)0.5=21.37 mmλ=kh0/i=1.22×1930/21.37=110.19由λ查规范表B.0.6,得φ=0.516N d=φ·A·f=0.516×424×2×205×10-3=89.7kN得,N ≤ N d门架的稳定性,满足要求!五、钢丝绳卸荷计算(因此内容在规范以外,故仅供参考)钢丝绳卸荷按照完全卸荷计算方法。
板模板(门架支撑)计算书本计算书依据《建筑施工模板安全技术规范》(JGJ162-2008)、《建筑施工门式钢管脚手架安全技术规范》(JGJ128-2000)、《建筑施工计算手册》江正荣著、《建筑结构荷载规范》(GB 50009-2001)、《混凝土结构设计规范》(GB50010-2002)、《钢结构设计规范》(GB 50017-2003)等规范编制。
板段:B1。
模板支撑体系剖面图(一) 板模板荷载参数新浇筑砼自重标准值G2k :24kN/m3;钢筋自重标准值G3k:1.1kN/m3;板底模板自重标准值G1k:0.3kN/m2;承受集中荷载的模板单块宽度:1219mm;施工人员及设备荷载标准值Q1k:计算模板和直接支承模板的小梁时取2.5kN/m2;计算直接支承小梁的主梁时取1.5kN/m2;计算支架立柱等支承结构构件时取1kN/m2;(二) 门架静荷载参数水平架5步4设;脚手板5步1设;水平加固杆采用Φ42 × 2.5mm钢管,4步1设;剪刀撑采用Φ42 × 2.5mm钢管,按照4步4跨设置;1跨1步架内包含旋转扣件4个,直角扣件1个;附件、安全网重量(kN/m):0.02栏杆重量 (kN/m):0.013.板底模板参数搭设形式为:2层梁上横下顺单门架;(一) 面板参数面板采用克隆(平行方向)12mm厚覆面木胶合板;厚度:12mm;抗弯设计值fm:31N/mm2;弹性模量E:11500N/mm2;(二) 第一层支撑梁参数材料:1根50×100矩形木楞;间距:300mm;木材品种:太平洋海岸黄柏;弹性模量E:10000N/mm2;抗压强度设计值fc:13N/mm2;抗弯强度设计值fm:15N/mm2;抗剪强度设计值fv:1.6N/mm2;(三) 第二层支撑梁参数材料:2根□80×40×2.0矩形钢管;钢材品种:钢材Q235钢(>16-40);弹性模量E:206000N/mm2;屈服强度fy:235N/mm2;抗拉/抗压/抗弯强度设计值f:205N/mm2;抗剪强度设计值fv:120N/mm2;端面承压强度设计值fce:325N/mm2;4.地基参数模板支架放置在地面上,地基土类型为:碎石土;地基承载力标准值:650kPa;立杆基础底面面积:0.25m2;地基承载力调整系数:0.8。
楼板模板门式脚手架支撑计算书门式钢管脚手架的计算参照《建筑施工门式钢管脚手架安全技术规范》(JGJ128-2000)。
计算的脚手架搭设高度为4.2-0.2=4.0米,门架型号采用MF1217,钢材采用Q235。
搭设尺寸为:门架的宽度b = 1.22米,门架的高度h0 = 1.93米,步距1.93米,跨距l = 2.50米。
门架h1 = 1.54米,h2 = 0.08米,b1 = 0.75米。
门架立杆采用27.2×1.9mm钢管,立杆加强杆采用48.0×3.5mm钢管。
每榀门架之间的距离1.20m,每榀门架内的方木数量4根。
梁底方木截面宽度50mm,高度100mm。
梁底托梁截面宽度75mm,高度150mm。
1——立杆;2——立杆加强杆;3——横杆;4——横杆加强杆图1 计算门架的几何尺寸图图2 模板支架示意图一、楼板底方木的计算方木按照简支梁计算,方木的截面力学参数为本算例中,面板的截面惯性矩I和截面抵抗矩W分别为:W = 5.00×10.00×10.00/6 = 83.33cm3;I = 5.00×10.00×10.00×10.00/12 = 416.67cm4;方木楞计算简图1.荷载的计算:(1)钢筋混凝土板自重(kN/m):q1 = 25.500×0.250×0.407=2.592kN/m(2)模板的自重线荷载(kN/m):q2 = 0.340×0.407=0.138kN/m(3)活荷载为施工人员与施工设备产生的荷载(kN/m):经计算得到,活荷载标准值q3 = 2.000×0.407=0.813kN/m经计算得到,方木荷载计算值Q = 1.2×(2.592+0.138)+1.4×0.813=4.416kN/m2.强度计算最大弯矩的计算公式如下:M = ql2/8最大弯矩M = 1.20×1.20×4.42/8=0.795kN.m截面应力=0.795×106/83333.3=9.54N/mm2方木的计算强度小于13.0N/mm2,满足要求!3.抗剪计算最大剪力的计算公式如下:Q = 0.5ql截面抗剪强度必须满足:T = 3Q/2bh < [T]其中最大剪力Q=0.5×1.200×4.416=2.649kN截面抗剪强度计算值T=3×2649/(2×50×100)=0.795N/mm2截面抗剪强度设计值[T]=1.30N/mm2方木的抗剪强度计算满足要求!4.挠度计算最大挠度考虑为静荷载与活荷载的计算值最不利分配的挠度和,计算公式如下: v = 5ql4/384EI最大变形v =5×3.680×1200.04/(384×9500.00×4166667.0)=0.251mm方木的最大挠度小于1200.0/250,满足要求!二、楼板底托梁的计算楼板底托梁按照集中荷载下连续梁计算计算简图楼板底托梁弯矩图(kN.m)楼板底托梁变形图(mm)楼板底托梁剪力图(kN)经过连续梁的计算得到最大弯矩Mmax=1.955kN.m最大变形vmax=0.815mm最大剪力Qmax=6.902kN截面应力=1.955×106/281250.0=6.953N/mm2楼板底托梁的计算强度小于13.0N/mm2,满足要求!楼板底托梁的最大挠度小于1220.0/250,满足要求!楼板底托梁抗剪强度计算值T=3×6902/(2×75×150)=0.920N/mm2楼板底托梁抗剪强度设计值[T]=1.30N/mm2楼板底托梁的抗剪强度计算满足要求!三、门架荷载标准值作用于门架的荷载包括门架静荷载与上面托梁传递荷载。
共享知识分享快乐门式脚手架计算书计算依据:1、《建筑施工门式钢管脚手架安全技术规范》JGJ128-20102、《建筑地基基础设计规范》GB50007-20113、《建筑结构荷载规范》GB50009-20124、《钢结构设计规范》GB50017-2003、基本参数、荷载参数三、设计简图共享知识分享快乐1 一立托2-討F加强讯3-橫托4—横杆加强杆& H销门架简图落地门架门架简图落地门架门架平面图四、门架稳定性计算门架型号MF1219 水平架设置2步1设脚手板设置1步1设剪刀撑设置4步4跨剪刀撑钢管类型① 48X3水平加固杆设置4步1设水平加固杆类型① 48X3每米高度脚手架构配件自重产生的轴向力标准值:N Gk1= (G kl+ G k2 ^2+ G k3X l/2+ G k4^2 X1/1+ G k5 ^2+ G k6^2) /h=(0.224+ 0.040 2-K0.165 叙2+ 0.184 2X1/1+ 0.006 2+ 0.0085 2)/1.950=0.402 kN/ m1/2表示水平架设置2步1设1/1表示脚手板设置1步1设每米高度脚手架附件重产生的轴向力标准值:N Gk2= (G k7X |/COS aX 2/4+<lG1/4+ G k9/4+ G k10 ^4/4+ G k11 X+ G k12 X 枸/h=(0.038 <830/0.684 2/4+ 0.038 1830 14+ 0.014/4+ 0.015 4/4+0.015 <830+0.050 1.830 1.950)/1.950=0.15 kN/ m1/4表示水平加固杆4步1设各施工层施工荷载产生的轴向力标准值:N Qk=n X Q k X b X=2 <3 <1.219 1.83=13.385 kN门架宽度b,见门架型号编辑风荷载标准值:2cck=庠X s< ©=0.74 0.8 <0.3=0.178 kN/ mq k= © X l=0.178 1^3=0.325 kN/ m风荷载产生的弯矩标准值:2 2M k= q k H12/10=0.325 3.92/10=0.494 kN . m2、作用于门架的轴向力设计值不组合风荷载时:N=1.2(N Gk1+ N Gk2)H+1.4 N Qk =1.2 (0.402+0.15) 33.6+1.4 13.385=40.975 kN 组合风荷载时:N w=1.2(N Gk1+ N Gk2)H+0.9 1.4 (N Qk+2M k/b)=1.2 >(0.402+0.15) 336+0.9 14 >(13.385+2 0494/1.219)=40.123 kN门架轴向力设计值:N=max[N, Nw]=40.975 kN4 l=l o+l ih i/h o=1O78OO+1O78OO为536/1930=193593 mmO 5 O 5i=(l/A i) . =(193593/424). =21.37 mm入=kh/i=1.22 1930/21.37=110.19由:查规范表B.0.6, 得© =0.516N d=©・A - f=0.516 X 424 X 2 疋=09J7ID得,N < N门架的稳定性,满足要求!五、钢丝绳卸荷计算(因此内容在规范以外,故仅供参考)钢丝绳卸荷按照完全卸荷计算方法。
A类350×2500梁模板门式脚手架支撑计算书门式钢管脚手架的计算参照《建筑施工门式钢管脚手架安全技术规范》(JGJ128-2000)。
计算的脚手架搭设高度为5.6米,门架型号采用MF1219,钢材采用Q235。
搭设尺寸为:门架的宽度 b = 1.22米,门架的高度 h0 = 1.93米,步距1.95米,跨距 l = 1.83米。
门架 h1 = 1.54米,h2 = 0.08米,b1 = 0.75米。
门架立杆采用42.0×2.5mm钢管,立杆加强杆采用26.8×2.5mm钢管。
每榀门架之间的距离0.60m,梁底木方距离200mm。
梁底木方截面宽度100mm,高度100mm。
梁顶托采用100×100mm木方。
1——立杆;2——立杆加强杆;3——横杆;4——横杆加强杆图1 计算门架的几何尺寸图图2 模板支架示意图计算中考虑梁两侧部分楼板混凝土荷载以集中力方式向下传递。
集中力大小为 F = 1.2×25.500×0.400×0.500×0.200=1.224kN。
一、梁底木方的计算木方按照简支梁计算。
1.荷载的计算:(1)钢筋混凝土板自重(kN/m):q 1 = 25.500×2.550×0.200=13.005kN/m(2)模板的自重线荷载(kN/m):q 2 = 0.340×0.200×(2×2.550+0.350)/0.350=1.059kN/m(3)活荷载为施工荷载标准值与振倒混凝土时产生的荷载(kN/m):经计算得到,活荷载标准值 q 3 = 2.000×0.200=0.400kN/m经计算得到,木方荷载计算值 Q = 1.2×(13.005+1.059)+1.4×0.400=17.437kN/m2.木方强度、挠度、抗剪计算A木方计算简图木方剪力图(kN)经过计算得到从左到右各支座力分别为N1=4.275kNN2=4.275kN经过计算得到最大弯矩 M= 2.126kN.m经过计算得到最大支座 F= 4.275kN经过计算得到最大变形 V= 4.0mm木方的截面力学参数为本算例中,截面惯性矩I和截面抵抗矩W分别为:W = 10.00×10.00×10.00/6 = 166.67cm3;I = 10.00×10.00×10.00×10.00/12 = 833.33cm4;(1)木方抗弯强度计算抗弯计算强度 f=2.126×106/166666.7=12.76N/mm2木方的抗弯计算强度小于13.0N/mm2,满足要求!(2)木方抗剪计算 [可以不计算]截面抗剪强度必须满足:T = 3Q/2bh < [T]截面抗剪强度计算值 T=3×4.275/(2×100×100)=0.641N/mm2截面抗剪强度设计值 [T]=1.40N/mm2木方的抗剪强度计算满足要求!(3)木方挠度计算最大变形 v =4.0mm木方的最大挠度小于1220.0/250,满足要求!二、梁底托梁的计算梁底托梁选择三榀门架的跨度作为一计算单元。
门式脚手架计算书门式钢管脚手架的计算参照《建筑施工门式钢管脚手架安全技术规范》(JGJ128)、《建筑地基基础设计规范》(GB 50007)、《建筑结构荷载规范》(GB 50009)、《钢结构设计规范》(GB 50017)等规范。
1--立杆;2--立杆加强杆;3--横杆;4--横杆加强杆计算门架的几何尺寸图一、参数信息1.脚手架参数计算的脚手架搭设高度为28.0米,门架型号采用门架MF1219,钢材采用Q235。
扣件连接方式:单扣件;搭设尺寸为:门架的宽度b = 1.219米,门架的高度ho = 1.930米,步距1.950米,跨距l = 1.830米。
门架h1 = 1.536米,h2 = 0.100米,b1 = 0.750米。
门架立杆采用Φ48.0Χ3.5 mm钢管,立杆加强杆采用Φ26.8Χ2.5 mm钢管,连墙件布置参数:两步三跨;连墙件连接方式:焊缝连接;连墙件的竖向间距3.90米,水平间距5.49米。
2.荷载参数XX省地区,基本风压为0.55,风荷载高度变化系数μz为1.00,风荷载体型系数μs 为1.20;施工均布荷载为2.500kN/m2,同时施工2层。
3.地基参数地基土类型:碎石土;地基承载力标准值(kN/m2):500.000;基础底面扩展面积(m2):0.200;基础降低系数:0.40。
二、脚手架荷载标准值:作用于脚手架的荷载包括静荷载、活荷载和风荷载。
1.静荷载计算静荷载标准值包括以下内容:(1)脚手架自重产生的轴向力(kN/m)门架的每跨距内,每步架高内的构配件及其重量分别为:门架MF1219 1榀0.224 kN交叉支撑2副2×0.040=0.080 kN水平架5步4设0.165×4/5=0.132 kN脚手板5步1设0.184×1/5=0.037 kN连接棒2个2×0.006=0.012 kN锁臂2副2×0.009=0.018 kN合计0.503 kN经计算得到,每米高脚手架自重合计NGk1 = 0.258 kN/m。
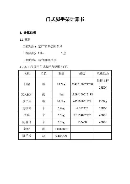
门式脚手架计算书1.计算说明1.1概况:工程项目:京广客专信阳东站门架高度:8.8m 5层工程内容:站台雨棚吊顶1.2本工程采用门式脚手架规格如下:水平架5步4设,脚手板5步1设,交叉拉杆两侧设置,剪刀撑4步4跨设置,水平加固杆4步1设,脚手架顶部施工层采用密目安全网进行封闭,目数不少于2000目/㎡,自重标准0.5kg/m。
2.根据上述条件进行脚手架稳定性计算2.1 脚手架自重产生的轴向力N GK1计算门架1榀18.6*9.8*10-3=0.182KN交叉支撑2副4*9.8**10-3=0.078KN水平架(5步4设)16.5*9.8*4/5**10-3=0.129KN脚手板2块(5步1设)0.184*2*1/5=0.074KN连接棒2个6*2*10-3=0.012KN锁臂2副0.0085*2=0.017KN合计0.492KN每米高脚手架自重:N GK1=0.492/1.72=0.286KN2.2 加固杆、附件产生的轴向力N GK2计算tgɑ=4*1.7/(4*1.83)=0.93对应cosɑ=0.732钢管重(2*1.83/0.732+1.83)*0.038=0.18KN扣件重1*0.0135+4*0.0145=0.072KN每米高脚手架加固件重(0.18+0.072)/(4*1.7)=0.037KN密目网重0.5*9.8*10-3=0.005KN/m加固杆、附件产生的轴向力N GK2=0.037+0.005=0.042KN/m2.3 施工荷载产生的轴向力标准值N标准=2*1*1.83=3.66KN2.4 风荷载对脚手架产生的计算弯矩标准值(倾覆力)根据顶部施工层使用密目网,偏于安全考虑,按不透风的全封闭情况,查表知风荷体型系数,µ8=1.0 ψ=1.0风荷载标准值W k=0.7µZ.* µ8=0.7*1.23*1.0*0.45=0.387KN/㎡作用于脚手架计算单元的风线荷载标准值q k= W k*L=0.387*1.83=0.708KN/m风荷载时脚手架计算单元产生的弯矩标准值M k=0.708*62/10=2.549KN.m2.5 计算脚手架稳定性N≤N d,则脚手架稳定,根据规范规定,作用于一榀门架的最大轴向力设计值应对不组合风荷与组合风荷两种情况进行计算,取两种工况计算结果的大者作为不利轴向力。
佛山市狮山至和顺公路主干线工程BS04标段西北角互通立交箱梁模板支架计算书南昌铁路工程(集团)有限责任公司2005年5月10日目录一、说明 --------------------------------------------------------------------------------------------------- 3(一)、设计依据:--------------------------------------------------------------------------------- 3 (二)、概述:--------------------------------------------------------------------------------------- 3二、脚手架计算参数 ------------------------------------------------------------------------------------ 3三、梁底方木的计算 ------------------------------------------------------------------------------------ 4(一)、荷载计算------------------------------------------------------------------------------------ 41、箱梁恒载计算 ------------------------------------------------------------------------------ 42、模板、方木荷载计算 --------------------------------------------------------------------- 53、施工荷载 ------------------------------------------------------------------------------------ 6(二)、托梁(支架上方木)计算: ----------------------------------------------------------- 61、强度验算 ---------------------------------------------------------- 错误!未定义书签。
门式脚手架的荷载计算第一篇:门式脚手架的荷载计算门式脚手架的荷载计算一、永久荷载(恒载)作用于门式脚手架的恒载系指脚手架的结构自重及其附件重:1.脚手架结构自重指组成门式脚手架的主要构件重,应包括门架、脚手板、水平架、交叉支撑、连接棒、锁臂等重量,其计算简图见图。
(1)各种门架型号及其配件的单件重量见表(2)一个架距范围内,外脚手架结构自重计算方法如下。
注:脚手架结构自重产生的门柱轴心力标准值,如下;(3)一个架距范围内,每米高的外脚手架结构自重宜采用上表。
2、脚手架附件重指加固件及防护用的物品重。
加固件包括水平加固杆、剪刀撑及连接它们的扣件重;防护用物品包括(拦杆柱、扶手杆、挡脚板)或护栏网板重、安全网或纺织物、竹笆、苇席等重量。
(1)一个架距范围内,每米高脚手架加固件重宜按下式计算:式中 L---脚手架架距g---每米加固杆重量,可由表查得a----剪刀撑斜杆与地面夹角;0.0135、0.0145-----一个直角扣件、一个旋转扣件的重量(2)敞开式脚手架,即仅采用栏杆柱、扶手杆或保护网板等防护物品时,一个架距范围内,每米高脚手架防护栏板重可取0.02KN/M (3)当脚手架采用立网封闭时,一个架距范围内每米高网重可取0.02KN(0.02KN/M)二、采用立网封闭的外脚手架,一个架距范围内,每米高脚手架附件自重如下表二、可变荷载:作用于门式脚手架活荷载系指施工荷载与风荷载。
(一)施工荷载一个架距范围内每米高的脚手架附件自重注:当附件设置和材料与表中所注不符时,应按实际情况计算。
外脚手架的施工均布荷载标准值宜根据脚手架用途按表采用。
(二)风荷载1.垂直作用于脚手架表面的风荷载标准按第4章式4-4计算,式中的风荷载体型系数宜按本条采用。
2.门式脚手架的风荷载体型系数(1)敞开式脚手架0、25;(2)采用立网封闭脚手架0。
4;(3)采用其它材料封闭或半封闭的脚手架,三、荷载效应组合脚手架结构及构件计算应按表进行荷载效应组合。
门式脚手架的荷载计算一、永久荷载(恒载)作用于门式脚手架的恒载系指脚手架的结构自重及其附件重:1.脚手架结构自重指组成门式脚手架的主要构件重,应包括门架、脚手板、水平架、交叉支撑、连接棒、锁臂等重量,其计算简图见图。
(1)各种门架型号及其配件的单件重量见表(2)一个架距范围内,外脚手架结构自重计算方法如下。
项目门架连接棒锁臂交叉支撑水平架脚手板1 2 3 4 5 6单位榀个副榀块数量 1 2 2 2 4/5 2/5 重量G1 G2 G3 G4 G5 G6每米高脚手架结构自重(KN/M)注:脚手架结构自重产生的门柱轴心力标准值,如下;门架型号门架立杆42mm 门架立杆42.7mm 门架立杆48mm MJ1219 MJ1217 MF1219 MF1217 MF12190.28 0.30 0.27 0.29 0.35 (3)一个架距范围内,每米高的外脚手架结构自重宜采用上表。
2、脚手架附件重指加固件及防护用的物品重。
加固件包括水平加固杆、剪刀撑及连接它们的扣件重;防护用物品包括(拦杆柱、扶手杆、挡脚板)或护栏网板重、安全网或纺织物、竹笆、苇席等重量。
(1)一个架距范围内,每米高脚手架加固件重宜按下式计算:式中 L---脚手架架距g---每米加固杆重量,可由表查得a----剪刀撑斜杆与地面夹角;0.0135、0.0145-----一个直角扣件、一个旋转扣件的重量(2)敞开式脚手架,即仅采用栏杆柱、扶手杆或保护网板等防护物品时,一个架距范围内,每米高脚手架防护栏板重可取0.02KN/M(3)当脚手架采用立网封闭时,一个架距范围内每米高网重可取0.02KN(0.02KN/M)二、采用立网封闭的外脚手架,一个架距范围内,每米高脚手架附件自重如下表项目自重(kN/m)注加固件1.加固杆件采用¢4.8*3.5钢管0.06 根据水平加固杆、剪刀撑每3步、3架距设一道,每架距采用直角扣二、可变荷载:作用于门式脚手架活荷载系指施工荷载与风荷载。
楼板模板门式脚手架支撑计算书门式钢管脚手架的计算参照《建筑施工门式钢管脚手架安全技术规范》(JGJ128-2000)。
计算参数:脚手架搭设高度为40.0m,门架型号采用MF1217,钢材采用Q235。
门架的宽度 b = 1.20m,门架的高度 h0 = 1.93m,步距1.95m,跨距 l = 1.83m。
门架 h1 = 1.54m,h2 = 0.08m,b1 = 0.75m。
门架立杆采用27.2×1.9mm钢管,立杆加强杆采用48.0×3.5mm钢管。
每榀门架之间的距离1.20m,板底木方距离300mm。
板底木方截面宽度50mm,高度80mm。
面板厚度18mm,剪切强度1.4N/mm2,抗弯强度15.0N/mm2,弹性模量6000.0N/mm2。
木方剪切强度1.3N/mm2,抗弯强度13.0N/mm2,弹性模量9500.0N/mm2。
梁顶托采用100×100mm木方。
模板自重0.30kN/m2,混凝土钢筋自重25.10kN/m3,施工活荷载2.00kN/m2。
1——立杆;2——立杆加强杆;3——横杆;4——横杆加强杆图1 计算门架的几何尺寸图图2 模板支架示意图一、模板面板计算面板为受弯结构,需要验算其抗弯强度和刚度。
模板面板的按照三跨连续梁计算。
静荷载标准值 q1 = 25.100×0.200×1.200+0.300×1.200=6.384kN/m活荷载标准值 q2 = (2.000+0.000)×1.200=2.400kN/m面板的截面惯性矩I和截面抵抗矩W分别为:本算例中,截面惯性矩I和截面抵抗矩W分别为:W = 120.00×1.80×1.80/6 = 64.80cm3;I = 120.00×1.80×1.80×1.80/12 = 58.32cm4;(1)抗弯强度计算f = M / W < [f]其中 f ——面板的抗弯强度计算值(N/mm2);M ——面板的最大弯距(N.mm);W ——面板的净截面抵抗矩;[f] ——面板的抗弯强度设计值,取15.00N/mm2;M = 0.100ql2其中 q ——荷载设计值(kN/m);经计算得到 M = 0.100×(1.20×6.384+1.40×2.400)×0.300×0.300=0.099kN.m经计算得到面板抗弯强度计算值 f = 0.099×1000×1000/64800=1.531N/mm2面板的抗弯强度验算 f < [f],满足要求!(2)抗剪计算 [可以不计算]T = 3Q/2bh < [T]其中最大剪力 Q=0.600×(1.20×6.384+1.4×2.400)×0.300=1.984kN截面抗剪强度计算值 T=3×1984.0/(2×1200.000×18.000)=0.138N/mm2截面抗剪强度设计值 [T]=1.40N/mm2抗剪强度验算 T < [T],满足要求!(3)挠度计算v = 0.677ql4 / 100EI < [v] = l / 250面板最大挠度计算值 v = 0.677×6.384×3004/(100×6000×583200)=0.100mm面板的最大挠度小于300.0/250,满足要求!二、楼板底木方的计算木方按照简支梁计算,木方的截面力学参数为1.荷载的计算:(1)钢筋混凝土板自重(kN/m):q1 = 25.100×0.200×0.300=1.506kN/m(2)模板的自重线荷载(kN/m):q2 = 0.300×0.300=0.090kN/m(3)活荷载为施工人员与施工设备产生的荷载(kN/m):经计算得到,活荷载标准值 q3 = 2.000×0.300=0.600kN/m经计算得到,木方荷载计算值 Q=1.2×(1.506+0.090)+0.9×1.40×0.600=2.755kN/m2.木方强度、挠度、抗剪计算2.76kN/m木方计算简图0.397木方弯矩图(kN.m)变形的计算按照规范要求采用静荷载标准值,受力图与计算结果如下:1.60kN/m变形计算受力图0.088木方变形图(mm)经过计算得到从左到右各支座力分别为N1=1.322kNN2=3.637kNN3=3.637kNN4=1.322kN经过计算得到最大弯矩 M= 0.396kN.m经过计算得到最大支座 F= 3.637kN经过计算得到最大变形 V= 1.106mm木方的截面力学参数为本算例中,截面惯性矩I和截面抵抗矩W分别为:W = 5.00×8.00×8.00/6 = 53.33cm3;I = 5.00×8.00×8.00×8.00/12 = 213.33cm4;(1)木方抗弯强度计算抗弯计算强度 f=0.396×106/53333.3=7.43N/mm2木方的抗弯计算强度小于13.0N/mm2,满足要求!(2)木方抗剪计算 [可以不计算]截面抗剪强度必须满足:T = 3Q/2bh < [T]截面抗剪强度计算值 T=3×1.983/(2×50×80)=0.744N/mm2截面抗剪强度设计值 [T]=1.30N/mm2木方的抗剪强度计算满足要求!(3)木方挠度计算最大变形 v =1.106mm木方的最大挠度小于1200.0/250,满足要求!三、楼板底托梁的计算板底托梁选择三榀门架的跨度作为一计算单元。
门式脚手架计算书计算依据:1、《建筑施工门式钢管脚手架安全技术规范》JGJ128-20102、《建筑地基基础设计规范》GB50007-20113、《建筑结构荷载规范》GB50009-20124、《钢结构设计规范》GB50017-2003、基本参数、荷载参数三、设计简图门架简图落地门架落地门架门架平面图四、门架稳定性计算每米高度脚手架构配件自重产生的轴向力标准值:N Gk1= (G k1+ G k2 ×2+ G k3×1/2+ G k4×2×1/1+ G k5×2+ G k6×2) /h=(0.224+ 0.040 2+× 0.165 1×/2+ 0.184 2×1/1+ 0.006 2×+ 0.0085 2×) /1.950 =0.402 kN/ m1/2表示水平架设置2步1设1/1表示脚手板设置1步1设每米高度脚手架附件重产生的轴向力标准值:N Gk2= (G k7×l/cosα×2/4+ G k8×l ×1/4+ G k9/4+ G k10×4/4+ G k11×l+ G k12×l ×h)/h =(0.038 1×.830/0.684 2×/4+ 0.038 1×.830 ×1/4+ 0.014/4+ 0.0154/4×+0.015 1×.830+ 0.050 ×1.830 ×1.950) /1.950=0.15 kN/ m1/4表示水平加固杆4步1设各施工层施工荷载产生的轴向力标准值:N Qk=n× Q k×b×l=2 ×3×1.219 ×1.83=13.385 kN 门架宽度b,见门架型号编辑风荷载标准值:ωk =μz×μs×ωo =0.74 0×.8 ×0.3=0.178 kN/ m2 q k= ωk × l=0.178 1×.83=0.325 kN/ m风荷载产生的弯矩标准值:M k= q k H12/10=0.325 3×.92/10=0.494 kN . m 2、作用于门架的轴向力设计值不组合风荷载时:N=1.2(N Gk1+ N Gk2)H+1.4 N Qk =1.2 (×0.402+0.15) 33×.6+1.41×3.385=40.975 kN 组合风荷载时:N w=1.2(N Gk1+ N Gk2)H+0.9 ×1.4 (N Qk+2M k/b)=1.2× (0.402+0.15) 33×.6+0.9 1×.4 × (13.385+2 0×.494/1.219) =40.123kN门架轴向力设计值:N=max[N, Nw]=40.975 kN参数计算:I=I0+I1·h1/h0=107800+107800×1536/1930=193593 mm4i=(I/A 1)0.5=(193593/424)0.5=21.37 mmλ=kh0/i=1.22 1×930/21.37=110.19由λ查规范表B.0.6,得φ=0.516N d=φA··f=0.516 ×424×2×205×10-3=89.7kN 得,N ≤ N d 门架的稳定性,满足要求!五、钢丝绳卸荷计算(因此内容在规范以外,故仅供参考)钢丝绳卸荷按照完全卸荷计算方法。
门式脚手架计算书之宇文皓月创作计算依据:1 、《建筑施工门式钢管脚手架平安技术规范》JGJ128-20102 、《建筑地基基础设计规范》GB50007-20113 、《建筑结构荷载规范》GB50009-20124 、《钢结构设计规范》GB50017-2003」、基本参数、荷载参数三、设计简图落地门架_门架简图落地门架门架平面图四、门架稳定性计算、荷载计算每米高度脚手架构配件自重发生的轴向力尺度值:N Gk1= (G kl+ G k2 x 2+ G k3X 1/2+ G k4 X 2 x 1/1+ G k5 x 2+ G k6 x 2)/h=(0.224+ 0.040 X 2+ 0.165 X 1/2+ 0.184 X 2X 1/1 +0.006 X 2+ 0.0085 X 2) /1.950=0.402 kN/ m1/2 暗示水平架设置2步1设1/1 暗示脚手板设置1步1设每米高度脚手架附件重发生的轴向力尺度值:N Gk2= (G k7 X l/COS aX 2/4+ G k8 X l X 1/4+ G k9/4+ G k10 X 4/4 +G11X l+ G k12 X l X h) /h=(0.038 X 1.830/0.684 X 2/4+ 0.038 X 1.830 X 1/4+ 0.014/4+ 0.015 X 4/4+0.015 X 1.830+ 0.050 X 1.830 X 1.950) /1.950=0.15 kN/ m1/4 暗示水平加固杆4步1设各施工层施工荷载发生的轴向力尺度值:N Qk= n X Q k X b X l=2 X 3X 1.219 X 1.83=13.385 kN 门架宽度b,见门架型号编辑风荷载尺度值:23 k=卩z Xy s x w o =0.74 x 0.8 x 0.3=0.178 kN/ mq k= w k X 1=0.178 x 1.83=0.325 kN/ m风荷载发生的弯矩尺度值:2 2M k= q k H i/10=0.325 X 3.9 /10=0.494 kN . m2、作用于门架的轴向力设计值不组合风荷载时:N=1.2(N Gk汁N Gk2)H+1.4 N Qk=1.2 X (0.402+0.15) X 33.6+1.4 X 13.385=40.975 kN组合风荷载时:N w=1.2(N Gk1+ N Gk2)H+0.9 X 1.4 (N Qk+2M/b)=1.2 X (0.402+0.15) X 33.6+0.9 X 1.4 X(13.385+2 X 0.494/1.219)=40.123 kN门架轴向力设计值:N=max[N, Nw]=40.975 kN参数计算:1=1+I 1 •h 1/h 0=107800+107800< 1536/1930=193593 mm0 50 5i=(l/A 1)=(193593/424)=21.37 mm入=kh °/i=1.22 < 1930/21.37=110.19 由入查规范表B.0.6,得© =0.516N d =0・ A- f=0.516 <424X 2<205< 10 -3=89.7kN得,N w N d门架的稳定性,满足要求!五、钢丝绳卸荷计算(因此内容在规范以外,故仅供参考)钢丝绳卸荷依照完全卸荷计算方法。
楼板模板门式脚手架支撑计算书门式钢管脚手架的计算参照《建筑施工门式钢管脚手架安全技术规范》(JGJ128-2000)。
计算的脚手架搭设高度为3.0米,门架型号采用MF1219,钢材采用Q235。
搭设尺寸为:门架的宽度 b = 1.22米,门架的高度 h0 = 1.93米,步距1.95米,跨距l = 2.42米。
门架 h1 = 1.54米,h2 = 0.08米,b1 = 0.75米。
门架立杆采用27.2×1.9mm钢管,立杆加强杆采用48.0×3.5mm钢管。
每榀门架之间的距离0.92m,梁底木方距离300mm。
梁底木方截面宽度50mm,高度100mm。
梁顶托采用双钢管48×3.5mm。
1——立杆;2——立杆加强杆;3——横杆;4——横杆加强杆图1 计算门架的几何尺寸图图2 模板支架示意图一、楼板底木方的计算木方按照简支梁计算,木方的截面力学参数为1.荷载的计算:(1)钢筋混凝土板自重(kN/m):q1 = 25.500×0.200×0.300=1.530kN/m(2)模板的自重线荷载(kN/m):q2 = 0.340×0.300=0.102kN/m(3)活荷载为施工人员与施工设备产生的荷载(kN/m):经计算得到,活荷载标准值 q3 = 2.000×0.300=0.600kN/m经计算得到,木方荷载计算值 Q = 1.2×(1.530+0.102)+1.4×0.600=2.798kN/m 2.木方强度、挠度、抗剪计算2.80kN/m木方计算简图0.432木方弯矩图(kN.m)0.058经过计算得到从左到右各支座力分别为N1=1.353kNN2=3.831kNN3=3.296kNN4=3.296kNN5=3.831kNN6=1.353kN经过计算得到最大弯矩 M= 0.432kN.m经过计算得到最大支座 F= 3.831kN经过计算得到最大变形 V= 1.0mm木方的截面力学参数为本算例中,截面惯性矩I和截面抵抗矩W分别为:W = 5.00×10.00×10.00/6 = 83.33cm3;I = 5.00×10.00×10.00×10.00/12 = 416.67cm4;(1)木方抗弯强度计算抗弯计算强度 f=0.432×106/83333.3=5.18N/mm2木方的抗弯计算强度小于13.0N/mm2,满足要求!(2)木方抗剪计算 [可以不计算]截面抗剪强度必须满足:T = 3Q/2bh < [T]截面抗剪强度计算值 T=3×2.061/(2×50×100)=0.618N/mm2截面抗剪强度设计值 [T]=1.60N/mm2木方的抗剪强度计算满足要求!(3)木方挠度计算最大变形 v =1.0mm木方的最大挠度小于1220.0/250,满足要求!二、楼板底托梁的计算梁底托梁选择三榀门架的跨度作为一计算单元。
门式落地脚手架计算书1南靖县第一中学校安建设工程学生宿舍楼门式落地脚手架方案福建东兴建筑工程有限公司2021年月施工组织设计(施工方案)报审表工程名称编制单位审核单位南靖县第一中学校安建设工程学生宿舍楼施工单位主编人编制人福建东兴建筑工程有限公司现报上南靖县第一中学校安建设工程学生宿舍楼工程门式落地脚手架方案,请予以审查。
总承包单位审核意见: 公司安全科审批人审批时间总承包单位审核意见: 总承包单位(盖章)审查单位审核人审批人监理审查意见:监理审查结论:□同意实施□修改后报□重新编制监理单位(盖章)专业监理工程师总监理工程师日期:日期:南靖县第一中学校安建设工程学生宿舍楼工程;属于框架结构;地上六层层;地下一层层;建筑高度:24.45m;标准层层高:3.6m;总建筑面积:7100平方米;总工期:180天;施工单位:福建东兴建筑工程有限公司。
本工程由南靖县第一中学投资建设,万地联合(厦门)工程设计有限公司设计,福建泉州勘测设计院有限公司地质勘查,福建宇宏工程项目管理有限公司监理,福建东兴建筑工程有限公司组织施工;由戴乌番担任项目经理,蔡成友担任技术负责人。
计算门架的几何尺寸图一、参数信息1.脚手架参数脚手架计算高度为25.000米,门架型号采用门架MF1219,钢材为Q235。
扣件连接方式:单扣件;搭设尺寸为:门架的宽度 b = 1.219米,门架的高度 h0 = 1.750米,步距1.950米,跨距 l = 1.830米。
门架 h1 = 1.536米,h2 = 0.100米,b1 = 0.750米。
门架立杆采用φ42 × 2.5 mm钢管,立杆加强杆采用φ42 × 2.5 mm钢管,连墙件布置方式:二步三跨;连墙件连接方式:膨胀螺栓连接;连墙件的竖向间距3.900米,水平间距5.490米。
2.荷载参数本工程地处福建省漳州市,基本风压为0.710,风荷载高度变化系数μz为0.920,风荷载体型系数μs为0.223;施工均布荷载为2.000kN/m2,同时施工层数:2层。
门式脚手架计算书计算依据:
1、《建筑施工门式钢管脚手架安全技术规范》JGJ128-2010
2、《建筑地基基础设计规范》GB50007-2011
3、《建筑结构荷载规范》GB50009-2012
4、《钢结构设计规范》GB50017-2003
一、基本参数
落地门架_门架简图
落地门架_门架平面图
四、门架稳定性计算
门架型号MF1219水平架设置2步1设脚手板设置1步1设剪刀撑设置4步4跨剪刀撑钢管类型Ф48×3水平加固杆设置4步1设水平加固杆类型Ф48×3
每米高度脚手架构配件自重产生的轴向力标准值:
N
Gk1= (G
k1
+ G
k2
×2+ G
k3
×1/2+ G
k4
×2×1/1+ G
k5
×2+ G
k6
×2) /h
=(0.224+ 0.040×2+ 0.165×1/2+ 0.184×2×1/1+ 0.006×2+ 0.0085×2) /1.950
=0.402 kN/ m
1/2表示水平架设置2步1设
1/1表示脚手板设置1步1设
每米高度脚手架附件重产生的轴向力标准值:
N
Gk2= (G
k7
×l/cosα×2/4+ G
k8
×l×1/4+ G
k9
/4+ G
k10
×4/4+ G
k11
×l+ G
k12
×l×h)
/h
=(0.038×1.830/0.684×2/4+ 0.038×1.830×1/4+ 0.014/4+ 0.015×4/4+0.015×1.830+ 0.050×1.830×1.950) /1.950
=0.15 kN/ m
1/4表示水平加固杆4步1设
各施工层施工荷载产生的轴向力标准值:
N
Qk =n× Q
k
×b×l=2×3×1.219×1.83=13.385 kN
门架宽度b,见门架型号编辑风荷载标准值:
ω
k =μ
z
×μ
s
×ω
o
=0.74×0.8×0.3=0.178 kN/ m2
q
k = ω
k
× l=0.178×1.83=0.325 kN/ m
风荷载产生的弯矩标准值:
M
k = q
k
H
1
2/10=0.325×3.92/10=0.494 kN . m
2、作用于门架的轴向力设计值
不组合风荷载时:
N=1.2(N
Gk1+ N
Gk2
)H+1.4 N
Qk
=1.2×(0.402+0.15)×33.6+1.4×13.385=40.975
kN
组合风荷载时:
N
w =1.2(N
Gk1
+ N
Gk2
)H+0.9×1.4 (N
Qk
+2M
k
/b)
=1.2× (0.402+0.15)×33.6+0.9×1.4× (13.385+2×0.494/1.219) =40.123 kN
门架轴向力设计值:N=max[N, Nw]=40.975 kN
3、门架的稳定承载力设计值
I=I
0+I
1
·h
1
/h
=107800+107800×1536/1930=193593 mm4
i=(I/A
1
)0.5=(193593/424)0.5=21.37 mm
λ=kh
/i=1.22×1930/21.37=110.19
由λ查规范表B.0.6,得φ=0.516
N d=φ·A·f=0.516×424×2×205×10-3=89.7kN 得,N ≤ N d
门架的稳定性,满足要求!
五、钢丝绳卸荷计算
(因此内容在规范以外,故仅供参考)
落地门架_钢丝绳卸荷
第1次卸荷,卸荷位置高度30m,卸荷段净高18m
1、门架稳定性验算
风荷载标准值:
ω
k =μ
z
×μ
s
×ω
o
=1×0.8×0.3=0.24 kN/ m2
q
k = ω
k
·l=0.24×1.83=0.439 kN/ m
风荷载产生的弯矩标准值:
M
k = q
k
H
1
2/10=0.439×3.92/10=0.668 kN . m
不组合风荷载时:
N=1.2(N
Gk1+ N
Gk2
)H+1.4 N
Qk
=1.2×(0.402+0.15)×21.6+1.4×13.385=33.034
kN
组合风荷载时:
N
w =1.2(N
Gk1
+ N
Gk2
)H+0.9*1.4 (N
Qk
+2M
k
/b)
=1.2× (0.402+0.15)×21.6+0.9×1.4× (13.385+2×0.668/1.219) =32.541 kN
稳定性验算:
N
1=max[N, N
w
]×1.5=33.034×1.5=49.55kN ≤ N d =89.701kN
门架稳定性验算,满足要求!
2、钢丝绳验算
钢丝绳型号6×61钢丝绳直径27.5
钢丝绳的钢丝破断拉力F g(kN)531.5抗拉强度为(N/mm2)1850
不均匀系数α0.8安全系数K9
N
1
为一榀门架承受荷载,考虑内外侧门架立杆各承受一榀门架总荷载一半,外
侧钢丝绳受荷最大。
T
外= N
1
/2/sinα=49.55/2/0.904=27.399 kN
[F
g ]=aF
g
/K=0.8×531.5/9=47.24 kN
得, T
外≤[F
g
]
钢丝绳强度满足要求!
六、连墙件计算
ω
k =μ
z
×μ
s
×ω
o
=1.21×0.8×0.3=0.291 kN/ m2
N
w =1.4×ω
k
×L
1
×H
1
=1.4×0.291×1.83×3×1.95×2=8.734 kN
N
l = N
w
+3.0=8.734+3.0=11.734 kN
λ=l
/i=600/15.9=37.736
由λ查《规范》表B.0.6,得φ=0.896
σ= N
c
/(φA)= 11.734×103/(0.896×424)=30.886 N/mm2<0.85f=0.85×205=174.25 N/mm2
2、连墙件连接强度
连墙件采用扣件方式与墙体连接。
双扣件抗滑承载力取12 kN,N
l
=11.734kN < Rc=12 kN
七、立杆轴向力计算
地基土类型粘性土地基承载力特征值fg(kPa)140垫板底面积A d(m2)0.25地基承载力调整系数k c1
N=(N
Gk1+ N
Gk2
)H+N
Qk
=(0.402+0.15)×33.6+13.385=31.915 kN
组合风荷载时:
N
w =(N
Gk1
+ N
Gk2
)H+0.9×(N
Qk
+2M
k
/b)
=(0.402+0.15)×33.6+0.9×(13.385+2×0.494/1.219) =31.307 kN
N
k =max[N
k
, N w
k
]=31.915 kN
p=N
k /A
d
=31.915/(0.25×2)=63.831 kPa
.
精品word 文档 f g '
= k c × f g =1×140=140 kPa
得,p <f g
立杆地基承载力验算,满足要求!
【本文档内容可以自由复制内容或自由编辑修改内容期待你的好评和关注,我们将会做得更好】
感谢您的支持与配合,我们会努力把内容做得更好!。