【QC成果】怀建集团:古建筑屋面瓦件质量控制
- 格式:pptx
- 大小:5.65 MB
- 文档页数:31
提高斜屋面平板瓦盖施工质量合格率中天建设集团有限公司歌山•凤凰谷休闲度假中心QC小组歌山•凤凰谷休闲度假中心位于东阳市歌山镇高速出口西侧。
由东阳市凤凰山生态农业开发有限公司投资兴建,建筑总面积40525.34㎡,其中地上四层由4个单体组成分别为:大堂、宴会厅、西客房、东客房,建筑面积27535.7㎡,地下一层局部负二层,建筑面积12989.64㎡。
本工程东、西客房、大堂屋顶为四坡斜屋面结构,斜屋面结构为全现浇钢筋混凝土屋面。
斜屋面水平夹角为18°斜屋面呈1:3斜角,屋面板厚130mm。
斜屋面屋脊最高点18.53、最低点13.43m,由多层斜面叠加而成,结构复杂,坡度大,细部处理多,平板瓦施工要求比波形瓦要求更高。
图1-1 坡屋面平面图图1-2 坡屋面剖面图小组名称歌山•凤凰谷休闲度假中心QC 小组注册编号中天建设TQC-01-2016-04小组成立时间2016年5月 18日课题活动时间2016年5月 18日-2016年10月25日活动概况课题名称提高斜屋面平板瓦盖瓦施工质量合格率登记编号中天建设TQC-01-2016-04-01活动周期1次/周课题类型现场型姓名性别文化程度行政职务组内职务TQC 培训时间组内分工李胤强男本科项目经理组长84小时全面负责李天图男本科技术负责副组长84小时分析与方案成果报告编写卢从华男本科技术副组长84小时组织协调柳小青男本科施工员组员84小时检查记录、信息反馈统计李海龙男本科施工员组员84小时检查与巩固徐晓龙男硕士技术员 组员84小时对策实施朱方金男高中泥工工长组员84小时对策实施卢强男高中盖瓦工长组员84小时对策实施小组成员冯晓琴女大专资料员组员84小时资料收集、整理活动方式1.每月定期活动一次以及不定期活动2.坚持出勤现场解决问题制表人:徐晓龙 制表时间:2016年 5月 18 日三、选题理由理由一:2016年5月18日QC 小组总指挥李胤强组织召开了活动选题确认会议,我小组根据现场实际情况,通过对过往项目施工生产质量管理中常见的几个问题立项对比,通过对选题的必要性、重要性、紧迫性、难易度、经济性方面进行综合评分,其中“提高斜屋面平板瓦盖瓦施工质量合格率”得分最高。
提高仿古建筑大型钢木组合结构施工质量优良率有限公司安全环保部QC小组一、课题简介路四面牌楼工程为仿古式建筑,总建筑面积为784.75㎡,该工程的牌楼楼体部分为钢木组合结构,整个楼体南北面轴线长度为34米,东西面轴线长度为17.5m,其中最大楼体轴线长度达到了21m 。
我集团充分考虑到工程施工质量、工期及经济等方面的因素,将牌楼的楼体屋面结构部分在天保建设集团古建基地加工制作,中柱、额枋等混凝土结构部分在现场同时施工,楼体制作完成后运至施工现场并进行后置焊安装。
但由于部分楼体长度过长,造成无法运输且不易吊装等施工难题,所以如何在发挥工厂化加工优势的同时,保质保量的完成施工任务呢?本课题将围绕这个问题展开研究。
二、小组概况小组活动计划与进度完成情况表三、选择课题四、现状调查调查发现:以上四个仿古建筑项目中,大型钢木组合构件发生质量缺陷的比例非常高,每百个就有约33个出现质量缺陷,优良率仅67%。
发生质量缺陷的构件或是修补或是返工,造成工程项目成本增加,从而造成了利润的降低。
小组通过查阅以上工程的施工资料,提取出大型构件施工过程记录并进行分析,统计出了造成大型钢木组合构件施工困难的主次问题,并绘制如下统计表:大型构件施工难点的主次问题统计表制图人: 制图时间:2010.4调查结论:磕碰、损坏和正心枋变形分别发生32次和25次,共计57次,占造成大型钢木组合结构质量缺陷总次数66次的86.4%,是主要问题。
五、课题目标 1、目标确定控制仿古建筑大型钢木组合结构质量缺陷发生率,使此项缺陷不合格次数减少84%,即剩余:57×16%≈9次 (1)使不合格点总数为18次,从而使仿古建筑大型钢木组合结构的平均优良率提高到:(200-18)÷200×100% ≈ 91% (2)制图人:刘 刚 制表时间:2010年4月30日 总目标设定:仿古建筑大型钢木组合结构质量的平均优良率达到91%磕碰损坏平板枋轴 线偏差大 昂安装高差大 斗栱安装高差大%)其它50 1003366 00 正心枋变形 50556065707580859095100六、目标可行性分析七、原因分析主要问题确定后,小组成员经过现场调查和分析,通过召开“脑暴会”找出导致主要问题的原因,用关联图整理如下:制图人: 制表时间:2010年4月30日八、要因确认1、要因确认计划要因确认计划表2、确定要因(2)确认过程:榫头、卯头加工质量差确认方法确认内容确认标准确认人 确认时间 查阅相关图纸及《加工验收记录表》现场榫头、卯头加工是否符合图纸设计要求榫头、卯头合格率100%2010年4月12日小组查阅相关技术资料分析得知,榫头、卯头均为机械加工。
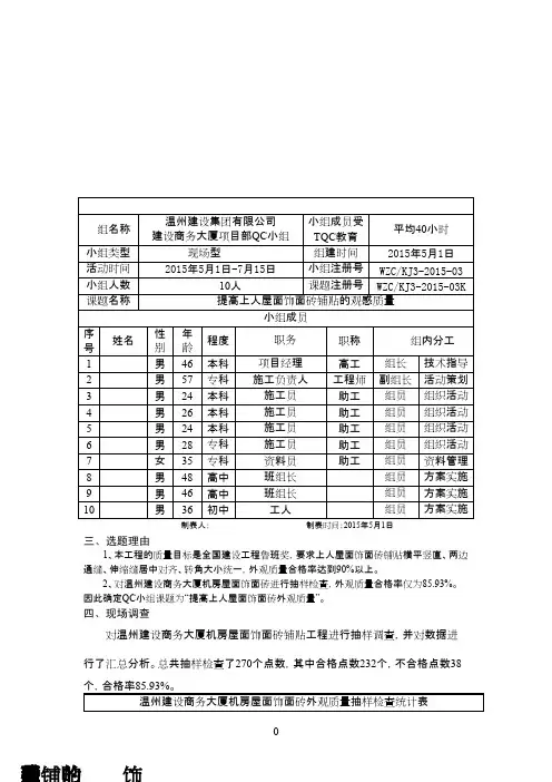
组名称温州建设集团有限公司建设商务大厦项目部QC小组小组成员受TQC教育平均40小时小组类型现场型组建时间2015年5月1日活动时间2015年5月1日-7月15日小组注册号WZC/KJ3-2015-03小组人数10人课题注册号WZC/KJ3-2015-03K 课题名称提高上人屋面饰面砖铺贴的观感质量小组成员序号姓名性别年龄程度职务职称组内分工1男46本科项目经理高工组长技术指导2男57专科施工负责人工程师副组长活动策划3男24本科施工员助工组员组织活动4男26本科施工员助工组员组织活动5男24本科施工员助工组员组织活动6男28专科施工员助工组员组织活动7女35专科资料员助工组员资料管理8男48高中班组长组员方案实施9男46高中班组长组员方案实施10男36初中工人组员方案实施制表人:制表时间:2015年5月1日三、选题理由1、本工程的质量目标是全国建设工程鲁班奖,要求上人屋面饰面砖铺贴横平竖直、两边通缝、伸缩缝居中对齐、转角大小统一,外观质量合格率达到90%以上。
2、对温州建设商务大厦机房屋面饰面砖进行抽样检查,外观质量合格率仅为85.93%。
因此确定QC小组课题为“提高上人屋面饰面砖外观质量”。
四、现场调查对温州建设商务大厦机房屋面饰面砖铺贴工程进行抽样调查,并对数据进行了汇总分析。
总共抽样检查了270个点数,其中合格点数232个,不合格点数38个,合格率85.93%。
温州建设商务大厦机房屋面饰面砖外观质量抽样检查统计表序检查项目检查点数不合格点数合格点数合格率号1砖缝误差过大50163468%2砖缝不横平竖直5064488%3砖面不平5054590%4砖缝不直5044692%5砖缝深浅不一5034794%6伸缩缝不直102880%7转角大小不一102880%制表人:卢琦淮制表时间:2015年5月10日温州建设商务大厦机房屋面饰面砖外观质量抽样检查频数统计表序检查项目频数累计频数问题频率累计频率号1砖缝误差过大161642.11%42.11%2砖缝不横平竖直62215.79%57.9%3砖面不平52713.16%71.06%4砖缝不直43110.53%81.59%5砖缝深浅不一3347.89%89.48%6伸缩缝不直236 5.26%94.74%7转角大小不一238 5.26%100%制表人:卢琦淮制表时间:2015年5月10日制图人:卢琦淮上人屋面饰面砖外观质量问题饼分图制图时间:2015年5月10日从上述图表可知“砖缝误差过大”占质量问题的42.11%,是上人屋面饰面砖外观质量问题的主要问题。
古建筑修缮工程施工质量目标及质量保证体系和措施1.1质量目标1.1.1本工程的质量目标1、分部工程质量应保证一次交验合格率100%,优良率90%;单位工程质量一次交验合格率100%,工程质量达到《文物建筑工程质量检验评定标准》的优良等级。
装修工程的质量达到合格质量标准的要求。
2、针对上述质量目标,我公司将委派高素质的项目管理和质量管理人员组成工程项目管理班子,项目经理部在总公司的领导下,充分发挥企业的整体优势和专业化施工保障,按照企业成熟的项目管理模式,严格按照GB/T19001—ISO9001模式标准建立的质量保证体系来运作,以专业管理模式和计算机管理相结合的科学化管理体制,全面推行了科学化、标准化、程序化、制度化管理,以一流的管理、一流的技术、一流的施工和一流的服务以及严谨的工作作风,精心组织、精心施工,履行对业主的承诺,最终实现本工程质量目标。
1.1.2质量目标控制和保证的指导原则1、首先建立完善的质量保证体系,配备高素质的项目管理和质量管理人员,强化“全面、全员参与质量管理”。
2、严格过程控制和程序控制,开展全面质量管理,树立创“过程精品”、“业主满意”的质量意识,使该工程成为我公司具有代表性的优质工程。
3、制定质量控制目标,将目标层层分解,质量责任、权力彻底落实到位,严格奖罚制度。
4、建立严格而实用的质量管理和控制办法、实施细则,在工程项目上坚决贯彻执行。
5、严格样板制、三检制、工序交接制度和质量检查和审批等制度。
6、广泛深入开展质量职能分析、质量讲评,大力推行“一案三工序”管理措施即“质量设计方案、监督上工序、保证本工序、服务下工序”。
7、利用计算机技术等先进的管理手段进行项目管理和质量管理和控制,强化了质量检测和验收系统,加强质量管理的基础性工作。
8、大力加强图纸会审、图纸深化设计、详图设计和综合配套图的设计和审核工作,通过确保设计图纸和质量来保证工程施工质量。
9、严把材料(包括原材料、成品和半成品)、设备的出厂质量和进场质量关。
目录一、工程概况 (1)二、小组概况 (2)三、选择理由 (2)四、现状调查 (2)五、制定目标及可行性分析 (4)六、原因分析 (4)七、要因确定 (5)八、制定对策 (7)九、对策实施 (7)十、效果检查 (8)十一、巩固措施 (9)十二、下一步打算 (9)附仿古小青瓦屋面完成后的图片 (10)运用QC方法提高仿古小青瓦屋面的施工质量前言:随着社会发展的进步,仿古小青瓦屋面在高楼耸立的现代化都市中并不少见。
它体现了一个城市悠久的历史文化底蕴和复古的文化氛围。
仿古小青瓦屋面系指在完成屋面保温及防水等施工工序后于屋面的最上层采用混合砂浆加入麻刀等粘结材料将筒瓦、板瓦、龙头滴水瓦及矛头搭接并粘结在一起,形成的一种模仿古代建筑的样式和风格。
一、工程概况古代兵学博物馆工程位于市金雀山路57号,原市竹简汉墓博物馆的北侧。
建筑面积为4827m²,框架结构, 地下一层,地上三层,建筑高度21.1m,做为以古代兵法为主题特色的博物馆其完全采用仿中国古代西汉时期的建筑造型并运用现代建筑工艺施工而成。
该博物馆将具备竹简保存及古代兵法、武器、军事论著的展出等多种功能,为人们提供一本了解中国优秀古代兵学文化、感受历史风云的活字典,更是市打造文化名市的一个亮点。
该工程建设单位为市汉墓竹简博物馆,公信监理公司监理,天元第筑工程施工。
该工程的效果图见下图:二、小组概况小组简介表(表一)三、选题理由1、工程的重要性:古代兵法城为2009年市十大重点建设项目之一,做为仿古类型的建筑群体充分体现了西汉时期的建筑样式和风格。
本工程为古代兵法城宏伟建筑蓝图的第一个工程,也是古代兵法城的中心工程,其它附属工程将会围绕该工程“盘踞而卧”。
2、施工的难点和复杂性:该工程无论斗拱檀条的安装及屋面小青瓦的镶贴均施工难度复杂,要求施工工人的技术水平高超,对于如何在紧的施工工期,保质保量的完成该工程的难点施工,是本QC小组主要解决的问题。