机械设计基础课程设计任务书(doc 18页)
- 格式:doc
- 大小:2.96 MB
- 文档页数:22
《机械设计基础》课程设计任务书一、课程设计的目的《机械设计基础》课程设计是机械类专业学生在学完《机械设计基础》课程后进行的一个重要的实践教学环节。
其目的在于:1、进一步巩固和加深学生所学的理论知识,通过实际设计,使学生初步掌握机械设计的一般方法和步骤,培养学生的工程设计能力和创新思维能力。
2、培养学生运用所学知识解决实际问题的能力,提高学生的综合分析能力和动手能力。
3、使学生熟悉和掌握运用有关设计资料(如标准、规范、手册、图册等)进行设计计算和绘图的方法,提高学生的查阅资料和使用工具的能力。
4、通过课程设计,培养学生严谨的科学态度和认真负责的工作作风。
二、课程设计的任务设计一个简单的机械传动装置,如带传动、链传动、齿轮传动、蜗杆传动等的组合,或者其他简单的机械结构。
具体的设计任务如下:1、设计题目根据给定的设计参数和工作条件,确定传动装置的类型和结构形式,并进行总体方案设计。
2、设计内容(1)传动装置的总体设计根据给定的工作条件和要求,确定传动装置的总体布局,选择合适的传动比,计算各轴的转速、功率和转矩。
(2)传动零件的设计计算根据总体设计方案,对主要传动零件(如带轮、齿轮、链轮、蜗杆蜗轮等)进行设计计算,确定其主要结构参数和尺寸。
(3)轴的设计计算根据各轴所传递的转矩和转速,对轴进行结构设计和强度计算,确定轴的直径、长度、键的尺寸等。
(4)轴承的选择和计算根据轴的受力情况,选择合适的轴承类型和型号,并进行寿命计算。
(5)连接件的选择和计算选择合适的联轴器、键等连接件,并进行强度计算。
(6)箱体及附件的设计设计箱体的结构和尺寸,选择合适的润滑和密封方式,确定附件(如观察孔、通气孔、放油孔等)的位置和尺寸。
3、设计要求(1)设计计算说明书一份设计计算说明书应包括设计任务、设计方案的选择和确定、主要零件的设计计算过程、设计结果的分析和讨论等内容。
说明书应书写工整、条理清晰、计算准确、图文并茂。
(2)装配图一张(A1 或 A0 图纸)装配图应能正确表达传动装置的工作原理、各零件的装配关系和结构形状,标注必要的尺寸、配合、公差和技术要求等。
机械设计基础课程设计任务书一、洗瓶机运动方案设计1工作原理及工艺动作过程如图1所示,为了清洗圆形瓶子外面,将瓶子沿着导辊推动;同时,在瓶子前进过程中,导辊带动瓶子旋转,转动的刷子就将瓶子刷洗干净。
它的工艺动作主要有两个:一是将瓶子沿着导辊推动;一是带动导辊和转刷转动。
For personal use only in study and research; not for commercial use图1 洗瓶机运动方案(待设计)2、原始数据及设计要求1)瓶子尺寸:大端直径d=80 mm,长2OOmm。
2)推进距离L=600mm。
3)推瓶机构应使推头以接近均匀的速度推瓶,平稳地接触和脱离瓶子,推程平均速度为v=45mm/s;然后推头快速返回原位,准备进入第二个工作循环,返回时的平均速度为工作行程平均速度的2倍。
4)洗瓶机构由一对同向转动的导辊和三只转动的刷子(转刷)所组成,转刷的转动轴线与导辊的转动轴线互相垂直。
5)推瓶机构与洗瓶机构共用同一台电动机。
6)机构传动性能良好,结构紧凑,制造方便。
3、设计方案提示1)推瓶机构一般要求推头工作时作近似直线轨迹,回程时轨迹形状不限,但不能反向拨动瓶子。
由于上述运动要求,可采用具有直线轨迹的连杆机构或组合机构来实现。
2)洗瓶机构中导辊和转刷的转动轴线垂直可通过圆锥齿轮传动实现。
4、设计任务及要求1)进行推瓶机构和洗瓶机构的选型,实现洗瓶动作要求,提出5种机械运动方案。
2)对5种机械运动方案进行评定和选择。
3)画出选定方案的机械运动方案示意图(效果图)。
4)对方案中的1个执行机构进行运动尺度综合,绘制机构运动简图。
5)对执行机构中某一轴及轴上一个主要零件进行结构设计,绘出该轴及相应零件的零件图。
6)完成图纸4张:机械运动方案效果图1张(2号图纸,用计算机绘图),机构尺度综合图1张(3号图纸,用手工绘图),轴和轴上主要零件的零件图各1张(3号图纸,1张用计算机绘图,1张用手工绘图)。
设计题目:带传动、齿轮传动参数设计及轴结构设计一、传动方案:二、已知参数:F=2500 N, V=1.8 m/s, D=300 mm,工作条件:一般用途,载荷平稳,满载起动,起动载荷为1.25 F,单向转动,两班制,工作期限10年。
三、设计要求:1、选择电动机,联轴器;带及齿轮传动参数设计;轴Ⅰ结构设计;轴Ⅰ上键及轴承的选择、校核计算。
2、绘制大带轮及轴Ⅰ零件图各一张。
设计题目:带传动、齿轮传动参数设计及轴结构设计一、传动方案:二、已知参数:F=2000 N, V=1.5 m/s, D=320 mm,工作条件:一般用途,载荷平稳,满载起动,起动载荷为1.25 F,单向转动,两班制,工作期限10年。
三、设计要求:1、选择电动机,联轴器;带及齿轮传动参数设计;轴Ⅰ结构设计;轴Ⅰ上键及轴承的选择、校核计算。
2、绘制大带轮及轴Ⅰ零件图各一张。
设计题目:带传动、齿轮传动参数设计及轴结构设计一、传动方案:二、已知参数:F=2000 N, V=1.2 m/s, D=350 mm,工作条件:一般用途,载荷平稳,满载起动,起动载荷为1.25 F,单向转动,两班制,工作期限10年。
三、设计要求:1、选择电动机,联轴器;带及齿轮传动参数设计;轴Ⅰ结构设计;轴Ⅰ上键及轴承的选择、校核计算。
2、绘制大带轮及轴Ⅰ零件图各一张。
设计题目:带传动、齿轮传动参数设计及轴结构设计一、传动方案:二、已知参数:F=1800 N, V=1.2 m/s, D=400 mm,工作条件:一般用途,载荷平稳,满载起动,起动载荷为1.25 F,单向转动,两班制,工作期限10年。
三、设计要求:1、选择电动机,联轴器;带及齿轮传动参数设计;轴Ⅰ结构设计;轴Ⅰ上键及轴承的选择、校核计算。
2、绘制大带轮及轴Ⅰ零件图各一张。
设计题目:带传动、齿轮传动参数设计及轴结构设计一、传动方案:二、已知参数:F=2200 N, V=1.4 m/s, D=380 mm,工作条件:一般用途,载荷平稳,满载起动,起动载荷为1.25 F,单向转动,两班制,工作期限10年。
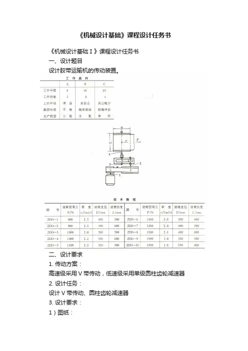
《机械设计基础》课程设计任务书《机械设计基础Ⅰ》课程设计任务书一、设计题目设计胶带运输机的传动装置。
二、设计要求1. 传动方案:高速级采用V带传动,低速级采用单级圆柱齿轮减速器2. 设计任务:设计V带传动、圆柱齿轮减速器3. 设计要求:1)图纸:1# 减速器装配图1张(减速器主视图和俯视图),要标注相应的尺寸及技术要求;减速器或带传动中的零件图一张。
(两张图纸必须采用手工绘图)计算要求:(1)带传动的设计计算;(2)两个齿轮的强度,两根轴的强度,两对轴承的寿命和两个键的强度。
2)设计计算说明书1份,要求写出所有的计算过程和计算结果,以及列出使用的参考文献。
(插图应当清晰工整)3)准备答辩看似短暂的一生,其间的色彩,波折,却是纷呈的,深不可测的,所以才有人拼尽一切阻隔,在路漫漫中,上下而求索。
不管平庸也好,风生水起也罢,其实谁的人生不是顶着风雨在前行,都在用平凡的身体支撑着一个看不见的灵魂?有时候行到风不推身体也飘摇,雨不流泪水也湿过衣衫,而让我们始终坚持的除了一份信念:风雨总会过去,晴朗总会伴着彩虹挂在天边。
一定还有比信念还牢固的东西支撑着我们,那就是流动在心底的爱,一份拳拳之爱,或许卑微,却是我们执著存在这个世界上,可以跨越任何险阻的勇气、力量和最美丽的理由。
人生的途程积累了一定的距离,每个人都成了哲学家。
因为生活会让我们慢慢懂得:低头是为了抬头,行走是为了更好地休憩,不阅尽沧桑怎会大度,没惯见成败怎会宠辱不惊,不历经纠结怎会活得舒展?看清才会原谅,有时的无动于衷,不是不屑,不是麻木,而是不值得。
有时痛苦,不是怕失去,不是没得到,而是因为自私,不肯放手,不是自己的,也不想给。
人生到最后,有的人把自己活成了富翁,有的人却一无所有。
梭罗说:一个人富裕程度如何,要看他能放下多少东西。
大千世界,我们总是想要的太多,以为自己得到的太少。
是啊,一个贫穷的人怎么会轻易舍得抛下自己的所有呢?到了一定年龄,才会明白一个人对物质生活的过多贪求,反而让自己的心灵变得愈加贫穷。
机械设计课程设计任务书一一、设计题目:链板式运输机传动装置1—电动机;2、4—联轴器;3—圆锥-圆柱斜齿轮减速器;5—开式齿轮传动;6—输送链的小链轮二、原始数据及工作要求三、工作条件:每日两班制工作,传动不逆转,有中等冲击,链速允许误差为±5%。
四、设计工作量1.设计说明书1份;2.减速器装配图,1号图1张;3.零件工作图2张(箱体或箱盖,2号图;中间轴或大齿轮,3号图)。
机械设计课程设计任务书二一、设计题目:带式传输机的传动装置二、题目数据三、工作条件工作时不逆转,载荷有轻微冲击;工作年限为10年,二班制;三年一小修,五年一大修。
四、设计工作量1.设计说明书1份;2.减速器装配图,1号图1张;3.零件工作图2张(箱体或箱盖,2号图;中间轴或大齿轮,3号图)。
机械设计课程设计任务书三一、设计题目:带式传输机的传动装置二、题目数据三、运输机工作条件工作时不逆转,载荷有轻微冲击;工作年限为10年,二班制;三年一小修,五年一大修。
四、设计工作量1.设计说明书1份;2.减速器装配图,1号图1张;3.零件工作图2张(箱体或箱盖,2号图;中间轴或大齿轮,3号图)。
机械设计课程设计任务书四一、设计题目:带式传输机的传动装置二、题目数据三、运输机工作条件工作时不逆转,载荷有轻微冲击;工作年限为10年,二班制;三年一小修,五年一大修。
四、设计工作量1.设计说明书1份;2.减速器装配图,1号图1张;3.零件工作图2张(箱体或箱盖,2号图;中间轴或大齿轮,3号图)。
二、题目数据三、运输机工作条件工作有轻微振动。
经常满载、空载起动、不反转、单班制工作,运输带允许的速度误差为5%,小批量生产,使用期限10年.四、设计工作量1.设计说明书1份;2.减速器装配图,1号图1张;3.零件工作图2张(箱体或箱盖,2号图;中间轴或大齿轮,3号图)。
题目1 设计用于带式运输机上的两级圆柱齿轮减速器1)系统简图32)工作条件连续单向运转,工作时有轻微振动,空载起动,使用期限为8件,小批量生产,单班制工作,运输带速度允许误差为±5%。
3)原始数据4)设计工作量 (1)设计说明书 (2)减速器装配图 (3)减速器零件图(同组姓名:刘京硕 刘勇 胡洋 李运泉 刘祝廷)设计题目2螺旋输送机传动系统中的一级圆柱齿轮减速器及锥齿轮传动。
1)系统简图2)工作条件螺旋输送机单向运转,有轻微振动,两班制工作,使用期限5年,输送机螺旋轴转速的容许误差为±5%,减速器小批量生产。
3)原始数据4)设计工作量(1)设计说明书(2)减速器装配图(3)减速器零件图(同组姓名:朱丰曹莹雪朱城宇王天昊)设计题目3传送设备的一级锥齿轮减速器(包括链传动、带传动)1)系统简图2)工作条件单向运转,载荷平稳,起动载荷为名义载荷的1.25倍,每天工作16小时,使用期限10年,输送链速度容许误差为±5%,输送链效率η=0.9。
3)原始数据4)设计工作量(1)设计说明书(2)减速器装配图(3)减速器零件图(同组姓名:丁权曹林陈永生)设计题目4带式运输机传动系统中的展开式二级圆柱齿轮减速器1)系统简图2)工作条件单向运转,有轻微振动,经常满载,空载起动,单班制工作,使用期限5年,输送带速度容许误差为±5%。
3)原始数据4)设计工作量(1)设计说明书(2)减速器装配图(3)减速器零件图(同组姓名:薛飞麦荣诗胡斯强张以海)设计题目5带式运输机传动系统中的二级圆柱齿轮减速器1)系统简图2)工作条件要求减速器沿输送带运动方向具有最小尺寸,单向运转,有轻微振动,两班制工作,使用期限10年。
3)原始数据4)设计工作量(1)设计说明书(2)减速器装配图(3)减速器零件图(同组姓名:苏成易章元吴顺南冉艳)设计题目6带式运输机圆锥—圆柱齿轮减速器1)系统简图2)工作条件连续单向运转,载荷较平稳,两班制。
昆明工业职业技术学院课程设计任务书2011 级工科类机电设备维修与管理(2)班课程《机械设计基础》课题一级斜齿圆柱齿轮减速器学生姓名李启帆学号2011222601设计和实习地点昆明工业职业技术学院分部3号教学楼104教室指导教师张钢职称副教授指导小组组长张钢教学班负责人杨继鹏发任务书日期:2012年12月18日填写说明:1、课程设计任务书必须用碳素墨水填写。
2、书写要工整,字迹要清晰。
课程设计成绩评定(1)轴的各段直径确定如图,与带轮配合的轴段直径是最小直径,即1d =35mm ;带轮定位轴肩高度h=2.5mm ,则=40;故可选7208AC 轴承;右端轴承定位轴肩高度取h=4.5mm ,则3d =49mm 。
(2)轴上零件的轴向尺寸及其位置带轮宽度2B =111mm ,带轮与箱体之间的间隙1∆=20mm ,轴承端盖厚度3∆=38mm ,箱体内(1)如图所示,齿轮由轴环、套筒固定,右端轴承采用端盖、套筒固定,左端轴承采用轴肩、端盖固定,齿轮和右端轴承从右侧拆装,左端轴承从左侧拆装。
(2)轴的各段直径确定与联轴器相连的轴段是最小轴段,选择联轴器为ZL4型齿式联轴器,孔径为55mm,所1=55mm;选择7012AC型角接触球轴承,故2d=60mm;取左端轴承定位轴肩高度为h=4.5mm,3=69mm,齿轮固定轴环高度为h=5mm,轴环宽度为b=7mm,故4d=79mm;取套筒固定齿轮右侧的轴肩高度为h=5mm,故5d=70mm。
(3)轴上零件的轴向尺寸及其位置六、验算所选轴承的寿命957.45740.77N N==0.68r F 【2】2231213P -表N1651.07S F N >=223.85)2630.561944.253271.08N N==0.68r F 【2】2231213P -表N N11788.78S N F N >=铸铁减速器箱体主要结构尺寸。
机械设计课程设计任务书一、设计背景和任务要求本次机械设计课程设计的背景是为了培养学生的机械设计能力和实践操作能力,任务要求是设计一款具有实用性和可操作性的机械装置,满足特定的需求。
二、设计目标和范围设计目标是设计一款能够实现特定功能的机械装置,满足以下要求:1. 具有优秀的可靠性和稳定性,能够长时间稳定运行。
2. 具有良好的操作性和易用性,能够方便地进行操作和维护。
3. 具有较高的效率和节能性,能够在满足功能的前提下尽可能地减少能源的消耗。
4. 具有一定的安全性和环保性,能够避免对环境和人身安全造成不良影响。
设计范围包括机械装置的整体设计、零部件的设计和制造、工艺流程的设计和实施等。
三、设计内容和评分标准设计内容包括以下几个方面:1. 设计方案的制定:包括设计思路、设计方案的选择和制定等。
2. 机械装置的整体设计:包括机械装置的结构设计、尺寸设计、材料选择等。
3. 零部件的设计和制造:包括零部件的结构设计、尺寸设计、材料选择等。
4. 工艺流程的设计和实施:包括工艺流程的制定、工艺参数的选择和实施等。
评分标准包括以下几个方面:1. 设计方案的合理性和创新性。
2. 机械装置的整体设计的合理性和完整性。
3. 零部件的设计和制造的精度和质量。
4. 工艺流程的设计和实施的合理性和可行性。
四、设计时间和提交要求设计时间为一个学期,具体时间安排由任课教师根据学校教学计划制定。
提交要求包括以下几个方面:1. 设计方案的书面报告和演示PPT。
2. 机械装置的3D模型和详细制图。
3. 零部件制造的工艺流程和工艺参数。
4. 机械装置的实物展示和操作演示。
五、注意事项1. 设计过程中要遵守学校的相关规定和法律法规。
2. 设计过程中要注重团队协作和沟通,充分发挥各自的优势和专长。
3. 设计过程中要注重实践操作和细节把控,确保设计方案的可行性和实用性。
4. 设计过程中要注重安全和环保,避免对人身安全和环境造成不良影响。
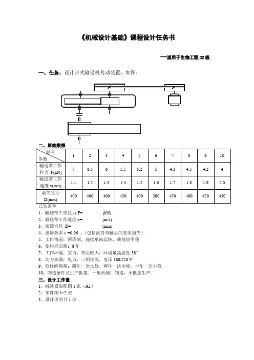
《机械设计基础》课程设计任务书
—适用于生物工程02级一、任务:设计带式输送机传动装置,如图:
1、输送带工作拉力F= (kN)
2、输送带工作速度v= (m/s)
3、滚筒直径D= (mm)
4、滚筒效率η=0.96 ,(包括滚筒与轴承的效率损失)
5、工作情况:两班制,连续单向运转,载荷较平稳
6、使用折旧期:8年
7、工作环境:室内,灰尘较大,环境最高温度38°
8、动力来源:电力,三相交流,电压380/220 V
9、检修间隔期;四年一次大修,两年一次中修,半年一次小修
10、制造条件及生产批量:一般机械厂制造,小批量生产
三、设计工作量
1、减速器装配图1张(A1)
2、零件图1~2张
3、设计说明书1份。
机械设计基础设计任务书一、设计目标本项目的设计目标是开发一个用于特定应用的机械设备,该设备需要具备以下特点和功能: - 实现特定功能的自动化操作 - 具备稳定且高效的运行能力 - 具备可靠的安全性能 - 预计使用寿命超过10年 - 设备尺寸适中,便于安装和维护二、设计背景和需求2.1 背景介绍随着科技的不断进步和应用的广泛推广,机械设备在现代生产和生活中扮演着重要的角色。
本项目的设计任务旨在满足特定应用场景下的自动化操作需求。
2.2 技术要求根据实际应用需求,设计任务需要满足以下技术要求: - 设备需要能够在不同工作条件下进行稳定运行,并且具备一定的可调节性。
- 设备需要具备较高的精度和准确性,以确保操作的准确性和一致性。
- 设备需要具备较快的操作速度和高效的生产能力,以提高工作效率和产量。
- 设备需要具备强大的承载能力,以满足工作中的安全和稳定性要求。
- 设备需要具备故障检测和报警功能,以方便及时处理设备故障和问题。
三、设计方案及实施3.1 设计思路基于以上设计背景和需求,我们提出以下设计方案: 1.选择适当的机械结构和传动系统,以满足设备稳定性和可调节性的要求。
2. 选择适当的传感器和控制系统,以实现设备的自动化操作和准确性控制。
3. 考虑设备的运行速度和生产能力,并设计相应的优化方案。
4. 设计强大的支撑结构和固定装置,以确保设备的安全性和稳定性。
5. 配备故障检测系统和报警装置,以提前发现和解决设备故障。
3.2 设计过程3.2.1 结构设计根据设备的功能需求和工作条件,进行结构设计,包括:- 确定适当的框架材料和尺寸,以满足设备的承载能力和稳定性要求。
- 设计合理的传动系统,以满足设备的可调节性和操作精度要求。
- 考虑设备的安装和维护便利性,设计适当的连接件和装配工艺。
3.2.2 控制系统设计根据自动化和准确性要求,设计控制系统,包括: - 选择适当的传感器和执行器,以实现设备的自动化操作和准确性控制。
机械设计基础课程设计任务书设计题目:两级(展开式)圆柱齿轮减速器系别: 机械工程系班级:姓名:学号:指导教师:日期:目录一、设计任务书··二、传动方案分析··三、电机的选择··四、传动比分配··五、运动及动力参数计算··六、带传动的设计··七、齿轮转动的设计··八、轴的结构设计及计算··九、滚动轴承的选择及寿命··十、键的选择及强度计算··十一、联轴器的选择··十二、箱体的结构设计··十三、密封件,润滑剂及润滑方式的选择··十四、设计小结··十五、参考文献··一、设计任务书1、设计题目:设计用于热处理车间零件清洗设备的两级展开式圆柱齿轮减速器注:连续单向运转,工作时有轻微震动,使用期限为8年,两班制工作(16小时/每天).速度允许误差为5%。
2、原始数据:注:本组按第6组数据进行设计计算3、设计任务:应完成:①30页设计说明书1份②减速器装配图1张(A0/A1)③零件工作图2张4.设计步骤及内容:1。
传动装置总体设计方案2. 电动机的选择3。
确定传动装置的总传动比和分配传动比4. 计算传动装置的运动和动力参数5。
齿轮的设计6。
滚动轴承和传动轴的设计7. 键联接设计8。
箱体结构设计9。
润滑密封设计10。
联轴器设计1。
传动装置总体设计1。
组成:传动装置由电机、减速器、工作机组成。
2. 特点:齿轮相对于轴承不对称分布,故沿轴向载荷分布不均匀,要求轴有较大的刚度.3。
确定传动方案:考虑到电机转速高,传动功率大,将V带设置在高速级.其传动方案如下:二、传动方案分析已知:已知输送带工作速度为0。
7m/s,滚筒直径为300mm,输送带主动轴扭矩为900N.m。
机械设计基础课程设计任务一、课程目标知识目标:1. 掌握机械设计的基本原理和概念,包括机械系统的组成、机械零件的分类和功能。
2. 学习并理解常用的机械传动装置、连接件和支撑结构的设计原则及应用。
3. 了解机械设计中的材料选择、公差配合和强度计算等关键知识。
技能目标:1. 能够运用机械设计的基本原理,独立完成简单的机械系统设计任务。
2. 掌握运用CAD软件进行机械零件的绘制和机械系统的模拟。
3. 学会分析机械系统的运动和受力情况,并进行合理的强度校核。
情感态度价值观目标:1. 培养学生对机械设计的兴趣,激发创新意识和探究精神。
2. 培养学生严谨、细致的工作态度,提高团队合作意识和沟通能力。
3. 增强学生对我国机械工程领域的自豪感,培养为国家和民族工业发展贡献力量的责任感。
分析课程性质、学生特点和教学要求:本课程为机械设计基础课程设计任务,旨在让学生将所学的理论知识应用于实际设计中。
结合学生年级特点,注重培养实践能力和创新精神。
在教学过程中,要求教师引导学生主动参与,鼓励学生提问和探讨,注重培养学生的动手操作能力和问题解决能力。
将目标分解为具体的学习成果:1. 学生能够设计并绘制出符合要求的机械零件和简单机械系统。
2. 学生能够运用所学知识进行机械系统的运动分析和强度校核。
3. 学生在课程设计过程中展现出良好的团队协作、沟通能力和创新精神。
二、教学内容本课程教学内容紧密结合课程目标,确保学生能够系统地掌握机械设计的基础知识和实践技能。
教学内容主要包括以下几部分:1. 机械设计基本原理:回顾机械系统的组成、机械零件的分类和功能,强调设计原则和设计流程。
2. 机械传动装置设计:学习齿轮传动、带传动和链传动的设计方法,分析各类传动装置的优缺点及应用场景。
3. 连接件和支撑结构设计:研究螺纹连接、焊接、铆接等连接件的设计原则,以及轴、轴承、联轴器等支撑结构的设计方法。
4. 材料选择与强度计算:介绍常用机械设计材料的特点及选择方法,学习强度计算的基本原理和公式。
《机械设计基础》课程设计任务书一、课程设计的目的《机械设计基础》课程设计是机械设计的一个重要环节, 又是一个十分重要的实践环节,是对学生进行的第一次较全面的设计训练,其目的是:1. 通过课程设计,巩固、加深和扩大在《机械设计基础》课程及相关课程教育中所学到的知识,训练学生综合运用这些知识去分析和解决工程实际问题的能力。
2. 学习机械设计的一般方法, 了解和掌握常用机械零件、机械传动装置或简单机械的设计方法、设计步骤, 为今后从事相关的专业课程设计、毕业设计及实际的工程设计打好必要的基础。
3. 使学生在计算、制图、运用设计资料。
熟练有关国家标准、规范、使用经验数据、进行经验估算等方面受全面的基础训练。
二、设计题目设计螺旋传输机传动装置中的一级圆柱齿轮减速器。
运动简图:1——电动机 2——带传动 3——联轴器 4——皮带式输送机 5——一级圆柱齿轮减速器原始数据:工作条件:皮带式输送机单向运转,有轻微的震动,两班制工作,使用年限 5年,输送机带轮轴转速的允许误差为±5%。
小批量生产,每年工作 300天。
三、设计的基本要求和注意事项《机械设计基础课程实训指导》 P94四、设计时间设计的进度计划如下表:(仅供参考 ( 17~18周 12月 24日 ~1月 5日六、设计步骤 (一选择电动机(A 类型和结构选择(选择依据参见《实训指导》 P101建议选用 Y 系列三相异步电动机,技术数据及结构见 (《实训指导》 P194—197 附表(B 电动机功率的确定1. 工作及所需功率 P W由 100060⨯=dn Pπ求得2. 电动机所需的输出功率P 0=PW /η KW 总效率⨯⨯⨯4带传动轴承联轴器圆柱齿轮η=ηηηη各效率值见《实训指导》表 1-6 建议: η轴承按球轴承查表η联轴器按弹性联轴器查表η圆柱齿轮按 8级精度的一般齿轮传动(稀油润滑查表η带传动按摩擦传动中的平摩擦传动查表3. 确定电动机功率 P m 。
机械课程设计任务书一、课程目标知识目标:1. 学生能理解并掌握机械设计的基本原理和概念,包括力学、材料力学、机械制图等基础知识。
2. 学生能够了解并描述常见的机械零件的结构、工作原理及其在工程中的应用。
3. 学生能够掌握机械设计的基本步骤和方法,包括需求分析、方案设计、详细设计和制图等。
技能目标:1. 学生能够运用机械设计软件(如AutoCAD等)进行简单的机械零件设计和制图。
2. 学生能够运用所学的机械原理和设计方法,解决简单的机械设计问题,具备初步的创新能力。
3. 学生能够通过小组合作,进行有效的沟通与协作,完成一个简单的机械设计项目。
情感态度价值观目标:1. 学生能够培养对机械工程的兴趣和热情,认识到机械设计在现代社会中的重要性。
2. 学生能够树立良好的工程意识和质量意识,注重细节,追求卓越。
3. 学生能够在团队合作中学会尊重他人、倾听意见,培养合作精神和解决问题的能力。
分析课程性质、学生特点和教学要求:本课程为机械课程设计任务,旨在让学生将所学的理论知识应用于实际设计中,提高其解决实际问题的能力。
学生为高中生,具有一定的物理和数学基础,但实践经验不足。
因此,教学要求注重实践操作,鼓励学生动手动脑,培养其创新意识和实际操作能力。
课程目标分解为具体的学习成果,以便后续的教学设计和评估。
二、教学内容1. 基本原理与概念:- 力学基础:力的合成与分解,牛顿运动定律。
- 材料力学:应力、应变、弹性模量,材料的力学性能。
- 机械制图:视图表达、尺寸标注、公差配合。
2. 常见机械零件:- 轴承与轴:类型、结构、工作原理。
- 传动系统:齿轮、皮带、链条的设计与计算。
- 连接件:螺纹连接、焊接、铆接。
3. 机械设计步骤与方法:- 需求分析:明确设计任务、确定设计要求。
- 方案设计:提出设计方案、进行方案评估。
- 详细设计:零件设计、装配设计、强度校核。
- 制图:绘制零件图、装配图。
4. 实践操作:- 机械设计软件应用:AutoCAD软件操作,绘制机械图纸。
《机械设计基础》课程设计说明书题目:一级直齿圆柱齿轮减速器学院(系):机电工程学院年级专业:学号:学生姓名:指导老师:目录机械设计基础课程设计任务书 (3)1.设计题目 (3)2.设计任务 (4)3.设计成果要求 (4)4.传动方案拟定 (4)5.电动机选择 (4)6.计算总传动比及分配各级的传动比 (5)7.运动参数及动力参数计算 (5)8.传动零件的设计计算 (6)9.减速器铸造箱体的主要结构尺寸设计 (10)10.轴的设计 (11)11.滚动轴承的选择和计算 (17)12.键联接的选择和强度校核。
(19)13.联轴器得选择和计算 (20)14.减速器的润滑 (20)15.润滑和密封说明 (20)16.参考文献 (21)机械设计基础课程设计任务书指导老师:专业 学号 姓名1.设计题目一级直齿圆柱齿轮减速器 1.1题目参数` 学 号 参 数201010814237带拉力F(kN) 2300 滚筒直径D(mm) 320 带速V (m/s )1.01.2减速箱的工作条件1.联轴器、2.电动机、3.减速器、4.链传动、5.链轮、6.输送链、7.挂钩电机带传动齿轮减速器链传动联轴器 滚筒运输带III IIIF VD1.3带式输送机在生产车间沿生产线运送成件产品或在食品厂运送肉食品等,运转方向不变,工作载荷稳定。
1.4工作寿命为20年,每年300个工作日,每日工作16小时。
2.设计任务2.1选择电动机型号;2.2计算皮带传动参数;2.3选择联轴器型号;2.4设计一级直齿圆柱齿轮减速器。
3.设计成果要求3.1装配草图:一张坐标图(可以手画、允许修改)3.2正式装配图:一张装配图包括:标题栏、明细表、序号、四种尺寸、技术要求3.3说明书:设计任务书在最前面,参照标准格式,大约一万字左右(包括图表、手写、注意材料的留底)4.传动方案拟定设计单级圆柱齿轮减速器和一级带传动原始数据:滚筒圆周力F=2300N;带速V=1.0m/s;滚筒直径D=320mm;5.电动机选择5.1电动机类型的选择:Y系列三相异步电动机5.2电动机功率选择:(1)传动装置的总功率:η总=η带×η4轴承×η齿轮×η联轴器×η滚筒链η⨯=0.95×0.994×0.97×0.99×0.9497.0⨯=0.802157.3150.92120d d d d a--⨯≈> 故主动轮上的包角合适。
机械设计基础课程设计任务书(doc 18页)目录一、任务书 (1)二、小组设计分工具体情况 (6)三、第一章总体设计构想 (7)四、第二章方案设计 (8)五、第三章设计计算说明 (10)1、传动装置运动参数的计算 (10)2、轴与轴承部件的设计 (11)3、零件载荷计算 (11)4、机架及附件的设计 (12)六、第四章设计结论与探讨 (13)七、附录 (14)八、课程设计成绩评定表 (16)《机械设计基础》课程设计任务书一、实践的目的和任务(一)实践目的1.《机械设计基础课程设计》是工业设计专业在完成《机械设计基础课程》课堂理论学习后的一项重要的实践性设计环节,要求学生综合运用机械设计基础课程及其它先修课程的理论和生产实际知识进行机械设计训练。
通过课程设计实践环节,使学生树立正确的设计思想,培养学生综合运用理论与生产实际知识来分析和解决机械设计问题的能力,巩固和发展所学到的相关知识。
2.学习和掌握通用机械零件、机械传动装置或简单机械的一般设计方法,培养学生工程设计能力和分析问题、解决问题的能力。
3.进行机械设计基本技能的训练,如计算、绘图、运用设计资料(包括手册、标准和规范等)以及经验估算、考虑技术决策、机械CAD 技术等机械设计方面的基本技能进行一次训练,以提高这些技能的水平,并为后续专业课程设计和毕业设计奠定基础。
4.结合工业设计专业特点,将结构设计与造型设计知识相结合,通过实践,使学生了解产品设计的基本原则和方法,创造性地提出解决方案,将学生培养成能够在设计中有工程自觉意识的工业设计师。
(二)实践任务1.完成课程设计题目的方案分析与设计;2.完成传动装置的总体设计及主要零部件的设计计算;3.完成装配图、零件图设计;4.完成方案设计效果图。
5.完成课程设计报告。
二、课程设计题目与要求(一)设计题目选择通用机械的传动装置或简单机械。
设计题目仅给出要求机器实现的功能,由学生自定传动方案设计,学生亦可自选设计题目,但自选题目的难度与工作量应和课程设计要求相适应。
(二)设计要求1.总体要求(1)根据机器的使用要求,通过功能分析,制定或分析传动设计方案。
(2)根据机器的工作状况分析和零件载荷计算,合理地选择零件材料,正确计算零件工作能力和确定零件主要参数和尺寸。
(3)综合考虑制造工艺、安装与调试、使用与维护、经济和安全等问题,对机器和零部件进行结构设计。
(4)图面符合制图标准规范,尺寸标注正确,技术要求完整合理;说明书计算准确、内容完整、层次清楚、格式规范。
2.具体要求(1)装配图一张,可采用计算机绘图、图纸大小可根据需要决定;(2)零件工作图若干张(传动零件、机架等,具体由指导教师指定),可采用计算机绘图、图纸大小可根据需要决定;(3)方案设计效果图一张,可采用计算机绘图;(4)课程设计报告书一份(要求使用A4 纸)。
课程设计报告书是最重要的技术文档之一,参与课程设计的学生必须按规定格式整理编写一份《机械设计基础课程设计报告书》。
报告书应当包括:a)设计总体方案设计;b)设计计算内容:确定传动装置总体方案,传动装置的运动学和动力学计算,传动零件的设计计算,轴、轴承、连接件的校核计算与选择等内容;c)设计结论与探讨。
三、设计的内容及步骤(一)设计内容1.传动方案的分析与拟定2.传动装置运动和动力参数的计算3.传动件设计4.轴的设计5.轴承及其组合部件的设计6.连接件的选择与校核7.润滑设计8.机架及附件的设计9.装配图和零件图的设计与绘制10.方案设计效果图的设计与绘制11.课程设计报告书的撰写(二)、设计步骤1.设计准备(1)阅读和研究设计任务书,明确设计任务与要求;分析设计题目,了解原始数据和工作条件。
(2)通过参观(模型、实物、生产现场),看电视录像,参阅设计资料以及必要的调研等途径了解设计对象。
(3)参阅《机械设计基础课程设计》有关内容,明确并拟订设计过程和进度计划。
2.传动装置的总体设计分析和拟定传动装置的运动简图。
3.传动装置的主体设计计算设计计算链传动的主要参数和尺寸。
4.装配草图的设计与绘制(1)装配草图的设计准备工作,主要是分析和选定传动装置的结构方案。
(2)初绘装配草图和轴、轴承的计算;作轴、轴上零件和轴承部件的结构设计;校核轴的强度、滚动轴承的寿命和连接件的强度。
(3)完成装配草图,并进行检查与修正。
5.零件工作图的设计与绘制机架类零件、轴类零件、转向机构零件等的工作图。
具体内容可由设计指导教师与设计小组讨论后指定。
6.方案设计效果图的设计与绘制7.课程设计报告书的撰写应按照指定的统一格式进行撰写。
8.设计总结与答辩(1)完成答辩前的准备工作。
(2)参加答辩。
四、课程设计进度安排课程设计时间为24学时,可安排在《机械设计基础》基本理论知识讲授的同时进行。
由任课老师讲明课程设计的任务、内容和要求,公布课程设计题目。
对全班学生进行分组安排。
每组一个题目,人数一般以不超过5人为宜。
第1-2学时全体同学集中,指导老师布置课程设计题目、设计任务、进度安排、考勤及评定成绩要求;第3-4学时全体同学集中,指导老师布置设计方案总体布置,讲述基本设计原理、功能分析、设计要素分解;第5-10学时完成结构设计:如传动方案的分析、电动机选择、运动与动力参数确定、传动零件的设计计算等;第11-16学时完成轴、联轴器、键、轴承等主要零件的设计计算和装配图设计,绘制图纸;第17-20学时整理编写课程设计报告说明书;第21-22学时课程设计答辩;第23-24学时评定成绩。
五、答辩与成绩评定考核课程设计期间的遵守纪律和要求情况,占课程设计成绩的20%。
考核课程设计所做内容、图纸和结果,占课程设计成绩的80%。
全班分组进行设计。
成绩根据设计难度及质量、设计报告书及答辩情况,按优、良、中、及格、不及格评定成绩。
1.课程设计完成后的全部图纸与说明书应有设计者和指导教师的签名。
未经指导教师签名的设计,不得参加答辩。
2.答辩时应按报告编写顺序,设计者首先对自己的设计进行5-10分钟的讲解,说明设计者主要解决的问题,然后回答教师提问。
每组学生答辩时间不得超过20分钟。
3.课程设计成绩根据学生平时工作情况、课程设计水平、深入程度、图纸质量、独立工作能力以及答辩情况综合衡量评定。
六、参考文献1. 任金泉主编,《机械设计课程设计》,西安交通大学出版社,20022. 陈秀宁、施高义主编,《机械设计课程设计》,浙江大学出版社,2003指导教师:沈文浩日期:2011年9月本小组设计分工具体情况成员分工备注李柱辉自行车的建模(主要)细节由集体分工卓旭武草图和图纸的绘制何奕栩模型的渲染展板制作孙泉辉答辩PPT制作崔杰发报告书制作集体进行数据分析罗浩仁报告书制作具体过程:首先本次课程设计的主题是自行车设计,所以刚开始时,我们组要求个位组员手绘一个或多个自行车的设计方案,各自完成设计后集中在一起,把自己的方案和设计理念向其他组员提出来,经集体讨论之后,我们全体组员一致通过采用夜戟——城市租借无链自行车这个方案。
刚开始时,卓旭武用手绘把车的大概效果图画出来,然后交给了组长李柱辉负责建模,每建一部分都会拿出来集体讨论分析,把不对的地方都提出来更改,最后完成了建模的工作。
然后下一步工作就是模型的渲染了,这步工作主要是由何奕栩操作的。
渲染方案是由之前商量出来的方案来渲染的,但是实际情况,实际操作,出现问题的地方都在大家的讨论下作出了修改。
最后的就是收集资料去写设计报告书、做自行车设计PPT、和设计说明。
其中孙泉辉负责做PPT、崔杰发和罗浩仁负责写设计说明、分析资料做报告书。
第一章总体设计构想齿轮传动自行车——“夜戟”设计说明我们这次设计的是城市租借自行车,适合普通人群使用,车的骨架部分自然是采用了戟的形象,用透明材料抽象地做出戟的大体形象。
再配合现代的流线型设计,使车不仅有古代中国兵器文化的体现,还处处散发出现代时尚的气息。
加上这车是采用创新的无链条结构,脚踏板直接连接上特定的齿轮,自行车后轮曲柄固定在自行车轮轴的两端,此自行车采用没有链条结构,因此结构简单,耐用。
而且不需采用链轮、链条、飞轮等传动零件,变现有自行车的圆周运动为前踏式上、下踏动,减轻了人体膝关节、髁关节的运动量。
踏板连动器采用圆锥齿轮传动,驱动器采用行星轮传动,使自行车的行驶速度及传动的可靠性都得到了很大的提高。
骑行时不擦挂裤脚,安全舒适,是一种理想的交通工具,特别适用于短距离骑行,且结构简单,安装方便,造价低廉。
车的前轮采用了独特的全封闭式单边打开结构,可以自行打开来去装一些比较小的物品,当我们骑车不方便用手拿东西时,我们就可以把这小东西装在这特别的收纳盒里存放。
这车还有一个比较大的特色就是有夜光型条纹设计,特别适合人们在夜晚租车游玩,兜风,这车的夜光条纹在白天或在光线下吸收了足够的能量后,在晚上就会发出美丽的绿光,不仅能在漆黑的晚上起到警示的作用,而且能使人在晚上骑车时形成一道靓丽的风景线,就像一道优雅的绿光在美丽的城市里穿行。
第二章方案设计主体分布图装配图前轮后轮齿轮传动组建齿轮传动组建细节图齿轮零件图内外轨剖面图第三章设计计算说明1、传动装置运动参数的计算后轮一对互相啮合的标准直齿圆柱齿轮,齿数z1=100,z2=35,模数m=7,轮直径(包括轮胎)D=926.7 mm齿距p=mπ=7*3.14=22.0 mm齿厚s= mπ/2=7*3.14/2=11.0 mm齿槽宽e=s基圆齿距p b=pcosα=22.0*cos20°=20.7 mm基圆直径d b1=d1cosα=700×cos20°=657.8 mmd b2=d2cosα=245×cos20°=230.2 mm分度圆直径d1=mz1=7×100=700 mmd2=mz2=7×35=245 mm齿顶圆直径d a1= d1-2ha=700-2*1*7=686 mmda2=d2+2ha=245+2*1*7=259 mm齿根圆直径d f1=d1+2(ha*+c*)m=700+2*1.25*7=717.5 mmd f2=d2-2(ha*+c*)m=245-2*1.25*7=227.5 mm中心距a=(d1+d2)/2=(700+245)/2=472.5 mm齿数比i=z2/z1=0.35传动比I=iD=0.35*926.7=324.3传动行程S=πI=3.14*324.3=1018.4 mm2、轴与轴承部件的设计前轮轴类型直的转动轴轴材质 45调质碳素结构钢 其强度极限650MPa 许用弯曲应力60MPa 轴的危险截面的直径 d =28mm车体前轮轴承选用标准型深沟球轴承 内径尺寸 850mm 外径尺寸 860mm 宽度尺寸 40mm3、零件载荷计算车体选用材料为优质碳钢 其强度极限为a b Mp 471≥σ屈服点306=s σ a=461a Mp b=2.568a Mp 其弹性模量为E=200a Gp 由欧拉公式及经验公式可得:p p Eσπλ2= , b a s s σσ-=, 42d A π=,AIi =, 则其坐垫处的临界载荷为:il 1μλ=,22λπσEcr =,A F cr cr σ=。