焊接符号标注大全
- 格式:doc
- 大小:758.50 KB
- 文档页数:15
常用焊缝符号及其标注方法基本符号是表示焊缝横截面形状的符号,常用基本符号见表1。
表1 常用基本符号序号名称示意图符号1 角焊缝2 点焊缝3 Ⅰ形焊缝4 V形焊缝5 单边V形焊缝6 带钝边V形焊缝7 缝焊缝表1(完)常用基本符号序号名称示意图符号8 塞焊缝或槽焊缝9 封底焊缝10 喇叭形焊缝11 单边喇叭形焊缝4.1.2 在焊接标注时,焊缝的基本符号必须标注。
4.1.3 对于需要开坡口的焊缝,当设计对坡口形状有特殊要求时,则应在技术图样中画出焊缝坡口的断面图,并明确各项要求;设计对坡口形状无特殊要求时,则技术图样中不做规定,应由工艺人员在工艺文件中予以明确。
4.2 辅助符号4.2.1 辅助符号是表示焊缝表面形状特征的符号,见表2。
表2 辅助符号序号名称示意图符号标注示例说明1 平面符号平面V形对接焊缝一般通过加工保证2 凹面符号凹面角焊缝3 凸面符号凸面V形对接焊缝4.2.2 对焊缝的表面无要求时,则不标注辅助符号。
4.3 补充符号4.3.1 补充符号是为了补充说明焊缝的某些特征而采用的符号,见表3。
4.3.2 当焊缝具有表3所列特征时,则必须标注相应的补充符号。
表3 补充符号序号名称示意图符号标注示例说明1 带垫板符号 V形对接焊缝,底面有垫板2 三面焊缝符号工件三面施角焊缝,焊接方法为手工电弧焊3 周围焊缝符号沿工件周围施角焊缝4 尾部符号 (同上述三面焊缝符号)标注焊接方法及处数N 等说明4.4 尺寸符号4.4.1 常用尺寸符号见表4,表中各尺寸符号,在图样中应标出具体数值。
表4 焊缝尺寸符号序号名称示意图符号标注示例说明1焊脚尺寸K角焊缝焊脚尺寸为K2焊缝宽度焊缝厚度c SⅠ形焊缝 焊缝宽为c 焊缝厚为S3熔核直径d塞焊缝 熔核直径d点焊缝 焊点直径d4 焊缝间距 e角焊缝 焊脚尺寸为K焊缝长度为l 焊缝间距为e 焊缝段(点)数n5 焊缝长度l 6 焊缝段(点)数 n7 相同焊缝处数 d角焊缝 焊脚尺寸为K相同焊缝处数为N4.4.2 确定焊缝位置的尺寸不在焊缝符号中给出,而是将其标注在图样上。
焊接位置焊接位置焊接位置箭头相反方向两面板材间距2mm板材间距2mm箭头所指方向箭头相反方向03、I型焊接形状标示记号箭头所指方向焊接符号标示说明(全) 参考JIS-Z3021标准01、双法兰型焊接形状标示记号箭头所指方向箭头相反方向形状标示记号02、单法兰型焊接板材间距2mm焊接位置焊接位置完全熔透焊接板厚12mm坡口开口角度45°使用垫板板材间距4.8mm焊后标面突出部分要机加处理平整部分熔透焊接板厚12mm坡口深度5mm坡口开口角度60°板材间距为005、X型焊接形状标示记号04、V型焊接形状标示记号箭头所指方向箭头相反方向板厚19mm坡口深度16mm坡口开口角度60°板材间距2mm闪光焊接摩擦压接两面该部位机加磨平处理闪光焊接闪光焊接闪光焊接闪光焊接摩擦压接焊接位置标示记号焊接位置坡口深度箭头方向16mm箭头对面方向9mm坡口开口角度箭头方向60°箭头对面方向90°板材间距3mm闪光焊接坡口深度3mm坡口开口角度90°板材间距为0摩擦压接坡口深度3mm坡口开口角度90°板材间距为006、V型焊接形状箭头所指方向箭头相反方向T连接坡口角度45°板材间距6.4mm使用垫板角连接板厚25mm坡口角度45°坡口深度10mm板材间距为007、K型焊接形状标示记号箭头所指方向闪光焊接闪光焊接摩擦压接焊接位置箭头方向坡口深度16mm坡口开口角度45°箭头相反方向坡口深度9mm坡口开口角度45°板材间距2mm T连接坡口深度7mm 坡口角度45°板材间距为0角连接坡口深度7mm 坡口角度45°板材间距为0闪光焊接坡口深度3mm 坡口角度45°摩擦压接T连接坡口深度7mm 坡口角度45°08、J型焊接形状标示记号箭头所指方向箭头相反方向坡口深度28mm 坡口角度35°板材根部半径12mm 板材间距2mm摩擦压接闪光焊接闪光焊接焊接位置焊接位置焊接位置09、双J型焊接形状标示记号箭头所指方向箭头相反方向坡口深度24mm坡口角度35°板材根部半径12mm板材间距3mm10、U型焊接形状标示记号箭头所指方向箭头相反方向部分熔透焊接坡口深度27mm完全熔透焊接坡口角度25°板材根部半径6mm板材间距为011、H型焊接形状标示记号两面焊接位置焊接位置12、喇叭V型,喇叭X型焊接部分熔透焊接坡口深度25mm坡口角度25°板材根部半径6mm板材间距为0形状标示记号箭头所指方向箭头相反方向两侧13、喇叭 型,喇叭K型焊接形状标示记号箭头所指方向箭头相反方向两面焊接位置焊接位置14、角焊接形状标示记号箭头所指方向箭头相反方向两面焊缝高度6mm焊缝高度不同时先标注小的尺寸, 再标准大的尺寸 用()括起标示 另外这种焊高不同 的场合,要标示清 楚方向焊缝长度为500mm15、角焊接(双面)形状标示记号两面焊缝高度为6mm焊缝两侧高度不同时一边连续焊接一边是段焊两边焊缝高度为6mm段焊焊接长度为50mm焊接3处段焊间距为250mm侧面图上没有记号表示焊接位置焊接位置16、角焊接(间断)形状标示记号箭头所指方向箭头相反方向两面并列焊接焊缝长度50mm焊接3处焊缝间距150mm锯齿型焊接两面焊缝高度6mm焊缝长度为50mm焊缝数量箭头侧3处箭头对面2处焊缝间距300mm锯齿型焊接正面焊接高度6mm对面焊接高度9mm焊缝长度50mm焊缝数量正反各2处焊缝间距300mm17、塞型,槽型焊接形状标示记号箭头所指方向箭头相反方向焊接位置焊接位置孔直径22mm 焊接4处焊缝间距100mm 坡口角度60°焊接深度6mm 箭头所指方向箭头相反方向宽度22mm长度50mm焊接4处焊缝间距150mm坡口角度0°焊接深度6mm18、拍子型焊接形状标示记号箭头所指方向箭头相反方向板材间距为019、堆焊形状标示记号堆焊厚度为6mm宽度为50mm长度100mm焊接位置焊接位置焊接位置发散型焊接20、点焊、发散型焊接形状标示记号箭头所指方向平面必须平坦,并使用电极焊接焊缝间距75mm点焊2处箭头相反方向平面必须平坦,并使用电极焊接焊缝间距25mm点焊5处箭头所指方向平面点焊箭头相反方向21、填充焊接形状标示记号22、焊接部位标面形状形状标示记号焊接位置对接焊角焊标面平坦对接焊,角焊标面凸起发散熔接发散熔接发散熔接发散熔接焊接位置焊接位置焊接位置角焊标面凹型23、焊接部位处理方法形状标示记号对接焊接突出部位进行削平处理不等高的角焊部位打磨下凹2mm圆管对接突出焊接部位进行机加磨平全周焊接的辅助标记24、现场焊接,全周焊接,全周现场焊接形状标示记号现场连续角焊接全周现场连续角焊接全周连续角焊接圆管场合25、记号组合形状标示记号 型焊接与拍子型焊接K型焊接与角焊接该部位进行削平处理该部位进行打磨处理该部位进行机加磨平处理焊接位置 型焊接与角焊接J型焊接与角焊接以及拍子型焊接组合双面J型焊接与角焊接以及进行凹型打磨组合26、射线探伤记号形状标示记号射线探伤一般场合部分(抽检)射线探伤全部进行射线探伤场合园管对接焊接部位双管面射线探伤焊接位置焊接位置27、超声波探伤形状标示记号对接焊接部位进行垂直超声波探伤对接焊接部位进行超声波探伤一般场合对接焊接部位进行斜角超音波探伤28、磁粉探伤,渗透探伤形状标示记号渗透探伤非荧光探伤场合渗透探伤荧光探伤场合渗透探伤一般场合磁粉探伤荧光探伤场合磁粉探伤一般场合。
常用焊接符号表示法 1 范围 本标准规定了焊接符号的表示方法。
本标准适用于金属熔化焊及电阻焊。
2 规范性引用文件 GB/T 5185 金属焊接及钎焊方法在图样上的表示代号 GB/T 12212 技术制图焊缝符号的尺寸、比例及简化表示法 3 基本要求 3.1焊接符号应明确表示所要说明的焊缝,不应增加过多的注解。
焊缝的表示方法包括焊缝图示法和焊缝符号标注法。
一般应采用焊缝符号标注法,如果仅采用焊缝符号标注法无法表达清楚或采用图示法比标注法简单明了时,可采用图示法。
3.2焊缝符号由基本符号与指引线组成,必要时可以加上辅助符号、补充符号、焊缝尺寸符号。
图形符号的比例、尺寸和在图样上的表示方法按GB/T 12212的规定; GB/T 12212中常用的图示方法见附录C(规范性附录)。
3.3当专业标准规定焊缝尺寸、焊接工艺时,焊缝符号中应表示这些内容。
焊接方法在图样上标注时,按附录B(规范性附录)的规定。
要求焊后加工的,如铲平、磨平、切削加工等,应在技术要求中标明。
4 符号 4.1基本符号 基本符号是表示焊缝横截面形状的符号,见表1。
表1基本符号 序号 符号名称 示意图 焊缝符号 1卷边焊缝(卷边完全熔化) 注:不完全熔化的卷边焊缝用Ⅰ形焊缝符号表示,并加注焊缝有效厚度S,见表72 Ⅰ形焊缝 3 V形焊缝 4单边V形焊缝 表1(续)序号 符号名称 示意图 焊缝符号 5 带钝边V形焊缝 6 带钝边单边V形焊缝 7 带钝边U形焊缝 8 带钝边J形焊缝 9 封底焊缝 10 角焊缝 11 塞焊缝或槽焊缝 12 点焊缝 13 缝焊缝 4.2 辅助符号 4.2.1辅助符号是表示焊缝表面形状特征的符号,见表2。
表2 辅助符号 序号 符号名称 示意图 符号 说明 1 平面符号 焊缝表面平齐 2 凹面符号 焊缝表面凹陷 3 凸面符号 焊缝表面凸起 注:不需要确切地说明焊缝的表面形状时,可以不用辅助符号。
4.2.2辅助符号应用示例见表3。
焊接图纸符号标注图解示例焊接符号是一种工程语言,能简单、明了地在图纸上说明焊缝的形状、几何尺寸和焊接方法。
下面小编就为大家介绍焊接图纸符号标注图解示例,一起来看看吧。
一、焊接图纸符号标注图解示例★焊接符号标注实例及方法在焊接结构图样上,焊接方法可按国家标准GB5185-85的规定用阿拉伯效字表示,标注在指引线的尾部。
常用焊接方法代号见表3-9所示。
如果是组合焊接方法,可用“/”分开,左侧表示正面(或盖面)的焊接方法,右侧表示背面(或打底)焊接方法。
例如V形焊缝先采用钨极氢弧焊打底,后用手工电弧焊盖面,则表示为141/111。
焊缝符号和焊接方法代号标注示例见图3-21所示。
该图表示V形坡口对接焊缝,背面封底焊,正面焊缝表面齐平,焊接方法为打底焊用手工钨极氮弧焊,盖面焊和封底焊用手工电弧焊。
二、焊接符号表示方法1钢结构焊接符号含义大全钢结构焊接符号也是依据GB324一1988《焊缝代号》来绘制。
钢结构一般属于建筑学科,属于建筑行业。
因此在钢结构焊接符号的标注中经常伴随有建筑符号、型钢符号、螺栓符号及铆钉符号等。
2钢结构焊缝符号表示的方法及有关规定:(1)焊缝的引出线是由箭头和两条基准线组成。
其中一条为实线,另一条为虚线,线型均为细线。
(2)基准线的虚线可以画在基准线实线的上侧,也可画在下侧,基准线一般应与图样的标题栏平行,仅在特殊条件下才与标题栏垂直。
(3)若焊缝处在接头的箭头侧,则基本符号标注在基准线的实线侧;若焊缝处在接头的非箭头侧,则基本符号标注在基准线的虚线侧。
(4)当为双面对称焊缝时。
基准线可不加虚线。
(5)箭头线相对焊缝的位置一般无特殊要求,但在标注单边形焊缝时箭头线要指向带有坡口一侧的工件。
(6)基本符号、补充符号与基准线相交或相切,与基准线重合的线段,用粗实线表示。
(7)焊缝的基本符号、辅助符号和补充符号(尾部符号除外)一律为粗实线,尺寸数字原则上亦为粗实线,尾部符号为细实线,尾部符号主要是标注焊接工艺、方法等内容。
焊接符号说明参考JIS-Z3021标准一,双法兰型焊接焊接位置形状表示记号箭头所指方向箭头相反方向二,单法兰型焊接焊接位置形状表示记号箭头所指方向箭头相反方向三,I型焊接焊接位置形状表示记号箭头所指方向箭头相反方向两面板材间距2mm板材间距2mm闪光焊接摩擦压接四,V型焊接焊接位置形状表示记号箭头所指方向箭头相反方向板厚19mm坡口深度16mm坡口开口角度60°板材间距2mm 完全熔透焊接板厚12mm坡口开口角度45°使用垫板板材间距4.8mm 焊后表面突出部分要机加处理平整部分熔透焊接板厚12mm坡口深度5mm坡口开口角度60°板材间距为0五,X型焊接焊接位置形状表示记号两面该部位机加磨平处理闪光焊接闪光焊接闪光焊接闪光焊接摩擦压接箭头对面方向9mm 坡口开口角度 箭头方向60°箭头对面方向90°板材间距3mm 闪光焊接坡口深度3mm坡口开口角度90° 板材间距为0摩擦压接坡口深度3mm坡口开口角度90° 板材间距为0六,V焊接位置形状表示记号箭头所指方向箭头相反方向T连接坡口角度45° 板材间距6.4mm 使用垫板角连接板厚25mm 坡口角度45° 坡口深度10mm 板材间距为0七,K焊接位置形状表示记号箭头所指方向闪光焊接闪光焊接摩擦压接坡口开口角度45°箭头相反方向坡口深度9mm坡口开口角度45° 板材间距2mmT连接坡口深度7mm坡口角度45°板材间距为0角连接坡口深度7mm坡口角度45°板材间距为0闪光焊接坡口深度3mm坡口角度45°摩擦压接T连接坡口深度7mm坡口角度45°八,J型焊接焊接位置形状表示记号箭头所指方向箭头相反方向坡口深度28mm坡口角度35°板材根部半径12mm板材间距2mm 摩擦压接闪光焊接闪光焊接九,焊接位置形状表示记号箭头所指方向箭头相反方向坡口深度24mm坡口角度35°板材根部半径12mm板材间距3mm十,U焊接位置形状表示记号箭头所指方向箭头相反方向部分熔透焊接坡口深度27mm完全熔透焊接坡口角度25°板材根部半径6mm板材间距为0十焊接位置形状表示记号两面部分熔透焊接坡口深度25mm坡口角度25°板材根部半径6mm板材间距为0十二,喇叭V型,喇叭X型焊接焊接位置形状表示记号箭头所指方向箭头相反方向两侧十三,喇叭型,喇叭K型焊接焊接位置形状表示记号箭头所指方向箭头相反方向两面四,角焊接焊接位置形状表示记号箭头所指方向箭头相反方向两面焊缝高度6mm焊缝高度不同时先标注小的尺寸,再标准大的尺寸用()括起表示另外这种焊高不同的场合,要表示清楚方向焊缝长度为500mm十五,角焊接(双面)焊接位置形状表示记号两面焊缝高度为6mm焊缝两侧高度不同时一边连续焊接一边是段焊两边焊缝高度为6mm段焊侧面图上没有记号表示 焊接长度为50mm焊接3处段焊间距为250mm焊接位置形状表示记号箭头所指方向箭头相反方向两面并列焊接焊缝长度50mm焊接3处焊缝间距150mm锯齿型焊接正面焊接高度6mm对面焊接高度9mm焊缝长度50mm焊缝数量正反各2处焊缝间距300mm锯齿型焊接两面焊缝高度6mm焊缝长度为50mm焊缝数量箭头侧3处箭头对面2处焊缝间距300mm十焊接位置形状表示记号箭头所指方向箭头相反方向孔直径22mm焊接4处焊缝间距100mm坡口角度60°焊接深度6mm箭头所指方向箭头相反方向宽度22mm长度50mm焊接4处焊缝间距150mm坡口角度0°焊接深度6mm十八,拍子型焊接焊接位置形状表示记号箭头所指方向箭头相反方向板材间距为0十九,堆焊焊接位置形状表示记号堆焊厚度为6mm宽度为50mm长度100mm二十,点焊,发散型焊接焊接位置形状表示记号箭头所指方向平面必须平坦,并使用电极焊接焊缝间距75mm点焊2处箭头相反方向平面必须平坦,并使用电极焊接焊缝间距25mm点焊5处箭头所指方向平面箭头相反方向二十一,填充焊接焊接位置形状表示记号二十二,焊接部位表面形状焊接位置形状表示记号对接焊,角焊表面平坦对接焊,角焊表面点焊发散型焊接发散熔接发散熔接发散熔接发散熔接凸起角焊表面凹型二十三,焊接部位处理方法焊接位置形状表示记号对接焊接突出部位进行削平处理不等高的角焊部位打磨下凹2mm 园管对接突出焊接部位进行机加磨平全周焊接的辅助记号省略场合二十四,现场焊接,全周焊接,全周现场焊接焊接位置形状表示记号现场连续角焊接全周连续角焊接圆管场合全周现场连续角焊接二十五,记号组合该部位进行削平处理该部位进行打磨处理该部位进行机加磨平处理焊接位置形状表示记号 型焊接与拍子型焊接K型焊接与角焊接型焊接与角焊接J型焊接与角焊接以及拍子型焊接组合双面J型焊接与角焊接以及进行凹型打磨组合二十六---1,射线探伤记号焊接位置形状表示记号射线探伤一般场合部分(抽检)射线探伤全部进行射线探伤场合园管对接焊接部位双管面射线探伤二十六---2,超声波探伤焊接位置形状表示记号对接焊接部位进行超声波探伤一般场合对接焊接部位进行垂直超声波探伤对接焊接部位进行斜角超音波探伤二十焊接位置形状表示记号磁粉探伤一般场合磁粉探伤荧光探伤场合渗透探伤一般场合渗透探伤荧光探伤场合渗透探伤非荧光探伤场合。
常用焊接方法在图样上的表示代号1. 常用焊接方法的代号GB5185-85中规定,采用阿拉伯数字代号来表示金属焊接及钎焊等各种焊接方法,并配合GB324-88使用。
常用焊接方法在图样上的表示代号为:1——电弧焊11——无气体保护的电弧焊111——焊条电弧焊 112——重力焊条电弧焊 113——光焊丝电弧焊114——自保护药芯焊丝电弧焊12——埋弧焊121——丝极埋弧焊 122——带极埋弧焊13——熔化极气体保护焊131——MIG焊:熔化极惰性气体保护焊135——MAG焊:熔化极非惰性气体保护焊(含CO2气体保护焊)136——非惰性气体保护药芯焊丝电弧焊137——非惰性气体保护熔化极电弧点焊14——非熔化极气体保护电弧焊141——TIG焊:钨极惰性气体保护焊142——TIG点焊15——等离子弧焊2——电阻焊21——点焊 22——缝焊 23——凸焊 24——闪光焊3——气焊311——氧-乙炔焊其它焊接方法71——铝热焊 72——电渣焊 78——螺柱焊2.焊接方法在图样上的表示方法1)采用单一焊接方法焊接的焊缝表示,如角焊缝采用埋弧自动焊时,为:1212)采用组合焊接方法焊接的焊缝表示,如板单元对接焊缝,开V型坡口,首先采用CO气体保护焊打底,然后采用埋弧自动焊填充,为:2 Array 135 / 1213.焊接方法新旧代号对照见表1。
表1 焊接方法新旧代号对照焊缝符号及标注原则GB324-88中规定了焊缝符号和在图样上的标注原则。
1.焊缝符号焊缝符号一般由基本符号和指引线组成,必要时还可增加辅助符号、补充符号和焊缝尺寸符号。
1)焊缝标注的基本符号见表9。
表9 焊缝标注的基本符号2)焊缝标注的辅助符号见表10。
表10 焊缝标注的辅助符号3)焊缝标注的补充符号见表11。
4)焊缝尺寸符号见表12。
表11 焊缝标注的补充符号表12 焊缝尺寸符号2.焊缝符号标注原则1)焊缝符号在图样上的标注位置完整的焊缝表示方法,除了基本符号、辅助符号、补充符号外,还包括指引线、尺寸符号及数据。
焊接符号大全1、焊缝标注方法图样上焊缝有两种表示方法,即符号法和图示法。
焊缝标注以符号标注法为主,在必要时允许辅以图示法。
比如用连续或断续的粗线表示连续或断续焊缝;在需要时绘制焊缝局部剖视图或放大图表示焊缝剖面形状;用细实线绘制焊前坡口形状等等。
符号标注法:通过焊缝符号和指引线表明焊缝形式的标注方法。
2、符号标注法的要素焊缝符号标注中有许多要素,其中焊缝基本符号和指引线构成了焊缝的基本要素,属于必须标注的内容。
除焊缝基本要素外,在必要时还应加注其他辅助要素,如辅助符号、补充符号、焊缝尺寸符号及焊接工艺等内容。
3、焊缝符号及其标注(1)焊缝基本符号是表示焊缝横断面形状的符号,共有13个(详见GB/324-88),例如:(2)辅助符号是表示焊缝表面形状特征的符号。
不需要确切地说明焊缝的表面形状时可以不加注辅助符号。
辅助符号配置在基本符号固定位置。
辅助符号有3个。
(3)补充符号是为了补充说明焊缝的某些特征而采用的符号,一共有5个。
(4)特殊符号是为了满足某些特殊情况而规定的焊缝符号,共有4个。
4、指引线及其标注指引线由箭头线和基准线组成。
(1)箭头线:箭头可指向接头侧和非接头侧;箭头线相对焊缝的位置一般没有特殊要求; 允许箭头线弯折一次。
(2)基准线基准线含有实线基准线和虚线基准线。
虚线基准线可画在实线基准线的上方或下方;焊缝符号标注在实线基准线上说明焊缝在箭头侧,标注在虚线基准线上说明焊缝在非箭头侧;标注双面或对称焊缝时可不加虚线。
5、焊缝尺寸符号及其标注(1)焊缝标注有必要时可附带有焊缝尺寸符号及数据。
焊缝尺寸符号共有16个(详见GB/324-88),例如:(2)焊缝尺寸符号及数据的标注原则(如图):焊缝横截面上的尺寸标注在基本符号的左侧;长度方向的尺寸标在右侧;坡口角度、坡口面角度、根部间隙等尺寸标在基本符号的上侧或下侧。
相同焊缝数量的符号标在尾部。
在基本符号的右侧无任何标注且又无其他说明时,意味着焊缝在工件的整个长度上是连续的; 在基本符号的左侧无任何标注且又无其他说明时,表示对接焊缝要完全焊透。
焊接符号标注方法
内容来源网络,由“深圳机械展(11万㎡,1100多家展商,超10万观众)”收集整理!
更多cnc加工中心、车铣磨钻床、线切割、数控刀具工具、工业机器人、非标自动化、数字化无人工厂、精密测量、3D打印、激光切割、钣金冲压折弯、精密零件加工等展示,就在深圳机械展.
1、焊接的结构形式由焊接符号来表示,焊接符号主要由基本符号、辅助符号、补充符号、指引线和焊接尺寸等组成。
常用的焊接符号如下图,用来说明焊接横截面的形状、线宽为标注字符高度的1/10,如字高为3.5mm,则符号线宽为0.35mm。
2、焊接辅助符号,如下图所示,是表示焊接表明形状的符号,如凸起或凹下。
3、补充符号,如下图所示,用来表示焊接的范围等特征符号。
4、在指引线的尾部标注相同焊接的数量N和焊接方法。
焊接符号大全焊接符号以标准图示的形式和缩写代码标示出一个焊接接头或钎焊接头完整的信息,如接头的位置、如何制备和如何检测等。
焊接符号完整的代码体系在美国焊接学会(AWS)最新版本的《焊接、钎焊与无损检验的标准符号》(ANSI/AWS A2.4)规程中有详细说明。
焊接符号包含许多信息,而且相当复杂,实际生产中大多数的焊接设计人员只是使用了其中很少一部分。
符号中的信息和单元问题1:焊接符号能够提供什么信息?答:焊接符号能够提供如下信息。
接头类型、焊缝坡口形状、焊缝类型、焊接方法、规程或程序、焊缝位置、质量要求、焊缝次序、焊缝尺寸、最终的焊缝轮廓、工艺要求等。
问题2:焊接符号由哪些单元组成?答:一个焊接符号可以包括如下单元。
参考线、箭头、基本焊接符号、尺寸和其他数据、补充符号、完成符号、尾缀、规程、焊接方法或其他。
参考线和箭头问题3:参考线是什么?答:参考线是构成一个焊接符号的基础,由水平位置的划线组成。
参考线必须画在靠近所要表示的焊接接头符号的旁边。
每一个焊接符号单元必须根据符号标准放置在参考线周围一个适当的位置处。
水平参考线及焊接符号单元的位置如图1所示。
问题4:焊接符号中各单元的标准位置是如何安排的?答:图1所示是一条参考线,一些其他的单元标记可以放置在参考线的周围。
典型焊接符号显示出各种定位焊缝的一些信息,包括如下。
①尾缀T 只用于特殊的焊缝,例如,焊接方法改变、焊条改变等,可以在图纸上有详细参考说明。
如果没有参考意义或无须规范,尾缀可以省略。
②参考线上的S 记号S取决于焊缝类型,如有坡口焊缝的熔深、填角焊缝的尺寸、塞焊或开槽焊缝的尺寸、点焊或凸焊焊缝的剪切强度等,这个记号一般是位于焊缝符号的左边。
③记号E 在这里代表一个开坡口焊缝的有效尺寸,也称为焊缝尺寸或焊脚高。
有效尺寸的尺度标在圆括号内,无论箭头指向哪里,这个尺寸和坡口总是位于参考线上焊缝符号的左边。
④R 在这里代表形成所需形状的焊缝数之间的空间,对于对接接头来说是敞开的根部。
建筑钢结构设计图中的焊接符号123表中所示说明如下:1.凡是符号中未注焊缝尺寸要求的,如序号1的角焊缝和序号4的双面坡口焊缝,表示要求焊缝与母材等强。
省去了对坡口尺寸或焊脚要求的标注。
反之符号中标有数字的焊缝就表示要按数字的要求进行,不代表等强与否,如序号2、3、6.在此需要指出的是现在对等强焊缝有个误区,即认为要与母材等强,焊缝必须是熔透焊。
本文中对角焊缝和部分熔透焊所说的等强,主要是指它的有效焊缝厚度等于或大于母材板厚.强度指标包括抗拉、抗弯和冲击功等,对于等强的角焊缝或部分熔透焊缝有些性能是大于全熔透焊缝的,因熔透焊焊缝接头的应力集中性较大,它的抗弯和某些抗裂性还不如角焊缝和部分熔透焊缝。
2. 带钝边的坡口焊缝按传统的理解不是全熔透焊缝,但在实际上现在随着碳弧气刨的使用增多,和坡口间隙的调整,越来越多的全熔透焊缝都采用带钝边的坡口焊缝.特别是T形接头,利用钝边有许多优点,一是定位准确,收缩变形小,二是在加强首道打底焊熔透性前提下,钝边大了,熔敷金属量减少,带来生产效率提高,变形减少等一系列好处。
但在现在的图纸中往往是把全坡口的焊缝才认定为全熔透焊缝,而带钝边的坡口焊都往往按部分熔透焊对待,有的也按全熔透焊,但在尾部加编号,另用图解说明。
由于在现有的国标中没有对符号的熔透与否有具体说明,只在GB/T50105-2001《建筑结构制图标准》中对熔透角焊缝有一个标注符号。
但笔者认为该符号并不值得推广,因为把一个实心圆放在引出线的折转处,至少它直接影响了周围焊与相同焊标记的表示.所以随着图纸中熔透焊要求的增多,有必要对一些符号中加上熔透焊的表记。
为了方便符号的使用,使它更直接,省事,好记,认为符号尾部的编号标注宜尽可能的不用或少用,符号要简易好懂。
所以对不易区别的全熔透焊缝在符号的横的基准线上,在上下坡口的中间部位以涂黑的圆圈为标记。
见表中序号15、16、20、21。
3. 对背面带衬垫的全熔透焊缝,由于国标中未有该方式的符号表示,所以编制了序号14、24、25的图形表示.4. 序号17、19、26、27,表示的是背面封底焊,该图形基本是按GB/T324-2008《焊缝符号表示法》中表A.3 补充符号的标注示例中序号1的图形。
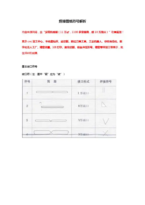
焊接图纸符号解析内容来源网络,由“深圳机械展(11万㎡,1100多家展商,超10万观众)”收集整理!更多cnc加工中心、车铣磨钻床、线切割、数控刀具工具、工业机器人、非标自动化、数字化无人工厂、精密测量、3D打印、激光切割、钣金冲压折弯、精密零件加工等展示,就在深圳机械展.基本坡口符号坡口符(注:图中“破”应为“坡”)焊接图纸符号标注图解示例焊接符号标注实例及方法在焊接结构图样上,焊接方法可按国家标准GB5185-85的规定用阿拉伯效字表示,标注在指引线的尾部。
常用焊接方法代号见表3-9所示。
如果是组合焊接方法,可用“/”分开,左侧表示正面(或盖面)的焊接方法,右侧表示背面(或打底)焊接方法。
例如V形焊缝先采用钨极氢弧焊打底,后用手工电弧焊盖面,则表示为141/111。
焊缝符号和焊接方法代号标注示例见图3-21所示。
该图表示V形坡口对接焊缝,背面封底焊,正面焊缝表面齐平,焊接方法为打底焊用手工钨极氮弧焊,盖面焊和封底焊用手工电弧焊。
焊接方式代号焊接符号表示方法钢结构焊接符号含义大全钢结构焊接符号也是依据GB324一1988《焊缝代号》来绘制。
钢结构一般属于建筑学科,属于建筑行业。
因此在钢结构焊接符号的标注中经常伴随有建筑符号、型钢符号、螺栓符号及铆钉符号等。
钢结构焊缝符号表示的方法及有关规定1、焊缝的引出线是由箭头和两条基准线组成。
其中一条为实线,另一条为虚线,线型均为细线。
2、基准线的虚线可以画在基准线实线的上侧,也可画在下侧,基准线一般应与图样的标题栏平行,仅在特殊条件下才与标题栏垂直。
3、若焊缝处在接头的箭头侧,则基本符号标注在基准线的实线侧;若焊缝处在接头的非箭头侧,则基本符号标注在基准线的虚线侧。
4、当为双面对称焊缝时。
基准线可不加虚线。
5、箭头线相对焊缝的位置一般无特殊要求,但在标注单边形焊缝时箭头线要指向带有坡口一侧的工件。
6、基本符号、补充符号与基准线相交或相切,与基准线重合的线段,用粗实线表示。
焊接符号大全焊接符号以标准图示的形式和缩写代码标示出一个焊接接头或钎焊接头完整的信息,如接头的位置、如何制备和如何检测等.焊接符号完整的代码体系在美国焊接学会(AWS)最新版本的《焊接、钎焊与无损检验的标准符号》(ANSI/AWS A2。
4)规程中有详细说明。
焊接符号包含许多信息,而且相当复杂,实际生产中大多数的焊接设计人员只是使用了其中很少一部分。
符号中的信息和单元问题1:焊接符号能够提供什么信息?答:焊接符号能够提供如下信息.接头类型、焊缝坡口形状、焊缝类型、焊接方法、规程或程序、焊缝位置、质量要求、焊缝次序、焊缝尺寸、最终的焊缝轮廓、工艺要求等。
问题2:焊接符号由哪些单元组成?答:一个焊接符号可以包括如下单元。
参考线、箭头、基本焊接符号、尺寸和其他数据、补充符号、完成符号、尾缀、规程、焊接方法或其他。
参考线和箭头问题3:参考线是什么?答:参考线是构成一个焊接符号的基础,由水平位置的划线组成。
参考线必须画在靠近所要表示的焊接接头符号的旁边。
每一个焊接符号单元必须根据符号标准放置在参考线周围一个适当的位置处。
水平参考线及焊接符号单元的位置如图1所示。
问题4:焊接符号中各单元的标准位置是如何安排的?答:图1所示是一条参考线,一些其他的单元标记可以放置在参考线的周围。
典型焊接符号显示出各种定位焊缝的一些信息,包括如下。
①尾缀T 只用于特殊的焊缝,例如,焊接方法改变、焊条改变等,可以在图纸上有详细参考说明。
如果没有参考意义或无须规范,尾缀可以省略.②参考线上的S 记号S取决于焊缝类型,如有坡口焊缝的熔深、填角焊缝的尺寸、塞焊或开槽焊缝的尺寸、点焊或凸焊焊缝的剪切强度等,这个记号一般是位于焊缝符号的左边。
③记号E 在这里代表一个开坡口焊缝的有效尺寸,也称为焊缝尺寸或焊脚高.有效尺寸的尺度标在圆括号内,无论箭头指向哪里,这个尺寸和坡口总是位于参考线上焊缝符号的左边。
④R 在这里代表形成所需形状的焊缝数之间的空间,对于对接接头来说是敞开的根部.如果是塞焊或开槽焊缝,R在这里表示填充深度。
常用焊接符号大全------------------------------------------------------------------------------------------------常用焊接符号大全常用焊接符号表示法1 范围本标准规定了焊接符号的表示方法。
本标准适用于金属熔化焊及电阻焊。
2 规范性引用文件GB/T 5185 金属焊接及钎焊方法在图样上的表示代号 GB/T 12212 技术制图焊缝符号的尺寸、比例及简化表示法 3 基本要求3.1 焊接符号应明确表示所要说明的焊缝,不应增加过多的注解。
焊缝的表示方法包括焊缝图示法和焊缝符号标注法。
一般应采用焊缝符号标注法,如果仅采用焊缝符号标注法无法表达清楚或采用图示法比标注法简单明了时,可采用图示法。
3.2 焊缝符号由基本符号与指引线组成,必要时可以加上辅助符号、补充符号、焊缝尺寸符号。
图形符号的比例、尺寸和在图样上的表示方法按GB/T 12212的规定; GB/T 12212中常用的图示方法见附录C(规范性附录)。
3.3 当专业标准规定焊缝尺寸、焊接工艺时,焊缝符号中应表示这些内容。
焊接方法在图样上标注时,按附录B(规范性附录)的规定。
要求焊后加工的,如铲平、磨平、切削加工等,应在技术要求中标明。
4 符号 4.1基本符号基本符号是表示焊缝横截面形状的符号,见表1。
——————————————————————————————————————------------------------------------------------------------------------------------------------共 24 页4.2 辅助符号4.2.1辅助符号是表示焊缝表面形状特征的符号,见表2。
共 24 页4.2.2辅助符号应用示例见表3。
共 24 页4.3补充符号补充符号是补充说明焊缝的某些特征而采用的符号,补充符号见表4。
焊接标注大全焊接符号以标准图示的形式和缩写代码标示出一个焊接接头或钎焊接头完整的信息,如接头的位置、如何制备和如何检测等。
焊接符号完整的代码体系在美国焊接学会(AWS)最新版本的《焊接、钎焊与无损检验的标准符号》(ANSI/AWS A2.4)规程中有详细说明。
焊接符号包含许多信息,而且相当复杂,实际生产中大多数的焊接设计人员只是使用了其中很少一部分。
符号中的信息和单元问题1:焊接符号能够提供什么信息?答:焊接符号能够提供如下信息。
接头类型、焊缝坡口形状、焊缝类型、焊接方法、规程或程序、焊缝位置、质量要求、焊缝次序、焊缝尺寸、最终的焊缝轮廓、工艺要求等。
问题2:焊接符号由哪些单元组成?答:一个焊接符号可以包括如下单元。
参考线、箭头、基本焊接符号、尺寸和其他数据、补充符号、完成符号、尾缀、规程、焊接方法或其他。
参考线和箭头问题3:参考线是什么?答:参考线是构成一个焊接符号的基础,由水平位置的划线组成。
参考线必须画在靠近所要表示的焊接接头符号的旁边。
每一个焊接符号单元必须根据符号标准放置在参考线周围一个适当的位置处。
水平参考线及焊接符号单元的位置如图1所示。
问题4:焊接符号中各单元的标准位置是如何安排的?答:图1所示是一条参考线,一些其他的单元标记可以放置在参考线的周围。
典型焊接符号显示出各种定位焊缝的一些信息,包括如下。
①尾缀T 只用于特殊的焊缝,例如,焊接方法改变、焊条改变等,可以在图纸上有详细参考说明。
如果没有参考意义或无须规范,尾缀可以省略。
②参考线上的S 记号S取决于焊缝类型,如有坡口焊缝的熔深、填角焊缝的尺寸、塞焊或开槽焊缝的尺寸、点焊或凸焊焊缝的剪切强度等,这个记号一般是位于焊缝符号的左边。
③记号E 在这里代表一个开坡口焊缝的有效尺寸,也称为焊缝尺寸或焊脚高。
有效尺寸的尺度标在圆括号内,无论箭头指向哪里,这个尺寸和坡口总是位于参考线上焊缝符号的左边。
④R 在这里代表形成所需形状的焊缝数之间的空间,对于对接接头来说是敞开的根部。
焊接符号焊接符号提供了表述图纸上完整的焊接信息。
它们能迅速提供给设计者,绘图员,工长,焊接人员,包括焊接检验员每个接头须用何种焊接方法才能达到满意的材料强度和满足使用条件。
对于焊接生产人员,焊接符号经常能转达影响所要生产件的最终尺寸的信息。
例如,根部间隙的变化会实际改变工件尺寸导致与图纸上提供的设计尺寸不符。
检验师必须知道这些要求及改变的指定参数。
焊接生产人员必须了解装配焊的尺寸及位置。
超尺寸的定位焊,及不在指定焊接区域布置定位焊会导致过多步骤完成一项工作。
典型的例子有在指定的交错角焊缝区域外布置定位焊。
另外一个例子是焊工将过量的定位焊熔在所需焊缝处得到的焊缝外观。
这些例子通常是在检验师的检验职责的要求下,因此焊接检验员必须要熟悉焊接符号的含义,以便完成其职责。
在这一段中,焊接检验员须基本了解在焊接符号信息的含义,基本焊缝符号的标识,辅助符号的使用,及对关联于基本焊接符号的术语的理解。
焊缝及焊接符号的相关细节和对应术语在AWS A2.4“焊接,钎焊和无损检测标准术语”现行版本中。
这一标准见图 4.36,由美国焊接学会出版。
焊缝符号及焊接符号AWS给出了焊缝符号及焊接符号区别,焊缝符号(见图4.38)标识了焊缝的指定类型,它仅是焊接符号的一部分,焊缝符号标注在焊接符号参考线的上部或下部。
焊接符号(见图4.39) 表示出了全部符号,包括标识焊缝所需的全部信息。
所有焊接符号须有参考线和箭头,见图4.37。
焊接符号要素除非有特殊说明,否则除了参考线和箭头外,其它的要素并不是都要使用的。
一个焊接符号可以包含下列要素:∙参考线(必要要素)∙箭头(必要要素)∙尾巴∙基本焊缝符号∙尺寸和其它数据∙辅助符号∙外形符号∙技术要求,工艺,其它参考线总是划成水平线。
它用来表示焊缝符号和其它数据,对在其上标识的任何要素都有其具体的含义。
参考线以下被称为箭头端,参考线以上称为另一端。
在图4.40表示了这一惯例。
箭头方向不改变参考线的含义。
焊接标注大全焊接符号以标准图示的形式和缩写代码标示出一个焊接接头或钎焊接头完整的信息,如接头的位置、如何制备和如何检测等。
焊接符号完整的代码体系在美国焊接学会(AWS)最新版本的《焊接、钎焊与无损检验的标准符号》(ANSI/AWS A2.4)规程中有详细说明。
焊接符号包含许多信息,而且相当复杂,实际生产中大多数的焊接设计人员只是使用了其中很少一部分。
符号中的信息和单元问题1:焊接符号能够提供什么信息?答:焊接符号能够提供如下信息。
接头类型、焊缝坡口形状、焊缝类型、焊接方法、规程或程序、焊缝位置、质量要求、焊缝次序、焊缝尺寸、最终的焊缝轮廓、工艺要求等。
问题2:焊接符号由哪些单元组成?答:一个焊接符号可以包括如下单元。
参考线、箭头、基本焊接符号、尺寸和其他数据、补充符号、完成符号、尾缀、规程、焊接方法或其他。
参考线和箭头问题3:参考线是什么?答:参考线是构成一个焊接符号的基础,由水平位置的划线组成。
参考线必须画在靠近所要表示的焊接接头符号的旁边。
每一个焊接符号单元必须根据符号标准放置在参考线周围一个适当的位置处。
水平参考线及焊接符号单元的位置如图1所示。
问题4:焊接符号中各单元的标准位置是如何安排的?答:图1所示是一条参考线,一些其他的单元标记可以放置在参考线的周围。
典型焊接符号显示出各种定位焊缝的一些信息,包括如下。
①尾缀T 只用于特殊的焊缝,例如,焊接方法改变、焊条改变等,可以在图纸上有详细参考说明。
如果没有参考意义或无须规范,尾缀可以省略。
②参考线上的S 记号S取决于焊缝类型,如有坡口焊缝的熔深、填角焊缝的尺寸、塞焊或开槽焊缝的尺寸、点焊或凸焊焊缝的剪切强度等,这个记号一般是位于焊缝符号的左边。
③记号E 在这里代表一个开坡口焊缝的有效尺寸,也称为焊缝尺寸或焊脚高。
有效尺寸的尺度标在圆括号内,无论箭头指向哪里,这个尺寸和坡口总是位于参考线上焊缝符号的左边。
④R 在这里代表形成所需形状的焊缝数之间的空间,对于对接接头来说是敞开的根部。
如果是塞焊或开槽焊缝,R在这里表示填充深度。
这个记号位于焊缝符号的中间位置。
⑤A 在这里表示对接接头的坡口角度(倾斜角),也包括塞焊焊缝的沉入角度。
⑥F和A之间的水平短线—在这里代表完成的焊缝外形形状。
⑦F 在这里表示获得所需焊缝外形的方法,焊缝外形可以通过下述方法获得。
打磨(G)、机械加工(M)、铲削(C)、锤击(H)、滚轧(R)或者其他(U)。
⑧L 在这里表示焊缝长度,这个长度标示总是位于焊缝符号的右边。
无论箭头位于何处,这个位置总是不变的。
⑨P 在这里表示当焊接中断时焊缝的中心线与中心线的间距。
⑩(N)在这里代表点焊、缝焊、栓焊、塞焊、开槽焊或凸焊焊缝所要求的数量。
问题5:箭头一般放置在哪里?答:箭头线位于参考线的一端或另一端,在焊接接头的箭头线一边有一个箭头,这个箭头能指向任何方向,向上、向下或向前、向后。
一个焊接符号甚至可以有多个箭头。
问题6:箭头符号告诉人们些什么信息?答:与箭头相关的符号放置在参考线各自接头一边的上面或下面。
参考线的术语“箭头侧”是指箭头指向焊缝接头一侧。
位于参考线箭头侧的符号是指接头的箭头侧。
位于参考线另一侧的符号是指接头的另一侧。
当从图纸的底部观看时,箭头侧总是更靠近观看者。
箭头侧和另一侧的例子见图2。
基本符号问题7:什么是基本的焊接符号?答:基本的焊接符号如图3所示。
问题8:已经定义了箭头侧和另一侧,但怎样把焊接符号填放在参考线上?答:与焊缝箭头侧和另一侧有关的参考线上、下焊接符号的位置如图4所示。
值得注意的是,如果被焊的接头只焊接一面,这种类型的接头只需一个焊接符号即可,放置在与接头施焊侧相应的参考线的一侧。
问题9:知道了基本的焊缝符号和箭头的意义,但这些基本符号如何使用呢?答:这些基本符号使用的例子如图5所示。
问题11:卷边焊缝符号如何使用?答:与其他焊接符号一样,卷边焊缝符号非常有用。
箭头侧的卷边焊缝符号的例子如图7所示。
组合焊缝符号问题14:什么是组合焊缝符号?答:一个焊接接头有时往往需要不止一种类型的焊缝。
工程结构制造中,带坡口的焊缝常常与另一种焊缝(例如角焊缝)焊接在一起。
当出现这种情况时,人们能见到参考线两边都有焊缝符号,如图9所示。
问题15:为什么使用多组参考线?如何看懂这些参考线?答:多组参考线表示出焊接操作的次序。
第一次焊接操作与箭头一起显示在多组参考线上,在进行下一道线上的操作前,前一次操作必须完成。
远离箭头的每一条线都给出每次连续操作的信息,这些操作还包括一些尾缀中不包括的焊接补充信息,例如检测方法等。
多组参考线的例子如图10所示。
补充符号问题16:什么是补充符号?答:补充符号涉及到焊缝的一些重要信息,是与其他的焊接符号结合在一起的,见图11。
问题18:现场焊接符号如何表示?答:现场焊接符号是箭头和参考线结合处的一面小旗。
这个小旗表示该焊缝需要在现场进行焊接,而不是在车间中预先焊接好。
表示现场焊接的几个焊缝符号如图13所示。
问题19:焊接符号怎样表示出焊缝熔透程度?答:焊接符号表示的熔透程度是一个背面涂黑的记号(在参考线一边呈半月形)。
焊缝熔透符号表示在接头一面焊接时另一面的熔化状态,这个补充符号还包括(在符号的左边)熔化量要求的尺寸。
焊缝熔透符号的例子如图14所示。
问题21:间隔符号表示什么含义?答:位于参考线上的间隔符号,一个方框,表示在接头内放置的材料,称为间隔或插片。
像背面衬垫材料符号一样,间隔符号的特殊规定标注在尾缀中,见图16。
问题22:材料插入符号表示什么含义?答:材料插入符号是位于参考线上的一个矩形符号,这个符号表示在焊接接头处插入的填充材料带或环。
插片或环在焊接中完全熔化,与接头成为整体。
可熔插片一般采用钨极氩弧焊进行焊接。
这个符号规定放置在带坡口焊缝符号相反的一边。
美国焊接学会(AWS)规定将可熔插片分类符号放置在焊接符号的尾缀中。
可熔焊接插片符号的例子如图17所示。
问题23:焊缝外形符号表示什么含义?答:外形符号表示对焊缝表面形状的要求。
焊缝外形包括平滑、上凸、下凹。
外形符号上的字母表示整修焊缝的方法。
C 铲削;G 打磨;H 锤击;M 机械加工;R 滚轧。
实际焊缝外形要求的相应符号见图18。
问题20:背面垫板符号表示什么含义?答:矩形垫板符号表示有衬垫材料放置在带坡口焊缝的背面,这个符号除了放置在带坡口焊缝符号的相反一边以外,与塞焊缝符号相似。
另一个需要注意的是,字母R可以放置在符号之内,表示焊接之后衬垫材料必须被去除。
背面符号规定的衬垫材料可以与母材相同,也可以是铜、陶瓷、玻璃带、焊剂、气体或其他材料。
要求的衬垫材料类型必须在尾缀中注明。
背面垫板材料符号的例子如图15所示。
问题17:划有圆圈的符号含义是什么?答:划有圆圈的符号位于连接参考线和箭头周围的一个圆圈内。
这个符号表示某接头周围是连续的焊缝,即使焊接方向可能发生变化。
划有圆圈的焊缝及符号的例子如图12所示。
问题13:一个完整的焊缝符号需要哪些最小的单元?答:①参考线+箭头+基本焊接符号。
②参考线+箭头+尾缀。
二者任选其一。
问题12:箭头打折表示什么含意答:箭头打折表示焊接接头两侧只有一边必须开坡口。
箭头指向的材料是操作者施焊前应开坡口的一边,如图8所示。
问题10:船形位置的V形焊缝符号如何使用?答:单面船形位置的V形焊缝及符号如图6所示。
问题24:打底焊道与封底焊道之间有什么差别?答:打底焊道是在厚板单面坡口对接焊时,为了防止角变形或为了防止自动焊时发生烧穿现象,而先在接头背面坡口根部进行的一道焊接。
封底焊道是在单面坡口对接焊中,先焊完正面坡口焊缝,在背面铲清焊根后,再进行的一道焊接,目的是保证使焊缝根部完全熔合。
问题25:打底焊和封底焊都采用了什么符号?答:这两种焊道采用了相同的符号,但焊接次序在焊接符号的尾缀中有规定,或者采用组合参考线。
打底焊道符号一般标在远离箭头的第一条线上,第二条线上是焊缝坡口符号。
打底焊道符号总是标在焊缝坡口符号的另一边。
封底焊道符号位于离开箭头的第二条线上,接着是焊缝坡口符号。
封底和打底焊道的符号如图19所示。
角焊缝尺寸问题26:什么因素决定了角焊缝的尺寸?答:角焊缝尺寸由焊缝尺寸中最短的焊脚高来决定,见图20。
问题27:角焊缝的尺寸在焊缝符号上是如何标注的?答:角焊缝尺寸用焊脚高表示,焊脚高尺寸标注在角焊缝符号的旁边,如图21所示。
问题28:角焊缝的长度如何确定?答:角焊缝是一条从一端到另一端连续的焊缝,除非有尺寸限制。
如果焊缝不要求是连续的,在角焊缝符号右边应标注一个数码,提示操作者焊缝的长度,如图22所示。
塞焊和开槽焊缝问题29:塞焊焊缝的焊接符号是如何规定的?答:对塞焊焊缝尺寸的规定主要是沉入角度和焊缝填充深度,如图24所示。
问题30:开槽焊缝的尺寸如何标注?答:开槽焊缝测量尺寸的根据是开槽的宽度,长条槽是开在被焊工件的接合面上。
焊接符号上标有开槽的长度,一般在焊缝符号的右边。
问题31:在塞焊焊缝或开槽焊缝的底部能施焊上一层焊道吗?答:可以在塞焊焊缝或开槽焊缝的底部施焊一层焊道,但是这道焊缝实际上是在塞焊或开槽焊缝中的角焊缝,不能被称为塞焊或开槽焊缝。
这种情况下形成的焊缝及符号如图25所示。
表面焊道问题32:什么是表面焊道?答:表面焊道是指那些堆焊在工件表面以改善抗磨损性、增加表面硬度或具有耐蚀性的金属。
为了改善表面硬度或抗磨损性而采用的填充金属称为表面堆焊。
这种工艺经常用于推土机刃板、铲斗以及岩石破碎设备上。
问题33:表面焊道的尺寸和焊接符号怎样表示?答:堆焊焊道的尺寸是从工件表面到焊道面,也即堆焊材料的高度。
堆焊焊道尺寸及符号如图26所示。
角焊缝尺寸l 问题26:什么因素决定了角焊缝的尺寸?答:角焊缝尺寸由焊缝尺寸中最短的焊脚高来决定,见图20。
l 问题27:角焊缝的尺寸在焊缝符号上是如何标注的?答:角焊缝尺寸用焊脚高表示,焊脚高尺寸标注在角焊缝符号的旁边,如图21所示。
l 问题28:角焊缝的长度如何确定?答:角焊缝是一条从一端到另一端连续的焊缝,除非有尺寸限制。
如果焊缝不要求是连续的,在角焊缝符号右边应标注一个数码,提示操作者焊缝的长度,如图22所示。