风速与风力等级的对应关系
- 格式:pdf
- 大小:297.14 KB
- 文档页数:1
风力一般分为18个等级,最小是0级,最大为17级。
1、0级风又叫无风,风速:0.0-0.3米/秒,静,烟直上。
2、1级风叫软风,风速:0.3-1.6米/秒,烟示风向。
3、2级风叫轻风,风速:1.6-3.4米/秒,感觉有风。
4、3级风叫微风,风速:3.4-5.5米/秒,旌旗展开。
5、4级风叫和风,风速:5.5-8.0米/秒,吹起尘土。
6、5级风叫清风,风速:8.0-10.8米/秒,小树摇摆。
7、6级风叫强风,风速:10.8-13.9米/秒,电线有声。
8、7级风叫劲风(疾风),风速:13.9-17.2米/秒,步行困难。
9、8级风叫大风,风速:17.2-20.8米/秒,折毁树枝。
10、9级风叫烈风,风速:20.8-24.5米/秒,小损房屋。
11、10级风叫狂风,风速:24.5-28.5米/秒,拔起树木。
12、11级风叫暴风,风速:28.5-32.7米/秒,损毁重大。
13、12级风是台风(一级飓风)。
风速:32.4-36.9米/秒,摧毁极大。
14、13级风是台风(一级飓风),风速:37.0-41.4米/秒。
15、14级风是强台风(二级飓风),风速:41.5-46.1米/秒。
16、15级风是强台风(三级飓风),风速:46.2-50.9 米/秒。
17、16级风是超强台风(三级飓风),风速:51.0-56.0米/秒。
18、17级风是超强台风(四级飓风),风速:56.1-61.2米/秒。
风压计算和风力等级表风压就是垂直于气流方向的平面所受到的风的压力。
根据伯努利方程得出的风-压关系,风的动压为:wp=0.5·ρ·v2 (1)其中wp为风压[kN/m2],ρ为空气密度[kg/m3],v为风速[m/s]。
由于空气密度(ρ)和重度(r)的关系为 r=ρ·g, 因此有ρ=r/g。
在(1)中使用这一关系,得到wp=0.5·r·v2/g (2)此式为标准风压公式。
在标准状态下(气压为1013 hPa, 温度为15℃), 空气重度 r=0.01225 [kN/m3]。
纬度为45°处的重力加速度g=9.8[m/s2], 我们得到wp=v2/1600 (3)此式为用风速估计风压的通用公式。
应当指出的是,空气重度和重力加速度随纬度和海拔高度而变。
一般来说,ρ在高原上要比在平原地区小,也就是说同样的风速在相同的温度下,其产生的风压在高原上比在平原地区小。
现在我们将风速代入(3), 10 级大风相当于 24.5-28.4m/s, 取风速上限 28.4m/s, 得到风压wp=0.5 [kN/m2], 相当于每平方米广告牌承受约51千克力。
风级、风速、风压对照表风速与风压(风载)的关系风压就是垂直于气流方向的平面所受到的风的压力。
根据伯努利方程得出的风-压关系,风的动压为wp=0.5·ro·v (1)其中wp为风压[kN/m瞉,ro为空气密度[kg/m砞,v为风速[m/s]。
由于空气密度(ro)和重度(r)的关系为r=ro·g, 因此有ro=r/g。
在(1)中使用这一关系,得到wp=0.5·r·v/g (2)此式为标准风压公式。
在标准状态下(气压为1013 hPa, 温度为15°C), 空气重度r=0.01225 [kN/m砞。
纬度为45°处的重力加速度g=9.8[m/s瞉, 我们得到wp=v/1600 (3)此式为用风速估计风压的通用公式。
1、风速和风力换算V=0.84*F^(3/2)V是风速(m/s),F是蒲氏风级通常,人们把空气流动称为风。
风是地球大气运动的一种形式,它是一个矢量。
2、由来风在单位时间里移动的距离称为风速,单位是米/秒或者公里/小时;移来的方向称为风向。
1805年英国人蒲福(Frincis Beanfort)根据我国唐代天文学家李淳风撰写的《乙巳占》把风力定为13个等级,最小0级,最大为12级。
0级风风速为0.0~0.2米/秒,称为无风,唐朝诗人王维《使至塞上》诗句“大漠孤烟直,长河落日圆”,描写的就是0级风景象;1级风风速是0.3~1.5米/秒,称为软风。
每级风风速包含的数字范围自下而上逐渐增大,如3级风风速为3.4~5.4米/秒,称为微风,上下相差2.0米/秒;4级风风速为5.5~7.9米/秒,称为和风,上下相差2.4米/秒。
蒲福创立的风级,具有科学、精确、通俗、适用等特点,已为各国气象界及整个科学界认可并采用。
蒲福之后,“蒲福风力等级’几经修订补充,现已扩展为18个等级。
如11级风,即现在所说的达到台风标准的风,风速是32.7~36.9米/秒,海面浪高一般为14.0米,征象是“海浪滔天”、“陆上极少,其摧毁力极大”。
13级以上的风,浪高及海陆征象就很难表达了;如11级风,即现在所说的达到台风标准的风,风速是32.7~36.9米/秒,这种风也称为飓风,海面浪高一般为14.0米,征象是“海浪滔天”、“陆上绝少,其摧毁力极大”。
13级以上的风,浪高及海陆征象就很难表达了;最高一级——17级风的风速是56.1~61.2米/秒。
17级以上的风速,极为罕见,但也绝非未出现过,只是现在还没有制订出衡量它们级别的标准。
风速风向和风力风由风矢表示,由风向秆和风羽组成。
风向秆: 指出风的业向,有8个方位。
风羽: 由3、4个短划和三角表示大风风力,垂直在风向杆末端右侧(北半球).风力等级表*注:本表所列风速是指平地上离地10米处的风速值风级和符号名称风速(米)* 陆地物象海面波浪浪高(米)0 无风0.0-0.2 烟直上平静0.01 软风0.3-1.5 烟示风向微波峰无飞沫0.12 轻风1.6-3.3 感觉有风小波峰未破碎0.23 微风3.4-5.4 旌旗展开小波峰顶破裂0.64 和风5.5-7.9 吹起尘土小浪白沫波峰1.05 劲风8.0-10.7 小树摇摆中浪折沫峰群2.06 强风10.8-13.8 电线有声大浪到个飞沫3.07 疾风13.9-17.1 步行困难破峰白沫成条4.08 大风17.2-20.7 折毁树枝浪长高有浪花5.59 烈风20.8-24.4 小损房屋浪峰倒卷7.010 狂风24.5-28.4 拔起树木海浪翻滚咆哮9.011 暴风28.5-32.6 损毁普遍波峰全呈飞沫11.512 飓风 32.7- 摧毁巨大海浪滔天 14.0参考资料:。
风力与风速的公式风力和风速是描述风的物理特性的两个重要参数。
风力是描述风的强度的参数,通常使用Beaufort风力等级来表示;风速是描述单位时间内空气流动距离的参数,通常以米每秒(m/s)或千米每小时(km/h)表示。
在气象学中,风力和风速之间存在着一定的关系。
下面将介绍风力和风速的公式及其计算方法。
1.风力的公式:风力通常使用Beaufort风力等级来表示,它是根据风的影响等级划分的。
Beaufort风力等级由英国皇家海军的法比安·贝伍特(Francis Beaufort)根据风的影响力和海象指数而定。
Beaufort风力等级从0级到12级,表示了不同强度的风。
Beaufort风力等级与风速之间的关系如下:0级:无风,风速小于1节(不足1.8km/h);1级:软风,风速为1-3节(1.8-5.4km/h);2级:轻风,风速为4-6节(5.5-10.7km/h);3级:微风,风速为7-10节(10.8-17.1km/h);...12级:飓风,风速大于64节(118.2km/h)。
2.风速的公式:风速是描述单位时间内空气流动距离的参数。
它可以通过气象观测仪器如风速计或气象雷达等测量得到。
风速的公式如下:风速(m/s)=风程(m)/时间(s)。
其中,风程是风所走过的距离,可以通过测量两个点之间的距离得到;时间是风所花费的时间,可以通过测量时间来得到。
在气象学中,风速还可以使用千米每小时(km/h)来表示,可以通过将风速(m/s)乘以3.6来换算得到。
3.风力和风速之间的关系:风力和风速之间存在着一定的关系,但并不是自然和精确的一一对应关系。
一般情况下,风力越大,风速也越高,但由于地理、气象等因素的影响,风力和风速之间并非简单的线性关系。
实际中,风速和风力之间的关系可以通过经验公式来估算。
一种常见的经验公式是Munro-Smith公式,该公式是根据大量观测资料拟合出来的。
根据Munro-Smith公式,风速(km/h)可以通过风力等级来估算:风速(km/h)= 10 × 风力的立方根。
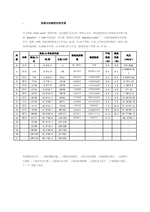
o风速与风级的对应关系
风力等级(wind scale)简称风级,是风强度(风力)的一种表示方法。
国际通用的风力等级是由英国人蒲福(Beaufort)于1805年拟定的,故又称“蒲福风力等级(Beaufort scale)”,它最初是根据风对炊烟、沙尘、地物、渔船、渔浪等的影响大小分为0—12级, 共13个等级。
后来,又在原分级的基础上,增加了相应的风速界限. 自1946年以来,风力等级又作了扩充,增加到18个等级(0—17级)。
零级烟柱直冲天、一级轻烟随风偏、二级轻风吹脸面、三级叶动红旗展、四级枝摇飞纸片、五级带叶小树摇、六级举伞步行难、七级迎风走不便、八级风吹树枝断、九级屋顶飞瓦片、十级拔树又倒屋、十一十二级陆上很少。
风压计算和蒲福风力等级表风压就是垂直于气流方向的平面所受到的风的压力。
根据伯努利方程得出的风-压关系,风的动压为:wp=0.5·ρ·v2 (1)其中wp为风压[kN/m2],ρ为空气密度[kg/m3],v为风速[m/s]。
由于空气密度(ρ)和重度(r)的关系为 r=ρ·g, 因此有ρ=r/g。
在(1)中使用这一关系,得到wp=0.5·r·v2/g (2)此式为标准风压公式。
在标准状态下(气压为1013 hPa, 温度为15℃), 空气重度 r=0.01225 [kN/m3]。
纬度为45°处的重力加速度g=9.8[m/s2], 我们得到wp=v2/1600 (3)此式为用风速估计风压的通用公式。
应当指出的是,空气重度和重力加速度随纬度和海拔高度而变。
一般来说,ρ在高原上要比在平原地区小,也就是说同样的风速在相同的温度下,其产生的风压在高原上比在平原地区小。
现在我们将风速代入(3), 10 级大风相当于 24.5-28.4m/s, 取风速上限 28.4m/s, 得到风压wp=0.5 [kN/m2], 相当于每平方米广告牌承受约51千克力。
风级、风速、风压对照表风速与风压(风载)的关系风压就是垂直于气流方向的平面所受到的风的压力。
根据伯努利方程得出的风-压关系,风的动压为wp=0.5·ro·v (1)其中wp为风压[kN/m瞉,ro为空气密度[kg/m砞,v为风速[m/s]。
由于空气密度(ro)和重度(r)的关系为r=ro·g, 因此有ro=r/g。
在(1)中使用这一关系,得到wp=0.5·r·v/g (2)此式为标准风压公式。
在标准状态下(气压为1013 hPa, 温度为15°C), 空气重度r=0.01225 [kN/m砞。
纬度为45°处的重力加速度g=9.8[m/s瞉, 我们得到wp=v/1600 (3)此式为用风速估计风压的通用公式。
风力等级、风速与风压的对应关系研究风力等级是指描述风速和风压的一种指标,表示在不同的风速下产生的风压大小。
风力等级通常是根据公制单位表达的,其对应关系如下:风力等级风速(米/秒)风压(帕)。
0级<0.2<0.7。
1级0.3-1.50.7-2.4。
2级1.6-3.32.5-5.4。
3级3.4-5.45.5-9.4。
4级5.5-7.99.5-13.8。
5级8.0-10.713.9-18.8。
6级10.8-13.818.9-24.4。
7级13.9-17.124.5-30.4。
8级17.2-20.730.5-37.2。
9级20.8-24.437.3-45.4。
10级24.5-28.445.5-54.9。
11级28.5-32.655.0-66.7。
12级>32.6>66.7。
其中,风速是指单位时间内空气流动距离的速度,通常使用米/秒(m/s)作为单位。
风压是指空气流动对物体表面产生的压力,通常使用帕斯卡(Pa)作为单位。
需要注意的是,在现实中,风力等级的划分可能会略有不同,根据不同的标准,风力等级的界定也有所区别。
因此,在具体应用中,需要根据实际情况进行综合考虑和应用。
1、风速和风力换算V=0.84*F^(3/2)V是风速(m/s),F是蒲氏风级通常,人们把空气流动称为风。
风是地球大气运动的一种形式,它是一个矢量。
2、由来风在单位时间里移动的距离称为风速,单位是米/秒或者公里/小时;移来的方向称为风向。
1805年英国人蒲福(Frincis Beanfort)根据我国唐代天文学家李淳风撰写的《乙巳占》把风力定为13个等级,最小0级,最大为12级。
0级风风速为0.0~0.2米/秒,称为无风,唐朝诗人王维《使至塞上》诗句“大漠孤烟直,长河落日圆”,描写的就是0级风景象;1级风风速是0.3~1.5米/秒,称为软风。
每级风风速包含的数字范围自下而上逐渐增大,如3级风风速为3.4~5.4米/秒,称为微风,上下相差2.0米/秒;4级风风速为5.5~7.9米/秒,称为和风,上下相差2.4米/秒。
蒲福创立的风级,具有科学、精确、通俗、适用等特点,已为各国气象界及整个科学界认可并采用。
蒲福之后,“蒲福风力等级’几经修订补充,现已扩展为18个等级。
如11级风,即现在所说的达到台风标准的风,风速是32.7~36.9米/秒,海面浪高一般为14.0米,征象是“海浪滔天”、“陆上极少,其摧毁力极大”。
13级以上的风,浪高及海陆征象就很难表达了;如11级风,即现在所说的达到台风标准的风,风速是32.7~36.9米/秒,这种风也称为飓风,海面浪高一般为14.0米,征象是“海浪滔天”、“陆上绝少,其摧毁力极大”。
13级以上的风,浪高及海陆征象就很难表达了;最高一级——17级风的风速是56.1~61.2米/秒。
17级以上的风速,极为罕见,但也绝非未出现过,只是现在还没有制订出衡量它们级别的标准。
风速风向和风力风由风矢表示,由风向秆和风羽组成。
风向秆: 指出风的业向,有8个方位。
风羽: 由3、4个短划和三角表示大风风力,垂直在风向杆末端右侧(北半球).风力等级表*注:本表所列风速是指平地上离地10米处的风速值风级和符号名称风速(米)* 陆地物象海面波浪浪高(米)0 无风0.0-0.2 烟直上平静0.01 软风0.3-1.5 烟示风向微波峰无飞沫0.12 轻风1.6-3.3 感觉有风小波峰未破碎0.23 微风3.4-5.4 旌旗展开小波峰顶破裂0.64 和风5.5-7.9 吹起尘土小浪白沫波峰1.05 劲风8.0-10.7 小树摇摆中浪折沫峰群2.06 强风10.8-13.8 电线有声大浪到个飞沫3.07 疾风13.9-17.1 步行困难破峰白沫成条4.08 大风17.2-20.7 折毁树枝浪长高有浪花5.59 烈风20.8-24.4 小损房屋浪峰倒卷7.010 狂风24.5-28.4 拔起树木海浪翻滚咆哮9.011 暴风28.5-32.6 损毁普遍波峰全呈飞沫11.512 飓风 32.7- 摧毁巨大海浪滔天 14.0参考资料:。
风力与风速相应对照标准表0(风力等级,下同);无风(风力名称,下同);0~0.2(米/秒,下同);小于1(千米/小时,下同);静,烟直上。
平静如镜(陆地现象,下同)1;软风;0.3~1.5;1~5;烟能表示风向,但风向标不能转动。
微浪2;软风;1.6~3.3;6~11;人面感觉有风,树叶有微响,风向标能转动。
小浪3;微风;3.4~5.4;12~19;树叶及微枝摆动不息,旗帜展开。
小浪4;和风;5.5~7.9;20~28;能吹起地面灰尘和纸张,树的小枝微动。
轻浪5;清劲风;8.0~10.7;29~38;有叶的小树枝摇摆,内陆水面有小波。
中浪6;强风;10.8~13.8;39~49;大树枝摆动,电线呼呼有声,举伞困难。
大浪7;疾风;13.9~17.1;50~61;全树摇动,迎风步行感觉不便。
巨浪8;大风;17.2~20.7;62~74;微枝折毁,人向前行感觉阻力甚大猛浪9;烈风;20.8~24.4;75~88;建筑物有损坏(烟囱顶部及屋顶瓦片移动)狂涛10;狂风;24.5~28.489~102;陆上少见,见时可使树木拔起将建筑物损坏严重狂涛11;暴风;28.5~32.6;103~11;7陆上很少,有则必有重大损毁非凡现象12;飓风;32.7~36.9;118~133;陆上绝少,其摧毁力极大非凡现象13;飓风;37.0~41.4;134~149;陆上绝少,其摧毁力极大非凡现象14;飓风;41.5~46.1;150~166;陆上绝少,其摧毁力极大非凡现象15;飓风;46.2~50.9;167~183;陆上绝少,其摧毁力极大非凡现象16;飓风;51.0~56.0;184~201;陆上绝少,其摧毁力极大非凡现象17;飓风;56.1~61.2;202~220;陆上绝少,其摧毁力极大非凡现象。
风压计算和风力等级表风压就是垂直于气流方向的平面所受到的风的压力。
根据伯努利方程得出的风-压关系,风的动压为:wp=0.5·ρ·v2 (1)其中wp为风压[kN/m2],ρ为空气密度[kg/m3],v为风速[m/s]。
由于空气密度(ρ)和重度(r)的关系为 r=ρ·g, 因此有ρ=r/g。
在(1)中使用这一关系,得到wp=0.5·r·v2/g (2)此式为标准风压公式。
在标准状态下(气压为1013 hPa, 温度为15℃), 空气重度 r=0.01225 [kN/m3]。
纬度为45°处的重力加速度g=9.8[m/s2], 我们得到wp=v2/1600 (3)此式为用风速估计风压的通用公式。
应当指出的是,空气重度和重力加速度随纬度和海拔高度而变。
一般来说,ρ在高原上要比在平原地区小,也就是说同样的风速在相同的温度下,其产生的风压在高原上比在平原地区小。
现在我们将风速代入(3), 10 级大风相当于 24.5-28.4m/s, 取风速上限 28.4m/s, 得到风压wp=0.5 [kN/m2], 相当于每平方米广告牌承受约51千克力。
风级、风速、风压对照表风速与风压(风载)的关系风压就是垂直于气流方向的平面所受到的风的压力。
根据伯努利方程得出的风-压关系,风的动压为wp=0.5·ro·v (1)其中wp为风压[kN/m瞉,ro为空气密度[kg/m砞,v为风速[m/s]。
由于空气密度(ro)和重度(r)的关系为r=ro·g, 因此有ro=r/g。
在(1)中使用这一关系,得到wp=0.5·r·v/g (2)此式为标准风压公式。
在标准状态下(气压为1013 hPa, 温度为15°C), 空气重度r=0.01225 [kN/m砞。
纬度为45°处的重力加速度g=9.8[m/s瞉, 我们得到wp=v/1600 (3)此式为用风速估计风压的通用公式。
1、风速和风力换算V=0.84*F^(3/2)V是风速(m/s),F是蒲氏风级通常,人们把空气流动称为风。
风是地球大气运动的一种形式,它是一个矢量。
2、由来风在单位时间里移动的距离称为风速,单位是米/秒或者公里/小时;移来的方向称为风向。
1805年英国人蒲福(Frinci s Beanfo rt)根据我国唐代天文学家李淳风撰写的《乙巳占》把风力定为13个等级,最小0级,最大为12级。
0级风风速为0.0~0.2米/秒,称为无风,唐朝诗人王维《使至塞上》诗句“大漠孤烟直,长河落日圆”,描写的就是0级风景象;1级风风速是0.3~1.5米/秒,称为软风。
每级风风速包含的数字范围自下而上逐渐增大,如3级风风速为3.4~5.4米/秒,称为微风,上下相差2.0米/秒;4级风风速为5.5~7.9米/秒,称为和风,上下相差2.4米/秒。
蒲福创立的风级,具有科学、精确、通俗、适用等特点,已为各国气象界及整个科学界认可并采用。
蒲福之后,“蒲福风力等级’几经修订补充,现已扩展为18个等级。
如11级风,即现在所说的达到台风标准的风,风速是32.7~36.9米/秒,海面浪高一般为14.0米,征象是“海浪滔天”、“陆上极少,其摧毁力极大”。
13级以上的风,浪高及海陆征象就很难表达了;如11级风,即现在所说的达到台风标准的风,风速是32.7~36.9米/秒,这种风也称为飓风,海面浪高一般为14.0米,征象是“海浪滔天”、“陆上绝少,其摧毁力极大”。
13级以上的风,浪高及海陆征象就很难表达了;最高一级——17级风的风速是56.1~61.2米/秒。
17级以上的风速,极为罕见,但也绝非未出现过,只是现在还没有制订出衡量它们级别的标准。
风速风向和风力风由风矢表示,由风向秆和风羽组成。
风向秆: 指出风的业向,有8个方位。
风速和风力等级表第一篇:风速和风力等级表的定义和基本原理风速和风力等级表是用于测量风速和风力等级的工具,主要用于气象、航空、航海、建筑和农业等各个领域。
风力等级表将风速分为12个等级,从0级到12级,每个等级对应一定的风速和风向。
本文将详细介绍风速和风力等级表的定义、基本原理以及相关知识点。
一、风速和风力等级表的定义风速和风力等级表是用于测量风速和风向的工具,主要用于气象、航空、航海、建筑和农业等各个领域,是目前比较常用的一种风速测量工具。
风力等级是描述风的强度的量度,等级越高,风速越快。
风力等级表将风速分为12个等级,方便标准化的测量、记录和汇总。
二、风速和风力等级表的基本原理风力是指空气运动的力量,通常用风速来表示。
一般来说,风速越快,风力也就越大。
常用的风速计有旋转式风速计、动压式风速计、声速式风速计等。
其中,动压式风速计是最为常见的风速表。
它采用动压原理来测量风速,即风速越大,静压差就越大。
同时,风速和风力等级标准也是按照一定的原理制定的。
国际上普遍采用的风力等级标准是根据泊松经验法则建立起来的。
该法则是在遵循连续性、均匀性、雷诺相似性等条件下,根据实验结果和气象数据相结合得出的。
在此基础上,建立了风速和风力等级的对应表格。
三、风速和风力等级的相关知识点1. 风速和风向的关系风速和风向之间存在着一定的关系。
常见的风向有北风、东风、南风和西风等。
一般来说,风力越大,风向越稳定。
当风速较小时,风向可能会变化很大,但当风速达到一定程度时,风向相对稳定。
2. 风向的测量方法测量风向的方法主要有风向标、风筝、气球等。
其中,风向标是最为常见的测量方法。
风向标主要由风叶和转轴两部分组成,利用风的力量使转轴旋转,从而确定风向。
3. 风速的单位风速的单位通常分为米/秒、千米/小时、节等。
其中,米/秒是国际单位制中的标准单位,而千米/小时则是常用的计量单位。
总之,风速和风力等级表是风速和风向测量中的一种重要工具,对于气象、航空、航海、建筑和农业等领域都具有重要意义。
风力等级划分标准
风力等级划分标准通常是根据风速的大小来划分的。
以下是一种常见的风力等级划分标准:
风力等级0:静风,风速小于1节(小于1.85千米/小时)
风力等级1:软风,风速1-3节(1.85-5.55千米/小时)
风力等级2:轻风,风速4-6节(5.56-11.11千米/小时)
风力等级3:微风,风速7-10节(11.12-18.52千米/小时)
风力等级4:和风,风速11-16节(18.53-27.78千米/小时)
风力等级5:清风,风速17-21节(27.79-33.33千米/小时)
风力等级6:强风,风速22-27节(33.34-50.00千米/小时)
风力等级7:劲风,风速28-33节(50.01-61.12千米/小时)
风力等级8:大风,风速34-40节(61.13-74.08千米/小时)
风力等级9:烈风,风速41-47节(74.09-85.19千米/小时)
风力等级10:狂风,风速48-55节(85.20-101.86千米/小时)
风力等级11:暴风,风速56-63节(101.87-117.36千米/小时)风力等级12:飓风,风速大于64节(大于117.37千米/小时)。
风力等级与风速的关系风速和风力等级一、概述空气的水平运动称为风,空气作水平运动时,即有方向,也有速率。
风能促使干冷空气和暖湿空气发生交换,是天气变化的重要因素之一。
风向是指风的来向。
地面风向用十六方位表示。
风向十六个方位正北、北东北、东北、东东北、东、东东南、东南、南东南、南、南西南、西南、西西南、西、西西北、西北、北西北。
根据方位可目测风向二、风速风向的测量空气运动产生的气流,称为风。
它是由许多在时空上随机变化的小尺度脉动叠加在大尺度规则气流上的一种三维矢量。
地面气象观测中测量的风是两维矢量(水平运动),用风向和风速表示。
风向是指风的来向,最多风向是指在规定时间段内出现频数最多的风向。
人工观测,风向用十六方位法;自动观测,风向以度(°)为单位。
风速是指单位时间内空气移动的水平距离。
风速以米/秒(m/s)为单位,取一位小数。
最大风速是指在某个时段内出现的最大十分钟平均风速值。
极大风速(阵风)是指某个时段内出现的最大瞬时风速值。
瞬时风速是指三秒钟的平均风速。
风的平均量是指在规定时间段的平均值,有三秒钟、二分钟和十分钟的平均值。
人工观测时,测量平均风速和最多风向。
配有自记仪器的要作风向风速的连续记录并进行整理。
自动观测时,测量平均风速、平均风向、最大风速、极大风速。
三、风速定义风速是三维向量,在一个较大尺度而有组织的气流上随时空作小尺度而不规则的波动。
地面风普遍是以方向和速度的两个数值来说明的二维水平向量。
地面风通常是用风向标和风杯风速表或螺旋桨式风速表来测量。
四、风速规定由于受到摩擦力的影响,风速会随着高度上升而增加。
故此,为风速表安放於空旷地区定下了一个标准高度。
风速表安放於平坦而空旷地区的标准高度是离地面10 米。
空旷地区是指风速表与任何障碍物相距不少于该障碍物10倍高度的范围。
1、量度单位风速:米/秒(m/s)公里/小时(km/h)海里/小时(knots)2、换算因子:1米/秒[s] = 3.6公里/小时[h] = 1.944海里/小时1公里/小时[h] =0.278米/秒[s] =0.540海里/小时1海里/小时[h] =0.514米/秒[s]= 1.852公里/小时风向:风向界定为风来自的方向,并从地理上的北方开始顺时针方向量度。
通常,人们把空气流动称为风。
风是地球大气运动的一种形式,它是一个矢量。
风在单位时间里移动的距离称为风速,单位是米/秒或者公里/小时;移来的方向称为风向。
1805年英国人蒲福(Frincis Beanfort)根据我国唐代天文学家李淳风撰写的《乙巳占》把风力定为13个等级,最小0级,最大为12级。
0级风风速为0.0~0.2米/秒,称为无风,唐朝诗人王维《使至塞上》诗句“大漠孤烟直,长河落日圆”,描写的就是0级风景象;1级风风速是0.3~1.5米/秒,称为软风。
每级风风速包含的数字范围自下而上逐渐增大,如3级风风速为3.4~5.4米/秒,称为微风,上下相差2.0米/秒;4级风风速为5.5~7.9米/秒,称为和风,上下相差2.4米/秒。
蒲福创立的风级,具有科学、精确、通俗、适用等特点,已为各国气象界及整个科学界认可并采用。
蒲福之后,“蒲福风力等级’几经修订补充,现已扩展为18个等级。
如11级风,即现在所说的达到台风标准的风,风速是32.7~36.9米/秒,海面浪高一般为14.0米,征象是“海浪滔天”、“陆上极少,其摧毁力极大”。
13级以上的风,浪高及海陆征象就很难表达了;如11级风,即现在所说的达到台风标准的风,风速是32.7~36.9米/秒,这种风也称为飓风,海面浪高一般为14.0米,征象是“海浪滔天”、“陆上绝少,其摧毁力极大”。
13级以上的风,浪高及海陆征象就很难表达了;最高一级——17级风的风速是56.1~61.2米/秒。
17级以上的风速,极为罕见,但也绝非未出现过,只是现在还没有制订出衡量它们级别的标准。
风力分级等级名称风速(米/秒)垂直方向单位面积的风力(N/m2)风的特征无风0~0.20~0.0392烟几乎垂直上升,树叶不动。
1软风0.3~1.50.0882~2.205烟能表示风向,但风向标不动。
2轻风2.5088~10.6722人脸感觉有风,树叶有微响,风向标能转动。
3微风3.4~5.411.3288~28.5768树叶及微枝摇动不息,旌旗展开。
根据现行的相关气象标准,风速和风力关系如下:
风级名称风速(米/秒)
0 无风0~0.2 静,烟直上平静
1 软风0.3~1.5 烟示风向微波峰无飞沫
2 轻风 1.6~3.
3 感觉有风小波峰未破碎
3 微风 3.4~5.
4 旌旗展开小波峰顶破裂
4 和风 5.5~7.9 吹起尘土小浪白沫波峰
5 清劲风8.0~10.7 小树摇摆中浪折沫峰群
6 强风10.8~13.8 电线有声大浪白沫离峰
7 疾风13.9~17.1 步行困难破峰白沫成条
8 大风17.2~20.7 折毁树枝浪长高有浪花
9 烈风20.8~24.4 小损房屋浪峰倒卷
10 狂风24.5~28.4 海浪翻滚咆哮
11 暴风28.5~32.6 损毁重大波峰全呈飞沫
12 飓风大于32.6 摧毁极大海浪滔天
蒲福风力等级表
风级名称风速(m/s)
0 无风 0.0-0.2 静,烟直上平静
1 软风 0.3-1.5 烟示风向微波峰无飞沫
2 轻风 1.6-3.
3 感觉有风小波峰未破碎
3 微风 3.4-5.
4 旌旗展开小波峰顶破裂
4 和风 5.5-7.9 吹起尘土小浪白沫波峰
5 劲风 8.0-10.7 小树摇摆中浪折沫峰群
6 强风 10.8-13.8 电线有声大浪白沫离峰
7 疾风 13.9-17.1 步行困难破峰白沫成条
8 大风 17.2-20.7 折毁树枝浪长高有浪花
9 烈风 20.8-24.4 小损房屋浪峰倒卷
10 狂风 24.5-28.4 拔起树木海浪翻滚咆哮
11 暴风 28.5-32.6 损毁重大波峰全呈飞沫
12 飓风 >32.6 摧毁极大海浪滔天。