脉搏血氧仪 产品技术要求性能指标
- 格式:pdf
- 大小:74.97 KB
- 文档页数:2
2性能指标2.1安全要求安全要求应符合 GB 9706.1-2007、 YY 0709-2009 和 YY0784-2010 要求。
2.2电磁兼容性要求应符合 YY 0505-2012《医用电气设备第 1-2 部分:安全通用要求并列标准:电磁兼容要求和试验》标准的要求。
2.3血氧仪参数2.3.1脉搏血氧饱和度参数2.3.1.1 测量范围:35%~99%,分辨率:1%。
2.3.1.2测量误差:a)在90%~99%范围内,测量误差应为±1%;b)在70%~89%范围内,测量误差应为±2%;a) 在 35%~69%范围内,测量误差不予定义。
2.4脉率参数2.4.1测量范围2.4.1.1测量范围:30bpm~240bpm,分辨率:1bpm。
2.4.1.2测量误差:±1bpm。
2.5正常工作状态脉搏血氧仪接入标准血氧饱和度信号模拟器检测血氧饱和度信号,应能正常显示血氧饱和度值、脉率值。
2.6外观与结构2.6.1脉搏血氧仪外观应端正,色泽均匀,不应有明显凹凸、裂纹、锋棱毛刺;2.6.2脉搏血氧仪的文字和标志应清晰、准确、牢固;2.6.3脉搏血氧仪的各控制部件操作应灵活、可靠,紧固件无松动现象。
2.7设备环境试验要求2.7.1气候环境试验应符合GB/T 14710-2009 中气候环境试验Ⅱ组和表2 的规定;2.7.2机械环境试验应符合 GB/T 14710-2009 中机械环境试验Ⅱ组和表 2 的规定;2.7.3运输试验应符合 GB/T 14710-2009 中第4 章和表 2 的规定;2.7.4对电源的适应能力试验应符合 GB/T14710-2009 中第5 章和表 2 的规定。
指夹式脉搏血氧仪产品技术要求安科1.测量准确性:指夹式脉搏血氧仪的核心功能是准确测量血氧饱和度和脉搏。
因此,它的测量准确性非常重要。
产品需要能够准确地测量SpO2和脉搏频率,并且误差范围需要在可接受的范围内。
2.快速反应时间:在医疗应用中,时间非常重要。
指夹式脉搏血氧仪应具有快速的反应时间,能够在几秒钟内准确测量SpO2和脉搏频率,并即时显示结果。
3.易于使用:指夹式脉搏血氧仪通常用于非专业人士使用,因此产品需要设计成易于使用。
它应该有清晰明确的操作说明,用户只需简单地将设备夹在手指上,并按下启动按钮即可完成测量。
LCD显示屏上应显示直观的测量结果。
4.低功耗设计:指夹式脉搏血氧仪通常使用电池供电。
由于这种设备常用于便携式应用,产品需要具有低功耗设计,以延长电池寿命。
设备应具有自动关机功能,在一段时间内没有操作时自动关闭以节省电池能量。
5.防护设计:产品需要具有防护功能,以保护用户的安全和隐私。
设备的外壳应具有防溅水和抗菌功能,以提供安全的使用环境。
此外,产品还应具有符合相关法规的认证,以确保其产品质量和安全性。
6.数据传输功能:现代的指夹式脉搏血氧仪通常具有数据传输功能,可以将测量结果传输到其他设备,如计算机或移动设备中。
产品需要具有可靠的数据传输功能和相应的软件支持,以方便医护人员对测量结果的分析和存储。
7.耐用性和可靠性:指夹式脉搏血氧仪常常需要经受频繁使用和携带。
因此,产品需要具有耐用的设计和结构,以确保长期可靠的使用。
产品的材料和构造需要经过严格的测试和验证,以确保其符合可靠性和耐用性的要求。
综上所述,指夹式脉搏血氧仪产品的技术要求包括准确测量、快速反应时间、易于使用、低功耗设计、防护设计、数据传输功能、耐用性和可靠性以及符合标准和法规要求。
这些要求将确保产品的质量和安全性,保证其在医疗领域的有效应用。
脉搏血氧测量仪技术参数1.测量范围:脉搏血氧测量仪通常具有广泛的测量范围,包括血氧饱和度(SpO2)和脉率。
血氧饱和度的测量范围通常为70%至100%,而脉率的测量范围通常为30至250次/分钟。
2.准确性:这是衡量脉搏血氧测量仪性能的重要指标。
一台好的脉搏血氧测量仪应能够提供高准确度的测量结果。
通常,血氧饱和度的测量误差在±2%以内,脉率的测量误差在±2次/分钟以内。
3.反应时间:脉搏血氧测量仪的反应时间是指从测量开始到显示结果所需的时间。
较低的反应时间意味着仪器能够迅速反应和显示准确的测量结果。
4.显示屏:脉搏血氧测量仪通常配有数字显示屏,用于显示测量结果。
显示屏的尺寸和亮度会有所不同,用户可以根据自己的需求选择适合的显示屏。
5.电源:脉搏血氧测量仪通常使用可充电电池作为电源。
一般来说,电池续航时间应该足够长,以确保仪器在连续使用时能持久工作。
6.存储容量:一些脉搏血氧测量仪配有内置存储器,可以存储多个测量结果。
存储容量的大小可以影响仪器的使用寿命和数据管理能力。
7.数据传输:一些脉搏血氧测量仪支持数据传输功能,可以通过USB接口或蓝牙等方式将测量结果传输到计算机或移动设备上。
这样用户可以更方便地管理和分析测量数据。
8.操作方式:脉搏血氧测量仪通常具有简单易用的操作界面,配有易于操作的按钮或触摸屏。
有些仪器还配备了音频或视觉提醒功能,以便用户能更好地操作测量仪。
9.尺寸和重量:脉搏血氧测量仪通常需要携带和移动,因此尺寸和重量对于用户来说是一个重要的考虑因素。
一般来说,越小巧轻便的脉搏血氧测量仪越易于携带和使用。
10.安全性:脉搏血氧测量仪通常需要与人体直接接触,所以安全性是一个重要的考虑因素。
一台好的脉搏血氧测量仪应具有抗干扰能力和电气安全认证。
综上所述,以上是一些常见的脉搏血氧测量仪的技术参数。
用户在选择和使用脉搏血氧测量仪时,需要根据自己的需求和要求,比较不同产品的技术参数,选择适合自己的仪器。
腕式脉搏血氧仪适用范围:在家庭、医院(社区)等场所,用于成人的脉搏血氧饱和度及脉率的无创连续监测。
1.1 产品型号1.2 组成产品由腕式脉搏血氧仪主机(含电池)、一次性脉搏血氧饱和度传感器,附件:数据线组成。
1.3 基本参数1.3.1 腕式脉搏血氧仪主机(含电池):展开后外形尺寸(mm):240(长)×43(宽)×15(高);表带可调节周长范围(mm):160~220;重量:约50克。
1.3.2 一次性脉搏血氧饱和度传感器(简称血氧探头):由医疗设备接口部分(24P)、信号电缆部分、传感器部分组成;线缆长度:0.19m;探头样式:成人蝶形包裹式;测量方式:透射法;波长:LED发光管可见红光660±5nm,PD接收管不可见红光905±5nm。
1.3.3 数据线(附件):线长:0.92m;两端接口:24P转USB2.0接口。
1.3.4 用户自配的充电器应符合以下要求:输入:a.c.100-240V,0.15A,50/60Hz;输出:d.c.5V,1A;接口形式:USB2.0;执行标准:GB 4943.1-2011。
1.3.5 软件版本号V1.3。
2.0 正常工作条件a) 环境温度: +5℃~+40℃;b) 相对湿度:≤80%;c) 大气压强:86.0 kPa~106.0kPa;d) 电源要求:额定电压:d.c.3.8V;附近无强的电磁场干扰,无剧烈震动,无腐蚀性气体,无阳光直射并避开热源。
2.1 血氧饱和度2.1.1 显示范围:0~100%;2.1.2 测量范围与精度:85%~100%范围内,绝对误差≤±2%;70%~85%范围内,绝对误差≤±3%。
2.2 脉率2.2.1 显示范围:30次/分~250次/分;2.2.2 测量精度:30次/分~100次/分范围内,误差≤±2次/分;100次/分~250次/分范围内,误差≤±2%。
2.性能指标2.1产品功能性性能指标2.1.1脉搏氧饱和度2.1.1.1测量范围脉搏氧饱和度的测量范围应为:36%-99%。
2.1.1.2测量精度脉搏氧饱和度的测量精度应该满足下列要求:a)在脉搏氧饱和度为 70%~99%范围内精度应为±2%;b)当脉搏氧饱和度为 36~69%,血氧仪仍能正常显示,但精度不予以定义。
2.1.1.3显示分辨率脉搏氧饱和度显示分辨率应为1%。
2.1.1.4脉率血氧仪脉率应符合下列要求:a)脉率标称测量范围应为:30bpm~250bpm,分辨率 1bpm;b)脉率测量误差:测量误差为±1%或±1bpm 二者中较大者。
2.1.2外观仪器的外观和调节机构应符合以下要求:a)血氧仪外壳应无伤斑、裂纹等缺陷;b)血氧仪面板应无涂层脱落、锈蚀、面板上文字和标志清晰可见;c)血氧仪的塑料件应无起泡、开裂、变形以及灌注物溢出现象;d)血氧仪的控制和调节机构应灵活可靠,紧固部位应无松动。
2.1.3显示脉搏血氧仪的显示应清晰,无断字、乱码、模糊。
2.1.4正常工作状态应能够正常显示脉搏血氧饱和度值、脉搏波形和脉率值。
2.1.5方向显示应具有方向检测功能。
随著血氧仪的旋转,OLED 显示屏的显示图像可以自行跟着旋转并切换长宽比例。
(AS-301、AS-302、 AS-303、AS-304 适用)2.2安全要求符合GB 9706.1-2007 和 YY0784-2010的要求。
2.3环境要求根据 GB/T14710-2009中气候环境试验 II 组,机械环境试验 II 组和表2的规定,运输试验与电源电压适应能力试验应符合 GB/T14710-2009中第4章第5章及表2的规定。
2.4电磁兼容性要求应符合 YY 0505-2012的要求和 GB4824-2013中 I 组 B 类要求。
脉搏碳氧血氧仪技术参数性能参数:一、测量范围血氧饱和度(SpO2):0—100%脉搏率(PR):25—240(bpm)二、测量精度:1. 血氧饱和度(SpO2):1)在无运动情形下:60%~80%为±3%;70%~100%为±2%(成人,儿童)、±3%(新生儿);2) 在运动情形下:±3% (成人,儿童,婴儿,新生儿);3) 在低血流灌注情形下:±2%(成人,儿童,婴儿,新生儿);2. 脉搏率精度1)在无运动情形下:±3bmp(成人,儿童,婴儿,新生儿);2) 在运动情形下:±5 bmp (成人,儿童,婴儿,新生儿);3) 在低血流灌注情形下:±3 bmp (成人,儿童,婴儿,新生儿);3.分辨率血氧饱和度(%SpO2):1%脉搏率(bmp):1bmp三、环境要求:操作温度:5°C—40°C 存储温度:-40°C—70°C操作湿度:5%—95% 操作高度:-304米—5486米四、SpO2测量模式:平均间隔时间模式:2、4、8、10、12、14或16秒三种灵敏度模式:APOD、正常和最大五、警报(含声音和可视报警):1. 基本参数报警:高(低)饱和度(1%—99%)高(低)脉搏率(30—235bmp)高(低)血流灌注指数(PI)(0.03%—19%)2. 传感器状态报警:传感器自动脱落报警,无传感器报警3. 系统故障报警4. 电池电量不足报警六、显示屏(数字LCD)1.数据显示:%SpO2、脉搏率(PR),2.状态显示:报警状态,电池状态,灵敏度状态,FastSat七、供电模式:电池供电。
脉搏血氧测量仪技术参数(进口)
一、测量范围
1.SPO2:0-100%
2.脉搏率:25-240次/分钟
3.血流灌注指数(PI):0.02-20%
二、准确度及灵敏度
1.SPO2:70-100%
无体动时:成人/儿童/婴儿±:2% 新生儿:±3%
体动时:成人/儿童/婴儿/新生儿:±3%
低灌注时:成人/儿童/婴儿/新生儿:±2%
2.SPO2:60-80%
无体动时:成人/儿童/婴儿:±3%
3.脉搏率准确度:
脉搏范围:25-240次/分钟
无体动时:成人/儿童/婴儿/新生儿:±3次/分钟
体动时:成人/儿童/婴儿/新生儿:±5次/分钟
低灌注时:成人/儿童/婴儿/新生儿:±3次/分钟
4.灵敏度设置:APOD(传感器脱落自适应探查)、正常灵敏度、最大灵敏度三种
三、分辨率:
1.血氧饱和度(%SpO2):1%
2.脉搏率(bpm):1次/分钟
四、报警
1.传感器状态、系统故障和电池电量低报警
2.声音和可视报警。
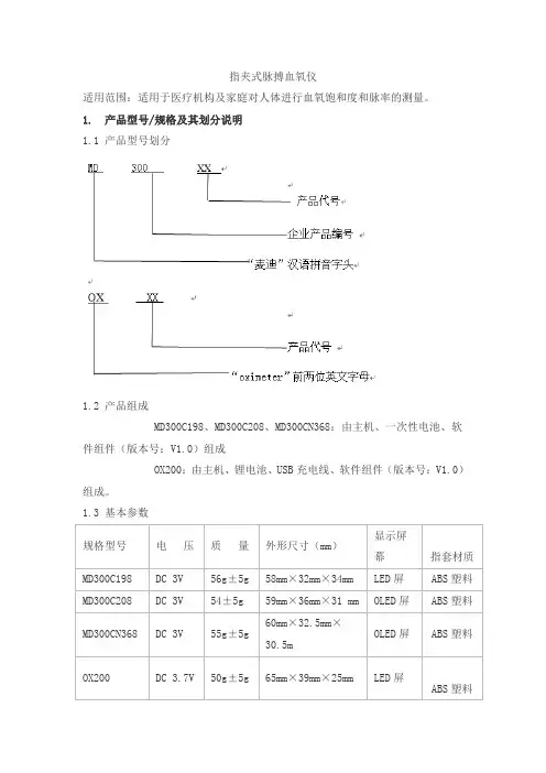
指夹式脉搏血氧仪适用范围:适用于医疗机构及家庭进行血氧饱和度、脉率的测量。
1.1 型号型式血氧仪为指夹式结构。
1.2 产品型号1.3产品结构及组成指夹式主机1.4基本参数MD300C系列指夹式脉搏血氧仪型号配置及基本参数见表1,功能对照表见表2,产品外观见表3。
表1 型号配置及基本参数表2 功能对照表注:√表示具有此项功能×表示不具有此项功能2.1 正常工作条件a) 环境温度范围:5~40℃;b)相对湿度范围:≤80%;c) 大气压力范围:86 kPa~106kPa;d) 电源条件:d.c.3V。
2.2 脉率的检测、显示部分2.2.1 测量、显示范围a) 显示范围:0~245次/分;(0数值显示为--);b) 测量范围:30次/分~235次/分。
2.2.2 测量精度在30次/分~235次/分内±2次/分或±2%(较大者);2.2.3 分辨率:1次/分2.3 血氧饱和度测量、显示部分2.3.1 测量、显示范围a) 显示范围:0%~99%,b) 测量范围:70%~99%;2.3.2 测量精度80~99%误差±2%;70~79%误差±3%(绝对值);70%以下不做要求;2.3.3 分辨率: 1%。
2.4 功能2.4.1 通用功能2.4.1.1血氧仪提示电池电量低后,血氧仪可持续工作5分钟以上;2.4.1.2 无手指插入时,可提示手指脱落,血氧仪显示“Finger Out”;2.4.1.3 防水功能为IPX1.2.4.2 显示界面在正常测量时,测量值可显示不同的方向及血氧波形。
此项适用于以下型号: MD300CH3, MD300C2,MD300C21,MD300C22,MD300C23, MD300C26,MD300C29, MD300C2A,MD300C2D, MD300C2E,MD300C2F,MD300C20, MD300C203, MD300C21C, MD300C5,MD30C52, MD300C53, MD300C54, MD300C63, MD300CF3, MD300CF61, MD300CF63。
指夹式脉搏血氧仪适用范围:适用于医疗机构及家庭对人体进行血氧饱和度和脉率的测量。
1. 产品型号/规格及其划分说明1.1 产品型号划分1.2 产品组成MD300C198、MD300C208、MD300CN368:由主机、一次性电池、软件组件(版本号:V1.0)组成OX200:由主机、锂电池、USB充电线、软件组件(版本号:V1.0)组成。
1.3 基本参数1.4 软件组件软件组件有嵌入式血氧指夹仪下位机软件组件,具体见表2。
表2 软件组件1.5软件完整版本的命名规则•完整版本号命名规则为VA.B.C,“A”为主版本号,“B”为次版本号,“C”为修订版本号;•当项目在进行了局部修改,添加辅助功能时,主版本号“A”不变,子版本号“B”加1;•当项目在原有的基础上增加了主要性能功能时,主版本号“A”加1,次版本号“B”复位为0;修订版本号“C”复位为0;•当项目有bug修复或是简单功能扩充时,修订版本号“C”加1,“A”、和“B”不变。
•项目初版时,完整版本号为Ver 1.0.0。
2.性能指标2.1 正常工作条件a) 环境温度范围:5℃~40℃;b)相对湿度范围:≤80%;c) 大气压力范围:86 kPa~106kPa;d) 电源条件:MD300C198、MD300C208、MD300CN368:DC3V;OX200:DC3.7V。
2.2 脉率的检测、显示部分2.2.1 测量、显示范围a) 显示范围:30次/分~250次/分;b) 测量范围:30次/分~250次/分。
2.2.2 测量精度在30次/分~99次/分范围内的误差为±2次/分,在100次/分~250次/分范围内的误差为±2%。
2.2.3 分辨率:1次/分2.3 血氧饱和度测量、显示部分2.3.1 测量、显示范围a) 显示范围:35%~100%(适用于MD300C208,MD300CN368);35%~99%(适用于MD300C198,OX200)。
指夹式脉搏血氧仪
适用范围:在医疗保健机构和家庭中测量患者的脉搏血氧饱和度和脉率。
1.1 FY-02指夹式脉搏血氧仪型号为;FY-02。
其中“FY”为“飞鱼”汉语缩写,“02”为脉搏式血氧仪的规格型号。
1.2结构组成
由主机(数据处理、显示、控制模块组成)和光电传感器组成。
2.1外观
a)血氧仪外壳应无伤斑、裂纹等缺陷
b)血氧仪面板应无涂层脱落、污浊、面板上文字和标志清晰可见。
c) 血氧仪的注塑件应无起泡、开裂、变形以及灌注物溢出现象。
2.2血氧饱和度测量范围
血氧饱和度测量范围为70%~100%。
2.3血氧饱和度的准确度
血氧饱和度在测量范围70%~100%的误差为±2%。
2.4脉率测量范围
脉率的测量范围应为50bpm~130bpm。
2.5脉率的准确度
脉率在50bpm~130bpm范围内测量误差应为±2bpm。
2.6自动关机
脉搏血氧仪在不测量状态下大于10秒会自动关机。
2.7电气安全要求
应符合GB9706.1-2007 医用电气设备第1部分:安全通用要求和
YY0784-2010,电气安全基本特征见附录A。
2.8电磁兼容要求
YY 0505-2012 医用电气设备第1-2部分:安全通用要求并列标准:电磁兼容要求和试验中适用条款的要求。
2.9环境试验和要求
应符合GB/T 14710-2009中气候环境试验II组和机械环境试验II组及附录B 的要求。
脉搏血氧仪产品技术要求性能指标准确性是脉搏血氧仪的一个重要性能指标。
准确性对于医疗设备来说至关重要,尤其在医院和急救环境下。
脉搏血氧仪的氧含量测量精度应达到±2%或更高,脉搏频率测量精度应达到±2bpm或更高。
准确性还与设备的稳定性、抗干扰能力以及校准方式相关。
可靠性是脉搏血氧仪的另一个重要性能指标。
脉搏血氧仪应具有稳定可靠的工作性能,可以长时间连续工作,不易出现故障。
同时,脉搏血氧仪的外观材质及结构应具备耐用性和耐握持,以提高其使用寿命和抗破损能力。
响应时间是脉搏血氧仪的一个重要技术指标,它是指从测量开始到设备显示结果所用的时间。
响应时间应尽可能短,一般要求在2秒以内。
快速的响应时间可以提高脉搏血氧仪的实用性,特别是在急救和紧急情况下,可以及时给予患者治疗。
测量范围是指脉搏血氧仪对血氧饱和度和脉搏频率的测量范围。
通常来说,血氧饱和度的测量范围应在70%~100%,脉搏频率的测量范围应在30bpm~250bpm。
同时,脉搏血氧仪还应具备低血氧报警功能,当血氧饱和度低于其中一预设阈值时,能及时发出报警,提醒操作人员。
显示方式是脉搏血氧仪的另一个重要技术指标。
脉搏血氧仪通常会采用液晶显示屏,能够直观地显示血氧饱和度和脉搏频率数值。
同时,显示屏还应具备背光功能,以便在光线不足的情况下也能清晰地读取数值。
数据存储与传输是脉搏血氧仪的另一个重要技术指标。
脉搏血氧仪应该能够储存一定量的数据,以方便操作人员查看和分析。
同时,脉搏血氧仪还应该具备数据传输功能,可以通过USB接口或者蓝牙等方式将数据传输到电脑或移动设备上,便于进一步的处理和分析。
综上所述,脉搏血氧仪的产品技术要求性能指标包括准确性、可靠性、响应时间、测量范围、显示方式、数据存储与传输等方面。
这些指标对于脉搏血氧仪的性能和应用领域具有重要影响,制造商应该在产品设计和生产过程中充分考虑这些指标,以提供高质量的产品和服务。
医疗器械产品技术要求编号:脉搏血氧仪1. 产品型号/规格及其划分说明1.1 型号规格WC-10、WC-201.2 组成由主机和附件(血氧探头、绑带以及电缆)组成。
1.3 适用范围适用于在医院、家庭中测量成人和儿童患者的脉搏血氧饱和度及脉率。
2.性能指标2.1 脉搏血氧饱和度参数2.1.1应符合 YY 0784-2010《医用电气设备医用脉搏血氧仪生理参数监测仪设备基本安全和主要性能专用要求》。
2.1.2测量范围及准确度(1)测量范围测量范围应为 70%~100%。
(2)准确度在 70%~100%范围内,准确度应为±2% 。
1.1脉率参数显示范围应为 20bpm~250bpm;准确度应为±2bpm 或±2% 取大者。
1.2电池工作时间连续测量状态下,电池工作时间不低于 16 小时。
1.3数据存储脉搏血氧仪应可存储血氧和脉率数据。
1.4接口数据导出功能脉搏血氧仪应具有通过 USB 接口导出存储数据的功能。
1.5蓝牙连接功能脉搏血氧仪应具有蓝牙连接功能。
1.6数据管理2.7.1数据接口脉搏血氧仪的数据接口为 USB 接口、蓝牙通信接口;采用的传输协议分别为 USB 的 hid 和 msc 标准协议以及蓝牙的 BLE 标准协议。
2.7.2用户访问控制2.7.2.1USB 通信时,用户通过 PC 机预装专门的数据查看软件,采用 USB 数据电缆建立连接后,才能访问测量的数据,且只能读取无法写入。
2.7.2.2蓝牙通信时,用户通过预装专门的数据查看软件,选择对应设备的 S/N号建立连接后,才能访问测量的数据,且只能读取无法写入。
1.7提示功能用户可设置蜂鸣提醒的开关以及阈值,在血氧值低于设置的阈值时会发出蜂鸣,从而提醒用户。
1.8正常工作状态脉搏血氧仪接入脉搏血氧饱和度信号,应能正常显示脉搏血氧饱和度值和脉率数据。
1.9外观脉搏血氧仪外观应端正,表面应平整光洁、色泽均匀,不应有明显凹凸、裂纹、锋棱毛刺;文字和标志应清晰、准确、牢固;操作机构灵活,紧固件无松动。
指夹式脉搏血氧仪产品技术要求深圳市保身欣科技一、准确性:
脉搏血氧仪的首要要求是具备高准确性的测量功能。
准确性是用户选择脉搏血氧仪的关键因素之一、产品应具备高精度的光学测量传感器,能够准确测量血氧饱和度和脉搏频率。
准确的测量数据对于医生和患者来说非常重要,能够帮助医生做出正确的诊断和治疗决策,同时也能提供准确的健康数据给患者参考。
二、实用性:
脉搏血氧仪应具备简单易用的特点,方便广大患者进行自我监测。
产品设计上应该注重人体工程学和操作便捷性,易于操作和携带。
产品应具有清晰的显示屏和直观的操作界面,能够方便患者观察和理解测量结果。
此外,产品还应考虑用户的不同需求,提供多种功能和设置选项,满足不同患者的个性化需求。
三、可靠性:
产品应具备良好的信号接收和处理能力,能够在各种环境条件下稳定工作。
脉搏血氧仪在使用过程中应具备抗干扰能力,能够排除外部干扰因素对测量结果的影响,确保测量数据的准确性和稳定性。
同时,产品应具备良好的电池续航能力,能够满足用户长时间持续使用的需求。
四、可追溯性:
脉搏血氧仪作为一种医疗设备,必须具备良好的质量追溯体系,确保产品质量的可控性和可追溯性。
设备的设计、生产和维护过程中应建立完善的质量管理体系,并获得相关的质量认证和认可。
在产品设计上应符合
国家相关法律法规和标准的要求,并应定期进行质量检测和验证,确保产
品的质量。
深圳市保身欣科技是一家专业从事医疗设备研发、生产和销售的企业,在脉搏血氧仪产品技术要求方面应重视以上几个方面的要求,坚持技术创
新和质量管理,为用户提供优质的产品和服务。
脉搏碳氧血氧仪技术参数
产品介绍:脉搏血氧仪:超过IOO篇的独立临床研究证明了体动和弱灌注条件下的准确测量;通过分析7+个波长的光线,来无创连续地准确测量血液中碳氧血蛋白(SpCO)和高铁血红蛋白(SPMet)百分数含量;消除了把意外一氧化碳中毒误诊为流感或疲乏的风险;检查潜在威胁生命的获得性高铁血红蛋白症;快速易用一一无需用户校准,无需患者配合或意识清醒;完全替代现有脉搏血氧仪,连续监测SPC0、SpMet.SPO2、脉搏、灌注指数PT和所监测信号强度SIQ;结实、重量轻一一适用于各种野外或医院环境。
特点:创新的硬件和软件通过同时分析8个波长,在数秒内无创地准确测定血液内的碳氧血蛋白(SpCO)和高铁血红蛋白(SPMet)百分数含量;适用于连续检查或抽查;四节AA碱性电池可供本仪器连续检测SPC0、SpMet.Sp02、脉搏和灌注指数8小时;灌注指数(PI)指示动脉搏动信号强度,在低灌注情况下可用作一种诊断手段;IQB(SIQ)信号低指示灯低信号质量状态;发出与患者脉搏同步的蜂鸣音,指示令人感兴趣的患者运动状态;最长达72小时的SpCO.SpMet>SPO2、脉搏和灌注指数趋势存储;防护套和手提箱有多种颜色供选。
测量范围:SP020-100%;脉搏25-240次/分;血流灌注指数0.02-20%。
2.性能指标2.1外观要求2.1.1血氧仪外壳应无伤斑、裂纹缺陷。
2.1.2血氧仪面板应无涂层脱落、锈蚀、面板上文字和标志清晰可见。
2.1.3血氧仪的塑料件应无起泡、开裂、变形以及灌注物溢出现象。
2.1.4血氧仪的控制和调节机构应灵活可靠,紧固部位应无松动。
2.2性能要求2.2.1脉搏血氧饱和度2.2.1.1 测量范围:35%~100%。
2.2.1.2 测量精度:血氧饱和度为 70%~100%范围内时,测量精度为±2%;血氧饱和度为 35%~69%范围内时,测量精度不作定义。
2.2.2脉率2.2.2.1测量范围:30bpm~250bpm。
2.2.2.2测量精度:±3bpm。
2.2.3显示2.2.3.1脉搏血氧饱和度显示范围:35%~100%;显示分辨率:1%。
2.2.3.2脉率显示范围:30bpm~250bpm;显示分辨率:1bpm。
2.2.3.3应能正常显示脉搏血氧饱和度值、脉搏血氧饱和度波形和脉率值。
2.2.4提示2.2.4.1脉搏血氧饱和度提示范围:70%~100%;当血氧饱和度低于预设的下限值时,血氧仪屏幕所显示的血氧饱和度数值将持续跳动,同时蜂鸣器将持续以“嘀嘀”声提示。
2.2.4.2脉率提示的预置上限范围:50bpm~205bpm,预置下限范围:45bpm~200bpm;当脉率高于预置的上限值或低于预置的下限值时,血氧仪屏幕所显示的1脉率的数值将持续跳动,同时蜂鸣器将持续以“嘀嘀”声提示。
2.2.4.3关闭提示功能提示功能关闭后,当血氧饱和度和脉率满足提示设置条件时,应无任何提示。
2.3安全要求应符合 GB 9706.1-2007《医用电气设备第 1 部分:安全通用要求》和 YY20784-2010《医用电气设备医用脉搏血氧仪设备基本安全和主要性能专用要求》的要求。
2.4电磁兼容性应符合 YY 0505-2012《医用电气设备第 1-2 部分:安全通用要求并列标准:电磁兼容要求和试验》和 YY 0784-2010《医用电气设备医用脉搏血氧仪设备基本安全和主要性能专用要求》第 36 条款中规定的内容。
指夹式脉搏血氧仪产品技术要求chaosi指夹式脉搏血氧仪适用范围:适用于医疗机构及家庭对成人以及儿童进行血氧饱和度、脉率的测量。
1. 产品型号/规格及其划分说明1.1 产品型号MD(“麦迪”汉语拼音字头)300 C (企业产品编号)口口口口(产品规格号)1.2结构组成MD300C318由主机、锂电池、USB数据线、上位机软件、充电器组成;MD300C318T2、MD300CF315由主机、一次性电池组成。
1.3 各型号产品配置情况见表1。
表1 型号配置1.4各型号产品基本参数及软件功能见表2。
表2 基本参数及软件功能注:√表示有此功能×表示无此功能2. 性能指标2.1脉率的检测、显示部分2.1.1 测量、显示范围a) 显示范围:0~245次/分;(0数值显示为--);b) 测量范围:30次/分~235次/分。
2.1.2 测量精度在30次/分~235次/分内±2次/分或±2%(较大者);2.1.3 分辨率:1次/分。
2.2血氧饱和度测量、显示部分2.2.1 测量、显示范围a) 显示范围:0%~99%,b) 测量范围:70%~99%;2.2.2 测量精度: 70~99%误差±2%(绝对值);70%以下不做要求。
2.2.3 分辨率:1%。
2.3 功能2.3.1 通用功能2.3.1.1电池电量低提示当电池电量低于表2的描述的电池电量低提示限值时,显示闪动的电池图标。
2.3.1.2 无手指插入时,可提示手指脱落,血氧仪显示“Finger Out”;2.3.1.3 显示模式在正常测量时,可显示无填充波形模式和无波形模式,MD300C318为无填充波形模式;MD300C318T2、MD300CF315为无波形模式能上、下、左、右四个方向显示数值;2.3.2超限声光提示MD300C318血氧仪应有视听同步提示功能,血氧值超出设置范围时,出现字体闪烁和声音提示,声音可以通过菜单关闭。
脉搏血氧仪技术参数要求
1.血氧饱和度:
测量范围:70%~100%
显示范围:0% ~100%
测量精度:运动状态下:±3% 非运动状态下:±2%
分辨率:1%
2.脉搏率:
测量范围:30~250次/分
测量精度:±3次/分
分辨率:1次/分
3.屏幕显示参数:血氧饱和度、脉率、脉搏强度柱状显示
4.配备蓄电池要求:单次电量非蓝牙操作可达至少24小时,蓝牙操作可达至少12小时
5.软件要求:
具有专业的分析软件
基于Windows平台
可通过蓝牙或USB连接线将主机存储的数据传送到带分析软件的PC电脑
可评估SAHS患者的治疗效果
可进行呼吸监测、睡眠分析,用于睡眠呼吸疾病的筛查与诊断分析报告必须包含完整的数据和SpO2趋势曲线
分析结果可出具可靠的、简洁的分析报告,且分析报告可打印
该软件可独立分析病人数据,无需上传至其他服务器或平台进行数据分析。
且病人数据保存至本地PC电脑
6.配置要求:该脉搏血氧仪必须具备:
脉搏血氧仪主机、配套的血氧饱和度探头
蓄电池、绑带件
装有分析软件的光盘和数据传输线
PC电脑:联想家悦3005台式机整套(含鼠标键盘)
打印机:惠普M1136黑白激光打印机 A4打印。
2性能指标
2.1外观与结构
2.1.1外型应端正,色泽应均匀、不应凹凸、裂纹、锋棱、毛刺。
2.1.2外壳紧固应无松动现象。
2.1.3文字和粘贴标记应清晰、准确、牢固。
2.2血氧饱和度
2.2.1测量范围
应为35%~100%。
2.2.2准确度:
a)在70%~100% 范围内,误差应不大于±3%;
b)70%以下,无准确度要求。
2.2.3血氧饱和度测量分辨率
血氧饱和度测量分辨率应为1%。
2.3脉率
2.3.1测量范围
应为25bpm~250bpm。
2.3.2 准确度
脉率测量误差应为±3bpm。
2.3.3脉率测量分辨率
脉率测量分辨率应为1bpm。
2.4通讯功能(适用于BM2000、BM2000D、BM2000E)
脉搏血氧仪应具有蓝牙通讯功能。
2.5低电提示
脉搏血氧仪应具有低电提示功能。
2.6其它功能
2.6.1续航时间
脉搏血氧仪充满电后,在正常工作条件下,连续进行血氧饱和度和脉率测量,工作时间应不低于10h。
2.6.2网络安全功能(仅提供数据接口)
数据接口传输协议:蓝牙 4.2标准协议。
2.6.3血氧波形显示功能(适用于BM2000、BM2000D、BM2000F)
脉搏血氧仪应具有血氧波形显示功能。
2.6.4旋转显示功能(适用于BM2000)
脉搏血氧仪应具有屏幕旋转显示功能。
2.7安全性能要求
安全性能要求应符合GB 9706.1-2007《医用电气安全通用要求》和YY 0784-2010《医用电气设备医用脉搏血氧仪设备基本安全》的要求。
2.8环境试验要求
环境试验除应符合GB/T14710-2009《医用电器环境要求及试验方法》中气候环境试验Ⅱ组、机械环境试验分组表Ⅱ组及表2的规定。
运输试验、电源电压适应能力试验应分别符合GB/T 14710-2009中4章、5章的规定。
2.9电磁兼容要求
电磁兼容要求应符合YY 0505-2012《医用电气设备第1-2部分:安全通用要求并列标准:电磁兼容要求和试验》、YY 0784-2010《医用电气设备-医用脉搏血氧仪设备基本安全和主要性能专用要求》第36条标准和GB 4824-2013《工业、
科学和医疗(ISM)射频设备骚扰特性限值和测量方法》中1组B类的要求。
(以下内容无)。