薄钢板通风管道制作安装辅材用量计算表xls
- 格式:xls
- 大小:74.50 KB
- 文档页数:10
通风管道工程方案费用表一、安装材料费用1. 各种规格的通风管道和管件:根据实际使用的通风管道以及需要的管件规格进行计算。
2. 风口和风阀:根据实际情况选择合适的风口和风阀,数量根据通风需求进行确定。
3. 吊架和支架:根据安装位置和管道长度进行计算,数量及规格需要根据实际情况确定。
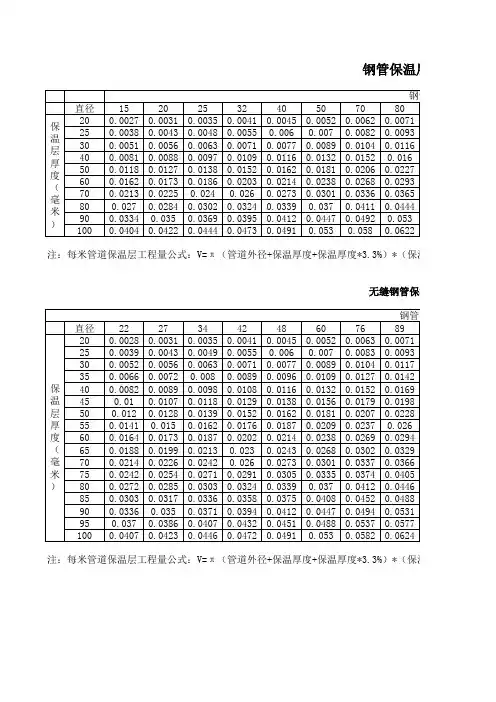
4. 绝缘材料:通风管道需要进行绝缘处理,绝缘材料的选择和数量需根据管道直径和长度进行确定。
5. 规划设计费用:根据工程的实际情况,包括设计成本、施工成本、材料成本等。
二、人工费用1. 施工队人工费:根据工程的施工周期、工程量、工程难度等因素进行人工费用的计算。
2. 管道安装人工费:根据实际情况和材料费用的数量进行人工费用的计算,需要考虑到通风管道的安装难度和工作量。
3. 设计人员费用:包括规划设计人员、建筑工程师等专业人员的费用。
三、设备费用1. 通风设备费用:包括通风机、排风机、离心风机等通风设备的费用。
2. 测量仪器费用:通风管道工程需要在施工过程中进行测量,需要购买相应的测量仪器。
3. 安装工具费用:包括管道安装所需的各种工具和设备。
四、其他费用1. 运输费用:将材料和设备从仓库或生产厂家运送到工地。
费用根据运输距离和运输方式进行计算。
2. 税费:根据相关税费计算标准进行税费的计算。
3. 材料保质期费用:长期储存的材料需要考虑到保质期费用。
4. 现场安全设施费用:包括现场安全警示牌、安全帽、安全绳等现场安全设施的费用。
五、总费用总费用 = 安装材料费用 + 人工费用 + 设备费用 + 其他费用以上为通风管道工程方案费用表的详细内容,具体费用会根据不同的工程情况而有所不同。
希望能够对您的工程预算有所帮助。
通风管三通面积计算表格通风管是用于通风系统中传递空气的重要组件之一,其面积计算对于设计合理的通风系统至关重要。
通风管的三通是指管道上有一个分叉,通风管的面积计算涉及到多个参数,包括通风需求、风速、截面形状等。
通风系统的主要作用是通过空气的流动,将室内污浊的空气排出,同时将新鲜空气引入室内。
通风管作为传递空气的通道,其面积计算是为了保证足够的空气流通量,以满足室内的通风需求。
通风管的面积计算需要确定通风系统的设计风速和通风需求。
设计风速是指通风系统中空气流动的速度,通常根据具体的使用环境和通风要求来确定。
通风需求是指室内空气流通的要求,一般通过室内人员数量、活动强度以及室内空气质量要求等来确定。
在确定了设计风速和通风需求后,需要确定通风管的截面形状。
通风管的截面形状一般有圆形、矩形和梯形等几种,其中圆形通风管的流量阻力最小,但安装和维护较为复杂;矩形通风管的安装和维护相对较简单,但流量阻力较大;梯形通风管的特点介于圆形和矩形之间。
在确定了通风管的截面形状后,可以根据通风系统的设计风速和通风需求,通过通风管的面积计算公式计算出具体的面积。
对于圆形通风管,其面积A的计算公式为A=Q/V,其中Q是通风系统的设计风量,V是通风系统的设计风速。
对于矩形通风管和梯形通风管,其面积A的计算公式可以根据具体的截面形状和通风系统的设计要求进行确定。
根据通风管的面积计算结果,可以确定通风系统中各个通风管的具体尺寸。
通常情况下,通风管的尺寸会选择标准尺寸或者根据具体情况进行调整。
对于大型通风系统,可能需要采用多个通风管进行分流,而每个通风管的面积计算都需要进行独立的计算。
在进行通风管的面积计算时,还需要考虑通风管材料的选取。
通风管的材料有多种选择,包括金属、塑料等。
在选择通风管材料时需要考虑材料的耐腐蚀性、耐高温性、密封性等因素,以满足通风系统的要求。
综上所述,通风管的面积计算是通风系统设计中重要的一步。
通过确定设计风速、通风需求和通风管的截面形状,可以进行通风管的面积计算,并选择合适的通风管尺寸和材料。
钢板制矩形通风管道计算表表1动压(毫米水柱)风速(米/秒)外边长 A×B (毫米)上行——风量(米3/小时)下行——单位摩擦阻力(毫米水柱/米)120×120160×120200×120160×160250×120200×160250×160200×200250×200320×160250×250320×200400×200 100 134 168 180 209 225 281 282 352 360 441 451 565 105 141 177 189 220 237 295 296 370 378 463 474 594 110 148 185 198 230 248 309 310 387 396 485 497 622 115 154 193 207 241 259 323 325 405 414 507 519 650 120 161 202 216 251 270 337 339 422 432 529 542 678 125 168 210 225 262 282 351 353 440 450 551 564 707 130 175 219 234 272 293 365 367 458 468 573 587 735 135 181 227 243 283 304 379 381 475 486 595 610 763 140 188 236 252 293 315 393 395 493 504 617 632 791 145 195 244 261 304 327 407 409 510 522 640 655 820 150 201 252 270 314 338 421 423 528 540 662 677 848 155 208 261 279 325 349 435 438 546 558 684 700 876 160 215 269 288 335 360 449 452 563 576 706 722 904 165 221 278 297 345 372 463 466 581 594 728 745 933 170 228 286 306 356 383 477 480 598 612 750 768 961钢板制矩形通风管道计算表 表2钢板制矩形通风管道计算表 表3动 压(毫米水柱)风 速(米/秒)外 边 长 A ×B (毫米)上行——风量(米3/小时)下行——单位摩擦阻力(毫米水柱/米)320 × 250 500 × 200 400 × 250 320 × 320 500 × 250 400 × 320 630 × 250 500 × 320 400 × 400 500 × 400 630 × 320 500 × 500 630 × 400 566 707 708 726 887 909 1115 1137 1138 1424 1431 1783 1792 594 743 744 762 931 954 1171 1194 1195 1495 1503 1871 1882 622 778 779 798 975 1000 1227 1261 1251 1566 1574 1960 1971 651 814 815 835 1020 1045 1282 1308 1308 1637 1646 2049 2061 679 849 850 871 1064 1090 1338 1364 1365 1709 1717 2138 2151 707 884 885 907 1106 1136 1394 1422 1422 1780 1789 2228 2240 736 920 921 944 1153 1181 1450 1478 1479 1851 1860 2317 2330 764 955 956 980 1197 1227 1505 1535 1536 1922 1932 2406 2419 792 990 992 1016 1241 1272 1561 1591 1593 1993 2003 2495 2509 820 1026 1027 1052 1285 1318 1617 1649 1650 2065 2075 2584 2599 849 1061 1063 1089 1330 1363 1673 1706 1706 2136 2147 2673 2688 877 1097 1098 1125 1374 1408 1728 1763 1763 2207 2218 2762 2778 905 1132 1133 1161 1418 1454 1784 1820 1820 2278 2290 2851 2868 934 1167 1169 1200 1463 1499 1840 1877 1877 2349 2361 2994 2957962 1203 1204 1234 1507 1545 1896 1933 1934 2421 2133 3029 3047压(毫米水柱)速(米/秒)800×320630×5001000×320800×400630×6301000×400800×5001250×4001000×500800×6301250×5001000×630800×800 1819 2244 2276 2278 2830 2850 2852 3560 3568 3598 4457 4501 45741910 2356 2390 2392 2972 2992 2995 3738 3746 3778 4680 4726 48022001 2468 2503 2506 3114 3135 3137 3916 3924 3958 4903 4951 50312092 2580 2617 2620 3255 3277 3280 4094 4103 4138 5126 5176 52602183 2692 2731 2734 3397 3420 3422 4272 4281 4318 5349 5401 54882274 2805 2844 2848 3538 3562 3565 4450 4460 4497 5572 5626 57172365 2917 2958 2962 3680 3705 3708 4628 4638 4677 5794 5851 59462456 3029 3072 3075 3821 3847 3850 4806 4816 4857 6017 6076 61742547 3141 3186 3189 3963 3990 3993 4984 4995 5037 6240 6301 64032638 3253 3300 3303 4104 4132 4135 5162 5173 5217 6463 6526 66322729 3365 3413 3417 4246 4275 4278 5340 5351 5397 6686 6751 68602820 3478 3527 3531 4387 4417 4421 5518 5630 5577 6909 6976 70892911 3590 3641 3645 4529 4560 4563 5696 5708 5757 7132 7201 73183001 3702 3755 3759 4670 4702 4706 5873 5887 5937 7354 7426 75463092 3814 3868 3873 4812 4845 4848 6051 6060 6117 7577 7651 7775钢板制矩形通风管道计算表表4压(毫米水柱)速(米/秒)1250×6301600×5001000×8001250×8001000×10001600×6301250×10001600×8002000×8001600×10002000×10001600×12502000×1250 5624 5709 5721 7150 7157 7203 8945 9157 11450 11460 14330 14330 179205905 5994 6007 7507 7515 7563 9392 9615 12020 12030 15040 15050 188206186 6280 6293 7865 7873 7923 9840 10070 12600 12600 15760 15760 197106468 6565 6579 8222 8230 8284 10290 10530 13170 13180 16480 16480 206106749 6850 6865 8580 8588 8644 10730 10990 13740 13750 17190 17200 215107030 7136 7151 8937 8946 9004 11180 11450 14310 14320 17910 17910 224007311 7421 7438 9295 9304 9364 11630 11900 14890 14890 18620 18630 233007592 7707 7724 9652 9662 9724 12080 12360 15460 15470 19340 19350 241907874 7992 8010 10010 10020 10080 12520 12820 16030 16040 20060 20060 250908155 8278 8296 10370 10380 10450 12970 13280 16610 16610 20770 20780 259908436 8563 8582 10720 10740 10800 13420 13740 17180 17190 21490 21500 268808717 8848 8868 11080 11090 11160 13860 14190 17750 17760 22210 22210 277808998 9734 9154 11440 11450 11520 14310 14650 18320 18830 22920 22930 286709280 9419 9440 11800 11810 11890 14760 15110 18900 18900 23640 23650 295709561 9705 9726 12150 12170 12250 15210 15570 19470 19480 24360 24380 30470钢板制矩形通风管道计算表表5压(毫米水柱)速(米/秒)120×120160×120200×120160×160250×120200×160250×160200×200250×200320×160250×250320×200400×200 175 235 294 315 366 394 491 494 616 630 772 790 989180 242 303 324 377 405 505 508 634 648 794 813 1017185 248 311 333 387 417 519 522 651 666 816 855 1046190 255 320 342 398 428 533 536 669 684 838 858 1074195 262 328 350 408 439 547 550 686 702 860 880 1102201 268 336 359 419 450 561 565 704 720 882 903 1130206 275 345 368 429 462 575 579 724 738 904 926 1159211 282 353 377 440 473 589 593 739 756 926 948 1187216 289 362 368 450 484 603 607 757 774 948 971 1215221 295 370 395 461 495 617 621 774 792 970 993 1244226 302 378 404 471 507 634 635 792 810 992 1016 1272231 309 387 413 482 518 646 640 809 828 1014 1038 1300236 315 395 422 492 529 660 663 827 846 1036 1061 1328241 322 404 431 503 541 674 677 845 864 1059 1084 1357246 329 412 440 513 552 688 692 862 882 1081 1106 1385钢板制矩形通风管道计算表表6压(毫米水柱)速(米/秒)320×250500×200400×250320×320500×250400×320630×250500×320400×400500×400630×320500×500630×400 990 1238 1240 1270 1551 1590 1951 1990 1991 2492 2504 3119 31361018 1273 1275 1306 1596 1636 2007 2047 2048 2563 2576 3208 32261047 1309 1310 1343 1640 1681 2063 2104 2105 2634 2647 3297 33161075 1344 1346 1379 1684 1727 2119 2161 2162 2705 2719 3386 34051103 1380 1381 1415 1729 1772 2174 2218 2218 2776 2791 3475 34951132 1415 1417 1452 1773 1817 2230 2275 2275 2848 2862 3564 35841160 1450 1452 1488 1817 1863 2286 2331 2332 2919 2934 3653 36741188 1486 1488 1524 1861 1908 2342 2388 2389 2990 3005 3742 37641216 1521 1523 1560 1906 1954 2397 2441 2446 3061 3077 3831 38531245 1556 1558 1597 1950 1999 2453 2502 2503 3132 3148 3920 39431273 1592 1594 1633 1995 2045 2509 2559 2560 3204 3220 4010 40321301 1627 1629 1669 2039 2090 2565 2616 2617 3275 3291 4099 41221330 1662 1665 1706 2083 2135 2620 2673 2673 3346 3363 4188 42121358 1698 1700 1742 2128 2181 2676 2729 2730 3417 3435 4277 43011386 1733 1735 1778 2172 2226 2732 2786 2787 3488 3506 4366 4391钢板制矩形通风管道计算表表7压(毫米水柱)速(米/秒)800×320630×5001000×320800×400630×6301000×400800×5001250×4001000×500800×6301250×5001000×630800×800 3183 3926 3982 3987 4953 4987 4991 6229 6243 6296 7800 7876 80043274 4039 4096 4101 5095 5130 5134 6407 6422 6476 8023 8102 82323365 4151 4210 4215 5236 5272 5276 6585 6600 6656 8246 8327 84613456 4263 4324 4328 5378 5415 5419 6763 6779 6836 8469 8552 86903547 4375 4437 4442 5520 5557 5561 6941 6957 7016 8692 8777 89183638 4487 4551 4556 5661 5700 5704 7119 7135 7196 8914 9002 91473729 4599 4665 4670 5803 5842 5847 7297 7314 7376 9137 9227 93763820 4712 4779 4784 5944 5985 5989 7475 7492 7556 9360 9452 96043911 4824 4892 4898 6086 6127 6132 7653 7670 7736 9583 9677 98334002 4936 5006 5012 6227 6270 6274 7831 7849 7916 9806 9902 100604093 5048 5120 5126 6369 6412 6417 8009 8027 8095 10030 10130 102904184 5160 5234 5240 6510 6555 6560 8187 8206 8275 10250 10350 105204275 5273 5348 5354 6652 6697 6702 8365 8384 8455 10470 10580 107504366 5385 5461 5468 6973 6840 6845 8543 8562 8635 10700 10800 109804457 5497 5575 5581 6935 6982 6987 8721 8741 8815 10920 11030 11210钢板制矩形通风管道计算表表8压(毫米水柱)速(米/秒)1250×6301600×5001000×8001250×8001000×10001600×6301250×10001600×8002000×8001600×10002000×10001600×12502000×1250 9842 9990 10010 12510 12530 12610 15650 16030 20040 20050 25070 25080 3136010120 10280 10300 12870 12880 12970 16100 16480 20670 20620 25760 25790 3226010400 10560 10580 13230 13240 13300 16550 16940 21190 21190 26500 26510 3315010690 10850 10870 13580 13600 13690 17000 17400 21760 21770 27220 27230 3405010970 11130 11160 13940 13960 14050 17440 17860 22330 22340 27940 27940 3495011250 11420 11440 14300 14310 14410 17890 18310 22990 22910 28650 28660 3584011530 11700 11730 14660 14670 14770 18340 18770 23480 23490 29370 29380 3674011810 11990 12010 15010 15030 15130 18780 19230 24050 24060 30090 30090 3763012090 12270 12300 15370 15390 15490 19230 19690 24620 24630 30800 30810 3853012370 12560 12590 15730 15750 15850 19680 20150 25190 25200 31520 31530 3943012650 12840 12870 16090 16100 16210 20130 20600 25700 25780 32230 32240 4032012940 13130 13160 16440 16460 16570 20570 21060 26340 26350 32950 32960 4122013220 13420 13440 16800 16820 16930 21020 21520 26910 26920 33670 33680 4211013500 13700 13730 17160 17180 17290 21470 21980 27480 27500 34380 34390 4301013780 13990 14020 17520 17530 17650 21920 22440 28060 28070 35100 35110 43910钢板制矩形通风管道计算表表9压(毫米水柱)速(米/秒)120×120160×120200×120160×160250×120200×160250×160200×200250×200320×160250×250320×200400×200 251 336 421 449 523 563 702 706 880 900 1103 1129 1413256 342 429 458 534 574 716 720 897 918 1125 1151 1441261 349 437 469 544 586 730 734 915 936 1147 1174 1470266 356 446 476 555 597 744 748 933 954 1169 1196 1498271 362 454 485 565 608 758 762 950 972 1191 1219 1526276 369 463 494 576 619 772 776 968 990 1213 1242 1554281 376 471 503 586 631 786 790 985 1008 1235 1264 1583286 383 479 512 597 642 800 804 1003 1026 1257 1287 1611291 389 488 521 607 653 814 819 1021 1044 1279 1309 1639296 396 496 530 618 664 828 833 1038 1062 1301 1332 1667301 403 505 539 628 676 842 847 1056 1080 1323 1354 1696306 409 513 548 639 687 856 861 1073 1098 1345 1377 1724311 416 521 557 649 698 870 875 1091 1116 1367 1400 1752316 423 530 566 660 710 884 889 1109 1134 1389 1422 1781321 430 538 575 670 721 898 903 1126 1152 1411 1445 1809钢板制矩形通风管道计算表表10压(毫米水柱)速(米/秒)320×250500×200400×250320×320500×250400×320630×250500×320400×400500×400630×320500×500630×400 1414 1769 1771 1815 2216 2272 2788 2843 2844 3560 3578 4455 44811443 1804 1808 1851 2261 2317 2843 2900 2901 3631 3649 4544 45701471 1839 1842 1887 2305 2363 2899 2957 2958 3702 3721 4633 46601499 1875 1877 1923 2349 2408 2955 3014 3015 3773 3792 4722 47491528 1910 1913 1960 2394 2453 3011 3071 3072 3844 3864 4812 48391556 1945 1948 1996 2438 2499 3066 3127 3129 3916 3935 4901 49291584 1981 1993 2032 2482 2544 3122 3184 3185 3987 4007 4990 50181612 2016 2019 2069 2527 2590 3178 3241 3242 4058 4079 5079 51081641 2052 2054 2105 2571 2635 3234 3298 3299 4129 4150 5168 51971670 2087 2090 2141 2615 2681 3289 3355 3356 4200 4222 5257 52871697 2122 2125 2177 2660 2726 3345 3412 3413 4272 4293 5346 53771726 2158 2160 2214 2704 2771 3401 3469 3470 4343 4365 5435 54661754 2193 2196 2250 2748 2817 3457 3526 3527 4414 4436 5524 55561782 2228 2231 2286 2793 2862 3512 3582 3584 4485 4508 5613 56451811 2264 2267 2323 2837 2908 3568 3639 3640 4556 4579 5703 5735钢板制矩形通风管道计算表表11压(毫米水柱)速(米/秒)800×320630×5001000×320800×400630×6301000×400800×5001250×4001000×500800×6301250×5001000×630800×800 4548 5609 5689 5695 7076 7125 7130 8899 8919 8995 11140 11250 114304639 5721 5803 5809 7218 7267 7273 9077 9098 9174 11370 11470 116804730 5833 5916 5923 7359 7410 7415 9255 9276 9355 11590 11700 118904821 5946 6030 6037 7501 7552 7558 9433 9454 9535 11810 11930 121204911 6058 6144 6151 7642 7695 7700 9611 9633 9715 12030 12150 123505002 6170 6258 6265 7784 7837 7843 9789 9811 9894 12260 12380 125805093 6282 6372 6379 7925 7980 7986 9967 9989 10070 12480 12600 128105184 6394 6485 6493 8067 8122 8128 10150 10170 10250 12700 12830 130305275 6507 6599 6607 8209 8264 8271 10320 10350 10430 12930 13050 132605366 6619 6713 6721 8350 8407 8413 10500 10520 10610 13150 13280 134905457 6731 6827 6834 8492 8549 8556 10680 10700 10790 13370 13500 137205548 6843 6940 6948 8633 8692 8699 10860 10880 10970 13590 13730 139505639 6955 7054 7062 8775 8834 8841 11040 11060 11150 13820 13950 141805730 7068 7168 7176 8916 8977 8984 11210 11240 11330 14040 13180 144105821 7180 7282 7290 9058 9119 9126 11390 11420 11510 14260 14400 14640钢板制矩形通风管道计算表表12压(毫米水柱)速(米/秒)1250×6301600×5001000×8001250×8001000×10001600×6301250×10001600×8002000×8001600×10002000×10001600×12502000×1250 14060 14270 14300 17870 17890 18010 22360 22890 28630 28640 35820 35830 4480014340 14560 14590 18230 18250 18370 22810 23350 29200 29210 36530 36640 4570014620 14840 14880 18590 18610 18730 23260 23810 29770 29790 37250 37260 4659014900 15130 15160 18950 18970 19090 23700 24270 30350 30360 37970 37980 4749015180 15410 15450 19300 19320 19450 24150 24720 30920 30930 38680 38690 4839015470 15700 15730 19660 19680 19310 24600 25180 31490 31510 39400 39410 4928015750 15980 16020 20020 20040 20170 25050 25640 32060 32080 40110 40120 5018016030 16270 16310 20380 20400 20530 23490 26100 32640 32650 40830 40840 5107016310 16560 16590 20730 20760 20890 25940 26560 33210 33220 41550 41560 5197016590 16840 16880 21090 21110 21250 26390 27010 33780 33800 42260 42270 5287016870 17130 17160 21450 21470 21610 26840 27470 34350 34370 42980 42990 5376017150 17410 17450 21810 21830 21970 27280 27930 34930 34940 43700 42710 5466017440 17700 17740 22160 22190 22330 27730 28390 35500 35510 44410 44420 5555017720 17980 18020 22520 22540 22690 28180 28850 36070 36090 45130 45140 5645018000 18270 18310 22880 22900 23050 28620 29300 36640 36660 45850 45860 57350钢板制矩形通风管道计算表表13压(毫米水柱)速(米/秒)120×120160×120200×120160×160250×120200×160250×160200×200250×200320×160250×250320×200400×200 326 436 547 584 681 732 912 917 1144 1170 1433 1467 1837331 443 555 593 691 743 926 931 1161 1188 1455 1489 1865336 450 564 602 701 755 940 946 1179 1206 1478 1512 1894341 456 572 611 712 766 954 960 1197 1224 1500 1535 1922346 463 580 620 722 777 968 974 1214 1242 1522 1558 1950351 470 589 629 733 788 982 988 1232 1260 1544 1580 1978356 477 597 638 743 800 996 1002 1249 1278 1566 1603 2007361 483 606 647 754 811 1010 1016 1267 1296 1588 1625 2035366 490 614 656 764 822 1024 1030 1285 1314 1610 1648 2063371 497 622 665 775 833 1038 1044 1302 1332 1632 1670 2091376 503 631 674 785 845 1052 1059 1320 1350 1654 1693 2120381 510 639 683 796 856 1067 1073 1337 1368 1676 1716 2148386 517 648 692 806 867 1081 1087 1355 1386 1698 1738 2176391 524 656 701 817 878 1095 1101 1373 1404 1720 1761 2204396 530 664 710 827 890 1109 1115 1390 1422 1742 1783 2233钢板制矩形通风管道计算表表14压(毫米水柱)速(米/秒)320×250500×200400×250320×320500×250400×320630×250500×320400×400500×400630×320500×500630×400 1839 2299 2302 2359 2881 2953 3624 3696 3697 4627 4651 5792 58251867 2335 2338 2395 2926 2999 3680 3753 3754 4699 4723 5881 59141895 2370 2373 2431 2970 3044 3735 3810 3811 4770 4794 5970 60041924 2405 2408 2468 3014 3090 3791 3867 3868 4841 4866 6059 60941952 2441 2444 2504 3059 3135 3847 3924 3925 4912 4937 6148 61831980 2476 2479 2540 3103 3180 3903 3980 3982 4983 5009 6237 62732009 2511 2515 2577 3147 3226 3958 4037 4039 5055 5080 6326 63622037 2547 2550 2613 3192 3271 4014 4094 4096 5126 5152 6415 64522065 2582 2585 2649 3236 3317 4070 4151 4152 5197 5223 6504 65422093 2618 2621 2685 3280 3362 4126 4208 4209 5268 5295 6594 66312122 2653 2656 2722 3325 3408 4181 4265 4266 5339 5366 6683 67212150 2688 2692 2758 3369 3453 4237 4322 4323 5411 5438 6772 68102178 2724 2727 2794 3413 3498 4293 4379 4380 5482 5510 6861 69002207 2759 2763 2831 3458 3544 4349 4435 4437 5553 5581 6950 69902235 2794 2798 2867 3502 3589 4404 4493 4494 5624 5653 7039 7079钢板制矩形通风管道计算表表15压(毫米水柱)速(米/秒)800×320630×5001000×320800×400630×6301000×400800×5001250×4001000×500800×6301250×5001000×630800×800 5912 7292 7396 7404 9199 9262 9269 11570 11590 11690 14490 14630 148606003 7404 7509 7518 9341 9404 9412 11750 11770 11870 14710 14850 150906094 7516 7623 7632 9482 9547 9554 11920 11950 12050 14930 15080 153206185 7628 7737 7746 9624 9689 9697 12100 12130 12230 15150 15300 155506276 7741 7851 7860 9765 9832 9839 12280 12310 12410 15380 15530 157806367 7853 7964 7974 9907 9974 9982 12460 12490 12590 15600 15750 160106458 7965 8078 8087 10050 10120 10120 12640 12670 12770 15820 15980 162306549 8077 8192 8201 10190 10260 10270 12810 12840 12950 16050 16200 164606640 8189 8306 8315 10300 10400 10410 12990 13020 13130 16270 16430 166906731 8302 8420 8429 10470 10540 10550 13170 13200 13310 16490 16650 169206822 8414 8533 8543 10610 10690 10690 13350 13380 13490 16710 16880 171506912 8526 8647 8657 10760 10830 10840 13530 13560 13670 16940 17100 173807003 8638 8761 8771 10900 10970 10980 13700 13740 13850 17160 17330 176107094 8750 8875 8885 11040 11110 11120 13880 13910 14030 17380 17550 178407185 8862 8988 8999 11180 11260 11270 14060 14090 14210 17610 17780 18070钢板制矩形通风管道计算表表16压(毫米水柱)速(米/秒)1250×6301600×5001000×8001250×8001000×10001600×6301250×10001600×8002000×8001600×10002000×10001600×12502000×1250 18280 18550 18590 23240 23260 23410 29070 29760 37220 37230 46560 46570 5824018560 18840 18880 23600 23620 23770 29520 30220 27790 37810 47280 47290 5914018840 19120 19170 23950 23980 24130 29970 20680 38360 38380 47990 48010 6003019120 19410 19450 24310 24330 24490 30410 31140 38940 38950 48710 48720 6093019400 19690 19740 24670 24690 24850 30860 31590 39510 39520 49430 49440 6183019680 19980 20020 25020 25050 25210 31310 32050 40080 40100 50140 50160 6272019970 20270 20310 25380 25410 25570 31750 32510 40650 40670 50860 50870 6362020250 20550 20600 25740 25770 25930 32200 32970 41230 41240 51580 51590 6451020530 20840 20880 26100 26120 26290 32650 33420 41800 41820 52290 52310 6541020810 21120 21170 26450 26480 26650 33100 33880 42370 42390 53010 53020 6631021090 21410 21450 26810 26840 27010 33540 34340 42940 42960 53720 53740 6720021370 21690 21740 27170 27200 27370 33990 34800 43520 43530 54440 54460 6810021650 21980 22030 27530 27550 27730 34440 35260 44090 44110 55160 55170 6899021930 22260 22310 27880 27910 28090 34890 35710 44660 44680 55870 55890 6989022220 22550 22600 28240 28270 28450 35330 36170 45230 45250 56590 56600 70790钢板制矩形通风管道计算表表17压(毫米水柱)速(米/秒)120×120160×120200×120160×160250×120200×160250×160200×200250×200320×160250×250320×200400×200 401 534 673 719 838 901 1123 1129 1408 1440 1764 1806 2261406 544 681 728 848 912 1137 1143 1425 1458 1786 1829 2289411 550 690 737 858 924 1151 1157 1443 1476 1808 1851 2318416 557 698 746 869 935 1165 1171 1461 1494 1830 1874 2346421 564 707 755 879 946 1179 1186 1478 1512 1852 1896 2374426 571 715 764 890 957 1193 1200 1496 1530 1874 1919 2402431 577 723 773 900 969 1207 1214 1513 1548 1896 1941 2431436 584 732 782 911 980 1221 1228 1531 1566 1919 1964 2456441 591 740 791 921 991 1235 1242 1549 1584 1941 1987 2487446 597 749 800 935 1002 1249 1256 1566 1602 1963 2009 2515451 604 757 809 942 1014 1263 1270 1584 1620 1985 2032 2544456 611 765 818 953 1025 1277 1284 1601 1638 2007 2054 2572461 617 774 827 963 1036 1291 1298 1619 1656 2029 2077 2600466 624 782 836 974 1047 1305 1313 1637 1674 2051 2099 2628471 631 791 845 984 1059 1319 1327 1654 1692 2073 2122 2657钢板制矩形通风管道计算表表18压(毫米水柱)速(米/秒)320×250500×200400×250320×320500×250400×320630×250500×320400×400500×400630×320500×500630×400 2263 2830 2833 2903 3546 3635 4460 4546 4551 5695 5724 7128 71692291 2865 2869 2940 3591 3680 4516 4606 4607 5767 5796 7217 72582320 2901 2904 2976 3835 3726 4572 4663 4664 5838 5867 7306 73482348 2936 2940 3012 3679 3771 4627 4720 4721 5905 5939 7395 74382376 2971 2975 3048 3723 3816 4683 4777 4778 5980 6010 7485 75272405 3007 3010 3085 3768 3862 4739 4833 4835 6051 6082 7574 76172433 3042 3046 3121 3812 3907 4795 4890 4892 6123 6154 7663 77072461 3077 3081 3157 3856 3953 4850 4947 4949 6194 6225 7752 77962489 3113 3117 3193 3901 3998 4906 5004 5006 6265 6297 7841 78862518 3148 3152 3230 3945 4044 4962 5061 5063 6336 6368 7930 79752546 3184 3188 3266 3990 4089 5018 5118 5119 6407 6440 8019 80652574 3219 3223 3302 4034 4135 5074 5175 5176 6478 6511 8108 81552603 3254 3258 3339 4078 4180 5129 5232 5233 6550 6583 8197 89442631 3290 3294 3375 4122 4225 5185 5288 5290 6621 6654 8287 83342659 3325 3329 3411 4167 4271 5241 5345 5347 6692 6726 8376 8423钢板制矩形通风管道计算表表19压(毫米水柱)速(米/秒)800×320630×5001000×320800×400630×6301000×400800×5001250×4001000×500800×6301250×5001000×630800×800 7276 8975 9102 9113 11320 11400 11410 14240 14270 14390 17830 18000 182907357 9087 9216 9226 11460 11540 11550 14420 14450 14570 18050 18230 185207458 9199 9330 9340 11610 11680 11690 14590 14630 14750 18270 18450 187507549 9311 9444 9454 11750 11830 11840 14770 14810 14930 18500 18680 189807640 9423 9557 9568 11890 11970 11980 14950 14980 15110 18720 18900 192107731 9536 9671 9681 12030 12110 12120 15130 15160 15290 18940 19130 194407822 9648 9785 9796 12170 12250 12260 15310 15340 15470 19170 19350 196707913 9760 9899 9910 12310 12400 12410 15480 15520 15650 19390 19580 198908004 9872 10010 10020 12450 12540 12550 15660 15700 15830 19610 19800 201208095 9984 10130 10140 12600 12680 12690 15840 15880 16010 19830 20030 203508186 10100 10240 10250 12740 12820 12830 16020 16050 16190 20060 20250 205808277 10210 10350 10370 12880 12970 12980 16200 16230 16370 20280 20480 208108368 10320 10470 10480 13020 13110 13120 16370 16410 16550 20509 20700 210408459 10430 10580 10590 13160 13250 13260 16550 16590 16730 20730 20930 212708550 10550 10700 10710 13300 13390 13400 16730 16770 16910 20950 21150 21500钢板制矩形通风管道计算表表20压(毫米水柱)速(米/秒)1250×6301600×5001000×8001250×8001000×10001600×6301250×10001600×8002000×8001600×10002000×10001600×12502000×1250 22500 22830 22880 28600 28630 28810 35780 36630 45810 45830 57310 57720 7168022780 23120 23170 28960 28990 29170 36230 37090 46380 46400 58020 58040 7258023060 23410 23460 29310 29340 29530 36670 37550 46950 46970 58740 58750 7347023340 23690 23740 29670 29700 29890 37120 38000 47520 47540 59460 59470 7437023620 23980 24030 30030 30060 30250 37570 38460 48100 48120 60170 60190 7527023902 24260 24320 30390 30420 30610 38020 38920 48670 48690 60890 60900 7616024180 24550 24600 30750 30780 30970 38460 39380 49240 49260 61600 61620 7706024460 24830 24890 31100 31130 31330 38910 39830 49810 49840 62320 62340 7795024750 25120 25170 31460 31490 31690 39360 40290 50390 50410 63040 63050 7885025030 25400 25460 31820 31850 32050 39810 40750 50960 50980 63750 63770 7975025310 25690 25750 32170 32210 32410 40250 41210 51530 51550 64470 64490 8064025590 25980 26030 32530 32560 32770 40700 41670 52100 52130 65190 65200 8154025870 26260 26320 32890 32920 33130 41150 42120 52680 52700 65900 65920 8243026150 26550 26600 33250 33280 33490 41590 42580 53250 53270 66620 66640 8333026430 26830 26890 33600 33640 33860 42040 43040 53820 53850 67340 67350 84230钢板制矩形通风管道计算表表21。
通风设施材料核算办法
永久密闭用料核算
二、核算办法
1、永久密闭用料核算:A=S*128*墙厚度/240*1.56*1.03
A-----------------------每道设施所用砖数量,单位:块;
S-----------------------井下巷道净断面,单位:m2;
128*墙厚度/240-------每平方断面所用砖数量,单位:块;
1.56--------------------考虑掏槽系数;
1.03--------------------考虑运输过程报废系数。
2、永久风门用料核算:A=S*128*墙厚度/240*1.56*1.03
A-----------------------每道设施所用砖数量,单位:块;
S-----------------------井下巷道净断面除去门框面积,单位:m2;
128*墙厚度/240-------每平方断面所用砖数量,单位:块;
1.56--------------------考虑掏槽系数;
1.03--------------------考虑运输过程报废系数。
3、灰沙用料核算:A1= A /1200*2
A1-----------------------灰沙数量,单位:方;
4、水泥用料核算:A2= A1 /2.5
A2----------------------水泥数量,单位:吨;。
安装工程估价作业4一、单选或多选题(每小题3分,共18分)1.风机盘管配管执行(A)预算定额。
A.第八册《给排水、采暖、燃气工程》B.第六册《工业管道工程》C.第九册《通风空调工程》D.第一册《机械设备安装工程》2.通风空调专用风机安装,执行(A)预算定额。
A.第九册《通风空调工程》B.第一册《机械设备安装工程》C.第三册《热力设备安装工程》D.第八册《给排水、采暖、燃气工程》3.在消防及安全防范系统设备安装预算中,电动机检查接线、防雷接地装置等安装应执行《全国统一安装工程预算定额》(D)相应定额。
A.第七册《消防及安全防范设备安装工程》B.第十册《自动化控制仪表安装工程》C.第一册《机械设备安装工程》D.第二册《电气设备安装工程》4.第九册《通风空调工程》综合系数有:(BCDE)A.超高增加系数B.脚手架搭拆系数C.系统调整增加系数D.安装与生产同时进行增加系数E.在有害人身体健康的有害环境中施工时增加系数5.泡沫液贮罐、设备支架制作、安装等执行(C)相应项目。
A.第一册《机械设备安装工程》B.第七册《消防及安全防范设备安装工程》C.第五册《静置设备与工艺金属结构制作安装工程》D.第三册《热力设备安装工程》6.火灾自动报警系统安装中脚手架搭拆费按人工费的(B)计算,其中人工工资占25%。
A.3%B.5%C.8%D.10%二、判断题(每小题2分,共16分。
在题后括号内打“√”或打“×”,表示题的“对”或“不对”)1.不锈钢风管制作安装项目中包括管件,但不包括法兰和吊托支架,法兰和吊托支架应单独列项计算,执行相应的法兰和吊托支架子目。
( √)2.塑料通风管道制作安装项目中,包括管件、法兰、加固框,但不包括吊托支架的制作用工,吊托支架执行设备支架项目。
( √)3.计算风管工程量时,管道的长度以图示中心线为准,包括弯头、三通、变径管、天圆地方等管件的长度,但不包括部件长度。
( √)4.计算风管工程量时,风管按图示不同规格以展开面积计算。
80如何计算薄钢板风管制作工程量?风管须按其材质(普通薄钢板、镀锌薄钢板等)、制作方法(咬接、焊接)和形状(圆形和矩形)的不同,以其直径或平均直径和周长或平均周长等分别以“平方米(m2)”为单位计算。
计算风管展开面积时,风管上的检查孔、测定孔、送风口、吸风口等所占面积不扣除。
计算风管展开面积时,风管的直径和周长按图示尺寸展开。
风管的长度一律以图注中心线为准,主管与支管以其中心线交点划分。
风管长度包括弯头、三通、异径管、天圆地方等管件的长度,但不包括部件所在位置的长度。
部件长度如下:各种钢制蝶阀长度L为150mm;圆形和方形止回阀长度L为300mm;密闭对开多叶调节阀的长度L为210mm;圆风管防火阀L为D+240mm(D为风管直径);矩形风管防火阀L=B+240mm(B为风管高度)。
弯头导流叶片和帆布接口以“平方米(m2)”为单位计算;测定孔以“个”为单位计算;检查孔以“100kg”为单位计算。
81如何计算风管导流片制作安装工程量?导流片均按叶片面积计算,以平方米为计量单位。
单叶片计算公式为F=2πrθb双叶片计算公式为F=2π(r1θ1+r2θ2)b式中b导流叶片宽度;θ弧度,θ=角度×001745;角度中心线夹角;r弯曲半径。
详见示意图119。
图119风管导流叶片82怎样计算通风管道工程量?表达式怎样写?通风管道工程量是按风管施工图所示周长尺寸,乘以相应风管中心线长度的展开面积计算,不扣除检查孔、测定孔、送风口、吸风口等所占面积,咬口重叠部分已包括在定额内,这点面积不得增加。
计算风管展开面积的表达式为:风管面积=风管断面周长×风管中心线长度其风管中心线长度包括弯头、三通、变径管、天圆地方等管件长度,但不包括风管部件所占长度。
风管主管与支管的划分以其两管中心线交点为划分点。
83通风管道制作安装怎样套用定额?通风管道按制作材质、风管断面形状及尺寸以及风管板材厚度套用第九册《通风、空调工程》第一章相应子目。