职员月考核评分汇总表
- 格式:docx
- 大小:16.38 KB
- 文档页数:1
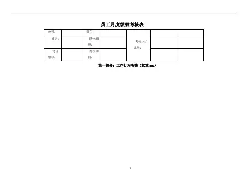
员工月度绩效查核表公司:部门:姓名:职位 / 职级:查核小构成员:考评领导:查核时期:第一部分:工作行为查核(权重25%)查核目标部门评分人事评分等级划分标准总得分权重权重权重工作态度工团队合作作行公司文化认知为考仪容仪表核环境保护共计A( 31~35 分)工作主动踊跃,有激烈责任感,常常能超前、超额达成工作任务的;B( 28~30 分)工作中品德诚实,态度诚心,基本依照规准时间达成工作任务的;C( 21~27 分)责任心一般,对工作没有太大的动力,需要监察敦促方可达成任务的;D( 20 分及以下)工作不主动,工作时间常常办理私务,或擅离岗位达 30 分钟以上者;A( 18~20 分)擅长团队、部门之间交流,协调各样关系,能自动自觉与人合作的;B(16~17 分)能较好的与人交流协调,较好地办理和别人之间关系,保持团队关系的;C( 12~15 分)协调能力一般,团队合作心不强,在工作中着重个人作用和个人利益的;D(11 分及以下)与人协调欠佳,交流困难,有碍团队合作,人为造成工作展开阻碍的;A( 18~20 分)充足认可公司公司文化,主动踊跃在实质工作中践行并宣扬公司文化的;B(16~17 分)对公司公司文化认知尚佳,对工作中表现出的公司文化有必定的认可的;C( 12~15 分)对公司公司文化认知模糊,对公司各项规章制度不关怀、不重视的;D( 11 分以下)不尊敬公司公司文化,对规章制度和公司举办的各项活动不踊跃配合的;A( 14~15 分)饱满的工作热忱,充足的工作精力,严格着装,仪态庄重要方的;B(12~13 分)精神相貌尚佳,可以依照公司规章制度着装,较好的表现精神风采的;C( 9~11 分)精神相貌尚可,形象一般,有时违犯公司规章制度中的着装要求的;D( 8 分及以下)精神涣散,精力不足,着装不切合公司要求,常常被领导责备的。
A( 10 分)可以合理的运用办公耗材,主动踊跃地保护办公环境、卫生及安全的;B( 8~9 分)工作中有必定的成本控制意识,能按要求保护办公环境、卫生及安全的;C( 6~7 分)成本控制意识淡漠,不着重节俭,对办公环境、卫生等状况不闻不问的;D( 5 分及以下)无成本义识,铺张浪费,对办公环境、卫生等造成不良影响的。
办公室人员月度考核表湖南省包装产品质量监督检验授权站办公室人员年月份月度考核表文件编号:被考核人姓名:第页共页序号考核内容标准分考核内容评分扣分情况说明考核人签名 1 遵章守纪10 1、出勤:未按照程序请假同意,迟到或早退15分钟内扣1分/次,15分钟以上扣2分/次;迟到1小时以上按旷工计,旷工半天扣5分,旷工一天扣15分。
办公室主任: 2、工作时间玩电脑游戏、上网聊天扣5分/次。
3、违反站相关规章制度(包括质量手册、程序文件与三级管理文件规定)扣1~5分/次。
4、无故不出席会议或迟到、早退,扣2分/次。
2 安全 10 1、违反安全操作规程扣5分/次;安全主管副站长: 2、出现安全事故,造成损失500元内,扣5分/次;造成损失500元以上,扣10分/次; 3、在禁烟区吸烟扣5分/次; 4、安全管理有漏洞,整改不到位扣2分/项。
3 5S 10 1、违反《行为管理规范》扣2分/次;办公室主任:2、无端浪费扣1分/次;3、所属工作区域卫生检查不合格扣2分/次。
4 办公设备管理10 1、办公设备未按规定进行日常维护保养,扣2分/(次、台);设备管理员:2、办公设备出现故障处理不及时有效,影响工作扣2分/次; 3、办公电脑使用管理不规范扣2~3分。
5 工作态度10 1、工作不协作,影响工作进度扣2分/次;办公室主任: 2、恶意攻击、诬陷领导、同事一次扣5分; 3、造谣生事、散布谣言,使我站或他人造成损失的一次扣10分;4、被顾客投诉经核实情况属实的一次扣10~15分;5、工作不主动,出现问题不积极汇报和采取措施解决的,扣4分/次;6、不服从培训安排,每次扣2分,参加了不认真学习,无记录者扣1分。
6 工作任务 20 1、工作完成不及时,每出现一次扣2分;办公室主任:2、岗位职责工作不规范,出现错误,给后期工作造成影响,扣3分/次; 3、未经允许,将工作任务转交其他人员办理,扣3分/次。
7 工作质量30 1、未按要求进行样品接收、保存、流转、处置与相关记录工作,扣2分/次;技术负责人/质量负责人:2、未按要求进行文件和档案的发放、保存与修改扣2分/次;3、质量体系记录不及时,造假记录扣2分/次;4、样品、记录、文件管理和检验报告打印不符合客户机密保护要求,扣2分/次;5、未按要求修改质量记录扣2分/次;6、未按要求及时正确填写样品流转单扣2分/次;7、客户资料维护管理出现错误扣2分/次; 8、样品编号错误扣3分/次; 9、绩效考核工作完成不及时扣2分/次; 10、未经审核、批准、授权私自向客户泄露检测结果扣10分/次;11、所属工作在质量体系审核时出现2项以上不符合项,每项扣2分; 12、检验报告寄发出现错误,扣5分/次; 13、客户申诉与投诉记录不全,汇报不及时扣2分/次。
员工个人月度查核评分表姓名: ____________部门:_____________职位:_____________填表日期:________________出勤赏罚加(扣)分评论指标本员工作20分团队协作20分要点工作15分工作能力10工作态度迟到旷工产假婚假丧假病假事假奖赏处罚上司主管查核目标和要求查核扣分标准个人评分评分严格要求自己,工作岗位职责明确,履职能力强,能1、没有尽到自己工作职责,给公司造成重要损失的,扣 5 分; 2、职责不清,责任不明,全面正确地达成本员工作。
工作中没有出现任何漏并造成工作严重失误的,扣 5 分 / 次; 3、在工作中不可以正确执行职责的,扣5分/次;4、洞。
执行职责,但成效不是显然,扣 5 分/次。
集体意识强,团队成员之间能充足交流,可以仔细听1、不与团队成员交流,完整依据个人想法工作,独断专行者,扣 5 分/ 次; 2、对团队成取对方的建议,修正个人的工作假想,发生疏歧时,员提出好的建议或要求,执拗己见,扣 5 分 / 次; 3、不可以仔细听取团队成员的建议,修正个人的工作假想,造成工作失误者,扣 5 分 / 次; 4、发生疏歧时,不单不仔细听取不单仔细听取对方的建议,并且提出有价值的建议,对方的建议,并且阻挡其余同志工作的,扣5分/次。
并达成团队整体目标的同时实现个人目标仔细达成部门拟订的当月要点工作,做到要点工作有1、要点工作没有达成,一项扣 5 分; 2、没有全面达成,视达成状况扣 3 分; 3、基本完计划、有举措、有步骤,全面达成。
成,但质量不高,扣 2 分; 4、领导交办工作因自己原由没有达成,扣 5 分/次。
1、因为不严格、不仔细,致使工作出现疏忽,并无实时挽救者。
扣3分/ 次;2、工胜任本员工作,能严格仔细地执行岗位职责,发现他2 分 / 次; 3、发现别人的工作疏忽,但不作出现问题,不可以踊跃挽救,推辞责任。
扣人的工作疏忽,能见告对方并辅助其挽救,发现隐患,3 分 / 次; 4、发现隐患,但不早先采纳举措防止问题发生。
人员月绩效考核表一、绩效考核概述绩效考核是企业管理中的一项重要工作,旨在评估员工在一定时间内的工作表现和成绩,为企业决策提供依据。
本月绩效考核表是根据员工工作情况和公司要求,对员工在过去一个月内的工作进行综合评价的工具。
二、考核指标1. 工作态度:包括工作主动性、沟通配合能力、责任心和团队合作意识等方面的表现。
2. 任务完成情况:对员工所负责的任务是否按时完成、完成质量如何进行评估。
3. 业绩贡献:根据员工的工作目标和KPI指标,评估员工在销售额、项目进展、客户满意度等方面的贡献。
4. 专业能力:对员工的专业技能、知识储备和学习能力进行评估。
5. 创新能力:评估员工对工作中的创新思维、解决问题的能力和提出改进建议的能力。
三、考核流程1. 考核期:每月的1日至月底。
2. 考核方式:由直接上级根据员工的工作情况进行综合评估,包括定期面谈、工作记录、项目成果等。
3. 考核结果:根据各项指标的得分,给予综合评级。
四、考核结果等级划分1. 优秀:在各项指标上表现出色,工作态度积极,任务完成质量高,业绩突出,专业能力强,创新能力突出。
2. 良好:在大部分指标上表现良好,工作态度积极,任务完成质量较高,业绩达到要求,专业能力较强,创新能力一般。
3. 合格:在大部分指标上表现一般,工作态度一般,任务完成质量一般,业绩达到基本要求,专业能力一般,创新能力较差。
4. 不合格:在多个指标上表现不佳,工作态度消极,任务完成质量低,业绩未达要求,专业能力较差,创新能力缺乏。
五、考核结果的影响1. 奖惩机制:根据绩效考核结果,对表现优秀的员工进行奖励,包括薪资调整、晋升、培训机会等;对表现不佳的员工进行处罚,包括薪资调整、降职、辞退等。
2. 职业发展:绩效考核结果是评估员工职业发展的重要依据,对于表现优秀的员工,公司将提供更多的发展机会和晋升空间。
3. 员工关系:绩效考核结果还将影响员工与领导、同事之间的关系,表现优秀的员工通常会受到更多的认可和支持。
职工考核评分标准(月)编号: RBPM-RL-05-F2 版本:0/B 表格生效日期:XXXX年X月X日序号:XX管理有限公司职员即时奖惩通知书编号: RBPM-RL-05-F3 版本:B/1 表格生效日期:XXXX年X月X日序号:致先生/女士部门:职位:由部(处)先生/女士签发日期:一、事实说明:二、鉴于上述情况,给予如下:即时奖励即时处罚三、部门意见:签名:日期:四、管理处意见:签名:日期:五、人事行政部意见:签名:日期:六、分管领导意见:签名:日期:七、总经理意见:签名:日期:八、签认意见:签名:日期:XX管理有限公司职员季度考核表编号: RBPM-RL-05-F4 版本:0/B 表格生效日期:XXXX年X月X日序号:现职务适应性:能胜任更困难的工作。
保持现职工作。
建议调离现职务或现工作地。
建议接受培训,如。
其他。
注:评分的含义:A.远超过本人职务及等级所要求的能力(10分) B.略超过本人职务及等级所要求的能力(8分)C.达到本人职务及等级所要求的能力(6分) D.略低于本人职务及等级所要求的能力(4分)E.低于本人职务及等级所要求的能力(2分)考核总成绩为百分制,实际得分为各项得分总和,70分以上(含70分)为合格。
XX管理有限公司职工考核评分汇总表(月)编号: RBPM-RL-05-F5 版本:0/B 表格生效日期:XXXX年X月X日序号:部门主管审核:管理处经理审批:人事行政部审批:评分标准:1.得分100(加减)奖罚分。
2.根据奖惩项目及情节轻重选择浮动分。
3.凡奖罚分在21-30分之间,须附经理书面报告,经部门经理审核,报人力资源部审批。
月度考核成绩汇总表
考核所属期: 年□经理以上员工(所属系统: )被考核者
类别
□经理以下员工(所属部门: )总人数等级S 优秀A 良好B 合格C 较差D 很差人数
考核结果统计
(首页填写)比例
月度考核等级
月度考核等级被考核者姓名
第一考核者评价第二考核者复核被考核者姓名第一考核者评价第二考核者复核第一考核者
签名
第二考核者签名总办
经理签名总办汇总人签名
考核等级说明:
S 优秀9≤X <10——工作绩效大大高于期望水平(非常出色) A 良好8≤X <9——工作绩效高于期望水平(没有问题)
B 合格7≤X <8——工作绩效达到期望水平(能够胜任)
C 尚可6≤X <7——工作绩效达不到期望水平(有问题)
D 很差X <6——工作绩效完全达不到期望水平(有相当大的问题)
MF/C 128/A。
基础工作评鉴(直初评考核项目10分8分5分3分扣分项5分3分2分0分10分8分3分0分扣分项10分7分3分0分10分8分3分0分10分7分5分0分加分项得分项10分5分4分3分1分0分5分3分1分0分评分小计扣分项得分项得分项六.工作质量(13)七.工作效率 (12)九.创新能力(5)十.工作计划性(5)得分项得分项得分项得分项得分项得分项总经理综评(总分20分 --权重20%):绩效考核得分(一项得分+二项得分+总经理综评):直属主管(签字): 日期: 分管副总(签字): 日期: 总经理(签字):一.出 勤(10分)二.日常5S(5分)三.团队精神(10分)四.日常礼仪(10)五.工作积极性(10)6.无故旷工、失联当月考核总分为0分说明:如在第2项中,表现介于B ~ C之间,根据程度可以评5~8之间的分数,如:5.5,6,6.5,7,7.5分。
直属主管初评, 经理或副总复评,(二)项得分: {项目经理评分/总分}*0.2*100 --权重20%3.当月受警告或记过处分的当月考核总分为0分4.不服从领导安排,顶撞领导的当月考核总分为0分5.损害公司利益,或严重影响公司形象的当月考核总分0分D.在工作的过程中缺乏有效的计划与组织(1)E.在工作的过程中无计划与组织(0)注:若有违反下列之一的当月考核总分为0分1.设计失效率低于80%当月考核总分为0分2.项目设计延迟三天当月考核总分为0分B.常常有新的建议解决问题;很有想象力(4分)C.有一定量的新方法,想象力一般(3分)D.偶尔会想出新方法(1分)E. 无A.在工作的过程中计划组织非常出色(5分)C.在工作的过程中有一定的计划与组织(3分)D.工作经常出错,需要长期监督、提醒(0分)A.灵活巧妙地利用时间,按照规划周期提前完成任务(一天3分)(两天8分)(三天15分)B.按时完成当天工作(10分);C.所分配工作不能按时完成,不能有效率的利用时间,延迟1天(-2分);延迟2天(-5分);延迟3天(-10分)A.总是有新的,好的方法解决问题,很有创新精神(5分)B.工作上经常主动(3分);工作量较多(3分);能够超出任务要求(2分)C.工作较主动(2分);工作量一般(1分)D.工作不主动(0分);工作量较少(0分);达不到任务要求(0分)A.本职工作正确率95%以上(5分);细节处理很到位(3分);卫生区域及时清扫且合格(2分)B.本职工作正确率95%以下(3分);细节处理好(2分);卫生区域请扫及时但效果一般(2分)C.(3)卫生区域请扫效果合格但不及时(2分)E. 在团队合作中极其不配合,还对团队目标的实现产生负面影响或负面情绪影响到其他成员(-10分)A.对待员工咨询问题语气柔和亲切有耐心(4分);交流时面带微笑(2分),接电话礼貌用语(2分),处理工作纠纷有B.对待员工咨询较有耐心但语气生硬(4分);交流时语气柔和但面无表情(3分)C.经常要他人提醒才注意礼仪(3分);D.对员工咨询态度恶劣(0分),接电话太多恶劣(0分);经他人提醒仍不改正(0分);A.常主动要求承担更多的工作和任务(4分).工作主动性高(3分);工作量比其他成员多(3分)C.较遵守办公室5S管理规定(2分)D.不能贯彻服从管理规定,我行我素(0分)A. 很积极主动与团队成员合作,共同完成团队工作目标(10分)B. 视自己为团队的一员,为实现团队工作目标努力(8分)C. 较被动地成为团队的一员,只关注自己工作的一块,不能主动与团队其他成员合作(3分)D. 完全不愿意与团队其他成员不配合,不利于团队目标的实现(0)B.所有请假都能提前申请,月度事假为1天,调休不超过2天(8分)C.所有请假都能提前申请,月度事假为3天,调休不超过5天(5分)D.无提前申请的情况下请假(2分),假数总天数多于5天(1分)E.迟到早退1次(-1分)迟到早退2次(-3分)迟到早退3次(-5分)迟到早退4次(-8分)累计出勤扣完为止A. 桌面5S 保持很好(2分);所属区域5S 洁净(2分);监督提醒其他成员(1分)B.遵守办公室5S 管理规定(1分);桌面5S 保持不错(1分);所属区域5S 不错(1分)公司员工月度绩效考核表姓名: 员工编号: 职务: 所属月份:(一)项得分: {(自评+初评+复评)/总分}*0.6*100 --权重60%考核评分标准A.合适的安排请假及休假时间,月度事假为0天;调休不超过1天,其它假为0天(10分)份:。