数控车中级工图纸及评分标准(六套)
- 格式:doc
- 大小:465.00 KB
- 文档页数:12
机械类—数控车工操作考试评分标准数控车工操作考试评分标准由工件质量和职业素养(现场操作规范)两部分组成,总分为工件质量分与职业素养(现场操作规范)分之和。
一、工件质量评分标准1. 工件质量分的配分公布的工件质量评分标准(评分样表)中每一项评分项目(对应试题加工表面特征类型)为一个配分值区间;考试使用的工件质量评分标准中每一项评分项目(对应试题图样标注要素)为一个确定的配分数值。
2. 工件质量分的评定考试结束后由评定人员测量工件各评分项目的实际要素,填写检测结果,根据评定标准评定该项目的得分,各项得分之和即为工件质量分。
二、职业素养(现场操作规范)评分标准在考试过程中由评定人员按现场操作规范评定,单项分值按评分标准扣完为止。
若出现否决项则职业素养(现场操作规范)评分总分按零分计。
三、考试时间及考试停止操作考试时间150分钟包括工件加工与交卷、考试结束前的工位清理、卫生工作等。
以下情况考生必须立即停止考试:1.考评人员指出考生严重违反安全操作规程。
2.考试时间结束。
3.发生重大安全事故,终止考试。
四、考试说明1.考件材料和考试所使用的设备由考点统一准备。
2.考试所使用的工、量、刃、辅具等由考点统一准备。
3.公布的考场准备单样表为考生考前培训参考用,正式的考场准备通知单根据考点实际情况可能略有调整,不再公布。
4.考试过程中如发生因考生操作失误引起设备损坏情况,设备维修费用由参加考试的学校和学生共同承担,社会考生则由考生本人承担。
机械类—数控车工准备通知单(样表)一、材料准备:二、设备准备:四、工具准备:机械类—数控车工现场操作规范评分表准考证号考试场次工位号机械类—数控车工工件质量评分表(样表)。
131A 数控车工国家职业技能鉴定标准表 A-1 中级车工(数控车工)国家职业技能鉴定标准附录B 数控铣工国家职业标准1.职业概况1.1 职业名称数控铣工。
1.2、职业定义从事编制数控加工程序并操作数控铣床进行零件铣削加工的人员。
1.3职业等级本职业共设四个等级,分别为:中级(国家职业资格四级)、高级(国家职业资格三级)、技师(国家职业资格二级)、高级技师(国家职业资格一级)。
1.4职业环境室内、常温。
1.5职业能力特征具有较强的计算能力和空间感,形体知觉及色觉正常,手指、手臂灵活,作协调。
1.6基本文化程度高中毕业(或同等学历)。
1.7培训要求1.7.1培训期限全日制职业学校教育,根据其培养目标和教学计划确定。
晋级培训期限:中级不少于400标准学时;高级不少于300标准学时;技师不少于300标准学时;高级技师不少于300标准学时。
1.7.2培训教师培训中、高级人员的教师应取得本职业技师及以上职业资格证书或相关专业中级及以上专业技术职称任职资格;培训技师的教师应取得本职业高级技师职业资格证书或相关专业高级专业技术职称任职资格;培训高级技师的教师应取得本职业高级技师职业资格证书2年以上或取得相关专业高级专业技术职称任职资格。
1.7.3培训场地设备满足教学要求的标准教室、计算机机房及配套的软件、数控铣床及必要的刀具、夹具、量具和辅助设备等。
1.8鉴定要求1.8.1 适用对象从事或准备从事本职业的人员。
1.8.2申报条件——中级:(具备以下条件之一者)(1)经本职业中级正规培训达规定标准学时数,并取得结业证书。
(2)连续从事本职业工作不少于5年。
(3)取得经劳动保障行政部门审核认定的,以中级技能为培养目标的中等以上职业学校本职业(或相关专业)毕业证书。
(4)取得相关职业中级《职业资格证书》后,连续从事相关职业不少于2年,经正规培训并取得毕业证书。
——高级:(具备以下条件之一者)(1)取得本职业中级职业资格证书后,连续从事本职业工作不少于2年,经本职业高级正规培训,达到规定标准学时数,并取得结业证书。
数控车削(高级)技能实训示例练习一一、实训目的(1)能根据零件图的要求,合理编制加工程序。
(2)保证零件的加工精度及表面粗糙度。
(3)培养学生综合应用的思考能力。
二、加工操作步骤参见GJLX一01图,加工该零件时一般先加工零件左端,然后调头加工零件右端。
加工零件左端时,编程零点设置在零件左端面的轴心线上。
加工零件右端时,编程零点设置在零件右端面的轴心线上。
1.零件左端加工步骤(1)夹零件毛坯,伸出卡盘长度50mm。
(2)钻孔(Φ20 X 29mm)。
(3)车端面。
(4)粗、精加工零件左端轮廓至尺寸要求。
(5)粗加工内孔。
(6)精加工内孔至尺寸要求。
(7)回参考点,程序结束。
2.零件右端面加工步骤(1)夹Φ40外圆。
(2)车端面保证零件总长。
(3)粗加工零件右端轮廓。
(4)精加工零件右端轮廓至尺寸要求。
(5)切槽5 X 1.5至尺寸要求。
(6)粗、精加工螺纹至尺寸要求。
(7)回换刀点,程序结束。
三、注意事项(1)工作需调头加工,注意工件的装夹部位和程序零点设置的位置。
(2)合理选择刀具、切削用量,提高零件加工质量。
(3)注意圆弧坐标点的计算。
刀具选择表五、加工参考程序O0001 (零件左端)N05 T0101 M03 S600 G0 X100 Z100 (主轴正转、换1号刀)N10 G0 X52 Z0N15 G1 X-1 F0.2 (车端面)N20 G0 X100 Z100N25 T0505N30 G0 X19 Z2 (循环起点)N35 G71 U1 R1 (内孔粗加工循环)N40 G71 P45 Q80 U-0.5 W0.1 F0.3N45 G0 X32N50 G1 Z0 F0.1N55 X30 Z-1N60 Z-9N65 X26 Z-16N70 Z-24N75 X20N80 Z-29N85 G0 X100 Z100 (返回换刀点)N90 M05N95 M00 (暂停、测量、补偿)N100 M03 S1000 T0505N105 G0 X19 Z2N110 G70 P45 Q80 (内孔精加工循环)N115 G0 X100 Z100 (返回换刀点)N120 M05N125 M00N130 M03 S600 T0202 (换2号刀车外圆)N135 G0 X52 Z2 (循环起点)N140 G71 U1 R1 (外圆粗加工循环)N145 G71 P150 Q180 U0.5 W0.1 F0.3N150 G0 X37N155 G1 Z0 F0.1N160 X40 Z-1.5N165 Z-24N170 X46N175 X48 Z-25N180 Z-40N185 G0 X100 Z100N190 M05N195 M00N200 M03 S1000 T0202N205 G0 X52 Z2N210 G70 P150 Q180 (外圆精加工循环)N215 G0 X100 Z100N220 M05 (返回换刀点)N225 M30;(程序结束、机床复位)调头加工O0002 (零件右端)N05 T0101 M03 S600 G0 X100 Z100 (主轴正转、换1号刀)N10 G0 X52 Z0 (循环起点)N15 G1 X-1 F0.2 (车端面)N20 G0 X100 Z100N25 T0202 (换2号刀)N30 G0 X52 Z2 (循环起点)N35 G73 U10 R15 (外圆轮廓粗加工循环)N40 G73 P45 Q110 U0.5 W0.1 F0.3N45 G0 X21N50 G1 Z0 F0.1N55 X23.8 Z-1.5N60 Z-25N65 X24N70 Z-30N75 G2 X28 Z-44 R10N80 G1 Z-52N85 X30N90 G3 X40 Z-57 R5N95 G1 Z-64N100 X46N105 X48 Z-65N110 G0 U5N115 X100 Z100 (返回换刀点)N120 T0303 S400 (切槽)N125 G0 X25 Z-25N130 G1 X21 F0.15N135 G0 X25N140 Z-24N145 G1 X21 F0.15N150 Z-25N155 G0 X100N160 Z100N165 M05N170 M00 (暂停、测量、补偿)N175 M03 S1000 T0202N180 G0 X52 Z2N185 G70 P45 Q110 (外圆轮廓精加工循环)N190 G0 X100 Z100N195 T0404 S700 (换4号刀)N200 G0 X26 Z2 (循环起点)N205 G92 X23 Z-22 F1.5 (螺纹切削固定循环)N210 X22.725N215 X22.425N220 X22.125N225 G0 X100 Z100;(返回换刀点)N230 M05N235 M30;(程序结束、机床复位)练习一零件图练习二一、实训目的(1)能根据零件图的要求,合理编制加工程序。
要求:车削一定要在熟悉车床之后进行并首先会刃磨外圆车刀。
D L Ra1 Ø45 —0 0.10142±0.50 6.32 Ø40 —0 0.10140±0.30 3.2序号质检内容配分评分标准1 外圆公差30 超0.02扣5分2 外圆RX6.3 20 降一级扣10分3 长度公差10 超差不得分4 倒角二处5×2 不合格不得分5 平端面二处5×2 不合格不得分6 接刀痕 5 接刀痕大扣分7 工件完整 5 不完整扣分8 安全文明操作10 违章扣分材料毛坯时间第三次课件请保留45 Ø50x145序号质检内容配分评分标准1 外圆公差三处10x3 超0.01扣2分2 外圆Ra3.2 三处6x3 降一级扣3分3 长度公差三处4x3 超差不得分4 倒角二处3x2 不合格不得分5 平端面二处4x2 不合格不得分6 清角去锐边四处2x4 不合格不得分7 工件完整 5 不完整扣分8 安全操作10 违章扣分材料毛坯时间45 Ø50x150多台阶车削(三)序号质检内容配分评分标准1 外圆公差六处5x6 超0.01扣2分,超0.02不得分2 外圆Ra3.2 六处3x6 降一级扣2分3 长度公差六处3x6 超差不得分4 倒角二处2x2 不合格不得分5 清角去锐边十处10 不合格不得分6 平端面二处2x2 不合格不得分7 工件外观 6 不完整扣分8 安全文明操作10 违章扣分此件用上次课件改制材料毛坯时间45一夹一顶练习(四)序号质检内容配分评分标准1 外圆公差四处8x4 超0.01扣2分,超0.02不得分2 外圆Ra3.2 四处4x4 降一级扣2分3 长度公差四处3x4 超差不得分4 倒角二处3x2 不合格不得分5 清角二处2x3 不合格不得分6 平端面二处3x2 不合格不得分7 中心孔 5 不合格不得分8 工件外观7 不完整扣分9 安全文明操作10 违章扣分要求:会正确使用A.B型中心钻。
131A 数控车工国家职业技能鉴定标准表 A-1 中级车工(数控车工)国家职业技能鉴定标准附录B 数控铣工国家职业标准1.职业概况1.1 职业名称数控铣工。
1.2、职业定义从事编制数控加工程序并操作数控铣床进行零件铣削加工的人员。
1.3职业等级本职业共设四个等级,分别为:中级(国家职业资格四级)、高级(国家职业资格三级)、技师(国家职业资格二级)、高级技师(国家职业资格一级)。
1.4职业环境室内、常温。
1.5职业能力特征具有较强的计算能力和空间感,形体知觉及色觉正常,手指、手臂灵活,作协调。
1.6基本文化程度高中毕业(或同等学历)。
1.7培训要求1.7.1培训期限全日制职业学校教育,根据其培养目标和教学计划确定。
晋级培训期限:中级不少于400标准学时;高级不少于300标准学时;技师不少于300标准学时;高级技师不少于300标准学时。
1.7.2培训教师培训中、高级人员的教师应取得本职业技师及以上职业资格证书或相关专业中级及以上专业技术职称任职资格;培训技师的教师应取得本职业高级技师职业资格证书或相关专业高级专业技术职称任职资格;培训高级技师的教师应取得本职业高级技师职业资格证书2年以上或取得相关专业高级专业技术职称任职资格。
1.7.3培训场地设备满足教学要求的标准教室、计算机机房及配套的软件、数控铣床及必要的刀具、夹具、量具和辅助设备等。
1.8鉴定要求1.8.1 适用对象从事或准备从事本职业的人员。
1.8.2申报条件——中级:(具备以下条件之一者)(1)经本职业中级正规培训达规定标准学时数,并取得结业证书。
(2)连续从事本职业工作不少于5年。
(3)取得经劳动保障行政部门审核认定的,以中级技能为培养目标的中等以上职业学校本职业(或相关专业)毕业证书。
(4)取得相关职业中级《职业资格证书》后,连续从事相关职业不少于2年,经正规培训并取得毕业证书。
——高级:(具备以下条件之一者)(1)取得本职业中级职业资格证书后,连续从事本职业工作不少于2年,经本职业高级正规培训,达到规定标准学时数,并取得结业证书。
数控车工中级操作技能考核试卷
考件编号::号:单位:
本题分值:100分
考核时间:240分钟
考核形式:现场笔试和现场操作
具体考核要求:
一、工艺制定(10分)
二、编制程序(20分)
三、现场操作:
1、数控车床操作与工量刃具使用(5分)
2、数控车床维护保养与精度检验(5分)
3、零件加工(60分)按零件图完成加工操作
总成绩表
合计
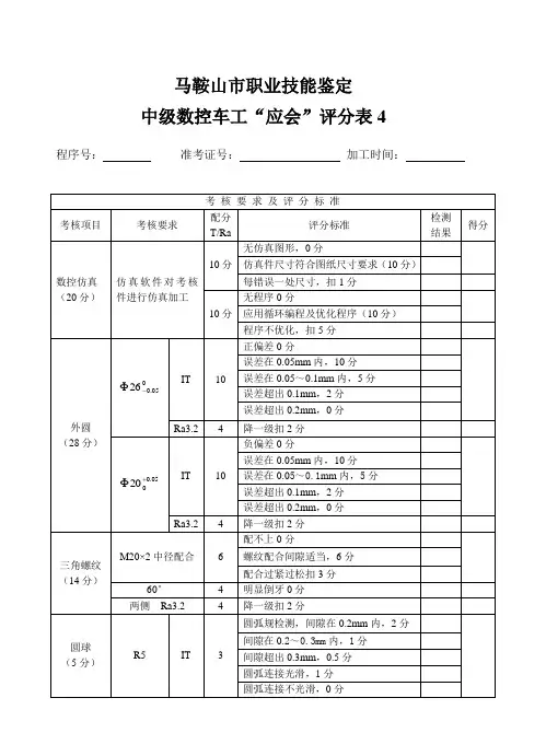
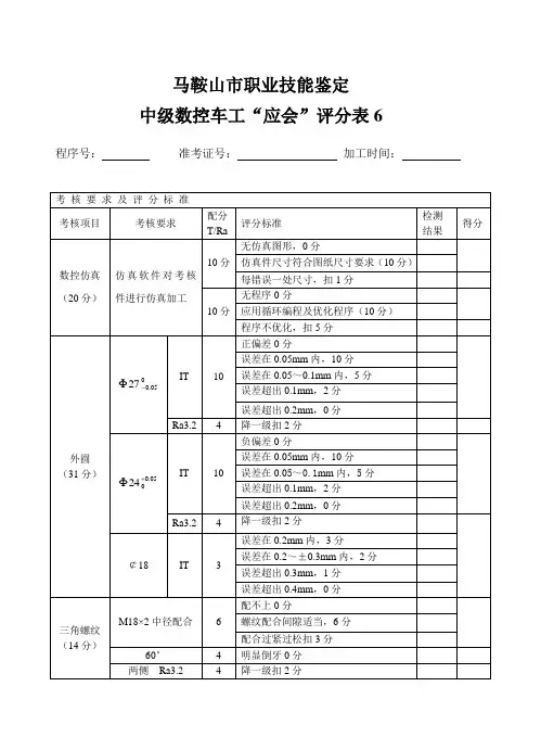
零件加工评分表
评分人:年月日核分人:年月日
省职业技能鉴定
数控车工中级操作技能考核试卷
考件编号::号:单位:
本题分值:100分
考核时间:240分钟
考核形式:现场笔试和现场操作
具体考核要求:
二、工艺制定(10分)
二、编制程序(20分)
三、现场操作:
1、数控车床操作与工量刃具使用(5分)
2、数控车床维护保养与精度检验(5分)
3、零件加工(60分)按零件图完成加工操作
总成绩表
合计
零件加工评分表
考评员:年月日考评组长:年月日
省职业技能鉴定
数控车工中级操作技能考核试卷
考件编号::号:单位:
本题分值:100分
考核时间:240分钟
考核形式:现场笔试和现场操作
具体考核要求:
三、工艺制定(10分)
二、编制程序(20分)
三、现场操作:
1、数控车床操作与工量刃具使用(5分)
2、数控车床维护保养与精度检验(5分)
3、零件加工(60分)按零件图完成加工操作
总成绩表
合计
零件加工评分表
评分人:年月日核分人:年月日
省职业技能鉴定
数控车工中级操作技能考核试卷
考件编号::号:单位:
本题分值:100分
考核时间:240分钟
考核形式:现场笔试和现场操作
具体考核要求:
四、工艺制定(10分)
二、编制程序(20分)
三、现场操作:
1、数控车床操作与工量刃具使用(5分)
2、数控车床维护保养与精度检验(5分)
3、零件加工(60分)按零件图完成加工操作
总成绩表
合计
零件加工评分表
评分人:年月日核分人:年月日
省职业技能鉴定
数控车工中级操作技能考核试卷
考件编号::号:单位:
本题分值:100分
考核时间:240分钟
考核形式:现场笔试和现场操作
具体考核要求:
五、工艺制定(10分)
二、编制程序(20分)
三、现场操作:
1、数控车床操作与工量刃具使用(5分)
2、数控车床维护保养与精度检验(5分)
3、零件加工(60分)按零件图完成加工操作
总成绩表
合计
零件加工评分表
评分人:年月日核分人:年月日
省职业技能鉴定
数控车工中级操作技能考核试卷
考件编号::号:单位:
本题分值:100分
考核时间:240分钟
考核形式:现场笔试和现场操作
具体考核要求:
六、工艺制定(10分)
二、编制程序(20分)
三、现场操作:
1、数控车床操作与工量刃具使用(5分)
2、数控车床维护保养与精度检验(5分)
3、零件加工(60分)按零件图完成加工操作
总成绩表
合计
零件加工评分表
考评员:年月日考评组长:年月日。