化工生产区域防火安全检查表
- 格式:doc
- 大小:29.50 KB
- 文档页数:4
化工行业通用安全检查表模版一、场地安全检查1. 运输通道是否畅通,无堆放杂物、无积水等隐患?2. 场地内是否存在可燃、易燃物质存放是否符合规定?3. 是否对危险区域进行标识和隔离?4. 场地是否有足够的消防器材,并定期维护检修?5. 有无明火、静电火花、电焊等可能引发火灾的情况?二、设备设施安全检查1. 设备运行是否正常,无异响、漏气、漏油、漏电等现象?2. 电气设备有无漏电、短路、过载等问题,线缆是否破损、老化?3. 是否定期进行安全阀、压力表、传感器的检修和更换?4. 高温设备有无过热,冷却设备是否正常运行?5. 是否定期对设备进行维修保养,并制定保养计划和记录?三、物品存放与处理安全检查1. 化学品存放是否符合规定,并做到分类分级存放?2. 有无出现化学品泄漏、溢出、混装等情况,相关急救设备是否齐全?3. 是否对废弃物进行分类、密封、妥善处理?4. 装载物品的搬运工具是否完好,使用人员是否已接受操作培训?5. 若存在危险化学品,是否建立相应的防护措施和操作规程?四、劳动保护安全检查1. 是否存在不合格的劳动保护用具(如安全帽、口罩、防护服等)?2. 是否定期开展职业健康体检,并建立档案?3. 有无存在职业病防护标识和警示,并对职工进行相关培训?4. 若存在噪音、粉尘、有害气体等因素,是否采取相应措施进行防护?5. 是否建立并贯彻安全操作规程,员工是否了解并遵守操作规程?五、应急管理安全检查1. 是否建立健全的应急管理机制,明确各级责任人及应急处置流程?2. 是否设立应急疏散通道,并定期进行演练?3. 有无建立应急救援队伍,成员是否经过培训,设备是否齐全?4. 是否制定危化品泄漏、火灾等事故的应急预案,并进行定期演练和评估?5. 是否建立事故记录和事故分析机制,形成相关改进措施?六、环境保护安全检查1. 是否定期对废气、废水、固体废弃物等进行监测,是否达到环保要求?2. 是否遵守国家和地方相关环保法规,无违法排放行为?3. 是否建立污染物事故应急预案,对可能发生的事故进行评估和控制?4. 是否对绿化工作进行管理,并定期开展环保宣传教育活动?5. 是否建立环境安全管理体系,进行环境风险评估和管控?以上是化工行业通用安全检查表模版,用以指导化工企业进行日常安全检查,确保生产经营过程中的安全。
化工行业通用安全检查表1. 厂区环境安全检查- 检查周边环境是否存在可燃物质或有毒物质和其他危险材料的储存或使用。
- 检查有无明火、电火花等可引发火灾的情况。
- 检查是否存在堆放不当的垃圾、废弃物或其他易燃易爆物品。
- 检查现场是否存在狭窄通道、堆积过高的货物或仓库内物品摆放不规范。
- 检查场内通道是否保持畅通,消防设施是否完好。
- 检查是否存在可能导致环境污染的事故隐患。
2. 设备安全检查- 检查生产设备的使用情况,确保设备正常运行和维护。
- 检查设备周围是否存在杂物、易燃物质或有害物质的积聚。
- 检查设备是否存在安全防护装置,如安全门、防护网等。
- 检查工艺设备是否有泄漏现象,如压力表是否正常工作,管道是否有渗漏等。
- 检查设备的接地是否符合规范,电气设备是否有漏电、过负荷等问题。
3. 危险品储存和管理检查- 检查危险品储存区域是否设置明确的警示标志,并保持通畅。
- 检查危险品存储是否符合规定,如密闭存放、分类储存等。
- 检查危险品管理制度是否完备,是否有专人负责危险品的管理和监管。
- 检查危险品的防火、防爆措施是否符合规定,如成品保护、包装完好等。
- 检查危险品存放区域是否定期巡查,是否有漏检或存放不当的情况。
4. 员工安全培训和管理检查- 检查员工的安全培训情况,包括工作操作规程、安全生产知识等。
- 检查员工是否配备个人防护装备,如安全帽、防护眼镜、防护手套等。
- 检查安全教育宣传情况,如是否定期组织安全教育活动,是否设置安全提示标语等。
- 检查员工的身体健康状况,是否存在患病或酒后上班等情况。
5. 突发事件应急预案和演练检查- 检查突发事件应急预案的编制情况,是否符合相关法规要求。
- 检查应急设备的运行情况,如灭火器、应急照明设备等是否能正常使用。
- 检查应急预案的演练情况,是否定期组织演练,是否进行实地演练。
- 检查应急通信设备是否畅通可用,如紧急电话、对讲机等是否能够正常通讯。
6. 安全防护设施检查- 检查安全通道是否畅通,紧急出口是否标识清晰。
化工企业安全生产检查表化工企业安全生产检查表化工企业安全生产是保障员工生命安全和企业财产安全的重要环节,为了确保安全生产的顺利进行,制定一份完整的安全生产检查表是非常必要的。
以下是化工企业安全生产检查表的一个示例:一、基础设施检查1. 厂区围墙和门窗是否完好无损。
2. 厂区内道路是否坚固平整。
3. 厂区内消防通道是否畅通无阻。
4. 厂房、仓库和设备有无老化、断裂、变形等损坏状况。
5. 厂区内防火设施、报警器材是否功能正常。
二、设备设施检查1. 生产设备是否正常运行,有无异常声响或异味。
2. 生产设备是否经过定期维护和保养。
3. 设备周边是否有防护设施,如护栏、防护网等。
4. 相关设备是否按照规定进行定期检修。
三、物品管理检查1. 厂区内存放的原材料和产品是否标识清晰。
2. 厂区内是否存在未使用的化学品和废弃物,是否及时清理。
3. 化学品和危险品是否进行分类储存,并根据安全要求进行固定和封存。
4. 物品堆放是否整齐有序,避免堆积过高或不规范造成意外。
四、安全操作检查1. 员工是否佩戴个人防护用具,如安全帽、防护眼镜等。
2. 员工是否按照操作规程进行作业,并掌握相应的应急措施。
3. 生产过程中是否存在火源或易燃物品,是否采取了相应的防火措施。
4. 特殊设备操作人员是否持有相应的操作证书和资格。
五、应急准备检查1. 灭火器和消防栓是否按时进行检修及维护。
2. 避难通道是否畅通,避难场所是否配备应急物资。
3. 消防设备和逃生装置是否易于操作和使用。
4. 是否定期组织应急演练,提高员工应对突发事件的能力。
六、安全培训检查1. 是否定期组织化工安全培训,包括危险品的识别和应对。
2. 员工是否参加培训并取得相关的安全资格证书。
3. 员工对应急预案和应急演练的熟悉程度如何。
4. 临近厂区的居民是否定期接受安全宣传和教育。
以上是化工企业安全生产检查表的一部分内容,通过这份检查表的使用,有助于发现和解决化工企业安全生产的薄弱环节,提升化工企业的安全生产管理水平。
精细化工企业工程设计防火标准GB51283-2020(修订版)安全检查表四、厂址选择与工厂总平面布置(一)厂址选择(二)工厂总平面布置生产设施、仓库、储罐与道路的防火间距,不应小于表4.3.2的规定。
注:原料、产品的运输道路应布置在爆炸危险区域之外。
五、工艺系统及生产设施(一)一般规定(二)反应器(三)泵、压缩机(四)导热油(五)生产设施内布置(六)污水处理及循环水(七)泄压排放(八)过程检测及自动控制六、仓储设施(一)一般规定(二)可燃液体储罐于5m³丙类液体折算。
工厂储罐组内相邻地上储罐之间的防火间距不应小于表6.2.6的规定注:1 D为相邻较大罐的直径;2 不同液体、不同形式储罐之间的防火间距不应小于本表规定的较大值;3 采用固定冷却消防方式时,甲B、乙类液体的固定顶罐之间的防火间距不应小于0.6D;4 同时设有液下喷射泡沫灭火设备、固定冷却水设备和扑救防火堤内液体火灾的泡沫灭火设备时,储罐之间的防火间距可适当减小,但不宜小于0.4D;5 “*”表示本标准不适用。
(三)液化烃、可燃气体、助燃气体储罐(四)可燃液体、液化烃汽车装卸设施(五)厂内仓库七、管道布置(一)厂内管线综合(二)工艺及公用物料管道(三)含可燃液体生产污水管道八、厂房(仓库)建筑防火(一)厂房(仓库)耐火等级与构件耐火极限厂房(仓库)柱间支撑、水平支撑构件的燃烧性能和耐火极限不应低于表8.1.2的规定,厂房(仓库)其他构件的燃烧性能和耐火极限应按现行国家标准《建筑设计防火规范》GB50016确定。
(二)厂房(仓库)高度、层数、面积(三)厂房(仓库)平面布置(四)、厂房(仓库)防爆(五)厂房(仓库)安全疏散九、消防设施(一)一般规定(二)企业消防站(三)消防给水(四)消火栓系统(五)自动灭火系统(六)灭火器设置(七)消防排水十、供暖通风与空气调节(一)供暖系统(二)通风与空气调节(三)正压送风(四)事故通风(五)防排烟十一、电气(一)消防电源、配电(二)变压器和配电柜及电缆敷设(三)消防应急照明(四)防雷和防静电(五)火灾自动报警系统注:1 居住区、村镇指1000人或300户及以上者;与居住区、村镇及公共建筑物之间的间距,除应符合本规定外,尚应符合现行国家有关标准的规定。
石油化工厂安全检查表
1. 厂区设施
- 有无明显漏油点或油污
- 电气设备是否正常运行
- 输送管线的完整性和稳定性
- 是否存在明火或易燃物品存放
2. 事故预防与管理
- 是否更新了紧急预案和事故响应流程
- 紧急疏散路线是否明确标示
- 灭火设备是否齐全,并经常维护
- 是否定期进行事故演练和培训
3. 资料和记录
- 是否有操作规程和安全操作手册
- 是否定期记录和检查设备运行情况
- 是否有事故记录和处理报告
- 资料是否分类妥善保存
4. 工作环境
- 是否提供适当的个人防护装备
- 是否遵守危险品包装和标识规定
- 操作人员是否接受了安全教育和培训
- 是否有适当的通风设施和防爆措施
5. 环境保护
- 废水排放是否符合环保要求
- 废气处理设施是否完善
- 是否定期检测大气和土壤质量
- 是否有环评报告和环保监测记录
以上是一份石油化工厂安全检查表的要点,可以根据实际情况进行补充,并在检查过程中认真记录和解决存在的问题。
请务必遵循相关法律法规,并确保检查过程的安全性和可靠性。
化工行业安全检查表1. 工作场所安全- 工作场所是否有足够的出口和逃生通道?- 是否设有明显的安全出口指示?- 工作区域是否清洁整齐,没有杂物和障碍物?- 是否提供足够的照明设施,以确保工作区域的良好可见性?- 是否有紧急灭火器和其他灭火设备,并且易于获取?2. 员工培训和意识- 所有员工是否接受过适当的安全培训?- 是否有定期的安全培训更新课程?- 员工是否了解有害物质的正确使用和处理方法?- 是否强制员工遵守安全操作规程?- 是否提供适当的个人保护装备,并要求员工使用?3. 有害物质管理- 是否有明确的有害物质存储地点和标识?- 是否有正确的有害物质储存方法和密封措施?- 是否有定期的有害物质清点和库存记录?- 是否有健全的有害物质处理程序,并符合法规要求?- 是否进行有害物质泄漏和事故紧急处理演练?4. 设备和安全装置- 是否定期检查和维护化工设备,确保其正常运行?- 是否安装了安全装置,如压力阀、报警器和紧急停机按钮?- 是否有适当的设备操作程序和安全操作手册?- 是否有定期的设备维护和记录?- 是否定期进行设备和安全装置的功能测试?5. 消防安全- 是否有明确的消防疏散计划和指示?- 是否定期进行消防设备检查、维护和测试,如消防栓、喷淋系统和烟雾探测器?- 是否有培训员工使用消防设备和灭火器?- 是否进行定期的消防演练和紧急疏散演练?- 是否有与当地消防部门的联系并接受其审查?6. 安全记录和报告- 是否有健全的安全记录和事故报告程序?- 是否有安全巡检记录和定期安全检查报告?- 是否按照法律和规定要求报告记录事故和伤害?- 是否积极记录并处理员工的安全投诉和建议?- 是否定期进行安全管理评估和改进?以上是化工行业安全检查表的主要内容,请根据实际情况进行适当调整和补充。
化工行业通用安全检查表范本一、安全管理制度方面1. 安全生产责任制是否明确,责任人是否明确、到位并做好履职?2. 安全管理人员是否具备相应的资质和经验?3. 是否建立了健全的安全管理制度和规章制度,是否能够有效地指导和管理生产活动?4. 是否制定了各类应急预案,是否进行过演练和评估?二、生产设备方面1. 生产设备是否经过定期的检修和维护,是否具备必要的安全设备?2. 生产设备操作人员是否进行过专业的培训,是否熟悉使用操作规程?3. 生产设备是否有定期的检查记录和维护保养记录?三、物料储存和使用方面1. 物料储存区域是否符合相关标准和规范,是否有防火、防爆等安全设施?2. 物料的储存方式是否合理,是否有分类储存和划定储存区域?3. 物料的使用是否按照安全规程进行,是否有防护装置和设施?4. 是否进行过危险化学品的分类、标识和包装?四、作业环境方面1. 作业场所是否保持整洁、干燥,并具备必要的通风和照明设施?2. 是否定期进行作业场所的安全巡查,是否及时处理安全隐患?3. 是否对作业人员进行安全教育和培训,是否提供必要的个人防护用具?五、火灾防控方面1. 是否制定了消防安全管理制度和消防预案,是否定期进行演练和检查?2. 是否配置有必要的消防设备和器材,是否定期检查和维护?3. 是否进行了火灾隐患排查,是否对潜在的火灾隐患采取了措施?六、职业卫生方面1. 是否制定了职业卫生管理制度和相关操作规程,是否进行了监测和评估?2. 是否对职工进行了职业卫生培训,是否提供了必要的个人防护用具?3. 是否进行了职业病危害因素的排查和控制,是否制定了相关措施?七、事故应急方面1. 是否建立了事故应急救援组织体系,是否进行了应急演练和评估?2. 是否配备了必要的应急救援装备和器材,是否进行了定期维护和检查?3. 是否制定了事故应急预案和处理流程,是否进行了培训和熟悉运用?以上是化工行业通用安全检查表的范本,以供参考。
化工行业通用安全检查表以下为化工行业通用安全检查表,可根据具体情况进行调整和补充:1. 厂区环境安全:- 检查是否存在地面积水、漏水等情况,是否存在明火和可燃物品暴露风险。
- 检查是否存在危险化学品泄漏、溢出等情况,是否存在有害气体聚集风险。
- 检查危险区域的警示标识是否完整清晰,防护设施是否完备有效。
2. 厂区物料储存安全:- 检查危险化学品的存储方式是否符合规范,是否有明确的区域划分和标识。
- 检查危险化学品的储存量是否超过设计容量,是否存在超期储存的情况。
- 检查危险化学品的包装是否完好无损,密封是否严密。
3. 设备设施安全:- 检查生产设备的运行情况,是否存在故障和异常,是否存在意外启动的风险。
- 检查设备周围是否存在杂物,是否存在防护设施的损坏和缺失。
- 检查设备的维护保养记录,是否定期进行检修和维护。
4. 作业人员安全:- 检查作业人员是否佩戴个人防护装备,如安全帽、耳塞、防护眼镜等。
- 检查作业人员的工作岗位培训情况,是否掌握安全操作规程。
- 检查作业人员是否存在违章操作行为,是否存在疲劳驾驶和酒后作业情况。
5. 应急救援准备:- 检查应急救援设施的配备情况,如消防器材、急救药品等是否齐全。
- 检查应急通道和疏散通道的畅通情况,是否存在堆放杂物和阻塞现象。
- 检查应急预案的编制和培训情况,是否进行定期演练和评估。
以上为化工行业通用安全检查表,通过对厂区环境、物料储存、设备设施、作业人员和应急救援等方面进行检查,可以全面了解化工企业的安全状况,及时发现和解决安全隐患,确保生产过程安全可靠。
化工行业通用安全检查表(二)检查项:工艺设备安全1. 设备安装是否符合规范,并且有合适的定位和固定?2. 设备是否完好无损,无泄漏、无松动、无锈蚀等问题?3. 设备是否正常工作,运行是否平稳,无异常噪音和振动?4. 设备周围是否有足够的通道和安全间距,方便操作和维护?5. 设备是否配备了合适的安全保护装置,如防护罩、安全开关等?6. 设备是否正确接地,并进行了漏电保护?7. 设备的高温、高压、高速等工况是否有相应的安全措施?8. 设备是否进行了定期的检修和维护,有无维修记录?检查项:化学品管理1. 化学品是否正确分类,储存并标示?2. 是否有专门的化学品储存区域,防止混放和污染?3. 化学品的包装是否完好,有无泄漏和破损?4. 是否有相应的安全措施,如防爆柜、通风设施等?5. 是否有化学品安全操作规程,并且员工进行培训和掌握了相关应急处理措施?6. 是否有相应的消防设备,并且定期维护和检修?7. 化学品的使用是否符合相应的标准和要求?检查项:作业安全1. 是否有作业许可制度,并进行了操作人员的培训和考核?2. 是否落实逐级签批的安全许可证制度?3. 作业场所是否保持整洁,安全出口是否畅通?4. 是否存在安全隐患,如堆积物、电线杂乱、易燃物品等?5. 是否有合适的操作工具和设备,并进行了定期检修和维护?6. 是否有相应的个人防护用品,并进行了有效的使用和保养?7. 是否有相应的紧急救援设备和人员,以应对突发事故?检查项:环境保护1. 是否对废水、废气、废物等进行了正确的处理和排放?2. 是否使用了环保设备和工艺,如废气处理设施、废水处理设备等?3. 有无相应的环境监测措施和设备,如大气污染物监测、水质监测等?4. 是否有相应的环境管理制度,并得到有效落实?5. 是否有相应的应急预案和演练,并进行了定期评估和更新?检查项:电气安全1. 电气设备是否符合安全规范和要求,有无漏电、过载等问题?2. 电气线路是否有合适的保护装置和接地措施?3. 是否有定期检查和维护电气设备的制度,有无维修记录和维修措施?4. 电气设备周围是否有足够的通道和安全间距,方便操作和维护?5. 是否有合适的紧急切断装置和应急电源,以应对突发事故?检查项:人员素质和管理1. 员工是否接受过相关的安全培训和教育,是否具备相关证书和资质?2. 是否有完备的安全管理制度和安全管理人员,有效执行?3. 是否有事故报告和事故调查的制度,并进行了相关处理和纠正措施?4. 是否建立了应急预案和演练,员工是否熟悉和掌握了应急处理措施?5. 是否进行了定期的安全检查和隐患排查,并落实整改措施?以上是化工行业通用安全检查表的一部分内容,根据实际情况和要求,可酌情增加或修改相关检查项。
化工企业通用安全检查表(1)
一、厂区安全管理
1.是否建立完善的厂区安全管理制度?
2.是否存在安全隐患的地点得到有效管理和控制?
3.厂区是否设置警示标识,指引安全疏散通道?
4.厂区是否定期进行消防演练?
二、作业环境安全
1.是否定期检查危险化学品及相关危险源?
2.作业岗位是否配置必要的防护设备?
3.是否建立化学品泄漏应急处理机制?
4.作业现场是否存在明火、静电等引发火灾危险因素?
三、员工个人安全
1.员工是否接受过安全生产教育培训?
2.是否定期进行安全生产知识考核?
3.是否建立健康档案和定期进行健康检查?
4.员工是否具备紧急事故应急处置能力?
四、设备设施安全
1.设备设施是否定期进行维护保养?
2.是否存在设备设施损坏或安全隐患未报修现象?
3.设备设施是否符合安全操作规范,是否存在操作失误风险?
4.是否建立设备设施事故的责任追究制度?
五、应急救援准备
1.是否建立应急救援预案?
2.是否设置应急救援装备和设施?
3.是否定期进行应急救援演练?
4.是否建立应急救援和联络协调机制?
六、安全监管及反馈
1.是否定期进行安全检查、评估和监控?
2.是否建立安全事件报告、处理和反馈机制?
3.是否对安全隐患和事故进行责任追究?
4.是否建立安全改进和持续改进机制?
以上为化工企业通用安全检查表(1)内容,希望企业能严格按照检查表要求,做好安全管理工作,确保生产经营过程中员工和设施的安全。
化工厂火灾危害检查表近年来,化工行业面临越来越多的安全问题,其中之一就是化工厂火灾的危害。
火灾是指无论何种起因造成的火焰波及到可燃物体并蔓延,直至引起人身伤亡和物质财产毁损的事故。
化工厂火灾一旦发生,其危害非常严重。
首先,火灾可能导致作为可燃物料的化学品泄漏,造成化学品扩散,进一步引发火灾扩散,甚至导致爆炸事故。
其次,火灾会释放出大量有毒有害烟雾,危及员工的生命,同时对周围环境也会造成严重污染。
最后,火灾对公司的经济损失也是非常巨大的,化工厂面积庞大、设施精细,火灾发生后,许多机器、设备、产品和其他资产都会遭受毁坏。
为了预防化工厂火灾,维护化工厂的安全环境,制定一份“化工厂火灾危害检查表”就变得尤为重要。
以下是一份合格的化工厂火灾危害检查表的要素:1.布局和组织安全检查的前提是要有明确的规划和组织,因此,在检查开始之前,应该进行规划,并指派专业的人负责组织实施。
同时,该检查表应该包括巡检的区域、巡检的时间、检查的标准等详细信息。
2.火灾风险区分类火灾风险区分类是做好防火检查的前提。
在设定火灾风险区的时候,应该结合现场实际情况,根据“容易起火、难于扑灭、易蔓延”的原则进行风险分级。
这里提供一些常见的分区分类:高风险区、中风险区、低风险区。
3.火灾源监控火灾源监控是预防火灾事故的关键步骤之一。
对于容易引起火灾的地点进行巡查,这包括与火源搭配的设备、火灾隐患地点、高温区域等。
同时,火源监控还需要对火灾预警系统进行检查,确保系统正常运行。
4.动火审批动火是化工厂火灾发生的主要原因之一,因此,在这份检查表中应该明确并强调动火审批的制度。
检查者应该查看工作票、动火证等文件,确保动火程序合规。
5.化学品存放管理化学品在化工厂中扮演着非常重要的角色,但同时也带来了极大的危险。
因此,在检查表中加入化学品存放的管理程序是非常必要的。
该程序应覆盖化学品标识、存放位置、联系人、分类存放、防护措施等方面的要素,以预防化学品泄漏和火灾爆炸。
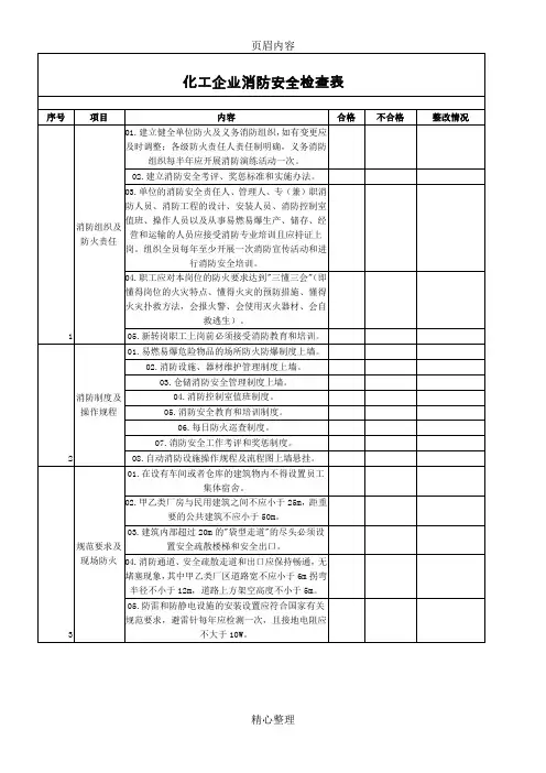
化工生产区域防火安全检查表
01.建立健全单位防火及义务消防组织,如有变更应及时调整;各级防火责任人责任制明确,义务消防组织每半年应开展消防演练活动一次。
03.单位的消防安全责任人、管理人、专(兼)职消防人员、消防工程的设计、安装人员、消防控制室值班、操作人员以及从事易燃易爆生产、储存、经营和运输的人员应接受消防专业培训且应持证上岗。
组织全员每年至少开展一次消防宣传活动和进行消防安全培训。
04.职工应对本岗位的防火要求达到三懂三会(即懂得岗位的火灾特点、懂得火灾的预防措施、懂得火灾扑救方法,会报火警、会使用灭火器材、会自救逃生)。
04.消防通道、安全疏散走道和出口应保持畅通,无堵塞现象,其中甲乙类厂区道路宽不应小于6m拐弯半径不小于12m,道路上方架空高度不小于5m。
05.防雷和防静电设施的安装设置应符合国家有关规范要求,避雷针每年应检测一次,且接地电阻应不大于10W。
06.电气设备安装应符合国家有关规范要求,闷顶内及明敷的电气线路应穿金属保护管,在防爆生产区域内的电气设备,应选用国家电气气防爆规范要求防爆电气设备,在防爆电气设备上应有明显的 Ex 标志。
08.建筑内部装修应符合《建筑内部装修设计防火规范》的要求,选材应尽量采用难燃和阻燃材料或对可燃材料进行必要的防火处理,内部屋顶承得的钢梁应刷防火涂料,延长其的耐火极限。
01.消防设施(器材)安装和配备应符合有关消防规范要求,自动,半自动设施应完好无缺、灵敏好用,移动式消防器材应放置在避免风吹雨淋日晒和明显易拿部位并保持清洁,不允许有他物遮挡或覆盖。
02.消防灭火器材建立三定管理(即定点存放,定期检查、定人保管),且应有使用记录,现场检查应盾灭火器内压是否正常无泄漏(气压表指针应有在绿色范围内),外筒无锈蚀,铅封应完好无缺,开关压把应灵敏好用,胶管无老化现象,喷嘴应不堵塞,泡沫灭火器距上次换
04.消防水泵房内应设两路供电或以内燃机动力的消防水泵,一组水泵的吸水管不应少于两条,且水泵房应有不少于2条的出水管直接与环状管网连接,消防泵房应设有备用泵,且每周至少进行一次盘车,消防泵应设有与本单位消防队联络的通讯设备且应有专人24h值班并建有日常
05.甲乙类厂区应建有稳高压和临时高压消防系统,地下消防管网宜为独立、环状的客网且出水压不小于0.7MPa。
07.室内消防栓栓口出水压力超过50m水柱时,应设减压设施,室外消火栓的安装点与消防车道路边应小于2m,与建筑物应不小于5m。
01.消防重点单位(部位)的进出口处的明显部位应有醒的各类防火警标牌(如:严禁烟火、禁止吸烟、禁带火种、禁穿易产生静电的服装鞋帽,机动车进入应安装阻火器、禁止机动车辆驶入、禁止摩托车驶入以及消防安全重点单位、重点防火部位等标牌)。
02.易燃易爆物品应定库定位量专门存放且不应混存、超存。
生产易燃易爆物品的单位,对产品应当附有:燃点、闪点、爆炸极限等数据说明书,并且应当注明或贴附防爆的注意事项及危险品标签,且在存放处应有醒目的防火警示标牌和针对性的消防保护措施。
03.对新、改、扩建和装修工程,建设单位应当与施工单位在订立的合同中明确各方对施工现场的消防安全责任,施工期间的现场防火工作应有专人负责管理。
04.消防安全重点单位应当进行每日防火巡查,并确定巡查的人员、内容、部位和频次并做好防火巡查记录,其他单位应当至少每月进行一次防火安全检查并做好记录。
05.单位对存在的火灾隐患应及时予以消除,对不能当场改正的火灾隐患,应及时向单位消防安全责任人报告并提出整改方案,在火灾隐患未消除之前,单位应当落实防范措施,保障消防安全,对不能确保安全的,应当将危险部位停产停业整改。
06.对公安消防机构责令限期改正的火灾隐患,单位应当在规定期限内改正并写出火灾隐患整改复函,报送公安消防机构。
02.单位应当建立的防火台帐有:①消防组织及消防会议记录;②各类消防安全制度汇编;③消防宣传教育和培训;④防火档案及消防法律文书;⑤防火安全检查(防火巡查、器材管理、隐患整改等);⑥消防预案及演练记录;⑦火灾事故记录;⑧消防工作奖惩记录。