振动沉管灌注桩工程综合单价结算
- 格式:pdf
- 大小:267.32 KB
- 文档页数:5
**项目桩基工程全费用综合单价表
说明:
1、以上全费用综合单价含人工费、材料费、机械费、水电费、管理费、措施项目费、其它项目费、利润、规费、税金及各项费用(含不可竞争费用),并综合考虑各项风险因素。
2、结算方式:采用全费用综合单价包干的结算方式。
3、结算时工程量计算规则如下:
(1)人工挖孔桩成孔的工程量=实际成孔长度×设计截面面积(含护壁)。
(2)人工挖孔桩桩芯砼的工程量=(设计有效桩顶标高-实际桩底标高)×设计截面面积(不含护壁)
(3)人工挖孔桩入岩增加费的工程量:按设计截面尺寸乘以发包人项目部确认的实际入岩深度(以签证为准)计算。
(4)人工挖孔桩入岩增加费的计算原则:除中风化岩及微风化岩可计算入岩增加费外,其余土质不能计算入岩增加费。
强风化岩即使采用爆破法施工,也不计算入岩增加费,投标人在报价中需综合考虑。
(5)钢筋根据图纸设计配筋按吨计算,钢筋连接费用在综合单价中考虑,结算时不另计。
(6)在桩基础施工期间,如需要承包人自行发电的,相关费用综合考虑在报价中,不另计算。
4、在施工过程中,实际桩长、土质与地质报告和设计要求差异较大时,承包人应及时通知发包人,发包人项目部根据公司规定进行下一步工作。
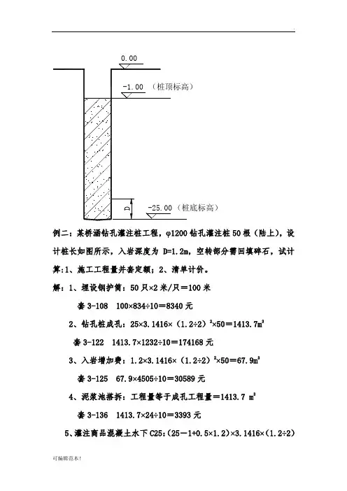
例二:某桥涵钻孔灌注桩工程,φ1200钻孔灌注桩50根(陆上),设计桩长如图所示,入岩深度为D=1.2m,空转部分需回填碎石,试计算:1、施工工程量并套定额;2、清单计价。
解:1、埋设钢护筒:50只×2米/只=100米套3-108 100×834÷10=8340元2、钻孔桩成孔:25×3.1416×(1.2÷2)2×50=1413.7m3套3-122 1413.7×1232÷10=174168元3、入岩增加费:1.2×3.1416×(1.2÷2)2×50=67.9m3套3-125 67.9×4505÷10=30589元4、泥浆池搭拆:工程量等于成孔工程量=1413.7 m3套3-136 1413.7×24÷10=3393元5、灌注商品混凝土水下C25:(25-1+0.5×1.2)×3.1416×(1.2÷2)2×50=1391.1m3套3-140 1391.1×3004÷10=417886元6、桩孔回填:(1-0.5×1.2)×3.1416×(1.2÷2)2×50=22.6m3套3-193h 22.6×739×0.7÷10=1169元7、泥浆外运:工程量等于成孔工程量=1413.7 m3套土2-78 1413.7×62.3=88074元表1—2 分部分项工程量清单及计价表(号清单)建设单位和工程名称:专业工程名称:第页共页表2—1 分部分项工程量清单综合单价分析表建设单位和工程名称:第页共页表2—3 分部分项工程量清单综合单价计算表建设单位和工程名称:计量单位:m项目编码:040301007001 工程数量:1200项目名称:机械成孔灌注桩(φ1200,25m )综合单价:682元/m。
沉管灌注桩在工程计价模式下的问题分析摘要:文章结合沉管灌注桩的施工工艺,根据定额计价与清单计价方式下的工程计价过程进行分析,详细地阐述了沉管灌注桩的计量与计价方法,可供相关专业人士参考。
关键词:沉管灌注桩;清单计价;计算分析Abstract: Based on the construction process of the immersed tube piles, under the fixed pricing works with list pricing pricing process analysis, detailed description of the measurement and valuation methods of the immersed tube piles are available for the reference of related professionals.Keywords: immersed tube pile; list pricing; computational analysis1 引言沉管灌注桩是目前部分地区应用最为广泛的一种桩型,与一般钻孔灌注桩比,沉管灌注桩避免了一般钻孔灌注桩桩尖浮土造成的桩身下沉,持力不足的问题,同时也有效改善了桩身表面浮浆现象,另外,该工艺也更节省材料。
但缺点是由于施工过程中,锤击会产生较大噪音,振动会影响周围建筑物,故不太适合在上海市区运用,目前沉管灌注桩主要应用于市区以外的项目。
且多以工业厂房为主。
沉管灌注桩如何在工程造价计算过程中计全其计算内容、正确套定额与计价,对于造价人员来说是一个必须掌握的技术问题。
由于桩在施工图上的表达通常较粗浅,而一些造价员也可能缺乏施工经验,对计算内容不熟悉,往往漏项,加上上海市2000定额的有关说明在《打桩》一章中没有单独的沉管灌注桩子目,导致因会错误地套定额,结果造成工程造价偏差大的情况,因此很有必要对沉管管灌注桩计量与计价进行专项讨论。
浅析桩基工程清单综合单价报价与全费用综合单价报价现在的建筑施工已经步入了完全的市场竞争。
通过招投标来获取工程已经成为主流趋势。
这就要求施工企业必须总结造价核算经验,采用科学的理论分析方法,对投标的全过程进行控制,提高工程中标率。
在桩基的招投标活动中,报价方式集中在清单综合单价报价与工程全费用综合单价报价两种方式。
那么我们能做的就是分析总结两种方式的适应条件,然后针对招投标工程的特点,在合理范围内调整报价,以期在提高中标率的同时获取利益最大化。
一、概念1、清单综合单价:完成一个规定计量单位的分部分项工程量清单项目或措施清单项目所需的人工费、材料费、施工机械费和企业管理费与利润,以及一定范围内的风险费用。
2、全费用综合单价:单价中综合了分项工程人工费、材料费、机械费、管理费、利润、规费以及有关文件规定的调价、税金以及一定范围内的风险费用等全部费用。
以各分项工程量乘以全费用单价计算出相应合价,合价汇总后,再加上措施项目的完全价格,就生成了单位工程造价。
二、桩基工程的特点在工程的项目管理过程中,桩基工程是由专业桩基单位进行施工的。
实际的操作不外乎两种:建设单位直接进行桩基施工的招投标及总包单位进行专业分包。
桩基工程作为一个单项工程,不同于主体工程,存在以下特点:1、桩基材料费用在整个工程中占有很大比例,并且损耗较大。
2、桩基施工过程中的工人为专业技术工人,人工单价较高。
3、桩基施工周期一般较短,工程量的变化对造价的影响非常明显。
4、桩基工程受地层等隐蔽条件的影响很大,无法横向比较不同地层情况下工程造价的高低。
三、工程清单综合单价报价与全费用综合单价报价在桩基投标过程中的比较通过了解工程清单综合单价报价与全费用综合单价报价的不同概念,针对桩基工程的特点,能够发现相对桩基工程的招投标,采用这两种报价方式各有利弊,要根据工程的特点及建设单位的要求进行分析。
一、采用工程清单综合单价报价的工程这种报价的特点就是措施费用固定,不随工程量的变动而变化。
灌注桩与管桩价格比较关于上海电信行政办公楼基础砼灌注桩改用砼管桩情况报告一、灌注桩与管桩价格比较1、根据设计混凝土灌注桩899根桩端绝对标高为-35.050工程量为8773.37立方米按投标价756元计算总价为663.2668万元2、如改用PHC-500-100-AB管桩899根桩端绝对标高为-45.050工程为39382米按现行市场上海标PHC-500-100-AB管桩偏低价格为144.25元计算总价为568.0854万元二、技术参数比较1、根据设计要求混凝土灌注桩单桩竖向承载力设计值:抗压1450KN桩端持力层为⑤3-2层2、如改用PHC-500-100-AB管桩其单桩竖向承载力为:抗压2560KN桩端持力层为⑤4层三、灌注桩缺限及预制管桩优点1、灌注桩施工周期长且这类桩成型后不可见桩身质量除依赖于施工方面人为因素外还受地质条件、天气等自然条件影响太大2、其缺陷主要表现为缩径(严重缩径甚至达到断裂程度)、扩径(有利缺陷)、混凝土离析、夹泥及开挖时机械破损此类桩检测曲线分析需考虑因素比预制桩复杂,其变化截面(即缺陷表现)一旦增多,应力波反射叠加就会使曲线变得杂乱,给分析带来一定困难桩周土对曲线性状影响也比较突出,由于桩和土在荷载下共同受力,且桩周土摩阻力分布又不均匀,在桩周土摩阻力突变处桩土系统阻抗也会产生突变,它不仅干扰了应力波传播,本身也会产生反射,增加了缺陷判断难度检测中若桩身上部处于硬土中,下部处于软土中,应力波通过该界面时,桩周土摩阻力减小就会引起阻抗降低,从而出现缩径假象,而这种界面变化处(地层变化、地下水位变化等)正事故多发处对于沉管灌注桩还存在施工时间对相邻桩影响问题,小桩距施工时如不合理安排施工顺序就会引发相邻桩桩身质量事故,尤其浅部,缺陷通常表现为断裂3、对预制管桩而言,一般桩身缺陷都表现为桩顶破裂或浅部裂隙,若不存在运输过程中损伤及接桩不良等问题,这类桩安全可靠综止所述采用PHC-500-100-AB管桩既能满足设计要求又能降低工程成本且有利于冬季施工达到确保工程质量缩短工期目特此建议采用上海标PHC-500-100-AB管桩A AB是管桩的型号,最大的区别在与桩内的主筋粗细不一样,AB的比A的要粗些,因此,对应的某些力学性能(如抗裂弯矩、极限弯矩等)也有所不同,但对于同直径不同型号的PHC管桩来说,管桩桩身结构对应的单桩竖向承载力最大特征值是相同的。
例二:某桥涵钻孔灌注桩工程,φ1200钻孔灌注桩50根(陆上),设计桩长如图所示,入岩深度为D=1.2m,空转部分需回填碎石,试计算:1、施工工程量并套定额;2、清单计价。
解:1、埋设钢护筒:50只×2米/只=100米套3-108 100×834÷10=8340元2、钻孔桩成孔:25×3.1416×(1.2÷2)2×50=1413.7m3套3-122 1413.7×1232÷10=174168元3、入岩增加费:1.2×3.1416×(1.2÷2)2×50=67.9m3套3-125 67.9×4505÷10=30589元4、泥浆池搭拆:工程量等于成孔工程量=1413.7 m3套3-136 1413.7×24÷10=3393元5、灌注商品混凝土水下C25:(25-1+0.5×1.2)×3.1416×(1.2÷2)2×50=1391.1m3套3-140 1391.1×3004÷10=417886元6、桩孔回填:(1-0.5×1.2)×3.1416×(1.2÷2)2×50=22.6m3套3-193h 22.6×739×0.7÷10=1169元7、泥浆外运:工程量等于成孔工程量=1413.7 m3套土2-78 1413.7×62.3=88074元表1—2 分部分项工程量清单及计价表(号清单)建设单位和工程名称:专业工程名称:第页共页表2—1 分部分项工程量清单综合单价分析表建设单位和工程名称:第页共页表2—3 分部分项工程量清单综合单价计算表建设单位和工程名称:计量单位:m项目编码:040301007001 工程数量:1200项目名称:机械成孔灌注桩(φ1200,25m )综合单价:682元/m。
某工程采用钻孔灌注混凝土桩,总根数为35根,桩径为Φ600,采用非泵送水下混凝土C30,灌注混凝土桩桩顶标高为-5.2m,桩底标高为-45m,设计室外地坪标高为-0.35m,工程桩泥浆外运为5Km。
(桩内填孔、土壤类别不计)(25分)
1、根据以上条件内容按《建设工程工程量清单计价规范》(2003)的规定,编
制钻孔灌注混凝土桩的分部分项工程量清单项目编码、项目名称、项目特征、计量单位、工程量,并将内容和工程量计算式填入答题六(1)分部分项工程量清单相应的栏目内。
2、根据以下条件计算钻孔灌注混凝土桩清单综合单价(全费用单价)填入答题
六(2)
①已知:《上海市建筑和装饰工程预算定额(2000)》(泥浆池及沟槽砌筑工
程内容已含在下列定额内)如下:
单位:m3
②资料:发承包双方确认的人工、材料、机械台班单价
注:1、间接费取6%
2、税金为3.41%
3、规费暂不计。
第1篇一、工程概况本工程位于XX市XX区,总建筑面积XX平方米,建筑高度XX米,层数XX层。
工程包含桩基础、地下结构、主体结构、屋面及装饰装修等部分。
桩基础采用旋挖钻成孔灌注桩,桩径为Φ1000mm,桩长为XX米,总桩数XX根。
二、工程量清单1. 桩基成孔工程(1)桩基成孔:Φ1000mm,桩长XX米,总桩数XX根。
(2)桩基成孔综合单价:每米XX元。
2. 钢筋笼制作及安装工程(1)钢筋笼制作:Φ1000mm,桩长XX米,总桩数XX根。
(2)钢筋笼安装:Φ1000mm,桩长XX米,总桩数XX根。
(3)钢筋笼制作及安装综合单价:每米XX元。
3. 混凝土灌注工程(1)混凝土灌注:Φ1000mm,桩长XX米,总桩数XX根。
(2)混凝土灌注综合单价:每立方米XX元。
4. 工期保证费工期保证费:按合同工期总价的XX%计取。
5. 机械费(1)旋挖钻机:租赁费,按每天XX元计取。
(2)吊车:租赁费,按每天XX元计取。
(3)其他施工机械:租赁费,按每天XX元计取。
6. 其他费用(1)安全文明施工费:按合同工期总价的XX%计取。
(2)管理费:按合同工期总价的XX%计取。
(3)规费:按合同工期总价的XX%计取。
(4)税金:按国家规定税率计取。
三、工程总报价1. 桩基成孔工程总报价:XX元。
2. 钢筋笼制作及安装工程总报价:XX元。
3. 混凝土灌注工程总报价:XX元。
4. 工期保证费:XX元。
5. 机械费:XX元。
6. 其他费用:XX元。
7. 工程总报价:XX元。
四、付款方式1. 预付款:合同签订后,支付合同总价的XX%。
2. 进度款:按工程进度分期支付,每次支付合同总价的XX%。
3. 结算款:工程完工验收合格后,支付合同总价的XX%。
4. 保修金:合同工期结束后,支付合同总价的XX%作为保修金。
五、质量保证1. 本工程桩基础施工质量符合国家现行规范和标准。
2. 工程竣工后,保修期为XX年。
3. 工程施工过程中,严格按照合同约定进行质量控制,确保工程质量。
钻孔灌注桩底加固注浆综合单价
1.引言
本文档旨在阐述钻孔灌注桩底加固注浆的综合单价计算方法,并提供一个详细的价格清单,以供参考。
钻孔灌注桩底加固注浆是在桩底区注入高强度水泥浆料,以增强桩底的承载力和稳定性,适用于土层较松、承载力较低的地质条件下的桩基施工。
2.综合单价计算方法
钻孔灌注桩底加固注浆的综合单价可以通过以下几个要素计算得出:
2.1 施工材料费
施工材料费包括水泥、砂、石子以及其他所需添加剂和辅助材料等。
根据实际工程需求,按照材料消耗量与材料单价相乘即可计算施工材料费。
2.2 劳动力费
劳动力费是指施工人员的工资及其相关费用。
根据实际施工工
期和施工人员数量,乘以单位人员的工资即可计算劳动力费。
2.3 设备使用费
设备使用费是指在施工过程中所需使用的机械设备和工具的租
赁费用。
根据实际使用时间和设备租赁费用,计算设备使用费。
2.4 管理费用
管理费用包括项目经理、监理人员等管理人员的工资、交通费
和住宿费等。
根据管理人员数量和单位人员的费用,计算管理费用。
2.5 其他费用
其他费用包括施工期间的水费、电费、施工废品处理费等。
根
据实际情况估算其他费用。
3.价格清单
以下是钻孔灌注桩底加固注浆的价格清单,仅供参考:
4.结论
本文档详细介绍了钻孔灌注桩底加固注浆综合单价的计算方法,并提供了一个价格清单作为参考。
需要注意的是,实际的综合单价
可能会因为地区差异、施工规模和其他因素而有所不同,因此在具体项目中应进行细致的计算和评估,以确保准确性和合理性。
管理工程学院
200 9 /2010 学年第一学期
课程名称建筑工程预决算授课教师教研室主任
(4)打压预应力钢筋砼管桩定额已包括接桩费用,不再另行计算。
2、工程量计算
(1)打压预应力钢筋砼管桩:
(2)送预应力钢筋砼管桩:计量单位:
(3)桩头灌芯:计量单位:
【教学过程四】(时间45
〖思路〗详细分析预制钢筋混凝土工程桩的计量和定额应用
四、灌注工程桩
(一)沉管混凝土灌注桩
球冠体体积计算公式为:πh2(R-h/3)
由于施工图中一般只标注日r尺寸,无R尺寸,所以需变换一下求R的公式:
已知:r2=R2-(R-h)2故:R=( r2+ h2)/2h
)护壁工程量:计量单位:“m3”。
工程量按设计图示尺寸的实体积。
)灌注桩芯混凝土工程量:计量单位:“m3”。
V=桩径截面积×(设计桩长+加灌长度)-护壁混凝土体积
加灌长度:设计有规定按设计要求,无规定时,按0.25m计取。
【教学过程五】(时间35分钟)。
钻孔灌注桩工程计量与计价急招,有合适的欢迎介绍:•测量放点,做简单的资料整理归档,辅助现场负责人,重点能吃苦耐劳,薪资面谈,需要5人。
详情请电话联系138-****6378。
•注:如果电话联系,请在早9:00—晚18:00之间 / 或短信24小时都可以,看到会回复,谢谢。
灌注桩是指在工程现场通过机械钻孔、钢管挤土或人力挖掘等手段在地基土中形成桩孔,并在其内放置钢筋笼、灌注混凝土而做成的桩,依照成孔方法不同,灌注桩又可分为沉管灌注桩、钻孔灌注桩和挖孔灌注桩等几类。
钻孔灌注桩是按成桩方法分类而定义的一种桩型。
现将钻孔灌注桩的计量及计价简介如下:一、定额说明1.桩基施工前场地平整、压实地表、地下障碍物处理等,定额均未包括,发生时另行计算。
2.单独打试桩、锚桩,相应定额的打桩人工及机械乘系数1.5。
3.补桩、地槽(坑)中打桩与强夯地基上打桩,相应定额的人工及机械乘系数1.25。
4.定额以打垂直桩为准。
如打斜桩,斜度在1:6以内者,相应定额的打桩人工及机械乘系数1.25;如斜度大于1:6者,其相应定额的打桩人工及机械乘系数1.43。
5.单位工程打桩工程量少于定额规定量,即沉管(钻孔)灌注桩工程量少于150 m3时,相应定额人工及机械乘系数1.25。
6.灌注桩定额均包括混凝土关注充盈量。
二、钻(冲)孔混凝土灌注桩计量及计价规则1、定额套用(1)定额列有成孔与灌注两部分,成孔列有钻孔与冲孔两种形式。
其中钻孔定额综合了砂黏土、碎卵石层因素,单列入岩增加费定额;冲孔定额列有砂黏土层、碎卵石层、岩石层。
(2)桩孔设计设计回填时应根据施组要求套用相关定额,填土按土石方工程松填土方套用,填碎石按砌筑工程碎石垫层定额乘系数0.7套用。
(3)钻(冲)孔混凝土灌注桩灌注定额采用水下混凝土,如采用非水下混凝土时,混凝土单价换算,其余不变。
2、工程量计算(1)成孔工程量:①钻孔桩:计量单位:“m3”。
V=桩径截面积×成孔长度成孔长度:自然地坪至设计桩底标高V入岩增加=桩径截面积×入岩长度入岩长度:实际进入岩石层的长度②冲孔桩:计量单位:“m3”。
合同编号:B—00钻孔灌注桩及预应力管桩施工合同工程名称:某某某工程桩基建设单位:某某某有限公司施工单位:2014年月日目录第一条工程名称第二条工程地点第三条工程承包范围第四条工程期限第五条工程价款第六条付款办法第七条工程量的计量第八条甲乙双方的工作及责任义务第九条工程质量第十条安全责任第十一条工程验收第十二条保修条款第十三条违解责任第十四条管辖条款第十五条合同期间第十六条附则钻孔灌注桩、预应力管桩基础工程合同发包方:某某某有限公司(以下简称甲方)承包方:(以下简称乙方)按照《中华人民共和国合同法》和《中华人民共和国建筑法》的规定,结合本工程实际情况且乙方已充分了解本工程的具体要求,经双方友好协商签订本合同。
第一条:工程名称:(以下简称本工程)。
第二条:工程地点:第三条:工程范围:桩基工程施工图中的钻孔灌注桩、预应力管桩基础分项工程。
第四条:工程期限:本工程的开工日期为2014年月日(以甲方最终签发的开工令为准),总工期为60日历天并通过监理工期确定。
如不能按约定时间完成每延误一天罚款人民币5000元。
如因停电、设计图纸变更,遇地上、地下障碍物或其它不可预见及不可抗拒的自然灾害而造成停工的由甲方现场代表签认后工期相应顺延。
第五条:承包方式和工程单价:1、本工程采用承包方式为:包工、包料、包机械、包质量、包安全、包工期、包文明施工的大包干形式。
①预应力管桩综合包干单价的内容包括:打桩、送桩、接桩、桩机进退场及安拆、施工场地的平整、施工场地汽车临时路的铺设、桩机行走的措施、打桩记录、配合桩基检测等一切相关的工作内容。
②钻孔灌注桩综合包干单价的内容包括桩成孔、钢筋笼制作安装及吊装、灌注桩芯砼、后压浆、泥浆池开挖及泥浆运出场外、成孔记录、配合桩基检测等一切相关的工作内容。
2、本合同包干单价包括但不限于以下所列明的管桩等材料费、辅助材料费、冬施费、机械费、运杂费、管桩钢筋笼二次搬运至施工作业面的费用、工资、桩机进退场及安拆费、桩机吊运费、一般支出费、利润、保险费、管理费、设备维修费、文明施工费、临时设施费、临电箱、电缆、劳保医疗费、员工保险、赶工费、保修费、安全事故费、福利、节假日施工补助费等一切费用。