风机基础沉降观测点及基准点标示方案
- 格式:doc
- 大小:217.50 KB
- 文档页数:3
目录1工程概况 (1)2编制目的 (1)3编制依据 (1)4水准基点及沉降观测点布设方案 (1)4.1水准基点的布设 (1)4.2沉降观测标的布设 (1)5测量仪器及人员情况 (2)6水准基点及沉降观测点测量方法及技术要求 (2)7内业数据处理 (2)8观测频率 (2)9水准基点及沉降观测点的保护 (2)风机基础沉降观测专项施工方案1工程概况国投新疆哈密景峡第五风电场A区300MW工程位于新疆自治区哈密市西北约180km。
场址位于东经94°12′~94°56′,北纬41°56′~42°14′之间,东西长约62km,南北宽约32km,场址区地貌为丘陵、戈壁,地势起伏。
本期工程拟开发利用面积约84.95km2,风电场区域高程介于1033m~1228m之间,装机规模为300MW。
场址区有简易公路与工程区相通,交通较便利。
2编制目的为了及时掌握风机基础沉降情况,确保风机基础在风机安装、运行过程中的安全与稳定,按照《国家一、二等水准测量规范》(GB/T 12897-2006)中水准测量技术规范及设计图纸中相关技术要求,制定本观测方案。
3编制依据⑴《国家一、二等水准测量规范》(GB/T 12897-2006)⑵《国投哈密景峡五A风电场300MW风机预应力锚栓基础设计》4水准基点及沉降观测点布设方案4.1水准基点的布设根据风电场区周围的地形、地质情况,为满足风机基础的沉降观测,对每台风机进行单独观测,测定四个观测墩与三个基准点之间的沉降。
基础沉降观测墩均布于风机基础平台上,观测墩用4HRBΦ22制作,顶部磨圆,镀铜,外露端头焊接在预埋件中间,观测墩与风机基础钢筋连为一体,。
4.2沉降观测标的布设风机基础沉降观测墩(1,2,3,4)均匀分布于风机基础顶面圆环环上,距承台边缘约为0.05m。
以监测风机基础沉降变化,沉降观测墩布置图如下:国投哈密景峡五A风电场300MW工程【专项施工方案】沉降观测标的布设图5 测量仪器及人员情况仪器采用徕卡DNA03电子水准仪(测量精度每公里高差往返较差0.3mm)配3米条码铟佤水准尺;由一名测量工程师及一名测量工及两名技术人员配合测量,测量及配合人员固定。
风机基础沉降观测工程实施方案1. 背景随着风电行业的发展,风机基础沉降观测成为评估风机运行状况、确保风机安全可靠性的重要手段。
本文档旨在制定一份风机基础沉降观测工程实施方案,以确保观测实施的准确性和有效性。
2. 目标本实施方案的目标是:- 对风机基础的沉降情况进行准确观测和记录- 评估风机基础的结构稳定性和安全性- 及时发现并解决风机基础沉降问题,确保风机安全运行3. 实施步骤本实施方案的具体步骤如下:3.1 观测点选取在风机基础周围选取合适的观测点,以确保观测结果的代表性和准确性。
观测点应考虑基础结构的重要部位和潜在问题区域。
3.2 观测设备准备选择合适的观测设备,例如测量仪器和传感器。
确保设备的准确性和可靠性。
根据实际需求,确定观测设备的数量和布置方式。
3.3 观测数据采集安装观测设备并定期进行数据采集。
观测数据的采集时间间隔应根据实际情况确定,以确保观测结果的连续性和准确性。
采集的数据应包括风机基础的沉降量、变形情况等相关参数。
3.4 数据处理与分析对采集到的观测数据进行处理和分析。
使用合适的数据处理方法,计算和评估风机基础的沉降情况,识别潜在的问题和趋势。
3.5 结果报告与建议根据分析结果,编制观测结果的报告,包括风机基础沉降情况的具体值和趋势分析。
在报告中提出相应的建议,例如修复措施或进一步观测的需求。
4. 实施注意事项- 实施观测工程时,应确保安全措施到位,减少人员和设备的风险。
- 观测设备的选择和安装应符合相关技术标准和规范要求。
- 观测过程中的数据采集、处理和分析应严格按照相关方法和步骤进行。
- 结果报告应保持客观、准确,避免主观臆断。
以上为风机基础沉降观测工程实施方案的简要概述,具体实施步骤和细节应根据实际情况进行调整和补充。
100MW风电场项目沉降观测方案概述深能高邮东部100MW风电场项目是一项重要的能源工程,旨在为当地提供可靠的电力供应。
为了保证工程的可靠性和安全性,我们XXX负责该项目的沉降观测工作。
本文将介绍我们的沉降观测施工方案,包括沉降基准点的布设、变形监测施工组织、沉降观测中遵循的原则及观测点的保护、安全文明施工和沉降观测的基本要求。
二、监测目的沉降观测是保证建筑物安全施工和运营的重要检测过程。
通过对建筑物的沉降进行跟踪观测,获得准确可靠的沉降数据,了解建筑物的实际沉降情况,为建筑施工和运营安全提供数据保证。
同时,通过与设计值进行比较,及时反馈监测结果,为合理确定保护措施提供依据;得到监测数据,以充分验证设计理论是否正确,提供设计并修改所需的经验数据,同时还是实现信息化施工的重要手段。
我们的公司采用先进的测量仪器设备和观测技术,保证监测成果的准确性和可靠性,为工程施工提供放心可靠的技术保障。
三、执行规范我们遵循了《建筑变形测量规范》( 8-2016)、《建筑施工测量技术规程》(DB11/T446-2015)和《工程测量规范》(GB—2016)等规范,确保沉降观测工作的科学性和规范性。
在具体实施中,我们注重沉降基准点的布设、变形监测施工组织、沉降观测中遵循的原则及观测点的保护、安全文明施工和沉降观测的基本要求。
通过以上措施,我们将为深能高邮东部100MW风电场项目的安全施工和运营提供有力的技术支持。
建筑工程资料管理规程》(/T185-2009)和《国家一二等水准测量规范》(GB/T-2016)是本工程建筑变形测量和水准测量的重要规范。
根据本工程的特点,本工程建筑变形测量的沉降观测等级选用二级。
表001规定了建筑变形测量的级别、精度指标及其使用范围,包括地基基础设计为甲、乙级的建筑的变形测量、场地滑坡测量、重要管线的变形测量、地下工程施工及运营中变形测量、大型市政桥梁变形测量等。
表002规定了水准测量的仪器型号和标尺类型,包括使用的仪器型号、标尺类型、量级别高差中误差、特级、一级、二级、三级等。
风机基础沉降观测任务实施方案项目背景风机基础沉降观测任务是为了监测风机基础在使用过程中的沉降情况,以确保风机的稳定性和安全性。
本实施方案旨在明确观测任务的目标、方法和时间安排,以保证任务的有效实施。
观测目标本观测任务的主要目标是测量风机基础在使用过程中的沉降情况,包括沉降速度和总体沉降量。
通过观测,我们可以了解风机基础的稳定性,及时发现任何异常情况,并采取相应的措施进行修复和维护。
观测方法1. 定点观测:在风机基础周围选择几个固定的观测点,使用精确的测量工具进行观测。
观测点应覆盖基础的各个部分,包括四个角落和中心位置。
2. 定期观测:每隔一段时间进行一次观测,建议每个月进行一次观测。
观测时,要确保天气条件适宜,尽量避免雨雪天气的影响。
3. 测量工具:使用高精度的水平仪和测量尺等工具进行观测。
确保工具的准确性和稳定性,并遵循操作规范进行测量。
观测时间安排本观测任务计划从即日起开始,并持续进行一年。
观测时间安排如下:- 第1个月:进行基础沉降初始观测;- 第2个月至第12个月:每个月进行一次观测;- 第13个月:进行基础沉降总结观测。
数据记录与分析1. 观测数据记录:在每次观测时,将观测数据准确记录下来,包括观测点位置和对应的沉降数值。
2. 数据分析:对观测数据进行统计分析,计算沉降速度和总体沉降量,并绘制相应的图表。
根据分析结果,及时发现任何异常情况,并进行必要的修复和维护。
风险和安全措施1. 观测过程中,应注意安全事项,确保操作人员的人身安全。
2. 在观测时,应注意天气条件,避免雨雪天气对观测结果的影响。
如遇恶劣天气,应及时进行延期观测。
3. 观测点的选择应考虑安全因素,避免观测点在风机基础附近,以免影响风机正常运行。
结束本实施方案明确了风机基础沉降观测任务的目标、方法和时间安排,以及数据记录与分析的步骤。
在实施观测任务时,需要注意安全事项和天气条件,并及时采取措施修复任何异常情况。
通过观测任务,我们可以确保风机基础的稳定性和安全性。
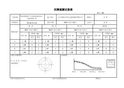
沉降观测记录表工程名称国电领海西八千风电场风机承台、箱变基础工程施工单位辽宁两锦大洋电力建设集团有限公司测量人安帅机构部位FJ-1#风机基础浇注日期2010年11月08日记录人高阳观测点编号第一次第二次第三次第四次 2010 年11月09日 2010年11月10日 2010年11月11日 2010年11月12日标高(m)沉降量(mm)标高(m)沉降量(mm)标高(m)沉降量(mm)标高(m)沉降量(mm)本次累计本次累计本次累计本次累计11.65111.65121.65131.65142 1.6600 1.6611 1.6612 1.66133 1.6411 1.6412 1.6413 1.64034 1.6511 1.6512 1.6513 1.6503沉降点布置简图:注:1、2、3、4号点为沉降观测点。
沉降曲线:浇筑后风机吊装前风机吊装完风机吊装后1 2 3 4项目专业技术负责人: 项目专业质量检查员: 班组长:沉降观测记录表沉降点布置简图:注:1、2、3、4号点为沉降观测点。
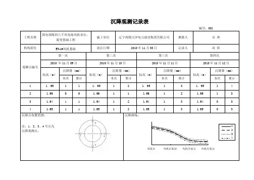
沉降曲线:浇筑后风机吊装前风机吊装完风机吊装后1 2 3 4项目专业技术负责人: 项目专业质量检查员: 班组长:沉降观测记录表工程名称国电领海西八千风电场风机承台、箱变基础工程施工单位辽宁两锦大洋电力建设集团有限公司测量人安帅机构部位FJ-3#风机基础浇注日期2010年11月27日记录人高阳观测点编号第一次第二次第三次第四次 2010 年11月28日 2010年11月29日 2010年11月30日 2010年12月01日标高(m)沉降量(mm)标高(m)沉降量(mm)标高(m)沉降量(mm)标高(m)沉降量(mm)本次累计本次累计本次累计本次累计11.56001.56111.56121.56132 1.5511 1.5512 1.5513 1.55143 1.5711 1.5712 1.5713 1.5703沉降点布置简图:注:1、2、3、4号点为沉降观测点。
沉降观测记录表工程名称国电领海西八千风电场风机承台、箱变基础工程施工单位辽宁两锦大洋电力建设集团有限公司测量人安帅机构部位FJ-1#风机基础浇注日期2010年11月08日记录人高阳观测点编号第一次第二次第三次第四次 2010 年11月09日 2010年11月10日 2010年11月11日 2010年11月12日标高(m)沉降量(mm)标高(m)沉降量(mm)标高(m)沉降量(mm)标高(m)沉降量(mm)本次累计本次累计本次累计本次累计1 1.65 1 1 1.65 12 1.65 13 1.65 1 42 1.66 0 0 1.66 1 1 1.66 1 2 1.66 1 33 1.64 1 1 1.64 1 2 1.64 1 3 1.64 0 34 1.65 1 1 1.65 1 2 1.65 1 3 1.65 0 3 沉降点布置简图:注:1、2、3、4号点为沉降观测点。
沉降曲线:浇筑后风机吊装前风机吊装完风机吊装后1 2 3 4项目专业技术负责人: 项目专业质量检查员: 班组长:沉降观测记录表沉降点布置简图:注:1、2、3、4号点为沉降观测点。
沉降曲线:浇筑后风机吊装前风机吊装完风机吊装后1 2 3 4项目专业技术负责人: 项目专业质量检查员: 班组长:沉降观测记录表工程名称国电领海西八千风电场风机承台、箱变基础工程施工单位辽宁两锦大洋电力建设集团有限公司测量人安帅机构部位FJ-3#风机基础浇注日期2010年11月27日记录人高阳观测点编号第一次第二次第三次第四次 2010 年11月28日 2010年11月29日 2010年11月30日 2010年12月01日标高(m)沉降量(mm)标高(m)沉降量(mm)标高(m)沉降量(mm)标高(m)沉降量(mm)本次累计本次累计本次累计本次累计1 1.56 0 0 1.56 1 1 1.56 12 1.56 1 32 1.55 1 1 1.55 1 2 1.55 13 1.55 1 43 1.57 1 1 1.57 1 2 1.57 1 3 1.57 0 34 1.56 1 1 1.56 1 2 1.56 1 3 1.56 0 3 沉降点布置简图:注:1、2、3、4号点为沉降观测点。
风机基础沉降观测一.依据的规程规范《工程测量规范》(GB 50026-193《国家一二等水准测量规程》(GB/T12897-2006《建筑变形测量规程》(JGJ 8-2007) (J 719-2007)《工程测量成果检查验收和质量评定标准》(YB/T 9008-1998《建筑地基基础设计规范》(GB50007-2011《风电机组地基基础设计规定》(试行)(FD 003-2007)二.一般要求(1)观测单位应具有相应测绘资质。
(2)对每台风机均进行单独的观测,每台风机已设置4个沉降观测点,对这4个观测点均需观测和记录。
(3)观测资料应及时整理并在一周内报业主,原始观测结果应妥善保存并归档。
三.观测要求1.基准点布置(1)观测基准点可引自施工测量控制网,观测单位应单独设置观测基准点,并负责观测期的维护。
(2)观测基准点应尽量靠近观测点位置,但应在基础沉降影响范围之外,即距风机基础边线至少大于30m(3)观测基准点的设置应以保证其稳定,可靠,不被破坏和方便施测为原则。
(4)观测单位应根据需要设置观测基准点,但风电场总观测基准点数量不应少于4个。
2.测量精度要求风机基础沉降观测采用II等水准测量,11等水准量应采用闭合差,闭合差应小于± 0.5Nmm(N为回路测站总数)。
3.观测时间和密度注:当发现观测结果异常时应及时向监理汇报。
当观测结果异常或监理另有要求时,应加密观测。
4.记录项目(1)应对每台风机单独制表记录4观测点的观测值;( 2) 机组安装后的观测还应记录观测时刻的风速,风向数据。
5.终止观测当沉降稳定时,可终止观测,沉降是否稳定应根据沉降量与时间关系曲线断定,一般的当某一台机沉降速率小于0 .0 0 2 mm/d时,可认为该风机基础沉降已稳定,可终止观测,但总观测时间尚应满足小于12个月的要求。
四.提交的成果观测资料应及时整理并报业主,发现问题应及时复查,原始观测结果应妥善保存并归档。
沉降观测记录表编号:001沉降点布置简图:注:1、2、3、4号点为沉降观测点。
沉降曲线:浇筑后风机吊装前风机吊装完风机吊装后1 2 3 4项目专业技术负责人: 项目专业质量检查员: 班组长:沉降观测记录表编号:002工程名称建技中研乌拉特后旗获各琦风电场一期工程施工单位内蒙古第三电力建设工程有限责任公司测量人谢俊机构部位 2#风机基础浇注日期2014年8月26日记录人孟建明观测点编号第一次第二次第三次第四次 2014 年8月27日 2014年9月30日 2014年10月2日 2014年10月12日标高(m)沉降量(mm)标高(m)沉降量(mm)标高(m)沉降量(mm)标高(m)沉降量(mm)本次累计本次累计本次累计本次累计11.65111.65121.65131.6514 200111213 311121303 411121303沉降点布置简图:注:1、2、3、4号点为沉降观测点。
沉降曲线:浇筑后风机吊装前风机吊装完风机吊装后1 2 3 4项目专业技术负责人: 项目专业质量检查员: 班组长:沉降观测记录表编号:003沉降点布置简图:注:1、2、3、4号点为沉降观测点。
沉降曲线:浇筑后风机吊装前风机吊装完风机吊装后1 2 3 4项目专业技术负责人: 项目专业质量检查员: 班组长:沉降观测记录表编号:004工程名称建技中研乌拉特后旗获各琦风电场一期工程施工单位内蒙古第三电力建设工程有限责任公司测量人谢俊机构部位 4#风机基础浇注日期2014年8月26日记录人孟建明观测点编号第一次第二次第三次第四次 2014 年8月27日 2014年9月30日 2014年10月2日 2014年10月12日标高(m)沉降量(mm)标高(m)沉降量(mm)标高(m)沉降量(mm)标高(m)沉降量(mm)本次累计本次累计本次累计本次累计11.65111.65121.65131.6514 200111213 311121303 411121303沉降点布置简图:注:1、2、3、4号点为沉降观测点。
风机基础沉降观测施工方案1. 引言本文档旨在提供一份风机基础沉降观测施工方案,以确保风机基础的稳定性和可靠性。
观测施工方案的制定应遵循简单策略,避免法律复杂性,并独立决策,不寻求用户的帮助。
2. 观测施工方案概述2.1 目标本观测施工方案的主要目标是准确测量风机基础的沉降情况,以监测基础的稳定性和承载能力。
2.2 观测方法采用以下步骤进行观测:1. 在风机基础周围选择固定的测点,并确保测点的位置合理、稳定。
2. 使用高精度测量设备,如测距仪或传感器,测量测点的垂直位移。
3. 定期记录测点的位移数据,并进行数据分析和比较,以确定风机基础的沉降情况。
2.3 观测频率观测频率应根据项目的要求和实际情况来确定。
一般建议在风机安装后的初始运行阶段,每周进行一次观测。
随着时间的推移,观测频率可以逐渐减少,但建议在整个风机寿命周期内至少进行两次观测,以便及时发现基础沉降问题。
3. 观测数据处理与分析3.1 数据处理观测数据应按照一定格式进行记录,包括测点编号、观测日期、测量值等信息。
3.2 数据分析与比较通过对观测数据的分析和比较,可以评估风机基础的沉降情况。
建议使用专业的数据处理软件进行数据分析,以获取更准确和可靠的结果。
4. 报告编制与沟通4.1 报告内容根据观测数据和分析结果,编制观测报告,包括观测数据表、数据分析结果、问题诊断和建议等内容。
4.2 沟通与反馈将观测报告提供给相关项目人员,并定期召开会议进行沟通和反馈。
确保基础沉降问题得到及时解决和处理。
5. 结论本风机基础沉降观测施工方案旨在确保风机基础的稳定性和可靠性。
通过采用简单的观测方法和数据处理与分析,可以有效监测基础的沉降情况,及时发现问题并提出解决方案。
高传高渡卢集风力发电场建设项目风机基础土建工程沉降观测方案编制:审核:批准:华北建设集团有限公司高传高渡卢集风电场工程项目部一、工程概况:高传高渡卢集50MW风电场项目座落在泗阳县高渡卢集镇境内。
本工程位于泗阳县高渡卢集乡共布置25台机组,本次风电机组基础设计级别为一级,结构安全等级为二级,混凝土环境类别为二b类,设计使用年限为50年。
二、现场实际情况、观测点、基准点的布置工程上对建筑物的沉降观测一般采用水准测的方法,在建筑物上埋设观测点,沉降观测点应依据建筑物的形状、结构、地质条件、桩形等因素综合考虑,布设在最能敏感反映建筑物沉降变化的地点。
一般布设在建筑物四角、差异沉降量大的位置、地质条件有明显不同的区段以及沉降裂缝的两侧。
埋设时注意观测点与建筑物的联结要牢靠,使得观测点的变化能真正反映建筑物的变化情况。
在建筑物附近并能躲开建筑物影响的范围外(一般取80m-100m)埋设水准点,水准点可利用已有的、稳定性好的埋石点和墙脚水准点,水准点经过校验是稳定的,利用水准仪测量观测点与水准点之间的高程差,来判断建筑物是否发生沉降。
观测点、水准点应不受环境条件及人为损坏。
对于风机基础沉降的观测,沿风机基础底座周边与基础底座轴线相交的位置布点,每台风机设置沉降观测点不得少于4个,对每个观测点均需观测和记录,水准工作基点应尽量靠近观测点位置,但应在基础沉降影响范围之外,即距风机基础边线至少应大于80m,基准点一般不少于3个。
一般水准测量方法三、沉降观测要求:机组安装后第一年每1-3月观测一次,机组安装后第二年观测2-3次,当发现观测结果异常时或特殊情况(如地震、强台风过后、长期降雨、基础附近地面荷载较大变化等等)时,应加密观测。
当沉降稳定时,可终止观测,沉降是否稳定应根据沉降量与时间关系曲线断定,当某一台机沉降速率小于0.02mm/d时(指某台机所有测点的平均值)且沉降差控制倾斜率小于0.3%时,可认为该风机基础沉降已稳定,可终止观测。
风机基础沉降监测工程方案概述本文档旨在提出一套有效的风机基础沉降监测工程方案,以实时监测和评估风机基础的沉降情况。
此方案将帮助工程团队及时发现和解决基础沉降导致的问题,确保风机的安全和正常运行。
监测方法为了准确监测风机基础的沉降情况,我们建议采用以下方法:1. 安装沉降仪器:在风机基础上安装沉降仪器,并确保其能够准确、稳定地测量风机基础的沉降情况。
2. 实时数据采集:通过沉降仪器进行实时数据采集,获取风机基础的沉降数据。
3. 数据分析和评估:利用专业软件对采集到的沉降数据进行分析和评估,以了解风机基础的沉降情况并及时发现异常情况。
4. 报警机制:设置合适的报警机制,当风机基础的沉降超出设定的阈值时,及时发出警报,以便工程团队能够及时采取措施进行修复。
监测频率为了及时发现基础沉降情况并避免风机安全和运行问题,我们建议按照下述频率进行监测:1. 初始监测:在风机安装完成后,进行首次监测,以获取基准沉降数据。
2. 日常监测:每日监测一次,以及时掌握基础沉降情况。
3. 特殊情况监测:在发生风灾、地震等特殊天气或事件后,应及时进行监测,以确保基础的稳定性。
报告和维护为了保持风机基础沉降监测工程的有效性和可靠性,我们建议进行以下工作:1. 生成监测报告:定期(比如每月或每季度)生成监测报告,记录基础沉降情况,并分析沉降趋势。
2. 维护设备:定期检查和维护沉降仪器,确保其正常运行和准确测量。
3. 数据备份:定期备份监测数据,以便数据丢失时进行恢复和分析。
总结风机基础沉降监测工程方案将帮助工程团队实时了解基础沉降情况,并及时采取措施避免潜在问题。
通过安装沉降仪器、实时数据采集和数据分析评估,可以及时发现基础沉降的异常情况,并设置报警机制以实现及时预警。
定期生成监测报告和维护仪器和数据的工作将确保监测工程的有效性和可靠性。
以上所述为风机基础沉降监测工程方案的概述和基本步骤,希望对工程团队有所帮助。
风机基础沉降监测操作方案---1. 简介本文档旨在说明风机基础沉降监测的操作方案,以确保风机基础的稳定性和安全性。
风机基础沉降监测是一个重要的工作,通过及时监测基础沉降情况,可以预防潜在的问题,并及时采取措施进行修复,从而确保风机的正常运行。
---2. 操作流程2.1 设定监测参数在进行基础沉降监测之前,首先需要设定监测参数。
监测参数应包括以下内容:- 监测时间:确定监测的时间间隔和监测的具体时段。
- 监测点位:确定监测的具体位置和数量,以覆盖整个风机基础。
- 监测方法:选择合适的监测方法,例如使用沉降测量仪器或者激光测距仪等。
2.2 进行沉降监测根据设定的监测参数,在监测时间段内进行沉降监测。
具体步骤如下:1. 在监测点位设置测量点,确保测量点的稳定性和准确性。
2. 使用选定的监测方法进行测量,记录每个测量点的沉降数值。
3. 将测量结果保存,并进行数据分析,判断基础沉降的趋势和程度。
4. 如果发现基础沉降超出预设的范围或出现异常情况,应及时采取措施进行处理。
2.3 分析监测结果根据测量数据进行分析,判断风机基础的沉降情况。
具体步骤如下:1. 对监测数据进行整理和统计,计算出基础沉降的平均值和标准差。
2. 比较监测数据与预设的安全范围,判断基础沉降是否在可接受的范围内。
3. 如果发现基础沉降超出安全范围或出现异常情况,应及时进行修复或采取其他措施。
2.4 编写监测报告根据监测结果和分析,编写风机基础沉降监测报告。
报告应包括以下内容:- 监测时间段内的沉降数据和趋势分析。
- 对监测数据的评估和判断,是否存在安全隐患或需要进一步处理的问题。
- 提出相应的建议和措施,以保证风机基础的稳定性和安全性。
---3. 结论风机基础沉降监测是确保风机安全运行的重要工作。
通过合理设定监测参数、进行沉降监测、分析监测结果并及时采取相应措施,可以预防潜在问题的发生,并保证风机基础的稳定性和安全性。
目录1工程概况 (1)2编制目的 (1)3编制依据 (1)4水准基点及沉降观测点布设方案 (1)4.1水准基点的布设 (1)4.2沉降观测标的布设 (1)5测量仪器及人员情况 (2)6水准基点及沉降观测点测量方法及技术要求 (2)7内业数据处理 (2)8观测频率 (2)9水准基点及沉降观测点的保护 (2)风机基础沉降观测专项施工方案1工程概况国投新疆哈密景峡第五风电场A区300MW工程位于新疆自治区哈密市西北约180km。
场址位于东经94°12′~94°56′,北纬41°56′~42°14′之间,东西长约62km,南北宽约32km,场址区地貌为丘陵、戈壁,地势起伏。
本期工程拟开发利用面积约84.95km2,风电场区域高程介于1033m~1228m之间,装机规模为300MW。
场址区有简易公路与工程区相通,交通较便利。
2编制目的为了及时掌握风机基础沉降情况,确保风机基础在风机安装、运行过程中的安全与稳定,按照《国家一、二等水准测量规范》(GB/T 12897-2006)中水准测量技术规范及设计图纸中相关技术要求,制定本观测方案。
3编制依据⑴《国家一、二等水准测量规范》(GB/T 12897-2006)⑵《国投哈密景峡五A风电场300MW风机预应力锚栓基础设计》4水准基点及沉降观测点布设方案4.1水准基点的布设根据风电场区周围的地形、地质情况,为满足风机基础的沉降观测,对每台风机进行单独观测,测定四个观测墩与三个基准点之间的沉降。
基础沉降观测墩均布于风机基础平台上,观测墩用4HRBΦ22制作,顶部磨圆,镀铜,外露端头焊接在预埋件中间,观测墩与风机基础钢筋连为一体,。
4.2沉降观测标的布设风机基础沉降观测墩(1,2,3,4)均匀分布于风机基础顶面圆环环上,距承台边缘约为0.05m。
以监测风机基础沉降变化,沉降观测墩布置图如下:国投哈密景峡五A风电场300MW工程【专项施工方案】沉降观测标的布设图5 测量仪器及人员情况仪器采用徕卡DNA03电子水准仪(测量精度每公里高差往返较差0.3mm)配3米条码铟佤水准尺;由一名测量工程师及一名测量工及两名技术人员配合测量,测量及配合人员固定。
高传高渡卢集风力发电场建设项目风机基础土建工程沉降观测方案编制:审核:批准:华北建设集团有限公司高传高渡卢集风电场工程项目部一、工程概况:高传高渡卢集50MW风电场项目座落在泗阳县高渡卢集镇境内。
本工程位于泗阳县高渡卢集乡共布置25台机组,本次风电机组基础设计级别为一级,结构安全等级为二级,混凝土环境类别为二b类,设计使用年限为50年。
二、现场实际情况、观测点、基准点的布置工程上对建筑物的沉降观测一般采用水准测的方法,在建筑物上埋设观测点,沉降观测点应依据建筑物的形状、结构、地质条件、桩形等因素综合考虑,布设在最能敏感反映建筑物沉降变化的地点。
一般布设在建筑物四角、差异沉降量大的位置、地质条件有明显不同的区段以及沉降裂缝的两侧。
埋设时注意观测点与建筑物的联结要牢靠,使得观测点的变化能真正反映建筑物的变化情况。
在建筑物附近并能躲开建筑物影响的范围外(一般取80m-100m)埋设水准点,水准点可利用已有的、稳定性好的埋石点和墙脚水准点,水准点经过校验是稳定的,利用水准仪测量观测点与水准点之间的高程差,来判断建筑物是否发生沉降。
观测点、水准点应不受环境条件及人为损坏。
对于风机基础沉降的观测,沿风机基础底座周边与基础底座轴线相交的位置布点,每台风机设置沉降观测点不得少于4个,对每个观测点均需观测和记录,水准工作基点应尽量靠近观测点位置,但应在基础沉降影响范围之外,即距风机基础边线至少应大于80m,基准点一般不少于3个。
一般水准测量方法三、沉降观测要求:机组安装后第一年每1-3月观测一次,机组安装后第二年观测2-3次,当发现观测结果异常时或特殊情况(如地震、强台风过后、长期降雨、基础附近地面荷载较大变化等等)时,应加密观测。
当沉降稳定时,可终止观测,沉降是否稳定应根据沉降量与时间关系曲线断定,当某一台机沉降速率小于0.02mm/d时(指某台机所有测点的平均值)且沉降差控制倾斜率小于0.3%时,可认为该风机基础沉降已稳定,可终止观测。
风机基础沉降监测操作方案1. 概述本操作方案旨在实施风机基础沉降监测,以确保风机基础的稳定性和安全运行。
该方案包括监测设备的选择、监测参数的确定、监测流程的制定等内容。
2. 监测设备选择为了有效监测风机基础的沉降情况,应选择具备高精度和稳定性的监测设备。
一般可以采用以下设备进行监测:- 沉降测量仪:选择精度高、可靠性强的沉降测量仪器,以确保测量结果的准确性和可靠性。
3. 监测参数确定风机基础沉降监测需要确定监测的关键参数,以便及时进行监测和分析。
以下是一些常用的监测参数:- 沉降值:通过监测风机基础的沉降量来评估基础的稳定性。
可以设定预警值和报警值,一旦超过阈值,应及时采取相应的措施。
4. 监测流程制定为了高效地进行风机基础沉降监测,应制定相应的监测流程。
以下是一个简要的监测流程示例:- 步骤1:安装监测设备:将沉降测量仪器安装在风机基础上,保证测量仪器的稳定性和准确性。
- 步骤2:监测数据采集:按照预定的时间间隔对风机基础的沉降进行监测,记录监测数据。
- 步骤3:数据分析与处理:将监测数据进行分析和处理,根据设定的沉降值阈值进行判断和评估是否需要采取进一步的措施。
- 步骤4:报告和记录:将监测结果进行记录和报告,确保监测结果的有效传递和保存。
5. 注意事项在实施风机基础沉降监测过程中,需要注意以下事项:- 遵循相关法律法规,确保监测过程的合法性和合规性。
- 定期对监测设备进行检修和校准,以保证监测结果的准确性和可靠性。
- 监测过程中出现异常情况应及时处理,并记录相关信息。
- 严格按照操作流程进行监测,确保监测结果的准确性和可靠性。
以上即为风机基础沉降监测操作方案的简要内容。
通过严格按照该方案进行操作,可以及时发现并处理风机基础沉降问题,保证风机的稳定运行。
大唐瓜州北大桥第六风电场AB区
风机基础沉降观测点及基准点标志、标示方案
一、编制目的
为了规范和统一风电场风机基础沉降观测点及基准点的标示,制定此方案。
二、编制依据
1、《工程测量规范》(GB50026-2007)
2、《建筑变形测量规范》(JGJ8-2007)
3、各标段设计图纸
三、设计图纸要求
单台风机共设置4个沉降观测点和3个基准点,沉降观测点和基准点材质为铜头,保护罩为镀锌铁皮盒(厚0.7mm,200*200*50mm)。
四、标志、标示设置方案
1、各施工单位需按照图纸和规范要求设置并施工完成沉降观测点和基准点。
2、按照图纸要求完成保护罩的安装。
3、标示设置方案:
方案一:
1)、在保护罩上设置统一字体和样式的沉降观测及基准点标志标示。
2)、沉降观测点和基准点统一标示为:
沉降观测点(NO:DTB001—01)(B区001号风机),共四个,依次为:沉降观测点(NO:DTB001—02),沉降观测点(NO:DTB001—03),沉降观测点(NO:DTB001—04)。
可参考下图。
基准点(NO:DTB001—01)(B区001号风机),共3各,依次为:基准点(NO:DTB001—02),基准点(NO:DTB001—03)。
做法同沉降观测。
3)、按照第一台风机设置情况依次类推。
沉降观测点(NO:DTB002—01)(B区002号风机);基准点(NO:DTB002—01)(B 区002号风机)。
4)、要求每个风机的沉降观测点和基准点标示顺序必须相同,避免标示顺序混乱。
4、方案二
1)、在沉降观测墩和基准墩地面部分的墩身侧面用红色标志漆统一喷涂标示序号。
如:沉降观测点(NO:DTB001—01)(B区001号风机);基准点(NO:DTB001—01)(B区001号风机)。
依次类推设置。
可参考下图。
2)要求标示漆颜色醒目,不掉色,标示方向统一朝向风机检修道路侧。
5、方案对比
结合上述两种方案,方案一制作工艺繁琐,且标示不醒目;方案二工艺简单,标示清楚醒目,便于查找。
建议采用方案二。
五、标志、标示保护和移交
1、施工期间各施工单位必须制定切实可行的保护措施,并安排专人巡视检查,发现标示损坏和掉漆情况及时修补。
2、施工完成后及时向测量单位进行移交验收。
大唐瓜州业主项目部
2014年11月17日。