高层楼房震动测试报告汇总
- 格式:doc
- 大小:921.50 KB
- 文档页数:13
震动噪音分析报告模板震动噪音分析报告一、目的和范围本次震动噪音分析报告旨在评估某一设备在使用过程中可能产生的震动噪音,并对其对周围环境和人体健康的影响进行分析。
本分析范围包括设备的振动产生机制、噪音传播路径、噪音特性以及评估其对周围环境和人体健康的影响。
二、设备振动产生机制该设备主要通过电机带动转子和各种机械连接件进行旋转或振动运动,产生一定的机械振动。
振动源主要包括电机、转子、齿轮和传动带等。
三、噪音传播路径设备振动以机械波的形式传播,主要通过设备的底座和连接件传输到周围结构和基础上,然后通过周围结构的固有特性传播到室内或室外环境。
此外,设备振动也可能通过空气传导传播成空气噪音,但在本报告范围内主要以结构传播为主。
四、噪音特性噪音主要包括频率和振幅两个方面。
频率分析结果显示,该设备产生的振动频率分布范围在20Hz到1000Hz之间,主要集中在200Hz到500Hz区间。
振幅分析结果显示,该设备的振动振幅相对较小,主要在0.1mm到1mm之间。
五、噪音对周围环境和人体健康的影响根据相关标准和规范的限值要求,该设备产生的振动噪音在距离设备一定距离之后,对周围环境噪声水平的影响较小,不会超过环境噪声限值。
此外,根据人体振动暴露标准,该设备振动对人体的影响也处于可接受范围内。
六、建议措施为了进一步降低设备振动噪音对周围环境和人体健康的影响,建议采取以下措施:1. 对设备的部件进行优化设计,降低机械振动源的振动幅值;2. 在设备的底座和连接件上添加减振材料,减少振动的传输;3. 通过结构改造或添加隔音材料,降低振动的传播路径;4. 对设备进行定期维护保养,确保设备的正常运行状态。
七、结论根据本次震动噪音分析,该设备产生的振动噪音对周围环境和人体健康的影响较小,处于可接受范围内。
建议采取相应的措施进行噪音降低和振动控制,以进一步优化设备的运行状况。
振动测试报告某公司的产品在质检过程中,需要进行振动测试以确保其性能。
下面是针对这种测试产生的振动测试报告。
1. 测试概要本次振动测试是为了测试某公司的产品在正常使用过程中是否能够正常工作,并且没有导致任何零部件的故障或损坏。
测试采集数据包括加速度、速度和位移,采集频率为1 Hz - 5000 Hz。
测试产生的噪声对人体不会产生任何危害。
2. 测试设备测试设备包括振动台、加速度计、速度计和位移计。
振动台由四个气弹簧组成,能够在 x、y 和 z 方向上进行机械振动。
加速度计用于测量振动的加速度值,速度计用于测量振动的速度值,位移计用于测量振动的位移值。
3. 测试方法先根据产品的使用条件设置振动的频率和振幅。
然后将产品放置在振动台上,并开启振动设备。
在振动的过程中,通过加速度计、速度计和位移计对振动进行实时监控,并记录数据。
根据测试过程中的数据,判断产品是否能够正常运行。
4. 测试结果根据振动测试的结果来看,本次测试的某公司的产品经过了一系列的振动测试,并且测得的数据范围符合正常值。
可以判断该产品在多数使用环境下能够正常运行,并且对振动具有良好的适应性。
但是,还需要设计人员对测试结果进行分析,并对产品的结构和材料等进行评估,来保证在实际应用环境下可以长时间稳定工作。
5. 测试结论振动测试是一种有效的测试方法,可以用于评估产品的性能和适应性。
虽然本次振动测试的结果是正常的,但是测试并不一定能检测出所有的产品故障,而且测试结果也不能代表产品的使用寿命。
因此,还需要更多的测试和评估来保证产品的高质量和长期可靠性。
6. 结语振动测试是不可或缺的质检方法之一。
在产品的开发过程中,应该严格执行振动测试标准,以确保产品符合相关法规和规定。
同时,也需要密切关注新的振动测试技术和方法的发展,使测试能更加高效和准确。
高层抗震分析报告1. 引言本报告旨在对某高层建筑进行抗震分析,以评估其在地震发生时的抗震能力。
地震是一种破坏性极大的自然灾害,对建筑物的稳定性和安全性带来巨大挑战。
通过对该高层建筑进行综合性的抗震分析,可以为建筑物的设计和改进提供有价值的参考。
2. 建筑物概述该建筑物是一座高层建筑,共有40层,总高度为150米,采用钢筋混凝土框架结构。
建筑物用途为商业办公,平均日使用人数约为500人。
3. 地震参数为进行抗震分析,需要了解该地区的地震参数。
根据地震局提供的数据,该地区的设计基本地震加速度为0.1g,设计地震分组为第二组。
4. 结构分析针对该建筑物的框架结构,进行了静力弹性分析和动力时程分析。
4.1 静力弹性分析静力弹性分析是最常用的抗震分析方法之一,通过对建筑物的静力特性进行计算,评估其使用状态下的受力情况以及结构的稳定性。
在本次分析中,考虑了建筑物所受的重力荷载和地震荷载,并采用有限元方法进行了计算。
结果显示,在设计基本地震加速度作用下,建筑物的位移和变形均在允许范围内,结构具有合理的稳定性。
4.2 动力时程分析动力时程分析是一种较为精确的抗震分析方法,通过考虑地震的时程特性和结构的动力响应,评估建筑物在地震发生时的振动情况。
在本次分析中,通过选取合适的地震波记录,对建筑物的动力响应进行了计算。
结果显示,建筑物在地震波的作用下发生了较大振动,但结构的位移和变形仍在可接受范围内,建筑物的抗震性能良好。
5. 结果与讨论通过对该高层建筑的抗震分析,得出以下几点结论:•建筑物的静力弹性分析结果显示其结构稳定性良好。
•动力时程分析结果显示在设计基本地震加速度作用下,建筑物的位移和变形仍在可接受范围内。
•建筑物的抗震性能达到设计要求,并具备较好的抗震能力。
然而,在进行抗震分析时,仍需要注意以下几点:•结构的抗震性能需要定期检测和评估,并进行必要的改进和加固。
•在设计和施工过程中,应充分考虑地震对建筑物的影响,采取合适的抗震措施。
振动测试实验报告(一)振动测试实验报告引言•介绍振动测试实验的背景和目的实验设备•列点介绍用于振动测试的设备和仪器实验过程•描述实验的具体步骤和操作流程•列出实验所使用的参数和测量方法实验结果•展示实验所得的振动数据和曲线图•列出实验的统计数据和分析结果实验讨论与分析•分析实验结果的差异和变化趋势•论述可能的原因和影响因素实验结论•总结实验结果和分析的关键点•概括实验的主要发现和结论实验改进和展望•提出对实验方法和设备的改进意见•展望进一步深入研究的方向和潜在应用领域参考文献•列出引用的相关文献以上是一份基于Markdown格式的振动测试实验报告的标题副标题形式的文章。
注意文章内不应包含HTML字符、网址、图片和电话号码等内容。
实验设备振动测试仪•型号:XYZ-123•产商:ABC公司•主要功能:用于测量和分析物体的振动特性加速度传感器•型号:123-Accel•产商:DEF公司•主要功能:测量物体在振动过程中的加速度变化数据采集系统•型号:DataLogger-456•产商:GHI公司•主要功能:用于实时采集和记录振动测试数据实验过程准备工作1.将振动测试仪和加速度传感器连接至数据采集系统。
2.确保设备之间的连接稳固可靠。
实验步骤1.将待测试物体放置在振动测试台上。
2.设置振动测试仪的参数,包括频率范围和振动幅值。
3.启动数据采集系统,开始记录振动测试数据。
4.逐步增加振动仪的频率,记录相应的加速度值。
5.按照设定的频率范围和步长进行振动测试,直至测试完成。
实验结果振动数据•频率(Hz) 加速度(m/s^2)•10 0.53•20 1.27•30 2.18•40 3.08•50 3.95振动曲线图振动曲线图振动曲线图实验讨论与分析结果分析•实验数据显示,随着振动频率的增加,加速度值也呈逐渐增大的趋势。
•在低频段时,加速度值的增长幅度较小,但在高频段时,加速度值的增长幅度明显加大。
影响因素讨论•物体的质量和刚度对振动特性有影响,可能导致加速度值的变化。
房屋抗震检测报告1. 概述本文档是对某座房屋进行抗震性能检测后的报告,主要目的是评估该房屋在地震发生时的抗震能力。
该报告包含了对房屋结构的评估结果及相应的分析,以及可能需要采取的加固措施建议。
2. 检测内容本次抗震检测主要包括以下内容:•房屋基础和地基的稳定性评估•房屋结构的稳定性评估•房屋的抗震性能参数评估•基于评估结果的加固措施建议3. 房屋基础和地基的稳定性评估房屋的基础和地基的稳定性对于抗震性能至关重要。
通过对基础和地基的检测,我们评估了其承重能力、稳定性以及与地层的连接情况。
经过检测,房屋的基础和地基稳定性较好,满足抗震的基本要求。
4. 房屋结构的稳定性评估房屋结构的稳定性评估主要包括对梁、柱、墙等结构元素的检测。
通过对结构元素的材料、连接方式、构造等进行分析,我们可以评估结构的整体稳定性。
经过检测,房屋的结构稳定性良好,但存在部分结构元素的老化或损坏情况。
5. 房屋的抗震性能参数评估房屋的抗震性能参数评估主要包括楼板、墙体的抗震性能分析以及结构的整体刚度和层间位移等参数的计算。
通过对这些参数的评估,我们可以了解房屋在地震发生时的响应情况。
经过评估,房屋的抗震性能在一定程度上满足设计要求,但仍存在一定的改进空间。
6. 加固措施建议基于以上的评估结果,我们向业主提出以下加固措施建议:•对老化或损坏的结构元素进行修复或更换•加强梁柱节点的连接方式,提高结构整体稳定性•增加房屋的抗震支撑系统,增加房屋的抗震能力•增加墙体的横向约束,提高整体抗震性能7. 结论通过对房屋抗震检测的全面评估,我们认为该房屋在地震发生时的抗震能力较好,但仍需要采取一定的加固措施来提高整体抗震能力。
建议业主按照加固措施建议执行加固工作,并定期对房屋进行维护和检测,确保房屋的抗震性能一直处于良好状态。
以上是对该房屋抗震检测的基本情况报告,具体的加固措施需要由专业工程师根据实际情况进行详细设计和施工。
希望该报告能对业主对房屋的抗震性能评估提供一定的参考和帮助。
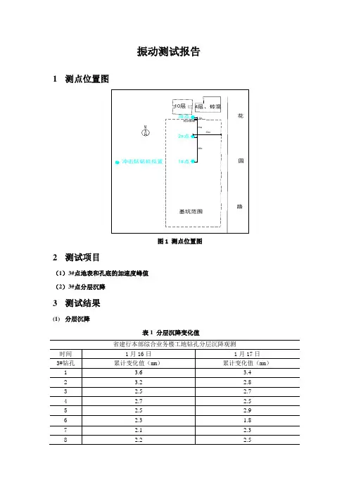
振动测试报告
振动测试报告
报告编号:VT-2021-001
日期:2021年1月1日
1. 测试目的
本次振动测试的目的是评估被测试物体在受到不同频率和振幅的振动作用下的性能和耐久性。
2. 测试对象
被测试物体为一台电子设备,型号为XYZ-123。
3. 测试方法
使用振动测试仪对被测试物体进行振动测试。
测试过程中,变化振动频率和振幅,记录被测试物体的振动响应和任何潜在问题。
4. 测试结果
根据测试结果,被测试物体在不同频率和振幅下的振动响应良好。
未发现任何性能问题或损坏。
5. 结论
根据本次振动测试的结果,被测试物体在受到振动作用下表现出良好的性能和耐久性。
可以确认该电子设备适用于一般的振动环境。
6. 建议
(1)为了更全面地评估被测试物体的振动性能,建议在不同的温度和湿度条件下进行进一步测试。
(2)为了提高被测试物体的振动抗性,建议在设计阶段采取一些振动减震措施。
7. 附图
- 振动测试仪的示意图
- 测试过程中的振动频率和振幅曲线图。
- 被测试物体的照片。
该报告仅根据测试结果提供结论,如果需要进一步分析或有其他问题,请及时与我们联系。
测试员签名:____________
日期:____________。
第1篇一、引言随着城市化进程的加快,高楼大厦在我国各大城市中屡见不鲜。
然而,地震作为自然界的一种灾害,对高层建筑的抗震性能提出了严峻考验。
为了提高建筑的抗震能力,确保人民生命财产安全,本报告对近年来我国楼房抗震技术的研究成果进行总结,旨在为今后的建筑设计提供参考。
二、楼房抗震设计原则1. 安全性原则:确保在地震作用下,建筑结构不会发生倒塌,人员可以安全撤离。
2. 可靠性原则:建筑结构在地震中应具有良好的承载能力和变形能力,保证结构的长期稳定。
3. 经济性原则:在满足抗震要求的前提下,尽量降低建筑成本。
4. 合理性原则:结构设计应合理,便于施工和后期维护。
三、楼房抗震设计关键技术研究1. 抗震设防烈度与抗震等级抗震设防烈度是指建筑所在地区的地震基本烈度,抗震等级则反映了建筑结构的抗震性能。
根据《建筑抗震设计规范》(GB 50011-2010),我国将抗震设防烈度分为六个等级,分别为Ⅰ级至Ⅵ级。
在设计过程中,应根据建筑物的用途、重要性和设防烈度来确定抗震等级。
2. 结构体系(1)框架结构:框架结构具有良好的抗震性能,适用于高层建筑。
其特点是柱、梁、板组成一个整体,通过节点连接形成空间框架。
(2)剪力墙结构:剪力墙结构主要由墙体和楼板组成,墙体起到抗震墙的作用。
适用于地震多发地区。
(3)框架-剪力墙结构:结合了框架结构和剪力墙结构的优点,适用于中等高度的建筑。
3. 基础设计(1)地基处理:地基处理是提高建筑抗震性能的重要手段。
常用的地基处理方法有:换填、加固、桩基等。
(2)基础形式:基础形式的选择应考虑地基条件、建筑高度、荷载等因素。
常用的基础形式有:筏板基础、箱形基础、桩基础等。
4. 非结构构件设计(1)隔墙:隔墙的设置应考虑抗震要求,提高建筑的整体稳定性。
(2)门窗:门窗的设置应满足抗震要求,防止地震作用下产生较大变形。
(3)装饰装修:装饰装修材料应具有良好的抗震性能,避免在地震中脱落。
5. 抗震构造措施(1)节点连接:节点连接是建筑结构的关键部位,应保证节点连接的可靠性和安全性。
楼房检测报告报告编号:XXXXXXXX检测单位:XXXXX检测有限公司检测日期:XXXX年XX月XX日一、检测目的本次检测旨在对被检测楼房的结构、设备、消防等方面进行全面检测,并出具检测报告,为业主提供参考和指导。
二、检测范围本次检测范围涵盖了被检测楼房的全部房屋建筑结构、地基基础、电梯、楼梯、管道、设备、消防等方面。
三、检测方法本次检测采用了多种方法,包括但不限于目测、测量、试验、检查、实验室分析等。
对于不同的检测对象和检测目的,我们选择了最适合的检测方法。
四、检测结论1. 结构检测经过检测,被检测楼房的结构稳定,不存在明显的扭曲、倾斜、下沉等问题,属于安全结构。
但在检测中发现局部墙体出现了开裂现象,需要及时修复加固。
2. 设备检测被检测楼房的电梯、楼梯、通风设备等均正常运行,未发现明显的故障和缺陷。
但在检测中发现有些设备需要进行及时的保养和维护。
3. 消防检测被检测楼房的消防设备完好,消防通道畅通,符合国家相关规定和要求,但在检测中发现车库和过道存在易燃物品存放,存在安全隐患,需要及时清理。
五、检测建议1. 对于墙体开裂的问题,建议及时聘请专业的修缮公司进行修复和加固。
2. 对于设备保养和维护的问题,建议楼房业主和管理方制定相应的保养和维护计划,并在合适的时间内对设备进行检修。
3. 对于易燃物品存放的问题,建议业主和管理方加强对车库和过道的管理,保持空间的清洁和整洁,防止火灾事故的发生。
六、结论和意见本次检测结果显示,排除检测中发现的问题,被检测楼房的结构、设备、消防等方面保持良好的状态。
但为了保障业主和居民的安全和健康,建议楼房业主和管理方积极采取措施解决存在的问题,并制定有效的预防措施,及时进行维护和保养,保证楼房的运营和使用安全。
高度防震实验报告范文1. 实验目的通过进行高度防震实验,探索不同防震装置对建筑结构抗震性能的影响,为提高建筑抗震能力提供理论依据。
2. 实验原理地震是由地壳运动产生的地面振动,建筑结构作为地震波传输路径上的一个重要环节,其抗震性能对减轻地震灾害具有重要作用。
在实验中,我们使用不同类型的防震装置对建筑模型进行防震,通过观察模型的震动情况和分析测试数据,来评估各种防震装置的效果。
3. 实验装置和材料- 建筑模型:使用木材制作的建筑模型,模拟真实建筑的结构。
- 地震波发生器:产生模拟地震波的设备。
- 防震装置:包括弹簧、减震器等多种类型,用于固定建筑模型并减轻震动。
4. 实验步骤1. 搭建建筑模型:根据实验要求,使用木材搭建一个简单的建筑模型,并确保模型的结构完整。
2. 安装防震装置:根据实验设计,将不同类型的防震装置安装在建筑模型上。
3. 设置地震波参数:根据实验需求,调整地震波发生器的参数,如震动幅度、频率等。
4. 进行地震波测试:开启地震波发生器,产生模拟地震波,并记录建筑模型在不同防震装置下的震动情况。
5. 数据分析与结果对比:根据实验记录的数据,分析不同防震装置的效果,并将结果进行对比和总结。
5. 实验结果与讨论根据实验结果,我们观察到不同类型的防震装置对建筑结构的抗震能力有着不同的影响。
在本次实验中,弹簧装置具有较好的减震效果,能够有效地减小建筑模型的振动幅度,提高结构的稳定性。
而减震器虽然能够减小振动幅度,但减震效果相对较弱。
通过对比实验数据和观察震动情况,我们可以得出以下结论:1. 弹簧装置在一定程度上能够抑制地震波的传播,减小建筑结构受力;而减震器只能起到一定程度的缓冲作用。
2. 不同类型的防震装置适用于不同类型的建筑结构,需要根据具体情况进行选择和设计。
3. 良好的防震装置应具备较大的刚度和较小的阻尼,以最大限度地减小地震波对建筑结构的冲击。
6. 实验总结本次高度防震实验通过对不同类型的防震装置进行测试,探索了不同装置的减震效果。
第1篇一、引言随着城市化进程的加快,电梯作为高层建筑中不可或缺的垂直交通工具,其安全性能越来越受到人们的关注。
电梯震动仪作为一种检测电梯运行状态的重要设备,能够实时监测电梯的振动情况,为电梯的维护和保养提供重要依据。
本报告旨在通过对电梯震动仪数据的分析,评估电梯的运行状态,为电梯的安全管理提供参考。
二、数据来源与处理1. 数据来源本报告所使用的数据来源于某城市100部在用电梯的震动仪,数据采集时间为过去一年内,共计365天。
2. 数据处理(1)数据清洗:对采集到的数据进行初步筛选,去除异常值和缺失值。
(2)数据转换:将原始数据转换为适合分析的形式,如将振动加速度、振动频率等转换为数值型数据。
(3)数据分类:根据电梯的类型、使用年限、运行时间等因素对数据进行分类。
三、数据分析1. 电梯振动加速度分析(1)平均值分析:对100部电梯的振动加速度进行平均值分析,结果显示,振动加速度的平均值为0.15g,其中0.1g以下占比为85%,0.1g-0.2g占比为15%。
(2)最大值分析:对100部电梯的振动加速度最大值进行分析,结果显示,最大振动加速度为0.35g,出现在一部使用年限较长的电梯上。
2. 电梯振动频率分析(1)平均值分析:对100部电梯的振动频率进行平均值分析,结果显示,振动频率的平均值为10Hz,其中5Hz以下占比为80%,5Hz-10Hz占比为20%。
(2)最大值分析:对100部电梯的振动频率最大值进行分析,结果显示,最大振动频率为15Hz,出现在一部使用年限较短的电梯上。
3. 电梯运行状态分析(1)电梯运行平稳性分析:通过对振动加速度和振动频率的综合分析,评估电梯的运行平稳性。
结果显示,大部分电梯的运行平稳性较好,但仍有部分电梯存在较大振动,需进行针对性维护。
(2)电梯使用年限与振动关系分析:通过对不同使用年限电梯的振动数据进行分析,发现使用年限较长的电梯振动加速度和振动频率普遍较高,可能与电梯老化有关。
基于地震计记录数据的大楼振动分析报告模板XXXX年XX月XXXX企业有限公司目录基于地震计记录数据的大楼振动分析报告模板 (3)1背景情况 (3)2数据分析 (3)2.1时域分析 (3)2.1.1 速度数据分析 (3)2.1.2 仿真为加速度数据分析 (5)2.1.3 仿真为位移数据分析 (7)2.1.4 周期信号分析 (9)2.2 频域分析 (11)3建议 (15)基于地震计记录数据的大楼振动分析报告模板1 背景情况本报告是基于某大楼结构在不定时间存在晃动且振动感觉强烈的现象进行测试与分析。
测试方案是通过使用地震仪(频带范围)完整记录大楼连续时长度为2天的地脉动数据,设备安装位置为该大楼XX楼位置。
经现场确认,在测试期间,共有3次比较明显的振动,时间分别是:第一次时间:XXXX年XX月XX日 XX:XX-XX:XX;第二次时间:XXXX年XX月XX日 XX:XX-XX:XX;第三次时间:XXXX年XX月XX日 XX:XX-XX:XX;就以上情况,本报告分别从时域、频域对数据进行分析如下:2 数据分析2.1 时域分析2.1.1 速度数据分析从2天数据来看,当地反映在3个时间段,确实存在大振动信号,信号波形如下图所示:插入类似上图所示的正常脉动记录波形图片图1:第一时间段(XXXX年XX月XX日 XX:XX-XX:XX)正常脉动记录波形(最大幅值约为东西向XX um/s,时间点为XX:XX:XX)插入类似上图所示的脉动记录波形图片图2:XXXX年XX月XX日 XX:XX-XX:XX时间段脉动记录波形(最大幅值约为北南向XX um/s,时间点为XX:XX:XX)插入类似上图所示的脉动记录波形图片图3:XXXX年XX月XX日 XX:XX-XX:XX时间段脉动记录波形(最大幅值约为东西向XX um/s,时间点为XX:XX:XX)插入类似上图所示的脉动记录波形图片图4:XXXX年XX月XX日 XX:XX-XX:XX时间段脉动记录波形(最大幅值约为东西向XX um/s,时间点为XX:XX:XX)通过速度值时域分析:平静段的噪声幅值、三段振动信号幅值如下表1:东西(um/s) 北南(um/s) 垂直(um/s) 相对平静段66 36 20XXXX年XX月XX日 XX:XX-XX:XX 1212 1395 85XXXX年XX月XX日 XX:XX-XX:XX 904 1063 67XXXX年XX月XX日 XX:XX-XX:XX 886 906 742.1.2 仿真为加速度数据分析插入类似上图所示的正常脉动记录波形(仿真为加速度)图片图5:XXXX年XX月XX日 XX:XX-XX:XX正常脉动记录波形(仿真为加速度)(最大幅值约为东西向XX gal)插入类似上图所示的正常脉动记录波形(仿真为加速度)图片图6:XXXX年XX月XX日 XX:XX-XX:XX时间段脉动记录波形(仿真为加速度)(最大幅值约为北南向XX gal)插入类似上图所示的正常脉动记录波形(仿真为加速度)图片图7:XXXX年XX月XX日 XX:XX-XX:XX时间段脉动记录波形(仿真为加速度)(最大幅值约为北南向XX gal)插入类似上图所示的正常脉动记录波形(仿真为加速度)图片图8:XXXX年XX月XX日 XX:XX-XX:XX时间段脉动记录波形(仿真为加速度)(最大幅值约为北南向XX gal)通过加速度值时域分析:平静段的噪声幅值、三段振动信号幅值如下表2:东西(gal) 北南(gal) 垂直(gal)相对平静段0.22 0.17 0.22XXXX年XX月XX日 XX:XX-XX:XX 1.65 1.95 0.30XXXX年XX月XX日 XX:XX-XX:XX 1.21 1.48 0.52XXXX年XX月XX日 XX:XX-XX:XX 1.21 1.22 0.372.1.3 仿真为位移数据分析插入类似上图所示的正常脉动记录波形(仿真为位移)图片图9:XXXX年XX月XX日 XX:XX-XX:XX正常脉动记录波形(仿真为位移)(最大幅值约为东西向XX um)插入类似上图所示的正常脉动记录波形(仿真为位移)图片图10:XXXX年XX月XX日 XX:XX-XX:XX时间段脉动记录波形(仿真为位移)(最大幅值约为北南向XX um)插入类似上图所示的正常脉动记录波形(仿真为位移)图片图11:XXXX年XX月XX日 XX:XX-XX:XX时间段脉动记录波形(仿真为位移)(最大幅值约为北南向XX um)插入类似上图所示的正常脉动记录波形(仿真为位移)图片图12:XXXX年XX月XX日 XX:XX-XX:XX时间段脉动记录波形(仿真为位移)(最大幅值约为东西向XX um)通过位移值时域分析:平静段的噪声幅值、三段振动信号幅值如下表3:东西(um) 北南(um) 垂直(um)相对平静段 4.56 2.57 0.3XXXX年XX月XX日 XX:XX-XX:XX 87.06 98.19 5.79XXXX年XX月XX日 XX:XX-XX:XX 71.14 75.41 4.23XXXX年XX月XX日 XX:XX-XX:XX 65.22 65.10 4.0相当于100km 远处发生Ml 5.6级地震。
某超高层建筑工程大震作用下的分析报告摘要:本文针对广州某超限高层住宅结构设计进行研究,介绍了该工程超限情况的大震设计。
采用PKPM的PUSHOVER软件进行静力弹塑性分析,验证结构能否满足大震阶段的抗震性能目标。
关键词:超限高层;结构分析;PUSHOVER分析1.工程概况项目位于广州市芳村区,C6、C7栋56层,结构高169.3宽比X向4.25,Y向5.66;为超B级高度。
结构体系均采用钢筋混凝土全部落地剪力墙结构。
设四层地下室,采用框架结构。
首层架空,局部设2层商业,为独栋单体。
标准层结构平面图分别详见图1.1-1。
图1.1-1C6、C7栋标准层平面图2.抗震性能设计2.1抗震性能目标根据本工程的抗震设防类别、设防烈度、结构类型、超限情况和不规则性,按照省《高规》第3.11节的相关内容,设定本结构的抗震性能目标为性能C。
大震:目标为第4性能水准,采用PKPM的PUSHOVER软件进行静力弹塑性分析,控制整体结构的弹塑性位移角满足1/150的要求;采用YJK进行大震等效弹性计算,控制竖向构件受剪截面满足要求。
根据省《高规》第3.11.3条第4款规定,第4性能水准结构,大震下竖向构件的受剪截面按下式控制:,其中剪压比。
2.2大震弹塑性分析2.2.1弹塑性分析概述对于大震下结构的弹塑性计算,按省《高规》第3.11.4条的相关规定,对高度不超过300m的超高层建筑,如结构较规则,且基本振型的质量参与系数不小于50%的结构可采用静力弹塑性方法。
C6、7栋高度为169.3m均小于300m,且结构较规则,故采用静力弹塑性分析。
2.2.2弹塑性分析的目的1.对结构整体进行性能评估,考察结构的最大弹塑性层间位移角是否满足所设定的目标要求。
2.无论计算手段如何先进,都不可能对真实结构作“精确”的分析,弹塑性分析的意义在于,获得一个满足工程精度要求的结果,提供有用信息,供设计决策参考。
具体而言,主要是为了发现结构在强震下的潜在破坏机制,找出相应的薄弱环节,从而可对薄弱环节进行相应加强,使整体结构达到预定的性能目标。
工程质量检测报告编号:桂建质检(检一)【2011】第107号工程项目名称:上林县八寨路3#、5#、7#房屋工程检测内容:工程质量检测广西壮族自治区建筑工程质量检测中心2011年4月22日工程名称:上林县八寨路3#、5#、7#房屋工程委托单位:上林县县城城北改建项目建设领导小组办公室设计单位:不详施工单位:不详监理单位:不详检测单位:广西壮族自治区建筑工程质量检测中心说明:1、报告无骑缝章及检测报告专用章无效;2、报告复印无效;3、报告无检测人、编写、校核、审核、批准签名无效;4、报告涂改无效;5、对检测报告若有异议,应于收到报告之日起十五日内向检测单位提出书面申诉,否则按认可检测报告处理。
检测单位地址:广西南宁市北大南路17号邮政编码:530011电话:上林县八寨路3#、5#、7#房屋工程质量检测报告桂建质检(检一)【2011】第107号1、概述由于广西上林恒力房地产有限公司投资建设的上林县那旺桥在2010年12月下旬的冲孔灌注桩施工过程中,其附近上林县八寨路3#、5#、7#房屋业主反映其房屋出现不同程度的裂缝,为了解该3栋房屋的工程质量状况,上林县县城城北改建项目建设领导小组办公室委托我“中心”对上林县八寨路3#、5#、7#房屋进行工程质量检测,我“中心”接受委托后,于2011年2月24日派出技术人员到现场了解情况后,编制了《上林县八寨路3#、5#、7#房屋检测方案》,该方案经委托方认可后,我“中心”于2011年3月30日至4月13日派出4名工程技术人员到现场进行了检测,现将检测结果报告如下。
2、检测仪器2.1、3m钢卷尺,仪器编号为L205-03C036号,检定证书编号为线纹字第100101008号,经广西区计量检测研究院检定合格,有效期为:2010年5月6日至2011年5月5日。
2.2、江苏东华测试技术有限公司生产的DH5922型动态信号测试分析系统,仪器编号:L205-07Z213,经广东省计量科学研究院检定合格,检定证书号:SSD20101383,有效期2010年4月21日至2011年4月20日。
目录第1章测试的目的 (1)第 2 章高层建筑结构现场动力特性测试方法 (3)2.1概述 (3)2.2 影响高层建筑动力测试的环境因素 (3)2.3高层建筑结构脉动测试测点分类 (3)2.3.1水平振动测点 (3)2.3.2扭转振动测点 (4)2.4测点及测站布置原则 (4)2.4.1找好中心位置布置平移振动测点。
(4)2.4.2在建筑物的两侧布置扭转测点 (4)2.5 传感器布置的方法 (5)第3章西安建筑科技大学XX大楼现场动力测试 (6)3.1 结构概况 (6)3.2 测试目的 (6)3.4 测试仪器设备 (6)3.5 测试方案 (6)3.6 脉动过程记录 (7)3.7结果分析 (9)3.8 结论 (11)参考文献 (12)第1章测试的目的高层建筑结构的动力特性指它的自振频率、振型及阻尼比.虽然这些动力特性可以通过理论计算求得,但通过测试所得的动力特性仍然具有重要意义。
主要表现在以下几个方面:①.检验理论计算理论计算方法求结构的自振频率时存在误差。
于在理论计算过程中,要先确定计算简图和结构刚度,而实际结构往往是比较复杂的,计算简图都要经过简化,常填充墙等非结构构件并不记入结构刚度,而且结构的质量分布、材料实际性能、施工质量等都不能很准确的计算。
因此,计算周期与实测周期相比,往往相差很多,据统计,大约前者为后者的1.5--3倍。
这样,如果直接采用理论计算的自振周期计算等效地震荷载,往往使内力及位移偏小,设计的结构不够安全。
因此,理论周期要用修正系数加以修正。
现场实测可以得到建筑物建成后实际的动力特性,因此是准确可靠的。
所得数据可以与理论计算数据进行对照比较,验证理论计算,也可为设计类似的对于超高层建筑提供经验及依据。
②.验证经验公式通过实测手段对各种不同类型的建筑物进行测试以后,可归纳总结出结构周期的规律,得到计算结构振动周期的经验公式。
在估算结构动力特性及估算地震作用时采用经验公式可快速得到结果,方便实用。
房屋振动鉴定报告
根据委托方的要求,本公司对位于某某街道的房屋进行了振动鉴定。
经过实地勘察和分析测试数据,得出以下鉴定报告:
1.房屋结构稳定,未发现明显的结构病害或裂缝。
2.房屋所处位置存在一定的地震带,但是当前房屋的结构和基础设计能够满足地震安全要求。
3.房屋周边存在一定的交通和人流噪声,但是未发现对房屋结构产生明显影响的振动源。
4.在测试中,房屋内部的振动响应满足居住要求,未出现明显的噪声或震感现象。
综上所述,本次房屋振动鉴定结果显示该房屋结构稳定,符合安全要求,可以正常使用。
若委托方需要更详细的鉴定报告,可联系本公司进行定制服务。
- 1 -。
目录第1章测试的目的 (1)第 2 章高层建筑结构现场动力特性测试方法 (3)2.1概述 (3)2.2 影响高层建筑动力测试的环境因素 (3)2.3高层建筑结构脉动测试测点分类 (3)2.3.1水平振动测点 (3)2.3.2扭转振动测点 (4)2.4测点及测站布置原则 (4)2.4.1找好中心位置布置平移振动测点。
(4)2.4.2在建筑物的两侧布置扭转测点 (4)2.5 传感器布置的方法 (5)第3章西安建筑科技大学XX大楼现场动力测试 (6)3.1 结构概况 (6)3.2 测试目的 (6)3.4 测试仪器设备 (6)3.5 测试方案 (6)3.6 脉动过程记录 (7)3.7结果分析 (9)3.8 结论 (11)参考文献 (12)第1章测试的目的高层建筑结构的动力特性指它的自振频率、振型及阻尼比.虽然这些动力特性可以通过理论计算求得,但通过测试所得的动力特性仍然具有重要意义。
主要表现在以下几个方面:①.检验理论计算理论计算方法求结构的自振频率时存在误差。
于在理论计算过程中,要先确定计算简图和结构刚度,而实际结构往往是比较复杂的,计算简图都要经过简化,常填充墙等非结构构件并不记入结构刚度,而且结构的质量分布、材料实际性能、施工质量等都不能很准确的计算。
因此,计算周期与实测周期相比,往往相差很多,据统计,大约前者为后者的1.5--3倍。
这样,如果直接采用理论计算的自振周期计算等效地震荷载,往往使内力及位移偏小,设计的结构不够安全。
因此,理论周期要用修正系数加以修正。
现场实测可以得到建筑物建成后实际的动力特性,因此是准确可靠的。
所得数据可以与理论计算数据进行对照比较,验证理论计算,也可为设计类似的对于超高层建筑提供经验及依据。
②.验证经验公式通过实测手段对各种不同类型的建筑物进行测试以后,可归纳总结出结构周期的规律,得到计算结构振动周期的经验公式。
在估算结构动力特性及估算地震作用时采用经验公式可快速得到结果,方便实用。
由于实测周期大都采用脉动试验的方法得到,是反映结构在微小变形下的动力特性,得的周期都比较短,如果激振力加大,结构周期会加长。
在地震作用下,随着地震烈度不同,房屋会有不同程度的开裂破坏,刚度降低,自振周期会变长。
因此,完全按照脉动测试的周期来确定同类型结构的周期,将使计算等效地震力加大,设计偏于保守。
所以由脉动方法得到的实测周期需要乘以修正系数,再计算等效地震力。
在大量测试工作和积累了丰富资料的基础上,这个修正系数的大小视结构类型、填充墙的多少而定,大约在1.1-1.5之间。
在给出经验公式时,计入这一修正系数,这样既可以简化计算,又与实际周期较为接近。
③.为结构安全性评估及损伤识别提供依据建筑结构的质量问题不容忽视,它是直接关系着千家万户的生命财产安全和安居乐业的大事,建筑结构的质量状态评估日益受到人们的重视。
传统的经验性的评估方法存在许多缺陷和不足,静力检测结构的缺陷也有许多局限性。
动力检测应用于整体结构的质量评估受到国内外学者的广泛关注。
近10年来,国内外学者一直在寻找一种能适用于复杂结构整体质量评估的方法。
目前,到普遍认同的一种最有前途的方法就是结合系统识别、振动理论、振动测试技术、信号采集与分析等跨学科技术的振动模态分析法。
高层建筑建成以后完好状态下量测得到的动力特性数据,可以作为基本技术档案保存。
建筑物一旦遭受地震等自然灾害或使用了一定的年限以后,再进行测量,可以从中获得宝贵的对比资料。
比如,结构损伤开裂后,结构的自振周期会加长,振型会改变等。
从结构的自身固有特性的变化来识别结构的损伤,从而进行安全性评估,并采取相应的科学决策。
当然,动力特性测试作为安全评估的一个手段,还要与其他评估工作一起进行全面分析,综合评定得到满意的结果。
④.为改进设计提供依据地震中,建筑物由于扭转振动导致损坏的例子并不少见,而由于鞭梢效应引起的损坏也很多。
由实测数据得到的建筑物的固有频率,特别是各阶模态的振型,对于分析结构的扭转效应和鞭梢效应、积累经验、改进设计是很有帮助的。
⑤.寻求减小结构振动的途径结构动力特性实测还可以为解决各类振动问题寻找答案,达到减震、消振和隔振的目的。
如从振动频率入手,避开共振频率,减小振动幅值第 2 章高层建筑结构现场动力特性测试方法2.1概述高层建筑结构的动力特性测试 ,目前主要采用脉动测试的方法。
建筑物的脉动是一种微小的振动 ,脉动源来自地壳运动引起的微小振动 ,地面车辆运动、机器运转所引起的微小振动 ,以及风振引起的建筑物的微小振动等。
该方法利用高灵敏度的传感器、放大器及记录设备 ,借助于随机信号数据处理的技术 ,量测环境激励结构物的响应 ,分析确定结构物的动力特性。
它可以不利用任何激振设备 ,对建筑物没有损伤 ,也不影响建筑物内部正常工作 ,是一种有效而简便的方法。
2.2 影响高层建筑动力测试的环境因素高层建筑周围的环境对脉动测试结果有着重要的影响,高层建筑大多建于闹市区,周围车水马龙,环境噪声大,这对脉动测试的干扰很大,影响了数据的精确性。
因此,如何选取合适的时机,采用性而有效的方法减少噪声的影响值得研究。
另外,内部激励尤其是近传感器的激励,会对测试产生很很大影响。
因此,在进行现场实测时,应该采取有效措施,减少环境噪声和局部环境振动的影响。
2.3高层建筑结构脉动测试测点分类测点的布置应考虑测站、传感器、布线、人员调度以及现场条件等因素。
已经完成的高层建筑结构现场动力特性测试表明,测点归纳为以下几种:2.3.1水平振动测点水平振动测点用于测试楼层的水平振动。
高层建筑从它振动状态来分析一般可以分为水平方向的振动,扭转振动和垂直振动。
为了区分于扭转振动,习惯上把水平方向的振动称为结构的平移振动。
这种振动一般可分为横向振动与纵向振动两种。
现时结构的平面形式很多是方行或圆形的,在描述结构振动时也常常描述为X方向振动,Y方向振动。
当然,平移振动除了横向、纵向(X.Y方向)振动外,还有任意方向的振动,但是主要关心的是这两个方向的振动。
2.3.2扭转振动测点扭转振动测点用于测试楼层的扭转振动。
地震破坏的实践表明,建筑物由于扭转振动导致损坏的例子并不少见,因此尽量减少结构的扭转效应是设计师们应该注意的。
但是由于有的建筑物太长,有的建筑物质量偏心太大,有的建筑物属于不对称结构,刚度中心偏离质量中心较大,还有的建筑,尽管设计时已经考虑到减小扭转效应的影响,但由于施工、使用等种种原因的影响,或多或少的会出现扭转振动。
振动信号有的数倍于平移振动信号,因此扭转振动信号的测试是很重要的。
2.4测点及测站布置原则一栋高层建筑,从什么部位来捡拾它的振动信号才能得到预期的效果,这是一个十分重要的问题。
振动信号的拾取要靠传感器的布点来实现,因此传感器布置在什么部位,就是一个关键的工作。
在进行测试时,测站位置的布置,也很重要,因为这关系到导线的放取,合理的布置将大大节省花费在导线放取上的时间和体力。
在此提出以下几点测点和测站布置中的原则:2.4.1找好中心位置布置平移振动测点。
在布置平移振动测点的时候,传感器一般安放在建筑物的刚度中心,其目的是为了让传感器接收到的信号仅仅是平移振动信号,扭转振动信号不要进来,这样在做数据分析处理时便于识别平移振动信号。
当受到现场试验条件的限制,不可能在建筑物的刚度中心安放传感器时,要尽可能地靠近刚度中心,使扭转振动信号尽可能的小,突出平移振动信号。
在现场试验时,刚度中心不易确定,平面位置的几何中心容易找到,传感器可放至几何中心。
2.4.2在建筑物的两侧布置扭转测点建筑物的扭转振动是整个建筑物绕着结构的扭转中心在转动,因此它越远离扭转中心,振动也就越大。
显然,该类型的测点布置于远离扭转中心的位置。
对于比较规则的结构,楼层扭转测点通常布置于远离几何中心的两侧对称布置,而且在位置较高的一两个楼层布置扭转测点。
但是对于体型复杂的结构,受扭转效应影响比较大,也很难确定扭转中心位置,为测得扭转频率及振型,常常在不同楼层的不同位置适当多布置几个测点。
甚至有时在布置测点的所有层都布置扭转测点。
2.5 传感器布置的方法测试时按传感器布置方向有“单轴法”和“双轴法”之分。
“单轴法”,即楼层的测点各布置一个传感器,其方向为水平振动的一个主轴方向。
待此方向测试完毕后,传感器转至另一主轴方向再进行测试。
该方法适用于区域内测点较少的情况。
“双轴法”则在同一测点布置两个传感器,同时沿水平和纵向进行测试。
该方法适于结构特性复杂、区域内测点较多的情况。
第3章西安建筑科技大学XX大楼现场动力测试3.1 结构概况3.2 测试目的对西安建筑科技大学工科楼的原型结构进行脉动测试,获得原型结构的自振频率、阻尼和振型等动力特性,为类似工程提供参考。
结构现场测试期望得到以下结果:1 结构自振频率2 结构阻尼比3 结构振型3.4 测试仪器设备此次测试所采用的仪器设备有:1. 北京东方振动与噪声技术研究所生产的INV智能信号采集处理分析仪;2. 中国地震局工程力学研究所生产的891型16线功率放大器;3. 中国地震局工程力学研究所生产的891-2型拾振器;4.联想便携式计算机;5. 低噪声导线。
3.5 测试方案采用脉动测试的方法对工科楼原型结构进行振动测试:将测站布置在中间楼层,按“单轴法”在结构的每个楼层布置水平振动测试传感器,测试结构的环境随机振动,测站及测点的具体布置如图3.1。
对“东—西”方向进行测试,分别测试结构的位移和速度,运用DASP2000专业模态分析软件对测试结果进行分析,可得到的结构的动力特性。
测站4层5层6层7层8层9层层层层层层层层层层层图3-1 测站及测点布置图3.6 脉动过程记录通过脉动测试,可得到XX 大楼各楼层同步测试的振动波形(图3-2)。
图3-2(a)楼层自振波形图1图5图3-2(b)楼层自振波形图2 各楼层脉动测试统计结果见表3-1。
表3-1XX大楼各层脉动记录3.7结果分析经过函数传递后,通过结构模态分析可得到结构的频率、阻尼、振型,由于一阶与二阶模态对结构产生主要影响,因此,此处选取了一阶与二阶模态进行分析。
表3-2为结构的一阶和二阶振动的频率和阻尼比。
图3-6为经模态拟合后,结构的模态分析阶数,结构的一阶与二阶振型,如图3-7,3-8所示。
表3-2 结构的模态频率和阻尼比《建筑抗震设计规范》(GB50011-2001)和《高层建筑混凝土结构技术规范》(JGJ3-2002)规定,钢筋混凝土高层建筑结构的阻尼比应取0.05,所测结果和规范相符。
图3-6模态分析阶数图3-7 XX楼1阶振型图3-8 XX楼2阶振型3.8 结论本文对XX大楼进行了动力测试及分析,其结论如下:①.对结构的位移振动测试分析可知,随着测点所在层数的增加,楼层的振动均相应增大,这与模态分析中结构的一阶模态占主要成分是一致的;②.对结构的速度振动分析可知,结构的一阶自振频率为0.876,对应的阻尼比为0.053%,与《建筑抗震设计规范》(GB50011-2001)中规定的钢筋混凝土高层建筑结构的阻尼比接近;③.本文测试所得的结果可以为改进经验公式、改进高层建筑结构设计、结构安全性评估及损伤识别提供依据。