化粪池尺寸对照表
- 格式:docx
- 大小:8.41 KB
- 文档页数:1
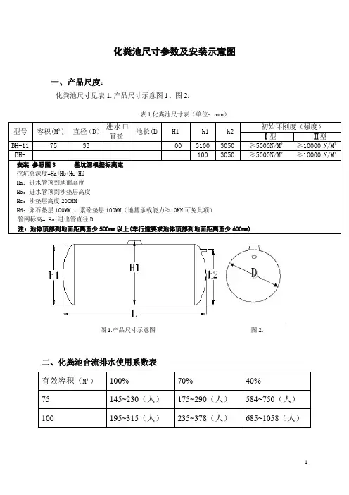
化粪池尺寸参数及安装示意图一、产品尺度:化粪池尺寸见表1.产品尺寸示意图1、图2.表1.化粪池尺寸表(单位:mm)图1.产品尺寸示意图图2.二、化粪池合流排水使用系数表有效容积(M³)100% 70% 40%75 145~230(人)175~290(人)584~750(人)100 195~315(人)235~378(人)685~1058(人)型号容积(M³) 直径(D)进水口管径池长(L)H1 h1 h2初始环刚度(强度)Ⅰ型Ⅱ型BH-11 75 33 00 3100 3050 ≥5000N/M²≥10000 N/M²BH- 100 3050 ≥5000N/M²≥10000 N/M²安装参照图3 基坑深根据标高定挖坑总深度=Ha+Hb+Hc+HdHa:进水管顶到地面高度Hb:进水管顶到沙垫层高度Hc:沙垫层高度200MMHd:卵石垫层100MM 、素砼垫层100MM(地基承载能力≥10KN可免此项)管网标高= Ha+进出管直径D注:池体顶部到地面距离至少500mm以上(车行道要求池体顶部到地面距离至少600mm)三、最小挖坑尺寸化粪池最小挖坑尺寸见表2及图3型号有效容积(M3)进水口管径(mm)基坑长(mm)基坑宽(mm)基坑深*(mm)BH-1 800 Ha+3100 BH- 00 3800 Ha+3100 *基坑深:深度根据管网标高确定挖坑总深度=Ha+Hb+Hc+HdHa:进水管顶到地面高度Hb:进水管顶到沙垫层高度Hc:沙垫层高度200MMHd:混凝土垫层200MM(地基承载能力≥10KN可免此项)管网标高= Ha+进出管直径D图3 安装示意图。
钢筋混凝土化粪池尺寸对照表钢筋混凝土化粪池尺寸对照表注:本表格为有地下水,池顶有覆土,可过车化粪池化粪池型号长宽有效容积型号代号1号295013502G1-2SQF2号480013504G2-4SQF3号480016006G3-6SQF4号480021009G4-9SQF5号4800210012G5-12SQF6号6000260016G6-16SQF7号6000310020G7-20SQF8号6000310025G8-25SQF9号6000310030G9-30SQF10 号7400310040G10-40SQF11 号9000310050G11-50SQF12 号12000320075G12-75SQF 13号化粪池应按每人多大设计《化粪池标准图集》注明适应于一般民用建筑生活用的化粪池型号确定如下:住宅类型的:1--15 人选用1#化粪池;16--30 人的选用2#化粪池;31--45 人的选用3#化粪池;46--65 人的选用4# 化粪池;66--95 人选用5#化粪池;96--120 人的选用6#化粪池;121--200 人的选用7#化粪池;201--260 人的选用8# 化粪池;261--330 人的选用9#化粪池;331--450 人选用10# 化粪池。
至于楼主选用多大的化粪池,请对号入座。
强烈建议楼主按照化粪池标准图集中的施工。
顺便提醒下,化粪池通常分为:砖砌化粪池、钢筋砼化粪池、预制化粪池(造价低廉)等。
还要区分化粪池上面是否行车,采取加固处理。
1#化粪池容积 1.71 立方米 2.73*1.49*1.3(0.5--0.8) 2#化粪池容积 3.12 立方米3.98*1.54*1.3(0.5--0.8) 3# 化粪池容积4.81 立方米 4.68*1.74*1.3(0.5--0.8)应该参照《化粪池标准图集》制作。
设计的化粪池清掏周期是多长时间,小区一栋楼设计多少户,合流系数0.7 升/ 人.天,停留时间12--24 小时。