内墙抗裂砂浆技术交底
- 格式:doc
- 大小:22.00 KB
- 文档页数:2
技术交底记录
工程名称 钦州恒大绿洲 16#~21#商住楼
施工单位 中建海峡建设发展有限公司 交底部位
工序名称
外墙保温砂浆
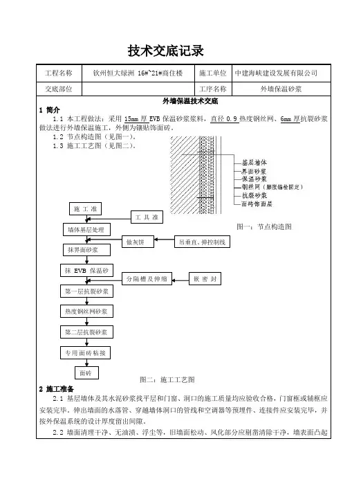
外墙保温技术交底
1 简介
1.1 本工程做法:采用15mm 厚EVB 保温砂浆浆料,直径0.9热度钢丝网、6mm 厚抗裂砂浆做法进行外墙保温施工,外侧为镶贴饰面砖。
1.2 节点构造图(见图一)。
1.3 施工工艺图(见图二)。
图一:节点构造图
图二:施工工艺图 2 施工准备
2.1 基层墙体及其水泥砂浆找平层和门窗、洞口的施工质量均应验收合格,门窗框或辅框应安装完毕。
伸出墙面的水落管、穿越墙体洞口的管线和空调器等预埋件、连接件应安装完毕,并按外保温系统的设计厚度留出间隙。
2.2 墙面清理干净、无油渍、浮尘等,旧墙面松动、风化部分应剔凿清除干净,墙表面凸起
施工准
墙体基层处理
抹界面砂浆 抹EVB 保温砂
第一层抗裂砂浆工具准做灰饼 吊垂直、弹控制线 分隔槽及伸缩嵌密封热度钢丝网砂浆 第二层抗裂砂浆 专用面砖粘接面砖。
一、施工准备:1.材料1)水泥:普通硅酸盐水泥和预拌砂浆2)砂子:喷浆用河砂3)建筑胶:801胶要有出厂合格证。
4)钢丝网:16号钢丝网(40mmx40mmx1.6mm)、ø1@15宽300钢丝网2.主要机器干混砂浆罐、小推车、水管、托灰板、铁抹子、靠尺板、灰槽、铁锹。
阳角抹子。
小圆角(三角铁)刮土工。
托线板等。
除抹灰一般工具外,还应具备有软毛刷、钢丝刷、粉线包、喷壶、水壶、水桶、笤帚、锤子、凿子等。
3.作业条件1)对主体结构工程进行核查验收并取得结构验收手续后,方可进行抹灰工程。
2)砼加气块墙体整修完毕,各预留洞已按设计尺寸留出,各管线墙体预留洞口用C20细石混凝土填实,外墙上的预留洞填实后采用DPM15砂浆掺5%防水剂找平收光。
其他各管线槽提前用DPM15预拌砂浆分层抹平。
3)摸灰前对墙体上被剔凿的管线槽,洞进行整修完善。
根据剪力墙、梁、板线管开槽处加铺ø1@15宽度为300mm的钢丝网,每边宽度不应小于150mm,专用胶固定。
4)排气道安装完,在排气道外壁满挂ø1@15钢丝网,两边与墙体搭接200mm宽,专用胶粘钉固定。
5)抹灰墙面的高度,搭设抹灰用脚手架、高凳、操作平台及架木应离开墙面及门窗口200-250mm以利操作。
架木要稳定、牢固、可靠。
6)用发泡胶封堵外墙拉丝杆孔。
7)抹灰应在砌体砌筑完毕后至少七天。
二、操作工艺1.工艺流程:基层处理—堵塞外墙螺栓孔—钉钢丝网—浇水湿润—拍浆—洒水养护—贴灰饼—冲标筋—刮专用界面砂浆—抹第一遍水泥石灰砂浆—抹门窗口水泥砂浆护角—水泥砂浆面层抹平—养护。
2.基层处理:抹灰前应对表面进行处理,首先清理表面的灰尘、污垢,检查填充墙是否有烂角,松动现象,将露出墙面的舌头灰刮掉,墙面凸出部分剔凿平整,墙面坑凹不平、砌块缺棱掉角的及剔凿的管线槽、洞用胶灰整修密实平顺,内外墙螺栓孔采用膨胀发泡剂封堵,加气块上的孔用膨胀发泡剂封堵。
抗裂砂浆地面施工技术交底
本文档旨在明确抗裂砂浆地面施工的相关技术要点和步骤,以确保工程质量。
以下是施工过程的详细描述:
1. 材料准备:
- 确保使用符合国家相关标准的抗裂砂浆材料;
- 预先检查材料的保质期和质量,防止使用过期或质量不合格的材料。
2. 基础处理:
- 清理施工区域,确保地面没有杂物和灰尘;
- 填补地面裂缝和凹陷,并将基面调整平整;
- 检查基面的强度和干燥程度,确保符合施工要求。
3. 砂浆调配:
- 按照抗裂砂浆的使用说明,将水和砂浆按比例混合;
- 搅拌均匀,以确保砂浆的质量和一致性;
- 注意控制砂浆的用水量,避免过干或过稀的情况发生。
4. 施工过程:
- 使用专业工具将砂浆均匀地涂抹在地面上;
- 注意施工厚度的控制,避免出现明显的浮起或嵌入现象;
- 在施工过程中,及时修补裂缝和疏漏的部分;
- 避免过度踩踏已施工的地面,以免影响施工效果。
5. 养护阶段:
- 施工完成后,按照抗裂砂浆的养护要求,进行养护处理;
- 根据温度、湿度等条件,合理控制养护时间;
- 在养护期间,避免划拉、碰撞地面,以免破坏施工效果。
以上是抗裂砂浆地面施工的技术交底内容,希望能够对施工人员能够有所帮助。
在施工中,务必要严格按照相关要求进行操作,确保工程质量和施工安全。
一、准备工作1)、材料准备:现场使用预拌砂浆,应有出厂合格证,产品配合比,及检验报告。
2)、主要机具:(1.5m中杠、2m靠尺、激光水准仪、钢卷尺、方尺、铁抹子、塑料抹子、小白线、托线板、工具袋等。
3)、作业条件:结构工程必须经有关部门验收合格后,方可进行抹灰工程。
抹灰前应检查门窗框安装位置是否正确,与墙体连接是否牢固。
连接处缝隙用聚氨酯塞密实,管道穿越墙洞、楼板洞应及时安放套管,并用1∶3水泥砂浆填嵌密实;电线管、消火栓箱、配电箱安装完毕,并将背后露明部分钉好铅丝网;接线盒用纸堵严。
预埋铁件位置和标高准确无误,并刷好防腐、防锈涂料。
墙基层表面的灰尘、污垢和油渍等应清除干净,并浇水湿润。
根据室内高度和抹灰现场的具体情况,提前准备好抹灰高凳或脚手架,架子应离开墙面及墙角200~250mm,以利操作。
室内大面积施工前应制定施工方案,先做样板间,经鉴定合格后再大面积施工。
二、操作工艺(水泥墙面)工艺流程:墙面浇水→拉毛养护→钉钢丝网→吊垂直抹灰饼→墙面冲筋→抹灰→养护墙面。
1)、基层处理:先将墙面灰尘油污清除干净。
2)、拉毛养护:用水将墙浇水湿润,电钻机搅拌拉毛浆,用喷浆机拉毛,第二天浇水养护,直至砂浆疙瘩凝固在墙上用手掰不掉为止。
3)、钉钢丝网:砼墙面和加气砖墙面及特殊部位钉钢丝网,搭接位置不小于15cm。
4)、抹灰饼:前一天墙面浇水,然后贴灰饼,根据基层垂直情况确定抹灰层厚度,不小于7mm,距阳角10-20cm,先贴上灰饼1:3水泥砂浆3cm见方,确定下灰饼位置和厚度(注意开间、进深尺寸,两头尺寸一样要求看6或看1),在踢脚板上5-10cm处,用靠尺板吊垂直确定下灰饼厚度,同样在另一阳角处做好灰饼,再拉小线做中间灰饼,间距1.5米-1.8米,或用激光水准仪贴鉼,严格按照墙体控制线贴饼。
5)墙面冲筋,用与抹灰层相同的砂浆冲筋、宽度3cm为宜。
6)、加气混凝土块墙面抹底灰:一般情况下,冲完筋约4h左右就可以抹底灰,注意不要过早或过迟。
抗裂砂浆技术交底工程名称施工单位交底内容:桃花三村安置房江西省三建交底部位日期外墙保温保温层与面层应粘结牢固,严禁空鼓、裂缝。
抗裂层施工:待保温施工完3~7天且保温层厚度、平整度隐蔽验收合格以后,方可进行抗裂施工。
一、网格布的铺设(1)将耐碱网格布剪去毛边裁好,长度不超过3m,在保温层上抹抗裂砂浆,厚度控制在4mm左右(网格搭接处可加厚度至5mm),立即用铁抹子将耐碱网格布压入抗裂砂浆内,网眼砂浆饱满度应为l00%。
(2)耐碱网格布搭接宽度不应小于65mm,耐碱网格布的边缘严禁干搭按,必须嵌在抗裂砂浆中。
(3)网格布铺设方向应自上而下水平铺设,并沿外墙转角处依次铺设,遇门窗洞口,则应在洞口四角加贴一块长为30Omm,宽为200mm的45度斜向网格布。
(4)施工时应边抹沙浆边埋设网格布,以保证沙浆在具有良好的工作性的时间范围内,及时将网格布压入砂浆中,并将从网格布中挤出的沙浆抹平。
(5)铺设网格布时,网格布的弯曲面应朝向墙面并从中央向四周用抹子抹平,直至网格布完全埋入抗裂沙浆内,目测无任何可分辩网格布纹路,若有裸露的网格布应用适量的抗裂砂浆进行修补,抗裂砂浆的厚度不宜大于3mm。
抗裂沙浆复合网格布以看不到网格布颜色为宜。
(6)全部网格布铺设完成,保证全部网格布均埋入砂浆之后,应养护24h。
在寒冷的冬季,应适当延长养护时间方可举行下一步工序,并且要保护好已完工的墙面。
防止雨水浸渗和冲刷。
二、抹抗裂沙浆:(1)聚合物抗裂沙浆的平整度控制首先要求保温隔热层的平整度到达标准,达不到平整质量标准要求应事先用保温浆料找乎。
(2)窗角、阴阳角等部位的加强网格布应先用抗裂沙浆贴好,接着继续施工大面,掌握先施工细部,后施工致体,整片的耐碱网格布压住聚集的加强型耐碱网格布的规则。
(3)在耐碱网格布搭接时,应将底层耐碱网格布压入抗裂砂浆,随后即压入面层耐碱网格布。
(4)修建物首层应铺贴双层耐碱网格布,第一层应铺贴加强型耐碱网格布,铺贴办法与前述办法不异,但应注意铺贴加强耐碱网格布时宜对接,随即可举行第二层通俗耐碱网格布的铺贴施工,铺贴办法与前述不异。
内墙抗裂砂浆操作方法
1. 准备工作
将施工现场清理干净,安排好施工间隔时间,备齐施工所需的材料和工具。
检查墙面是否能承受抗裂砂浆的施工,如墙面开裂或者不平整,需要先进行修补处理。
2. 搅拌材料
按照配比将抗裂砂浆粉末和清水混合,使用低速电动搅拌器将材料搅拌均匀,直至砂浆光滑无颗粒。
3. 墙面处理
在墙面上涂刷一层水泥砂浆,使其表面呈现微湿状态。
这会提高抗裂砂浆与墙面的附着力。
4. 抗裂砂浆施工
用抹刀将抗裂砂浆均匀地抹在墙面上,厚度不应大于5mm。
如果墙面需要涂刷多层抗裂砂浆,需要确保每层砂浆干燥后方可涂刷下一层。
5. 砂浆修整
在抹好抗裂砂浆的墙面上,如果出现不平整或者空鼓等情况,需要及时进行砂浆修整,以保证墙面平整光滑。
6. 砂浆养护
抗裂砂浆施工完毕后,需要进行养护。
在砂浆干燥后,使用喷雾器将墙面喷水湿润,以养护砂浆,防止开裂。
7. 完工验收
抗裂砂浆养护完成后,待其彻底干燥,即可进行验收。
如有必要,在验收前对脱落、开裂等进行修补。
2、当做分项工程施工技术交底时,应填写"分项工程名称"栏,其他技术交底可不填写。
2、当做分项工程施工技术交底时,应填写"分项工程名称"栏,其他技术交底可不填写。
2、当做分项工程施工技术交底时,应填写"分项工程名称"栏,其他技术交底可不填写。
2、当做分项工程施工技术交底时,应填写"分项工程名称"栏,其他技术交底可不填写。
2、当做分项工程施工技术交底时,应填写"分项工程名称"栏,其他技术交底可不填写。
2、当做分项工程施工技术交底时,应填写"分项工程名称"栏,其他技术交底可不填写。
2、当做分项工程施工技术交底时,应填写"分项工程名称"栏,其他技术交底可不填写。
2、当做分项工程施工技术交底时,应填写"分项工程名称"栏,其他技术交底可不填写。
抗裂砂浆地面施工技术交底1.引言抗裂砂浆是一种常用的地面施工材料,具有良好的抗裂性能,可以有效预防地面破裂和龟裂的问题。
本文档旨在交底抗裂砂浆地面施工技术,确保施工质量和效果。
2.施工准备在进行抗裂砂浆地面施工之前,需要做好以下准备工作:清理地面:将地面清理干净,确保没有灰尘、油污或其他杂质。
测量地面尺寸:用测量工具测量地面的长、宽和高度,为后续施工做好准备。
准备施工工具和材料:包括抗裂砂浆、水泥、铺贴工具、拖把等。
3.施工步骤3.1 基层处理打磨基层:使用打磨机对基层进行打磨,确保基层平整、光滑,并去除可能存在的粗糙部分。
清扫基层:用刷子或吸尘器清理基层的灰尘和碎片,确保基层表面洁净。
3.2 增加粘结层涂抹底涂剂:使用刷子或滚筒将底涂剂均匀地涂抹在地面上,保证底涂剂能够充分渗透到基层中。
等待底涂剂干燥:根据底涂剂的要求,等待一定时间使其完全干燥。
3.3 铺设抗裂砂浆搅拌抗裂砂浆:按照抗裂砂浆的使用说明,在容器中加入适量的水和抗裂砂浆,并使用搅拌工具搅拌均匀,直至获得均匀的砂浆状物质。
铺贴抗裂砂浆:使用刮板将搅拌好的抗裂砂浆均匀地铺贴在地面上,确保抗裂砂浆的厚度均匀并覆盖整个地面。
刮平抗裂砂浆:使用刮板将铺贴好的抗裂砂浆刮平,使其表面平整、光滑。
3.4 后续处理检查施工质量:在抗裂砂浆地面施工完成后,进行质量检查,确保地面平整、无裂缝和凹凸。
防水处理:根据需要,对抗裂砂浆地面进行防水处理,以增加地面的防水性能和耐久性。
等待干燥:根据抗裂砂浆的要求,等待一定时间使其完全干燥。
4.安全注意事项在进行抗裂砂浆地面施工时,需要注意以下安全事项:使用个人防护装备:包括口罩、手套、安全眼镜等。
控制粉尘和有害气体:保持施工现场通风良好,避免吸入粉尘和有害气体。
避免皮肤接触:避免抗裂砂浆直接接触皮肤,以免引起过敏或刺激。
定期休息:长时间施工时,注意适时休息,保持身体健康。
5.总结抗裂砂浆地面施工技术的交底是确保施工质量的关键步骤。
外墙抗裂砂浆粉刷技术交底
1)施工前保温层必须固化干燥(用手掌按不动表面,一般约5天后方可进行抗裂砂浆施工
2)抗裂砂浆施工前先对完成的保温砂浆墙面用2米的靠尺进行检查,对检查后平整度超过5mm的前面先进修整,待整改符合规范要求后进入下到工序
3)抗裂砂浆施工之前,耐碱网格布按楼层间尺寸先裁好,抹抗裂砂浆时分两边完成,先第一遍厚度约3mm的抗裂砂浆均匀地抹在保温砂浆层表
面,立即将裁好的耐碱网格布用铁抹子压入抗裂砂浆内,然后再披第二遍抗裂砂浆,抗裂防护层总厚度为6mm。
4)相邻的网格布之间搭接宽度不应小于50mm,先压入一侧,抹抗裂砂浆,在压入另一侧,严禁干搭,并不得使网格布褶皱、空鼓、翘边,饱满度应达到100%
5)随即抹第二遍找平抗裂砂浆,抹平压实,用2米靠尺检查表面平整度,立面垂直度不得大于4mm,表面平整度不得大于3mm
6)施工后在阴角部位2米靠尺进行通角,在阳角部位用2米靠尺护角刮平,各阴阳角必须做到棱角分明。
田园地块经济租赁房一期项三标段项目部
2012年2月28日。
内墙抹灰技术交底交底内容:XXX3#内墙抹灰技术一、施工准备一)主要材料:干混抹灰砂浆。
二)主要机具:砂浆搅拌机、平锹、手推车、大桶、灰槽、2m靠尺板、线坠、钢卷尺、方尺、托灰灰板、塑料抺子、阴阳角抺子、钢丝刷、笤帚、钻子(尖、扁头)、锤子、钳子、工具袋等。
二、作业条件1、经主体结构工程验收合格后方可进行抺灰工程,并弹好50cm水平线。
2、将过梁、圈梁及构造柱、混凝土墙板表面凸出部分混凝土剔平。
对蜂窝、麻面等应剔到实处,刷素水泥浆一道(内掺水重10%的107胶),紧跟用1:3水泥砂浆分层砂浆分层补平;脚手眼应堵严,外露钢筋头、铅丝头等要剔除,窗台砖应补齐。
4、管道穿越墙洞、楼板洞应及时安放套管,并用1:3水泥砂浆填嵌密实;电线管、消火栓箱、配电箱安装完毕,并将背后露明部分钉好铅丝网;接线盒用纸堵严。
5、砖墙基层表面的灰尘、污垢和油渍等应清除干净,并浇水湿润。
6、根据室内高度和抺灰现场的具体情况,提前准备好抺灰高凳或脚手架,架子应离开墙面及墙角200-250mm,以利操作。
7、室内大面积施工前先做样板间,经鉴定合格后再大面积施工。
三、施工工艺一)工艺流程:基层处理→钉钢丝网→喷水湿润→喷浆→找方→放线→贴饼、冲筋→基层抹灰→面层抹灰。
二)施工工艺:1、基层处理:基层表面要保持平整,发现缺钉缺网等应及时补齐,洁净,无浮浆、油污。
表面凹凸太大的部位要先剔平或用1:3水泥砂浆补齐,表面太光的要剔毛,脚手架眼要用砼填堵密实,水暖、电器管道通过的墙洞,剔凿墙后按装的管道必须用1:3水泥沙浆堵严。
结构施工中使用脱模剂,脱模剂未脱落的部位(混凝土墙面)需用10%火碱溶液清洗。
2、钉钢丝网(钢板网):基层处理完成后,在加气砼砌体与剪力墙、柱、梁、等交接处订钢丝网,钢丝网用射钉每200mm—300mm加铁片固定,钢丝网的宽度不小于300mm,与不同基体的搭接每边不小于150mm,挂网要做到均匀、牢固。
砌体上不得用射钉固定。
保温板面层抗裂砂浆专项技术交底本项目原设计EPS 复核保温板面层做法为砂浆面层(厚度1公分),现改为抗裂砂浆面层(压入耐碱网格布,厚度5mm 之内),且门窗安装工序在内外粉之后,门窗框安装后,用抗裂砂浆面层进行二次收口。
为保证本工序施工质量,满足《建筑装饰装修工程质量验收规范》要求,制定本技术交底,具体如下:1. 工具准备:铁板,抹子,接灰板,2米靠尺(待铅锤线),阳角尺,水平尺,雾化喷淋水壶; 2. 材料准备:自伴抗裂砂浆,5*5mm 耐碱网格布,塑料阳角条; 3. 作业人员素质要求:每日做到工完场清,行为文明,不造成其他成品污染和成品破坏,能完全按照本技术交底内容执行。
4. 施工步骤:5. 注意事项: 配制抹面砂浆 涂抹抹面砂浆2-4厚(第二层) 保温板表面毛刺、干湿度处理 涂抹抹面砂浆1-3厚(第一层) 粘贴耐碱网格布、安装阳角条等材料购买、仓储保温板墙面横平竖直,工序交接 复尺水平平整(2)、垂度(3)、阴阳角(3)直至成活1)施工前进行工序交接,包括场地清理、污染,保温板墙面垂直(2)、平整(3)、方正度(3)、破损情况等,不利于本施工技术要求的问题提前反馈。
2)施工前,对地面进行保护,使用接灰板,或覆盖薄膜,一是节约材料,二次避免造成难以清理的污染。
3)抗裂施工前,保温板进行清理,适当湿水,保证抗裂砂浆不出现失水干裂,同时施工过程注意水分,保持干湿一致,色泽均匀。
4)抗裂成活前,用靠尺,阳角尺,水平尺等复合,偏差处及时填补或刮除,保证不超过允许误差。
5)施工保温墙面与门窗、保温墙面与地面、保温墙面与天棚、保温墙面与砂浆墙面的交接处时,一定注意顺直,棱线分明,尤其不能对地面和砂浆墙面造成污染。
6.细部施工,门窗抗裂收口操作要求:①窗框下口和部分窗框上口已进行砂浆收口(压窗框5厚),抗裂砂浆与门窗框成型效果如下示意图,保证上下一致;②窗框两侧、阳台门框两侧和上口填充剂露出的,抗裂砂浆面层做5-10厚盖住门窗框,成型效果如下示意图,保证两侧左右一致;③窗框或阳台门框到粉刷面间隙较大的,抗裂砂浆面层陷入和盖住填充剂,成型效果按如下示意图,并保证两边或三边效果一致;④飘窗两侧和上口已做保温板,并盖住了大部分窗框,抗裂砂浆面层可选择刮平窗框,或露出窗框,但需保证三边效果一致,成型效果如下示意图;7.质量保证注意事项:注意自己成品的保护工作,也要注意保护其他单位的成品。
玻璃纤维网格布复合抗裂砂浆技术交底单
交底内容:
一、施工准备:
1、材料要求:
耐碱玻纤网格布、抗裂砂浆、108建筑胶、水泥。
2、主要机具:
剪刀、扫帚、钢丝刷、抹子、压子、阴阳角抿子、电搅拌机。
3、作业条件:
A:待陶粒轻质隔墙验收完成,表面清洁无突出部分,两米靠尺检查墙面误差不超过
5mm方可进行施工,柱面处理平整误差不超过5mm。
B:操作地点环境温度和基底温度不低于5度.
二、操作工艺
工艺流程:抹抗裂砂浆→铺压玻璃纤维网→涂抹面砂浆→特殊部位处理→验收
1、基层墙体处理:基层墙体表面涂刷108建筑胶一遍,柱面不平整的部分应水泥砂浆填实后找平。
基层墙面若太干燥,应适当洒水润湿。
2)抗裂浆料使用电动机械搅拌,施工时要注意清理落地灰,落地灰在2小时内重新搅拌即可使用。
3)铺压耐碱玻纤网格布50mm*50mm
先涂抹一道抗裂砂浆,再压入网格布,再进行二次抗裂砂浆覆盖。
网格布压入程度以可见暗露网眼,但表面不到裸露网格布为宜。
直至网格布埋在两道抗裂砂浆的中间,通常完工后厚度为5mm。
最后要沿网格布纵向用铁抹子再压一遍收光,消除面层的抹子印。
网格布搭接时,应用上沿网格布压下沿网格布,搭接宽度应为不小于50mm。
网布相邻之间搭接宽度不应小于80mm,先压入一侧,再抹一些抗裂砂浆再压入另一侧,临门窗洞口应90度内折不小于80mm,阴角或相邻其他墙面应预留200mm网格。
搭接处要饱满严禁干搭。
三、质量标准
(1)主控项目:
1)材料的规格和各项技术指标,抗裂的配置原料的质量,必须符合有关标准和正常使用要求。
2)抗裂砂浆搅拌禁止任何添加物,搅拌后2小内施工完毕。
(2)一般项目
1)抗裂砂浆应平整严密,符合施工要求。
2)墙体容易碰撞的阳角、门窗洞口及不同材料基体的交接处等特殊部位,应采取防止开裂和破损的加强措施。
3)网格布压贴密实,不能有空鼓、皱褶、翘曲、外露等现象。
(3)允许偏差项目
1 表面平整 4mm
2 立面垂直 4mm
3 阴、阳角垂直 4mm
4 阳角方正 4mm
四、安全注意事项:
1、施工人员必须佩戴安全帽、安全带施工。
2、在移动脚手架子上工作,工具和材料要放置稳当,不准随便乱扔。
3、用升降机上料时,要有专人负责开机,遇六级以上大风时应暂停作业。
五、成品保护措施
1、施工中各专业工种应紧密配合,合理安排工序,严禁颠倒施工。
2、门窗框、管道、槽盒上残存砂浆,应及时清理干净。
3、其它工种作业时应不得污染或损坏墙面,严禁踩踏窗口。