表 5.3.1平面闸门门体反向滑块安装质量检查表
- 格式:doc
- 大小:47.00 KB
- 文档页数:2
白川水电站工程
平面闸门埋件安装单元工程质量评定表
承建单位:合同编号: NO.
白川水电站工程
平面闸门主(反、侧)轨安装工序质量评定表
承建单位:合同编号: NO.
白川水电站工程
平面闸门底坎(门楣)安装工序质量评定表
承建单位:合同编号: NO.
白川水电站工程
平面闸门(拦污栅)工作范围内各埋件距离工序质量评定表承建单位:合同编号: NO.
白川水电站工程
平面闸门门体安装单元工程质量评定表
承建单位:合同编号: NO.
白川水电站工程
平面闸门门体安装工序质量评定表
承建单位:合同编号: NO.
白川水电站工程
拦污栅安装单元工程质量评定表
承建单位:合同编号: NO.
白川水电站工程
拦污栅埋件安装工序质量评定表
承建单位:合同编号: NO.
白川水电站工程
拦污栅栅体安装工序质量评定表
承建单位:合同编号: NO.
白川水电站工程
平面闸门门体安装检测记录
承建单位:合同编号: NO.
白川水电站工程
闸门(拦污栅)埋件安装孔口部位埋件间距检测记录
承建单位:合同编号: NO.
白川水电站工程
闸门埋件门楣安装检测记录
承建单位:合同编号: NO.
白川水电站工程
闸门埋件底坎安装检测记录
承建单位:合同编号: NO.。
表5.2.5平面闸门反轨安装质量检查表
填表说明
填表时必须遵守“填表基本规定”,并符合以下要求。
1.分部工程、单元工程名称填写要与表5.2相同。
2.检验(测)部位如下图所示。
3.单元工程安装质量检验项目质量标准。
(1)合格标准。
1)主控项目检测点应100%符合合格标准。
2)一般项目检测点应90%及以上符合合格标准,不合格点最大值不应超过其允许偏差值的1.2倍,且不合格点不应集中。
(2)优良标准。
在合格标准基础上,主控项目和一般项目的所有检测点应90%及以上符合优良标准。
水利水电工程
表5.2.5 平面闸门反轨安装质量检查表。
水利水电工程单元工程施工质量验收评定表及填表说明(下册)水利部建设与管理司编著容提要《水利水电工程单元工程施工质量验收评定表及填表说明》(上、下册)根据《水利水电工程单元工程施工质量验收评定标准》(SL 361—2012~SL 637—2012和SL 638—2013、SL 639—2013)评定标准编制,用于水利水电工程单元工程施工质量验收评定工作使用。
上册主要容包括土石方工程、混凝土工程、地基处理与基础工程、堤防工程;下册主要容包括水工金属结构安装工程、水轮发电机组安装工程、水力机械辅助设备系统安装工程、发电电气设备安装工程和升压变电电气设备安装工程。
本书样表和填表说明基本涵盖了水利水电工程施工质量验收评定所需表格。
本书是水利水电工程建设、施工、监理、质量监督和质量检测等工程技术人员的工具书,也可作为其他领域相关人员的参考用书。
前言为加强水利工程施工质量管理,根据水利部发布的《水利水电工程单元工程施工质量验收评定标准》(SL 631~SL 637—2012、SL 638~SL 639—2013)和有关施工规程规。
水利部建设与管理司组织水利部建设管理与质量安全中心、省水利厅等单位的有关专家编写了《水利水电工程单元工程施工质量验收评定表及填表说明》,便于广大水利水电工程技术人员更好地理解评定标准和实际工作中使用,进一步规单元工程施工质量验收评定工作。
全书分上、下册,总计539个表格。
上册包括土石方工程51个;混凝土工程68个;地基处理与基础工程52个;堤防工程38个。
下册包括水工金属结构安装工程50个;水轮发电机组安装工程83个;水力机械辅助设备系统安装工程45个;发电电气设备安装工程106个;升压变电电气设备安装工程46个。
逐表编写了填表要求。
本书所列表式为通用表式,有关专业人员在使用时可结合工程实际情况,依据设计文件、合同文件和有关标准规定,对相关容作适当的增减。
在工程项目中,如有SL 631~SL 639标准尚未涉及的单元工程,其质量标准及评定表格,由建设单位组织设计、施工及监理等单位,根据设计要求和设备生产厂商的技术说明书,制定相应的施工、安装质量验收评定标准,并按照《水利水电工程单元工程施工质量验收评定表及填表说明》中的统一格式(表头、表身、表尾)制定相应质量验收评定、质量检查表格,报相应的质量监督机构核备。
芙蓉江角木塘水电站工程平面闸门埋件单元工程安装质量验收申请表施工单位:中国水利水电第十四工程局有限公司合同编号:JMTSD/SG001-2013说明:1、本表随同报送文件,有在□中打“√”无在□中打“×”;2、本表由承建单位报送,监理部签署意见后,返回承建单位备查和存档。
芙蓉江角木塘水电站工程表5.2.1 平面闸门底槛安装质量检查表施工单位:中国水利水电第十四工程局有限公司合同编号:JMTSD/SG001-2013芙蓉江角木塘水电站工程表5.2.2 平面闸门门楣安装质量检查表施工单位:中国水利水电第十四工程局有限公司合同编号:JMTSD/SG001-2013芙蓉江角木塘水电站工程表5.2.3 平面闸门主轨安装质量检查表施工单位:中国水利水电第十四工程局有限公司合同编号:JMTSD/SG001-2013芙蓉江角木塘水电站工程表5.2.4 平面闸门侧轨安装质量检查表施工单位:中国水利水电第十四工程局有限公司合同编号:JMTSD/SG001-2013芙蓉江角木塘水电站工程表5.2.5 平面闸门反轨安装质量检查表施工单位:中国水利水电第十四工程局有限公司合同编号:JMTSD/SG001-2013芙蓉江角木塘水电站工程表5.2.6 平面闸门止水板安装质量检查表施工单位:中国水利水电第十四工程局有限公司合同编号:JMTSD/SG001-2013芙蓉江角木塘水电站工程表5.2.7 平面闸门护角兼作侧轨安装质量检查表施工单位:中国水利水电第十四工程局有限公司合同编号:JMTSD/SG001-2013芙蓉江角木塘水电站工程表5.2.8 平面闸门胸墙安装质量检查表施工单位:中国水利水电第十四工程局有限公司合同编号:JMTSD/SG001-2013芙蓉江角木塘水电站工程表5.3.1 平面闸门门体安装质量检查表施工单位:中国水利水电第十四工程局有限公司合同编号:JMTSD/SG001-2013芙蓉江角木塘水电站工程表5.1.2 焊缝外观质量检查表施工单位:中国水利水电第十四工程局有限公司合同编号:JMTSD/SG001-2013续表5.1.2芙蓉江角木塘水电站工程表5.1.3 焊缝内部质量检查表施工单位:中国水利水电第十四工程局有限公司合同编号:JMTSD/SG001-2013芙蓉江角木塘水电站工程表5.1.4 表面防腐蚀质量检查表施工单位:中国水利水电第十四工程局有限公司合同编号:JMTSD/SG001-2013续表5.1.4芙蓉江角木塘水电站工程表5.2 平面闸门埋件单元工程安装质量验收评定表施工单位:中国水利水电第十四工程局有限公司合同编号:JMTSD/SG001-2013芙蓉江角木塘水电站工程表A.0.2-2单元工程试运转质量检查表施工单位:中国水利水电第十四工程局有限公司 合同编号:JMTSD/SG001-2013。
CB18 单元工程施工质量报验单
(单位[20**]质报01号)
合同名称:
合同编号:
1
2
说明:本表一式份,由望新人填写,监理机构审签后,望新人2份,监理机构、发包人各1份
水利水电工程
表5.13 平面闸门门体单元工程安装质量验收评定表
3
4
水利水电工程
表5.3.1 平面闸门门体安装质量检查表
6
水利水电工程
表5.1.2 焊缝外观质量检查表
7
8
续表5.1.2
9
10
水利水电工程
表5.1.4 表面防腐蚀质量检查表
11
12
13
续表5.1.4
14
15
主控项目共 0 项,其中合格 0 项,优良 0 项,合格率 0 %,优良率 0 %。
一般项目共 2 项,其中合格 2 项,优良 0 项,合格率 100 %,优良率 0 %。
测量人
年 月 日
安装单位
评定人 年 月 日
监理工程师
年 月
日。
金结、主机、辅机单元工程施工质量验收评定表及填表说明2016年6月填表基本规定《水利水电工程单元工程施工质量验收评定表及填表说明》(以下简称《质评表》)是检验与评定施工质量及工程验收的基础资料,是施工质量控制过程的真实反映,也是进行工程维修和事故处理的重要凭证。
工程竣工验收后,《质评表》作为档案资料长期保存。
1.单元工程施工质量验收评定应在熟练掌握《水利水电工程单元工程施工质量验收评定标准》(SL 631~SL 637—2012、SL 638~SL 639—2013)和有关工程施工标准及相关规定的基础上进行。
2.单元(工序)工程完工后,在规定时间内按现场检验结果及时、客观、真实地填写《质评表》。
3.现场检验应遵循随机布点与监理工程师现场指定区位相结合的原则,检验方法及数量应符合SL 631~SL 639和相关规定。
4.验收评定表与备查资料的制备规格采用国际标准A4(210mm×297mm)。
验收评定表一式四份,签字、复印后盖章;备查资料一式二份。
手签一份(原件)单独装订。
单元和工序质评表加盖工程项目经理部章和工程监理部章。
5.验收评定表中的检查(检测)记录可以使用黑色水笔手写,字迹应清晰工整;也可以使用激光打印机打印,输入内容的字体应与表格固有字体不同,以示区别,字号相同或相近,匀称为宜。
质量意见、质量结论及签字部分(包括日期)必须手写。
施工单位的三检(自检、互检或交检、专检)资料和监理单位的现场检测资料应使用黑色水笔手写,字迹清晰工整。
6.应使用国家正式公布的简化汉字,不得使用繁体字。
应横排填写具体内容,可以根据版面的实际需要进行适当处理。
7.计算数值应符合《数值修约规则与极限数值的表示和判定》(GB/T 8170)要求。
数据使用阿拉伯数字,使用法定计量单位及其符号。
数据与数据之间用逗号(,)隔开,小数点要用圆点(.)。
经计算得出的合格率用百分数表示,小数点后保留1位,如果为整数,则小数点后以0表示。
表5.3.1平面闸门门体安装质量检查表
填表说明
填表时必须遵守“填表基本规定”,并符合以下要求。
1.分部工程、单元工程名称填写要与表5.3相同。
2.检验(测)方法及数量。
3.单元工程安装质量检验项目质量标准。
(1)合格标准。
1)主控项目检测点应100%符合合格标准。
2)一般项目检测点应90%及以上符合合格标准,不合格点最大值不应超过其允许偏差
值的1.2倍,且不合格点不应集中。
(2)优良标准。
在合格标准基础上,主控项目和一般项目的所有检测点应90%及以上符合优良标准。
水利水电工程
表5.3.1 平面闸门门体安装质量检查表。
马马崖导流洞工程平面闸门止水橡皮、反向滑块安装质量检测表合同名称:马马崖导流洞金属结构安装工程合同编号:WD/ZT-Ⅲ NO:单位工程名称及编码导流洞工程(001)单元工程量 t分部工程名称及编码金属结构和启闭机安装(001-16)施工单位中国水利水电第八工局马马崖施工局单元工程名称及部位检测日期年月日施工依据项次检查项目设计值(mm)允许偏差(mm)实测值(mm)1 △止水橡皮顶面平度 22 △止水橡皮与滚轮或滑道面距离+2-13 △反向滑块至滑道或滚轮的距离±24两则止水中心距离和顶止水至底止水边缘距离±35 闸门处于工作状态时,止水橡皮予压缩量应符合图纸要求+2-16 单吊点闸门应做静平衡试验,倾斜度不超过门高的1/1000且≤8施工单位初检复检终检检查意见:签名:年月日检查意见:签名:年月日检查意见:签名:年月日监理单位年月日检测工具:钢线、钢板尺、钢盘尺。
武都水库大坝工程平面闸门安装对接错位质量检测表合同名称:四川武都水库大坝土建及金属结构安装工程合同编号:WD/ZT-Ⅲ NO:单位工程名称及编码四川武都水库碾压砼重力坝(001)单元工程量 t分部工程名称及编码金属结构和启闭机安装(001-16)施工单位中国水利水电第八工程局武都施工局单元工程名称及部位检测日期年月日施工依据项次检查项目允许偏差(mm) 实测值(mm)1 △纵向对接错位小于或等于板厚5%,且不大于2;当板厚小于或等于20时为12 △横向对接错位小于或等于板厚10%,且不大于3;当板厚小于或等于15时为1.5施工单位初检复检终检检查意见:签名:年月日检查意见:签名:年月日检查意见:签名:年月日监理单位年月日检测工具:钢板尺。
武都水库大坝工程平面闸门焊缝外观质量检测表合同名称:四川武都水库大坝土建及金属结构安装工程合同编号:WD/ZT-Ⅲ NO:单位工程名称四川武都水库碾压砼重力坝(001)单元工程量 t分部工程名称金属结构和启闭机安装(001-16)施工单位中国水利水电第八工程局武都施工局单元工程名称、部位检验日期年月日序号项目质量标准(㎜)检测记录1 △裂纹一、二、三类焊缝均不允许2 △表面夹渣一、二类焊缝不允许,三类焊缝深不大于0.1δ,长不大于0.3δ,且不大于103 △咬边一、二类焊缝:深不超过0.5,连续长度不超过100,两侧咬边累计长度不大于10%全长焊缝。
表5.3 平面闸门门体单元工程安装质量验收评定表
表5.3.1平面闸门门体安装质量检查表
CB18 单元工程施工质量报验单
(承包 [2018]质报001号)
合同名称:古蔺县刘家水库扩建工程机电设备采购项目合同编号:
说明:本表一式4份,由承包人填写。
监理机构复核后,监理机构1份、返承包人1份。
CB35验收申请报告
(承包[2018]验报002号)
合同名称:古蔺县刘家水库扩建工程机电设备采购项目合同编号:
说明:本表一式4 份,由承包人填写。
监理机构签收后,发包人1份、设代机构份、监理机构1份,承包人4份。
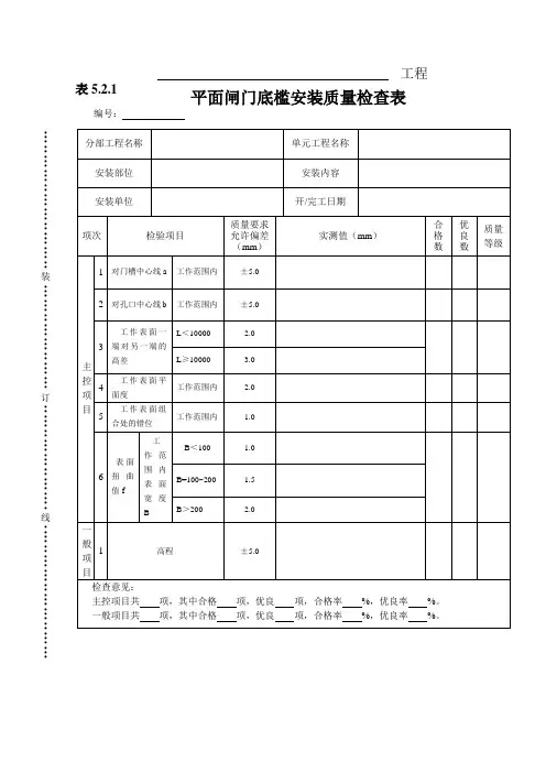
表5.2.1平面闸门底槛安装质量检查表
填表说明
填表时必须遵守“填表基本规定”,并符合以下要求。
1.分部工程、单元工程名称填写要与表5.2相同。
2.检验(测)部位如下图所示。
3.单元工程安装质量检验项目质量标准。
(1)合格标准。
1)主控项目检测点应100%符合合格标准。
2)一般项目检测点应90%及以上符合合格标准,不合格点最大值不应超过其允许偏差值的1.2倍,且不合格点不应集中。
(2)优良标准。
在合格标准基础上,主控项目和一般项目的所有检测点应90%及以上符合优良标准。
水利水电工程
表5.2.1 平面闸门底槛安装质量检查表。