钢筋混凝土盖板涵施工方案
- 格式:doc
- 大小:1.11 MB
- 文档页数:20
钢筋混凝土盖板涵施工技术方案及主要工艺流程说明一、工程概况K0.100盖板涵基础为7.5号浆砌块石涵长12.2m,八字墙洞头设计。
二.试验.管理人员、机械设备我单位已组织了自卸车1辆,卡特320挖掘机1台,350砂浆拌和机1台,HCD70B型打夯机1台,YZC220压路机一台,100kg.500kg计量台秤各一台,并组织了相关的技术、试验、质量管理人员和试验设备,该盖板涵施工负责人XXX,民工10人,有关试验数据各项指标符合设计及规范要求,已具备开工条件,申请开工。
三.技术方案及主要工艺(一)、基础的施工:基础施工的工序为:施工前准备——基坑开挖——基底检查验收——浆砌片石铺底——浆砌块石基础(砂浆取样)―基础验收1.施工前准备:基坑开挖前用全站仪精确测量定位,牢固设置轴线护桩。
测出原地面的高程,计算基坑深度,并根据地质资料及设计图纸,确定开挖基坑的开挖线。
2、基坑开挖:基坑采用挖掘机开挖人工配合施工,当挖至距设计线15~20cm时,经监理工程师检查,在砌筑前用人工突击挖至设计高程。
清基、整平并及时封闭基底,开挖过程中,根据开挖揭露的边坡地质情况,采取相应的临时支护措施。
在雨季施工时应注意基坑排水,集水坑设置在基坑范围外。
3、基底检查验收:基坑底在挖至近设计标高时,按设计和规范要求,检查基底地质情况和基底承载力是否与图纸相符;检查基底平面位置、尺寸、基底标高等是否与设计相符合;检查基底处理和排水情况是否符合规范要求,并进行承载力试验,必要时还应进行土壤分析试验。
只有各项技术指标均符合设计及规范要求后,在监理工程师同意下,方可进行基础砌筑。
4、浆砌块石基础:在基础砌筑前应放出基础位置尺寸线,然后再进行基础砌筑,砌筑基础的块石,一般指用爆破或楔劈法开采的石块,厚度不应小于15Cm(卵形和薄片者不得采用)。
用做镶面的片石,应选择表面平整、尺寸较大且应稍加修整,片石应分层砌筑,宜以2〜3层砌块组成一工作层。
盖板涵施工方案三篇篇一:盖板涵施工方案项目负责人:编制:审核:单位: XXX公司日期: 20XX年X月X日目录一、工程概况 (2)二、施工准备 (2)三、施工进度计划 (4)四、施工方案 (4)1、施工放样 (4)2、基坑开挖 (4)3、钢筋工程 (4)4、模板与支架 (5)5、混凝土工程 (5)6、进口处理 (6)7、沉降缝的处理 (6)8、防水层 (6)9、涵背回填 (7)10、八字墙 (7)11、涵底铺砌 (7)12、质量标准 (7)13、盖板涵施工工艺框图 (8)五、控制质量通病和质量保证措施 (9)1、砼工程质量通病 (9)2、钢筋工程质量通病 (9)3、质量保证措施 (10)六、安全保证体系 (10)1、安全目标及方针 (10)2、、安全保证措施 (11)3、安全管理控制点 (11)七、环境保护技术措施 (12)盖板涵施工方案一、工程概况XX工业区排水明渠工程是XX工业区重要的市政前期基础设施。
本工程共有盖板涵两座,分别为K2+635右侧暗涵和K2+635左侧暗涵,右侧暗涵采用单孔长度为7.0米,左侧暗涵采用双孔长度为7.0米。
涵底地基承载力≥200KPa,否则进行换土或采用其它加固措施。
盖板涵涵身基础采用C20砼,墙身采用C30砼,盖板、帽石为C30砼,盖板涵入口采用检修踏步,急流槽槽面镶嵌卵石进行加糙处理。
洞身第隔4~6米设置一道沉降缝,缝内填以沥青麻絮或不透水材料。
二、施工准备1、技术准备(1)、图纸复核确认无误;(2)、临时导线点、水准点已加密完毕;(3)、测量内业计算准确无误;(4)、外业测量放样、护桩埋设与保护完毕。
a、轴线护桩均为混凝土包木桩,点位位置用钢钉标识。
b、施工用高程控制桩位使用钢筋埋入地面以下1m,并用混凝土加固。
c、现场所有桩位均要通知所有参加施工的人员工作中可能危及的桩位位置,对于有变动迹象或模糊不清的桩位,由技术人员清除后统一设置。
2、施工准备(1)、清除杂物,整理场地;(2)、清查安装主要的施工机具;(3)、准备足够的施工所需用的材料。
涵洞的施工一, 概述K124+240钢筋混凝土盖板涵。
跨径为4.0m,净高2.6m,总长49.2m,运用性质为排水涵。
该涵洞位于左幅挖方,右幅填方处,汇水面较大,施工困难。
其结构型式为:基础为整体式现浇25号钢筋混凝土,台墙为浆砌40号大面片石,台帽为现浇20号混凝土,盖板为30号钢筋混凝土,进口的结构型式为矩形竖直墙,出口的结构型式为八字墙,八字墙基础和墙身均为15号现浇混凝土。
此涵洞主要工程量为:盖板30号混凝土89.4m3,基础25号混凝土183.0m3,八字墙基础和墙身15号现浇混凝土15.1 m3,台帽20号混凝土78.7 m3,台墙40号大面片石254.4 m3,挖方量为3837.2m3。
二, 工程进度安排安排开工日期:2012 年1月 6日;安排完工日期:2012年2 月16 日。
共计40 天。
施工进度安排横道图三, 施工方案依据涵洞的设计和实际地形地貌,施工前做好改路和施工测量工作,以线路中心线为界将涵洞分左半幅和右半幅两部分分别进行施工。
因为挖方量太大为3837.2m³,假如采纳人工开挖则所需工期太长会影响其他工程的施工进度,所以采纳挖掘机开挖至涵洞基础,预留20cm人工清基,保持基坑原状土不受扰动。
涵洞基础和盖板的钢筋制作采纳集中加工,现场安装;涵洞墙身浆砌部分砂浆严格依据设计协作比现拌现用,随时抽样;涵洞基础, 台帽和盖板混凝土采纳拌和站集中拌和,混凝土输送车运输至现场进行浇筑。
四, 施工工艺盖板涵基础开挖采纳反铲式挖掘机施工,两侧设1:1边坡,预留施工空间,人工协作清理基底。
盖板采纳集中预制, 吊车吊装, 汽车运至工地的方式。
混凝土采纳拌和机现场拌和,吊机吊运铺设导管浇注,采纳插入式振动棒振捣密实。
盖板涵施工依次为从起点方向的涵洞向终点方向的涵洞依次施工。
1基坑开挖采纳反铲式挖掘机分层开挖,宜于做路基填筑材料的开挖土可用于旁边路基的填筑。
对于不相宜做路基填料的开挖土,按监理工程师的指示弃除。
钢筋混凝土圆管涵及钢筋混凝土盖板涵施工方案一、前期准备工作在进行钢筋混凝土圆管涵及钢筋混凝土盖板涵的施工前,需要进行详细的前期准备工作,包括但不限于: 1. 项目规划:确定施工范围、工期和施工方案。
2. 场地准备:清理施工场地,确保施工区域平整。
3. 设备准备:准备必要的施工设备和机械,如吊车、渣土车等。
4. 材料准备:确保所需的材料包括混凝土、钢筋等齐全。
二、施工步骤钢筋混凝土圆管涵的施工步骤1.定位布置:根据设计图纸要求,确定管道的位置和高程,并进行标定。
2.凹地开挖:利用挖掘机等设备进行开挖工作,保持边坡坡度。
3.基础施工:进行基础浇筑,包括敷设石子、钢筋并浇筑混凝土。
4.圆管安装:安装预制好的钢筋混凝土圆管,确保连接牢固。
5.盖土回填:将挖掘的土方回填至管道上方并加以夯实。
钢筋混凝土盖板涵的施工步骤1.盖板表面处理:清理盖板表面,确保平整无杂物。
2.钢筋搭设:根据设计要求进行钢筋的搭设,保证受力合理。
3.模板安装:安装盖板的模板,确保形状与设计一致。
4.混凝土浇筑:进行混凝土的浇筑,注意振捣使混凝土密实。
5.养护处理:完成浇筑后进行充分养护,保证混凝土强度。
三、质量安全控制1.施工过程中应严格按照设计要求操作,确保结构安全。
2.施工人员必须熟悉施工方案,严格遵守安全操作规程。
3.施工现场应设置警示标志,确保作业区域安全。
4.施工前进行相关设备的检查,保证施工设备完好。
5.施工结束后进行验收,确保工程质量达标。
结语钢筋混凝土圆管涵及钢筋混凝土盖板涵的施工方案至关重要,只有严格按照规定步骤进行施工,确保质量与安全,才能保证工程的顺利进行。
希望本文所述方案能为施工人员在实际操作中提供一定的帮助。
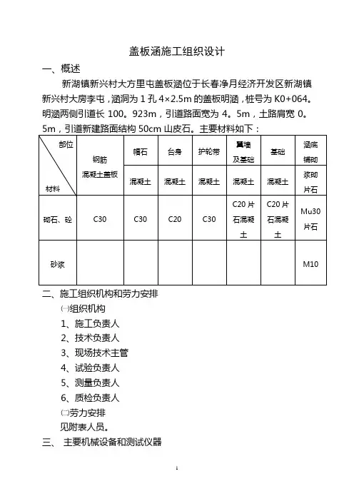
盖板涵施工组织设计一、概述新湖镇新兴村大方里屯盖板涵位于长春净月经济开发区新湖镇新兴村大房李屯,涵洞为1孔4×2.5m的盖板明涵,桩号为K0+064。
明涵两侧引道长100。
923m,引道路面宽为4。
5m,土路肩宽0。
二、施工组织机构和劳力安排㈠组织机构1、施工负责人2、技术负责人3、现场技术主管4、试验负责人5、测量负责人6、质检负责人㈡劳力安排见附表人员。
三、主要机械设备和测试仪器1、主要施工机械设备见附表机械设备。
四、计划工期2012年8月20日开始至2012年09月20日结束。
施工结束3天内整理编写出中间验交资料,报监理审查批复.五、施工方法和施工工艺㈠施工方法1、施工程序:钢筋砼拱涵施工顺序为:测量放样→基础开挖→基底验收、处理→基础施工→台身施工→盖板施工→沉降缝、防水层施工→附属工程施工。
2、施工准备开工前,根据设计图纸,结合现场实际地形、地质情况,对涵洞的位置、方向、基底尺寸、高程等进行复核、定位。
当涵底设计高、涵位、角度等与实际不符时,经报请设计单位、监理同意后,根据实际作适当调整。
在既有排水沟、渠中修建的涵洞,先挖好排水沟,或在涵洞上游不影响施工的地方挖好集水坑,用污水泵排水,同时根据涵洞基坑四周地形,做好地面防排水工作。
3、施工工艺基础开挖采用人工配合机械开挖,石方用小炮松动开挖,人工清基。
开挖至距设计标高20cm时预留保护层,铺底前突击开挖至设计标高。
开挖过程中,遇有地下水渗出时,在涵洞基坑上下游对称坑角处设集水井,用污水泵集中排水。
如遇基底地基承载力不符合设计要求时,经报请设计、监理单位同意后,采用平板压实机压实,或按设计和监理工程师的要求根据地质实际情况作相应的处理.当地基承载力满足设计要求时,将挖至标高的基底用人工修凿整平,报请现场监理工程师验收合格后,开始放样立模浇筑C20片石砼基础。
模板采用钢模板,内外模板可采用拼装,拼装应平整,接缝严密,不漏浆,保证结构物外露面美观,线条顺畅。
维西至兰坪通甸公路改建工程维西段钢筋盖板涵施工方案编制:审批:批准:云南XXX建设工程有限公司维西至兰坪通甸公路改建工程维西段XX合同段项目经理部目录一、编制依据 (1)二、工程概述 (1)三、施工计划 (2)(一)盖板涵施工进度计划 (2)(二)盖板涵施工人员计划 (2)1、盖板涵施工劳动力计划 (2)(三)盖板涵材料计划 (2)(四)机械设备配置 (2)四、盖板涵施工工艺流程和施工方法 (3)(一)钢筋混凝土盖板涵工艺流程 (3)(二)钢筋混凝土盖板涵施工方案 (5)1、基础测量放样 (5)2、基础开挖 (5)3、盖板涵基础、涵台施工 (6)4、台帽施工 (9)5、盖板的预制和安装 (9)6、涵背回填 (13)7、质量检验标准 (14)8、盖板涵施工主要控制要点 (16)五、质量控制方法和手段 (16)六、进度保证措施 (17)七、安全保证措施 (18)1、安全保证措施 (19)八、文明施工和环境保护措施 (21)(一)文明施工管理的措施 (21)1、设置施工铭牌 (21)2、佩证上岗 (21)3、挂牌标识 (21)4、环境美化 (21)5、场地硬化 (21)6、保持现场整洁 (21)(二)环境保护的措施 (22)1、建立环境保护机构 (22)2、防止水土流失和污染 (22)(三)防止噪声、粉尘、废气污染 (22)(四)严格控制噪声 (23)钢筋混凝土盖板涵施工方案一、编制依据1、《公路工程技术标准》JTG B01-2014;2、《公路桥涵设计通用规范》JTG D60-2015;3、《公路涵洞设计细则》JTG/T D65-04-2007;4、《公路钢筋混凝土及预应力混凝土桥梁设计规范》JTG D62-2004;5、《公路圬工桥涵设计规范》JTG D61-2005;6、《公路桥涵地基与基础设计规范》JTG D63-2007;7、《公路桥涵施工技术规范》(JTG/T F50-2011);8、《公路工程质量检验评定标准》(JTG F80/1-2017);9、《维西至兰坪通甸公路改建工程维西段第六合同段施工图设计》;10、本标段施工现状及相关水文地质资料。
钢筋砼盖板涵施工方案目录一、工程概况 (3)1、设计概述 (3)二、施工工艺、方法 (6)1、施工工艺操作要点 (6)2、施工工艺 (7)3、涵洞施工注意事项 (9)三、保证工期措施 (10)四、质量保证措施 (10)五、安全保证措施 (12)六、环境保护及文明施工 (14)1、水污染的防治 (14)2、水土保持 (14)3、文明施工 (15)钢筋砼盖板涵施工方案一、工程概况1、设计概述本标段共4座钢筋砼盖板涵,孔-跨径×涵高分别为1-4.0×4.0m,和1-4.0×3.5m,过人或过人兼过水通道。
盖板、涵台、基础均为C40钢筋混凝土,整体式基础。
涵底应力:≥250kPa。
2、设计参数及主要工程数量:中心里程单位LK2+135LK2+492RK2+490.13LK2+627.5RK2+633.02LK6+234RK6+279.7交角度90 120 60 70孔数-跨径×涵高1-4.0×4.0m1-4.0×3.5m1-4.0×3.5m1-4.0×4.0m涵长m 41.82 44.47 43.87 90.63进口型式八字墙八字墙八字墙八字墙出口型式八字墙直墙直墙直墙涵顶填土最大高度m 6.12 4.27 2.16 2.99II 级钢筋kg 39735.0741985.28 35233.38 70720.61C40砼m3592 480.68 517.02 1340.29m30.9 0.84 0.88 1.86C20砼C20m380.8 90.18 86.48 98.89 片石砼M7.m364.58 92.32 133.1 124.2 5浆砌片石15mm2124.21 132.08 193.03 269.17 厚水泥砼路面m3301.1 320.18 315.86 945.17 挖土方回m357.51 61.16 60.33 234.69填土方涵底应力σ。
K0+377钢筋混凝土盖板涵施工方案一、工程概况:K0+377位置钢筋混凝土盖板涵为一4m×3m钢筋混凝土盖板涵,长59.22m,与路中线夹角为45度。
地质概况:地面如下依次为粉土、卵石层,设计基底位于卵石层上。
重要工程数量:C25混凝土基础298.511ΛC25混凝土涵台身396.5谓C30钢筋混凝土盖板100.8m3;M7.5浆砌片石洞口八字墙及基础75.7基洞口铺砌浆砌片石31.3d,基础土石方11Mm3o二、施工准备1、技术准备:项目部组织工程技术人员认真阅读、复核施工图纸和设计文献,掌握设计意图,并对设计图纸上有异议日勺地方,以书面形式上报监理工程师及有关设计单位,以便更好地按设计图纸和技术规范进行施工;对施工现场实地察看,并对现场施工及管理人员进行技术交底;同步合理地编制设备与劳动力计划,组织施工人员、机械设备进场以及编制施工技术方案和施工进度计划。
2、测量放样准备:在涵洞施工前,首先根据设计图纸上提供的有关数据对设计坐标和高程进行复核,保证测量控制数据精确无误。
3、机械设备准备:按施工需要组织施工机械设备(详见附表)。
4、人员准备:现场配置有经验、责任心强的施工管理人员和技术人员,以及电工、钢筋工、电焊工、木工、和其他辅助人员。
5、材料准备:钢筋统一加工,由项目部统一组织调配;涵洞施工所使用日勺基础、涵台、及盖板C30混凝土采购洞口县为百商品混凝土,混凝土在搅拌站搅拌好后,由混凝土运送车运至施工现场进行浇筑;钢筋在钢筋加工场加工完毕后,半成品由运送车运至作业现场进行绑扎和焊接。
定期对为百商品税搅拌站水泥、砂、碎石等材料,进行抽检,检查合格后,报监理工程师对该批次料进行复检;复检合格后,方可正式投入工程实体中使用。
水泥和钢筋要厂方提供出厂质量证明书和试验汇报单,水泥要入库寄存,以防被雨淋或受潮;钢筋按不一样品种、等级、牌号、规格分别堆放,不得混杂,并设置标志,钢筋堆置在钢筋加工棚内防止锈蚀。
【钢筋混凝土盖板涵(片石砼墙身)施工方案】钢筋混凝土盖板涵图[模版仅供参考,切勿通篇使用]文章摘要:5砂浆砌mu40片石;帽石采用c20混凝土;涵洞盖板为预制c30钢筋混凝土.三、施工准备本工程投入的施工管理人员、施工机械设备、周转材料已完成组织进场,盖板预制场地已组建,各种设备均已完成检修、检校,能满足施工需要.施工用材料水泥、……一、编制依据二、工程概况三、施工准备四、工程内容五、详细施工方法和施工程序六、施工机构组织及人员安排七、质量保证措施八、安全生产保证措施九、临时工程十、文明施工及环境保护一、编制依据1、xxxx工程x合同段《涵洞施工图设计》、《钢筋砼盖板涵通用图》、工程量清单及xxx号文件.2、国家现行的公路、桥涵施工及验收规范有效版本.3、施工现场的地形、地貌及现有条件.二、工程概况我合同段在接到xxx号文件时已按原设计施工4道涵洞,我合同段共13道钢筋砼盖板涵,剩余9道.序号中心桩号交角涵长孔数跨径备注涵洞洞身台身按xxxxx文件由原设计砂浆砌mu40块石变更为c20片石砼,几何尺寸不变.涵洞洞身基础,洞口翼墙均为砂浆砌mu40块石;洞身铺底,洞口隔水墙铺底、跌水井沉砂池、沟渠均为砂浆砌mu40片石;帽石采用c20混凝土;涵洞盖板为预制c30钢筋混凝土.三、施工准备本工程投入的施工管理人员、施工机械设备、周转材料已完成组织进场,盖板预制场地已组建,各种设备均已完成检修、检校,能满足施工需要.施工用材料水泥、钢筋、碎石、砂、片石等已完成备料,经进场验证,各种进场材料产品合格证齐全,工地实验室已负责完成各种材料抽检试验,试验结果合格;并完成了砼、砂浆配合比试验.材料产品合格证、抽检试验报告、砼砂浆配合比报告已送监理工程师审核.后勤保障及临时设施已准备就绪,施工管理人员、施工机械及测量设备、劳动力等已按计划到位,具备开工条件.四、工程内容测量放样→基坑开挖→基坑清理、验收→基础砌筑→台身浇筑→盖板预制及安装→防水层及沉降缝处理→进出口铺砌→台背回填及其它附属工程.五、详细施工方法和工作程序该分部工程开工前项目部组织人员认真复核设计图纸、熟悉技术文件及规范,做好技术交底工作,明确分工,将责任具体落实到人,避免管理混乱影响施工.严格材料进场制度,不合格品不得用于施工.施工过程中认真做好各项隐蔽工程原始数据资料及隐蔽工程照片资料,真实反应施工质量.a、基坑开挖1.涵洞挖基前,首先要作好改移沟渠,地面临时排水措施,防止流水流入基坑,浸泡基底.根据施工图纸,核实原沟底或通道标高与新建涵洞出入口流水标高是否相符,并将计算与测量标高上报主管工程师,保证建成的涵洞通畅,不积水.2.基坑开挖的位置、深度、基底尺寸必须符合设计的要求.开挖中如发现水文、地质与图纸不符时,根据开挖的实际情况,及时请现场工程师及监理提出处理措施.基坑开挖时,做好涵洞中线定位控制桩以及高程控制桩,土方开挖采用机械、人工配合开挖,边坡视实际土质按1:~1:放坡,挖出的土石方及时运离基坑5米以外.对于边坡稳定性差或陡峭地段采用钢管木板临时防护,保证施工安全.机械开挖接近涵洞基底设计标高时采用人工清理,避免超挖、扰动基底土质;涵洞基坑断面、涵底高程应满足设计文件、规范要求.开挖土方应及时运离涵洞边缘,不得在基坑边缘过高堆土,废方应及时运到指定弃土场,测量人员应随时掌握及控制开挖宽度及深度.3.基础轴线位置,应经校核无误后再进行挖,为了便于校核,轴线控制桩延长至基坑以外加以固定.在开挖过程中,要经常复核轴线及基坑尺寸,保证施工准确.4.挖基时基底不得扰动或被水浸泡.挖至接近基底标高时,保留20~30cm厚原状土,在基础施工前突击挖除,并进行夯实,承载力检测合格后,随即进行基础砌筑.5.在基坑内及基坑范围外3m设置积水坑及截水沟,保证基底不积水.6.基坑挖至设计标高后,应立即进行地基承载力试验,如果地基承载力达不到设计要求,根据设计单位、业主、监理单位意见进行换土或其它加固措施等变更处理.基底平整、密实、无杂物、无积水,经监理工程师检验签认后,方可进行基础圬工施工.基础位于填筑路基时,基础施工前必须将基底充分压实,为避免涵身因不均匀沉降产生裂缝.⑴检验基底平面位置、尺寸、基底标高,其允许偏差及检查法如下表:项次检查项目规定允许偏差检查方法和频率1基底平面尺寸长不小于设计尺量,长、宽各3处宽不小于设计1轴线偏位25用经纬仪纵横各2点2基底高程土质±50水准仪测5~8点石质+50、-200⑵检查基底地址情况和承载力是否与图纸相符.⑶检查基底处理和排水情况是否符合规范要求.⑷检查施工日志及有关试验资料等.⑸经过检验不符合图纸要求时,应按监理工程师的指示处理,直至检查符合要求后方可进行下道施工.b、基础砌筑在监理工程师对基槽中线、高程、几何尺寸、地基承载力等验收合格后方可进行涵洞基础及台墙施工.由施工测量人员做好断面控制桩以及高程控制桩,做好施工技术交底.涵洞基础为浆砌块石,做好砂浆施工配合比和拌合料计量工作,报监理工程师批准后实施.施工过程中应严格控制砂浆配合比,不得使用人工拌和砂浆,砂浆拌和料应当天拌和当天使用.浆砌块石时,应利用块石的自然形状,相互交错衔接在一起.施工时,最下一层石块大面必须朝下,做成犬牙交错且搭接紧密,同时在砌下面石块时考虑上面石块如何接砌;注意到砌石分层错缝、咬扣紧密;嵌缝饱满、密实,不得有空洞;在砌角石、面石时应选取比较方正石块.砌腹石时可供应不规则但形状尺寸适宜的石块.角石、面石应首先选取备用.砌体下层应选用较大的石块,向上逐渐用较小尺寸石块;一天中完成的砌石高度不宜超过气温较低时当天的砌筑高度还应减少;不准在已砌好的砌体上抛掷、滚动、翻转或敲击石块.在砌筑过程中严禁振动下一层砌石.砌体每层砌完在砂浆初凝后马上进行覆盖洒水养护.养护期不少于7天.c、墙身片石砼浇筑在基础砌体砂浆强度达到一定强度后进行砼墙身施工.1、墙身模板支设墙身模板采用标准钢模板拼装,利用销钉在现场连接并用φ48钢管架做拉杆及加劲支撑.组成的墙身模板,应严格按墙身结构尺寸立模.模板应支撑牢固、板面平整、接缝严密不漏浆,并应防止因跑模引起结构砼外形缺陷.涵洞墙身砼为1层,因此支模时根据墙身高度,分层支设,为防止跑模,一次支设不超过2米,采用双排φ48钢管架作为模板支撑.为保证第一层砼几何尺寸,采用在基础打孔埋置脚手架和在基础内插筋,用于加固模板,保证模板不爆模,在浇筑第一层砼完时,在其砼上插入φ25短钢筋,用于第二层砼模板的加固处理,模板的自身要具备足够的强度、刚度及整体性,模板的支撑应具备稳定性,模板的内表面应光洁平整,并应涂刷脱模剂,模板的支架应置于平整坚实稳定的地基支撑点上,模板的整体稳定性是由支架来保证的,模板支架与操作支架及管道输送支架应分开各自形成不同的体系.模板安装在施工中应注意以下几个问题:模板采用拼装式整体钢模板,每块模板的面积不小于模板正式安装前,在现场组拼好,并保证模板的局部和整体强度与刚度.在现场组合好大块钢模后,检查接缝及平整度.在基础顶面外边线处钻孔,预埋钢筋,以便在侧模安装时,侧模内边底边缘靠紧该钢筋,便于固定基础的侧模底线.通过对拉螺杆或钢管架固定钢模外背楞.同时在外侧加枋木或钢管斜支撑.模板安装完成后,在顶标高处标注.2、片石砼浇筑开工前,根据设计文件,按照《普通混凝土配合比设计规程》要求完成混凝土配合比设计并报监理工程师批准.水泥、集料、水:制拌前按照《公路工程水泥混凝土试验规程》、《公路工程集料试验规程》和《公路工程水质分析操作规程》对组成混凝土的水泥、粗细集料、水等进行试验,并把结果报送监理工程师;不使用不合格材料.混凝土的拌合、运输:混凝土在拌合站集中制拌,然后运输至施工现场.混凝土浇筑:运至现场的混凝土立即进行浇筑施工,入仓高度超过2m的部位采用溜槽或者导管等辅助设施,避免离析;入仓采用平铺法,人工平仓,涵台两侧同时对称进料,分层浇筑;混凝土浇注过程中,将选好的片石放入模板之中,均匀摆放,片石含量不超过30%,采用软轴插入式振捣器振捣密实,间距不得大于振捣器振动半径,避免漏振;混凝土连续浇筑,避免间断,若因故必须间断,间断时间不得大于混凝土初凝时间,否则按照施工冷缝处理.拆模、养护:待混凝土强度达到~后方可拆模,脱模后立即对表面的缺陷予以修补,之后用草帘或麻袋覆盖,洒水进行养护,养护天数一般为7~14d.3、涵洞基础以及台墙位置、断面尺寸、高程、沉降缝位置等均应满足设计文件、规范要求,洞身每隔4~6米设置一道沉降缝,缝内填以沥青麻絮或不透水材料.并经监理工程师验收合格.注意在施工过程中准确掌握天气情况,合理计划控制每天砼、砂浆需要量,以免由于天气影响施工质量达不到设计、规范要求.4、台帽及帽石施工时应注意其高度、坡度、断面尺寸及准确位置,避免影响盖板的准确安装.钢筋砼盖板预制时,应认真复核其断面几何尺寸、钢筋种类及安装位置,砼强度达到70%以上时才能进行盖板的安装.钢筋、砼施工及构件安装均应符合设计、规范要求并经监理工程师验收合格.5、涵洞洞口建筑及附属结构包括一字墙、洞口铺砌、锥坡、截水墙、铺底等.在进行洞口建筑及附属结构施工时测量人员应准确控制其位置、高程、断面及细部尺寸,质检人员应认真复查、复核,加强监督管理职能.各项检查指标以及外观质量应符合设计、规范要求,自检合格后及时报检监理工程师,经监理工程师检验合格后方可进行下一步施工.d、盖板预制及安装1、预制场设在k10+560左侧道路红线外,共400平方米.场地夯实、平整后浇筑一层10㎝砼,表面利用水准仪精确放点找平并收光.2、直接利用场地水泥面作为预制板的底模.侧模采用木模,模板厚度不小于5cm,采用活动金属拉杆.已制作好或已清理、修理好的模板,在立模前涂刷好脱模剂.在钢筋制作、埋件埋设完成后,进行模板安装.模板之间的接缝平整严密.侧模在砼强度达到以上,以及砼表面及棱角不因拆模而损坏时拆除.模板的拆除小心谨慎,避免砼表面损坏,在模板与砼难以分开的地方只能用木楔块施加外力辅助拆模,不能使用金属楔块、钢筋或类似工具.砼拆模后,及时对埋件进行复测,并做好记录.3、盖板钢筋加工前应按设计图纸放样,钢筋切断时将同规格钢筋根据不同长度长短搭配,统筹下料,一般应先断长料,后断短料,减少短头,减少损耗.断料时应避免用短尺量长料,应防止在量料中产生累计误差.为此,宜在工作台上标出尺寸刻度线并设置控制断料尺寸用的挡板.安装刀片时,螺丝要紧固,刀口要密合,固定刀片与冲切刀片刀口的距离;对直径≤20mm的钢筋宜重叠1~2mm,对直径>20mm的钢筋宜留5mm左右.在切断过程中,如发现钢筋有劈裂、缩头或严重的弯头等必须切除;如发现钢筋的硬度与该钢种有较大的出入,应及时向有关人员反映,查明情况.钢筋的断口不得有马蹄形或起弯等现象.钢筋的长度应力求准确.当ⅰ级钢筋末端需作1800弯钩时,其圆弧弯曲直径不应小于钢筋直径的倍,平直部分长度不应小于钢筋直径的3倍.用于轻骨料混凝土结构时,其弯曲直径不应小于钢筋直径的倍.当ⅱ级钢筋按设计要求弯转900时,其最小弯曲直径应符合下列要求:a.钢筋直径小于16mm时,最小弯曲直径为5倍钢筋直径.b.钢筋直径大于16mm时,最小弯曲直径为7倍钢筋直径.c.弯曲钢筋弯折处圆弧内半径应大于倍钢筋直径.将钢筋按先后安装的顺序,在施工现场清理点数.然后交给负责运输和安装的人员,送到工作面.担负运输工作的人员要按先后次序运铁.现场操作人员按钢筋配料单校对钢筋编号、数量、规格及尺寸,作好安装准备工作.依据测量点和施工图中钢筋位置放出钢筋实际位置线和高程,定出纵向和水平钢筋的位置,放线可利用已有钢筋或模板划线,也可在混凝土面上划线.按照放线结果,选择合适的几组钢筋作为样架钢筋,先把样架筋绑扎好并校对无误后固定,样架应满足所有钢筋绑扎后不易变形和稳定性要求.钢筋绑扎安装完毕之后,必须根据设计图认真检查钢筋的钢号、直径、根数、间距等是否正确,特别要检查钢筋的位置是否正确,然后检查钢筋的搭接长度与接头位置是否符合有关规定,钢筋绑扎有无松动、变形,表面是否清洁,有无铁锈、油污等.钢筋安装的偏差是否在规范规定的允许范围内.在检查中如发现有任何不符合要求的,必须立即纠正.在混凝土浇筑期间,钢筋网架上不能集中人群或放置施工重物,防止钢筋变形而造成质量或安全事故.如果出现钢筋位置移动或绑扎点松动,都必须及时纠正和修理复原.钢筋及埋件安装完后,首先由操作层进行自检,即对照图纸逐一检查,符合要求后报质安料进行复检,并填写钢筋制安工序质量检验表,报请监理来进行终检,最后由监理签证后方可进行砼浇筑.4、砼采用砼搅拌机拌制砼,严格按批准的配合比拌制,专人负责砼取样,检查原材料、砼拌制情况.砼运输采用斗车在出料口接料,水平运至浇筑地点.砼浇筑所用机具、设备准备充足,并考虑修理时间.材料准备充足,避免停工待料.人员配备齐全.在所有钢筋、埋件已绑扎、安装准确,模板已安装牢固后,班组先自检、后质检人员终检,填写钢筋、模板质量检验评定表,并报请监理验收;获得监理单位的批准后,按《水工砼施工规范》及国家颁发的其他砼施工规范中有关规定进行浇筑.砼采用插入式振动棒振捣,严格操作避免漏振、过振.一般每点振捣时间为20-30s,但应视砼表面呈水平不再显著下沉、不再出现气泡、表面泛出灰浆为准.振动棒插点要均匀排列,并不宜紧靠模板振动,且尽量避免碰撞钢筋、吊环、预埋件.浇筑过程中,控制好砼上升速度,随时注意埋件、模板、钢筋、预留孔洞等情况,定期检查砼配合比,发现问题及时处理.每块预制件要尽可能连续浇筑,如果停仓不可避免,要确保在砼初凝前续浇.5、砼浇筑完后及时采取洒水养护,砼连续养护时间不少于21天,使砼表面经常保持湿润状态.对于砼表面,在砼能抵抗水的破坏之后,立即覆盖持水材料使砼表面保持潮湿状态.砼在最终验收之前,除按规定进行养护外,同时加以维护及保护,以防损坏.对浇筑块的凌角和突出部分加强保护.6、构件拆模后,从外观上检查其表面有无麻面、露筋、裂缝、蜂窝等缺陷情况,预留孔道是否通畅无堵塞.有缺陷的砼修复在拆模后尽早完成.砼的缺陷在监理单位检查后进行修整、修复.其修整方法采用表面抹浆修补、细石砼填补等;修复的砼确保没有干缩裂纹,养护后其颜色与周围砼的颜色一致.对于砼突出部分用凿石锤和研磨的方法加以整平.对于发生严重影响质量无法修复的缺陷,该预制件作废,并对责任人进行惩罚.7、验收合格后的预制件,吊装时严格按吊装规程及有关规定进行,杜绝违章作业.合理选择钢丝绳、钢丝绳附件.仔细检查、保养钢丝绳,钢丝绳的接头要牢固.合理选择吊车,一般吊车起吊负荷不超过允许负荷的80℅.选择两点或多点起吊法.根据构件重量及结构选择运输车辆.准备撬杠、卡环等吊装工具.选择熟练的吊车驾驶员,熟悉起重机技术性能,吊装前对吊车进行检查,并注意各种仪表指示,认为正常后开始工作.开始前试运转一次,检查各机构的工作是否正常,制动器是否灵敏可靠,并注意起重臂回转范围内无障碍物.起重机吊起满载荷重物时,先吊起20-50㎝,检查起重机的稳定性、制动器的可靠性和绑扎的牢固性等,确认可靠后,才能继续起吊.起重臂最大仰角不超过规定值,一般不超过78°.勿使起重吊钩到达顶点.吊车不能斜吊.起吊时以缓慢速度进行,并严禁同时进行两种动作.对于汽车吊,不得载荷行驶或不放下支腿就起吊.根据工期、运距、构件重量、尺寸和类型以及工地具体情况选择合理的运输车辆,根据其安装方向确定装车方向.必要时,在加工场地生产时,就进行合理安排.构件在转运过程中,尽可能避免二次转运.钢筋砼构件的垫点和吊装时的吊点,要按有关要求进行,并要求与构件设计的受力特点一致.构件之间的垫木要在同一条垂直线上,且厚度相等.选择运输道路,根据路面情况调整行车速度,要确保平稳驾驶.构件在运输时要固定牢靠,以防在运输中途倾倒.e、涵背回填经监理工程师检验涵洞盖板安装符合要求、砌体或砼强度达到设计强度75%,方可进行涵背回填作业,回填土按相关技术规范规定进行,涵洞处路堤缺口填土应从涵洞洞身两侧不小于两倍跨径范围内,且台背回填下口宽度为米,同时按水平分层,对称地按照要求的压实度填筑、夯实.回填料为片碎石.f、基础回填当基础砌筑完成后,马上进行基础回填.分层人工配合小型机械进行夯实,分层厚度20~30cm.g、涵顶回填涵顶填土分层夯实,填筑高度达~1m以上后才能通行.h、施工注意事项1、为保证土石方工程的顺利进行,涵洞应先施工.涵洞采用人工配合挖掘机挖基,盖板采用预制板进行施工.2、施工时应注意地基承载力必须达到设计要求,达不到设计要求时应做地基处理,在地基承载力发生明显变化处设置沉降缝,地基承载力不明显时,按设计设置沉降缝.接缝宽度及填料以及进出口接缝必须严格按规范要求办理并做好防水处理.3、盖板涵洞采用全站仪放出中线及基坑开挖边线,用挖掘机挖基,严格控制开挖标高,人工清理基础及边坡,详细放出基础线,并请驻地监理检查,做好地基承载力实验,符合要求方可砌筑.4、砌块石基础和片石砼墙身,要求横平竖直,灰浆饱满,砼表面无蜂窝麻面,每隔4~6米留一上下贯通的沉降缝,端头处露面要细致加工,沉降缝与墙身基础一致.5、待墙身砼强度达到设计标号的80%时,清理洞底,铺砌基础.当盖板养生强度达到设计标号的80%才进行土石方回填,回填先用细料.6、清理进出口,放一字墙尺寸,用片石砌筑基础和墙身.7、台背回填应均匀对称进行,填料采用透水性好的材料填筑,填筑厚度8、按要求勾缝抹面,对于砌体和砼要按时养生,保持湿润.六、施工组织机构及人员安排一、施工组织机构设置项目部由施工管理部门和施工作业队组成,管理部门包括工程技术组、施工内业组、测量组、质量安全组和后勤供应组组成,施工作业队下设4 个施工作业班组,如下图所示:项目经理工程技术组施工内业组质量安全组材料供应组设备调度组施工作业班组材料班组盖板预制班组砌筑班组回填碾压班组二、项目部的管理职责及管理人员配备1、管理职责项目经理部的主要职责是对具体的施工项目在施工进度、技术、质量、安全文明施工方面进行全方位的管理.各施工作业队负责在总体工期部署和项目部施工进度计划网络安排下,对分项工程的施工时间、人员、设备、材料进行安排,对施工过程中的安全、文明措施进行落实.2、管理人员配备序号职务姓名备注1项目经理2项目总工程师3现场负责人4道路工程师5测量工程师6计量工程师7质检工程师8试验工程师9施工员10安全员11质检员12试验员13资料员14材料员七、质量保证措施1、做好施工前的技术准备工作⑴、组织技术人员认真进行设计文件审核,领会设计意图,正确指导施工.⑵、组织技术人员认真学习有关施工技术规范、质量检验评定标准及业主、质检站、监理部门下发的有关质量方面的文件.⑶、认真复核设计单位提供的导线点及水准点,并将复测结果报监理工程师审批后,方可使用.对设计院提供的测量标志及自行测定的导线控制桩等要加强保护,避免破坏.⑷、加强原材料特别是地材的采购和试验检测工作,做好砂浆及混凝土配合比的选配工作.⑸、逐级进行书面技术交底.技术交底要详细、准确、可操作性强,确保操作人员掌握各项工程施工工艺及操作要点,质量标准和注意事项.2、施工过程中的质量控制原材料检验及试验对采购的工程材料进行验证后方可进场.进场后再按检验和试验规程,对其进行检验和试验,合格后方可投入使用.①、水泥、钢材及其他原材料进场时必须有出厂合格证,并做材质试验,水泥应在有效期内用完;②、砂、石料先调查料源,取样试验,试验合格并经监理工程师认可后方可进料;③、现场设专人收料,不合格的材料拒收.、建立“五不施工”、“三不交接”制度.“五不施工”即未进行技术交底不施工;图纸及技术要求不清楚不施工;测量桩橛和资料未经换手复核不施工,材料无合格证或试验不合格者不施工;上道工序不经检查签证不施工.“三不交接”即无自检记录不交接;未经检查验收合格不交接,施工记录不全不交接.严格隐蔽工程签证制度,凡属隐蔽工程项目,首先由班组、队逐级进行自检,自检合格后,会同项目部质量监察工程师和监理工程师复检,复检合格并在验收记录上签认后,方可进入下道工。
第1篇一、工程概况盖板涵工程作为道路桥梁工程中重要的排水设施,其施工质量直接影响到道路的排水效果和使用寿命。
本工程位于XX道路,全长XX米,采用钢筋混凝土盖板涵结构,设计流量XX立方米/秒。
涵洞基础采用MU30浆砌片石,台身及盖板采用C30钢筋混凝土,防水层采用三毡二油。
二、施工准备1. 技术准备:熟悉设计图纸、规范和施工方案,组织施工人员进行技术交底,明确施工工艺和质量要求。
2. 材料准备:提前采购符合设计要求的钢筋、水泥、砂石、防水材料等,并做好检验工作。
3. 设备准备:准备挖掘机、装载机、混凝土搅拌运输车、泵车、振动棒、切割机等施工设备。
4. 人员准备:组织施工队伍,明确各岗位责任,进行安全教育和培训。
三、施工工艺1. 基础施工:(1)基础开挖:采用挖掘机开挖,人工清理基底,确保基底平整、无杂物。
(2)基础垫层:铺设C15混凝土垫层,厚度XX厘米,夯实密实。
(3)基础砌筑:采用MU30浆砌片石,砂浆强度等级M10,砌体饱满、垂直、平整。
2. 台身施工:(1)模板制作与安装:根据设计图纸制作模板,安装牢固,接缝严密。
(2)钢筋绑扎:按照设计要求绑扎钢筋,确保钢筋间距、保护层厚度符合规范。
(3)混凝土浇筑:采用泵车浇筑C30混凝土,分层浇筑,每层厚度不超过30厘米,振捣密实。
3. 盖板施工:(1)盖板预制:在预制场预制盖板,确保尺寸、形状、强度符合设计要求。
(2)盖板安装:将预制盖板吊装至台身顶部,调整水平度,焊接固定。
4. 防水层施工:(1)清理基层:将台身、盖板表面清理干净,无油污、杂物。
(2)铺设防水层:采用三毡二油防水材料,施工前先涂刷基层处理剂,然后依次铺设防水毡、涂刷防水涂料。
四、质量控制1. 材料检验:对所有材料进行检验,确保符合设计要求。
2. 施工过程控制:严格执行施工工艺和质量标准,加强过程检查,发现问题及时整改。
3. 隐蔽工程验收:基础、台身、盖板等隐蔽工程验收合格后方可进行下一道工序施工。
钢筋混凝土盖板涵施工方案一、适用范围本施工方案适用于全线钢筋混凝土盖板涵施工。
二、编制依据及原则2.1 、编制依据《公路工程技术标准》JTG B01-2003 ;《公路桥涵设计通用规范》JTG D60-2004 ;《公路桥涵施工技术规范》JTG/T F50-2011 ;《公路勘测规范》 JTG C10—2007;《公路工程质量检验评定标准》JTG F80/1-2004 ;《公路工程施工安全技术规程》JTJ 076-95 ;《云南省高速公路施工标准化实施要点——工点建设和工程施工》;《G56杭州至瑞丽高速公路宣威至曲靖段——两阶段施工图设计》。
2.2 、编制原则2.2.1 、响应和遵守招标文件中的安全、质量、工期、环保、文明施工等的规定及公路建设工程施工合同条件、合同协议条款及补充协议内容;2.2.2 、坚持专业化作业与综合管理相结合。
充分发挥专业人员和专用设备的优势,综合管理,合理调配,采用先进的施工技术,科学安排各项施工程序;2.2.3 、安全无事故,确保质量第一,保证施工人员人身健康安全;2.2.4 、文明施工,重视环保,珍惜土地,合理利用,严格执行环境管理体系和职业健康安全管理体系。
三、工程概况该段地表大部分覆盖第四季残坡积(Q4el+dl )黏土,含少量碎石和角砾,局部为粉质粘土或粉土,多为硬塑状态,局部为可塑,为红粘土,属高液限,厚度 5—10m不等,山间盆地低洼平缓部位较厚,向两侧山前斜坡地带逐渐变薄。
其下为二叠系下统栖霞组 (P1q)灰岩,层状构造,钙质胶结,多呈中风化,节理(溶蚀)裂隙较发育,岩体多呈块石状镶嵌结构,强度较高,局部山前斜坡地带出露。
本合同段主线里程K84+000~K115+700,另含热水连接线、热水互通、格依加水站共设 105 道涵洞:其中钢筋混凝土盖板涵60 道,钢筋混凝土盖板通道31道,钢筋混凝土拱涵9 道,钢筋混凝土圆管涵 5 道。
钢筋混凝土盖板涵跨径有1.5m,2m,3m, 4m。
第1篇一、工程概况盖板涵是一种常见的城市排水设施,主要用于涵管、桥梁等工程中,能够有效地排除地表水,防止水流对道路、桥梁等基础设施造成损害。
本施工方案针对某盖板涵工程进行编制,旨在确保工程顺利进行,达到设计要求。
二、施工准备1. 人员准备- 组织施工队伍,包括项目经理、技术负责人、施工员、质量员、安全员等。
- 对施工人员进行技术交底,确保施工人员熟悉施工图纸、施工工艺和安全操作规程。
2. 材料准备- 按照设计要求准备盖板、涵身、涵座、防水材料等。
- 材料需符合国家相关标准,确保质量。
3. 设备准备- 涵管预制设备:包括钢筋加工设备、模板设备、混凝土搅拌运输车等。
- 施工机械:包括挖掘机、吊车、平板车、装载机等。
4. 施工场地准备- 清理施工现场,确保施工场地平整、畅通。
- 设置施工标志,明确施工范围和安全警示标志。
三、施工工艺1. 测量放样- 根据设计图纸进行测量放样,确定涵管中心线、涵座位置等。
- 设置控制桩,确保施工精度。
2. 基础施工- 按照设计要求进行基础开挖,确保基础尺寸和深度符合要求。
- 对基础进行平整、夯实处理。
3. 涵身预制- 制作钢筋骨架,确保钢筋位置、间距、保护层厚度等符合设计要求。
- 预制混凝土,确保混凝土强度、密实度等符合要求。
- 混凝土养护,达到设计强度后方可进行后续施工。
4. 涵座施工- 按照设计要求进行涵座施工,确保涵座尺寸、位置等符合要求。
- 涵座混凝土养护,达到设计强度后方可进行后续施工。
5. 盖板安装- 安装盖板前,检查盖板尺寸、形状等是否符合要求。
- 使用吊车将盖板吊装到指定位置,确保盖板水平、牢固。
- 检查盖板与涵身连接处的密封性,确保防水效果。
6. 防水施工- 涵身与盖板连接处、涵座与基础连接处等易渗水部位,采用防水材料进行防水处理。
- 防水材料需符合国家相关标准,确保防水效果。
7. 回填土施工- 按照设计要求进行回填土,确保回填土密实、稳定。
- 对回填土进行压实处理,确保压实度符合要求。
塘承高速公路一期工程第四合同钢筋混凝土盖板涵施工方案一、工程概况K11+550钢筋混凝土盖板涵,全长34M,盖板涵与线路中线成度正交。
盖板涵采用MU30浆砌片石基础护底,MU30浆砌片石台身,C30钢筋混凝土盖板、C30钢筋混凝土支撑梁,三毡二油防水层。
二、盖板涵的施工方法钢筋混凝土盖板涵一般施工程序为:测量放样→基础开挖→基底验收、处理→基础施工→台身施工→盖板施工→沉降缝、防水层施工→附属工程施工。
(1)施工准备:开工前,根据设计图纸,结合现场实际地形、地质情况,对涵洞、通道的位置、方向、基底尺寸、高程等进行复核、定位。
当涵底设计高、涵位、角度等与实际不符时,经报请设计单位、监理同意后,根据实际作适当调整。
在既有排水沟、渠中修建的涵洞,先挖好排水沟,或在涵洞上游不影响施工的地方挖好集水坑,用污水泵排水,同时根据涵洞基坑四周地形,做好地面防排水工作。
(2)涵洞基础施工:基础开挖采用人工配合机械开挖,人工清基。
开挖过程中,遇有地下水渗出时,在涵洞基坑上下游对称坑角处设集水井,用污水泵集中排水。
如遇基底地基承载力不符合设计要求小于0.3MPa时,经报请设计、监理单位同意后,按要求采取加固处理措施。
当地基承载力满足设计要求大于或等于0.3MPa时,将挖至标高的基底用人工修凿整平,报请现场监理工程师验收合格后,开始放样施工基础。
(3)涵洞墙身施工:MU30浆砌片石墙身采用就地砌筑工艺。
砌筑石块时应符合下列规定:1)应选用无裂纹、无夹层且未被烧过的、具有抗冻性能的石块。
2)石块的抗压强度不应低于30MP a及混凝土的强度。
3)石块应清洗干净,分布均匀,净距不小于150mm。
片石砌筑完毕后,立即用草袋覆盖并洒水养护。
沉降缝按图纸要求每4~6米设置一条,并使沉降缝贯穿整个断面,保持涵洞基础和墙身沉降缝在同一竖直面,两端面竖直、平整,上下不得交错。
填缝料采用沥青木板或沥青砂填塞紧密,沉降缝宽度为20mm。
(4)钢筋混凝土盖板预制及安装:钢筋混凝土盖板在涵位处路基上或附近择地预制。
一、施工方法1、钢筋混凝土盖板涵1.钢筋混凝土盖板涵施工方法1.1基坑开挖1.1.1机械开挖配合人工刷坡检底基坑开挖采用挖掘机挖装,开挖之前先进行精确的测量放线,用白灰撒出开挖轮廓线,按1:0.33进行放坡,每侧考虑30cm工作面及20cm基坑排水沟,在下游设一个60*60cm的集水坑。
土方边开挖边运输,人工配合刷坡检底的开挖方法,机械开挖时在设计基底高程以上保留不少于20cm厚度的土层采用人工开挖检底。
如有长流水的涵洞,暂时引向别处流走。
如有地下水的涵洞,必须在基底两侧挖临时排水沟,排入集水坑用水泵抽出。
挖至设计标高后,检查基底承载力,基坑位置、标高、几何尺寸是否符合设计要求,进行基础放样,及时填写隐蔽工程报告单,请监理工程师验收签字后,立即下基。
1.2 涵基、涵台施工1.2 .1涵基、涵台片块石的支砌采用坐浆法或挤浆法进行施工,根据设计图纸尺寸,涵基施工先坐浆后,再按一顺一丁的方法进行挤浆施工,沉降缝按6m设置。
涵基完成后在台身内侧安装样板,挂线安砌,镶面平顺整齐,墙背线大致适顺,按设计坡比控制台身收坡。
在砌筑过程中经常校正线杆,以保证墙体几何尺寸。
根据料源情况,决定片石外形尺寸。
砌筑工艺:分层安砌,一顺一丁,每一块丁石安于上、下两块顺石中部,隔一层石料砌体灰缝对齐,横缝在一条直线上。
砌体外露面修凿一寸三錾,灰缝宽 1.3--1.5cm。
帮衬石和填芯石也采用上述规格片块石相互锁合分层砌筑,平缝宽不大于3cm,竖缝宽度不大于4cm。
勾缝采用凸缝,勾缝前把原砌筑砂浆掏出2cm深,以保证勾缝砂浆与石料粘接牢固。
按设计图纸上要求设置沉降缝,并在整个断面上贯通,墙身砌完后,用浸透的沥青麻絮填塞沉降缝。
1.2 .2洞口附属工程施工:洞口附属工程包括帽石、一字墙等。
具体施工方法是准确放样,挂线收坡,立模浇筑砼,施工应注意的是洞口流水通畅,并与边沟、排水沟接顺。
1.2 .3盖板涵的盖板施工,均在预制场预制进行(见预制板施工方案)1.2 .4钢筋砼盖板安装:台身砂浆强度达到设计标号,用吊车安装盖板,盖板安装采用较高一级砂浆标号的砂浆座浆,板块安装平稳顺直。
深基坑钢筋混凝土盖板涵专项施工方案一、前期准备工作1.深基坑施工前,进行现场勘察和测量,确定施工范围、基坑形状和规模。
2.制定详细的施工方案和施工时间表,明确施工顺序和工艺流程。
3.确保相关施工材料的供应,包括钢筋、混凝土、模板等。
二、基坑开挖1.根据设计要求进行基坑开挖,包括开挖深度、坑底平整度和坑壁垂直度等。
2.基坑开挖期间,要注意土壤的支护,采取适当的支护结构,如支撑系统和防护罩。
3.在开挖过程中,要及时清理施工现场,确保安全和施工的顺利进行。
三、基坑处理1.深基坑的处理主要包括基坑加固和排水处理。
2.基坑加固采用支护结构,如土钉墙、混凝土悬挂墙等,以增强土壤的稳定性。
3.排水处理通过安装排水设施,如井道和排水管道,以保持基坑内的排水畅通。
四、钢筋混凝土盖板施工1.钢筋混凝土盖板施工前,要先进行盖板模板的制作和安装。
2.模板的选择应根据盖板的尺寸和负荷要求进行,确保模板的稳定性和使用寿命。
3.盖板钢筋的布置要符合设计要求,包括钢筋的直径、间距和附着长度。
4.盖板混凝土的配制应按照设计比例进行,保证混凝土的强度和均匀性。
5.混凝土施工时,要注意浇注顺序和振捣工艺,确保混凝土的密实性和质量。
五、盖板养护1.盖板混凝土浇筑完成后,进行养护工作,以提高混凝土的强度和耐久性。
2.养护包括浇水养护和覆盖保温,浇水养护应按照设计要求进行,确保混凝土的水分充分且均匀。
3.盖板养护时间应根据混凝土强度发展情况确定,通常为14-28天。
六、竣工验收1.盖板施工完成后,进行竣工验收,包括盖板的尺寸、形状和质量等方面的检查。
2.盖板的验收要符合设计要求和相关规范标准,确保施工质量和使用安全。
以上是深基坑钢筋混凝土盖板涵专项施工方案的概述,具体施工中还需要根据实际情况进行合理调整和补充。
在施工过程中,要严格按照方案和规范要求进行,确保施工质量和安全。
同时,要密切关注施工现场的变化,及时调整和处理可能出现的问题,保证施工的顺利进行。
一、工程概况K181+910 1-4×3m钢筋混凝土盖板涵右幅路线中心线与路线正交90°,涵长50m;K182+029 1-3×3m钢筋混凝土盖板涵右幅路线中心线与路线正交90°,涵长47m。
台基础为C20混凝土,台身为C25混凝土,台帽为C30混凝土,盖板采用C30混凝土现浇。
二、材料及施工场地准备1、施工准备:钢筋、水泥、石子、砂子必须经实验合格后方准进场使用,焊条、焊剂符合设计及产品合格证明,钢筋加工场地应平整并且用水泥硬化15cm。
钢筋机械完好,运作正常;钢筋配料人员熟悉图纸,对的填写钢筋配料单。
2、钢筋操作工艺流程:钢筋清洁除锈、钢筋调直。
钢筋下料、钢筋成型、半成品检查堆放。
先清除钢筋表面泥土、浮锈,然后用调直机进行调直,不得有局部弯曲、死弯等,伤痕不使钢筋截面减少5%;钢筋下料时根据其编号、直径、长度和数量长短搭配,先长后短,减少接头,以节约钢材,钢筋切断保证断面平整;钢筋成型时在弯折处用石笔画出位置,校核无误后弯曲成型,尺寸符合设计及施工验收规范规定。
半成品按钢筋规格、形状、使用部位分别进行堆放,并采用标记牌进行标记。
3、钢筋成品保护:按钢筋品种、规格、型号分类堆放,并且垫起离地50cm,挂号标记牌,置于钢筋棚内,防止日晒、雨淋。
三、具体施工工艺钢筋混凝土盖板涵一般施工程序为:测量定位放样→基础开挖→基底验收、解决→基础施工→台身施工→台帽施工→盖板施工→沉降缝、防水层施工→附属工程施工。
1、测量定位放样涵洞开工前,要对涵洞的中心位置及轴线进行定位放样,现场核对图纸所示的涵洞的位置、方向、长度、出入口高程,以及与既有沟槽、排水渠道的连接是否相符,如有不符,及时提出解决措施,报监理工程师和设计单位审定。
2、基坑开挖基坑开挖采用挖掘机挖装,开挖之前先进行精确的测量放线,用白灰撒出开挖轮廓线,根据土质分类,按1:0.5进行放坡,每侧考虑50cm工作面及20cm基坑排水沟,在下游设一个60*60cm的集水坑。
钢筋混凝土盖板涵施工方案-CAL-FENGHAI-(2020YEAR-YICAI)_JINGBIAN宁都至定南(赣粤界)高速公路宁都至安远段新建工程A8 合同段钢筋混凝土盖板涵施工方案江西省交通工程集团公司宁安高速公路项目A8标项目经理部2015年02月 10日目录一、编制依据 ............................................................................................... - 2 -二、工程概况 ............................................................................................... - 2 -三、施工组织及工期安排 ............................................................................ - 3 -四、盖板涵施工工艺及方法 ........................................................................ - 5 -1、施工工艺流程 ................................................................................... - 5 -2、施工方法........................................................................................... - 7 -五、质量保证措施...................................................................................... - 16 -六、安全保证措施..................................................................................... - 16 -七、环境保护措施...................................................................................... - 17 -钢筋混凝土盖板涵施工方案一、编制依据1、宁都至安远高速公路新建工程(A8标段)施工图纸资料;2、当地的气候条件、施工环境及施工现场调查的资料;3、国家、部颁的现行公路工程设计规范、施工规范、公路工程质量评定及验收标准、安全规则等;4、宁安高速公路项目办公室下发的《江西省高速公路项目标准化管理指南(规范化施工标准)》试行版;5、我单位拥有的科技成果、管理水平、技术装备、队伍素质、机械装备、财务实力及多年来在高速公路工程施工中积累的施工经验。
二、工程概况本项目段起自K78+000,止于K90+440,路线总长,沿线共有盖板涵28道,盖板(暗桥)通道23道,钢筋混凝土圆管涵29道。
钢筋混凝土盖板涵结构具体见“盖板涵一览表”。
盖板涵一览表三、施工组织及工期安排1、本工程设立的项目实施组织机构详见下图:2、劳动力及机械设备投入详见劳动力主要机械设备投入表。
劳动力投入表序号工种人数备注1管理人员32技术人员53机械工104普工120主要机械设备投入表序号设备名称规格型号数量1挖掘机Doosan2253台2混凝土泵车45m1台3、工期安排根据招标文件中对工期的要求,结合本项目段的具体情况,我标段钢筋混凝土盖板涵洞计划于2015年1月30日开工,2015年7月30日完工。
四、盖板涵施工工艺及方法1、施工工艺流程盖板涵施工工艺流程图(现浇)盖板涵施工工艺流程图(预制)2、施工方法施工准备场地清理首先用全站仪进行放样,以确定开挖线,根据中桩及相应高程测出开挖面面积,对工程量进行复核;然后进行清表,用推土机配合挖掘机清除树根、草等杂物及表土层,并集中堆放在弃土场。
施工放样按施工图纸和有关规定恢复中线,恢复红线界桩,复测断面,并按图纸要求现场放样,包括涵洞基坑开挖线、涵身平面位置及高程、涵洞进出口八字墙平面位置及高程,并将上述成果报监管工程师审批。
原材料试验:该涵洞使用的主要材料有:钢筋、水泥、砂、碎石。
各材料进场前对其进行了检测,检测合格,并组织大量进场,且进场后在监管工程师的监督下进行了第二次抽检,将检测数据与资料上报监管工程师审批,并批准同意使用,标准配合比通过驻地试验室验证。
技术准备(1)、施工前仔细阅读设计文件,认真听取设计技术交底。
(2)、做好现场调查工作,为确保工程质量保证工期提供有利条件。
(3)、项目部在施工前召开包括施工班组在内的现场会,对其进行详细的技术交底,确保每道工序交待清楚。
基坑开挖基坑开挖方法采用人工配合机械开挖,一般沿涵洞基础宽度每侧放宽30cm放坡1:开挖基坑,机械开挖至距涵洞需换填基底标高10-20cm处,然后人工清底。
注意不得超挖扰动原状土,整平夯实之后需检测基底承载力是否满足设计要求,满足设计要求进入下一道工序,不满足时在监管工程师的指导下进行基底处理。
基坑开挖注意事项(1)、基坑开挖之后,边坡采用彩条布覆盖。
(2)、注意基坑底排水,沿基坑边缘挖设排水槽(30*30cm),设集水井两处(60*60cm)利用水泵进行抽水。
(3)、基坑顶动载距坑顶缘间距不得小于。
在距离基坑边周围用ф48钢管设置防护栏杆,立杆间距3m,高出自然地坪,埋深,在立杆的上、下端及中间位置各加一道水平杆,外面用密目网封闭,靠近便道一侧设置限制车辆靠近行驶的防护。
(4)、挖基施工宜安排在枯水或少雨季节进行,开工前应做好计划和施工准备工作,开挖后应连续快速施工。
(5)、基础轴线、边线位置及基底标高应精确测定,检查无误后方可施工。
(6)、挖至设计标高的土质基坑不得长期暴露、扰动或浸泡,并应及时检查基坑尺寸、高程、基底承载力,符合要求后,应立即进行基础施工。
对于承载力不满足设计要求的一般采取换填方式解决,提前进行换填材料的配备,以满足设计要求,换填时每20cm一层铺垫整平,采用压路机或小型夯实机械分层进行夯实,经检测达到承载力要求后再进行基础的施工。
(7)、挖基废方应集中堆放,可用做公路绿化防护用土。
、基础、台身依据测量控制点,用全站仪器及水准仪测出基础、台身的平面位置与高程,报监管工程师检验合格后进入下一道工序。
钢筋加工及安装(1)、钢筋预埋、安装时应使用钢筋间距定位架,确保钢筋预埋数量及间距均匀。
(2)、钢筋集中在钢筋加工棚制作,用汽车运至现场安装。
竖向受力主筋一般采用焊接,若钢筋直径大于25mm,宜采用滚轧直螺纹连接,钢筋接头采用搭接电弧焊时,两根钢筋搭接端部应预先折向一侧,使两连接钢筋轴线一致。
单面搭接焊缝长度不小于10倍钢筋直径,双面搭接焊缝长度不小于5倍钢筋直径,焊缝饱满,焊完后焊渣敲除干净。
(3)、钢筋绑扎接头的搭接长度不小于30倍钢筋直径,受力钢筋焊接接头应设置在内力较小处,并错开布置。
(4)、钢筋骨架应有足够刚度,钢筋交叉点用铁丝绑扎结实,必要时可用点焊焊牢。
钢筋安装时采用混凝土保护层垫块控制钢筋保护层厚度,垫块每平方米不少于4个。
模板安装(1)、为确保洞身外观质量,需采用×的大型钢模板,钢模板厚度不小于4mm,墙身外露面需采用全新钢模,模板的强度和刚度符合设计和施工规范要求。
(2)、按照测量的轴线和设计标高,拉起施工线,台身混凝土需对施工线内基础混凝土进行凿毛,按照设计尺寸立两侧台身模板,立模过程严格控制模板的垂直度和平整度。
台身模板采用“内拉外撑”的方法固定。
内拉杆为φ16圆钢,并用PVC管包裹,按×的间距梅花型布设,外部采用顶托支撑、斜向支撑,模板必须支撑牢固,防止跑模,模板接缝采用泡沫条塞填密实,并用腻子粉刮平。
(3)、模板立好后对结构内轮廓尺寸、中心位置、标高、拼接质量、平整度进行检查,保证其误差在规范允许范围之内。
报经监管工程师检查合格后才能进行下道工序施工。
基础钢模板底托顶托钢模板基础基础模板加固示意图(4)、基础及台身每隔4~6m 设置一道沉降缝,沉降缝处的端模采用2cm 厚建筑模板或者钢模,端模必须平整且与墙身和基础沉降缝在同一垂直线上,模板内侧放置2cm 厚的泡沫板。
为保证墙身混凝土外观质量,提倡采用模板漆,其涂刷方法见相关专用工艺。
混凝土浇筑及养生(1)、为保证涵洞外观质量,避免过多出现施工缝,台身、台帽应一起浇筑。
(2)、为加强台身混凝土与基础混凝土的结合,在浇筑基础混凝土时应预埋搭接钢筋,并对结合面进行凿毛处理。
(3)、混凝土浇注前应对模板、支架、拉杆进行仔细检查,对模内杂物、积水进行清理,经现场监管部确认符合要求后方可浇注混凝土。
测量人员对墙身台帽标高放样,并在模板内侧用红油漆线标注,标注间距不大于50cm ,确保墙身浇筑后台帽标高准确、线型平顺。
砼面固定铁丝台帽模板连接示意图钢模板内撑松木角钢木模板台帽模板连接大样(4)、混凝土浇注采用泵送入模,每节混凝土浇筑每侧布置不少于两个下料点,两侧墙身对称浇注,混凝土下落高度超过米时应采取措施防止混凝土发生离析。
每侧墙身基本水平分层浇注,控制层厚一般不超过30cm,保证振动棒插入下层混凝土不少于5~10cm,振捣时振动棒与侧模保持5~10cm间距,混凝土不再下沉,表面泛浆,水平有光泽时即可缓慢抽出振捣棒,避免振动棒碰撞模板、钢筋及其它预埋件,确保混凝土内实外美。
(5)、混凝土浇筑完成后根据标高油漆线对混凝土面进行线型修整,收浆整平。
(6)、混凝土拆模时间应根据气温灵活掌握,在混凝土强度达到经监管工程师同意后拆除模板,拆模遵循“先支后拆,后支先拆”的原则进行,不可生拉硬拽,确保混凝土棱角不因拆模而受破坏。
(7)、混凝土初凝后应及时进行养护,养护分为带模养护和拆模后养护,高温季节带模养护除顶面覆盖洒水养护外,钢模板还需洒水降温;拆模后采用蓬布覆盖洒水养护,养护时间不少于14天。
(8)、模板拆除后要对其对拉筋PVC孔眼进行填塞修饰,采用电钻将PVC孔眼两头打碎,将PVC管碎渣清理后用高标号水泥砂浆对PVC孔眼填塞、修饰,所采用的水泥砂浆要注意颜色的调配,使修饰的PVC孔眼与墙身混凝土颜色相一致。
(9)、相临两节混凝土施工完成后,应及时对沉降缝进行处理,抠除泡沫板后填塞热浸沥青麻絮。
填缝应饱满、平整,可在墙身沉降缝边缘两侧各设置一根厚2 cm,宽4 cm的浸沥青木条。
钢筋混凝土盖板施工、钢筋混凝土盖板预制(1)、预制准备工作按照标准化施工管理,本标段的盖板涵施工采用集中预制盖板进行吊装的方法,选定在2#拌合站(K85+500)后的小型预制场进行集中预制。