(汇总)电梯土建勘查表.doc
- 格式:doc
- 大小:210.00 KB
- 文档页数:2
电梯安装进场施工条件勘察记录表
附表:
备注:1、相同参数的可在同一行内填写。
如:“1-5F 2100×2200……”
2、楼层根据土建图填写。
工勘安装单位或现场安装负责人:(盖章/签名)
工勘日期:年月日
电梯安装进场施工条件勘察记录表
备注:1、相同参数的可在同一行内填写。
如:“1-5F 2100×2200……”
2、楼层根据土建图填写。
工勘安装单位或现场安装负责人:(盖章/签名)
工勘日期:年月日
电梯安装进场施工条件勘察记录表
备注:1、相同参数的可在同一行内填写。
如:“1-5F 2100×2200……”
2、楼层根据土建图填写。
工勘安装单位或现场安装负责人:(盖章/签名)
工勘日期:年月日
电梯安装进场施工条件勘察记录表
备注:1、相同参数的可在同一行内填写。
如:“1-5F 2100×2200……”
2、楼层根据土建图填写。
工勘安装单位或现场安装负责人:(盖章/签名)
工勘日期:年月日。
电梯井道勘察记录表内部编号:合同编号/楼号层/站/门电梯型号安装地点测量人联系电话日期测量数据符合要求备注1 机房高度 mm宽度mm深度 mm(有机房时)是□ 否□二层高度:2 井道全高 mm顶层高度mm底坑深度 mm 是□ 否□应按照土建标高3 机房承重台高度 mm宽度 mm长度 mm 是□ 否□对面/侧面(对重)4 井道深度/宽度填写附页是□ 否□按照须知填写5 圈梁高度/宽度填写附页(砖混和钢架结构时测量)是□ 否□全混/砖混/钢架6 层门口高度/宽度填写附页是□ 否□中分/左开/右开7 门口圈梁长度/高度填写附页是□ 否□顶层/基站/其他8 控制柜预留孔高度mm宽度mm(无机房时)是□ 否□9 井道门口应提供标高线(必要时应有甲方签字)是□ 否□标高提供目测项目(必要时测量)1 吊钩(有/无机房时全部)应符合土建图要求2 机房应无其他杂物※3 机房预留孔洞位置应符合要求(有机房时)4 机房应有通风设备※5 承重台预留钢板应符合土建图要求(有机房时)6 机房应有消防设施※7 机房门窗应符合土建图要求(无机房时应注意防雨)8 机房电源箱应符合要求(无机房时无)※9 机房门窗具备防盗措施10 机房应有照明(无机房时在控制柜附近)※11 机房电源应符合要求(无机房时应提供到控制柜)12 机房有二层机房时应设护栏/楼梯※13 机房地面应平整14 控制柜安装位置应符合要求(有/无机房)15 通往机房的通道应畅通(如需爬梯应按照检规要求)16 井道门口防护齐全(护栏高度应超过1.2m)17 井道内应无凸出物(如有应实际测量/位置/图示)18 井道照明应符合要求(必要时查开关)※19 井道墙壁内应无杂物(如钢筋/模板等)20 底坑无杂物(测量时应清除部分)21 外呼(消防盒)孔洞应符合要求(必要时测量)22 底坑应防水(甲方承担由于渗水造成的损失)23 井道底部进入空间应符合要求(有地下室时)24 对讲系统电缆预留(机房到值班室)备注:带※号的能在调试前完成(需甲方签字认可;不作为不发货的原因)合同条款执行确认1 库房(足够面积/防雨/防盗)甲方□乙方□ 5 卸车、吊装甲方□乙方□2 井道脚手架甲方□乙方□ 6 水电费甲方□乙方□3 土建配合费甲方□乙方□7 验收费甲方□乙方□4 门口封堵(层门安装完毕后)甲方□乙方□8 甲方/使用单位管理员证有□无□告知:用户需协助办理电梯开工告知手续;二次搬运(距离井道超过50m时),须由甲方承担搬运费800元/台;施工期间现场由于门窗无防盗措施造成的人员伤害、电梯配件丢失须甲方承担责任;由于甲方原因造成停工撤场需二次进场的,须甲方承担二次进场费并负责电梯的保管责任;其中项不符合进场要求,须整改。
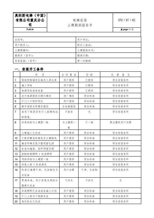
(V15、06版) 电梯安装进场施工条件勘察记录表(发货前 ) Q7、5、1-21、1楼号: 工程名称合同号工程地址省市县路号电梯型号及规格梯号(井道号)用户(需方)收货人、电话公司项目经理/联系电话安装公司(队)/联系电话层/站/门勘察人(班组长)/联系电话勘察日期根据公司与用户双方确认的井道施工图纸与施工条件,本公司对贵项目电梯井道按以下内容实查。
部位序号检查项目电梯土建图确认(尺寸) 实测(尺寸) 就是否存在整改完成时间/负责人1 机房吊钩及位置就是□,否□2 承重水泥墩就是□,否□3 门窗有/无(完好) 就是□,否□4 三相五线制电源箱就是□,否□5 有无高台有□无□就是□,否□6 顶层高度MM 就是□,否□7 井道总高度MM 就是□,否□8 井道宽MM 就是□,否□9 井道深MM 就是□,否□10 门洞宽MM 就是□,否□11 门洞高MM 就是□,否□12 层显、按钮留孔就是□,否□13 圈梁平面尺寸(间距) 就是□,否□14 对重侧置左□右□后□左□右□后□左□右□15 就是否有牛腿就是□否□就是□否□底16 底坑深度就是□,否□坑17 清洁情况就是□,否□18 卸货场地畅通就是□,否□具体要求:19 运输道路畅通就是□,否□具体要求:20 车长、载重、高度有否要求有□,否□具体要求:21 多台梯装车有否要求: 有□,否□具体要求:22 临时仓库: 有□,否□现场完备状况:其23 临时电源: 有□,否□何时提供:它24 计划何时发货: 年月日计划进场时间: 年月日就是否分批发货: 就是□,否□25 计划取验收报告时间: 年月日计划移交甲方时间: 年月日26 发包合同、安全协议就是否签订:就是□无□年月日负责人: 发包管理员签名确认: 若无,何时签订:27 现场就是否有可利用的起吊设备: 施工梯就是□无□塔吊就是□无□28 现场就是否使用有脚手架安装: 有□无□提示用户:提供符合安装施工的条件,就是确保我司电梯安装工程顺利进场施工的前提条件;为此,敬请贵方在我司开始正式进场安装前,抓紧完成上述需整改项目的整改工作,否则,一旦我司安装人员进场后会出现待工情况,将导致双方在经济上的损失、勘察人: 用户(需方)签收人:日期: 日期:与用户工程经理核实: 就是否需要更改土建图: 就是□否□1 、根据土建状况 , 产品的配置就是否需要修改 ? 就是□否□2 、用户就是否需要修改配置 ? 就是□否□营销设计人员签名:3 、就是否具备发货条件 ? 就是□否□销售项目经理签名:4 、总包方知晓安装合同中安装管理费与土建配合费由供方承担?确认发货就是□否□工程总监签名:用户工程经理签名: 年月日年月日项目经理签名: 工程经理签名: 安装形式注:如在勘察整改过程中有不详之处,请与我司联系,传真:021—51 9 1 71 4 6营销工程部(V15、06版) 附表:楼梯号井道(净宽×门洞(净宽×召唤孔洞(长×宽×档数(从井道结构□全剪力墙□框架/砖混层净深mm) 净高mm) 高)(离地)mm 下向上)□钢结构□部分剪力墙部分框架图纸现场图纸现场图纸现场图纸现场图纸现场图纸现场图纸现场图纸现场图纸现场图纸现场图纸现场图纸现场图纸现场图纸现场图纸现场图纸现场备注:1、相同参数的可在同一行内填写。
精品文档,供参考!(此文档部分内容来源于网络,如有侵权请告知删除,文档可自行编辑修改内容,供参考,感谢您的支持)井道检查人:年月日XXXX 电梯有限公司电梯井道勘查记录表合同号:电梯编号:用户名称:工程地址:联系人:电话:梯型:载重:速度:层站:轿厢尺寸:宽×深×高开门尺寸:宽×高开门方式:井道状态:未建□在建□已建□并排□楼层层高井道宽井道深门洞尺寸牛腿井道情况底坑SWSD左边A门洞宽右边B门洞高C宽D高井道结构后墙砖混墙□混凝土墙□钢架□厚度:穿墙档,拉爆档,预埋档是□/非□外墙层层左墙砖混墙□混凝土墙□钢架□厚度:穿墙档,拉爆档,预埋档是□/非□外墙层层右墙砖混墙□混凝土墙□钢架□厚度:穿墙档,拉爆档,预埋档是□/非□外墙层层前墙砖混墙□混凝土墙□钢架□厚度:穿墙档,拉爆档,预埋档是□/非□外墙层层井道内如有柱或梁,请在井道平面图内标出详细位置和尺寸。
1、外呼盒安装孔已□/未□预留,外呼盒安装孔在门洞左□/右□/中间□;2、层门洞上混凝土梁高:穿墙□/拉爆□;3、层门洞下混凝土梁高度:;4、其它特殊描述;层层层层层层层层层机房尺寸(宽×深×高)注明机房门方向1、承重梁预留孔已□/未□,楼板钢丝绳预留孔已□/未□;2、机房吊钩有□/无□,机房门窗是□/否□到位;3、电源是□/否□到位;4、机房内台阶高度:;5、承重梁长度:;6、其它特殊描述;注:未注长度尺寸单位为mm;层层层层层层层顶层高度井道最宽㎜井道最窄㎜井道总高井道最深㎜井道最浅㎜。
电梯施工前土建尺寸勘测记录
使用单位:
项目名称:
安装单位:
安装地点:
合同编号:
制造单位:
电梯型号:
电梯品种 :
出厂编号:
告知日期:
电梯施工前土建尺寸勘测记录
一、 基本数据(m)
二、楼层间距(m)
注:1、“规定值”是指制造厂提供的土建图
上设计值;
2、“测量值”是现场实际测量的值;
3、“差值”是规定值与测量值的差,测量 值只能大于或等于规定值,不能小于 规定值;
4、“k ”值应大于或等于2米,不能小于 2米。
井道/机房 规定值
测量值
差值 顶层高度(a) 提升高度(b) 底坑深度(c) □有机房
□无机房
高(d)
深(e)
宽(f) 井道 宽(g) 深(h) 机房门 宽(i) 高(j)
层站 层站高度 层站 层站高度 层站 层站高度 10F 22F
34F 9F 21F 33F 8F 20F 32F 7F 19F 31F 6F 18F 30F 5F 17F 29F 4F 16F 28F 3F 15F 27F 2F 14F 26F 1F 13F 25F -1F 12F 24F -2F
11F
23F
井道下方空间 通 道 门
提升高度
顶层高度。
井道检查人:年月日XXXX电梯有限公司电梯井道勘查记录表合同号:电梯编号:用户名称:工程地址:联系人:电话:梯型:载重:速度:层站:轿厢尺寸:宽×深×高开门尺寸:宽×高开门方式:井道状态:未建□在建□已建□并排□楼层层高井道宽井道深门洞尺寸牛腿井道情况底坑SW SD左边A门洞宽右边B门洞高C宽D高井道结构后墙砖混墙□混凝土墙□钢架□厚度:穿墙档,拉爆档,预埋档是□/非□外墙层层左墙砖混墙□混凝土墙□钢架□厚度:穿墙档,拉爆档,预埋档是□/非□外墙层层右墙砖混墙□混凝土墙□钢架□厚度:穿墙档,拉爆档,预埋档是□/非□外墙层层前墙砖混墙□混凝土墙□钢架□厚度:穿墙档,拉爆档,预埋档是□/非□外墙层层井道内如有柱或梁,请在井道平面图内标出详细位置和尺寸。
1、外呼盒安装孔已□/未□预留,外呼盒安装孔在门洞左□/右□/中间□;2、层门洞上混凝土梁高:穿墙□/拉爆□;3、层门洞下混凝土梁高度:;4、其它特殊描述;层层层层层层层层层机房尺寸(宽×深×高)注明机房门方向1、承重梁预留孔已□/未□,楼板钢丝绳预留孔已□/未□;2、机房吊钩有□/无□,机房门窗是□/否□到位;3、电源是□/否□到位;4、机房内台阶高度:;5、承重梁长度:;6、其它特殊描述;注:未注长度尺寸单位为mm;层层层层层层层顶层高度井道最宽㎜井道最窄㎜井道总高井道最深㎜井道最浅㎜。