品质制度表格-XXXX最新版,水利工程普通混凝土工程质量评定表及填表说明 精品
- 格式:doc
- 大小:1.91 MB
- 文档页数:129
水利工程施工质量评定表一、表1.3岩石洞室开挖单元工程质量评定表填表说明1、单元工程划分:砼衬砌部位按设计分缝确定的块划分;锚喷支护部位按一次锚喷区划分;不砌部位,可按施工检查验收区划分。
2、单元工程量:填写开挖方量(m3 )。
3、检查项目中的地质弱面处理,应附上设计要求。
洞室轴线项质量标准栏应标明规范名称及编号,例如:《水工建筑物地下开挖工程技术规范》SDJ212-83。
检验记录栏不能只填“符合设计规范或要求”。
4、检测项目分“无结构要求或无配筋”和“有结构要求或有配筋”两类,属于哪一类填相应的栏。
除平整度项外,其余均应按施工图填设计值及其单位(m或cm )。
5、检测数量:按横断面或纵断面进行检测,一般应不少于两个断面,总检测点数不少于20个;局部突出或凹陷部位(面积在0.5 m 2以上者)应增设检测点(平整度用2m直尺检查)。
6、单元工程质量标准:在检查项目符合质量标准的前提下,检测总点数中有70%及其以上符合标准,即评为“合格”,检测总点数中有90%及其以上符合质量标准的,即评为“优良”。
、表1.4软基和岸坡开挖单元工程质量评定表填表说明1、单元工程量:填写开挖方量(m3)及开挖面积(m2)。
2、检查项目中的2、4、5、7项应附上设计要求说明。
填写不下可另附页。
如本例第2项设计要求为r>1.55g/cm 3。
检查数量:按50~100m 正方形检查网进行取样,局部可加密至15~20m。
3、检测项目分“无结构要求或无配筋”和“有结构要求或有配筋”两类,属于哪一类填相应的栏。
除平整度项外,其余均应按施工图填设计值及其单位(m或cm )。
4、检测数量:200m 2以内,总检测点数不少于20个;200m 2以上不少于30 个;5、评定意见:“一般检查项目”后面的空格填“符合质量标准”或“基本符合质量标准”,视一般检查项目“检查记录”而定。
6、单元工程质量标准:在主要检查项目符合质量标准的前提下,一般检查项目基本符合质量标准,检测总点数中有70%及其以上符合标准,即评为“合格”。
普通混凝土工程外观质量工序施工质量验收
评定表填表说明
1、单位工程名称,分部工程名称及单元工程名称、部位应以正式
批复文件上的名称和代码为准。
施工日期填写为范围值,起始时间以本单元工程开始施工时间为准,终止时间以本单元工程涉及的所有试验报告的最晚日期为准。
2、工序编号:填写本工序编号。
3、主控项目1检查数量为:100m2以上的表面检查6~10个点,
100m2以下的表面检查3~5个点;主控项目2抽查15%;主控项目3全数进行检查,填写检查结果。
4、一般项目1、2、3、4全数检查,填写观察、量测结果。
5、凡是涉及符合设计要求的项目,在检查(测)记录一栏中不能
只填“符合设计规范或要求”应标明具体设计要求或规范名称及编号。
6、工序质量标准:
合格等级标准应符合下列规定:
⑴主控项目,检验结果应全部符合SL632—2012标准的要求。
⑵一般项目,逐项应有70%及以上的检验点合格,且不合格点不应集中。
⑶各项报验资料应符合SL632—2012标准要求。
优良等级标准应符合下列规定:
⑴主控项目,检验结果应全部符合SL632—2012标准的要求。
⑵一般项目,逐项应有90%及以上的检验点合格,且不合格点不应集中。
⑶各项报验资料应符合SL632—2012标准要求。
水利水电工程表2.3 混凝土面板单元工程施工质量验收评定表水利水电工程表2.3.1 面板基面清理工序施工质量验收评定表水利水电工程表2.3.2 模板制作及安装工序施工质量验收评定表利水电工程表2.3.5 混凝土浇筑工序施工质量验收评定表水利水电工程表2.3.6 混凝土外观质量检查工序施工质量验收评定表水利水电工程表2.3 混凝土面板单元工程施工质量验收评定表水利水电工程表2.3.1 面板基面清理工序施工质量验收评定表水利水电工程表2.3.2 模板制作及安装工序施工质量验收评定表利水电工程表2.3.5 混凝土浇筑工序施工质量验收评定表水利水电工程表2.3.6 混凝土外观质量检查工序施工质量验收评定表水利水电工程表2.3 混凝土面板单元工程施工质量验收评定表水利水电工程表2.3.1 面板基面清理工序施工质量验收评定表水利水电工程表2.3.2 模板制作及安装工序施工质量验收评定表利水电工程表2.3.5 混凝土浇筑工序施工质量验收评定表水利水电工程表2.3.6 混凝土外观质量检查工序施工质量验收评定表水利水电工程表2.3 混凝土面板单元工程施工质量验收评定表水利水电工程表2.3.1 面板基面清理工序施工质量验收评定表水利水电工程表2.3.2 模板制作及安装工序施工质量验收评定表利水电工程表2.3.5 混凝土浇筑工序施工质量验收评定表水利水电工程表2.3.6 混凝土外观质量检查工序施工质量验收评定表水利水电工程表2.3 混凝土面板单元工程施工质量验收评定表水利水电工程表2.3.1 面板基面清理工序施工质量验收评定表水利水电工程表2.3.2 模板制作及安装工序施工质量验收评定表利水电工程表2.3.5 混凝土浇筑工序施工质量验收评定表水利水电工程表2.3.6 混凝土外观质量检查工序施工质量验收评定表水利水电工程表2.3 混凝土面板单元工程施工质量验收评定表水利水电工程表2.3.1 面板基面清理工序施工质量验收评定表。
老虎沟水库除险加固工程坝坡修整单元工程质量评定表( 承包[ 20XX ]坝坡号 )注此表填写说明,参考《水利水电工程施工质量评定表填写说明与示例(试行)》一书,第651页表7.1-1。
垫层工程单元工程质量评定表( 承包[20XX ]垫层号)注此表填写说明,见《水利水电工程施工质量评定表填写说明与示例(试行)》一书,第729页表7.12。
碎石护坡单元工程质量评定表( 承包[20XX ]护坡号)注此表填写说明,参考《水利水电工程施工质量评定表填写说明与示例(试行)》一书,第733页表7.13。
干砌石护坡工程单元工程质量评定表( 承包[20XX ]护坡号)砂料质量评定表( 承包[20XX ]砂料号)粗骨料质量评定表( 承包[20XX ]骨料号)注此表填写说明,见《水利水电工程施工质量评定表填写说明与示例(试行)》一书,第107页表1.19。
老虎沟水库除险加固工程混凝土拌和质量评定表( 承包[20XX ]拌和号)注此表填写说明,见《水利水电工程施工质量评定表填写说明与示例(试行)》一书,第111页表1.20。
混凝土拌和物质量评定表( 承包[20XX物号)注此表填写说明,见《水利水电工程施工质量评定表填写说明与示例(试行)》一书,第113页表1.20-1。
混凝土试块质量评定表( 承包[20XX ]试块号)注此表填写说明,见《水利水电工程施工质量评定表填写说明与示例(试行)》一书,第116页表1.20-2。
老虎沟水库除险加固工程混凝土预制构件制作质量评定表续表27注此表填写说明,见《水利水电工程施工质量评定表填写说明与示例(试行)》一书,第119页表1.21。
土方开挖单元工程质量评定表( 承包[]土方号)2.此表填写说明,见《水利水电工程施工质量评定表填写说明与示例(试行)》一书,第39页表1.4。
混凝土单元工程质量评定表( 承包[20XX ]混凝土号)基础面或混凝土施工缝处理工序质量评定表( 承包[20XX ]处理号)注此表填写说明,见《水利水电工程施工质量评定表填写说明与示例(试行)》一书,第45页表1.5-1。
水利水电工程
水利水电工程
水利水电工程
水利水电工程
水利水电工程
水利水电工程
水利水电工程
水利水电工程
水利水电工程
水利水电工程
水利水电工程
水利水电工程
水利水电工程
水利水电工程
水利水电工程
水利水电工程
水利水电工程
水利水电工程
水利水电工程
水利水电工程
水利水电工程
水利水电工程
水利水电工程
水利水电工程
水利水电工程
水利水电工程
水利水电工程
水利水电工程
水利水电工程
水利水电工程
水利水电工程
水利水电工程
水利水电工程
水利水电工程
水利水电工程
水利水电工程
水利水电工程
水利水电工程
水利水电工程
水利水电工程
水利水电工程
水利水电工程
水利水电工程
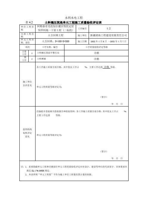
表4.2.2土料碾压工序施工质量验收评定表
水利水电工程
水利水电工程。
水利水电工程水工建筑物外观质量评定表水利水电工程水工建筑物外观质量评定表表01水利水电工程表02 房屋建筑安装工程观感质量评定表水利水电工程分部工程质量评定表水利水电工程单位工程施工质量检验资料核查表水利水电工程单位工程质量评定表注:△表示主要分部工程水利水电工程表06 工程项目施工质量评定表水利水电工程表1.1 岩石边坡开挖单元工程质量评定表水利水电工程表1.2 岩石地基开挖单元工程质量评定表水利水电工程表1.3 岩石洞室开挖单元工程质量评定表水利水电工程表1.4 软基和岸坡开挖单元工程质量评定表水利水电工程表1.5 混凝土单元工程质量评定表水利水电工程表1.5 - 1 基础面或混凝土施工缝处理工序质量评定表水利水电工程表1.5 - 2 混凝土模板工序质量评定表水利水电工程表1.5 - 3 混凝土钢筋工序质量评定表续表1.5 - 3水利水电工程表1.5 - 4 混凝土止水、伸缩缝和排水管安装工序质量评定表水利水电工程表1.5 - 5 混凝土浇筑工序质量评定表水利水电工程表1. 6 混凝土预制构件安装单元工程质量评定表水利水电工程表1. 7 混凝土坝坝体接缝灌浆单元工程质量评定表水利水电工程表1.8 岩石地基帷幕灌浆单元工程质量评定表水利水电工程表1.9 岩石地基固结灌浆单元工程质量评定表水利水电工程表1.10 水工隧洞回填灌浆单元工程质量评定表水利水电工程表1.11 高压喷射灌浆单元工程质量评定表水利水电工程表1.12 基础排水工程单元工程质量评定表水利水电工程表1.13 锚喷支护单元工程质量评定表水利水电工程表1.13-1 锚喷支护锚杆、钢筋网工序质量评定表水利水电工程表1.13-2 锚喷支护喷射混凝土质量工序评定表水利水电工程表1.14 混凝土防渗墙单元工程质量评定表水利水电工程表1.15 振冲地基加固单元工程质量评定表注:1.本表适用于30KW振动器振冲加固地基。
2.若用75KW振动器,表中第4项振密电流值应加大;第5项填料粒径标准,可加大,要求<10㎝。
水利水电工程
表2.1 普通混凝土单元工程施工质量验收评定表
单位工程名称单元工程量
分部工程名称施工单位
单元工程名称、部位施工日期年月日~年月日项次工序名称(或编号)工序质量验收评定等级
1 基础面
施工缝处理
2 模板制作及安装
3 △钢筋制作及安装
4 预埋件(止水、伸缩缝等)制作及安装
5 △混凝土浇筑(含养护、脱模)
6 外观质量检查
施工单位自评意见
各工序施工质量全部合格,其中优良工序占%,且主要工序达到等级,单元工程试块质量检验合格,各项报验资料SL632-2012的要求。
单元工程质量等级评定为:
年月日
(签字,加盖公章)
监理单位复核意见
经抽查并查验相关检验报告和检验资料,各工序施工质量全部合格,其中优良工序占%,且主要工序达到等级,单元工程试块质量检验合格,各项报验资料SL632-2012的要求。
单元工程质量等级评定为:
年月日
(签字,加盖公章)
注:本表所填“单元工程量”不作为施工单位工程量结算计量的依据。
表A.2.1 水工建筑物外观质量评定表表A.3.1-1堤防工程外观质量评定表表A.3.1-2堤防工程外观质量标准表表A.4.2-1引水(渠道)建筑物工程外观质量评定表表A.4.2-2引水(渠道)建筑物工程外观质量标准表A.5.2水利水电工程房屋建筑单位工程观感质量评定表附录B 水利水电工程施工质量缺陷备案表格式附录C 普通混凝土试块试验数据统计方法C.0.1 同一标号(或强度等级)混凝土试块28天龄期抗压强度的组数n≥30时,应符合表C.0.1的要求:表C.0.1混凝土试块28天抗压强度质量标准C.0.2同一标号(或强度等级)混凝土试块28天龄期抗压强度的组数30>n≥5时,混凝土试块强度应同时满足下列要求:R n-0.7S n>R标(C.0.2-1)R n-1.60S n≥0.83R标(当R标≥20)(C.0.2-2)或≥0.80R标(当R标<20)(C.0.2-3)式中:S n——n组试件强度的标准差,MPa。
()112-=∑-=nnininRRS当统计得到的S n<2.0(或1.5)MPa时,应取S n=2.0MPa(R标≥20MPa);S n=1.5MPa(R标<20Mpa);R n——n组试件强度的平均值,MPa;R i——单组试件强度,MPa;R标——设计28天龄期抗压强度值,MPa;n ——样本容量C.0.3 同一标号(或强度等级)混凝土试块28天龄期抗压强度的组数5>n≥2时,混凝土试块强度应同时满足下列要求:R n≥1.15R标(C.0.3-1)R min≥0.95R标(C.0.3-2)式中nR——n组试块强度的平均值,MPa;R标——设计28天龄期抗压强度值,MPa;R min ——n 组试块中强度最小一组的值,MPa 。
C.0.4 同一标号(或强度等级)混凝土试块28天龄期抗压强度的组数只有1组时,混凝土试块强度应满足下列要求:R ≥1.15R 标 (C-5)式中 R ——试块强度实测值,MPa ;R 标——设计28天龄期抗压强度值,Mpa 。
2. 混凝土工程表2.1 普通钢筋混凝土单元工程质量评定表填表说明填表时必须遵守“填表基本规定”,并符合以下要求:1.单元工程划分:宜以混凝土浇筑仓号或一次检查验收范围划分。
对混凝土浇筑仓号,应按每一仓号分为一个单元工程;对排架、梁、板、柱等构件,应按一次检查验收的范围分为一个单元工程。
2.单元工程量:填写本单元工程混凝土浇筑量(m3)。
3.本单元工程分为基础面或施工缝处理、模板安装、钢筋制作及安装、预埋件(止水、伸缩缝等)制作及安装、混凝土浇筑(含养护、脱模)、外观质量检查6个工序,其中钢筋制作及安装、混凝土浇筑(含养护、脱模)工序宜为主要工序。
本表是在表2.1.1~2.1.6工序质量验收评定后完成。
4. 单元工程施工质量验收评定应提交下列资料:(1)施工单位应提交单元工程中所含工序(或检验项目)验收评定的检验资料,原材料、拌和物与各项实体检验项目的检验记录资料。
(2)监理单位应提交对单元工程施工质量的平行检测资料。
5.单元工程质量标准合格标准:各工序施工质量验收评定应全部合格;各项报验资料应符合本标准的要求。
优良标准:各工序施工质量验收评定应全部合格,其中优良工序应达到50 %及以上,且主要工序应达到优良等级;各项报验资料应符合本标准的要求。
水利水电工程表2.1.1 基础面、施工缝工序施工质量验收评定表填表说明填表时必须遵守“填表基本规定”,并符合以下要求:1.单位工程、分部工程、单元工程名称及部位填写要与表2.1相同。
2..检验(测)方法及数量:3. 工序施工质量验收评定应提交下列资料:(1)施工单位各班(组)的初检记录、施工队复检记录、施工单位专职质检员终检记录;工序中各施工质量检验项目的检验资料。
(2)监理单位对工序中施工质量检验项目的平行检测资料。
4.工序质量标准合格标准:(1)主控项目,检验结果应全部符合本标准的要求。
(2)一般项目,逐项应有70 %及以上的检验点合格,且不合格点不应集中分布。
(3)各项报验资料应符合本标准的要求。
优良标准:(1)主控项目,检验结果应全部符合本标准的要求。
(2)一般项目,逐项应有90 %及以上的检验点合格,且不合格点不应集中分布。
(3)各项报验资料应符合本标准的要求。
水利水电工程表2.1.2 模板制作及安装工序施工质量验收评定表填表说明填表时必须遵守“填表基本规定”,并符合以下要求:1.单位工程、分部工程、单元工程名称及部位填写要与表2.1相同。
3. 工序施工质量验收评定应提交下列资料:(1)施工单位各班(组)的初检记录、施工队复检记录、施工单位专职质检员终检记录;工序中各施工质量检验项目的检验资料。
(2)监理单位对工序中施工质量检验项目的平行检测资料。
4.工序质量标准合格标准:(1)主控项目,检验结果应全部符合本标准的要求。
(2)一般项目,逐项应有70 %及以上的检验点合格,且不合格点不应集中分布。
(3)各项报验资料应符合本标准的要求。
优良标准:(1)主控项目,检验结果应全部符合本标准的要求。
(2)一般项目,逐项应有90 %及以上的检验点合格,且不合格点不应集中分布。
(3)各项报验资料应符合本标准的要求。
水利水电工程表2.1.3 钢筋制作及安装工序施工质量验收评定表填表说明填表时必须遵守“填表基本规定”,并符合以下要求:1.单位工程、分部工程、单元工程名称及部位填写要与表2.1相同。
3. 工序施工质量验收评定应提交下列资料:(1)施工单位各班(组)的初检记录、施工队复检记录、施工单位专职质检员终检记录;工序中各施工质量检验项目的检验资料。
(2)监理单位对工序中施工质量检验项目的平行检测资料。
4.工序质量标准合格标准:(1)主控项目,检验结果应全部符合本标准的要求。
(2)一般项目,逐项应有70 %及以上的检验点合格,且不合格点不应集中分布。
(3)各项报验资料应符合本标准的要求。
优良标准:(1)主控项目,检验结果应全部符合本标准的要求。
(2)一般项目,逐项应有90 %及以上的检验点合格,且不合格点不应集中分布。
(3)各项报验资料应符合本标准的要求。
水利水电工程表2.1.4 预埋件制作及安装工序施工质量验收评定表填表说明填表时必须遵守“填表基本规定”,并符合以下要求:1.单位工程、分部工程、单元工程名称及部位填写要与表2.1相同。
2.检验(测)方法及数量:3. 工序施工质量验收评定应提交下列资料:(1)施工单位各班(组)的初检记录、施工队复检记录、施工单位专职质检员终检记录;工序中各施工质量检验项目的检验资料。
(2)监理单位对工序中施工质量检验项目的平行检测资料。
4.工序质量标准合格标准:(1)主控项目,检验结果应全部符合本标准的要求。
(2)一般项目,逐项应有70 %及以上的检验点合格,且不合格点不应集中分布。
(3)各项报验资料应符合本标准的要求。
优良标准:(1)主控项目,检验结果应全部符合本标准的要求。
(2)一般项目,逐项应有90 %及以上的检验点合格,且不合格点不应集中分布。
(3)各项报验资料应符合本标准的要求。
水利水电工程表2.1.5 混凝土浇筑工序施工质量验收评定表填表说明填表时必须遵守“填表基本规定”,并符合以下要求:1.单位工程、分部工程、单元工程名称及部位填写要与表2.1相同。
3. 工序施工质量验收评定应提交下列资料:(1)施工单位各班(组)的初检记录、施工队复检记录、施工单位专职质检员终检记录;工序中各施工质量检验项目的检验资料。
(2)监理单位对工序中施工质量检验项目的平行检测资料。
4.工序质量标准合格标准:(1)主控项目,检验结果应全部符合本标准的要求。
(2)一般项目,逐项应有70 %及以上的检验点合格,且不合格点不应集中分布。
(3)各项报验资料应符合本标准的要求。
优良标准:(1)主控项目,检验结果应全部符合本标准的要求。
(2)一般项目,逐项应有90 %及以上的检验点合格,且不合格点不应集中分布。
(3)各项报验资料应符合本标准的要求。
水利水电工程表2.1.6 混凝土外观质量检查工序施工质量验收评定表填表说明填表时必须遵守“填表基本规定”,并符合以下要求:1.单位工程、分部工程、单元工程名称及部位填写要与表2.1相同。
2.检验(测)方法及数量:3. 工序施工质量验收评定应提交下列资料:(1)施工单位各班(组)的初检记录、施工队复检记录、施工单位专职质检员终检记录;工序中各施工质量检验项目的检验资料。
(2)监理单位对工序中施工质量检验项目的平行检测资料。
4.工序质量标准合格标准:(1)主控项目,检验结果应全部符合本标准的要求。
(2)一般项目,逐项应有70 %及以上的检验点合格,且不合格点不应集中分布。
(3)各项报验资料应符合本标准的要求。
优良标准:(1)主控项目,检验结果应全部符合本标准的要求。
(2)一般项目,逐项应有90 %及以上的检验点合格,且不合格点不应集中分布。
(3)各项报验资料应符合本标准的要求。
5. 混凝土外观质量评定可在拆模后或消除缺陷处理后进行。
当发生混凝土裂缝、冷缝、蜂窝、麻面、错台和变形等质量问题时,应及时处理,并做好记录。
水利水电工程表2.2 碾压混凝土单元工程质量评定表填表说明填表时必须遵守“填表基本规定”,并符合以下要求:1.单元工程划分:宜以一次连续填筑的段、块划分,每一段、块为一单元工程。
2.单元工程量:填写本单元工程混凝土浇筑量(m3).3. 本单元工程分为基础面及层面处理、模板安装、预埋件制作及安装、混凝土浇筑、成缝、外观质量检查6个工序,其中基础面及层面处理、模板安装、混凝土浇筑宜为主要工序。
本表是在表2.2.1~2.2.6工序质量验收评定后完成。
4. 单元工程施工质量验收评定应提交下列资料:(1)施工单位应提交单元工程中所含工序(或检验项目)验收评定的检验资料,原材料、拌和物与各项实体检验项目的检验记录资料。
(2)监理单位应提交对单元工程施工质量的平行检测资料。
5.单元工程质量标准合格标准:各工序施工质量验收评定应全部合格;各项报验资料应符合本标准的要求。
优良标准:各工序施工质量验收评定应全部合格,其中优良工序应达到50 %及以上,且主要工序应达到优良等级;各项报验资料应符合本标准的要求。
水利水电工程表2.2.1 基础面、层面处理工序施工质量验收评定表填表说明填表时必须遵守“填表基本规定”,并符合以下要求:1.单位工程、分部工程、单元工程名称及部位填写要与表2.2相同。
2..3. 工序施工质量验收评定应提交下列资料:(1)施工单位各班(组)的初检记录、施工队复检记录、施工单位专职质检员终检记录;工序中各施工质量检验项目的检验资料。
(2)监理单位对工序中施工质量检验项目的平行检测资料。
4.工序质量标准合格标准:(1)主控项目,检验结果应全部符合本标准的要求。
(2)一般项目,逐项应有70 %及以上的检验点合格,且不合格点不应集中分布。
(3)各项报验资料应符合本标准的要求。
优良标准:(1)主控项目,检验结果应全部符合本标准的要求。
(2)一般项目,逐项应有90 %及以上的检验点合格,且不合格点不应集中分布。
(3)各项报验资料应符合本标准的要求。
水利水电工程表2.2.2 模板制作及安装工序施工质量验收评定表填表说明填表时必须遵守“填表基本规定”,并符合以下要求:1.单位工程、分部工程、单元工程名称及部位填写要与表2.2相同。
2.检验(测)方法及数量:3. 工序施工质量验收评定应提交下列资料:(1)施工单位各班(组)的初检记录、施工队复检记录、施工单位专职质检员终检记录;工序中各施工质量检验项目的检验资料。
(2)监理单位对工序中施工质量检验项目的平行检测资料。
4.工序质量标准合格标准:(1)主控项目,检验结果应全部符合本标准的要求。
(2)一般项目,逐项应有70 %及以上的检验点合格,且不合格点不应集中分布。
(3)各项报验资料应符合本标准的要求。
优良标准:(1)主控项目,检验结果应全部符合本标准的要求。
(2)一般项目,逐项应有90 %及以上的检验点合格,且不合格点不应集中分布。
(3)各项报验资料应符合本标准的要求。
水利水电工程表2.2.3 预埋件制作及安装工序施工质量验收评定表填表说明填表时必须遵守“填表基本规定”,并符合以下要求:1.单位工程、分部工程、单元工程名称及部位填写要与表2.1相同。
3. 工序施工质量验收评定应提交下列资料:(1)施工单位各班(组)的初检记录、施工队复检记录、施工单位专职质检员终检记录;工序中各施工质量检验项目的检验资料。
(2)监理单位对工序中施工质量检验项目的平行检测资料。
4.工序质量标准合格标准:(1)主控项目,检验结果应全部符合本标准的要求。
(2)一般项目,逐项应有70 %及以上的检验点合格,且不合格点不应集中分布。
(3)各项报验资料应符合本标准的要求。