上海市优质结构评审
- 格式:doc
- 大小:441.50 KB
- 文档页数:40
上海市建设工程安全质量监督总站关于局部修订《上海市建设工程优质结构评审标准》的通知
文章属性
•【制定机关】上海市建设工程安全质量监督总站
•【公布日期】2006.08.30
•【字号】沪建安质监〔2006〕第113号
•【施行日期】2007.01.01
•【效力等级】地方规范性文件
•【时效性】现行有效
•【主题分类】工程质量安全监管
正文
上海市建设工程安全质量监督总站关于局部修订《上海市建设工程优质结构评审标准》的通知
沪建安质监[2006]第113号本市各有关施工、监理单位:
为进一步加强上海市建设工程优质结构评审工作,结合当前建筑业管理新要求,上海市优质结构工作小组对《上海市市政〈公路〉工程优质结构评审标准》及《上海市建筑工程优质结构评审标准》中“现场质量标准条件”、“安全防护”部分进行了局部修订,详见附件。
现经审查予以颁发。
修订后的标准自2007年1月1日起施行。
附件:1.上海市市政〈公路〉工程优质结构评审标准(2006年版)(略)
2.上海市建筑工程优质结构评审标准(第一、二部分)(略)
上海市建设工程安全质量监督总站
二〇〇六年八月三十日。
目录目录 2修订说明1第一篇评审组织及管理 1第一节概述 1第二节申报范围和主体 2第三节申报条件 3第四节申报手续 4一、网上申报示意4二、书面资料 6三、分阶段申报 6第五节推荐检查程序7一、现场检查流程7二、现场检查内容7第二篇推荐检查内容9第一节基本规定 9第二节房建工程 11第一部分现场质量保证条件 11 第二部分实测数据13第三部分检测 15第四部分目测观感16第五部分质量控制资料 21第六部分安全防护25第七部分安装 27第八部分工程特色30第三节市政(公路)工程 31 第一部分现场质量保证条件 31 第二部分实测 34第三部分检测 36第四部分目测观感38第五部分质量控制资料 45第六部分安全防护50第七部分安装 52第八部分工程特色52第四节水务工程 54第一部分现场质量保证条件 54 第二部分实测 55第三部分检测 57第四部分目测观感58第五部分质量控制资料 60第六部分安全防护61第七部分安装 63第八部分工程特色63第五节水运工程 64第一部分现场质量保证条件 64第二部分实测 65第三部分检测 67第四部分目测观感68第五部分质量控制资料 70第六部分安全防护72第七部分安装 73第八部分工程特色73附录A:优质结构申报表 74附录A-1:上海市优质工程申报表 74附录A-2:上海市优质工程推荐表 77附录A-3:上海市优质工程创优简介80附录A-4:上海市优质工程(结构工程)推荐检查告知承诺书87 附录B:上海市建筑工程优质结构检查评分表 89附录B-1:建筑表一(现场质保条件)89附录B-2:建筑表二(实测)90附录B-3:建筑表三(检测)91附录B-4:建筑表四(目测观感) 92附录B-5:建筑表五(质控资料) 94附录B-6:建筑表六(安全防护) 95附录B-7:建筑表七(安装)96附录C:上海市市政(公路)工程优质结构检查评分表97附录C-1:市政表一(现场质保条件)97附录C-2:市政表二(实测)98附录C-3:市政表三(检测)102附录C-4:市政表四(目测观感) 103附录C-5:市政表五(质控资料) 106附录C-6:市政表六(安全防护) 109附录D:上海市水务工程优质结构检查评分表 110附录D-1:水务表一(现场质保条件) 110附录D-2:水务表二(实测) 111附录D-3:水务表三(检测) 113附录D-4:水务表四(目测观感)114附录D-5:水务表五(质控资料)115附录D-6:水务表六(安全防护)116附录E:上海市水运工程优质结构检查评分表117附录E-1:水运表一(现场质保条件) 117附录E-2:水运表二(实测)118附录E-3:水运表三(检测)120附录E-4:水运表四(目测观感) 121附录E-5:水运表五(质控资料) 122附录E-6:水运表六(安全防护) 123修订说明2003年12月,上海市建设工程优质结构审定工作组牵头出版了《上海市建设工程结构创优手册》,收录了上海市优质结构评选的相关文件、管理办法和标准表式,为推进本市工程质量提升,促进企业质量创优,起到了重要作用。
上海市建设工程优质结构安装工程评选办法上海市建设工程优质结构安装工程评选办法第一章总则程质量管理条例》,促进建筑安装施工企业加强质量管理,推动结构施工过程中安装质量的提高,决定在本市建设工程范围内开展上海市建设工程优质结构安装工程的评选活动。
第二条上海市建设工程优质结构安装工程每年评选二次,上、下半年度各一次。
第三条上海市建设工程优质结构安装工程评审机构由上海市建设工程安全质量监督总站和上海市安装行业协会牵头成立《上海市建设工程优质结构安装工程评审委员会》负责评审工作;评审委员会下设《上海市建设工程优质结构安装工程评选工作小组》负责评选工作的具体实施。
第四条上海市建设工程优质结构安装工程的评审以现行国家、第二章评选范围和申报条件第五条参加评选的工程必须是符合基本建设程序,并且已结构封顶的本市民用建筑安装工程和工业安装工程。
第六条上海市建设工程优质结构安装工程评选范围:安装工程;(二)建筑面积10000平方米以上或安装工作量在600万元以上的民用公共建筑安装工程:(三)建筑面积8000平方米以上的高层住宅安装工程;(四)建筑面积20000平方米以上的住宅小区安装工程;第七条上海市建设工程优质结构安装工程申报条件:(一)民用建筑安装工程的实物工作量应达到75%以上,电气、管道、通风与空调工程、设备安装等毛胚工作量基本完成;(二)工业安装工程的实物工作量应达到80%以上,工业主装置设备、管道、电气、仪表等基本安装完成;第八条下列工程不列入评选范围:’(一)吊平顶已隐蔽的工程;(二)结构阶段及其安装施工中发生重大质量事故和因公死亡事故的工程;第三章申报程序第九条符合条件的工程,可以由总承包单位单独申报或由总承包单位、安装施工企业共同申报;申报单位向上海市建设工程优质结构安装工程评选工作小组领取《上海市建设工程优质结构安装工程申报表》,并认真填写加盖公章后交至受监质监站。
第十条受监质监站依据本办法对申报的工程进行初审并在《上海市建设工程优质结构安装工程申报表》中填写推荐意见,加盖公章后由申报单位向上海市建设工程优质结构安装工程评选工作小组进行申报。
上海市浦东新区建设工程优质结构评选办法第一章总则第一条:为贯彻执行国务院《建设工程质量管理条例》,进一步加强浦东新区建设工程质量的管理,深入开展工程结构创优活动,落实工程质量责任主体的质量责任制,推进新区建设工程结构质量的提高,特修订本办法。
第二条:参评工程必须符合国家及上海市现行的法律、法规、强制性标准和规范。
第三条:浦东新区建设工程优质结构评选工作由浦东新区建交委负责,浦东新区建设工程安全质量监督站具体实施。
第二章评选范围第四条:浦东新区建设工程优质结构工程评选范围:浦东新区监管范围内的工业、民用和公共建筑以及其他专业类结构工程或构筑物,其评选规模要求:1、单位工程建筑面积在4000平方米及其以上的建筑。
2、工程量在1000万元及其以上的其他专业类工程。
3、个别有突出影响、有纪念意义,建筑风格独特,设计新颖、技术先进的工程。
第三章申报条件第五条:申报工程应严格按照基本建设程序,在工程开工前必须办妥各项手续,且实行创优目标管理,在工程开工前,施工单位将制定的创优计划与创优措施,一并报受监监督分站。
第六条:申报工程实施见证取样检测,对涉及结构安全的重要部位的实体质量检测必须按《建筑工程施工质量验收统一标准》的有关规定执行,并提供有资质检测单位出具的检测资料。
第七条:从开工到主体结构完成,申报工程未发生重大质量事故和生产安全死亡事故。
第八条:申报工程的主体结构工程必须全部完成,在浦东新区建设工程优质结构初评工作小组检查前,不得进行任何装饰;钢结构在工程初评前不得进行喷涂。
第九条:申报工程的地基基础、主体结构已取得分部(子分部)工程质量验收合格证明书。
第十条:申报的工程必须为实行质量监理的工程,并必须经项目总监理工程师检查通过。
第四章评选标准第十一条:国家及上海市现行的法律、法规和技术标准、强制性标准和规范。
第十二条:上海市建设工程优质结构评审系列标准。
第五章评选机构第十三条:为方便开展优质结构评选工作,新区建交委牵头成立由有关部门领导和专家组成的浦东新区建设工程优质结构评审小组(人员构成另行确定),其职责是负责审查和认定浦东新区优质结构工程。
上海市“金钢奖”(市优质工程)申报流程金钢奖介绍上海市建设工程金属结构“金钢奖”(市优质工程)是1996年经上海市建筑业管理办公室批准设立,由上海市金属结构行业协会主办的奖项。
评选活动开展至今已有10多年,先后评出了661多个获奖工程。
其中著名的有金茂大厦、环球金融中心、卢浦大桥、上海浦东国际机场航站楼一期二期、国家大剧院等。
“金钢奖”评选是协会创建行业品牌,扩大企业知名度,提升企业形象的一大举措。
该奖项已列入上海市优质工程系列,享受市优质工程荣誉。
1998年开始,“金钢奖”又列入上海市建筑施工企业和外省市进沪施工企业综合考评和综合实力排名的加分项目。
经过多年的评选活动,“金钢奖”已为市场广泛接受,不仅钢结构制作安装企业积极申报,总承包单位和广大建设单位也要求创建“金钢奖”,并把“金钢奖”列入工程合同的创优目标。
会员单位在外省市承建的钢结构工程,也把“金钢奖”列入质量创优目标。
获奖工程的地域已涉及20个省市。
“金钢奖”的评选标准有五项:即工程质量、工程规模、施工难度、技术创新、管理体系。
根据工程评分的分值高低,奖项等级分两个:“金钢奖”、“金钢奖”特等奖。
特等奖一般占获奖工程总数的5%左右。
“金钢奖”的评选严格按公开、公平、公正的原则进行。
先由企业申报,协会组织行业内的专家现场检查实物质量、工程资料,年终由协会“金钢奖”评比办公室向评委会推荐,最后由全体评委无记名投票表决。
“金钢奖”评委会由协会领导、政府相关部门负责人和行业内的著名专家组成。
“金钢奖”评选活动在社会各界和行业人士的关心、支持和参与下,社会影响越来越大,“金钢奖”已成为上海乃至全国的知名品牌。
我们希望有更多的建设工程和建筑企业积极参与到“金钢奖”评选活动中来,创建更多的钢结构优质工程。
也希望大家对“金钢奖”评选的改进和完善提出宝贵意见。
申报“金钢奖”工程须知1申报“金钢奖”工程必须提供的资料。
1.1 资格预审需提供的资料:1.1.1 建设工程“金钢奖”申请表。
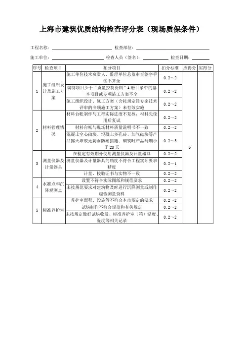
上海市建筑优质结构检查评分表(现场质保条件)工程名称:检查部位:施工单位:检查人员(签名):检查日期:上海市建筑优质结构检查评分表(砌体灰缝砂浆饱满度)工程名称:检查部位:施工单位:检查人员(签名):检查日期:砌体灰缝砂浆饱满度工程名称:检查部位:施工单位:检查人员(签名):检查日期:砌体灰缝砂浆饱满度工程名称:检查部位:施工单位:检查人员(签名):检查日期:砌体灰缝砂浆饱满度工程名称:检查部位:施工单位:检查人员(签名):检查日期:混凝土工程实测检查表 (优质结构)工程名称: 施工单位:检查日期: 检查人员; 检查部位:砌体工程实测检查表 (优质结构)检查日期: 检查人员; 检查部位:混凝土工程实测检查表 (优质结构)工程名称: 施工单位:检查日期: 检查人员; 检查部位:砌体工程实测检查表 (优质结构)检查日期: 检查人员; 检查部位:上海市优质结构楼板厚度检测记录检查人:检查日期:合格率:得分:陪同人:合格率:得分:陪同人:合格率:得分:陪同人:合格率:得分:陪同人:上海市建筑工程优质结构检查评分表(目测观感)建筑表四工程名称:检查部位:施工单位:检查人员(签名):检查日期:上海市建筑优质结构检查评分表(安装预埋)工程名称:检查部位:施工单位:检查人员(签名):检查日期:上海市建筑优质结构检查评分表(安全防护)工程名称:检查部位:施工单位:检查人员(签名):检查日期:上海市建筑优质结构检查评分表(质控资料一)工程名称:检查部位:施工单位:检查人员(签名):检查日期:上海市建筑优质结构检查评分表(质控资料一)工程名称:检查部位:施工单位:检查人员(签名):检查日期:上海市建筑优质结构检查评分表(质控资料二)工程名称:检查部位:施工单位:检查人员(签名):检查日期:上海市建筑优质结构检查评分表(质控资料二)工程名称:检查部位:施工单位:检查人员(签名):检查日期:。
第一部分——现场质量保证条件一.检查标准(一)施工现场质量管理检查记录1.现场质量管理制度;2.主要操作专业工种上岗证书;3.施工图审查通过证书;4.施工组织设计、施工方案的审批。
(1)审批表签字齐全;(2)按验收、标准划分验收批,并制定砼实体、钢筋保护层检测计划。
5.现场材料、设备存放与管理(1)工地的材料进场及验收台帐;(2)砼小型空心砌块、加气砌块等蒸养制品堆放采取有效的防止雨水淋浸措施。
6.计量器具设置(水准仪、经纬仪、磅秤、30M和50M卷尺等)(1)校验周期准时;(2)证书齐全;(3)实物与证书相符;(4)满足使用功能和精度要求;(5)专人使用,专人保管。
(二)施工现场标准养护室设置和管理1.养护室面积不宜小于5M2,且有保温隔热及恒温装置;2.室内养护:室内温度为20±2℃,相对湿度为95%以上水中养护:采用温度为20±2℃,不流动的Ca(OH)2饱和溶液;3.标准养护室应设立水泥混合砂浆试块立柜,立柜内宜衬海绵等保湿材料,控制湿度为60-80%;4.标准养护室配置温度计、湿度计,温、湿度由专人每天记录二次(上、下午各一次),有标准养护室的管理制度并严格执行;5.砂浆、砼试块按规范标准制作,试块制作后在终凝前用铁钉刻上制作日期、工程部位、设计强度等,不得在试块终凝后书写。
(三)永久水准点和沉降观测点的设置符合设计或规范要求。
二.得分计算1、应得分满分为5分;2、施工现场质量管理检查记录符合要求得3.5分;3、施工现场标准养护室设置和管理符合规定得1分;4、永久水准点和沉降观测点的设置符合规范及设计要求得0.5分。
第二部分——质量控制资料一.检查标准第一部分:地基与基础(一)原材料出厂合格证书及进场检(试)验报告现场所用主要原材料,如钢材、水泥、砂、石子、商品砼、成品桩等,有出厂质量合格证书及按要求提供的进场检验报告。
检验不合格的材料注明去向。
需降级使用的材料,满足设计要求,并有审批手续。
上海市优质工程(结构工程)申报操作流程
一、申报资料的下载
上海市工程建设质量管理协会网站
地址:
1.进入上海市工程建设质量管理协会网站;
2.进入光荣榜工程类页面(图1-1);
3.进入上海市优质工程(结构工程)页面(图1-2);
4.根据提示下载告知承诺书(2018版)及各类表格。
图1-1
图1-2
二、申报资料的提交(书面资料及电子版资料的提交)
书面资料的提交:
申报单位将以下申报资料打印后,签字并加盖公章。
经受监质监站书面同意推荐后,在现场检查前将申报资料提交协会推荐检查工作组。
1.上海市优质结构申报表
2.上海市优质结构推荐表
3.上海市优质结构创优简介
4.上海市优质结构推荐检查告知承诺书(2018版)
注:告知承诺书(2018版)含工地路线图、中标通知书复印件、单位工程划分资料等。
电子版资料的提交:
申报单位将书面申报资料扫描合并成一个PDF格式文件(含告知承诺书(2018版)要求的路线图、中标通知书及单位工程划分资料),发送至协会专用邮箱:
邮件标题:“区域+日期+公司简称+标段简称+申报工程”
例如:“杨浦建工X建XX标段X号楼”
三、申报流程。
上海市建设工程优质结构评选办法沪建建(97)第0050号为贯彻落实本市建设工程质量工作会议精神,进一步加大对本市建设工程结构质量的控制力度,提高主体结构工程质量,确保建设工程整体水平上台阶,经研究,决定在本市范围内继续开展建设工程优质结构评选活动。
具体评选办法如下:一、项目规模及基本条件1 .凡建筑面积在5000 平方米以上的工业与民用建筑工程的结构工程以及建安工作量在500 万元以上的各类专业结构工程或构筑物。
2 .从开工到主体结构完,工程建设未发生重大质量事故和因工死亡事故。
3 .基础工程质量经受监质监站评定达到优良等级标准。
二、评审标准1 .优质结构工程必须在六个方面领先于其他工程:( 1 )实测数据;( 2 )目测观感;( 3 )水电预埋配管;( 4 )质量保证资料;( 5 )文明施工;( 6 )质量特色。
2、工程质量符合建设部无质量通病住宅活动的基本要求。
三、评审机构1、本市建设工程优质结构评选活动的主管部门是上海市建设委员会。
2 .市建设委员会牵头成立由有关部门方面领导和专家组成的“上海市建设工程优质结构评审委员会”,委员会人员18 人。
(名单见附件一)3、市建设工程优质结构评审委员会下设“优质结构审定工作小组”,工作小组设在市建设工程质量监督总站,负责工程优质结构审定的具体工作。
四、申报手续凡工程结构施工结束,施工单位会同建设单位(监理单位)自评质量等级优良,经受监的质监站核验为优良等级,并具有较高水平及特点的工程,可由企业填写申报表,经受监的质监站初审推荐盖章后,向市建设工程质量监督总站申报参与优质结构工程评选。
五、评审程序:1 .市质监总站接到企业申报后及时组织优质结构评审委员会和审定工作小组成员对申报工作进行现场复验,并以文字和声像形式将部门资料记录在案。
工程在现场复验之前不得进行任何装修。
2 .每年七月上旬和第二年一月上旬,由审定工作小组对上、下半年复验的申报工程进行筛选,就其最佳水平者评出若干项,作为上、下半年市建设工程优质结构工程候选项目,连同文字和声像资料,一并保送市优质结构评审委员会。
附件上海市优质工程(结构工程)推荐检查要求调整事项一、管理程序1。
增设预申报环节年度预审报工作分两次进行.工程施工总承包单位作为上海市优质工程(结构工程)(以下简称市优质结构)申报主体,须于每年1月10日前填妥《上海市优质工程(结构工程)创优预申报表》(以下简称预申报表,详见附表),将本企业全年创优目标工程向上海市建设工程安全质量监督总站(以下简称市安质监总站)提出预申报,同年6月20~30日期间将下半年度需增加申报的工程再次提出书面预申报。
《预申报表》在报送市安质监总站的同时,须抄送工程相关受监监督机构。
预申报办法从2016年6月起执行。
2。
检查申报截止时间申报截止时间为每周五下午3时前,检查时间为每周三或周四。
(特殊情况除外)二、管理要求1.申报单位应严肃认真做好预申报工作,做好预申报项目的创优目标控制和过程控制,对预申报项目的创优质量负责。
未经预申报的项目原则上不受理推荐检查。
凡预申报项数与参评项目数之差大于10%以上的(即相符率低于90%的),将对该施工企业下一年度的创优申报参评项目数量予以相应比例限制。
2.工程受监监督机构对上报的参评工程应认真做好推荐工作,严格把关。
推荐相符情况将纳入区县监督机构年度业绩评价内容。
3。
工程在申报市优质结构推荐检查前,须经参建方对主要的分部分项(桩基、基础、主体结构)进行验收并达到合格标准。
《分项、分部工程质量验收证明》作为现场质保条件的检查内容。
按规定分阶段申报的项目,须提供分阶段验收证明文件.4。
申报工程中含有民防工程的,应经上海市民防建设工程安全质监站检查符合要求.三、评分标准的要求(一)调整特色分中的得分内容注:1)复杂区域是指:在易产生涌水、涌砂承压水层内盾构推进施工;浅覆土盾构进出洞、推进、穿越湖泊、河流桥涵等建构筑物;市政基础设施保护区范围内,近距离推进、穿越,对保护对象可能会产生重大影响的.2)符合表中内容每项得0。
5分,每个工程最高得2分3)穿越黄浦江的工程,可得1分(二)各类检查评分要求调整除安全防护类检查要求无变动外,其他各类检查(包括现场质保条件、实测、检测、目测观感、质控资料及安装)要求均有调整。
上海市优质结构评审标准上海市作为中国经济发展的重要引擎和国际化大都市,其建筑结构的质量和安全性备受关注。
为了确保上海市建筑结构的优质和安全,制定了一系列严格的评审标准。
本文将对上海市优质结构评审标准进行详细介绍,以便相关建筑行业人士和社会公众了解并遵守这些标准。
首先,上海市优质结构评审标准对建筑结构的材料要求非常严格。
建筑结构所使用的钢材、混凝土、砖石等材料必须符合国家标准,并经过严格的质量检测。
同时,建筑结构的设计和施工必须由具备相应资质和经验的专业团队负责,确保结构的稳固和安全。
其次,上海市优质结构评审标准对建筑结构的设计和施工过程提出了严格的要求。
在设计阶段,必须充分考虑到建筑物的承载能力、抗震性能、防火安全等因素,确保结构在各种自然和人为灾害面前能够保持稳定和安全。
在施工过程中,必须严格按照设计图纸和相关规范进行操作,确保施工质量和工艺符合标准要求。
另外,上海市优质结构评审标准还对建筑结构的使用和维护提出了一系列要求。
建筑物的使用单位必须严格按照设计用途和载荷范围使用建筑结构,不得擅自改变结构的用途或增加超出设计载荷的荷载。
同时,建筑物的维护和保养必须定期进行,确保结构的稳定性和安全性。
总的来说,上海市优质结构评审标准对建筑结构的质量和安全性提出了严格要求,这对于保障市民的生命财产安全和推动上海市建筑行业的健康发展具有重要意义。
建筑行业的相关从业人员和社会公众都应该充分了解和遵守这些标准,共同努力,为上海市建设更加安全、美观、宜居的城市环境做出贡献。
在实际的建筑工程中,我们必须严格按照上海市优质结构评审标准进行设计、施工和维护,确保建筑结构的质量和安全。
只有这样,我们才能建设出更多优质的建筑,为上海市的发展和繁荣做出更大的贡献。
希望全社会都能重视建筑结构的质量和安全,共同营造一个安全、稳定的城市环境。
上海市建筑工程优质结构评审标准第一部分现场质量保证条件一、检查标准( 一) 施工现场质量管理检查记录1.现场质量管理制度;2.主要专业工种上岗证书;3.施工组织设计、施工方案及审批手续( 1) 审批手续完备;( 2) 质量验收按统一标准进行划分, 并制订混凝土强度、钢筋保护层厚度等。
结构实体检验计划。
4.现场材料、设备存放与管理( 1) 工地的材料进场及验收台帐;( 2) 混凝土小型空心砖块、加气砌块等块材堆放采取有效的防止雨水淋浸措施。
5.测量仪器、计量器具设置( 水准仪、经纬仪、磅秤、30m和50m卷尺等)( 1) 校验周期准时;( 2) 检验证书齐全;( 3) 实物与证书相符;( 4) 满足使用功能和精度要求;( 5) 专人使用, 专人保管。
( 二) 施工现场标准养护室设置和管理1.养护室面积不宜小于5㎡, 且有保温隔热及恒温装置;2.室内养护: 室内温度为20ºC±2ºC, 相对湿度为95%以上水中养护: 采用温度为20ºC±2ºC不流动的Ca( OH) 2饱和溶液;3.标准养护室应设立水泥混合砂浆试块立柜, 立柜内宜衬海绵等保温材料, 控制温度为60%~80%;4.标准养护室配置温度计.湿度计,温度、湿度由专人每天记录两次( 上、下午个一次) ,有标准养护室的管理制度并严格执行;5.砂浆、混凝土试块按规范标准制作, 试块制作后在终凝前用铁钉刻上制作日期、工程部位、设计强度等, 不得在试块终凝后书写。
( 三) 永久水准点和沉降观测点的设置符合设计或规范要求二、得分计算1.应得分满分为5分;2.施工现场质量管理检查记录符合要求得3.5分;3.施工现场标准养护室设置和管理符合规定得1分;4.永久水准点和沉降观测点的设置符合规范及设计要求得0.5分。
三、检查评分表采用附录B: 建筑表一第二部分实测一、检查标准( 一) 砌体1.每层垂直度: 允许偏差5mm( 2m托线板) ;2. 混水墙表面平整度: 允许偏差8 mm;砂加气砌块允许偏差为6 mm( 2 m靠尺) ;3.10皮砖砌体水平灰缝厚度: 允许偏差±8 mm( 加气混凝土砌块混凝土小砌块: 3~5皮) ;4. 门窗洞口宽度( 后塞口) :允许误差±5 mm。
上海市建筑工程优质结构评审标准(三)永久水准点和沉降观测点的设置设计或规符合第一部分范要求现场质量保证条件二、得分计算一、检查标准(一)施工现场质量管理检查记录1.应得分满分为5分;1.现场质量管理制度;2.施工现场质量管理检查记录符合要求得 3.5分; 2.主要专业工种上岗证书;3.3.施工组织设计、施工方案及审批手续施工现场标准养护室设置和管理符合规定得)审批手续完备;1分;(14.(2)质量验收按统一标准进行划分,永久水准点和沉降观测点的设置符合并制订混凝土强度、钢筋保护层厚度等。
规范及设计要求得0.5分。
结构实体检验计划。
三、检查评分表采用附录B:建筑表 4.现场材料、设备存放与管理一1)工地的材料进场及验收台帐;()混凝土小型空心砖块、加气砌块(2测实第二部分等块材堆放采取有效的防止雨水淋浸措施。
一、检查标准5.测量仪器、计量器具设置(水准仪、砌体(一)和50m卷尺等)经纬仪、磅秤、30m(2m1.每层垂直度:允许偏差5mm(1)校验周期准时;);托线板2)检验证书齐全;( 2.8混水墙表面平整度:允许偏差(3)实物与证书相符;mm;)满足使用功能和精度要求;(4;靠尺)m砂加气砌块允许偏差为6mm(2)专人使用,专人保管。
(5准养护室置和管理设现场标(二)施工皮砖砌体水平灰缝厚度:允许103.1.㎡,且有保温养护室面积不宜小于5隔热及恒温装置;偏oo(加气混凝土砌块混凝土小砌块:8220室内养护:室内温度为2.C±C,mm差±皮);3~5以上相对湿度为95%oo C门窗洞口宽度(后塞口):允许误4.不220水中养护:采用温度为C±饱和溶液;(流动的)差Ca OH23.标准养护室应设立水泥混合砂浆试块mm。
±5立柜,立柜内宜衬海绵等保温材料,控制混凝土(二)5;60%~80%温度为1.柱、墙每层垂直度:允许误差标准养护室配置温度计4.温度、,.湿度计mm湿度由专人每天记录两次(上、下午个一);m2托线板(次),有标准养护室的管理制度并严格执行;mm(282.表面平整度:允许偏差m砂浆、混凝土试块按规范标准制作,5.靠尺);试块制作后在终凝前用铁钉刻上制作日期、3.截面尺寸(柱、梁、墙):允许误工程部位、设计强度等,不得在试块终凝差后书写。
附件:上海市建设工程优质结构评选办法的实施细则补充轨道交通工程优质结构评审范围及条件依据《上海市建设工程优质结构评选办法》沪建建(1997)第0050号文件及实施细则,结合本市轨道交通工程建设特点,制定本实施细则补充文件。
一、适用范围本实施细则补充文件仅适用于上海轨道交通工程优质结构申报及评审工作。
二、关于申报单元:1、轨道高架桥按每区间为一个申报单元。
2、地铁车站一座车站本体(或含出入口)为一个申报单元;3、盾构法隧道每区间(含上、下行线)为一个申报单元。
三、关于申报条件1.申报工程报监和施工许可手续应齐全。
2、申报单元施工期间未发现有违反工程建设强制性标准行为,未发生重大质量事故或因工死亡事故。
3、工程施工时,造成周边公用管线破坏、邻近建筑物内人员疏散撤离、道路交通全部或局部中断等重大影响的,不得申报。
14、区间高架或隧道工程应在轨道铺设前申报,并在铺轨前由优质结构工作小组组织现场检查;因特殊原因,工程申报前若已完成部分或全部铺轨工作,可将轨道基础混凝土工作量纳入优质结构申报范围一并申报。
5、地铁车站应在装饰前申报,并在装饰前由优质结构工作小组组织现场检查;因特殊原因,已经完成部分或全部装饰工程的车站,申报前应经未经优质结构工作小组组织现场预检。
6、地铁车站因拆迁、规划等原因,个别出入口在通车前不能完工,需甩项的,申报单元(经设计认可,车站具备通车使用功能和使用安全的)需具备通车使用条件,可将车站本体或车站本体(含已完成的出入口)作为一个申报单元进行申报。
7、轨道高架桥一个区间,若预制梁建安工作量大于等于总建安工作量的50%时,预制梁生产单位可以作为申报单位之一。
8、申报项目若出现混凝土强度试块数理统计不合格或单组试块强度小于设计强度的85%时,需要经受监监督机构委托第三方取芯抽检,经抽检合格后可以申报。
2。
上海市优质结构(安装优质结构)评审1上海市建设工程优质结构网上申报流程及使用说明2上海市建设工程优质结构申报表(附安装工程申报表)3上海市建设工程优质结构创优简介4上海市建设工程优质结构检查标准5上海市建设工程优质结构评分表6上海市建设工程优质结构安装工程评审、申报、简介7补充修改文件①上海市建筑工程优质结构评审办法的若干补充规定沪建安质监(2005)第054号②上海市建筑工程优质结构评审标准局部修改规定沪建安质监(2005)第104号③上海市建筑工程优质结构评选办法的实施细则沪建安质监(2006)第100号④上海市建筑工程优质结构评审标准补充及修改沪建安质监(2006)第113号1 上海市优质结构工程网上申报流程及使用说明企业登录上海市建筑建材业网(),在网上办事栏目中选择优质结构申报,进入用户手机登录页面。
申报人通过中国移动手机注册,用户名为手机号码,密码由注册平台发送到申报人的手机上,长度为6位。
申报人使用用户名和密码进入申报窗口。
—2107)。
填写《上海市优质结构工程申报表(网上)》。
分阶段申报时,企业按原手机号和密码登录,进入优质结构申报窗口,填入原单位工程编号,系统会自动区分。
各区县站登录管理系统,对企业的申报记录进行审核,决定是否推荐(分阶段申报的工程,应分阶段推荐。
)。
申报企业再次登录时可看见区县站对该次申报的处理意见,或需要补充上报的资料。
总站人员登录管理系统后,可以看到区县站推荐的工程,并决定是否受理此工程。
同样,企业也在网上能看到总站的受理意见及需要上报的资料。
总站决定受理后,会发出关于优质结构检查时间安排的通知,通知会在网站的专区中显示,以供申报企业、受监质监站、评委及工作人员查看。
被总站受理的申报工程企业需要上传一张工地的地图,信箱,图片格式为jpg,大小不能超过100K。
注:“自查情况(复核意见)及结论”栏须注明检查部位(层数、轴线位置等)、检查数量、检查结果(强度或承载力是否符合设计及规范要求、试验中不合格情况及处置、安装到位、安全状况等),不足部分可另附页上海市建设工程优质结构推荐表(2011版)注:“抽查内容及情况”栏须注明抽查部位(层数、轴线位置等)、抽查数量、抽查结果(强度或承载力是否符合设计及规范要求、试验中不合格情况及处置等),不足部分可另附页3 上海市建设工程优质结构创优简介一、工程概况工程名称。
上海市建设工程优质结构评审标准(建筑类工程)第一部分现场质保条件一.检查标准(一)设备、测量仪器、计量器具管理1.检定周期准时。
(0.2分)2.检定证书齐全。
(0.2分)3.实物与证书相符。
(0.2分)4.满足使用功能和精度要求。
(0.2分)5.专人使用,专人保管。
(0.2分)(二)施工现场标准养护室设置和管理1.养护室最小面积不得小于5平方米,有保温隔热措施。
(0.1 分)2.室内配置恒温装置,室内温度控制在20±3℃范围(0.1分)3.有条件的大型工程配置喷淋装置,室内湿度大于90%,一般中小型工程有砌水池养护,但还须设体积相仿的另一预养水池(或水桶)作为置换水用(0.2分)4.标准养护室室内应设立水泥混合砂浆试块立柜,立柜内宜衬海绵等保湿材料,控制湿度为60—8-0%(0.2分)5.标准养护室配置温度计、湿度计,温、湿度由专人每天记录二次(上、下午各一次),有标准养护室的管理制度并严格执行(0.2分)6.砂浆、砼试块按规范标准制作,试块制作后在终凝前用铁钉刻上制作日期、工程部位、设计强度等。
不允许试块在终凝后用毛笔等书写(0.2分)(见图一)(三)建材进场验收情况1.工地应建立材料进场及复试台帐(0.25分)2.材料进场必须有质量证明材料并按批登记(0.25分)3.材料使用前必须按规范规定抽样复试合格,并有验收记录(0.25分)4.抽样复试不合格必须有书面处理记录(0.25分)二.得分计算1.应得分满分为3分2.其中,设备、测量仪器、计量器具管理满分为1分。
3.其中,施工现场标准养护室设置和管理情况符合规定得分为1分。
4.其中,材料进场验收情况符合要求得分为1分。
第二部分实测一.检查标准(一)砼1.砼柱墙每层垂直度:允许偏差为5毫米2.砼表面平整度:允许偏差为8毫米3.砼截面尺寸(柱、梁、墙):允许偏差为+8,—5毫米4.砼现浇板厚度:允许偏差为+8,—5毫米(见图二、图三)(二)砌体1、砖砌体工程(指烧结多孔砖、蒸压灰砂砖、粉煤灰砖等)(1)每层垂直度:允许偏差5毫米(2)混水墙表面平整度:允许偏差8毫米(3)门窗洞口高、宽(后塞口):允许偏差±5毫米(4)10皮砖砌体水平灰缝平均厚度:8—12毫米2.砼小型空心砌块和轻骨料砼小型空心砌块砌体工程(1)每层垂直度:允许偏差5毫米(2)混水墙表面平整度:允许偏差8毫米(3)门窗洞口高、宽(后塞口):允许偏差±5毫米(4)5皮小砌块水平灰缝平均厚度:8—12毫米(5)2米砌体长度竖向灰缝平均宽度:8—12毫米3.填充墙砌体工程(指空心砖、蒸压加气砼砌块、轻骨料砼小型空心砌块、轻质砂加气砼砌块等)(见图四)(1)垂直度(层高≤3米):允许偏差5毫米(层高>3米):允许偏差10毫米(2)表面平整度:允许偏差8毫米轻质砂加气砼砌块允许偏差6毫米(3)门窗洞口高、宽、(后塞口):±5毫米(4)水平灰缝厚度A空心砖、轻骨料砼小型小空心砌块的5皮砌体水平灰缝平均厚度为8—12mm;B蒸压加气砼砌块的5皮砌体水平灰缝平均厚度宜为15毫米。