浅谈反应堆保护系统设计
- 格式:doc
- 大小:25.50 KB
- 文档页数:3
反应堆控制系统的构建与实现随着人类科技的飞速发展,核能作为一种高效、清洁、可持续的能源形式在全球范围内得到了广泛应用。
同时,高效的核反应堆控制系统也成为了核电站的核心设备之一,而反应堆控制系统的构建与实现也成为了一个千锤百炼的过程。
一、反应堆控制系统的基本原理反应堆控制系统是用于实现核反应堆的控制与保护的一种计算机控制系统。
在核反应堆内部,可以通过控制反应堆的燃料组成和摆设等因素来协调反应堆的功率输出和放射性的释放,从而保障核反应堆的正常运转。
控制系统主要由输入和输出两个部分组成,输入主要接受来自传感器的实时监测数据,输出则通过控制执行机构来实现反应堆的动态控制。
二、反应堆控制系统的组成部分1、数据采集和处理系统反应堆控制系统的数据采集和处理系统,主要用于收集、处理和传输反应堆内部各个参数的数据。
通过将各项反应堆参数数据经过数字信号转换器进行转换,然后传输至主控计算机上,实现对反应堆运行的实时监测。
2、主控计算机系统反应堆控制系统的主控计算机系统,是整个控制系统的核心部分。
主控计算机包括硬件系统和软件系统两个方面。
对于硬件方面,主要是通过计算机的处理器、存储器、I/O接口等开展反应堆控制工作;对于软件方面,主要是使用反应堆控制系统专用的控制指令、执行程序以实现反应堆运行的控制和安全保护。
3、执行机构执行机构主要用于对反应堆参数进行调整,以实现对反应堆功率输出的控制和调整。
执行机构包括各种执行阀、变压器等设备,可以通过计算机根据反应堆内部参数进行实时控制和调整。
三、反应堆控制系统的实现方法1、硬件实现反应堆控制系统的硬件实现包括控制计算机、传感器和执行机构等硬件设备。
其中,控制计算机主要用于对反应堆各项数据进行处理和控制,传感器用于对反应堆各项参数进行实时监测,执行机构则用于对反应堆参数进行调整和控制。
2、软件实现反应堆控制系统的软件实现包括各种控制指令和程序的编写。
在编写控制指令和执行程序时,需要考虑反应堆内部各项参数的变化和变化范围,从而对反应堆进行人工控制。
核电厂反应堆保护系统设计准则反应堆保护系统是核电厂重要的安全系统。
它对于限制核电厂事故的发展、减轻事故后果,保证反应堆及核电厂设备和人员的安全、防止放射性物质向周围环境的释放具有十分重要的作用。
它监测电厂重要的参数,对安全信号进行必要的采集、计算、定值比较、符合逻辑处理,当选定的电厂参数达到安全系统整定值时,自动地触发反应堆紧急停堆和/或驱动专设安全设施动作,以实现并维持电厂的安全停堆工况。
1 设计准则反应堆保护系统的设计须满足以下设计准则:1.1 自动保护除非出现危险工况到要求保护动作之间有足够长的时间允许操纵员手动操作,否则所有保护动作都应是自动的。
保护动作一旦触发就应进行到底。
除非操纵员有意识地操作逐个部件来终止专设安全设施动作。
只有系统级驱动信号被复位后,才允许操纵员进行部件级手动复位。
部件复位的一个原因是如果发生安全功能的误驱动,可通过部件复位来终止安全功能。
1.2 单一故障准则反应堆保护系统具有足够的冗余度,保证不会因为单一故障而丧失保护功能。
应考虑发生在系统内部的、发生在辅助系统中的以及由外部原因引起的故障。
即使在一个通道旁通用于试验或维护的情况下,安全系统内一个可信的单一故障不会阻止系统级保护功能的触发或完成。
即使在安全系统因单一故障退化的情况下,系统也包含足够的冗余以满足性能要求。
安全系统内的单一故障不会导致II类工况事件发展成为III类工况事件或III类工况事件发展成为IV类工况事件。
冗余序列间的连接或与非安全系统间的信号连接包含隔离装置。
隔离装置是经过测试的,以确保如物理损坏、短路、开路、输出终端电压故障等可信的故障不会反向传播到隔离装置的输入端。
隔离装置确保非安全系统内的可信单一故障不会降低安全系统的性能。
为防止共模故障,采用了诸如功能多样性、物理隔离、试验以及在设计、生产、安装和运行过程中采取行政控制等附加方法。
保护系统的另一个设计目标是将误停堆和专设安全设施误驱动的概率降至最低。
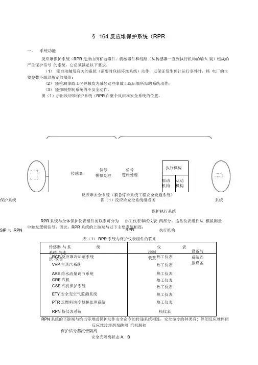
186§1.6.4 反应堆保护系统(RPR )一、 系统功能反应堆保护系统(RPR )是指由所有电器件、机械器件和线路(从传感器一直到执行机构的输入端)组成的产生保护信号的系统,它必须满足以下要求:(1) 能自动触发有关的系统(需要时包括停堆系统)动作,以保证发生预计运行事件时,核电厂的主要参数不超过规定的限值;(2) 能检测事故工况并触发为减轻这些事故工况后果所需的系统动作; (3) 能抑制控制系统的不安全动作。
图(1)示出反应堆保护系统(RPR )在整个反应堆安全系统的位置。
图(1)反应堆安全系统组成图RPR 系统与全体保护仪表组件的联系可分为热工仪表和核仪表两部分,这些仪表组件从模拟测量中触发逻辑信号,因此,RPR 系统的上游端与以下主要系统相连:保护系统 保护执行系统反应堆安全系统(紧急停堆系统工程安全设施系统)RPN系统的下游端与给出停堆或保护动作安全命令的传递系统相连,安全命令的种类有:停闭反应堆停闭反应堆冷却剂泵跳闸汽机脱扣保护信号蒸汽管隔离安全壳隔离状态A,B安全注射安全壳喷淋给水隔离辅助给水启动柴油发电机组启动保护系统的安全作用是:在下面两种情况下:1、当控制系统失效而导致产生错误指令时1872、在异常的事件情况下,包括故障(incidents)和事故(accidents)状态保护三大核安全屏障(即燃料包壳、一回路压力边界和安全壳)的完整性,当运行参数达到危及三大屏障完整性的阈值时,紧急停闭反应堆和启动专设安全设施。
二、系统描述1、系统设计准则双重二取一 M=A(A+B)(C+D)三取二 M=A C+AB+BC四取二 M=AB+AC+AD+BC+BD+CD图(2) 逻辑符合电路例(断电方式)188(1)冗余度(Recundancy)原则。
每个保护参数按其功能只需设置一个保护通道,但为了提高系统的可靠性,往往增设一个或几个功能完全相同、彼此独立的通道——冗余设置。
为使反应堆有高度的连续运行性能,这些多重通道一般又按照“三取二”或“四取二”等逻辑组合(如图4-44)。
核反应堆安全控制系统可靠度综述和优化设计核反应堆作为一种重要的能源发电装置,其安全性一直备受关注。
核反应堆安全控制系统被广泛应用于核电站,用于确保核反应堆的稳定和安全运行。
本文将对核反应堆安全控制系统的可靠度进行综述,并探讨如何优化其设计。
首先,我们需要了解核反应堆安全控制系统的工作原理。
核反应堆安全控制系统的主要功能是监测核反应堆的状态并采取相应的措施来保持核反应堆在安全范围内运行。
该系统由多个子系统组成,包括反应堆控制系统、安全级保护系统、事故管理系统等。
这些子系统通过监测核反应堆的各种参数,如温度、压力、核燃料给出的中子通量等,实时监控核反应堆的运行情况,并根据需要采取行动来确保核反应堆安全。
核反应堆安全控制系统的可靠度是评估其性能和可信度的重要指标。
可靠度是指系统在给定时间内不发生故障的概率。
为了提高核反应堆安全控制系统的可靠度,有几个关键因素需要考虑。
首先,系统设计的合理性。
合理的系统设计应确保系统的健壮性和稳定性。
这包括对系统进行充分的功能分析和需求分析,明确各个子系统的功能和相互之间的关系。
同时,应采用先进的技术和设备,以提高系统的性能和可靠性。
例如,采用先进的传感器和控制器,提高数据采集和处理的精度和速度。
其次,系统的可操作性和可维护性也是提高系统可靠度的关键。
系统的操作和维护应简单易行,以减少人为错误和故障发生的可能性。
为了实现这一点,可以采用友好的用户界面和自动化的维护工具来简化用户操作和设备维护过程。
此外,定期的系统维护和检修工作也是确保系统可靠性的重要措施。
再次,故障检测和容错机制是提高核反应堆安全控制系统可靠度的重要手段。
通过在系统中引入故障检测设备和软件算法,可以及时检测并排除故障,避免其对系统正常运行产生影响。
此外,还可以采用冗余设计和多级容错措施,确保系统在一些故障情况下仍然能够维持正常运行。
最后,定期的系统测试和验证是确保系统可靠度的重要手段。
通过对核反应堆安全控制系统进行全面的功能测试和性能验证,可以发现潜在的问题和隐患,并及时进行修复和改进。
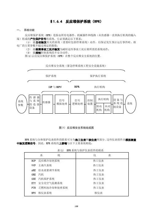
系统 参数传感器信号模拟处理 信号 逻辑处理执行机构 原动 从动 机构 机构§ 164 反应堆保护系统(RPR一、 系统功能反应堆保护系统(RPR 是指由所有电器件、机械器件和线路(从传感器一直到执行机构的输入 端)组成的产生保护信号 的系统,它必须满足以下要求:(1) 能自动触发有关的系统(需要时包括停堆系统)动作,以保证发生预计运行事件时,核 电厂的主要参数不超过规定的限值;(2) 能检测事故工况并触发为减轻这些事故工况后果所需的系统动作; (3) 能抑制控制系统的不安全动作。
图(1)示出反应堆保护系统(RPR 在整个反应堆安全系统的位置。
反应堆安全系统(紧急停堆系统工程安全设施系统)图(1)反应堆安全系统组成图RPR 系统与全体保护仪表组件的联系可分为 热工仪表和核仪表 两部分,这些仪表组件从 模拟测量中触发逻辑信号,因此,RPR 系统的上游端与以下主要系统相连:表(1) RPR 系统与保护仪表组件的联系系 统仪 表RCP 反应堆冷却剂系统 热工仪表 VVP 主蒸汽系统 热工仪表 ARE 给水流量调节系统 热工仪表 GRE 汽机热工仪表 GSE 汽机保护系统 热工仪表 ETY 安全壳空气监测系统 热工仪表 PTR 乏燃料池冷却和处理系统 热工仪表 RPN 核仪表系统核仪表RPN 系统的下游端与给出停堆或保护动作安全命令的传递系统相连,安全命令的种类有: 停闭反应堆停闭反应堆冷却剂泵跳闸 汽机脱扣保护信号蒸汽管隔离安全壳隔离状态A , B保护系统保护执行系统SIP 与 RPN 执行机构RPR 传感器 与系统 的连接 设备控制装置设备与系统连 接设备系统安全注射安全壳喷淋给水隔离辅助给水启动柴油发电机组启动表(2) RPR系统与执行系统的联系系统(执行机构)APA 电动主给水泵系统APG 蒸汽发生器排污系统ARE 给水流量控制系统ASG 辅助给水系统DEG 核岛冷冻水系统DVK 燃料厂房通风系统DVW安全壳环廊通风系统EAS 安全壳喷淋系统EPP 安全壳泄漏监测系统ETY 安全壳内大气监测系统GCT蒸汽旁路排放系统LHA B 6.0千伏应急配电系统A,BRAZ 核岛氮气分配系统RCP 反应堆冷却剂系统RCV化学和容积控制系统REA 硼和水的补给系统REN 核仪表系统RGL 控制棒系统RIC 堆内仪表系统RPE 排气和疏水系统RPN 核仪表系统RRI 设备冷却水系统SAR 仪表用压缩空气分配系统SEC 重要厂用水系统VVP 主蒸汽系统保护系统的安全作用是:在下面两种情况下:1、当控制系统失效而导致产生错误指令时2、在异常的事件情况下,包括故障(incidents) 和事故(accidents )状态保护三大核安全屏障(即燃料包壳、一回路压力边界和安全壳)的完整性,当运行参数达到危及三大屏障完整性的阈值时,紧急停闭反应堆和启动专设安全设施。
大家好!今天我给大家介绍一下反应堆保护系统的设计准则!反应堆保护系统的设计准则主要包括以下五点:一.单一故障准则单一故障准则是指某设备组合(某系统)在其任何部位发生可信的单一随机故障时仍能执行其正常功能,即系统内的单一故障不会妨碍系统完成要求的保护功能,也不会给出虚假的(误动)保护动作信号。
由单一故障引起的所有继发性故障均应视为单一故障不可分割的组成部分。
在单一故障分析中,不考虑发生一个以上的随机故障。
二.冗余性和独立性为了提高反应堆的安全性,设计中采用了冗余技术,使反应堆保护系统具有足够的冗余度,保证不会因为单一故障而失去保护功能。
它包括监测通道的冗余、安全逻辑装置的冗余和整个系统的冗余,在保护系统中广泛采用二重、三重和四重通道以及三取二(2/3)、四取二(2/4)等逻辑符合电路等。
独立性包括电气隔离和实体隔离,前者是指信号的传输需要隔离,后者是指A、B两列分装在两个彼此隔离的房间。
独立性是采用冗余技术的前提,是克服由单一故障引起的继发性故障、实现在线检修和维修的重要措施。
三.多样性多样性包括功能多样性和设备多样性。
对要测量的参数尽量采用不同的物理效应或不同的变量来监测。
在某些条件下可用不同类型的设备来测量同一物理量,以便克服共模故障。
多样性设计在保护系统中得到了充分体现。
如为了监测冷却剂流量,采用了监测主泵断路器、冷却剂流量、主泵转速等变量的手段。
四.符合逻辑在设计过程中,必须使保护系统满足可靠性和安全性这两方面的要求,增加可靠性或减少安全故障后果的一个重要方法是采用符合逻辑,在保护系统动作之前必须有两个或两个以上的冗余信号相符合,以防止误触发保护系统动作。
采用符合逻辑后也便于对保护系统进行在线测试。
在这种情况下,通道或装置可断开进行测试而不需要用跨接线进行短接。
而通道的可试验能力又增加了系统的安全性,但是,如果不进行试验,则符合逻辑降低了系统的安全性。
五.故障安全准则故障安全准则是指在某个系统中发生任何故障时仍能使该系统保持在安全状态的设计准则(此准则不适用于专设安全设施系统)。
反应堆保护系统试验装置设计反应堆保护系统是核反应堆安全运行的重要保障之一。
它能够对核反应堆发生异常情况时进行自动控制,确保核反应堆的安全运行。
而反应堆保护系统试验装置设计是验证其有效性和可靠性的重要环节。
本文将介绍反应堆保护系统试验装置设计的相关内容,包括试验装置的构成、设计原理、实验方案等。
一、试验装置的构成反应堆保护系统试验装置由以下几个部分组成:1. 反应堆模拟装置:用于模拟反应堆的运行,产生各种工况,例如正常运行、突变、故障等情况,以验证反应堆保护系统的响应时间和正确性。
2. 反应堆保护系统试验设备:包括反应堆保护系统的控制设备、数据采集设备等,用于对反应堆保护系统做出响应的时间和正确性进行记录和分析。
3. 遥控节能装置:用于保护实验人员和设备,保障试验的安全性。
二、设计原理反应堆保护系统试验装置的设计原理应遵循以下几点:1. 确保试验结果准确可靠:试验装置应设计合理,确保试验结果的准确性和可靠性。
试验装置应考虑到各种因素如反应堆的规格、运行参数、反应堆保护系统的控制逻辑等方面,以确保试验数据准确可靠。
2. 模拟真实反应堆运行情况:试验装置应基于真实反应堆运行情况,模拟反应堆的运行工况,通过模拟各种异常情况,验证反应堆保护系统响应时间和正确性。
3. 安全性考虑:在试验装置的设计过程中,应考虑到试验过程中可能出现的安全问题,例如反应堆失控等。
因此,必须在设计中就充分考虑到这一点,将安全问题解决在设计过程中,以确保试验过程的安全性。
三、实验方案在实验方案中,应考虑以下几个方面:1. 验证反应堆保护系统对正常运行的反应堆的响应时间和正确性;2. 模拟机组停堆、出现突变、失控等情况,并验证反应堆保护系统的响应时间和正确性;3. 构造针对反应堆保护系统的各种故障,例如断电、失控等情况,以验证反应堆保护系统的可靠性和鲁棒性;4. 测试反应堆保护系统在各种情况下的界限条件和反应堆安全性。
四、结论反应堆保护系统试验装置设计是验证反应堆保护系统有效性和可靠性的重要环节。
模块式小型堆反应堆保护系统设计引言小型堆反应堆是目前被广泛研究的新型核电堆型,其可实现快速启动、高效安全、灵活运输和便捷维护等诸多优势。
因此,近年来在国内外引起了广泛关注和研究。
在小型堆反应堆的设计中,保护系统无疑是其中最关键的部分。
本文将探讨模块式小型堆反应堆保护系统的设计方法和实现。
设计要求在模块式小型堆反应堆的设计中,保护系统的设计需要满足以下要求:1.快速响应:保护系统需要能够快速响应异常情况,及时保障反应堆的安全运行。
2.可靠性:保护系统需要具有高可靠性,保证反应堆在各种条件下都能安全运行。
3.灵活性:保护系统设计要具有良好的灵活性,适应不同的工作条件和环境。
4.可维护性:保护系统的设计应该便于维护和实施更新。
设计方案模块化设计为了满足反应堆保护系统的灵活性和可维护性,在模块式小型堆反应堆保护系统的设计中采用了模块化设计。
将保护系统拆分成不同的模块,每个模块都有独立的功能和接口。
这种设计方式使得保护系统的各个模块可以独立地进行开发和测试,大大提高了系统的可维护性和灵活性。
红线检测模块在小型堆反应堆中,红线检测模块是保护系统中非常重要的一个模块。
其主要功能是检测反应堆中的核素物质是否超过安全阈值。
如果超过安全阈值,红线检测模块会自动地关闭反应堆。
为了确保红线检测模块的工作正常,设计时需要考虑以下几点:•红线检测模块需要精确地测量核素物质的浓度,因此需要合适的检测技术和检测器。
•红线检测模块需要能够与反应堆实时通信,及时获取反应堆的运行数据。
•针对红线检测模块的错误处理和故障排除,需要有相关的应急计划和方法。
冷却系统模块保护系统中还有一个重要的模块就是冷却系统模块。
在反应堆运行时,空气或者冷却剂需要保证反应堆的散热。
冷却系统模块的主要功能就是管理反应堆的散热。
为了确保冷却系统模块的正常运行,设计时需要考虑以下几点:•冷却系统模块需要有分离的电源系统,避免故障影响其正常工作。
•冷却系统模块应该具有自我检测和故障诊断的功能,及时处理各种故障。
反应堆建筑设计中的安全与环保研究随着能源需求的增长和环境污染问题的日益凸显,反应堆建筑设计中的安全与环保研究变得越来越重要。
反应堆作为核能发电的关键设施,其建筑设计需要充分考虑安全性与环保性的因素,以确保核能的安全使用和对环境的最小污染。
本文将围绕反应堆建筑设计中的安全与环保研究展开论述。
首先,反应堆建筑设计中的安全研究是最为基础和重要的。
反应堆核心区是最关键的部分,因此在设计中必须严格控制安全风险,以防止核事故的发生。
设计师需要考虑材料的防护性能、结构的抗震能力以及严密的辐射防护措施。
此外,应该对反应堆的冷却系统和安全应急措施进行充分考虑,确保在出现事故情况时能够及时有效地进行处理和控制,最大限度地保障工作人员和公众的生命和财产安全。
其次,反应堆建筑设计中的环保研究也是不可忽视的一环。
核能发电虽然具备高效和大规模的优势,但其核废料对环境的污染问题也不容小觑。
在设计中,应该考虑降低核废料的产量和危害,采用高效的废弃物处理技术,以及使其长期储存的方式。
另外,设计师还要从根本上减少核能发电对自然资源和环境的影响。
例如,可以研究利用可再生能源作为核能发电的补充,减少对传统能源的依赖,从而降低环境负荷。
在反应堆建筑设计中,安全和环保研究是相辅相成的。
安全研究是为了保护环境和人类健康,而环保研究则是为了确保核能的持续利用和发展。
在设计中,应该统筹考虑这两方面的因素,追求安全性和环保性的最佳平衡点。
这需要设计师具备全面的知识和技能,以及对最新科技的了解和应用。
此外,随着技术的不断发展和创新,反应堆建筑设计中的安全与环保研究也在不断进步。
新材料、新工艺以及新理念的应用,为反应堆的建筑设计提供了更多可能性。
例如,可以利用先进的仿真和模拟技术对反应堆的运行和安全性进行预测和分析,从而提前识别潜在问题并进行优化设计。
另外,可持续建筑和智能化技术的应用也为反应堆建筑设计带来了新的思路和方法。
综上所述,反应堆建筑设计中的安全与环保研究是一项重要且复杂的任务。
核反应堆的安全系统首先是核反应堆的控制系统,它负责监控和控制核反应堆的运行。
控制系统可以实时监测核反应堆的温度、压力、流量和其他关键参数,一旦发现异常情况,就会自动采取措施来保护核反应堆的安全。
例如,当核反应堆温度升高到一定程度时,控制系统会自动停止核反应堆的运行,防止进一步的危险情况发生。
其次是核反应堆的冷却系统,它负责将核反应堆产生的热量排出,以保持核反应堆的温度在安全范围内。
冷却系统通常使用水或气体来进行冷却,一旦冷却系统出现故障,就会导致核反应堆温度升高,从而造成严重的安全风险。
此外,核反应堆还有安全壳和安全容器等被动安全系统,它们可以在核反应堆发生严重事故时承担保护核反应堆周围环境的作用。
一旦核反应堆受到外部冲击或其他严重事故,安全壳和安全容器会阻止核辐射物质的泄漏,从而保护人类和环境的安全。
总之,核反应堆的安全系统是多层次的安全防护措施,它们共同构成了核反应堆的安全防护网,保护着人类和环境的安全。
只有不断完善和提升核反应堆的安全系统,才能确保核能发电厂的安全运行,为人类社会提供清洁、可靠的能源。
核反应堆的安全系统是保障核能发电厂安全运行的重要保障。
其安全系统的设计包括了众多的被动和主动安全措施,以在任何情况下都能确保核反应堆的安全。
下面将详细介绍核反应堆的各种安全系统。
核反应堆最基本的安全系统之一是核反应堆的控制系统。
这个系统使用计算机和传感器来监测核反应堆的运行情况,确保核反应堆在安全范围内运行。
一旦发现异常情况,如核反应堆温度、压力等超过安全范围,控制系统就会自动采取措施,比如停止核反应,确保核反应堆不会出现危险。
核反应堆的冷却系统同样是至关重要的。
这个系统负责将核反应堆产生的热量排出,以保持核反应堆的温度在安全范围内。
最常见的冷却系统是使用水循环进行冷却。
如果冷却系统出现故障,核反应堆的温度会升高,这将带来严重的安全风险。
因此,核反应堆的冷却系统必须进行严格的监测和维护。
此外,核反应堆还有被动安全系统,比如安全壳和安全容器。
反应堆安全控制系统的开发研究反应堆是核能发电站的核心设备之一,是掌控核能发电的中枢。
为了保证反应堆的安全性,很多技术人员都在致力于安全控制系统的开发研究。
本文将从介绍反应堆安全控制系统的作用,研究现状和未来展望等方面进行论述。
一、反应堆安全控制系统的作用反应堆是一个复杂的系统,其运行需要完善的安全控制系统。
反应堆安全控制系统可以监测反应堆的运行情况,自动控制并适时采取措施,保证反应堆的安全性和稳定性。
这个系统应包括系统硬件、控制软件和决策系统。
其中,硬件系统应包括传感器、执行器、中央控制器等。
控制软件可实现反应堆的智能控制,包括实时监测、诊断、预测和辅助决策等。
而决策系统则依托于专业领域的知识库和智能算法,可以快速准确地响应反应堆突发事件。
二、反应堆安全控制系统研究现状目前,反应堆安全控制系统的研究已经有了一些阶段性的进展。
主要集中在以下几个方面:1.系统硬件设备方面系统硬件方面主要研究反应堆的传感器、执行器和中央控制器等的设计与研发。
主要包括控制信号处理技术、控制系统的传感器与执行器接口设计、电力电子技术等方面。
2.控制算法方面目前应用较广的控制算法有PID控制、模糊控制和神经网络控制等。
反应堆安全控制系统需要针对各种可能的故障、事故与突发事件进行控制呈现多种形式。
针对稳定性、响应速度这些性能要求来确定适合的控制算法。
3.控制策略方面反应堆安全控制系统的控制策略主要有3种,包括授权控制、保守控制和先进控制。
其中授权控制是基于反应堆的物理特性,即通过特定的安全措施来建立不同维度的安全度量。
保守控制是建立在不断进行事前安全分析的基础上,通过使得反应堆处理的能量保持在稳定的水平。
先进控制是旨在提高反应堆控制能力的一个发展方向,主要通过控制策略的改进来实现对反应堆的更多控制。
三、未来展望未来反应堆安全控制系统的研究将会更加注重控制策略的改进以及能源安全问题的解决。
发展先进控制技术,引入机器学习、深度学习等新技术,对反应堆进行智能化控制。
0引言反应堆保护系统是核电厂重要的安全系统。
它对于限制核电厂事故的发展、减轻事故后果,保证反应堆及核电厂设备和人员的安全、防止放射性物质向周围环境的释放具有十分重要的作用。
它监测电厂重要的参数,对安全信号进行必要的采集、计算、定值比较、符合逻辑处理,当选定的电厂参数达到安全系统整定值时,自动地触发反应堆紧急停堆和/或驱动专设安全设施动作,以实现并维持电厂的安全停堆工况。
1设计准则反应堆保护系统的设计须满足以下设计准则:1.1自动保护除非出现危险工况到要求保护动作之间有足够长的时间允许操纵员手动操作,否则所有保护动作都应是自动的。
保护动作一旦触发就应进行到底。
除非操纵员有意识地操作逐个部件来终止专设安全设施动作。
只有系统级驱动信号被复位后,才允许操纵员进行部件级手动复位。
部件复位的一个原因是如果发生安全功能的误驱动,可通过部件复位来终止安全功能。
1.2单一故障准则反应堆保护系统具有足够的冗余度,保证不会因为单一故障而丧失保护功能。
应考虑发生在系统内部的、发生在辅助系统中的以及由外部原因引起的故障。
即使在一个通道旁通用于试验或维护的情况下,安全系统内一个可信的单一故障不会阻止系统级保护功能的触发或完成。
即使在安全系统因单一故障退化的情况下,系统也包含足够的冗余以满足性能要求。
安全系统内的单一故障不会导致II类工况事件发展成为III类工况事件或III类工况事件发展成为IV类工况事件。
冗余序列间的连接或与非安全系统间的信号连接包含隔离装置。
隔离装置是经过测试的,以确保如物理损坏、短路、开路、输出终端电压故障等可信的故障不会反向传播到隔离装置的输入端。
隔离装置确保非安全系统内的可信单一故障不会降低安全系统的性能。
为防止共模故障,采用了诸如功能多样性、物理隔离、试验以及在设计、生产、安装和运行过程中采取行政控制等附加方法。
保护系统的另一个设计目标是将误停堆和专设安全设施误驱动的概率降至最低。
对那些故障后会产生错误的停堆或专设安全设施触发信号的重要电路提供了冗余。
模块式小型堆反应堆保护系统设计-机电论文模块式小型堆反应堆保护系统设计冯威俞赟尤恺罗炜(中国核动力研究设计院核反应堆系统设计技术重点实验室,四川成都610041)【摘要】模块式小型堆作为采用三代核电技术的多用途小型压水堆,在设备的建造和设计上与以往工程项目相比有其自身的特点。
将介绍小堆项目反应堆保护系统的结构特点,并分析其系统设计理念。
关键词模块式小型堆;紧急停堆系统;专设安全设施驱动系统作者简介:冯威(1982—),男,汉族,四川成都人,工程师,从事核电站仪控设计工作。
0引言反应堆保护系统是核电厂重要的安全系统。
它对于限制核电厂事故的发展、减轻事故后果,保证反应堆及核电厂设备和人员的安全、防止放射性物质向周围环境的释放具有十分重要的作用。
它监测电厂重要的参数,对安全信号进行必要的采集、计算、定值比较、符合逻辑处理,当选定的电厂参数达到安全系统整定值时,自动地触发反应堆紧急停堆和/或驱动专设安全设施动作,以实现并维持电厂的安全停堆工况。
模块式小型堆主要设计有紧急停堆功能、专设安全设施驱动等与安全有关的功能,为此设计的反应堆保护系统包含了紧急停堆系统和专设安全设施驱动系统两个子系统。
同时,为应对安全级DCS发生共因故障和应对预期瞬态未停堆(ATWT)设置了多样性驱动系统,其采用与反应堆保护系统不同的设备实现功能,驱动有关的驱动器。
1系统设计1.1 系统结构保护系统由四重冗余的序列A、B、C、D组成(见图1),各序列之间以及安全系统与非安全级系统之间在物理、功能和电气方面都是相互隔离的。
反应堆停堆和专设安全设施驱动功能都在四个冗余的序列中执行。
四个冗余序列使用四套独立的传感器。
每个序列从对应的传感器/变送器采集信号,经必要的处理后再进行阈值比较,当超过阈值则产生“局部脱扣”信号。
这些信号经过光纤I/O总线被送往其它序列进行逻辑处理从而完成以下功能:反应堆紧急停堆,汽机刹车,启动专设安全设施和支持系统。
基于数字化技术的反应堆控制保护系统设计及设备使用要点发布时间:2022-03-11T07:18:09.332Z 来源:《科技新时代》2022年1期作者:张波1 王瑞东2 [导读] 本文基于核电反应堆本质安全防护导向,在设计寿命60年技术规范下进行基于数字化技术的反应堆控制保护系统设计及设备使用要点探讨,为核电产业核心发展提供建设性意见。
福建宁德核电有限公司福建省宁德市 355200摘要:本文基于核电反应堆本质安全防护导向,在设计寿命60年技术规范下进行基于数字化技术的反应堆控制保护系统设计及设备使用要点探讨,为核电产业核心发展提供建设性意见。
关键词:核电;反应堆;压力容器;控制;数字化1引言以核电为导向的高效能源利用将是传统流程工业用于发电的新突破。
而基于核反应有限控制的反应堆设计、搭建、控制保护和自动化安全检测是一项精细而系统的工作。
核电站反应堆构型上以密闭半球形压力容器为代表的反应堆壳体具备上、下封头可拆卸,法兰连接部位存在密封环设计,确保堆芯的绝对密封。
而支承结构内部的控制棒与其他介质交互隔绝,相应进出口管线配备紧急泄压装置而多到屏蔽装置,但是内部装置因为需确保可靠性都应用了机械触发装置。
所以相应时间和数字化程度有限。
本文基于核电反应堆本质安全防护导向,在设计寿命60年技术规范下进行基于数字化技术的反应堆控制保护系统设计及设备使用要点探讨,为核电产业核心发展提供建设性意见。
2反应堆保护系统组成及功能要求多维数据运算导向的全数字化分散控制系统(DCS)能运用在化工、电力和流程工业的各环节,当前经过升级改造后已经取得了核电安全运行许可,相比火电构型运行得到了多维支撑。
可靠性上也可以匹配核电反应堆保护系统,得到反应堆稳态和瞬态功率运行(即正常运行、中等频率故障和稀有事故工况)不同工况下的自动/半自动调节。
而系统组成方面通过接触信号级的方式可以进行不同事故评价,预防而规避反应堆不安全和不正常的运行。
浅谈反应堆保护系统设计
摘要为了科学利用核能,保障核电站的运行安全,确保其可靠性和安全性,在进行保护控制系统设计时,应充分考虑其发生故障的可能性。
本文介绍了核电站数字化控制系统的保护系统的设计原则,并对其典型设计进行了分析研究。
关键词核能;数字化控制系统;保护系统;可靠性
前言
核能是一种稳定的清洁能源,使用核能发电至今已有近70年的历史。
然而,自日本福岛核事故发生以来,世界范围内核电项目受到了严重打击,中国政府立即暂停了已开工的核电项目,并对新上核电项目进行严格审批,直到近年才陆续重新开工。
如何确保核电站的运行安全,如何使用好核能这把双刃剑,已成为决定整个核电行业发展的重中之重。
随着微处理技术的发展,数字化控制系统已取代了传统模拟控制和保护系统,本文主要介绍了数字化控制系统中反应堆保护相关系统的架构与设计原则。
1 系统组成
1.1 核电站的基本构成
核电站是用核能生产电能的电厂,从生产角度上讲,核电站分为两大部分,一部分是通过核能放热产生蒸汽,称之为核岛;另一部分与常规电厂相同,利用蒸汽生产电能,称之为常规岛。
核岛系统由反应堆、主泵、稳压器、蒸汽发生器和相应管道组成,反应堆外壳是一个耐高压容器,主要用于将全部核放射限制在其范围之内、防止飞机撞击等事件,是放射物质与环境之间的第三道屏障。
但是,当反应堆出现异常时,如果不能及时调整或停止其核反应,堆芯温度将不断上升,进而导致核岛内压力不断升高,当压力高到容器无法承受时,最终会发生放射性物质外泄。
1.2 反应堆保护系统
(1)概述
反应堆保护系统的作用就是保护三大核安全屏障(即燃料包壳、一回路压力边界和安全壳)的完整性[1]。
当核电站的某些设备发生故障时,通过设置在核电站各个设备、管道的压力、温度、流量传感器参数也会发生变化,当这种参数变化达到危及三大屏障完整性的阈值时,紧急停闭反应堆,必要时启动专设安全设施,通过淋水等方式进一步降低温度,保障公众生命财产安全。
(2)系统组成
核电站数字化控制系统主要由反应堆控制系统(标准DCS)和反应堆保护系统(RPS)等构成。
为确保核电站不发生核泄漏事故,反应堆保护系统扮演了关键角色,其系统组成主要分为紧急停堆系统(RTS)和专设安全设施驱动系统。
核电站的数字化控制系统建设是一个系统工程,反应堆保护系统(RPS)是广义的反应堆保护系统的一部分,在它之外,还有着许多执行专门功能的被控系统,例如通过分布于反应堆压力容器外的一系列中子探测器进行测量的核仪表系统(RPN)和测量堆芯温度、中子注量率、压力容器水位的堆芯测量系统(RIC)。
在核电站运行发电的时候,数字化控制系统通过这些系统反馈的参数来监视反应堆的运转情况,并通过控制相关的泵、阀等执行机构来调整反应堆的运行状态。
2 设计原则
在核电站的运行过程中,按照其各种瞬时状态、发生事故的频率以及对公众的放射性影响将事件分成四类:工况I——正常运行和正常运行瞬态、工况II——中等频率故障、工况III——稀有事故、工况IV——极限事故。
保护系统正是针对II、III、IV类工况设计的,考虑到设备存在失效的可能,为了最大限度提高其可靠性,在进行保护系统设计时,需符合以下准则:
单一故障准则:任何部位发生单一故障或单次事件引起的任何故障,保护系统仍能正常执行其功能。
冗余性和独立性:在设计上需广泛采用冗余設计,如保护系统在执行某一功能时,使用多个相同的设备来确保其一定会按要求执行其功能,同时为了避免这些设备发生共模故障、实现在线检验和维修,要求设计时在电气和结构上应相互独立。
多样性:在执行功能或采集数据时,应尽量采用不同的方式进行,在功能和设备上均有多样性,以克服共模故障[2]。
故障安全:在系统发生任何故障时,其导致的结果对于核电站而言属于安全状态。
逻辑符合:在采用保护动作前,必须有两个或两个以上的冗余信号相符合,增加可靠性。
可试验性和可维修性:保护系统的冗余设计使得整个系统的可靠性到了很高的程度,即发生一些故障后整个系统仍能正常工作,为了防止故障积累导致全系统故障,需通过定期试验发现和修理系统中故障的部分。
3 典型设计
反应堆保护系统结构复杂,涉及的设备数量庞大,现以某核电站蒸汽发生器内液位测量为例,介绍其数字化控制系统的典型设计。
某核电站共有三个蒸汽发生器,需实时监测这三个蒸汽发生器内的液位高度,在其过高或过低时,代表反应堆内相关设备或管道发生故障,应进行停堆。
设计时,为每一个蒸汽发生器配置了四个液位传感器,在可能的情况下,这四个传感器应使用不同的物理效应进行测量。
使用数字化控制系统四个不同的通道分别对其进行实时模拟量采集,采集的结果在核电站主控室显示并记录。
同时,针对每个传感器设置高、低两个阈值,当液位过高和过低时,发出信号,当四个传感器中的两个同时出现异常,且符合其它逻辑时,启动反应堆停堆断路器进行紧急停堆。
4 结束语
在福岛事件后,公众对核电存在一定的误解和偏见,在核电站建设过程中,很大一部分建设成本用于确保核电站的运行安全。
纵观整个核电站的生命周期,对于每一个系统的设计、采购、制造、安装、调试、运行,核电人投入了大量精力保证其设计完善、质量可控,将风险降低至最低。
本文旨在由反应堆保护系统设计的角度,简要介绍了其设计原理与典型设计实施方式,解释为什么核电站是安全的,提高公众对核电的信心。
参考文献
[1] 广东核电培训中心.900MW压水堆核电厂系统与设备[M].北京:原子能出版社,2007:179.
[2] 梁中起.核电厂保护系统多样性设计应用研究[J].自动化博览,2015,(12):80-81.
王鹤云,现就职单位:中国核电工程有限公司,研究方向:从事DCS采购工作。