电气原理图基础知识
- 格式:ppt
- 大小:18.52 MB
- 文档页数:26
.1 电气识图的基础知识根据最新国家标准电气图形符号绘制的各种电气工程图是各类电气工程技术人员进行沟通、交流的共同语言。
在设计、安装、调试和维修管理电气设备时,通过识图,可以了解各电器元件之间的相互关系以及电路工作原理,为正确安装、调试、维修及管理提供可靠的保证。
要做到会看图和看懂图,首先应掌握识图的基本知识,即应当了解电气图的构成、种类、特点等,同时应掌握电气工程中常用的最新国家标准图形符号,了解这些符号的意义。
其次,还应掌握识图的基本方法和步骤等相关知识。
8.1.1 电气施工图的特点1. 建筑电气工程图大多是采用统一的图形符号并加注文字符号绘制而成的;2. 电气线路都必须构成闭合回路;3. 线路中的各种设备、元件都是通过导线连接成为一个整体的;4. 在进行建筑电气工程图识读时应阅读相应的土建工程图及其他安装工程图,以了解相互间的配合关系;5. 建筑电气工程图对于设备的安装方法、质量要求以及使用维修方面的技术要求等往往不能完全反映出来,所以在阅读图纸时有关安装方法、技术要求等问题,要参照相关图集和规范。
8.1.2 电气施工图的组成1. 图纸目录及设计说明包括图纸内容、数量、工程概况、设计依据以及图中未能表达清楚的各有关事项。
如供电电源的来源、供电方式、电压等级、线路敷设方式、防雷接地、设备安装高度及安装方式、工程主要技术数据、施工注意事项等。
2. 主要材料设备表包括工程中所使用的各种设备和材料的名称、型号、规格、数量等,它是编制购置设备、材料计划的重要依据之一。
3. 系统图如变配电工程的供配电系统图、照明工程的照明系统图、电缆电视系统图等。
系统图反映了系统的基本组成、主要电气设备、元件之间的连接情况以及它们的规格、型号、参数等。
4. 平面布置图平面布置图是电气施工图中的重要图纸之一,如变、配电所电气设备安装平面图、照明平面图、防雷接地平面图等,用来表示电气设备的编号、名称、型号及安装位置、线路的起始点、敷设部位、敷设方式及所用导线型号、规格、根数、管径大小等。
电气原理图电工基础一、引言电气原理图是电气工程中重要的技术文档,用于描述电气设备之间的连接和工作原理。
掌握电气原理图的基础知识对于电工人员来说是至关重要的。
本文将介绍电气原理图的基础知识,包括常用的符号和线路表示方法,以及常见的电气组件。
二、电气符号1. 电源符号•直流电源:用直线表示,上面带有正(+)或负(-)符号。
•交流电源:用波浪线表示,上面没有正负符号。
2. 元件符号•电阻:用矩形表示,上面加上斜线来表示阻值。
•电容:用两条平行的线表示,中间加上一个交叉线。
•电感:用卷曲的线圈表示。
•开关:用普通的开关符号表示,可以是单极、双极或三极。
3. 传感器符号•电压传感器:用两个垂直的箭头表示。
•电流传感器:用一个箭头和一个环表示。
三、线路表示方法1. 直线连接最简单的线路表示方法是直线连接,用直线将电源和元件连接起来。
电源 ---- 元件2. 并联连接当多个元件并联连接时,可以使用平行线表示。
并联的元件在同一水平线上。
电源 ---- 元件1|---- 元件23. 串联连接当多个元件串联连接时,可以使用垂直线表示。
串联的元件在同一垂直线上。
电源 ---- 元件1||---- 元件24. 接地连接接地连接是将元件与地线相连,通常用一个倒三角表示地线。
电源 ---- 元件 ---- ||地四、常见电气组件1. 开关开关是常见的电气组件之一,用于控制电路的通断。
常见的开关有普通开关、双掷开关和按钮开关。
2. 电灯电灯是常见的照明设备,用于将电能转化为光能。
电灯符号在电气原理图中通常用一个圆圈表示。
3. 电机电机用于将电能转化为机械能,常用于驱动各种设备。
电机符号在电气原理图中通常用一个横线和一个弧线表示。
4. 传感器传感器是用于感知周围环境或测量物理量的装置。
常见的传感器有光敏传感器、温度传感器和压力传感器等。
五、总结本文介绍了电气原理图的基础知识,包括常用的符号和线路表示方法,以及常见的电气组件。
掌握这些基础知识对于理解和绘制电气原理图是至关重要的。
第十三章电气图基础知识内容提要:本章是电气制图的基础知识,重点讲述电气工程CAD制图规范、电气图形符号及画法使用命令、电气技术中的文字符号和项目代号等内容。
通过本章学习,应达到如下基本要求。
①掌握电气工程CAD制图规范。
②掌握电气图形符号及画法使用命令,能在实际绘图中应用自如。
③掌握电气技术中的文字符号和项目代号。
13.1电气工程CAD制图规范电气工程设计部门设计、绘制图样,施工单位按图样组织工程施工,所以图样必须有设计和施工等部门共同遵守的一定的格式和一些基本规定,本节扼要介绍国家标准GB/T18135—2000《电气工程CAD制图规则》中常用的有关规定。
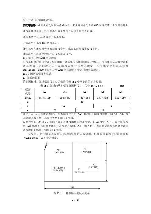
13.1.1图纸的幅面和格式1.图纸的幅面绘制图样时,图纸幅面尺寸应优先采用表13-1中规定的的基本幅面。
表13-1 图纸的基本幅面及图框尺寸代号B×L a c e mm幅面A0 A1 A2 A3 A4代号B×L 841×1189 594×841 420×594 297×420 210×297a 25c 10 5e 20 10其中:a、c、e为留边宽度。
图纸幅面代号由“A”和相应的幅面号组成,即A0~A4。
基本幅面共有五种,其尺寸关系如图1-1所示。
幅面代号的几何含义,实际上就是对0号幅面的对开次数。
如A1中的“1”,表示将全张纸(A0幅面)长边对折裁切一次所得的幅面;A4中的“4”,表示将全张纸长边对折裁切四次所得的幅面,如图13-1所示。
必要时,允许沿基本幅面的短边成整数倍加长幅面,但加长量必须符合国家标准(GB/T14689—93)中的规定。
图13-1 基本幅面的尺寸关系图框线必须用粗实线绘制。
图框格式分为留有装订边和不留装订边两种,如图13-2和图13-3所示。
两种格式图框的周边尺寸a、c、e见表13-1。
但应注意,同一产品的图样只能采用一种格式。
(a)横装(b)竖装图13-2 留有装订边图样的图框格式(a)横装(b)竖装图13-3 不留装订边图样的图框格式国家标准规定,工程图样中的尺寸以毫米为单位时,不需标注单位符号(或名称)。
大一电气工程制图知识点电气工程制图是电气工程师在工作中必不可少的技能之一,它是电气工程设计和实施的重要工具。
本文将介绍大一学生在学习电气工程制图时需要掌握的基本知识点。
一、电气工程制图的基础知识1.1 电气工程制图的定义电气工程制图是利用图形符号和标记方法,将电气设备和电气线路的形式、结构、性能、连接关系、操作规程等,按照一定的规则和标准,以图形方式表示出来的技术文件。
1.2 电气工程制图的分类电气工程制图可以分为电气原理图、电气布线图、接线图、电气设备图等多种类型。
每种制图形式都有其特定的用途和规范,学习者需要了解并掌握不同类型的制图知识。
1.3 电气工程制图的符号和标记电气工程制图采用了一系列特定的符号和标记,以便准确表达电气元件、电气设备和电气线路的特性和连接关系。
如电源符号、负载符号、开关符号等。
学习者应该熟悉并记住这些符号和标记的含义。
二、电气工程制图的技巧和方法2.1 电气工程制图的规范要求电气工程制图有一系列的规范要求,包括图纸尺寸、线条粗细、字体大小等。
学习者在绘制电气工程图时,应始终遵循规范要求,以确保图纸的准确性和可读性。
2.2 电气工程制图的绘制步骤绘制电气工程制图时,通常需要按照一定的步骤来进行。
首先是制定绘图计划,确定所需的图纸规格和比例;然后是绘制图纸的轮廓、标线和框架;接着是绘制电气元件和线路的符号和标记;最后是添加文字说明和图例等。
2.3 电气工程制图的常见错误在绘制电气工程制图时,学习者常常会出现一些常见的错误,如符号绘制错误、线路连接错误、文字标注错误等。
学习者应该注意这些错误,并采取相应的纠正措施,以确保绘图的准确性。
三、电气工程制图的应用领域电气工程制图广泛应用于电力系统、电气设备、自动控制、通信系统等领域。
掌握电气工程制图知识的学习者在将来的工作中会经常用到这些技能,因此学习者应该充分了解电气工程制图的应用领域和实际意义。
四、电气工程制图的发展趋势随着科技的进步和电气工程的发展,电气工程制图也不断发展和改进。
电工识图基本知识电工识图基本知识电气控制电路和电气设备的安装、设计调试与维修都要有相应的电气图作为依据或参考。
电气图是根据国家制订的图形符号和文字符号标准,按照规定的画法绘制出的图纸。
它是电气工程技术的语言,凡从事维修的电工,必须掌握识读电气图。
一、电工识图的基础知识1 、电气图的分类电气原理图(维修中用得较多)、电气安装接线图(维修中用得较多)、电气系统图、方框图、展开接线图、电器元件平面布置图、系统图。
1)电气原理图是用电气符号、按工作顺序排画的,详细表示了电路中电气元件、设备、线路的组成以及电路的工件原理和连接关系,而不考虑电气元件、设备的实际位置和尺寸的一种简图。
2)电气安装接线图它是根据电气原理图和位置图编制而成的,主要用于电气设备及电气线路的安装接线、检查、维修和故障处理。
又可分为单元接线图、互连接线图、端子接线图。
2、电气图中区域的划分标准的电气图(电气原理图)对图纸的大小(图幅)、图框尺寸和图区编号均有一定的要求。
图框线上、下方横向有阿拉伯数字1,2,3等,图框线,左、右纵向标有大写字母A、B、C等,这些是图区编号,是为了便于检索图中的电气线路或元件,方便阅读、理解全线路的工作原理而设置的,俗称“功能格”。
3、电气图中符号位置索引为了便于查找电气图中某一元件的位置,通常采用符号索引是由图区编号中代表(横向)的字母和代表列(纵向)的数字组合,必须时还须注明所在图号、页次。
4、电气符号在电气图早的电气符号是国家统一规定的,它包括图形符号、文字符号和回路符号。
图形符号:基本符号、?一般符号、? 明细符号。
基本符号:基本文字符号(单、双字母符号)、辅助文字符号、明细符号技术数据的表示方法5、电气图识图的一般方法(1)查阅文字说明----包含系统功能、电气原理、元器件,明细等技术说明资料。
(2)系统模块分解---一般对原理图、逻辑图、流程图等按功能模块分解。
而对接线图往往安装制作的位置模块分解。
电工电路图教程电工电路图教程电工电路图是指用符号图形、线路图和文字符号来表示电气元件、连接方式和电路关系的图解。
它是电气工程师必备的基础知识之一,也是电气工程专业学习的难点之一。
本文将为大家介绍电工电路图的基本概念、符号标识以及绘制方法,希望能帮助大家更好地理解和掌握电工电路图的知识。
一、基本概念1. 电路:由电源、电气元件和导线等构成的电流传输路径。
电路分为直流电路和交流电路。
2. 电流方向:用箭头表示,表示电流的流动方向。
3. 电位方向:用“+”和“-”表示,表示电压的正负方向。
4. 连接线:用实线、虚线或箭头连接电气元件,表示元件之间的导线连接关系。
5. 电气元件:用符号图形表示,如电源、电阻、电感、电容等。
二、符号标识1. 电源符号:表示电能供应的设备,一般用代表正极和负极的直线、弯线和矩形。
2. 开关符号:表示电路的开关,一般用直线和开关触头的图形。
3. 电阻符号:用符号表示电阻,一般用具有直线英文字母“R”的图形。
4. 电容符号:用符号表示电容,一般用平行的两条带有“C”字母的直线。
5. 电感符号:用符号表示电感,一般用上下两端带有相互关联的“L”字母的图形。
6. 灯泡符号:表示灯泡,一般用图形中带有波浪线的图形。
7. 安装符号:表示元件的安装方式,如固定或插拔,一般用点划线、虚线和箭头。
三、绘制方法1. 初步确定电路的连接方式和元件的种类:根据要设计的电路的功能需求,确定电源、开关和电气元件的种类和数量。
2. 选择合适的电气元件符号:对于不同种类的电气元件,选择相应的符号进行绘制。
3. 开始绘制:采用绘图工具,如纸和铅笔、CAD软件等,按照电气元件的连接方式和电路的拓扑结构,将电路图绘制在图纸或软件上。
4. 添加文字标识:在电路图中添加文字标识,表示元件的参数、连接方式和电路的功能信息。
5. 检查和修正:绘制完成后,对电路图进行检查,保证电路图的正确性和完整性。
如果发现错误或遗漏,进行及时修正。
电气原理图、框图识图基础知识一.电气框图:1.电气框图的介绍:电气方框图是一种用方框和连线来表示电路工作原理和构成概况的电路图。
在这种图纸中,除了方框和连线,几乎就没有别的符号了。
只是简单地将电路按照功能划分为几个部分,将每一个部分描绘成一个方框,在方框中加上简单的文字说明,在方框间用连线(有时用带箭头的连线)说明各个方框之间的关系。
所以方框图只能用来体现电路的大致工作原理,下图所示是一个两级音频信号放大系统的方框图。
从图中可以看出,这一系统电路主要由信号源电路、第一级放大器、第二级放大器和负载电路构成。
从这一方框图也可以知道,这是一个两级放大器电路。
2.电气框图的种类:电气方框图主要有三种:整机电路方框图、系统电路方框图和集成电路内电路方框图。
2.1 整机电路方框图整机电路方框图是表达整机电路图的方框图,也是众多方框图中最为复杂的方框图,关于整机电路方框图,主要说明下列几点。
(1)从整机电路方框图中可以了解到整机电路的组成和各部分单元电路之间的相互关系。
(2)在整机电路方框图中,通常在各个单元电路之间用带有箭头的连线进行连接,通过图中的这些箭头方向,还可以了解到信号在整机各单元电路之间的传输途径等。
(3)有些机器的整机电路方框图比较复杂,有的用一张方框图表示整机电路结构情况,有的则将整机电路方框图分成几张。
(4)并不是所有的整机电路在图册资料中都给出整机电路的方框图,但是同类型的整机电路其整机电路方框图基本上是相似的,所以利用这一点,可以借助于其他整机电路方框图了解同类型整机电路组成等情况。
(5)整机电路方框图不仅是分析整机电路工作原理的有用资料,更是故障检修中逻辑推理、建立正确检修思路的依据。
2.2 系统电路方框图一个整机电路通常由许多系统电路构成,系统电路方框图就是用方框图形式来表示系统电路的组成等情况,它是整机电路方框图下一级的方框图,往往系统方框图比整机电路方框图更加详细。
图2所示是组合音响中的收音电路系统方框图。
电⽓制图基础知识第三章电⽓制图基础知识主要内容电⽓图是对电⽓技术领域中各种图的总称,主要⽤来表达电⽓系统、装置或设备的功能、⽤途、原理、装接和使⽤等信息。
本章将重点介绍电⽓制图基础知识。
1、图形符号、⽂字符号、项⽬代号的基本知识。
2、电⽓制图的⼀般规则、电⽓图的基本表⽰⽅法和连接线的基本表⽰⽅法。
学习提⽰本章所介绍的电⽓制图基础知识适⽤于所有电⽓图的绘制和识读。
由于这部分内容具有规则性强、涉及国家标准多、知识点琐碎、与专业课程联系密切等特点,所以在学习时应注意以下⼏点:1、电⽓制图的⼀般规则和基本表⽰⽅法是绘制各种电⽓图都应遵守的规范。
2、弄清各知识点之间的联系:简图(即⽤图形符号绘制的图)是电⽓图的主要表达形式,元件和连接是电⽓图的主要表达内容,功能布局法和位置布局法是电⽓图的两种基本布置⽅式,图形符号、⽂字符号和项⽬代号是构成电⽓图的基本要素。
3、正确理解各种表⽰⽅法的概念,善于⽐较其异同点,掌握其规定画法。
4、项⽬代号的层次较多,初期掌握也较困难,在实际应⽤中⼀般涉及不到项⽬代号的全部层次,常⽤其简化形式。
因此,在学习时只掌握本专业常⽤项⽬代号即可。
5、加强与专业课之间的联系,做到“活学活⽤”。
注意掌握常⽤知识,如常⽤图形符号、常⽤⽂字符号、常⽤项⽬代号和常⽤表⽰⽅法等。
§3-1 电⽓符号电⽓符号是对构成电⽓图的图形符号、⽂字符号、项⽬代号等基本要素的总称。
电⽓符号为电⽓图的识读提供了完整的资料,是信息的载体和传递⼯具。
因此,正确地理解、使⽤、绘制和识别各种电⽓符号是电⽓识图和画图的基础,是电⽓⼯程技术⼈员必备的专业技能。
⼀、图形符号在初中物理课中,我们经常⽤“表⽰电灯、⽤“”表⽰电阻器、⽤“”表⽰控制控制开头。
在电⽓图中,表⽰电⽓件或设备的简单图形、标记或字符,称为图形符号,如图3-1所⽰。
为了规范各类电⽓产品的图形符号,我国在国际电⼯委员会(IEC)标准的基础上,制定了《电⽓简图⽤图形符号》国家标准(GB/T4728)。
电气原理图基础
电气原理图是电气工程师及其他相关人员常用的图示工具。
它用于表示电路元件、电气连接和信号流动的关系。
电气原理图的绘制规则和符号标识是国际通用的,因此具有较强的标准化特点。
在电气原理图中,常见的元件包括电源、电阻、电容、电感、开关、灯泡等。
这些元件通过电气连接线(或称导线)相互连接,从而形成一个完整的电路。
电路中的信号流动则通过箭头表示,箭头指向信号流动的方向。
电源是电路中提供电能的部分,通常用圆圈表示。
电源有正极和负极之分,正极通常用"+"符号表示,负极则用"-"符号表示。
电源可以是直流电源或交流电源。
电阻是电气原理图中比较常见的元件之一,用来限制电流的流动。
电阻的符号为一个波浪线,可以有不同的取值,如10欧姆、20欧姆等。
电容是电路中的能量储存元件,符号为两条平行的直线。
电容的取值可以是不同的,如10微法、20微法等。
电感是电路中的储能元件,它可以储存磁场能量。
电感的符号为一个卷曲的线圈。
开关用于控制电路的通断,常用的开关符号是一根直线与一对幅度不等的直线组成。
灯泡用于产生光和热,常用的符号是一个小圆圈。
除了以上元件外,电气原理图中还可以用其他符号表示一些特殊的元件或功能,如传感器、电机、变压器等。
通过电气原理图,我们可以清晰地了解电路的结构和信号流动的路径,从而更好地进行电路设计和故障排查工作。
因此,熟练掌握电气原理图的绘制和解读是电气工程师必备的基础技能。
入门电气198个电气原理基础知识汇总01电荷的性质答:电荷之间存在着相互作用力,同性电荷相互排斥,异性电荷相互吸引。
02电场答:在带电体周围的空间存在着一种特殊物质,它对放在其中的任何电荷表现为力的作用,这一特殊物质叫做电场。
03电阻,影响电阻的因素答:电流在导体内流动过程中,所受到的阻力叫做电阻,用R表示。
导体电阻与导体长度成正比,与异体截面积成反比,还与导体的材料有关,它们之间的关系可用下列公式表示:R=ρL/S。
04串联电阻的特点答:①流过各电阻的电流相同。
②串联电阻上的点电压等于各电阻上的电压降之和。
③串联电阻的点电阻为各电阻之和。
并联电阻的特点①各并联电阻上的电压相同。
②并联电阻的点电流等于各并联电阻流过电流之和。
③并联电阻的等效电阻的倒数为各并联电阻的倒数之和。
05电能答:电能是用来表示电场力在一段时间内所做的功用W表示W=ptW:电能(kw.h)p:电功率(w)t:时间(h)06什么叫有功,什么叫无功?答:在交流电能的输、用过程中,用于转换成非电、磁形式(如光、热、机械能等)的那部分能量叫有功。
用于电路内电、磁场交换的那部分能量叫无功。
07什么叫力率,力率的进相和迟相是怎么回事?答:交流电机制功率因数cosФ,也叫力率,是有功功率和视在功率的比值,即cosФ=p/s,在一定的额定电压和额定电流下,电机的功率因数越高,说明有功所占的比重越大。
同步发电机通常既发有功,也发无功,我们把既发有功,又发功的运行状态,称为力率迟相,或称为滞后,把送出有功,吸收无功的运行状态,称为力率进相,或称超前。
8、提高电网的功率因数有什么意义?答:在生产和生活中使用的电气设备大多属于感性负载,它们的功率因数较低,这样会导致发电设备容易不能完全充分利用且增加输电线路上的损耗,功率因数提高后,发电设备就可以少发无功负荷而多发送有功负荷,同时还可以减少发供电设备上的损耗,节约电能。
08什么叫电流?电流的方向是怎样规定的?答:电流:是指在电场力的作用下,自由电子或离子所发生的有规则的运行称为电流。
电气设计基础知识大全《电气设计基础知识大全》导言:电气设计是现代工程中不可或缺的一部分,涉及到许多重要的概念和原则。
本篇文章将为读者提供一份全面的电气设计基础知识大全,帮助读者了解电气设计的基本原理和流程。
第一章:电流与电压1. 电流的定义和单位2. 电压的定义和单位3. 电阻与电流关系4. 电阻与电压关系5. 电流与电压的功率关系第二章:电路基础1. 电路的定义和分类2. 串联电路和并联电路3. 电路中的电阻、电感和电容4. 交流电路和直流电路5. 电路中的欧姆定律和基尔霍夫定律第三章:电气元件1. 电阻器的种类和应用2. 电容器的种类和应用3. 电感器的种类和应用4. 整流器和稳压器的原理和应用5. 开关和继电器的原理和应用第四章:电气安全1. 电气安全规范和标准2. 电击和触电事故的预防措施3. 地线和保护接地的原理和作用4. 绝缘和防护措施的重要性5. 现场检测和测试设备的使用第五章:电气图纸和符号1. 电气图纸的类型和常用符号2. 线路图和布线图的绘制方法3. 电路图和原理图的说明与解读4. 控制电路图和接线图的设计方法5. 常见电气故障和故障排除的图纸分析第六章:电气系统设计1. 功率和能量的计算与分配2. 变压器和输电系统的设计与选型3. 配电系统和配电盘的设计原理4. 照明系统和照明设计的考虑因素5. 防雷和接地系统的设计与布置结语:本篇文章从电流与电压的基本概念开始,逐渐展开了关于电气设计的基础知识大全。
电路基础、电气元件、电气安全、电气图纸和符号以及电气系统设计都是电气工程师必备的基本知识。
读者在阅读完本篇文章之后,应该对电气设计的基本原理和流程有了更深入的了解。
希望本篇文章能够对电气工程师的学习和实践有所帮助。